第3章 典型零件图的绘制概要
- 格式:ppt
- 大小:672.50 KB
- 文档页数:4
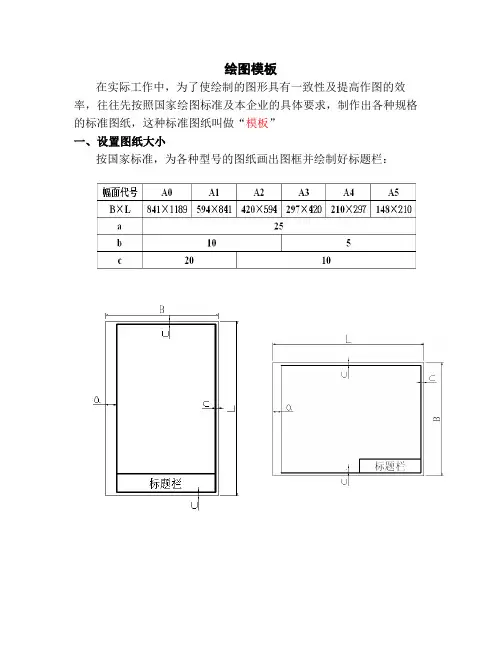
绘图模板
在实际工作中,为了使绘制的图形具有一致性及提高作图的效率,往往先按照国家绘图标准及本企业的具体要求,制作出各种规格的标准图纸,这种标准图纸叫做“模板”
一、设置图纸大小
按国家标准,为各种型号的图纸画出图框并绘制好标题栏:
4号图纸纵向
绘制轴类零件
设置绘图环境:图形界限的设置,图层的设置,文字样式、标注样式的设置。
1、用Office命令产生下图所示轴端线(以最大直径为基础)
2、用拉长命令的“T”参数确定各线段的长度
3、用直线命令连接各线段,产生轴的一半
4、用镜像命令产生轴的另一半
5、画键槽等其它图形元素,最后完成图形。
绘制叉架类零件补充图示几个尺寸。
机械制图之典型零件图的绘制引言机械制图是指通过绘制图纸来描述和表达机械零件的形状、尺寸和工作原理的一种方法。
在机械制图中,典型零件图是指常见且重要的机械零件的绘制图纸,用于准确地表示零件的形状和尺寸。
本文将介绍典型零件图的绘制方法,并给出一些实用的技巧。
步骤1. 确定绘图尺寸和比例在绘制典型零件图之前,我们首先需要确定绘图尺寸和比例。
通常情况下,通过与实际零件的尺寸对比,选择一个合适的比例进行绘制。
常用的比例有1:1、1:2、1:5等。
确定绘图尺寸后,我们可以开始进行具体的绘制。
2. 绘制基本图形典型零件图通常由若干基本图形组成,包括直线、圆弧、圆、椭圆等。
我们可以通过使用绘图工具,如直尺、圆规、椭圆模板等来绘制这些基本图形。
在绘制时,要注意按照真实尺寸进行绘制,并使用细线来表示。
3. 绘制零件特征在绘制完基本图形后,我们需要根据零件的具体特征来添加细节。
这些特征包括孔、槽、螺纹等。
对于孔和槽,可以使用穿孔线和横截面符号来表示;对于螺纹,可以使用螺纹符号来表示。
绘制这些特征时,要根据实际尺寸进行绘制,并注意使用适当的线型和线宽。
4. 添加尺寸标注绘制完零件的形状后,我们需要添加尺寸标注来表示零件的尺寸。
尺寸标注包括线性尺寸、角度尺寸、圆直径尺寸等。
在标注尺寸时,要选择合适的位置,并使用适当的线型和线宽。
5. 添加标线和说明最后,我们可以添加标线和说明来帮助理解零件图。
标线通常用于指示零件的名称、材质或其他特征;说明用于解释和补充零件图的相关信息。
标线和说明要清晰易懂,并与零件图的其他元素协调一致。
技巧为了绘制出清晰、准确的典型零件图,以下是一些实用的技巧:1. 使用图形软件使用专业的图形软件可以提高绘图的效率和准确性。
这些软件提供了丰富的绘图工具和功能,可以方便地绘制各种基本图形和特征。
2. 参考标准和规范在绘制典型零件图时,要参考相关的标准和规范。
这些标准和规范包含了零件图的绘制要求和规定,可以帮助我们绘制出符合行业标准的图纸。