分析两跨连续梁内力重分布规律例题[详细]
- 格式:ppt
- 大小:305.00 KB
- 文档页数:43
钢筋混凝土连续梁塑性内力重分布浅析钢筋混凝土连续梁、板结构在建筑中应用十分广泛,一些物殊结构,如水池的顶和底板,烟囱的板式基础也都是连续梁、板结构,因此结构计算和构造的正确性,对建筑的安全使用和经济效益有着非常重要的意义。
钢筋混凝土连续梁属于超静定结构,其内力分布与各截面间的刚度比值有关。
按弹性理论计算时,内力与荷载成线性关系。
内力分布规律始终不变,即认为结构的刚度不变,显然这与钢筋混凝土结构受力性能不符。
事实上由于混凝土受拉区裂缝的出现和开展,受压区混凝土的塑性变形,特别是受拉钢筋屈服后的塑性变形,各截面刚度比值不断变化,内力与荷载不再是线性的,而是非线性的,即结构的内力分布规律与按弹性理论计算的分布规律不同,因此在连续梁实际受力过程中,就要考虑塑性内力重分布的问题,这样就能真实正确的计算连续梁的承载能力。
笔者就下面几个方面浅谈对塑性内力重布的理解。
一、超静定结构才有内力的塑性重分布静定结构的内力分布规律(不是指数值)是由静力平衡条件确定的,与截面几何特征、材料及荷载的增大等无关。
所以静定期结构不存在内力的重分布问题。
可见,内力塑性重分布的研究对象是超静定结构中的内力,相当于超静定钢筋混凝土结构的结构力学。
二、内力塑性重分布的阶段性内力的塑性重分布可分为两个阶段,第一阶段是由于截面间刚度比例的改变,引起了内力不再服从弹性理论规律,而按弹塑性规律分布,通常指从截面开裂至第一个塑性铰即将形成的那个过程。
第二阶段是指由于塑性铰的出现改变了结构的计算图式从而使内力经历了一个重新分布的过程。
显然和二阶段的内力重分布比第一阶段的内力重分布显著得多。
所以严格地说,第一阶段是内力的弹塑性重分布,而第二阶段才是真正的内力塑性重分布。
在和二阶段中,内力重分布的发展程度,主要取决于塑性铰的转动能力。
如果首先出现的塑性铰都具有足够的转动能力,即能保证紧后一个使结束构变为几何可变体系的塑性铰的形成(保证结构不因其他原因如受剪而破坏),就称职为完全的内力重分布,如果在塑性铰的转动过程中混凝土被压碎,而这时另一塑性铰的尚未形成,则称为不完全的内力重分布。
一、单项选择题(每小题2分,共计40分,将选择结果填入括弧)1、现浇楼盖是指在现场整体浇筑的楼盖,关于其优点的表述不正确的是:( B )。
A . 整体刚性好B . 抗震性能差C . 防水性能好D . 结构布置灵活2. 对于钢筋混凝土现浇楼盖,若1l 表示短边的计算跨度,2l表示长边的计算跨度,则( D )。
A. 当21/2l l >时,可按双向板进行设计B. 当21/1l l ≤时,不宜按双向板进行设计C. 当21/2l l ≥时,可按单向板进行设计D. 当212/3l l <<,宜按双向板进行设计3.关于井式楼盖的特点,下列叙述错误的是( A )。
A . 需要设置较多内柱B . 能跨越较大空间C . 适用于中小礼堂、餐厅以及公共建筑的门厅D . 用钢量和造价较高4.关于无梁楼盖的特点,下列叙述错误的是( C )。
A . 荷载由板直接传至柱或墙B . 能够使房间净空高、通风采光好C . 施工时支模复杂D . 用钢量较大5.作用在屋盖上的荷载有恒荷载和活荷载两种,下列不属于活荷载的是( A )。
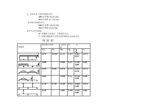
A . 屋盖自重B . 积灰荷载C . 雪荷载D . 风荷载6. 五等跨连续梁,为使第三跨跨中出现最大正弯矩,活荷载应布置在:( C )。
A. 1、2、4跨B. 1、2、3跨C. 1、3、5跨D. 2、3、4跨7.按照《混凝土结构设计规范》的规定,下列情况中,可以按塑性内力重分布法计算结构内力的是( D )。
A . 直接承受动荷载作用的结构构件B . 裂缝控制等级为一级或二级的结构构件,如水池池壁C . 处于重要部位而又要求有较大强度储备的结构构件D . 裂缝控制等级为三级的结构构件8.排架结构形式是指钢筋混凝土排架由屋面梁(或屋架)、柱和基础组合,( C )的结构形式。
A .排架柱上部与屋架刚接,排架柱下部与基础铰接B .排架柱上部与屋架刚接,排架柱下部与基础刚接C .排架柱上部与屋架铰接,排架柱下部与基础刚接D .排架柱上部与屋架铰接,排架柱下部与基础铰接9.一般单层厂房中,( D )是主要承重结构,屋架、吊车梁、柱和基础是主要承重构件。
思考题第四章P85.864.1 何谓单向板?何谓双向板?如何判别?只答:在板面均布荷载作用下,从板中沿支座正交方向取出的矩形板单元,荷载沿两个方向传递成为单向板;而在板面均布荷载作用下,有一个方向受弯,到周边的支座,故称为双向板。
的板按双向板计算;当对四变支撑的板按单向板计算,对2?l3?lll1212时,宜按双向板计算。
3?ll12结构平面布置的原则是什么?板、次梁、主梁的常用跨度是多少?4.2P86答:单向板肋梁楼盖由板、次梁和主梁组成。
其中,次梁的间距决定了板的单向板、主梁的间距决定了次梁的跨度;柱或墙的间距决定了主梁的跨度。
跨度;次梁、主梁的常用跨度如下:m4?单向板:,荷载较大时取小值。
次梁:4~6m 。
主梁:5~8m单向板中有哪些受力钢筋何构造钢筋?各起什么作用?如何设4.3P94.95置?对于绑答:板中受力钢筋分为承受负弯矩板面负筋和承受正弯矩板底正筋,mm150??150mmh,不宜大于扎钢筋,当板厚时,间距不宜大于200mm;板厚h1.5。
在支梁支座处或连续。
钢筋间距也不宜小于,且不宜大于250mm70mm 板端支座及中间支座处,下部正钢筋伸入支座的长度不应小于5d。
板中构造钢筋及其作用和设置:分布钢筋:分布钢筋布置在受力钢筋的内侧,其作用时与受力钢筋组成钢1.承受由于温度变化和混凝土收缩所产生便于施工中固定受力钢筋的位置;筋网,可承受在计算中承受并分布板上局部荷载产生的内力;对四边支撑板,的内力;未计及但实际存在的长跨方向的弯矩。
沿墙边和墙角处设置板面附加钢筋,承受板上部拉应力,钢筋直径不小于2.7l,伸出墙边长度大于等于200mm8mm,间距不大于。
0垂直于主梁的板面附加钢筋:承受主梁边缘处板面产生的支座负弯矩,在3.主梁上部的板面配置,数量不小于8@200,且主梁单位长度内的总截面面积不13;小于板中单位宽度内受力钢筋截面积的4.板角附加短钢筋:两边嵌入砌体墙内的板内的板角部分,应在板面双面配置附加的短负钢筋。
混凝土结构设计A考前复习题一、简答题(每小题5分,共计20分)1.何谓钢筋混凝土连续梁塑性内力的完全重分布?答:钢筋混凝土连续梁在荷载作用下能够按预期的顺序出现塑性铰,并按照选定的调幅值形成破坏机构,且其承载能力达到预计的极限荷载,这成为内力的完全重分布。
2.《混凝土结构设计规范》规定哪些情况下只能用弹性理论计算内力,而不能使用塑性内力重分布法。
答(1)直接承受动荷载作用的结构构件;(2)裂缝控制等级为一级或二级的结构构件,如水池池壁;(3)处于重要部位而又要求有较大强度储备的结构构件。
3.单层厂房一般在什么情况下应设置沉降缝?答:当相邻厂房高差较大,两跨间吊车起重量相差悬殊,地基土的压缩性有显著差异,厂房结构类型有明显差别处等容易引起基础不均匀沉降时,应设置沉降缝。
4.对于一般钢筋混凝土排架结构的简化计算,通常对排架的柱端连接和横梁做哪些假定?答:一般钢筋混凝土排架通常作如下假定:(1)柱的下端与基础固结;(2)柱的上端与屋架(或者屋面梁)铰接;(3)排架横梁为无限轴向刚性的刚杆,横梁两端处的柱的水平位移相等。
二、论述题(10分)1.按施工方式的不同划分,框架结构一般分为哪三种类型?并论述它们各自的优缺点。
答:按施工方式的不同,一般将框架结构分为现浇框架、预制装配式框架和现浇预制框架三种类型。
现浇式框架即梁、柱、楼盖均为现浇钢筋混凝土结构。
现浇式框架结构的整体性强、抗震性能好,因此在实际工程中采用比较广泛。
但现场浇筑混凝土的工作量较大。
预制装配式框架是指梁、柱、楼板均为预制,通过焊接拼装连接成的框架结构。
其优点是构件均为预制,可实现标准化、工厂化、机械生产。
因此,施工速度快、效率高。
但整体性较差,抗震能力弱,不宜在地震区应用。
现浇预制框架是指梁、柱、楼板均为预制,在预制构件吊装就位后,对连接节点区浇筑混凝土,将梁、柱、楼板连成整体框架结构。
此类框架既具有较好的整体性和抗震能力,又可采用预制构件,减少现场浇筑混凝土的工作量。
第11章钢筋混凝土现浇楼盖设计常见问题解答1.什么是钢筋混凝土现浇楼盖?钢筋混凝土现浇楼盖有那些优缺点?答:钢筋混凝土现浇楼盖是指在现场整体浇筑的钢筋混凝土楼盖。
钢筋混凝土现浇楼盖的优点是:整体刚性好,抗震性强,防水性能好,结构布置灵活,所以常用于对抗震、防渗、防漏和刚度要求较高以及平面形状复杂的建筑。
钢筋混凝土现浇楼盖的缺点是,由于混凝土的凝结硬化时间长,所以施工速度慢,而且耗费模板多,受施工季节影响大。
2.现浇楼盖按楼板受力和支承条件的不同,可分为哪几种类型?答:现浇楼盖按楼板受力和支承条件的不同,可分为:肋形楼盖、井式楼盖和无梁楼盖。
3.肋形楼盖由哪些构件组成?答:肋形楼盖由板、次梁、主梁(有时没有主梁)组成。
4.肋形楼盖荷载传递的途径如何?答:肋形楼盖荷载传递的途径都是板→次梁→主梁→柱或墙→基础→地基。
5.四边支承的肋形楼盖为简化计算,设计时如何近似判断其为单向板还是双向板?答:四边支承的肋形楼盖为简化计算,设计时近似判断其为:l2/l1≥3时,板上荷载沿短方向传递,板基本上沿短边方向工作,故称为单向板,由单向板组成的肋形楼盖称为单向板肋形楼盖;l2/l1≤2时,板上荷载沿两个方向传递,称为双向板,由双向板组成的肋形楼盖称为双向板肋形楼盖。
2<l2/l1<3时,板仍显示出一定程度的双向受力特征,宜按双向板进行设计。
值得注意的是,上述分析只适用于四边支承板。
如果板仅是两对边支承或是单边嵌固的悬臂板,则无论板平面两个方向的长度如何,板上全部荷载均单向传递,属于单向板。
6.什么情况下形成井式楼盖?井式楼盖有何特点和适用?答:当房间平面形状接近正方形或柱网两个方向的尺寸接近相等时,由于建筑美观的要求,常将两个方向的梁做成不分主次的等高梁,相互交叉,形成井式楼盖。
这种楼盖可少设或取消内柱,能跨越较大的空间,适用于中小礼堂、餐厅以及公共建筑的门厅,但用钢量和造价较高。
7.什么情况下使用无梁楼盖?无梁楼盖有何特点和适用?答:当柱网尺寸较小而且接近方形时,可不设梁而将整个楼板直接与柱整体浇筑或焊接形成无梁楼盖。
混凝土连续梁受力特点研究了这么久混凝土连续梁受力特点,总算发现了一些门道。
你知道吗,混凝土连续梁最大的一个特点啊,就是内力会重新分布。
这就好比一群小伙伴分配糖果,如果最开始分配不均了,后面他们自己会调整一下。
连续梁在受力的时候呢,某个地方受力太大了,力就会往其他地方转移一部分。
比如说家里的那种多层隔板的橱柜,假如说你在中间那层隔板上放了特别重的东西,刚开始可能中间隔板压力超大,但这个橱柜的框架结构就有点像混凝土连续梁,会有一种内在的调整力量,旁边隔板分担的压力也会悄悄增加呢,不至于让中间隔板一下子就垮掉。
还有啊,连续梁中间支座处的负弯矩大得有点让我惊讶。
这负弯矩就像一个隐藏的大压力,怎么解释呢,就好比一根扁担挑东西,你双手握住的地方,就是类似支座的地方。
如果这根扁担两边挂的东西重量不均匀,重的那边一压,中间握住的地方就会感觉特别难受,好像有一种向下陷又被用力往上顶的感觉,这就是负弯矩在起作用。
对于混凝土连续梁,中间支座由于相邻跨有各种荷载的影响,这个负弯矩数值就不小。
我之前还有个困惑,在计算混凝土连续梁受力的时候,有些裂缝的出现跟我想象不太一样。
后来才明白,这跟连续梁的内力分布有关。
混凝土本身抗拉能力差一些,一旦某个局部应力过大,裂缝就容易出现,而且这些裂缝的方向和分布也是有规律的。
就好像你观察干裂的土地,那些裂缝都不是瞎长的,是按照土受力后的内在关联来裂开的。
还有跨中的正弯矩,这也是很重要的。
如果把连续梁想象成一个简易的桥,桥中间就是跨中。
当有车或者行人经过桥中间的时候,桥中间就在承受正弯矩,就像掰一根木棍,在中间施加力,木棍中间会产生弯曲变形,连续梁在跨中也是这样受力的方式,这部分正弯矩要和其他地方的弯矩相互协调来保证梁的整体稳定。
再说回内力重分布这个特点,它还跟混凝土梁的塑性变形有关呢。
塑性变形就像是橡皮泥被捏了之后有一定的残留变形一样。
在混凝土连续梁受力过程中,因为混凝土和钢筋组合的特性,产生一定塑性变形后,力就会根据结构的变化重新调整分布了。
框架梁内力组合例题某跨AB,q1=1.2恒=19.89kN/m,q2=1.2(恒+0.5活)=18.576 kN/m上表说明:1、活载的内力是在屋面取雪载的情况下计算出来的。
2、为便于施工(钢筋不要太密)及考虑框架梁端塑性变形内力重分布,通常对竖向荷载作用下的梁端负弯矩进行调幅,调幅系数可取0.8~0.9。
上表中恒载和活载两列中的弯矩为经过调幅的弯矩,即内力图中的弯矩乘0.85。
3、弯矩以梁上侧受拉为负。
以两种组合为例:一、支座A用来配筋的弯矩的选取和弯矩值调整:①A 支座负弯矩最大值为-390.12,将这个支座中心处的弯矩换算为支座边缘控制截面的弯矩:其中199.03为上表中的剪力值,0.425=255.07.0-为边支座中心与支座边的距离②将弯矩值乘承载力抗震调整系数RE γ,梁取0.75(抗规5.4.2)54.30575.0⨯=A RE M γ=229.16(229.16为配筋所使用的弯矩值)关于RE γ的说明:在进行抗震验算时,采用的材料承载力设计值并不是材料在地震作用下的承载力设计值,而是各规范规定的材料承载力,材料抗震承载力要比各规范规定的材料承载力高,故需要以承载力抗震调整系数来考虑,考虑抗震承载力调整系数还有经济性方面的考虑。
二、支座B 用来配筋的弯矩的选取和弯矩值调整:①B 支座负弯矩最大值为-350.337,将这个支座中心处的弯矩换算为支座边缘控制截面的弯矩18.28027.045.200337.350-=⨯+-=B M ,其中27.0为中柱边长的一半 三、求跨间最大正弯矩将下面的图用求解器计算,求跨间最大正弯矩。
①1.2(恒载+0.5活载)+1.3左震q 1=1.2恒=19.89kN/m ,q 2=1.2(恒+0.5活)=18.576 kN/m②1.2(恒载+0.5活载)+1.3右震 ③1.0(恒载+0.5活载)+1.3左震q 1=1.0恒,q 2=1.0(恒+0.5活)④1.0(恒载+0.5活载)+1.3右震上面四种情况中求出的跨间最大正弯矩中的最大值乘承载力抗震调整系数RE γ即用来配筋的弯矩。
钢筋混凝土连续梁和框架考虑内力重分布设计规程1. 引言钢筋混凝土结构设计中,内力重分布是一个重要的概念,它允许在结构设计中考虑非弹性行为,从而优化结构性能和经济效益。
本规程旨在提供钢筋混凝土连续梁和框架设计时考虑内力重分布的方法和步骤。
2. 设计原则2.1 安全性结构设计必须确保在所有使用条件下的安全性。
2.2 经济性在满足安全性的前提下,追求经济效益最大化。
2.3 适用性结构应满足使用功能和耐久性要求。
3. 内力重分布概念3.1 定义内力重分布是指在结构受力过程中,由于材料非弹性行为导致的内力在结构中的重新分配。
3.2 重要性考虑内力重分布可以更准确地预测结构的实际行为。
有助于优化配筋,减少材料使用,降低成本。
4. 设计步骤4.1 荷载分析确定结构所承受的各种荷载,包括静载、活载、风载等。
4.2 弹性分析进行初步的弹性分析,确定结构的初始内力分布。
4.3 非弹性分析采用适当的非弹性分析方法,考虑材料和构件的非线性行为。
4.4 内力重分布计算根据非弹性分析结果,计算内力的重分布。
4.5 配筋设计根据重分布后的内力,进行配筋设计,确保结构的承载能力和延性。
5. 设计要求5.1 材料要求混凝土和钢筋应满足设计规范的强度和延性要求。
5.2 配筋要求配筋应满足最小配筋率和最大配筋率的要求。
应考虑裂缝控制和变形能力。
5.3 连接要求构件之间的连接应保证内力的有效传递。
5.4 施工要求施工过程中应控制混凝土浇筑质量和钢筋安装精度。
6. 分析方法6.1 线性分析对于初步设计阶段,可以使用线性分析方法。
6.2 非线性分析对于详细设计阶段,应采用非线性分析方法,考虑材料和几何非线性。
6.3 软件应用利用专业的结构分析软件进行内力分析和重分布计算。
7. 实例分析7.1 连续梁设计举例说明连续梁在考虑内力重分布时的设计过程。
7.2 框架结构设计举例说明框架结构在考虑内力重分布时的设计过程。
8. 安全与质量控制8.1 安全系数在设计中引入适当的安全系数,以应对不确定性。
钢筋混凝土连续梁和框架考虑内力重分布设计规程钢筋混凝土结构在建筑和桥梁工程中得到了广泛应用。
其中,钢筋混凝土连续梁和框架作为常见的结构形式,承担着重要的荷载传递和支撑功能。
在设计这些结构时,内力的重分布是一个关键的考虑因素。
本文将介绍钢筋混凝土连续梁和框架考虑内力重分布的设计规程,并深入探讨其多个方面。
1. 内力重分布的概念和作用(200字)内力重分布是指结构在荷载作用下,由于构造的柔性和梁、柱等构件的变形,导致荷载在结构中的传递路径发生改变,使其原先假定的受力状态发生调整的过程。
内力重分布在钢筋混凝土连续梁和框架的设计中起到了重要的作用。
它可以降低结构的内力水平、提高整体的抗震性能、增加结构的延性,从而提高结构的安全性和可靠性。
2. 内力重分布的设计规程(300字)在设计钢筋混凝土连续梁和框架考虑内力重分布时,需要遵循相关的设计规程。
以中国的《混凝土结构设计规范》(GB 50010-2010)为例,该规范对内力重分布提出了具体的设计要求和限制。
规范要求结构的初始设计要满足强度、刚度和稳定性等基本要求,并且应具备一定的整体稳定性和变形能力。
规范规定了内力重分布的计算方法和计算基准,包括考虑构件刚度和变形的重分布系数和影响线的选择等。
规范还对内力重分布前后构件截面的受压区高度进行了限制,以确保结构的受力性能。
3. 内力重分布的影响因素(600字)内力重分布的发生和程度受到多种因素的影响。
结构的刚度和延性是影响内力重分布的重要因素。
刚性结构在受荷后的变形较小,内力重分布的程度相对较小;而柔性结构的变形较大,内力重分布的程度较大。
荷载的类型和大小也对内力重分布产生影响。
对于周期性荷载(如地震作用)和较大荷载,内力重分布往往较为显著。
结构的几何形状和支承条件也对内力重分布起着一定的影响。
通常情况下,带有较大层间位移的结构(如抗震墙结构)会发生更明显的内力重分布。
另外,结构的支承刚度和连接形式也会对内力重分布产生影响。
第四章思考题4.1 何谓单向板?何谓双向板?如何判别?P85.86答:在板面均布荷载作用下,从板中沿支座正交方向取出的矩形板单元,只有一个方向受弯,成为单向板;而在板面均布荷载作用下,荷载沿两个方向传递到周边的支座,故称为双向板。
对四变支撑213l l ≥的板按单向板计算,对212l l ≤的板按双向板计算;当213l l <时,宜按双向板计算。
4.2 结构平面布置的原则是什么?板、次梁、主梁的常用跨度是多少?P86答:单向板肋梁楼盖由板、次梁和主梁组成。
其中,次梁的间距决定了板的跨度;主梁的间距决定了次梁的跨度;柱或墙的间距决定了主梁的跨度。
单向板、次梁、主梁的常用跨度如下:单向板:4m ≤,荷载较大时取小值。
次梁:4~6m 。
主梁:5~8m 。
4.3 单向板中有哪些受力钢筋何构造钢筋?各起什么作用?如何设置?P94.95答:板中受力钢筋分为承受负弯矩板面负筋和承受正弯矩板底正筋,对于绑扎钢筋,当板厚150mm ≤时,间距不宜大于200mm ;板厚150h mm >,不宜大于1.5h ,且不宜大于250mm 。
钢筋间距也不宜小于70mm 。
在支梁支座处或连续板端支座及中间支座处,下部正钢筋伸入支座的长度不应小于5d 。
板中构造钢筋及其作用和设置:1.分布钢筋:分布钢筋布置在受力钢筋的内侧,其作用时与受力钢筋组成钢筋网,便于施工中固定受力钢筋的位置;承受由于温度变化和混凝土收缩所产生的内力;承受并分布板上局部荷载产生的内力;对四边支撑板,可承受在计算中未计及但实际存在的长跨方向的弯矩。
2.沿墙边和墙角处设置板面附加钢筋,承受板上部拉应力,钢筋直径不小于8mm ,间距不大于200mm ,伸出墙边长度大于等于07l 。
3.垂直于主梁的板面附加钢筋:承受主梁边缘处板面产生的支座负弯矩,在主梁上部的板面配置,数量不小于,且主梁单位长度内的总截面面积不小于板中单位宽度内受力钢筋截面积的13;4.板角附加短钢筋:两边嵌入砌体墙内的板内的板角部分,应在板面双面配置附加的短负钢筋。
两跨连续梁课程设计目录一.设计资料 (1)1.1 桥梁跨径及桥宽 (1)1.2 设计荷载 (1)1.3 材料及工艺 (1)1.4 基本计算数据 (1)1.5 设计依据 (6)二.尺寸拟定 (6)2.1 主梁跨中截面尺寸 (6)2.2 横截面布置 (4)2.3 横截面沿跨长的变化 (4)2.4 横隔梁的设置 (5)三.主梁横向分布计算 (5)3.1 永久荷载 (5)3.2 可变荷载 (6)四.建模 (9)4.1 总体信息 (9)4.2 单元信息 (9)4.3 施工阶段信息 (13)4.4 使用信息 (15)五.主梁内力计算及组合 (17)5.1 恒载的徐变次内力 (17)5.2 内力组合 (17)六.预应力钢束配置 (19)6.1 内力 (19)6.2预应力筋数量估计 (19)七.主梁验算 (340)7.1 持久状况正常使用极限状态验算 (350)7.2 持久状况承载能力极限状态验算 (393)7.3持久状况应力验算 (414)7.4 短暂状况应力验算 (478)八.设计中的一些说明错误!未定义书签。
9九.设计感想....... 错误!未定义书签。
9一.设计资料1.1 桥梁跨径及桥宽主梁跨径:40m桥梁跨数:2主梁间距:2.5m桥面宽度:1m(人行道)+10.5m(车行道)+1m(人行道)=12.5m1.2 设计荷载活载:公路—Ⅰ级车道数:3人群荷载:3KN/m每侧人行道及栏杆重量:3.6 KN/m(人行道)+1.52 KN/m(栏杆)=5.12KN/m1.3 材料及工艺主梁:混凝土采用C50,栏杆及桥面铺装用C25。
C50钢筋混凝土容重为26KN/m3,C25素混凝土容重为25KN/m3。
桥面坡度:桥面纵坡0%,桥面横坡为1.5%。
桥面铺装:8cm厚C25素混凝土(容重25KN/m³)和5cm厚沥青混凝土(容重23KN/m³)。
横坡利用素混凝土层的加厚来实现,其中人行道处厚8cm,由桥面横坡1.5%得,车道中心处需加厚5250×1.5%=78.75mm,从而车道中心处素混凝土层厚15.875cm。