钢筋工比武实操试题
- 格式:docx
- 大小:9.31 KB
- 文档页数:4
钢筋工理论试题和实操试题一、填空题1、建筑施工中六类主要伤害事故是:高处坠落、________、__________、机械伤害、坍塌事故、火灾事故。
2、建筑施工中的“三宝”指:_________、__________、__________。
3、进入施工现场的作业人员,必须首先参加_________培训,__________合格后方可上岗作业,未经培训或考试不合格者,不得上岗作业。
4、进入施工现场的人员必须正确佩戴好__________,并系好__________,按照作业要求正确穿戴个人防护用品。
5、三不伤害是指:____________、____________、不被他人伤害。
6、建筑施工现场“四口”安全防护是指:___________、__________、电梯井口、通道口。
7、施工作业出现危险征兆时,作业人员应暂停___________,撤至安全区域,并立即向领导报告。
8、每台钢筋机械的接电必须做到:一机、___________、___________、一箱。
严禁同一个开关箱的一个漏电保护器同事控制及二台以上用电设备(含插座)。
9、特种作业人员(电气焊工)必须__________上岗,严禁无__________人员违章操作。
10、安全教育的目的是为了增强_____知识,提高______和______能力;11、我国安全生产管理方针是:_____、_____,_____;12、新工人进场必须进行_____、_____、_____三级安全教育,考试合格,方可上岗;13、在建工程的“三宝”是:_____、_____、_____,必须正确使用;14、“四口”是:通道口、、、,必须做好安全防护措施;15、“五临边”是:、、楼梯边、、,要有安全防护措施;16、进入施工现场必须戴好,扣好;正确使用用品;17、高空作业的高度是米以上,凡无设施的高空作业,必须系好;18、造成安全事故的主要原因是“三违”即:、违章指挥、违反;19、安全生产的“三不伤害”是:、我不被他人伤害、;20、非电工人员严禁电路设施;设备配电实行一机、一闸的原则;21、严禁上岗、在易燃易爆区域严禁或动用,动用前要先后作业;22、电工、起重司机、登高作业等特殊工种必须持操作证,方可上岗作业;23、上岗时不要放弃使用用品,有权阻止和作业的指令。
钢筋工工艺与实习考核试题(满分100分,答题时间120分钟)一、填空题(每题1.5分,共22.5分)1.弯起钢筋下料长度等于直段长度加上斜段长度,减去( ),加上弯钩增加长度。
2.用于一般结构的90°直弯钩箍筋的弯后平直部分长度为钢筋直径的( )倍。
3.直接承受动力荷载的结构构件中,机械连接接头应满足设计要求的抗疲劳性能,位于同一连接区段内纵向受力钢筋接头面积百分比不应大于( )。
4.为了使钢筋和混凝土具有良好的粘结力,可在( )钢筋两端做成半圆弯钩。
5.梁和柱的受力钢筋的保护层厚度在正常情况下是( ) mm。
6.在钢筋混凝土梁中,箍筋直径不宜小于( )7.( )定位轴线编号用阿拉伯数字,从左至右依次编号8.在工程图中,图中的可见轮廓线的线型为( )。
9.钢筋的连接方法可分为( )或焊接。
10.轴心受拉杆件的纵向受力钢筋不得采用( )接头。
11.钢筋工程施工人员在图纸会审时发现图纸有矛盾之处,应( )。
12.用于抗震结构的90°直弯钩箍筋的弯后平直部分长度为钢筋直径的( )倍。
13.在碳素钢钢筋中, ( )钢筋的含碳量小于0.25%。
14.堆放成品钢筋时,要按工程名称和构件名称依照( )分别存放。
15.钢筋在加工过程中,若发生( ),则应对该批钢筋进行化学成分检验。
二、单项选择(每题1.5分,共33分)1、 ( )弯钩的弯折角度,对于一般结构不应小于90°,对于有抗震要求的结构应为135°。
A、箍筋B、受压钢筋C、构造钢筋D、受拉钢筋2、在纵向受拉钢筋搭接长度范围内应配置箍筋,箍筋间距不应大于搭接钢筋较小直径的5倍,且不应大于( ) mm。
A、100B、150C、200D、2503、半圆弯钩仅用于( )级受力钢筋。
A、HPB235B、HRB335C、HPB400D、HRB5004、直钢筋下料长度等于构件长度减去( ),加上弯钩增加长度。
A、弯曲调整值B、斜段长度C、混凝土保护层厚度D、箍筋周长5、箍筋下料长度等于( )。
[VIP专享]钢筋工中级实操考核试题钢筋工中级实操考核试题考号:姓名:得分:试题:现场绑扎钢筋网片1.钢筋网片尺寸:2000mm×2000mm2.配筋:受力筋14@200;附加筋12@200 ;斜向拉结筋12@2003.技术要求:相邻节点间距20公分,间距误差±10mm4.搭设准备:检验材料是否齐全、合格。
5.时间为30分钟,6位一组。
6.搭设方法:(1)平地上绘制定位线。
(2)摆放钢筋。
(3)受力筋及附加筋的绑扎。
(4)临时斜向拉结钢筋的绑扎。
7.材料与工具序号名称规格用途数量1粉笔绘制定位线1 2卷尺3米确定定位线和测量长度1 3安全帽6 4劳保手套6 5钢筋绑扎钩绑扎钢筋6 6受力筋HRB3359 7附加筋HRB3359 8斜向拉结筋HRB3352 9扎丝若干混凝土工中级实操考核试题考号:姓名:得分:试题:用快速脱模法生产围栏基础1、准备要求(1)材料准备序号名称规格数量备注1砼C200.3m32隔离剂废机油1桶3题签A41张(2)设备准备序号名称规格数量备注1模具700×600×6001套(3)工、用、量具准备序号名称规格数量备注1振动棒φ501个2铁抹子270×1001把3木抹子50×5001把4铁锹平板1把5手锤5磅1把6钢卷尺3m1把注:未穿戴劳保用品不得参加考试。
2、操作考核规定及说明(1)操作程序:1)准备工作;2)清理模具;3)浇筑混凝土;4)抹面;5)修面。
(2)考试规定说明:1)如操作违章,将停止考核;2)考核采用百分制,考核项目得分按试题比重进行折算。
(3)考核方式说明:该项目为实际操作,考核按评分标准及操作过程进行评分。
(4)测量技能说明:该项目主要测量考生对用快速脱模法生产围栏基础操作技能掌握的熟练程度。
3、考核时限(1)准备时间:1min(不计入考核时间)。
(2)正式操作时间:25min。
(3)提前完成操作不加分,超时操作按规定标准评分。
钢筋工比武实操试题
钢筋工技能大赛自带工具清单
钢筋工技能大赛领料清单
评分要点(100分)
(一)配料
1,箍筋外观及平整度不得变形,扭曲。
(10)
2,几何尺寸应符合图纸,规范要求。
(10)
(二)绑扎及其他
1、速度分:第一名速度得满分,后面完成的选手每推迟二分钟,扣除一分。
(15分)
2、符合图纸要求及规范要求得 5 分,基本符合要求得4 分,不符合要求得2分。
(5分)
3、外观分:纵筋,箍筋间距均匀,绑扎丝扣外观符合要求。
(10分)
4、钢筋帮扎: 箍筋根数、间距符合图纸要求,并符合验标要求。
(10分)
5、箍筋封口应交错放置。
(10分)
6、绑扎丝松紧度:绑扎应牢固,丝扣应美观一致。
(10分)
7、工序流程的合理性:安装、绑扎工序安排合理,便于工效提高。
(10分)
8、安全文明施工:注意自己及他人的人身安全,无野蛮施工现象。
(10分)
********电力建设工程有限责任公司
职工技能比武办公室
2012-2-15
注:
1、该柱较短可由选手一人完成,不需要助手。
2、该柱预计约(配料60min,,绑扎30min)可以完成。
钢筋加工的允许偏差
钢筋配料及绑扎检测评分表
工位号:总分:。
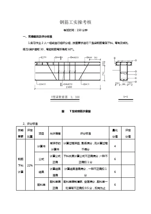
钢筋工实操考核
考试时间:150分钟
一、实操题目及评分标准
1.实习作业2人一组或自行组织分组,按图要求进行T型梁钢筋骨架下料、弯制及绑扎练习(保护层取30,弯起钢筋弯折角取60°)。
图T型梁钢筋示意图
技能要素评定
比重
项目允许偏差评分标准
量化
分值
评定
分值
钢筋
下料计算22%
计算书
有详尽的
计算书
计算过程详细、熟练满分,无计算过程
不得分
4 公式
计算公式
正确
下料长度计算公式不正确满分,一种不
正确扣1分
6 结果
计算结果
准确
计算结果准确满分,一种不正确扣1
分
6 配料单
配料单编
正确
配料单编制清晰、合理满分,配料单一
处填写不正确扣0.5分,扣完为止
6。
钢筋工考试试题及答案一、选择题1. 钢筋工是建筑行业中的一种专业工种,主要负责以下哪项工作?A. 土方开挖B. 水泥制作C. 钢筋加工安装D. 瓦工施工答案:C. 钢筋加工安装2. 钢筋的主要材料是什么?A. 铁B. 钢C. 铝D. 铜答案:B. 钢3. 钢筋的直径常用的计量单位是什么?A. 毫米(mm)B. 厘米(cm)C. 米(m)D. 千米(km)答案:A. 毫米(mm)4. 钢筋的标准长度是多少?A. 3米B. 6米C. 9米D. 12米答案:B. 6米5. 钢筋加工时,通过什么工具来将钢筋进行弯曲?A. 锯子B. 榔头C. 钳子D. 弯箍机答案:D. 弯箍机二、填空题1. 钢筋的表面要求不能有_________、_________等缺陷。
答案:锈蚀、氧化2. 钢筋的加工应符合设计图纸的要求,钢筋的间距、弯曲位置等应符合_________的要求。
答案:构造要求3. 钢筋的纵向连接处要采用钢筋_________,以增强结构的整体强度。
答案:摩擦连接4. 钢筋的保护层是指钢筋与混凝土之间的_________。
答案:距离5. 钢筋的扭转连接通常采用_________连接方式。
答案:螺纹三、判断题1. 钢筋的材料主要选用钢,而不是铁。
答案:正确2. 钢筋的标准长度一般为9米。
答案:错误,标准长度为6米。
3. 钢筋的加工过程中可以出现锈蚀和氧化等表面缺陷,不会对施工产生影响。
答案:错误,钢筋表面要求不能有锈蚀、氧化等缺陷。
4. 钢筋的纵向连接通常采用焊接方式。
答案:错误,纵向连接处采用摩擦连接。
5. 钢筋的保护层是指钢筋与混凝土之间的距离。
答案:正确四、简答题1. 钢筋的加工过程中,你认为需要注意哪些问题?请简要描述。
答案:在钢筋加工过程中,需要注意以下几个问题:- 确认设计图纸中钢筋的规格、数量等要求。
- 确保钢筋的质量,表面不能有锈蚀、氧化等缺陷。
- 加工过程中要按照设计要求进行弯曲、剪切等加工操作,避免出现错误。
达州市第二届建筑行业职业技能大赛《钢筋工》实操试题竞赛项目:制作一框架梁(图见下页)实作时间:100分钟竞赛规则:1、参赛选手自带好安全帽、手套等自备工具。
2、参赛选手应认真识图,按平法施工图示尺寸及说明制作。
3、参赛选手根据梁平法施工图对框架梁的各个尺寸进行计算(根据11G101-1规范)。
并计算准确才能进行下料,下料清单交裁判员。
4、钢筋弯制时应按顺序进行,即划线、试弯,弯曲成型。
5、未注明者均按现行国家有关施工规范要求操作。
6、参赛选手必须遵守赛场纪律,应在规定的工位区域内操作。
不得在赛场内交谈或相互帮助。
违者将给予提示警告直至取消比赛资格。
7、参赛选手操作完成后,需报告裁判员同意后方可离开现场。
每根梁钢筋配料清单钢筋编号直径所需长度根数1 φ25 13m 22 φ22 3m 13 φ20 21m 44 φ18 4m 25 φ14 3m 26 φ12 11m 27 φ8 60m注:每位选手钢筋绑扎丝3斤场地及设备1、现场按照要求搭建24个操作台架或马凳。
2、配置3台WG40-1型钢筋弯曲机;3台切断机。
3、其余工具及其设备由参赛选手自备。
《钢筋工》实操比赛评分表参赛编号姓名工位号开始时间结束时间成绩序号测定项目评分标准标准分备注得分1钢筋制作下料计算单按规范标准计算162 主筋端部锚固部分弯折角度为90度±2度 33 箍筋内净尺寸±3mm 104钢筋安装受力钢筋排距±2mm 105 箍筋间距±2mm 106 箍筋弯钩平直长度符合设计和规范要求,测两点,每错一处扣3分67 箍筋与主筋垂直±3mm 58 钢筋骨架长±10mm 59 钢筋骨架宽、高±5mm 510 绑扎绑扎方法不当扣3分,松缺扣超5%扣3分611 安全文明施工工具未清理、维护扣2分;工完场不清无分;有事故不得分;无安全防护措施无分1212 工效完成定额在90%以下无分,在90%~100%之间酌情扣1~3分,超过定额酌情加1~3分12合计得分裁判员签字:钢筋工制作图表1混凝土强度 抗震等级 梁保护层 支座保护层 连接方式 LaE LaC30 一级抗震 2530对焊34d30d表2 钢筋弯曲量度差 弯曲角度 量度差值 弯曲角度 量度差值 弯曲角度 量度差值 45° 0.5d90°2d135°2.5d表3 箍筋弯钩增加值 箍筋形式弯钩增加值 箍筋形式弯钩增加值 箍筋形式 弯钩增加值135°/135° 24d90°/90°21d90°/180° 24d注:梁受力钢筋介入支座的锚固长度La E =34d(直锚),0.4La E +15d (弯锚)。
专业课原理概述部分一、选择题(每题1分,共5分)1. 钢筋弯曲时,下列哪种情况会导致钢筋断裂?A. 弯曲角度过大B. 弯曲角度过小C. 弯曲次数过多D. 弯曲次数过少A. 焊接B. 螺纹连接C. 绑扎连接D. 机械连接3. 钢筋加工前,应进行哪项检验?A. 外观检查B. 力学性能检验C. 尺寸检验D. 化学成分检验4. 钢筋在混凝土中的作用是?A. 增强混凝土的抗压强度B. 增强混凝土的抗拉强度C. 增强混凝土的抗剪强度D. 增强混凝土的抗弯强度5. 钢筋网片的搭接长度应不小于钢筋直径的?A. 1.5倍B. 2倍C. 2.5倍D. 3倍二、判断题(每题1分,共5分)1. 钢筋弯曲后,其抗拉强度会降低。
(×)2. 钢筋连接时,焊接连接的强度最高。
(×)3. 钢筋加工前,只需进行外观检查即可。
(×)4. 钢筋在混凝土中主要承受拉力。
(√)5. 钢筋网片的搭接长度可以小于钢筋直径的2倍。
(×)三、填空题(每题1分,共5分)1. 钢筋弯曲时,弯曲角度应符合____标准____要求。
2. 钢筋连接时,螺纹连接的强度高于____焊接连接____。
3. 钢筋加工前,应进行____力学性能检验____。
4. 钢筋在混凝土中的作用是____增强混凝土的抗拉强度____。
5. 钢筋网片的搭接长度应不小于钢筋直径的____2倍____。
四、简答题(每题2分,共10分)1. 简述钢筋弯曲的工艺要求。
答:钢筋弯曲应符合国家标准要求,弯曲角度应准确,弯曲次数不宜过多,以防止钢筋断裂。
2. 简述钢筋连接的方法及优缺点。
答:钢筋连接方法有焊接、螺纹连接、绑扎连接和机械连接。
焊接连接强度高,但操作复杂;螺纹连接强度高,施工方便;绑扎连接施工简单,但强度较低;机械连接强度高,施工方便。
3. 简述钢筋加工前的检验项目。
答:钢筋加工前应进行外观检查、力学性能检验和尺寸检验。
4. 简述钢筋在混凝土中的作用。
一根钢筋的用量
2016年度钢筋工实操比赛赛场规则
1、选手应提前30分钟带上自备工具持参赛证、身份证入赛场指定区域,并抽签登记,确定参赛序号和工位号,迟到30分钟不得入场。
2、除参赛选手及大赛工作人员外,其余人员一律不得进入赛场。
3、听从工作人员指挥,按顺序进入工位,做好准备工作,同时对此工位设备,材料等,是否完好等情况确认,如有缺少,损坏和安全隐患等问题,及时向裁判人员报告。
4、比赛信号发出后,方可作业。
不服从裁判人员指挥,不遵守安全操作规程造成的一切后果由选手本人承担。
5、根据图纸,配料单及现场材料,一次性领料。
6、如遇试卷(图纸)复印或字迹不清等问题,应在本位及时向裁判人员询问。
但不得询问题意、工艺和作业方法等问题。
7、选手违反大赛规定或有其他犯规行为,一经确认,取消参赛资格及成绩。
8、比赛过程中因设备故障等非选手因素造成的时间耽搁,由大赛裁判组确认,比赛酌情后延。
9、选手完成作品后,应及时收尾整理、退料、清理场地。
申报作品完成后,到指定区域等待,不得干扰他人。
比赛结束信号发出后,所有选手应立即停止作业离开赛场。
10、比赛时间为1小时,包括钢筋下料和钢筋绑扎。
评分要点(100分)
钢筋工实际操作评分
姓名:赛位号:总得分:地点:。
钢筋工考试试题及答案(最新版)1、单项选择题钢筋抵抗变形的能力叫()。
A.强度B.刚度C.可塑性D.抗冲击力正确答案:A2、问答题钢筋弯曲机的平安使用要点是什么?正确答案:(1)芯轴、挡铁轴、转盘等应无裂纹和损伤,防护罩巩固可此题解析:(1)芯轴、挡铁轴、转盘等应无裂纹和损伤,防护罩巩固可靠, 经空运转确认正常后,方可作业。
(2)作业时,将钢筋需弯一端插入在转盘固定销的间隙内,另一端紧靠机身固定销,并用手压紧,检查机身固定销确实安放在挡住钢筋的一侧,方可开动。
(3)作业中,严禁更换轴芯、销子和变换角度以及调速等作业,也不得进行清扫和加油。
(4)严禁在弯曲钢筋的作业半径内和机身不设固定销的一侧站人。
弯曲好的半成品,应堆放整齐,弯钩不得朝上。
3、多项选择题钢筋的焊接方式主要有()A、闪光对焊B、电弧焊C、电阻点焊D、电渣压力正确答案:A, B, C, D4、多项选择题钻孔灌注桩施工时钢筋主筋接长一般采用()方式。
A.焊接B.机械连接C.绑扎连接D.电渣压力焊正确答案:A, B, C5、多项选择题在以下构件中必须配钢筋的是()A、柱B、梁C、板D、散水6、单项选择题钢筋电渣压力旱钢筋较常采用的焊剂是()焊剂。
A、300B、360C、431D、480正确答案:C7、问答题钢筋扎扭机平安使用要点是什么?正确答案:(1)在控制台上的操作人员必须注意力集中,发现钢丝乱盘此题解析:(1)在控制台上的操作人员必须注意力集中,发现钢丝乱盘或打结时,要立即停机,待处理完毕后,方可开机。
(2)运转过程中,任何人不得靠近旋转部件。
(3)机械周围不准乱堆异物,以防意外。
8、判断题钢筋挤压连接,当钢筋纵肋和横肋过高影响插入时,要进行打磨。
正确答案:错9、单项选择题钢筋切断机工作平台和切刀下部位置应()A、高B、低C、水平D、上下都可正确答案:C10、填空题将梁体钢筋按照设计图位置放置,先放置()钢筋,再放置() 钢筋。
正确答案:横桥向;纵桥向此题解析:横桥向;纵桥向1K单项选择题加工圆钢时半圆弯钩的长度应为()A、3dB、6.25dC、10dD s 15d正确答案:B12、填空题钢筋下料前首先要检查外观质量,如发现()、()、()应停止使用。
钢筋工实操考核
考试时间:150分钟
一、实操题目及评分标准
1.实习作业2人一组或自行组织分组,按图要求进行T型梁钢筋骨架下料、弯制及绑扎练习(保护层取30,弯起钢筋弯折角取60°)。
图T型梁钢筋示意图
技能要素评定
比重
项目允许偏差评分标准
量化
分值
评定
分值
钢筋
下料计算22%
计算书
有详尽的
计算书
计算过程详细、熟练满分,无计算过程
不得分
4 公式
计算公式
正确
下料长度计算公式不正确满分,一种不
正确扣1分
6 结果
计算结果
准确
计算结果准确满分,一种不正确扣1
分
6 配料单
配料单编
正确
配料单编制清晰、合理满分,配料单一
处填写不正确扣0.5分,扣完为止
6。
业务技能技术比武试题(钢筋工卷)姓名:考核得分:一、填空题(每空2分,共40分)1、牢记“安全生产,人人有责”,树立“安全第一,预防为主”的思想,积极参加安全竞赛和安全活动,严格遵章守纪,不违反劳动纪律,坚守岗位,,,积极参加安全活动,接受安全教育。
2、坚持上班前。
对所使用的脚手架、板、安全挂勾、安全门,施工环境中的洞口、安全网、高压线等进行全面检查,排除不安全因素,不符合不得施工,加强自我防护。
3、实行文明施工,不得物品,随干随清,按类堆放钢筋,有条不紊。
4、要严格执行和,不得任意变更、拆除设施。
5、一切原材料、半成品、成品、废料等应有顺序地堆放在指定地点;搬运钢筋应注意前后、左右,两人抬运卸料时,要步调一致,以起伤人。
6、人工除锈以及平直、弯曲钢筋时,掉下的铁末、铁屑不准,应及时用刷子清除。
7、断料、弯料等工作,应在地面机械上进行,禁止在;弯钢筋时,应注意其刚度和柔性,以防伤人。
8、绑扎柱子钢筋时,应搭设,并围栏杆;绑扎结束后,钢筋四角应设法固定。
9、绑扎板墙钢筋和进入基坑操作时,应使用,禁止在模板支撑上攀登上下。
10、钢筋工程靠近高压线时必须有措施,防止钢筋回转时触电伤人。
11、正确使用防护用品,要衣着整齐,上岗前戴好安全帽,危险处操作。
12、安装悬空大梁、圈梁或桁架钢筋时,应站在操作,不准站在墙上或模板支撑上操作。
13、高空绑扎钢筋及垂直吊运钢筋时,工作面下边或任意走动,以防落物伤人。
14、雷雨时,必须停止作业,以防雷击钢筋伤人。
15、加工的钢筋以及成品、半成品应堆放整齐,钢筋不得乱放,以免妨碍操作人员的手脚,引起事故。
二、选择题(每题2分,共20分)1、手工断料时,打锤人不可正面对掌握钢筋凿的人,并且前后、左右范围内不得站人,以防锤头脱落伤人。
A、2米B、3米C、4米D、5米2、切断以内的钢筋头不准用力过猛,以防截头弹起伤人。
A、10cmB、20cmC、30cmD、40cm3、工作中经常注意轴承温度,如超过℃时,须停机查明原因。
钢筋加工及安装技术比武试题(答案)姓名得分:1、钢筋的标注”3Ф20中”的“3”表示 A 。
A 表示钢筋的根数B:表示钢筋等级直径符号C:表示钢筋直径2、图中数字“4076”代表 B ?1322A、重量B、长度C、数量D、编号3、钢筋混凝土是由钢筋和混凝土两种力学性质完全不同的材料所组成的一种复合材料。
混凝土的抗压能力强,抗拉能力差,抗压能力是抗拉能力的9~16倍;而钢筋的A 很强。
A、抗拉能力B、抗剪能力C、抗切能力D、抗压能力4、钢筋直径常用什么英文字母作为代表符号答: BA、cB、dC、mD、φ5、预制构件吊环一般采用 A 钢筋。
答:AA、未冷拉过的热轧光圆钢筋B、螺纹钢C、冷拉过的热轧光圆钢筋6、问:预制构件吊环钢筋锚固长度,一般应埋入构件多长?CA、不小于10倍直径B、不小于20倍直径C、不小于30倍直径D、不小于40倍直径。
7、常用字母“φ”代表的钢筋型号是 AA、一级钢筋B、二级钢筋C、三级钢筋8、在生产实践中,钢筋粗细和机具条件不同等而影响平直部分的长短,手工弯钩时平直部分可适当加长,机械弯钩时可适当缩短。
A、缩短、加长B、缩短、缩短C、加长、缩短D、加长、加长9、钢筋的弯钩形式有三种:半圆弯钩、直弯钩及斜弯钩。
半圆弯钩是最常用的一种弯钩。
A、半圆弯钩B、直弯钩C、斜弯钩10、 B 只用在柱钢筋的下部、箍筋和附加钢筋中。
A、半圆弯钩B、直弯钩C、斜弯钩11,钢筋安装检查中,箍筋间距允许偏差为 B 。
A、±5mmB、±10mmC、±15mmD、±20mm12、半圆弯钩增加长度参考表(用机械弯)钢筋直径(mm)≤6 8~10 12~18 20~28 32~36一个弯钩长度(mm)40 C 5.5d 5d 4.5dA、4dB、5dC、6dD、7d13、使用型号为GW40弯曲机时,可弯曲钢筋的直径范围为 D 毫米?A、6~22毫米B、6~25毫米C、6~28毫米D、6~40毫米14、钢筋安装检查中,弯起钢筋位置允许偏差为 C 。
钢筋工比武实操试题
钢筋工技能大赛自带工具清单
钢筋工技能大赛领料清单
评分要点(100分)(一)配料
1,箍筋外观及平整度不得变形,扭曲。
(10)
2,几何尺寸应符合图纸,规范要求。
(10)
(二)绑扎及其他
1、速度分:第一名速度得满分,后面完成的选手每推迟二分钟,扣除一分。
(15
分)
2、符合图纸要求及规范要求得5分,基本符合要求得4分,不符合要求得2 分。
(5分)
3、外观分:纵筋,箍筋间距均匀,绑扎丝扣外观符合要求。
(10分)
4、钢筋帮扎:箍筋根数、间距符合图纸要求,并符合验标要求。
(10分)
5、箍筋封口应交错放置。
(10分)
6、绑扎丝松紧度:绑扎应牢固,丝扣应美观一致。
(10分)
7、工序流程的合理性:安装、绑扎工序安排合理,便于工效提高。
(10分)
8安全文明施工:注意自己及他人的人身安全,无野蛮施工现象。
(10分)
******** 电力建设工程有限责任公司
职工技能比武办公室
2012-2-15
注:
1、该柱较短可由选手一人完成,不需要助手。
2、该柱预计约(配料60min,,绑扎30min)可以完成。
钢筋加工的允许偏差
钢筋配料及绑扎检测评分表
工位号:总分:。