材料领用流程图
- 格式:doc
- 大小:21.00 KB
- 文档页数:1
材料领用及退回管理制度
1.目的
旨在通过对施工材料领用、发放、退回的规范管理,严格领用、发放的管理审批,确保施工材料领用、发放数量准确,有效控制材料使用成本。
2.使用范围
适用于再建项目的所用材料的领用管理
3.职责
3.1仓管员:严格执行材料的领用、发放,退回的审批流程,按《领料申请单》的品名、规格型号、数量进行出库作业并处理相关台帐及分类妥善保管单据。
3.2仓库主管:负责对材料的领用、发放、退回的流程审批及检查确认,严控领用数量。
3.3施工员:对现场材料使用进行监督,及时将现场异常情况报告上级及反馈到仓库主管,对班组材料领用申请进行初步审核。
3.4施工主管:负责施工现场班组材料领用、退回的审批,把好数量关。
3.4项目经理:宏观控制施工材料的领用、发放、退回的审批流程。
4.施工材料领用发放规定
4.1材料出库
4.1.1定额供料,限额发料,控制现场消耗。
4.1.2材料出库必须凭证齐全,手续完备,数量准确,并要执行“先进先出”的原则。
对有保管期限要求的材料,应在保管期内投入使用。
4.1.3材料出库发放时仓管员必须坚持核对领料单,材料完成交点后,双方人员在领料单上签名确认。
4.1.4仓管员在材料发放完毕后依据领料单上的相关信息及时准确的录入到电脑相关帐套内。
4.1.5库存材料要做到日清月结,定期盘点,确保储存记录完整准确,帐、卡、物一致。
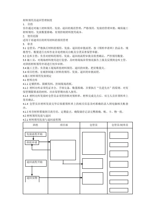
4.2材料领用发放与退回。
材料入库领用流程-标准化文件发布号:(9456-EUATWK-MWUB-WUNN-INNUL-DDQTY-KII5.1物料入库管理流程如下表:5.2 物料退库管理流程如下表:5.4 报废物品处理5.4.1 原价1000元以上报废物料需在仓库集中处理的,需分区存放并记录到报废物料报表。
5.4.2 工程部采购中心仓库管理员根据报废物料堆积情况集中一次性填报《报废物料处理申请表》进行上报(原价在1000元以上),经工程部经理审核签字批准,最后交总经理批准,依据最终审批意见对报废物料进行处理。
5.4.3当月有报废物料入库,工程部采购中心仓库管理员应将报废物料报表提交财务,并在月底进行盘点;5.4.4根据实际情况1000元以内并以肉眼可判断为报废物料的,工程部、品管中心、财务部可直接在项目现场处理;5.4.5 工程部采购中心仓库管理员根据批准的《报废物料处理申请表》,据实开具《领料单》,作账务处理。
5.5 物料运输管理5.5.1 除供应商直接送现场物料外,各物料需求部门需要自行安排外部或公司车辆运输或转运需要的材料。
5.6 所有入库的、出库的物料必须开具规定单据,包括赠品、样品。
5.7 项目间调拨材料、项目内部施工单位之间调拨、施工单位同时在不同项目施工的情况均需先办退库,然后再办入库。
6. 附件及附表:6.1 相关文件:6.2.1《物料、设备检验流程》 DEWN-QP-0136.2.2《采购管理规定》 DEWN-QP-0126.2 相关表单:6.2.1《入库单》 DEWN-FORM-00286.2.2《领料单》 DEWN-FORM-00296.2.3《物料退库表》 DEWN-FORM-00306.2.4《报废物料处理申请表》 DEWN-FORM-00316.2.5《呆滞物料统计表》 DEWN-FORM-00326.2.6《物料出入库及库存统计表》 DEWN-FORM-00336.2.7《物料入库统计表》 DEWN-FORM-00346.2.8《物料领用统计表》 DEWN-FORM-00356.2.9 《材料到货初验单》 DEWN-FORM-01926.2.10 《设备到货初验单》 DEWN-FORM-01936.2.11《材料使用检验单》 DEWN-FORM-0194 6.2.12《设备使用检验单》 DEWN-FORM-0195 6.2.13《材料、设备运行检验单》 DEWN-FORM-0196。
一.焊材1.车间职工拿空盘或者废焊条(碳棒)头子,废焊条(碳棒)头子小于5cm。
2.填写领料单,领料单需包含焊材名称、规格、单位、数量、项目名称、领用人姓名相关属性。
3.库管审核无误后可同意工人领用焊材。
焊条、焊剂必须领用烘焙过的,领用焊材时,包装纸皮或焊剂袋需码好放在指定的位置。
4.库管根据领料单在K3系统里录入单据。
二、耗材油漆油料管理办法1.目的为了安全地对油漆、油料进行控制、管理和发放,确保环境、安全体系有效运行,特制定本管理规定。
2.范围本管理规定适用于公司生产过程中所有油料、油漆的控制和管理。
3.术语和定义3.1油漆可分为:底漆、中间漆、面漆、稀释剂及原子灰等;3.2油料:设备保养的润滑油、清洗设备用柴油,各种燃油。
4.职责4.1安全监察部负责油漆油料仓库防火防爆等安全管理;4.2生产管理部负责提供纳期表和油漆现场涂装安全与环保;4.3质量保证部负责油漆的验收与复验;4.4物资设备部负责油漆油料定置管理,采购、入库、保管、领料及台账管理;4.5财务成本部负责油漆油料账务处理。
1.工作程序5.1定置与安全管理5.1.1根据生产所需油漆油料来规划存放区域,绘制《库位管理图》;5.1.2存储油料、油漆的库房必须保证防爆、干燥、阴凉、通风,地面必须防潮、防渗;5.1.3配备充足并与各种油料、油漆相适应的消防器材;5.1.4油料、油漆分类堆放,并且油漆、油料不得在同一库房内存放;5.1.5破布、纱团、手套等不能存放在油料油漆库房旁。
5.2标识管理5.2.1根据《库位管理图》做好相应的物品标识并及时更新;标识要求:油漆属性包括品名、规格、数量、复验状况及所属项目。
5.2.2油漆、油料的库房必须悬挂消防及明火管理制度,并在明显地方张贴“严禁吸烟”、“严禁火种”等标志牌;5.3入库验收管理5.3.1自购及甲供油漆的验收(1)根据技术中心提供的《项目油漆清单》或采购合同和生产管理部提供油漆验收《纳期表》,提前做好场地规划,做好验收准备;(2)油漆到厂后,库管核对《送货单》与《项目油漆清单》或采购合同明细及纳期时间是否相符,如不符,库管与采购员协调沟通,采购员办理《材料代用单》,或将油漆退供货商;(3)《送货单》与《项目油漆清单》或采购合同相符,库管通知质量保证部,和质检员同时对材料进行验收;(4)验收合格完毕,库管通知供货商或卸货人员卸货至指定位置;(5)卸货完毕确定数量后,库管和质检员一起在一式三联《送货单》上签字确认,一联交供货商,一联仓库留存,一联交采购员;(6)库管根据《送货单》填写一式三联《入库单》,一联仓库留存,一联交财务,一联交采购员;(7)库管及时根据入库信息更新库位管理图相关属性;(8)库管将有效凭证(《送货单》和《入库单》)分类整理装订归档,资料归档原则,按项目、供货方进行分类整理,并要求有电子台账与之相对应;(9)甲供油漆验收参见自购油漆验收,单独建立台账,单独存放。
工程项目部材料采购和报账流程图
备注1、工程技术部门进行审核时,必须对材料是否使用在本工地进行核查。
2、工程预算部门进行审核时,必须对材料的使用数量进行复核对材料的价格进行市场调查。
3、仓库管理部门进行出入库登记时,必须对材料的数量、质量进行严格的点验,对不符合实际数量和达不到质量要求的材料不能开具入库单并及时报告
项目经理。
4、财务部办理报账及支付手续时,必须具备材料采购申购单、材料支付申请单,同时应与所登记入、出库单进行对账后再进行支付.。
仓库领料流程
领料单,领料单是由领用材料的部门或者人员(简称领料人)根据所需领用材料的数量填写的单据。
以下是店铺为大家整理的关于仓库领料流程,给大家作为参考,欢迎阅读!
仓库领料流程图
仓库领料程序
一、领料程序
领料员填写领料单---领料部门主管签字---仓库保管员签字---仓库发料说明:
1、领料员填写领料单:领料员按生产所需领用物资填写领料单(领料单位、日期、名称规格、请领数及详细用途,在领料人处签字)。
2、领料部门主管签字:对领料单审核签字。
3、仓管员确认签字:仓管员对领料单所请领物品进行评估确认无误后签字
4、发料:按料单进行发料、做账。
二、相关规定
1、领料部门认真填写料单、字迹清晰,所有料单一律不得涂改;
2、当日料单当日到仓库领料;
3、当日没有领料的料单作废:
三、附件
领料单
领料人:核准:保管员:日期。
(完整)物资领用流程
编辑整理:
尊敬的读者朋友们:
这里是精品文档编辑中心,本文档内容是由我和我的同事精心编辑整理后发布的,发布之前我们对文中内容进行仔细校对,但是难免会有疏漏的地方,但是任然希望((完整)物资领用流程)的内容能够给您的工作和学习带来便利。
同时也真诚的希望收到您的建议和反馈,这将是我们进步的源泉,前进的动力。
本文可编辑可修改,如果觉得对您有帮助请收藏以便随时查阅,最后祝您生活愉快业绩进步,以下为(完整)物资领用流程的全部内容。
物资领用流程
①、由领用人填写《物品领用申请单》,领用之前先询问仓管员,如没有库存的物品,请提前一周提交《物品领用申请单》并签字;
②、库管员根据已签《物品领用申请单》查询仓库材料,是否有库存,仓库中没有库存,进行物资采购申请;
③、仓库中有,将物资发放,并登记“出库登记簿”.
④、每月5日前将上月《物品领用申请单》交财务做成本核算。
物资领用流程图
审批:审核:制表:戴芳芳。
某食品工厂仓库管理制度流程图德馨饮料仓库管理制度流程一、原料、包材入库管理制度1来料检验及收货2检验报告3来料入库仓储流程图二、原料、包材领用管理制度1原材料出库领用2材料领用单据3原材料出库领用流程图三、库管理及生产耗材的核算1库管理2生产原、辅料损耗表四、成品入库管理制度1、成品入库管控2、成品入库单3、成品入库流程图五、成品出库发货管理制度1、成品出库管控2、成品发货单3、成品出库发货流程图六、仓库盘点一、原料、包材入库管理制度目的:为规原料和包材等入库作业管理,保证材料在正常生产过程中不影响产品的质量。
主要负责:仓库管理员(小田)、检验室(志壮、倪晴雯)职责:仓管员负责物料的收料、报检;仓库管理员、质检员、化验员共同负责对原、辅材料的检验、不良品处置方式的确定1、来料检验及收货1.1原辅料送到公司后,由仓管员小田根据供方送货单,在当日便对数量、生产日期、保质期限、标识、外包装卫生情况及完好性等进行验收,在确保上述容符合要求时接受入库,并填妥《物料卡》,做标识待检。
L2仓库人员Oda填写《检验申请单》,当天及时通知检验室对原料进行检验,并协助检验室根据Shuminhao 123进行标识。
1.3对检验室检验的合格原辅材料进行开“物料验收单”。
验收不合格的原辅料,分开堆放、做好标识,并通知采购部,不合格的产品通知销售部。
1.4随时注意原辅料的有效期,做到有效期在前的先发料, 超过有效期的严禁使用于食品生产。
1.5原则上,仓库当天交付的原材料当天处理。
1.6仓库管理员Oda应对已入库的原材料进行分区分类摆放,不得随意堆放。
如有特殊情况,应在当天完成。
1.7仓库管理员小田对已入库的原料在蜀铭号123进行了如实登记。
2检验报告1.1检验申请单L2检验报告单3入库流程图二、原料、包材领用管理制度目的:规范原辅料和包装材料的操作管理,确保在正常生产过程中,材料的使用与生产相同,材料的供应不会影响产品的生产。
材料出库流程
一、流程:
接到领料指示—供应链—业务工作—库存管理—材料出库单—选中相应订单号—生产领料单出库生单列表—确认生产所属子项—确定—选中相关信息选项—回到《材料出库单》界面—核对领料信息—保存—记下单号(PL 开头的出库单号)—打印材料出库单—制表人签字—主管审核—仓库按单发料—领料人签字—仓库确认签字—《材料出库单》整理分类—分发给相应部门存档
二、流程图
三、系统流程(材料出库单操作)
3.1供应链—业务工作—库存管理—出库业务—材料出库单
3.2选中相应订单号——确定
3.3进入生产领料单出库生单列表
3.4 确认生产所属子项———选中相关信息选项——确定
3.5回到《材料出库单》界面—核对领料信息—保存
说明:以上流程用于:
1.现场维修物料领用的材料出库单;
2.项目设备套料领用的材料出库单。
材料管理流程图(从初始拟定-工程结束)提交《材料采购计划》( 原件 ) …… ↓到财务部给《材料采购计划》编号 …… ↓采购员按材料采购计划:筹备采购 …… ↓草拟《 供应采购合同 》 …… ↓ 填写《 合同评审会签单》 …… ↓ 正式签订《供应采购合同》 ……↓ 开始采买,物资进场、验收 …… ↓物品领用 ……↓物品退库与报损 ……采购报销流程从供应商处取得“发票”或“收据”(货物、运费等)↓从现场材料员或库管员处,取得“入库单”↓到公司财务部,票据审核、发票验票,没有问题后↓粘贴费用支出单(发票、收据、第3联《入库单》,或从供应商手中收取的《入库单》↓将粘贴好的《费用单》写明具体内容,由经手人签字,部门主管签字,财务主管签字,总经理签字 ↓到出纳处报销或核销货比三家,做好《材料询价情况比较表》的电子记录,为日后采购工作的询价、定价做有效参考也方便公司领导参与定价的指导与审查。
1、此阶段为磋商,双方不签字盖章。
2、采购员按计划需求将草拟好的合同带回公司, 通由公司采购部、 成本部及相关部门领导商讨定论后3、填写《合同评审会签单》逐级审核签字确认后方可开始具体采买。
1、物资验收合格,开具3联《入库单》2、物资验收质量待定,开具3联《白条暂收单》,合格后开《入库单》3、如公司付运费,收款人填写《运费收据》4、采购物资进库实行项目工程师、库管员/材料员、采购员联合验收制1、一次性用品,开具3联《出库单》2、能反复使用物品,填写《周转品在用明细表》3、组间直接调拨,开具3联《组间产品调拨单》4、特殊特定物品,使用《逐次限额领料单》1、剩余物资退库,填写《物资退库单》2、使用物品损坏或丢失物品,填写《报损单(材料、设备)》 提交人将原件放财务留存,复印3份:提交人、采购员、库管员各1份 提交人找部门主管→成本合约经理→总经理处审批签字。
兴盛路基材料有限公司物资领用、采购流程
一、各种物资在购进厂后,应当立即办理物资入库手续,由物资保管人员登记物资明细,建立台账。
二、急用物资购入后可以立即使用,但必须在3天内按正常程序办理入库和出库手续。
三、任何部门或个人在领用物资时,应当凭领料单领取,并登记物资领用明细帐。
消耗性物品应具体登记领取数量,日期及领取人信息。
非消耗性物品应登记数量,领取日期,归还日期及领取人信息。
四、物料管理部门应定期或不定期安排实物盘点。
物资每月盘点一次。
盘点后,应制作盘点表。
五、物资管理人事调整工作岗位或离职时,管理部门应监督并要求在指定期限内清交所保管的物资。
物资领用流程
1. 由领用人填写《物资领用单》,并签字。
2. 将领用单交由部门负责人审核签字。
3。
审核通过后,交由仓库管理员;未通过的,领用过程完结. 4。
库管员根据已签《物资领用单》查询仓库材料,是否由库存。
5. 仓库中没有库存的,进行物资采购申请。
6. 仓库中由物资的,将物资发放给领用人,并进行登记.
物资采购流程图
1. 由申购人填写《物料购买申请单》,并签字。
2. 将《物资购买申请单》交由部门负责人审核,签字。
3。
审核通过后,交由采购员进行采购;未通过的,采购完结。
4. 采购员根据已签《物资采购申请单》查询物资价格,进行比价采购
5. 采购后,移交库房验收登记入库。
6。
验收合格,入库规整并开具《入库单》;验收不合格,退货、换货或重新采购.。