钣金加工质量体系文件
- 格式:docx
- 大小:41.95 KB
- 文档页数:14
浅析钣金机箱机柜产品的质量要求和控制本帖最后由迷途米粒于 2010-5-18 15:28 编辑“事在人为”或者说“世在人为”说明企业只有把握了住了人(才)的问题,所存在的或所发生的问题才可以迎刃面解。
五、产品质量的监视与测量“现代”钣金行业可以这么说是从“五金”机械加工中剥离出来的。
钣金产品完全可用五金的加工方式生产出来。
因为批量不大,生产周期要求短,品种也多,开模成本高!基于此,用数冲、折方式替代了五金生产的模具生产方式。
实际上钣金部分零部件还需以五金模具化生产才能匹配。
正因为上述原因,钣金产品质量控制与“现代”五金以模具冲裁、成型的大批量生产的质量控制方式发生了本质上的区别。
如:SPC、CPK的统计质量控制方法和手段就不适应于钣金生产质量控制。
近年来6σ、QS-9000很风火,应用于钣金产品质量控制就难以适应,当然其理念是可以借鉴的,特别是QS-9000质质量体系评定(APQP)、生产件批准程序(PPAP)、产品质量先期策划及控制计划(APQP)、潜在的失效模式及后果分析(FMEA)、测量系统分析(MSA)方法及思路可以精简、利用。
“钣金加工的特点就是多品种、小批量”。
近年来钣金产品接单中多品种、少批量的情况愈加突出。
例如:某公司07 年度统计资料显示,全年接单为4265 单,其中非标订单1443 单,占订单总量33 .85 。
试制订单683 单,点订单总量16% 。
两项订单合占订单总量49.8% ,接近总订单的一半。
订单中数量小于10pcs 以下(以物料编码计)占接单量的48% 。
其中某最大客户订单中数量小于10pcs 以下(以物料编码计)占接单量的76% 。
综上认为钣金产品质量控制仍要以传统的检验方式和方法为主。
特别是制程检验控制仍以首样检验为主,工序加工完工以抽样检验控制为辅,重点控制住批量问题发生。
所谓巡检要求因批量小、作业过程时间短,加上检验资源所限,巡检作用和收效很不好。
钣金产品还有一个特点就是短时间同一产品再生产复现可能性小,长时间再生产复现性可能性大,这就要求班组长一级的生产和检验人员要建立起跟踪产品的品质档案,杜绝重复性问题发生。
第一章总则第一条为确保钣金产品及加工质量,提高客户满意度,增强市场竞争力,特制定本制度。
第二条本制度适用于本厂所有钣金产品及其加工过程。
第三条本制度遵循“质量第一、预防为主、持续改进”的原则。
第二章组织机构及职责第四条成立质量管理部门,负责全厂质量管理工作的监督、检查、指导和协调。
第五条质量管理部门职责:1. 制定和修订质量管理制度;2. 组织质量教育培训;3. 负责质量检验和监督;4. 分析质量事故,提出改进措施;5. 确保质量管理体系的有效运行。
第六条生产部门职责:1. 严格按照工艺规程进行生产;2. 确保生产过程符合质量要求;3. 对不合格产品进行返工、返修或报废;4. 定期对员工进行质量意识培训。
第七条技术部门职责:1. 制定和修订工艺规程;2. 确保工艺规程的科学性和合理性;3. 对新产品进行技术评审;4. 对生产过程中出现的技术问题进行解决。
第三章质量管理体系第八条本厂质量管理体系应按照ISO 9001:2015标准建立和运行。
第九条质量管理体系文件包括:1. 质量手册;2. 程序文件;3. 标准作业指导书;4. 质量记录。
第十条质量手册应明确质量方针、质量目标、组织结构和职责。
第十一条程序文件应详细规定质量管理活动的过程和方法。
第十二条标准作业指导书应详细规定操作步骤、注意事项和质量要求。
第十三条质量记录应真实、完整、准确,便于追溯。
第四章质量检验第十四条质量检验分为进货检验、过程检验和成品检验。
第十五条进货检验:1. 对原材料、外协件进行检验,确保其符合技术要求;2. 检验合格后方可入库。
第十六条过程检验:1. 在生产过程中,对关键工序进行检验,确保过程质量;2. 发现问题及时采取措施,防止不合格品流入下道工序。
第十七条成品检验:1. 对成品进行检验,确保其符合技术要求;2. 检验合格后方可入库或发货。
第十八条质量检验员应具备以下条件:1. 具备相关专业知识和技能;2. 熟悉质量检验标准和操作规程;3. 具有良好的职业道德。
钣金检验规范(标准文件)一、钣金外观部分1、目的及范围1.1本检验规范为了进一步提高钣金制品的质量,为外协加工提供检验根据,为外观检验提供科学、客观的方法。
对某些无法用定量表明的缺陷,用供需双方制订的检验标准和封样的办法加以解决。
1.2本检验规范适用于钣金件制成的产品及其相关加工组成品。
2、参照文件2.1本文件根据GB-19001-2008质量管理体系标准制定2.2本检验规范参照金属冷冲压件通用技术条件2.3本规范若与零件图/规格相抵触,则以零件图/规格为优先2.4本规范若参考文件相抵触,则以本规范为优先3、内容3.1术语部分钣金件外观术语解释:3.2 检验方法3.2.1外观缺陷的检验方法及要求:将待验品置于以下条件,作检验判定:A、目测距离: 距离产品25cmB、检验角度: 成45度目视检测。
C、检验光源: 正常日光灯,室内无日光时用40W日光灯或60W普通灯泡的照度为标准。
D、观察时间:<10秒(每个可见平面需要3秒)。
E、检查半成品、成品之前应核对相关检验资料。
3.2.2 外观尺寸及尺寸的配合的检验方法使用普通长度测量仪或各种量规进行测量。
3.3 不合格类别划分:根据本行业客户的具体实际要求,金属钣金件制品的外观不合格类别有亮度差、边缘不良、变形、污渍(不清洁)、麻点、压痕、粗砂、磨花等。
结合以上不合格类别的客户要求等级,可将钣金件制品共分6级和特殊级,以作轻重不良的区分(见表1)。
3.4 检验项目及标准3.4.1冲压件判定标准(表2)标题:产品外观检验标准版本: A页次: 3 of 3N=数量,L=长度,W=宽度,D=直径,A=区域,J=距离,H=深度,S=面积1 批鋒在五金件周围多出的五金料废边1.影响外观为轻缺陷.目测 L 为長 H為寬L ≤0.1mm.H≤0.1mm2.影响功能或装配为重缺陷.2 五金件手印以反光面检查为条件不允許超过标准为得不良.目测3 帖紙粘性与实物粘贴实验以测试结果已定1.脱落为严重不良2.与样品相差为轻缺陷目测披LH3.4.2 成型钣金件的检验项目及标准(表3)3.4.3 检验时注意事项:1.本规范如与客户要求不同时,原则上以客户之检验标准,如客户提供之检验规范或备注在客户注意事项内。
xxxxxxxxxxxxxxxxxxxxxxxxxxxxxx质量手册文件编号xxxxxx编制:审核:批准:文件发放号:受控状态:实施日期:年月日颁布令本公司依据ISO9001:2000《质量管理体系——要求》编制完成了《质量手册》第一版,现予以批准颁布实施。
本手册是公司质量管理体系的法规性文件,是指导公司建立并实施质量管理体系的纲领和行动准则。
公司全体员工必须遵照执行。
总经理:年月日任命书为了贯彻执行ISO9001:2000《质量管理体系——要求》,加强对质量管理体系运作的领导,特任命为我公司的管理者代表。
管理者代表职责是:1、确保质量管理体系的过程得到建立和保持;2、向最高管理者报告质量管理体系的业绩,包括改进的需求;3、在整个组织内促进顾客要求意识的形成;4、就质量管理体系有关事宜对外联络。
总经理:年月日0.1 目录标题 ISO9001:2000标准条款对照0.1目录0.2质量手册说明 5.5.50.3质量手册修改控制0.4企业概况1.0公司组织机构图2.0公司质量管理体系结构图3.0质量管理体系过程职责分配表4.0质量管理体系 4.1、4.24.1文件控制程序 4.2.34.2质量记录控制程序 4.2.45.0管理职责 5.1、5.25.1质量方针 5.35.2管理策划控制程序 5.4.1、5.4.25.3职责和权限 5.5.1、5.5.2、5.5.3、5.5.45.4管理评审控制程序 5.66.0资源管理 6.16.1人力资源控制程序 6.26.2设施和工作环境控制程序 6.3、6.47.0产品实现7.1实现过程的策划程序 7.17.2与顾客有关的过程控制程序 7.27.3设计和(或)开发控制程序 7.37.4采购控制程序 7.47.5生产和服务运作控制程序 7.57.6测量和监控装置的控制程序 7.68.0测量、分析和改进 8.18.1.1顾客满意度测量和监控程序 8.2.18.1.2内部审核程序 8.2.28.1.3过程和产品的测量和监控程序 8.2.3、8.2.48.2不合格控制程序 8.38.3数据分析控制程序 8.48.4改进控制程序 8.5附录一第二级文件清单附录二质量记录清单0.2质量手册说明1、手册内容本手册依据ISO9001:2000《质量管理体系——要求》和本公司的实际相结合编制而成,包括:(1)公司质量管理体系的范围,它包括了ISO9001:2000标准的全部要求;(2)质量管理标准和公司管理体系要求的所有程序文件;(3)对质量管理体系所包括的过程顺序和相互作用的表述。
钣金车间改善提案案例钣金车间改善提案案例:一、优化设备配置钣金车间的设备配置对于生产效率和产品质量有着重要影响。
通过对设备进行优化配置,可以提高生产效率,减少生产周期。
具体措施如下:1. 对设备进行分类,按照工序和产品种类进行配置,避免设备资源浪费。
2. 采购先进的数控设备,提高加工精度和效率。
3. 引入自动化设备,减少人工操作,提高生产效率。
二、改进工艺流程钣金车间的工艺流程对于产品质量和生产效率同样重要。
通过改进工艺流程,可以提高生产效率,减少不良品率。
具体措施如下:1. 对工艺流程进行优化,减少冗余环节,简化操作步骤。
2. 引入标准化工艺文件,明确每个工序的操作要求,减少人为因素对产品质量的影响。
3. 采用先进的工艺技术,如激光切割、数控折弯等,提高加工精度和效率。
三、加强质量控制钣金车间的质量控制是保证产品质量的关键。
通过加强质量控制,可以减少不良品率,提高产品合格率。
具体措施如下:1. 建立完善的质量管理体系,包括质量检测、质量记录、质量分析等环节。
2. 加强员工的质量意识培养,提高他们对产品质量的责任心。
3. 引入先进的检测设备,提高产品质量的可靠性和稳定性。
四、提高员工技术能力钣金车间的员工技术能力对于产品质量和生产效率有着直接影响。
通过提高员工技术能力,可以提高产品质量,减少操作失误。
具体措施如下:1. 组织员工参加培训和学习,提高他们的专业知识和技能水平。
2. 建立技能评价制度,对员工进行技能评估和晋升,激励他们主动学习和提升技术能力。
3. 建立技术交流平台,鼓励员工之间相互学习和分享经验。
五、完善物料管理钣金车间的物料管理对于生产效率和库存成本有着重要影响。
通过完善物料管理,可以减少库存周转时间,降低库存成本。
具体措施如下:1. 建立物料采购计划和库存管理制度,合理安排物料采购和使用。
2. 与供应商建立良好的合作关系,确保供应及时、稳定。
3. 引入物料追踪系统,实现对物料的全程监控和管理。
钣金焊接工艺标准钣金焊接是一种常用的金属加工方法,广泛应用于汽车制造、航空航天、建筑等领域。
为了确保钣金焊接的质量和安全性,通常会制定相应的工艺标准和规范。
以下是对钣金焊接工艺标准的概括,字数控制在2000字以内。
1.材料选择:在进行钣金焊接之前,需要选择合适的材料。
材料的选择应根据具体应用环境和要求,考虑其强度、耐腐蚀性、可焊性等因素。
常见的钣金材料包括碳钢、不锈钢、铝合金等。
2.设备和工具准备:进行钣金焊接时,需要准备相应的设备和工具,如电焊机、气体保护设备、焊接枪、割炬、夹具等。
这些设备和工具应符合相关标准和安全要求,并经过定期维护和检修,以确保其正常运行和使用。
3.焊接工艺参数:钣金焊接的工艺参数包括焊接电流、电压、焊接速度、气体流量等。
这些参数会直接影响焊缝的质量和性能。
根据具体材料和焊接要求,需要进行试验和优化,以确定最佳的工艺参数。
4.焊接方式:钣金焊接常用的方式包括手工电弧焊、TIG焊、MIG/MAG焊等。
不同的焊接方式适用于不同的材料和焊接要求。
在选择焊接方式时,应考虑到焊缝的强度、外观要求、生产效率等因素。
5.清洁和预处理:在进行钣金焊接之前,需要对焊接区域进行清洁和预处理。
这包括去除油污、氧化物和表面涂层等,并进行必要的预热和除锈处理,以提高焊接接头的质量和可靠性。
6.焊接操作:进行钣金焊接时,应掌握正确的焊接操作技术。
这包括合适的焊接角度、焊接速度、焊接顺序等。
同时,需要注意焊接过程中的温度控制、保护气体流量和焊接电流的稳定性,以确保焊缝的质量和一致性。
7.检测和评估:完成钣金焊接后,应进行相应的检测和评估。
常见的检测方法包括目视检查、尺寸测量、焊缝断面观察、非破坏性检测等。
这些检测方法可以帮助判断焊接接头是否符合要求,并及时发现和解决可能存在的问题。
8.文件记录和质量控制:进行钣金焊接时,应建立相应的文件记录和质量控制体系。
记录包括焊接参数、操作步骤、检测结果等,以便于追溯和管理。
钣金车间质量奖惩制度一、背景和目的本制度旨在建立和规范钣金车间的质量管理体系,明确奖惩措施以激励员工优化工作流程、提升产品质量和客户充足度,同时降低质量风险和成本损失。
二、管理标准2.1 质量目标1.供给高质量的钣金产品,充足客户需求和要求。
2.实现零缺陷目标,降低不良品率。
3.持续改进工艺流程,提升生产效率和产品质量。
2.2 质量管理体系1.建立健全的质量管理体系,包括质量策划、质量保证和质量掌控等环节。
2.设立质量管理岗位,职责包括验收、检测、统计分析等。
3.指定质量检查员,负责组织产品的质量把关和检验工作。
4.建立质量档案,追溯产品质量问题原因,供给改进依据。
2.3 质量培训1.针对新员工进行入职培训,介绍质量管理要求和操作流程。
2.定期组织内部培训,提高员工的质量意识和技能。
3.激励员工参加外部培训,提升个人专业水平。
三、考核标准3.1 质量评估指标1.不良品率:以合格产品与总产出的比例计算。
2.客户投诉率:以接收的客户投诉数量与总销售数量的比例计算。
3.提前交货率:以提前或按时交付产品数量与总交付产品数量的比例计算。
3.2 考核周期和频次1.质量考核以月为周期,每月末依据指标进行一次考核。
2.年底将各月考核结果进行整合,确定年度综合考核结果。
3.3 嘉奖制度1.优秀团队奖:依据全年综合考核结果,评比出表现优秀的团队,予以团队成员肯定的嘉奖和荣誉称号。
2.个人质量奖:依据个人贡献和表现,评比出个人绩效突出的员工,予以奖金和荣誉证书。
3.4 惩罚制度1.质量问题责任追究:发觉质量问题,按责任划分,依照相关规定对相关人员进行追责。
2.不良品责任倒查:对生产制造流程质检把关漏洞责任进行追究,确保质检流程得到改善。
3.培训引导:对质量检查不合格的员工进行培训引导,帮忙其改进和提升质量意识。
四、制度执行和改进4.1 制度执行1.本制度属于公司内部规章制度,全部钣金车间工作人员均需遵守执行。
2.上级主管负责本制度的宣贯和培训,确保全员知晓。
钣金件质量管理制度一、总则1. 为了规范钣金件质量管理,确保产品质量稳定性和生产安全,制定本质量管理制度。
本制度适用于钣金件生产全过程。
2. 钣金件质量管理应遵循“质量第一,安全第一”的原则,严格执行国家相关法律法规和标准,保证产品质量合格,满足客户需求。
3. 所有相关部门和人员必须严格执行本制度,做好质量管理,确保产品质量。
二、质量管理组织1. 公司应建立质量管理部门,负责全面负责质量管理的组织和协调工作。
2. 质量管理部门应根据公司规模和生产情况,设置质量管理人员,明确负责人员的职责和权利。
3. 质量管理部门应定期对各部门进行质量管理培训,提高员工的质量意识和质量管理水平。
4. 质量管理部门应建立完善的质量档案管理制度,及时更新和保管相关质量文件和记录。
三、质量管理体系1. 公司应建立符合ISO9001国际标准的质量管理体系,严格执行质量手册的各项规定。
2. 质量管理体系包括质量政策、质量目标、质量程序文件、质量记录等内容。
3. 质量管理体系应建立相关程序文件和记录,确保全面、系统地进行质量管理。
四、原材料质量控制1. 采购部门应与供应商建立稳固的合作关系,确保原材料的稳定供应。
2. 采购部门应对所采购的原材料进行严格的进货检验,确保原材料符合质量要求。
3. 采购部门应建立原材料来料质量记录档案,保留原材料质量证明文件和检验记录。
五、生产过程质量控制1. 生产部门应制定生产工艺流程和规范操作标准,确保生产过程稳定可控。
2. 生产部门应定期对生产设备进行检验和维护,保证设备正常运行,确保产品质量。
3. 生产部门应进行全程质量控制,做好生产过程中的各项检验和记录,确保产品合格。
4. 生产部门负责对产品进行质量检测和抽检,对不合格产品进行退货或返工处理。
六、成品质量控制1. 品质部门应建立完善的成品质量检测标准和检测方法,进行全面质量检验。
2. 品质部门应对成品进行抽检,确保产品符合国家标准和客户要求。
IATF16949-2016 汽车业质量体系
钣金设计规范
在拉深零件上冲孔时,见图 1-13,为了保证孔的形状及位置精度以及模具的强度,其孔壁与零件直壁之间应保持一定距离,即其距离 a1 及 a2 应满足下列要求:a1 ≥R1+0.5t,a2≥R2+0.5t。
R2-圆角半径;t-板料厚度。
注:使用本表数值时所有孔应是一次冲出的。
注:本表适应于落料后才进行冲孔的情况。
折弯半径要大于最小折弯半径,但也不能太大,否则折弯反弹会加大。
、折弯强度
弯曲件的工艺孔、工艺槽和工艺缺口-工艺孔的直径,d≥t;
、突变位置的折弯
、增加折弯、翻边或者反折压平、折弯处添加三角加强肋
4倍。
圆角越大,翻边越容易。
4.6.1.3 拉铆螺母。
钣金部管理制度范文一、钣金部(一)岗位职责1、钣金部职能。
主要以钣金加工及喷涂加工,内设有先进的机器设备,拥有丰厚的技术力量和丰富的实践经验,建立了高质量的服务体系。
秉着“保质、保量、准时交货”的务实经营方针与灵活多弯的经营策略,不断创新、不断进步。
2、生产计划管理职能。
根据下发的指令,拟定生产计划下发各班组,按生产进度跟进物料,适时跟踪料况,以免耽误生产。
3、生产资产管理职能:指定专人负责,做到“三好”“四会”三好即:管好、用好、保养好。
四会即:会使用、会保养、会检查、会排除一般故隙。
制订完好的计划,并做好记录。
4、生产车间管理职能。
要做到生产任务过硬、操作技能过硬、管理工作过硬、劳动纪律过硬、思想工作过硬。
每天安排一天的工作及回顾前一天工作的状况。
车间内使用工具、模具、设备等均应按要求使用、摆放,做到整齐有序。
坚持文明生产、文明操作等。
做到不迟到不早退;做到上班前机器设备的保养、工作分配合理,下班前做到人走关灯、关闭机器设备电源等。
5、生产安全管理职能。
生产过程中严格按照设备操作流程、质量标准,工艺流程进行操作,不得擅自更改生产工艺。
否则,造成工伤事故或产品质量问题,由操作人员自行承担。
6、工艺管理职能。
合理使用设备、工位量具,保持精度和良好的技术状态。
对新员工进行岗位技能培训。
严格执行,如需修改或变更,应提出,批准后方可。
7、质量管理职能:树立:“安全生产,质量第一”生产理念,保证产品质量。
认真执行“四检”制度,做到首检、自检、互检、巡检。
对生产出来的产品质量事故承担责任。
8、生产办公室文件资料管理职能:围绕“管理制度、受控图纸资料、采购合同订单、生产指令单”等应归档资料,建立搜集、归档、查阅制度,对应归档资料未归档或违反资料查阅规定以及归档资料丢失、坏损承担责任。
9、班组长职能;抓好各班组的工作,对本班组的工作效果负责。
(二)工作流程1、每天上班前报告一天的工作与前一天的工作情况。
2、每天跟进生产所需材料及生产进度。
ISO9001程序文件汇编(适用于散热器及五金机箱、机柜、钣金制品的加工和装配)目录序文件编号料号/ 文件摘要版本/页数备注1 品质管理系统管理程序2 文件及资料管理程序3 品质记录管理程序4 管理审查程序5 教育训练管理程序6 工作环境管理程序7 新产品导入管理程序8 工程变更管理程序9 客户服务作业程序10 采购管理程序11 制程品管管制程序12 特殊过程控制程序13 仪器校验管理程序14 统计、分析及持续改善程序15 内部稽核管理程序16 不合格品管理程序17 矫正预防措施程序品质管理系统管理程序1 目的为确保品质系统整体性运作与维持,以提供良好之产品满足客户需求。
2 范围品质系统适用本公司所生产产品及各相关部门之作业活动。
3 定义3.1 品质管理系统:在品质方面指挥和控制组织的管理系统。
3.2品质策划:品质管理的一部分,致力于制定品质目标并规定必要的运行过程和相关资源以实现品质目标。
4 职责4.1 管理者代表:负责对品质管理系统的策划、建立、实施和持续改进。
4.2 总经理:负责为品质管理系统的运行提供充足的资源,并促成客户意识在企业内部的形成。
5 内容5.1 本公司之品质系统以品质手册为最高指导原则。
5.2 品质手册之管理5.2.1 品质手册之制定,审核,变更,颁行及作废参照《文件及资料管理程序》。
5.2.2 对于公司之作业若无法于手册内含括者,应于各作业程序中说明。
5.3 品质手册之内容与架构5.3.1 内容●品质管理系统《品质手册》《文件及数据管理程序》《品质记录管理程序》●管理阶层承诺顾客为重品质政策●品质规划品质目标品质规划计划●责任、权限及沟通组织与品质责任管理审查●资源提供人力资源工作环境●实现过程之规划产品需求鉴定●顾客有关之过程客户合约审查客户抱怨处理●工程控制产品规格审查样品承认作业试产放行工程变更之管制●采购采购作业管制供货商评鉴与管理所购产品之承认进料验收管制●生产及服务之供应制程管制产品鉴别与追溯产品防护●量测及监督装置之管制量测、分析及改善●监督及量测客户满意度内部稽核过程之监督及量测产品之监督及量测●不合格品之管制●资料分析●改善持续改善矫正措施预防措施5.3.2 架构5.3.2.1 目的5.3.2.2 范围5.3.2.3 管理项目或内容5.3.2.4 引用文件5.4 系统文件类别,应如金字塔型由上而下共计四阶5.4.1 品质手册(QM:一阶)5.4.2 程序文件(QP:二阶)5.4.3 作业办法、作业指导书、规范等(QW:三阶) 5.4.4 记录、报告、表格、标签等(QR:四阶)5.4.5 文件之编号依ISO9001-2015版之章节条文编码※※─※※※※QP/QW/QR ISO9001 流水号之条文码5.5 程序,办法等文件架构5.5.1 目的5.5.2 范围5.5.3 定义5.5.4 组织与权责5.5.5 管理项目或作业程序、内容5.5.6 引用文件、附件及编号5.5.7 引用表单及编号5.6 系统文件之推行5.6.1 教育训练5.6.1.1 凡从事与产品、服务及作业品质有关之公司成员,皆必须遵守《品质手册》相关内容规定之事项。
钣金ISO9001质量手册
依据GB/T19001-2008 idt ISO9001:2008质量管理体系—要求
第一章目录
章节号内容页次
第一章目录 (02)
第二章 DXC公司概况 (03)
第3.1章质量方针及质量目标 (04)
第3.2章公司质量管理体系组织架构和岗位设置图 (05)
第3.3章管理者代表授权 (06)
第3.4章以过程为基础的质量管理体系模式 (07)
第3.5章生产工艺流程图 (08)
第3.6章质量管理体系覆盖范围和产品执行标准 (09)
第四章质量管理体系 (10)
第五章管理职责 (12)
第六章资源管理 (14)
第七章产品实现 (15)
第八章测量、分析和改进 (16)
附录A:顾客满意程度指标及分值分配表 (17)
附录B:质量职责分配表 (18)
附录C:体系程序文件一览表
第二章公司概况
第3.1章质量方针及质量目标
本公司的质量方针为:
一是一百;一百是一。
含义: 1.一是一百:努力提高产品质量和服务质量,让每一个客户都满意是
我们每一天的工作目标,任何一个客户的任何不满就是
我们必须改进的方向;
2.一百是一:满意无止境,今天的满意不意味着明天的满意,明天的满
意不意味着永远的满意,惟有持续改善才可以实现客户永
远的满意。
质量目标
1 以零件种类数为计算基准,2005年的零件一次制造合格率月平均达99%,
以后每年上升0.05个百分点;
2 顾客对产品的满意程度,2005年的平均分值达90分以上,以后每年上升
0.5个分值(顾客对产品的满意程度指标及分值分配具体可见本手册附
录) ,基本无质量投诉。
无锡新奇生电器有限公司
WuGiGi nQiShe ngElectricalC o.,Ltd.
无锡新奇生电器有限公司
1目的
对公司的与质量管理体系有关的文件进行控制,确保各相关场所使用有效版本的文件。
2范围
适用于与质量管理体系有关的文件的控制。
3职责
3.1质管部负责质量体系文件的编制和更改;
3.2管理者代表负责质量体系文件的审核;
3.3总经理负责质量体系文件的批准;
3.4文控中心负责在质管部的指导下进行体系文件的发放、回收及销毁;
3.5各部门负责本部门质量体系文件的使用和保管。
4工作程序
4.1文件的编制和审批
4.1.1文件的编写格式请参阅“ QD/SQS-002质量管理体系文件编写导则”;
4.1.2质量体系文件由质管部组织编制,由管代审核,由总经理批准;
4.1.3部门间传递生产信息用的表单由相关部门审核批准,审批用的印章必须由使
用人保管,不得随处放置。
4.2文件的编号
4.2.1质量手册:
企业代号
质量手册代号4.2.2程序文件:
Q P/S Q S -0 1
文件流水号(按照IS09001 : 20GG 标准条
质量记录流水号(按照ISO9001 : 20GG 标准条 款的顺序和制造流程顺序,前一个质量活动与后 一个质量活动之间空5个流水号码,以备体系完 善补充记录之用。
)
企业代号 质量记录代号
4.3文件的发放、使用和保管 4.3.1复印文件应该用新纸,以体现体系文件作为公司法规性文件的严肃性;
4.3.2受控文件在发放之前,应在该文件封面上盖有分发代号章(各部门、各岗 位的分
发代号见本程序附录 A:文件分发代号一览),根据文件保存和使用 环境的要求,如有必要,文控中心应将文件塑封后装订成册在下发;
无锡新奇生电器有限公司
款的顺序) 企业代号 程序文件代号 423作业指导书:
文件流水号(按照ISO9001 : 20GG 标准条款的
顺序和制造流程顺序)
企业代号 作业指导书代号
4.2.4质量记录:
Q R/S Q| S -0 0 1
-0 0 1
463需保存的作废文件,在封面上改“作废参考”章后,妥善保存,以防误用。
464公司员工因某些原因离职时,应将相关文件退回文控中心或人力资源部(由人力资源发放的文件),文控中心根据实际情况进行文件的再分发,并作好相应的记录。
4.7图纸的控制
图纸的控制可参阅“ QD/SQS-005图纸的管理规定”。
无锡新奇生电器有限公司
4.8外来文件的控制
外来文件的控制可参阅“ QD/SQS-008外来文件管理办法”。
4.9色标的控制
色标既是文件的特殊形式,同时又是检验参照的标准,其控制办法主要依据“QD/SQS-090监视和测量装置管理规范”。
4.11质量记录的控制
质量记录的控制可参阅“ QP/SQS-02质量记录控制程序”。
5.1QP/SQS-02 质量记录控制程序
5.2QD/SQS-002 质量管理体系文件编写导则
5相关文件
5.3QD/SQS-003 体系文件总览表
5.4QD/SQS-004 部门文件一览表
5.5QD/SQS-005 图纸的管理规定
5.7QD/SQS-006 外来文件管理办法
5.8QD/SQS-007 客户资料保密制度
6.1QR/SQS-001 文件发放回收登记表
6.2QR/SQS-002 文件更改、增加、作废申请单
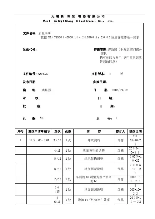
6质量记录
6.3QR/SQS-003 文件历次更改清单
无锡新奇生电器有限公司。