锅炉型号
- 格式:doc
- 大小:509.50 KB
- 文档页数:16
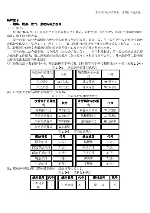
锅炉型号一、燃煤、燃油、燃气、生物持锅炉型号(一)型号:按JB/T1626-92《工业锅炉产品型号编制方法》规定,锅炉号由三部分组成,各部分之间用短横线相连,如下面式样表示:型号的第一部分表示锅炉和燃烧设备的型式及锅炉容量,共分三段。
第一段用两个汉语拼音字母代表锅炉整体型式(见表1.2-1、表1.2-2);第二段用一汉语拼音字母代表燃烧设备(邮包表1.2-3);第三段用阿拉伯数字表示蒸汽锅炉额定蒸发量t/h或热水锅炉额定热功率MW。
型号的第二部介质参数,共分两段(热水锅炉分三段),中间用斜线相连。
第一段表示客定蒸汽压力或允许工作压力;第二段表示过热蒸汽温度(蒸汽温度为饱和温度时不表示);热水锅炉第二段和第三段表示出水温度和进水温度。
型号的第三部分表示燃料种类,用汉语拼音字母代表,同时用罗马字母代表燃料品种分类(见表1.2-4)表1.2-1 锅壳锅炉总体型式代号注:卧式水火管快装锅炉总体型式代号为DN,表1.2-2 水管锅炉总体型式代号表1.2-3 燃烧设备代号注:煤粉炉和燃油燃气锅炉属室燃炉,烯烧设备代号为S。
表1.2-4 燃料品种代号注:①小型燃油燃气锅炉一般适用多种燃料,故燃料代号通常均写成Y或Q②在锅炉型号表示方法中,对常压热水锅炉,只须在型式代号之前加上常压代号C,并取消允许工作压力,其他表示方法不变。
(二)型号举例(见表1.2-5)表1.2-5 型号举例对于国外进口的锅炉,各国型号不一样,没有统一规定,可根据其产品样本、图纸资料、产品质量证明书等识别。
二、电站锅炉型号②电站锅炉型号表示汉及其说明电站锅炉型号由三部分组成,各部之间用短横线相连。
详见下面电站锅炉型号表示法及其说明:第一部分 第二部分 第三部分第一部分:制造工厂代号,用两个汉语拼音表示。
如上海锅炉厂为SG 。
第二部分:锅炉基本参数,前面数字表示蒸发量(t/h ),后面数字表示出口蒸汽压力(工作压力)。
第三部分:锅炉设计顺序号,如:DG-120/39-1,表示东方锅炉厂制造,蒸发量为120t/h ,过热蒸汽压力为3.82Mpa (39kgf/cm2)的锅炉,第一次设计。
锅炉型号和参数的具体含义
在日常监察工作中,经常会碰到锅炉的检查,也曾经被各种各样的型号弄得头晕脑涨的,为此特地在网上搜集了些锅炉的资料,供大家分享:
目前市面上的工业锅炉分为三大类;蒸汽锅炉、热水锅炉、有机热载体炉。
一、蒸汽锅炉型号由三部分组成,各部分之间由短横线相连
注释:1—锅炉型式 2—燃烧方式 3—额定蒸发量(t/h)
4—额定蒸汽压力 5—过热蒸汽温度 6—燃料种类
二、热水锅炉型号由三部分组成,各部分之间由短横线相连
注释:1—锅炉型式 2—燃烧方式 3—额定热功率(MW)
4—允许工作压力(MPa) 5—出/进水水温 6—燃料种类
其中锅炉形式的代号
其中燃烧方式的代号
其中燃烧种类的代号(一)
其中燃烧种类代号(二)
三、有机热载体炉分为液相炉和气相炉,型号由二部分组成,各部分之间由短横线相连
注释:1—炉型号代号 2—燃烧设备代号 3—炉体安置型式代号
4—额定热功率(KW) 5—燃料代号
其中炉型号代号
其中燃烧设备代号
其中炉体安置型式代号。
锅炉型号代号的意义解释工业锅炉分为四大类;蒸汽锅炉、热水锅炉、汽水两用型、有机热载体导热油炉。
蒸汽锅炉按燃烧介质的不同分为燃煤蒸汽锅炉,燃油蒸汽锅炉,电加热蒸汽锅炉及其它;热水锅炉按燃烧介质分为燃煤热水锅炉,燃油热水锅炉,电热水锅炉及其它。
一、蒸汽锅炉型号解释:三部分组成,之间由横线相连注释:1—锅炉型式;2—燃烧方式;3—额定蒸发量(t/h);4—额定蒸汽压力;5—过热蒸汽温度;6—燃料种类举例。
DZL4-1.25-193-AII代表卧式快装燃煤蒸汽锅炉,DZ代表锅炉型式-单筒纵置式,L代表机械链条炉排,其额定蒸发量4t/h,额定工作压力1.25Mpa,饱和蒸汽温度193℃,A||代表二类烟煤为燃烧介质。
二、热水锅炉型号解释:三部分组成,之间由短横线相连注释:1—锅炉型式;2—燃烧方式;3—额定热功率(MW);4—允许工作压力;5—出/进水水温;6—燃料种类。
举例CLSG0.7-95/70-AII代表立式常压燃煤热水锅炉,C代表常压,LS代表锅炉型式-立式水管型,G代表固定炉排,其额定功率是0.7Mw,出进水温度分别是95-70℃,AII代表燃烧介质是||类烟煤。
三、有机热载体炉型号解释:三部分组成,之间由短横线相连注释:1—炉型号代号;2—燃烧设备代号;3—炉体安置型式代号;4—额定热功率(KW);5—燃料代号。
举例YGL-1400代表立式有机热载体导热油炉其功率是1400Kw/h(相当于120x104Kcal/h,也叫120万大卡每小时)。
[炉型号代号分为液相炉(Y)、气相炉(Q)。
燃烧设备代号分为油燃烧器(Y)、气燃烧器(Q)、链条L及其它G。
四、锅炉型式代号五、锅炉燃烧方式代号六、锅炉燃烧种类代号燃烧种类代号(一)燃烧种类代号(二)比如:LSG0.5-0.4-170-AII含义是立式水管燃煤蒸汽锅炉,炉排固定,每小时蒸发量0.5T,额定蒸汽压力0.4Mpa,额定蒸汽温度170℃,燃烧介质二类烟煤。
锅炉型号一、燃煤、燃油、燃气、生物持锅炉型号(一)型号:按JB/T1626-92《工业锅炉产品型号编制方法》规定,锅炉号由三部分组成,各部分之间用短横线相连,如下面式样表示:型号的第一部分表示锅炉和燃烧设备的型式及锅炉容量,共分三段。
第一段用两个汉语拼音字母代表锅炉整体型式(见表1.2-1、表1.2-2);第二段用一汉语拼音字母代表燃烧设备(邮包表1.2-3);第三段用阿拉伯数字表示蒸汽锅炉额定蒸发量t/h或热水锅炉额定热功率MW。
型号的第二部介质参数,共分两段(热水锅炉分三段),中间用斜线相连。
第一段表示客定蒸汽压力或允许工作压力;第二段表示过热蒸汽温度(蒸汽温度为饱和温度时不表示);热水锅炉第二段和第三段表示出水温度和进水温度。
型号的第三部分表示燃料种类,用汉语拼音字母代表,同时用罗马字母代表燃料品种分类(见表1.2-4)表1.2-1 锅壳锅炉总体型式代号注:卧式水火管快装锅炉总体型式代号为DN,表1.2-3 燃烧设备代号注:煤粉炉和燃油燃气锅炉属室燃炉,烯烧设备代号为S。
表1.2-4 燃料品种代号注:①小型燃油燃气锅炉一般适用多种燃料,故燃料代号通常均写成Y或Q②在锅炉型号表示方法中,对常压热水锅炉,只须在型式代号之前加上常压代号C,并取消允许工作压力,其他表示方法不变。
(二)型号举例(见表1.2-5)表1.2-5 型号举例量证明书等识别。
二、电站锅炉型号②电站锅炉型号表示汉及其说明电站锅炉型号由三部分组成,各部之间用短横线相连。
详见下面电站锅炉型号表示法及其说明:第三部分第二部分:锅炉基本参数,前面数字表示蒸发量(t/h),后面数字表示出口蒸汽压力(工作压力)。
第三部分:锅炉设计顺序号,如:DG-120/39-1,表示东方锅炉厂制造,蒸发量为120t/h,过热蒸汽压力为3.82Mpa(39kgf/cm2)的锅炉,第一次设计。
三、锅炉的类别、参数及型号(一)锅炉及其分类锅炉也称蒸汽发生器,是利用燃料或工业生产中余热的热能,将工质加热到一定温度和压力的换热设备。
一、燃煤、燃油、燃气、生物持锅炉型号(一)型号:
按JB/T1626-92《工业锅炉产品型号编制方法》规定,锅炉号由三部分组成,各部分之间用短横线相连,如下面式样表示:
型号的第一部分表示锅炉和燃烧设备的型式及锅炉容量,共分三段。
第一段用两个汉语拼音字母代表锅炉整体型式(见表1.2-1、表1.2-2);第二段用一汉语拼音字母代表燃烧设备(邮包表1.2-3);第三段用阿拉伯数字表示蒸汽锅炉额定蒸发量t/h或热水锅炉额定热功率MW。
型号的第二部介质参数,共分两段(热水锅炉分三段),中间用斜线相连。
第一段表示客定蒸汽压力或允许工作压力;第二段表示过热蒸汽温度(蒸汽温度为饱和温度时不表示);热水锅炉第二段和第三段表示出水温度和进水温度。
型号的第三部分表示燃料种类,用汉语拼音字母代表,同时用罗马字母代表燃料品种分类(见表1.2-4)
表1.2-1 锅壳锅炉总体型式代号
注:卧式水火管快装锅炉总体型式代号为DN,
表1.2-2 水管锅炉总体型式代号
表1.2-3 燃烧设备代号
注:煤粉炉和燃油燃气锅炉属室燃炉,烯烧设备代号为S。
表1.2-4 燃料品种代号
注:①小型燃油燃气锅炉一般适用多种燃料,故燃料代号通常均写成Y或Q
②在锅炉型号表示方法中,对常压热水锅炉,只须在型式代号之前加上常压代号C,并取消允许工作压力,其他表示方法不变。
(二)型号举例(见表1.2-5)
表1.2-5 型号举例
对于国外进口的锅炉,各国型号不一样,没有统一规定,可根据其产品样本、图纸资料、产品质量证明书等识别。
锅炉产品系列。
一、燃煤、燃油、燃气、生物持锅炉型号一型号:按JB/T1626-92工业锅炉产品型号编制方法规定,锅炉号由三部分组成,各部分之间用短横线相连,如下面式样表示:型号的第一部分表示锅炉和燃烧设备的型式及锅炉容量,共分三段;第一段用两个汉语拼音字母代表锅炉整体型式见表、表1.2-2;第二段用一汉语拼音字母代表燃烧设备邮包表1.2-3;第三段用阿拉伯数字表示蒸汽锅炉额定蒸发量t/h或热水锅炉额定热功率MW;型号的第二部介质参数,共分两段热水锅炉分三段,中间用斜线相连;第一段表示客定蒸汽压力或允许工作压力;第二段表示过热蒸汽温度蒸汽温度为饱和温度时不表示;热水锅炉第二段和第三段表示出水温度和进水温度;型号的第三部分表示燃料种类,用汉语拼音字母代表,同时用罗马字母代表燃料品种分类见表表锅壳锅炉总体型式代号锅壳锅炉总体型式代号锅壳锅炉总体型式代号立式锅炉LS立水卧式外燃WW卧外立式火管LH立火卧式内燃WN卧内注:卧式水火管快装锅炉总体型式代号为DN,表水管锅炉总体型式代号水管锅炉总体型式代号水管锅炉总体型式代号单锅筒立式DL单式双管锅炉横式SH双横单锅筒纵置式DZ单式纵横锅筒式ZH纵横单锅筒横置式DH单横强制循环式QX强制双锅筒纵置式SZ双纵表燃烧设备代号注:煤粉炉和燃油燃气锅炉属室燃炉,烯烧设备代号为S;表燃料品种代号注:①小型燃油燃气锅炉一般适用多种燃料,故燃料代号通常均写成Y或Q②在锅炉型号表示方法中,对常压热水锅炉,只须在型式代号之前加上常压代号C,并取消允许工作压力,其他表示方法不变;二型号举例见表表型号举例对于国外进口的锅炉,各国型号不一样,没有统一规定,可根据其产品样本、图纸资料、产品质量证明书等识别;锅炉产品系列锅炉分类常压锅炉汽水两用锅炉蒸汽锅炉余热锅炉立式燃煤两用锅炉立式燃油锅炉立式燃煤锅炉立式燃油汽锅炉卧式蒸汽锅炉热水锅炉蒸汽锅炉锅炉型号-95/20-AIⅡⅡⅡQ25/Q10/95/25QF8/700Ⅱ95/25QF5/450-Ⅱ-90/20-YCQ12/1100 -90/20-AIIⅡQ8/900-ⅡQ5/700QC10/75-90/20-AIIQC6/500Ⅱ3-1-0备注锅炉命名规则JB/T1626-2002燃烧设备代号燃料种类代号固定炉排G Ⅰ类烟煤AⅠ余热锅炉命名规则JB/T9560-1999余热载体类别余热载体量名称代号单位名称单位气Q千立方米×103m3/电站锅炉产品型号编制方法JB/T 1617-1999 代替JB1617-751.范围本标准规定了锅炉产品型号的编制方法;本标准适用于电站锅炉产品型号的编制;2.技术要求电站锅炉产品型号由三部分组成,各部分之间用短横线相连,形式如下:产品型号第一部分:A——锅炉制造工厂公司代号,由若干字母表示;产品型号第二部分由B和C两部分组成,中间用斜线分开,其中:B——锅炉额定蒸发量或最大连续蒸发量,用阿拉伯数字表示,单位:t/h;C——锅炉额定介质出口压力,用阿拉伯数字表示,单位:MPa;产品型号第三部分由D和E两部分组成,其中:D——锅炉设计燃料代号,用汉语拼音字母表示,按下列规定:燃“煤”炉用“M”表示;燃“油”炉用“Y”表示;燃“气”炉用“Q”表示;燃其它燃料炉用“T”表示;对于原设计已考虑可燃用两种燃料的锅炉,可用两种燃料代号并列,如可燃“煤”和“油”锅炉,用“MY”表示;可燃“油”和“气”锅炉,用“YQ”表示;E——锅炉变型设计顺序号,一般用阿拉伯数字表示,具体数字由各厂公司自行确定;电站锅炉产品型号编制示例:某公司制造的最大连续蒸发量670t/h,介质出口压力为的电站锅炉,设计燃料为煤的锅炉,第三次变型设计,其型号为:××-1025 /。
一、燃煤、燃油、燃气、生物持锅炉型号(一)型号:按JB/T1626-92《工业锅炉产品型号编制方法》规定,锅炉号由三部分组成,各部分之间用短横线相连,如下面式样表示:型号的第一部分表示锅炉和燃烧设备的型式及锅炉容量,共分三段。
第一段用两个汉语拼音字母代表锅炉整体型式(见表1.2-1、表1.2-2);第二段用一汉语拼音字母代表燃烧设备(邮包表1.2-3);第三段用阿拉伯数字表示蒸汽锅炉额定蒸发量t/h或热水锅炉额定热功率MW。
型号的第二部介质参数,共分两段(热水锅炉分三段),中间用斜线相连。
第一段表示客定蒸汽压力或允许工作压力;第二段表示过热蒸汽温度(蒸汽温度为饱和温度时不表示);热水锅炉第二段和第三段表示出水温度和进水温度。
型号的第三部分表示燃料种类,用汉语拼音字母代表,同时用罗马字母代表燃料品种分类(见表1.2-4)表1.2-1 锅壳锅炉总体型式代号注:卧式水火管快装锅炉总体型式代号为DN,表1.2-2 水管锅炉总体型式代号表1.2-3 燃烧设备代号注:煤粉炉和燃油燃气锅炉属室燃炉,烯烧设备代号为S。
表1.2-4 燃料品种代号注:①小型燃油燃气锅炉一般适用多种燃料,故燃料代号通常均写成Y或Q②在锅炉型号表示方法中,对常压热水锅炉,只须在型式代号之前加上常压代号C,并取消允许工作压力,其他表示方法不变。
(二)型号举例(见表1.2-5)表1.2-5 型号举例对于国外进口的锅炉,各国型号不一样,没有统一规定,可根据其产品样本、图纸资料、产品质量证明书等识别。
锅炉产品系列备注锅炉命名规则JB/T1626-2002燃烧设备代号燃料种类代号固定炉排GⅠ类烟煤AⅠ固定双层炉排CⅡ类烟煤AⅡ链条炉排L油Y室燃炉S气Q锅炉类别锅炉本体型式代号锅壳锅炉立式水管LS立式火管LH常压立式水管CSL水管锅炉单锅筒立式DZ余热锅炉命名规则JB/T9560-1999余热载体类别余热载体量名称代号单位名称单位气体Q(气)千立方米每小时×103m3/h1)液体Y(液)吨每小时t/h固体G(固)吨每小时t/h烟气分类特性代号含尘类C(尘)腐蚀类F(腐)粘结类Z(粘)注: 补燃代号以字母B表示电站锅炉产品型号编制方法JB/T 1617-1999 (代替JB1617-75)1.范围本标准规定了锅炉产品型号的编制方法。
锅炉型号代表的意思引言:在现代工业中,锅炉是一种重要的热能设备,用于产生蒸汽或热水,以供应工业生产或居民生活的热能需求。
不同型号的锅炉在设计和功能上有所不同,每个型号都代表着特定的意义和特点。
本文将探讨几种常见的锅炉型号,并解释它们代表的意义和特征。
一、WNS型燃气锅炉WNS型燃气锅炉是一种广泛应用于工业和民用领域的锅炉。
WNS代表“稳定燃烧、有效供热、安全可靠”。
这种锅炉采用燃气作为燃料,具有高热效率、低排放和自动控制等优点。
它的设计非常紧凑,适合安装在有限空间内。
WNS型燃气锅炉的最大特点是燃烧稳定,能够保持恒定的供热水平,确保生产或生活的连续性。
二、SZL型煤炭锅炉SZL型煤炭锅炉是一种适用于煤炭燃烧的锅炉。
SZL代表“层流燃烧,循环式供热,快速启动”的特点。
这种锅炉采用双筒水管结构,可以快速启动和停止,并且在工作过程中燃烧效率高,热效率佳。
SZL型煤炭锅炉适用于工业领域中需要大量蒸汽供应的场合,如纺织、化工和食品加工厂。
三、DZL型生物质锅炉DZL型生物质锅炉是一种利用生物质作为燃料的锅炉。
DZL代表“定热值燃烧、直立布置、链条炉排”的特点。
生物质锅炉可以利用农作物秸秆、木屑、麻杆等可再生能源,实现绿色环保的供热方式。
DZL型生物质锅炉具有使用方便、燃烧效率高等特点,因此在可再生能源发展的背景下,受到越来越多的关注。
四、YGW型导热油锅炉YGW型导热油锅炉是一种使用导热油作为传热介质的锅炉。
YGW代表“油管加热、高温工作、全自动控制”的特点。
导热油锅炉具有传热效果好、温度控制准确等优点,适用于各种需求较高的工业过程。
由于导热油的热稳定性较好,所以YGW型导热油锅炉在高温工作条件下具有较高的稳定性和可靠性。
五、YQW型燃油/燃气导热油锅炉YQW型燃油/燃气导热油锅炉是一种同时适用于燃油和燃气作为燃料的导热油锅炉。
YQW代表“油/气管加热、高效能、全自动控制”的特点。
这种锅炉适用于需要在燃料不足或无法使用某种燃料时进行切换的场合。
锅炉型号一、燃煤、燃油、燃气、生物持锅炉型号(一)型号:按JB/T1626-92《工业锅炉产品型号编制方法》规定,锅炉号由三部分组成,各部分之间用短横线相连,如下面式样表示:型号的第一部分表示锅炉和燃烧设备的型式及锅炉容量,共分三段。
第一段用两个汉语拼音字母代表锅炉整体型式(见表1.2-1、表1.2-2);第二段用一汉语拼音字母代表燃烧设备(邮包表1.2-3);第三段用阿拉伯数字表示蒸汽锅炉额定蒸发量t/h或热水锅炉额定热功率MW。
型号的第二部介质参数,共分两段(热水锅炉分三段),中间用斜线相连。
第一段表示客定蒸汽压力或允许工作压力;第二段表示过热蒸汽温度(蒸汽温度为饱和温度时不表示);热水锅炉第二段和第三段表示出水温度和进水温度。
型号的第三部分表示燃料种类,用汉语拼音字母代表,同时用罗马字母代表燃料品种分类(见表1.2-4)②在锅炉型号表示方法中,对常压热水锅炉,只须在型式代号之前加上常压代号C,并取消允许工作压力,其他表示方法不变。
(二)型号举例(见表1.2-5)量证明书等识别。
二、电站锅炉型号②电站锅炉型号表示汉及其说明电站锅炉型号由三部分组成,各部之间用短横线相连。
详见下面电站锅炉型号表示法及其说明:第一部分第二部分第三部分第三部分:锅炉设计顺序号,如:DG-120/39-1,表示东方锅炉厂制造,蒸发量为120t/h,过热蒸汽压力为3.82Mpa(39kgf/cm2)的锅炉,第一次设计。
三、锅炉的类别、参数及型号(一)锅炉及其分类锅炉也称蒸汽发生器,是利用燃料或工业生产中余热的热能,将工质加热到一定温度和压力的换热设备。
锅炉用途广泛,型式众多,一般可按下列方法分类:1、按用途分类电站锅炉:大多为大容量、高参数锅炉,火室燃烧,热效率高,出口工质为过热蒸汽。
工业锅炉:用于工业生产和采暖,大多为低压、低温、小容量锅炉,火床燃烧居多,热效率较低;出口工质为蒸汽的称为蒸汽工业锅炉,出口工质为热水的称为热水锅炉。
锅炉型号和参数工业锅炉产品共分三大类:蒸汽锅炉、热水锅炉、有机热载体炉△△△××-××/×××-××1234561——锅炉形式2——燃烧方式3——额定蒸发量(t/h)4——额定蒸汽压力5——过热蒸汽温度(饱和蒸汽不标)6——燃料种类2、热水锅炉产品型号由三部分组成,各部分之间用短横线相连,即:△△△××-××/×××-××1234561——锅炉形式2——燃烧方式3——额定热功率(MW)4——允许工作压力(热水)Mpa5——出水温度/进水温度℃6——燃料种类锅炉形式代号锅壳锅炉水管锅炉锅炉型式代号锅炉型式代号立式水管LS 单锅筒立式DL卧式外燃WW 单锅筒纵置式DZ立式火管LH 单锅筒横置式DH卧式内燃WN 双锅筒纵置式SZ双锅筒横置式SH强制循环式QX燃烧方式代号燃烧方式代号燃烧方式代号固定炉排G 振动炉排Z 固定双层炉排 C 下饲炉排 A 活动手摇炉排H 沸腾炉排 F 链条炉排L 半沸腾炉排 B 往复炉排W 室燃炉S 抛煤机P 旋风炉X 倒转炉排加抛煤机 D燃料种类代号燃料种类代号燃料种类代号Ⅰ类劣质煤LⅠ木柴MⅡ类劣质煤LⅡ稻糠 DⅠ类无烟煤WⅠ甘蔗渣GⅡ类无烟煤WⅡ柴油YC Ⅲ类无烟煤WⅢ重油YY Ⅰ类烟煤AⅠ天然气QT Ⅱ类烟煤AⅡ焦炉煤气QJ Ⅲ类烟煤AⅢ液化石油气QY褐煤H 油母页岩YM贫煤P 其他燃料T型煤X3、有机热载体炉分液相炉和气相炉两类,有机热载体炉产品型号由二部分组成,二部分之间用短横线相连,即:△△△-△△123451——炉类型代号2——燃烧设备代号3——炉体安置型式代号4——额定热功率:KW 5——燃料代号炉类型代号按表1的规定表1 炉类型代号有机热载体炉类型代号液相炉Y气相炉Q燃烧设备代号按表2的规定表2 燃烧设备代号燃烧设备代号链条炉排L抛煤机炉排P其他炉排G油燃烧器Y气燃烧器Q炉体安置型式代号按表3的规定表3 炉体型式代号在机热戴本炉体安置型式代号立式L卧式W其他Q表4 燃料代号燃料类别类别代号品种品种代号煤类W 无烟煤W 烟煤 A 其他煤H油类Y柴油 C重油、渣油Z气类Q天然气T 焦炉煤气J 液化石油气Y。
锅炉行业为了便于行业内部锅炉规格表达统计和书写方便,人为制定一些字母、特殊符号进行组合,表示特定的锅炉类别,以此区分蒸汽锅炉、热水锅炉、导热油炉等系列,锅炉型号代号解释如下:
一、蒸汽锅炉型号解释:
注释:1—锅炉型式;2—燃烧方式;3—额定蒸发量(t/h);4—额定蒸汽压力;5—过热蒸汽温度;6—燃料种类;举例DZL4-1.25-193-AII代表卧式快装燃煤蒸汽锅炉,DZ代表锅炉型式-单筒纵置式,L代表机械链条炉排,其额定蒸发量4t/h,额定工作压力1.25Mpa,饱和蒸汽温度193℃,AII代表二类烟煤为燃烧介质
二、热水锅炉型号解释:
注释:1—锅炉型式;2—燃烧方式;3—额定热功率(MW);4—允许工作压力;5—出/进水水温,6—燃料种类;举例CLSG0.7-95/70-AII代表立式常压燃煤热水锅炉,C代表常压,LS代表锅炉型式-立式水管型,G代表固定炉排,其额定功率是0.7Mw,出进水温度分别是95-70℃,AII代表燃烧介质是II类烟煤。
三、有机热载体炉型号解释:
注释:1—炉型号代号;2—燃烧设备代号;3—炉体安置型式代号;4—额定热功率(KW);5—燃料代号;举例YGL-1400代表立式有机热载体导热油炉其功率是1400Kw/h(相当于
120x104Kcal/h,也叫120万大卡每小时)。
[炉型号代号分为液相炉(Y)、气相炉(Q)。
燃烧设备代号分为油燃烧器(Y)、气燃烧器(Q)、链条L及其它G,]
四、锅炉型式代号
六、锅炉燃烧种类代号
燃烧种类代号(二)
比如:LSG0.5-0.4-170-AII含义是立式水管燃煤蒸汽锅炉,炉排固定,每小时蒸发量0.5T,额定蒸汽压力0.4Mpa,额定蒸汽温度170℃,燃烧介质二类烟煤。
一、燃煤、燃油、燃气、生物持锅炉型号(一)型号:按JB/T1626-92《工业锅炉产品型号编制方法》规定,锅炉号由三部分组成,各部分之间用短横线相连,如下面式样表示:型号的第一部分表示锅炉和燃烧设备的型式及锅炉容量,共分三段。
第一段用两个汉语拼音字母代表锅炉整体型式(见表1.2-1、表1.2-2);第二段用一汉语拼音字母代表燃烧设备(邮包表1.2-3);第三段用阿拉伯数字表示蒸汽锅炉额定蒸发量t/h或热水锅炉额定热功率MW。
型号的第二部介质参数,共分两段(热水锅炉分三段),中间用斜线相连。
第一段表示客定蒸汽压力或允许工作压力;第二段表示过热蒸汽温度(蒸汽温度为饱和温度时不表示);热水锅炉第二段和第三段表示出水温度和进水温度。
型号的第三部分表示燃料种类,用汉语拼音字母代表,同时用罗马字母代表燃料品种分类(见表1.2-4)表1.2-1 锅壳锅炉总体型式代号锅壳锅炉总体型式代号锅壳锅炉总体型式代号立式锅炉LS(立水) 卧式外燃WW(卧外)立式火管LH(立火) 卧式内燃WN(卧内)注:卧式水火管快装锅炉总体型式代号为DN,表1.2-2 水管锅炉总体型式代号水管锅炉总体型式代号水管锅炉总体型式代号单锅筒立式DL(单式) 双管锅炉横式SH(双横)单锅筒纵置式DZ(单式) 纵横锅筒式ZH(纵横)单锅筒横置式DH(单横) 强制循环式QX(强制)双锅筒纵置式SZ(双纵)表1.2-3 燃烧设备代号注:煤粉炉和燃油燃气锅炉属室燃炉,烯烧设备代号为S。
表1.2-4 燃料品种代号注:①小型燃油燃气锅炉一般适用多种燃料,故燃料代号通常均写成Y或Q②在锅炉型号表示方法中,对常压热水锅炉,只须在型式代号之前加上常压代号C,并取消允许工作压力,其他表示方法不变。
(二)型号举例(见表1.2-5)表1.2-5 型号举例对于国外进口的锅炉,各国型号不一样,没有统一规定,可根据其产品样本、图纸资料、产品质量证明书等识别。
锅炉产品系列-0.04-AⅡ-0.4-WIIY1-0.3-0.5备注锅炉命名规则JB/T1626-2002燃烧设备代号燃料种类代号固定炉排GⅠ类烟煤AⅠ固定双层炉排CⅡ类烟煤AⅡ链条炉排L油Y室燃炉S气Q锅炉类别锅炉本体型式代号锅壳锅炉立式水管LS立式火管LH常压立式水管CSL水管锅炉单锅筒立式DZ余热锅炉命名规则JB/T9560-1999余热载体类别余热载体量名称代号单位名称单位气体Q(气)千立方米每小时×103m3/h1)液体Y(液)吨每小时t/h固体G(固)吨每小时t/h烟气分类特性代号含尘类C(尘)腐蚀类F(腐)粘结类Z(粘)注: 补燃代号以字母B表示电站锅炉产品型号编制方法JB/T 1617-1999 (代替JB1617-75)1.范围本标准规定了锅炉产品型号的编制方法。
一、燃煤、燃油、燃气、生物持锅炉型号(一)型号:按JB/T1626-92《工业锅炉产品型号编制方法》规定,锅炉号由三部分组成,各部分之间用短横线相连,如下面式样表示:型号的第一部分表示锅炉和燃烧设备的型式及锅炉容量,共分三段。
第一段用两个汉语拼音字母代表锅炉整体型式(见表1.2-1、表1.2-2);第二段用一汉语拼音字母代表燃烧设备(邮包表1.2-3);第三段用阿拉伯数字表示蒸汽锅炉额定蒸发量t/h或热水锅炉额定热功率MW。
型号的第二部介质参数,共分两段(热水锅炉分三段),中间用斜线相连。
第一段表示客定蒸汽压力或允许工作压力;第二段表示过热蒸汽温度(蒸汽温度为饱和温度时不表示);热水锅炉第二段和第三段表示出水温度和进水温度。
型号的第三部分表示燃料种类,用汉语拼音字母代表,同时用罗马字母代表燃料品种分类(见表1.2-4)表1.2-1锅壳锅炉总体型式代号注:卧式水火管快装锅炉总体型式代号为DN,表1.2-2水管锅炉总体型式代号表1.2-3燃烧设备代号注:煤粉炉和燃油燃气锅炉属室燃炉,烯烧设备代号为S。
表1.2-4燃料品种代号注:①小型燃油燃气锅炉一般适用多种燃料,故燃料代号通常均写成Y或Q②在锅炉型号表示方法中,对常压热水锅炉,只须在型式代号之前加上常压代号C,并取消允许工作压力,其他表示方法不变。
(二)型号举例(见表1.2-5)表1.2-5型号举例对于国外进口的锅炉,各国型号不一样,没有统一规定,可根据其产品样本、图纸资料、产品质量证明书等识别。
锅炉产品系列备注锅炉命名规则 JB/T1626-2002燃烧设备代号燃料种类代号固定炉排GⅠ类烟煤AⅠ固定双层炉排CⅡ类烟煤AⅡ链条炉排L 油Y室燃炉S 气Q锅炉类别锅炉本体型式代号锅壳锅炉立式水管LS立式火管LH常压立式水管CSL水管锅炉单锅筒立式DZ余热锅炉命名规则 JB/T9560-1999余热载体类别余热载体量名称代号单位名称单位气体Q(气)千立方米每小时×103m3/h1)液体Y(液)吨每小时t/h固体G(固)吨每小时t/h烟气分类特性代号含尘类C(尘)腐蚀类F(腐)粘结类Z(粘)注:补燃代号以字母B表示电站锅炉产品型号编制方法JB/T 1617-1999 (代替 JB1617-75)1.范围本标准规定了锅炉产品型号的编制方法。
一、燃煤、燃油、燃气、生物持锅炉型号(一)型号:按JB/T1626-92《工业锅炉产品型号编制方法》规定,锅炉号由三部分组成,各部分之间用短横线相连,如下面式样表示:型号的第一部分表示锅炉和燃烧设备的型式及锅炉容量,共分三段。
第一段用两个汉语拼音字母代表锅炉整体型式(见表1.2-1、表1.2-2);第二段用一汉语拼音字母代表燃烧设备(邮包表1.2-3);第三段用阿拉伯数字表示蒸汽锅炉额定蒸发量t/h或热水锅炉额定热功率MW。
型号的第二部介质参数,共分两段(热水锅炉分三段),中间用斜线相连。
第一段表示客定蒸汽压力或允许工作压力;第二段表示过热蒸汽温度(蒸汽温度为饱和温度时不表示);热水锅炉第二段和第三段表示出水温度和进水温度。
型号的第三部分表示燃料种类,用汉语拼音字母代表,同时用罗马字母代表燃料品种分类(见表1.2-4)表1.2-1 锅壳锅炉总体型式代号注:卧式水火管快装锅炉总体型式代号为DN,表1.2-2 水管锅炉总体型式代号表1.2-3 燃烧设备代号注:煤粉炉和燃油燃气锅炉属室燃炉,烯烧设备代号为S。
表1.2-4 燃料品种代号注:①小型燃油燃气锅炉一般适用多种燃料,故燃料代号通常均写成Y或Q②在锅炉型号表示方法中,对常压热水锅炉,只须在型式代号之前加上常压代号C,并取消允许工作压力,其他表示方法不变。
(二)型号举例(见表1.2-5)表1.2-5 型号举例对于国外进口的锅炉,各国型号不一样,没有统一规定,可根据其产品样本、图纸资料、产品质量证明书等识别。
锅炉产品系列备注锅炉命名规则JB/T1626-2002燃烧设备代号燃料种类代号固定炉排GⅠ类烟煤AⅠ固定双层炉排CⅡ类烟煤AⅡ链条炉排L油Y室燃炉S气Q锅炉类别锅炉本体型式代号锅壳锅炉立式水管LS立式火管LH常压立式水管CSL水管锅炉单锅筒立式DZ余热锅炉命名规则JB/T9560-1999余热载体类别余热载体量名称代号单位名称单位气体Q(气)千立方米每小时×103m3/h1)液体Y(液)吨每小时t/h固体G(固)吨每小时t/h烟气分类特性代号含尘类C(尘)腐蚀类F(腐)粘结类Z(粘)注: 补燃代号以字母B表示电站锅炉产品型号编制方法JB/T 1617-1999 (代替JB1617-75)1.范围本标准规定了锅炉产品型号的编制方法。
锅炉型号一、燃煤、燃油、燃气、生物持锅炉型号〔一〕型号:按JB/T1626-92《工业锅炉产品型号编制方法》规定,锅炉号由三部分组成,各部分之间用短横线相连,如下面式样表示:型号的第一部分表示锅炉和燃烧设备的型式及锅炉容量,共分三段。
第一段用两个汉语拼音字母代表锅炉整体型式〔见表1.2-1、表1.2-2〕;第二段用一汉语拼音字母代表燃烧设备〔邮包表1.2-3〕;第三段用阿拉伯数字表示蒸汽锅炉额定蒸发量t/h或热水锅炉额定热功率MW。
型号的第二部介质参数,共分两段〔热水锅炉分三段〕,中间用斜线相连。
第一段表示客定蒸汽压力或允许工作压力;第二段表示过热蒸汽温度〔蒸汽温度为饱和温度时不表示〕;热水锅炉第二段和第三段表示出水温度和进水温度。
型号的第三部分表示燃料种类,用汉语拼音字母代表,同时用罗马字母代表燃料品种分类〔见表1.2-4〕表1.2-1 锅壳锅炉总体型式代号锅壳锅炉总体型代号锅壳锅炉总体型式代号式立式锅炉LS(立水) 卧式外燃WW(卧外)立式火管LH(立火) 卧式内燃WN(卧内)注:卧式水火管快装锅炉总体型式代号为DN,水管锅炉总体型代号水管锅炉总体型式代号式单锅筒立式DL(单式) 双管锅炉横式SH(双横)单锅筒纵置式DZ(单式) 纵横锅筒式ZH(纵横)单锅筒横置式DH(单横) 强制循环式QX(强制)双锅筒纵置式SZ(双纵)表1.2-3 燃烧设备代号注:煤粉炉和燃油燃气锅炉属室燃炉,烯烧设备代号为S。
表1.2-4 燃料品种代号注:①小型燃油燃气锅炉一般适用多种燃料,故燃料代号通常均写成Y或Q②在锅炉型号表示方法中,对常压热水锅炉,只须在型式代号之前加上常压代号C,并取消允许工作压力,其他表示方法不变。
〔二〕型号举例〔见表1.2-5〕表1.2-5 型号举例量证明书等识别。
二、电站锅炉型号②电站锅炉型号表示汉及其说明电站锅炉型号由三部分组成,各部之间用短横线相连。
详见下面电站锅炉型号表示法及其说明:第三部分第二部分:锅炉基本参数,前面数字表示蒸发量〔t/h〕,后面数字表示出口蒸汽压力〔工作压力〕。
燃气{锅炉}的规格型号
燃气锅炉的规格型号可以根据不同的要求和应用来选择。
以下是一些常见的燃气锅炉规格型号的示例:
1. 小型家用燃气锅炉:适用于家庭供暖和热水使用,常见规格型号有10kW、20kW、30kW等。
2. 商用燃气锅炉:适用于商业建筑、办公楼、学校、酒店等场所的供暖和热水使用,常见规格型号有50kW、100kW、200kW等。
3. 工业燃气锅炉:适用于工厂、生产车间、大型建筑物等需要大量热能供应的场所,常见规格型号有500kW、1000kW、2000kW等。
4. 发电厂燃气锅炉:适用于发电厂的燃气锅炉系统,常见规格型号有10MW、50MW、100MW等,根据发电厂的需求和容量选择适当的规格。
需要根据具体的使用场所和需求来选择合适的燃气锅炉规格型号。
在选择时,需要考虑到供暖或热水的需求量、使用面积、效率要求以及燃气供应条件等因素,以确保燃气锅炉的性能和运行效果符合要求。
此外,还要遵循相关的安全标准和规定,确保燃气锅炉的安全可靠运行。
最佳的规格型号选择应由专业工程师或相关专业人员根据具体情况进行评估和决策。
新型卧式水火管快装蒸汽锅炉,结构紧凑、单锅筒纵向布置,自然循环方式。
水冷壁管在锅筒两侧布置成翼型,有效地防止锅炉底部因结垢而产生鼓包的现象。
管板设计为拱形,消除了焊接应力而防止了管板开裂。
火管采用螺纹烟管,强化换热、提高热效率。
所以启动升温快。
占地面积小、安装方便快捷,锅炉运行平稳可靠,供汽稳定,热效率高。
单锅筒纵置式链条排蒸汽锅炉参数重量(T)16 19 23.5 33 40DZG固定炉排水火管蒸汽锅炉新型卧式水火管快装蒸汽锅炉,结构紧凑、单锅筒纵向布置,自然循环方式。
水冷壁管在锅筒两侧布置成翼型,有效地防止锅筒独步因结垢而产生鼓包的现象。
管板设计为拱形,消除了焊接应力而防止了管板开裂。
火管采用螺纹烟管,强化换热、提高热效率,烟气走向为三回程,所以启动升温快。
该系列锅炉采用固定炉排燃烧方式,占地面积小、安装方便快捷,减少投资,且操作简单、维修方便、省时节料,可使用多种燃煤。
锅炉运行平稳可靠,供汽稳定,适应负荷变化能力强,热效率高。
单锅筒纵置式固定炉排蒸汽锅炉参数型号参数名称DZG1-1.0/1.25-AⅡDZG1.5-1.25-AⅡDZG2-1.25-AⅡDZG4-1.25-AⅡ额定蒸发量(t/h) 1 1.5 2 4 额定蒸汽压力(MPa) 1.0/1.25 1.25 1.25 1.25 额定蒸汽温度(℃)183/194 194 194 194 给水温度(℃)20 20 20 20受热面积锅炉本体(m2)31.6 43.5 63.5 126.5 省煤器(m2) - - 30 40.5 适用燃料Ⅱ类烟煤Ⅱ类烟煤Ⅱ类烟煤Ⅱ类烟煤设计热效率()78 78 78.5 78.8计算耗煤量(标煤kg/h)172 259 335 670烟尘排放浓度(mg/Nm3)≤100≤100≤100 ≤100外形尺寸(长×宽×高mm)4020×1850×2742 4430×1960×2675 4845×2260×2865 6600×2450×3175重量(T)12.5 16 18.8 28SZL链条炉排双锅筒全水管蒸汽锅炉新型双锅筒全水管蒸汽锅炉,结构合理、安装方便快捷。
锅炉受热面积大,烟气横向冲刷对流管束,传热效果好,热效率高,起动升压快,汽压稳定,蒸汽品质好,节约燃料。
炉膛容量较大,具有较好的烟尘沉降作用。
配备蒸汽压力和水位联填保护,采用全自动控制。
该系列锅炉为组装结构型式,分上下两大部件,便于运输、安装,对锅炉内部和钢管的积污清理以及维修保养带来较大便利。
双锅筒全水管链条炉排蒸汽锅炉参数型号参数名称SZL6-1.25-AⅡSZL10-1.25-AⅡSZL15-1.25-AⅡSZL20-1.25-AⅡ额定蒸发量(t/h) 6 10 15 20额定蒸汽压力(MPa) 1.25 1.25 1.25 1.25额定蒸汽温度(℃)194 194 194 194 给水温度(℃)60 104 104 104受热面积锅炉本体(m2)148.2 169.33 380 483 省煤器(m2) 130.8 260.9 260.9 404 适用燃料Ⅱ类烟煤Ⅱ类烟煤Ⅱ类烟煤Ⅱ类烟煤设计热效率()79 79.2 79.5 79.8计算耗煤量(标煤kg/h)998 1659 2480 3292外形尺寸(长×宽×高mm)7720×3210×4570 8410×3340×5286 10950×4380×6520 14330×4770×6800最大运输重量(T)上部19.17下部14.03 上部27.6下部19.7上部31.17下部24.60四部分组成,单件最重31tSZL链条炉排双锅筒全水管热水锅炉新型全水管热水锅炉,结构合理,双锅筒纵向上、下布置,自然循环方式;烟气横向冲刷水管,受热面积大,燃烧室较大,有较好的烟尘沉降作用。
锅炉分上下两大部件,运输安装方便、快捷,运行平稳可靠,热水量充足,供热稳定,热效率高。
双锅筒全水管链条炉排热水锅炉参数型号参数名称SZL4.2-1.0/95/70-AⅡSZL7.0-1.0/115/70-AⅡSZL10.5-1.25/115/70-AⅡSZL14-1.25/115/70-AⅡ额定热功率(MW)4.2 7.0 10.5 14额定工作压力(MPa)1.0 1.0 1.25 1.25出水温度(℃)95 115 115 115回水温度(℃)70 70 70 70循环水量(t/h)144 240 360 480受热面积(m2)231 379 571 763 适用燃料Ⅱ类烟煤Ⅱ类烟煤Ⅱ类烟煤Ⅱ类烟煤设计热效率(%)78.4 78.8 78.8 79.2计算耗煤量(标煤kg/h)1018 1665 2528 3298外形尺寸(长×宽×高mm)7720×3210×4570 8410×3340×5286 10950×4380×6520 4330×24770×6800 最大运输重量(T)上部19.17 上部27.6 上部31.77 四部分组成,下部14.03 下部19.7 下部24.60 单件最重31tDZL链条炉排水火管热水锅炉新型水火管快装链条炉排热水锅炉,结果紧凑、占地面积小、安装方便快捷。
单锅筒纵向布置,自然循环方式,水冷壁管在锅筒两侧布置成翼型,有效地防止锅筒底部因结垢而产生鼓包的现象。
管板设计为拱形,消除了焊接应力而防止了管板开裂。
火管采用螺纹管,强化换热,启动升温快。
锅炉运行平稳可靠,热水量充足,供热稳定,热效率高。
单锅筒纵置式链条炉排热水锅炉参数型号参数DZL0.7/95/70-AⅡDZL1.4-0.7/95/70-AⅡDZL2.8-1.0/95/70-AⅡDZL4.2-1.0/95/70-AⅡ名称额定热功率(MW)0.7 1.4 2.8 4.2 额定工作压力(MPa)0.7 0.7 1.0 1.0 出水温度(℃)95 95 95 95回水温度(℃)70 70 70 70循环水量(t/h)24 48 96 144受热面积(m2)31.6 50.7 126.5 195.3 适用燃料Ⅱ类烟煤Ⅱ类烟煤Ⅱ类烟煤Ⅱ类烟煤设计热效率(%)76 76.5 78.8 78.8 计算耗煤量(标煤kg/h)172 255 670 1020 外形尺寸(长×宽×高mm)4870×1880×2571 5480×2140×2850 6800×2450×3175 7040×2550×3450 重量(T)17 22.5 32.5 40常压卧式热水锅炉总参数型号参数名称CDZL0.7/85/60-AⅡCDZL1.4-85/600-AⅡCDZL2.1-85/60-AⅡCDZL2.8-85/60-AⅡ额定热功率(MW)0.7 1.4 2.1 2.8额定工作压力(MPa)常压常压常压常压出水温度(℃)85 85 85 85回水温度(℃)60 60 60 60循环水量(t/h)24 48 72 96受热面积(m2)31.6 50.7 89 126.3 适用燃料Ⅱ类烟煤Ⅱ类烟煤Ⅱ类烟煤Ⅱ类烟煤设计热效率(%)78 78.4 78.8 78.7 计算耗煤量(标煤kg/h)168 340 502 670 烟尘排放浓度(mg/Nm2)≤100≤100≤100≤100外形尺寸(长×宽×高mm)4870×1880×2571 5480×2140×2850 6500×2450×3175 6800×2450×3175 重量(T)15 21 23 26卧式蒸汽锅炉特点:双锅筒,横置式,双层炉排水管快装锅炉。
结构设计优化,受热面积大,热效率高。
使用、维护、保养、操作方便。
用途:工业生产,生活用蒸汽,是工矿企业、学校、不对、宾馆、食品加工、医疗消毒、供汽、供热、化工生产等理想设备。
优越的性能:该系列产品的使用范围广、安装、经济实用,双层炉排可选用正、反两种燃烧方式。
消烟消尘、符合环保要求。
SHC1.0-0.8-AⅡ卧式蒸汽锅炉参数表型号规格SHC1.0-0.8-AⅡ参数额定蒸发量(t/h) 1.0额定工作压力(Mpa)0.8饱和蒸汽温度(℃)175给水温度(℃)20受热面积(m2)38.5热效率(%)≥76烟尘排放浓度(mg/Nm2)≤200烟色黑度(林格曼极)1设计煤种(m2)AⅡ炉排面积(m2)11.8最大运输重量(T)8运输尺寸(长×宽×高mm)3350×2200×2730DZL系列1-10吨锅炉DZL系列锅炉性能特点:DZL型系列热水锅炉热率高,采用快装结构,移动方便,用户基建投资少。
该锅炉采用轻型链条炉排及变速箱,调节方便,运行安全可靠。
该锅炉采用强制与自然并联循环方式,在突然停电时,可防止产生气化水击事故,其并联循环方式在欧共休、美、英、法、日等世界二十七各主要发达国家尚属首创。
该锅炉效果显著,烟尘排放浓度低,烟气黑度低,符合国家一类地区使用地环保要求。
该锅炉系94年度国家级新产品,荣获全国第六届发明金奖、全国优秀节能产品,全国优秀节能科技成果、省科技进步二等奖。
DZL型卧式快装机烧水管热水采暖锅炉技术参数DZL系列蒸汽锅炉性能特点DZL型蒸汽锅炉具有高效、节能、结构合理紧凑,安装移动方便,用户基建投资少,建设周期短、运行安全可靠,消烟除尘效果好、燃料适应性强等特点。
该锅炉烟尘排放浓度低,黑度低,可达到国家一类地区环保指标要求。
该锅炉经省级鉴定,填补国内空白,其小型锅炉采用水管结构,经国际数据库检索,在“工程索引”与“世界专利”两方面均属国际首创。
该锅炉系95年度国家级新产品,荣获联合国发明创新科技之星奖,全国第八届发明金奖,山东省政府“齐鲁杯”专项发明奖,省科技进步二等奖。
DZL型卧式快装水管蒸汽锅炉技术参数。