承台(钢板桩)计算单
- 格式:doc
- 大小:120.00 KB
- 文档页数:7
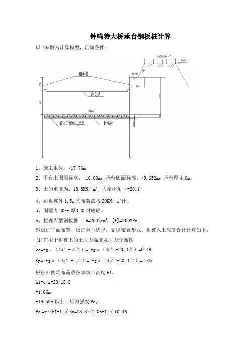
钟鸣特大桥承台钢板桩计算以70#墩为计算模型,已知条件:1、施工水位:+17.76m2、平台土围堰标高:+16.00m;承台底面标高:+9.652m;承台厚4.0m。
3、土的重度为:18.8KN/ m3,内摩擦角Ф=20.1°4、距板桩外1.5m均布荷载按20KN/ m2计。
5、围堰内30cm厚C20封底砼。
6、拉森Ⅳ型钢板桩 W=2037cm3,[f]=200MPa钢板桩平面布置、板桩类型选择,支撑布置形式,板桩入土深度设计计算如下:(1)作用于板桩上的土压力强度及压力分布图ka=tgа(45°-φ/2)= tgа(45°-20.1/2)=0.49Kp= tgа(45°+Ф/2)= tgа(45°+20.1/2)=2.05板桩外侧均布荷载换算填土高度h1,h1=q/r=20/18.8=1.06m:+19.50m以上土压力强度Pa1=r*(h1+1.5)Ka=18.8*(1.06+1.5)*0.49Pa1=23.6KN/m2+197.50m以下土压力强度Pa2:Pa2=[r*(h1+1.5)+(r-rw)*(17.5-13.32)]*Ka=[18.8*(1.06+1.5)+(18.8-10)*4.18]*0.49=41.6KN/m2水压力(围堰抽水后)Pa3:Pa3=rw*(17.5-13.32)=10*4.18=41.8 KN/m2则总的主动压力(土体及水压力)Ea:Ea=(23.6*2.56)/2+23.6*(2.56+4.18)+(41.6-23.6)*4.18/2+41.8*4.18/2=314.3 KN/m2合力Ea距承台底的距离y:314.3*y=23.6*2.56*4.18+2.56/3+23.6*4.18*4.18/2+(41.6-23.6)/2*4.18*4.18/3+41 .8*4.18/2*4.18/3=2.02m(2)确定内支撑层数及间距按等弯距布置确定各层支撑的间距,根据拉森Ⅳ型钢板桩能承受的最大弯距确定板桩顶悬臂端的最大允许跨度h:h=6[f]wrka3=6*200*2037*10518.8*103*0.493=298cm=2.98mh1=1.11h=1.11*2.98=3.3mh2=0.77h=0.77*2.98=2.3m根据具体情况,确定采用的布置如下图所示:(3)钢板桩入土深度:土的重度考虑浮力影响后,取r=8.8KN/m2Kn=r(Kp-Ka)=8.8*(2.05-0.49)=13.73 KN/m3则r*( Kp-Ka)*X*X*X*2/3*1/2=2.02*314.3得X=5.17取安全系数K=1.1X=1.1*5.17=5.687m所以钢板桩的总长度L为:L=5.687+1.06+4.18=10.927m选用钢板桩长度12.0m,入土深度,从承台底标高往下不小于6m。
承台钢板桩设计计算书1钢板桩设计1.1设计条件⑴设计水位及冲刷设计高潮水位:+3.576m⑵地质情况土层分布:填筑土1.2m ,淤泥5.9m ,亚粘土9.3m ,砾砂4.9m 。
各土层重度为:γ1=17.7KN/ m 3,γ2=14.8KN/ m 3,γ3=19.5KN/ m 3,γω=10KN/ m 3,内摩擦角Φ1=0°,Φ2=3.6°,Φ3=32.2°。
⑶工程简介承台顶面标高为0m ,承台底面标高:-2m ;承台尺寸为9.6×3.2×2m 。
1.2设计参数⑴水位:取设计高潮位+3.576m⑵浪高:取0.5m1.3钢板桩结构形式钢板桩采用拉森Ⅳb 型钢板桩,每米钢板桩墙W=2270cm 3,[f]=200MPa ;围堰尺寸:10.6×4.2m ;距离承台底面3.5m 设置一道支撑梁。
钢板桩剖面图1.4封底混凝土厚度确定已知承台底标高为-2m ,设计水位为+3.576m 。
根据公式[]max 6ctM h b f =⋅+D ≤h 式中:b--板宽,一般取b=1fct--砼抗压强度(C20), fct =9.6×103KPaD--水下砼与井底泥土掺混需增厚度 D=0.3~0.5m其中:l 1--矩形板计算跨径,取小值l 1=4.2m(两侧各留0.5m 施工空间)m ac —弯矩系数,查《建筑结构设计综合手册》表3.8.1,得m ac =0.0965p —静水压力形成的荷载,p=10×5.576=55.76KN/m 2[]2360.096555.76 4.29.610h ⨯⨯⨯=⨯+D=0.24+D D 值取最大值0.5m ,h ≥0.74m ,故取h 为0.8m 。
1.5钢板桩顶标高确定由于桥位处设计高潮水位为+3.576m ,并考虑0.5m 的浪高影响,钢围堰的顶标高确定为+4.076m 。
1.6钢板桩嵌固深度确定承台的底标高为-2m ,围堰内C20封底砼厚0.8m ,基础处理为1m 厚的砾石。
目录1设计资料 (1)2钢板桩入土深度计算 (1)2.1内力计算 (1)2.2入土深度计算 (2)3钢板桩稳定性检算 (3)3.1管涌检算 (3)3.2基坑底部隆起验算 (4)4围囹检算 (5)4.1工况分析与计算 (5)4.1.1工况一 (5)4.1.2工况二 (6)4.1.3工况三 (7)4.1.4工况四 (8)4.1.5工况五 (9)4.1.6工况七 (11)4.1.7工况八 (12)4.1.8工况九 (13)4.2围囹计算 (14)4.2.1顶层围囹 (15)4.2.2第一层围囹 (16)4.2.3第二层围囹 (17)4.2.4第三层围囹 (17)4.2.5第四层围囹 (18)5对撑和斜撑检算 (19)南淝河特大桥连续梁主墩承台 钢板桩围堰施工计算书1设计资料(1)桩顶高程H1:8.0m ,汛期施工水位:7.0m 。
(2)地面标高H 0:8m ;基坑底标高H3:-1.54m ;开挖深度H :9.54m 。
(3)封底混凝土采用C30混凝土,封底厚度为1m 。
(3)坑内、外土的天然容重加权平均值1r 、2r 均为:18.9KN/m 3;内摩擦角加权平均值 8.18=ϕ;粘聚力C :24KPa 。
(4)地面超载q :按70吨考虑,换算后为10KN/m 2。
(5)钢板桩采用国产拉森钢板桩,选用鞍IV 型(新)(见《施工计算手册》中国建筑工业出版社P290页)钢板桩参数 A=98.70cm 2,W=2043cm 3,[]δ=200Mpa ,桩长18m 。
2钢板桩入土深度计算 2.1内力计算(1)作用在钢板桩上的土压力强度及压力分部见图2.1根据《简明施工计算手册》中国建筑工业出版社,P284页(5-89、5-90)公式得:51.028.1845tg K o o2a =-=)(95.128.1845tg K oo2pi =+=)(钢板桩均布荷载换算土高度0h :m r q h 53.09.18/10/0===(2)支撑层数及间距按等弯矩布置确定各层支撑的间距,则拉森Ⅳ型钢板桩顶部悬臂端的最大允许跨度,根据《简明施工计算手册》中国建筑工业出版社,P284页(5-96)公式得:[]35351.09.182043102006r W 6h ⨯⨯⨯⨯==a K δ=2940mm=2.9mh1=1.11h=1.11*2.9=3.2m h2=0.88h=0.88*2.9=2.6m h3=0.77h=0.77*2.9=2.2m根据施工需要调整支撑布置h1=2.1m ,h2=2.1m ,h3=1.6层数为3层。
钢板桩围堰计算书根据各部位标高及现场实际情况,现拟对主桥123#墩承台施工所用钢板桩围堰进行验算,围堰为矩形单壁钢板桩围堰,采用钢管桩做定位桩,用型钢连接作为导梁。
承台底标高——990.50 m 钢板桩围堰顶标高——1000.38 m根据公路施工手册桥涵,主要参数如下:坑深H=8.88 m,内摩擦角取φ=28°,支撑形式为(三),一道支撑,水文地质情况为第5种情况。
查板桩计算图5-44,曲线5-5计算如下:支撑形式(三)水文情况第5种h=aH 45°40°35°30°25°20°0.10.20.30.40.50.645°40°35°30°25°20°0.10.20.30.40.5¦ΒH45°40°35°30°25°20°12345¦ΒH曲线5-5⑴固定荷载h =αH =0.38×8.88=3.3744 m(最小入土深度)M=βH3=0.25×8.883= 175.06 KN.mR=ξH2=4.1×8.882=323.3 KN⑵活载(不考虑)⑶支撑间距S1=0.475H+0.16h=0.475×8.88+0.16×3.3744=4.76 mS2=0.525H-0.16h=0.525×8.88-0.16×3.3744=4.12 m⑷板桩选择钢板桩是3号钢,常用容许弯曲应力 [σ]为180 MPaW=M/[σ]= 175.06×1000/180×1.5=648.37 cm3选用德国拉森(Larssen)Ⅱa型钢板桩(W=849 cm3)⑸支撑系统横撑选择型钢,间隔采用l=1.8 m,则内导梁的弯距 M=Rl2/8=323.3×1.82/8=130.94 KN.mW=M/[σ]= 130.94×1000/145=903.03 cm3(型钢[σ]=145 MPa)查手册,型钢采用I36b(W=920.8 cm3)支撑反力为:R×l=23.3×1.8=581.94 KN⑹修正验算考虑静水压力、动水压力及防渗要求,对钢板桩入土深度需加深:最小入土深度h修正=h×1.5=3.3744×1.5=5.06 m⑺基坑坑底安全检算Ksiρw=Ksh1/(h1+h2)ρw≤ρb式中:Ks——安全系数,可取2.0;i——水力梯度;ρw——水的密度(g/cm3);h1——基坑内抽水后水头差;h1、h2——见图示,h1=h2+5.5;ρb——土在水中的密度(g/cm3),ρb=(G-1)(1-n),G为土粒的比重,取G=2.67,n为土的孔隙率,n=e/(1+e),孔隙比e取0.75;ρb=(G-1)(1-n)=(G-1)【1-e/(1+e)】=(2.67-1)【(1-0.75/(1+0.75)】=0.954 g/cm3Ksiρw=Ksh1/(h1+h2)ρw=2×8.88/(9.55+5.5)×1=1.31>ρb入土深度不够,不符合要求。
目录1设计资料 (2)2钢板桩入土深度计算 (2)2.1内力计算 (2)2.2入土深度计算 (4)3钢板桩稳定性检算 (5)3.1管涌检算 (5)3.2基坑底部隆起验算 (5)4围囹检算 (6)4.1工况分析与计算 (6)4.1.1工况一 (6)4.1.2工况三 (7)4.1.3工况五 (8)4.1.4工况七 (9)4.1.5工况九 (10)4.2围囹计算 (11)4.2.1第一层围囹 ..........................................................................................................错误!未定义书签。
4.2.2第二层围囹 ..........................................................................................................错误!未定义书签。
4.2.3第三层围囹 ..........................................................................................................错误!未定义书签。
4.2.4第四层围囹 ..........................................................................................................错误!未定义书签。
4.2.5封底混凝土整体稳定性验算 (13)4.3支撑管计算 (15)南淝河大桥主墩承台 钢板桩围堰施工计算书1设计资料(1)桩顶高程H1:10.0m ,汛期施工水位:9.0m 。
(2)河床标高H 0:7m ;基坑底标高H 3:-2.7m ;开挖深度H :9.7m 。
钢板桩承台施工方案计算书钢板桩承台施工方案计算书1. 引言钢板桩承台是一种常见的基础结构,用于承受荷载和传递荷载到地基。
本施工方案计算书旨在提供钢板桩承台施工方案的计算过程和结果,以确保项目的安全和稳定性。
2. 施工材料2.1 钢板桩:使用符合国家标准的高质量钢板桩。
2.2 混凝土:使用符合国家标准的高强度混凝土。
2.3 钢筋:使用符合国家标准的钢筋。
3. 计算步骤此处列出了钢板桩承台施工方案的计算步骤:3.1 确定承台的负载要求和地质条件。
3.2 根据负载要求和地质条件计算桩的尺寸和数量。
3.3 计算承台的尺寸和配筋。
3.4 计算钢板桩的承载能力和桩身刚度。
3.5 根据计算结果选择合适的钢板桩型号和参数。
3.6 绘制承台和桩的结构图,并进行材料和构造检查。
4. 计算示例此处提供了一个钢板桩承台施工方案的计算示例:4.1 假设承台的负载要求为1000kN,地质条件为一般黄土。
4.2 根据负载要求和地质条件计算出桩的尺寸和数量,假设每根桩直径为500mm,间距为1m。
4.3 根据桩的数量和尺寸计算承台的尺寸和配筋,假设承台尺寸为4m × 4m,配筋为Φ32钢筋。
4.4 计算钢板桩的承载能力和桩身刚度,假设桩的承载能力为500kN,桩身刚度为1000kNm/度。
4.5 根据计算结果选择合适的钢板桩型号和参数,假设选择Φ600钢板桩。
4.6 绘制承台和桩的结构图,并进行材料和构造检查。
5. 结论钢板桩承台施工方案的计算结果满足负载要求和地质条件,符合安全和稳定的要求。
可以进行后续的施工工作。
以上是钢板桩承台施工方案计算书的一个简要范例,具体计算内容应根据实际工程情况进行。
施工前需进行详细的地质勘察和结构计算,确保施工方案的可行性和安全性。
桩基承台计算书项目名称_____________日期_____________设计者_____________校对者_____________一、示意图:二、基本资料:承台类型:二桩承台承台计算方式:验算承台尺寸1.依据规范:《建筑地基基础设计规范》(GB 50007-2002)《混凝土结构设计规范》(GB 50010-2002)2.几何参数:承台边缘至桩中心距: C = 500 mm桩列间距: A = 1400 mm承台根部高度: H = 600 mm 承台端部高度: h = 600 mm纵筋合力点到底边的距离: a s = 130 mm 平均埋深: h m = 1.40 m矩形柱宽: B c = 500 mm 矩形柱高: H c = 400 mm圆桩直径: D s = 400 mm 换算后桩截面:L s = 320mm 3.荷载设计值:(作用在承台顶部)竖向荷载: F = 1020.00 kN绕Y轴弯矩: M y = -17.00 kN·mX向剪力: V x = -50.00 kN4.材料信息:混凝土强度等级: C25f c = 11.90 N/mm2f t = 1.27 N/mm2钢筋强度等级: HRB335 f y = 300.00 N/mm2三、计算过程:1.作用在承台底部的弯矩绕Y轴弯矩: M0y = M y+V x·H = -17.00+(-50.00)×0.60 = -47.00kN·m 2.基桩净反力设计值:计算公式:《建筑地基基础设计规范》(GB 50007-2002)N i = F/n±M0x·y i/∑y j2±M0y·x i/∑x j2(8.5.3-2)N1 = F/n+M0y·x1/∑x j2= 1020.00/2+(-47.00)×(-0.70)/0.98 = 543.57 kNN2 = F/n+M0y·x2/∑x j2= 1020.00/2+(-47.00)×0.70/0.98 = 476.43 kN3.承台受柱冲切验算:计算公式:《建筑地基基础设计规范》(GB 50007-2002)F l≤2[β0x·(b c+a0y)+β0y·(h c+a0x)]·βhp·f t·h0(8.5.17-1)自柱边到最近桩边的水平距离:a0 = 0.29 m最不利一侧冲切面计算长度:b m = 1.00 m作用于最不利冲切面以外冲切力设计值:F l = 543.57 kN承台有效高度:h0 = H-a s = 0.60-0.13 = 0.47 m冲跨比:λ0 = a0/h0 = 0.29/0.47 = 0.62冲切系数:β0= 0.84/(λ0+0.2) = 0.84/(0.62+0.2) = 1.03β0·b m·βhp·f t·h0= 1.03×1.00×1.00×1270.00×0.47= 613.69 kN > F l = 543.57 kN, 满足要求。
钢板桩及围檩工程量计算方法:图号:JHCT----01承台基坑钢板桩防护图说明:1、本图单位以cm计算;2、防护钢板桩插打按一顺一丁布置。
3、本图适用于910*1250cm简支梁墩承台基础防护。
JHCT----01图适用于9.1×12.5m简支梁承台基坑防护。
钢板桩均采用I36b 工字钢,单根长12m;围檩采用2 I 40b工字钢,单层,用[10槽钢制作三角支架牛腿支撑;中间采用φ630×20mm钢管支撑。
防护工程量计算:钢板桩周长:[(9.1+1.5×2)+(12.5+1.5×2)]×2=55.2 mI36b: 55.2/0.372×2=297根297根×12m/根×65.6kg/m/1000=233.798t围檩:I40b:55.2m×73.8㎏/m×2×2/1000=t[10:三角架牛腿共24个,单个牛腿[10槽钢长1.2m1.2×10㎏/m×24/1000=0.288 tφ630*20mm钢管 L=9.1+1.5×2-0.4×2=11.3 m11.3m×300.87㎏/m/1000=3.4 t合计承台基坑防护用钢材重量:W=233.798+8.148+0.288+3.4=242.234 t施工单位(签字、盖章)监理单位(签字、盖章)图号:JHCT----02说明:1、本图单位以cm计算;2、防护钢板桩插打按一顺一丁布置。
3、本图适用于800*1100cm墩承台基础防护。
承台基坑钢板桩防护图JHCT----02图适用于8×11m 简支梁承台基坑防护。
钢板桩均采用I36b 工字钢,单根长12m ;围檩采用2 I 40b 工字钢,单层,用[10槽钢制作三角支架牛腿支撑;中间采用φ630×20mm 钢管支撑。
防护工程量计算:钢板桩周长:[(8+1.5×2)+(11+1.5×2)]×2=50 m I36b: 50/0.372×2=269根269根×12m/根×65.6kg/m/1000=211.757 t 围檩:I40b :50m ×73.8㎏/m ×2/1000=7.38t[10:三角架牛腿共24个,单个牛腿[10槽钢长1.2m 1.2×10㎏/m ×24/1000=0.288 tφ630*20mm 钢管 L=8+1.5×2-0.4×2=10.2 m 10.2m ×300.87㎏/m/1000=3.069t 合计承台基坑防护用钢材重量:W=211.757+7.38+0.288+3.069=222.494t施工单位(签字、盖章) 监理单位(签字、盖章)说明:1、本图单位以cm计算;2、防护钢板桩插打按二顺一丁布置。
水中承台钢板桩围堰方案一、工程概况太中银铁路东自枢纽的站引出,经的、晋中、吕梁,跨黄河入省市,西进入自治区市,在包兰铁路黄羊湾站接轨至中卫;同时修建定边至的联络线。
正线长约752km,联络线长约192km。
永宁黄河特大桥为全线重点控制工程的两桥一隧之一。
永宁黄河桥中心里程LDK672+962.76,孔跨布置为(2-32m)+(4-24m)+(38-32m)单线简支T梁+(18-48m)单线简支箱梁+(13-96m)简支钢桁结合梁+(5-48m)单线简支箱梁+(4-32m)单线简支T梁,桥长3942.08m。
桥址位于平原中部,横跨黄河,河面宽约800米,最大水深5.7米,流速2.0米/秒,设计水位1111.68米,最高通航水位1111.55米,测时水位1110.09米;63#墩--70#墩处在河中,其中63#墩、67#墩--70#墩处在河中,64#墩--66#墩处在河中的冲积漫滩上,地层多为巨厚的粉、细砂层;承台尺寸均为14.6*14.6*6.5米, 底标高均为1099.06米,每个承台下设16根φ1.5米钻孔桩,基础混凝土均为C30,桥址地质柱状图如下:二、钢板桩围堰方案综述综合考虑河中水文特点与地质情况,从节约成本出发,承台基坑施工拟采用钢板桩围堰方案。
承台平面尺寸为14.6m×14.6m,钢围堰平面尺寸设计为16.8m×16.8m。
方案一:采用2根15米宽0.4m的ISP-Ⅳ钢板桩接长至30m,围堰完成一般冲刷与局部冲刷后,钢板桩埋入砂层6米,未满足钢板桩固结所需求的入土深度,围堰外侧设30根φ800×10mm、30m长钢管桩用于稳定钢板桩围堰,防止其倾覆。
方案二:主要考虑钢板桩较长无法全部打入砂层中时,采用2根12米钢板桩接长至24m,围堰完成一般冲刷与局部冲刷后,河床面至钢板桩围堰底,采用抛填袋装碎石埋没钢板桩围堰,抛填高度为6米,围堰外侧设30根φ800×10mm、30m长钢管桩用于稳定钢板桩围堰,防止其倾覆。
W01#墩钢板桩围堰计算一、基本参数 1、承台参数2、材料选择(1)、钢板桩采用拉森Ⅵ钢板桩围堰,钢板桩参数见下表:(2)、内支撑采用HM588型钢、φ426和φ600钢管。
(3)、土层为粉砂,取内摩擦角 20=ϕ,3/20m kN =γ,浮容重3/10'm kN =γ。
主动土压力系数49.0)2/2045(tan 2=-=a K 被动土压力系数04.2)2/2045(tan 2=+=p K二、围堰计算1、封底混凝土厚度计算(1)、围堰封底抽水完成后,封底混凝土需承受水头差引起的向上的上浮力,封底混凝土标号为C30,其容重γ=24kN/m 3,施工时清理基底保证封底混凝土厚度不小于1.5m ,计算取1.3m 有效厚度。
封底混凝土所受荷载:q=γ水h 水-γ砼h 砼=10×6.88-24×1.5=32.8kN/m 2(2)、按照四边简支双向板计算,Lx=7000mm ,Ly=9000mm ,Lx/Ly=0.78,查得:αx=0.0613,αy=0.0319,Mx= 0.0613qlx 2=0.0613×32.8×72 =98.5kN ·m My= 0.0319qlx 2=0.0319×32.8×72 =51.3kN ·mm kN M M M y x x ⋅=⨯+=+=1.1073.51167.05.98max ν m kN M M M x y y ⋅=⨯+=+=7.675.98167.03.51max ν取1m 单位宽进行验算: A=bh=1.3m 2,Wx=bh 2/6=0.28m 3σmax=Mmax/Wx=0.1071/0.28=0.38MPa<0.5Mpa <满足要求> (3)、钢护筒粘结力计算围堰投影面积:A=15×34-(0.785×2.82×10)=448.46m 2; 封底混凝土重量:G=24×448.46×1.5=16144.6kN ; 浮力:F 浮=6.88×10×448.46=30854kN ;一个围堰共有10根φ2.8m 钢护筒,每根钢护筒所承受的粘结力为: (30854-16144.6)/(3.14×2.8×1.3×1000×10)=0.13MPa <0.15 MPa<满足要求>(4)、结论:1.5m 厚封底混凝土满足受力要求。
XX跨线桥PM5承台施工钢板桩围堰计算书一、工程概述XX跨线桥PM5承台地质情况为淤泥质粘土、粉质粘土层。
为了保证承台施工过程的安全稳定,需打设12m钢板桩形成平面尺寸8.8×8.8m的围堰,采用SP-IV拉森钢板桩。
地质参数及截面参数如表1-1、1-2所示。
腰梁采用双拼I32a,内撑选用I32a。
表1-1 地质层计算参数表1-2钢板桩技术参数二、荷载和工况计算2.1、基本参数1、主动土压力系数淤泥质粘土:Ka1=tan 2(45°-4.91°/2)=0.84,粉质粘土:Ka2=tan 2(45°-19.30°/2)=0.502.2、支撑布置按等弯矩布置确定各层支撑的间距,根据拉森Ⅳ型钢板桩能承受的最大弯矩确定板桩顶悬臂端的最大允许跨度)(56.288.0)(21.31.1)(91.26020130m h h m h h m k r w h a =====⨯⨯⨯=σ施工最大水位为+3.5m ,考虑钢板桩超出最大水位0.5m ,故基坑总高度为7.85m 。
(承台顶标高为-1.5m,承台底标高为-3.7m ,垫层厚度为0.15m )根据具体情况,至少需要设置两层支撑。
根据具体情况,设置两道支撑。
第一道支撑设置在+1.5m 处,第二道支撑设置在-1.35m 处。
2.3、钢板桩内力计算钢板桩所受土压力分布图如下:钢板桩受力简图模型如下所示:单位:KPa经结构力学计算器计算得:由弯矩图可知,最大弯矩为15.94KN •m 。
,,支撑反力KN R KN R KN R 60.4134.5785.51321===[]。
满足要求MPa MPa W M 21544103621094.1563max max =<=⨯⨯==-σσ []。
满足要求MPa MPa A Q 12592.5109.961034.5743max max =<=⨯⨯==-ττ2.4、内撑计算支撑体系主要由两种材料组成,围檩结构为双拼工32a ,斜撑结构为工32a 。
211.563 4.7584 2.002 5678910CTJA-2 CTJA-3 CTJA-4 2 4 1CTJl-3 CTJ1-4 CTJ1-5 CTJ1-6 CTJ1-7 CTJ JL-A-1 JL-A-2 JL-A-3C3)141516171819202122232425 2627282930313233313536373839•1041424344•1546474849505152535455565758 #REF! #REF! #REF! #REF! #REF! #REF! SREPl #REF! #REF! #REF! #REF! #REF! #REF! #REF! #KEF! #REF!#REF! #REF! #KEF! #REF! #REF! #REF! ftREE! 圳EF! #REF! 圳EF! #REF! ftREE! 4REF! #REF! #REF! #REF! #REF! #REF!件a=4-2、8 抽7 CTJH8分别为8 3 1 3 2件1号主厂房广8轴8. 071926.3719承台柱5. l«52.66914. 5692510月邓伯芬钢筋班直径 1288x 密度 质址(KG )Mffl <T )124. 83 550. 62 0. 5506 124.83 683. 928 0. 6839 60. 888 •14. 2224 0. 0412 6 0. 888 56. 4768 0. 0565 173 0. 395 165.3707 0. 1654 173 0. 395 147. 6036 0. 1476 60 0. 395 13. 272 0.0133 12 0. 395 8. 4846 0. 0085 1669. 978 1.67直径开料长瘦根数 玄度 质量(KG )质量(T ) 2« 500 14 4. 83 338. 1 0.338128 701 14 4.83 476.0448 0. 17612 390 6 0. 888 20. 7792 0. 020812 620 6 0. 888 33. 0336 0.0338 230 87 0. 395 79. 0395 0. 0798 202 87 0. 395 69.4173 0.069412 234 6 0. 888 12.46752 0.01258 52 120 0. 395 24. 648 0. 02461.0535 仃.径开料长度根数 密度 质址(KG )质量(T )28 560 14 4. 83 378. 672 0. 378728 500 14 4. 83 338. 1 0. 338112 440 6 0.888 23. 4432 0. 023412 380 6 0. 888 20. 2464 0. 02028 282 52 0. 395 57.9228 0. 0579 8 216 52 0. 39544.3664 0.0444 直径 开料长度根数 28 950 28 1180 12 830 12 1060 8 242 8 216 8 56 8 179 JL-A4-A 合计2664010 4. 83 309. 12 0. 3091 60040 4. 83 1159.2 1. 1592 50010 4. 83 211.5 0. 2415 53010 4. 83 255.99 0.256 60010 4. 83 289.8 0. 2898 5256 0. 888 27. 972 0. 028 48030 0.888 127.872 0. 1279 3906 0. 888 20.7792 0. 0208 4206 0. 888 22.3776 0. 0224 232 354 0. 395 324.4056 0. 3244 206 354 0. 395 288.0498 0. 288 56 •156 0. 395 100.8672 0. 1009 开料长度根数 密度 质量(KG )质员(T ) 3. 16798 76 100 0. 395 30. 02 0. 03JL-6-2 |0. 8928直径开料长度根数密度质址(KG)质量(T)25 505 20 3. 85 388.85 0. 388925 440 8 3. 85 135. 52 0. 13558 192 100 0. 395 75.84 0. 07588 172 100 0. 395 67.91 0. 0679JL-A3-20. 668227直径开料长度根数密度质星(KG)质房(T)宜径开料长度根数密度质量(KG)质量(T)8 56 90 0.395 19.908 0.019925 230 10 3. 85 88. 55 0. 088612 172 4 0. 888 6. 10944 0. ()061JL-A3-2 |0. 1116直径开料长度根数密度质虽(KG)质量(T)25 325 10 3. 85 125. 125 0. 125112 270 4 0.888 9.5904 0.009625 265 10 3. 85 102. 025 0. 10212 210 4 0. 888 7. 4592 0. 00758 172 38 0.395 25.8172 0. 02588 152 38 0. 395 22.8152 0.02288 50 38 0. 395 7. 505 0. 007518 160 61 2 201.8 0. 2048JL-2-20. 5051除氧煤车恤・1*4 28 550 48 4. 83 1275. 12 1.275128 650 48 4. 83 1506. 96 1.50712 320 120 0. 888 340. 992 0. 34112 242 360 0. 888 773. 6256 0. 773612 168 240 0. 888 358.0116 0. 358 4. 255AKZ-1*! 28 600 13 1. 83 376. 74 0. 376728 700 13 4. 83 439.53 0. 439512 420 32 0. 888 119. 3172 0. 119312 326 64 0. 888 185.2723 0. 185312 191 61 0. 888 110. 2541 0. 110312 226 32 0. 888 64. 220XX 0. 0642 1.295BKZ-1*! 2S 550 12 4. 83 318.78 0.318828 650 12 4. 83 376. 74 0. 376712 460 27 0. 888 110. 2896 0. 110312 206 54 0. 888 98. 78112 0. 098812 362 81 0. 888 260. 3794 0. 2604 1. 165直径开料长度根数密度质量(KG)质量(T)4.292715 2. 94873 2. 139881.441 10.822331425252518282814承台49564049945530069067823421633122626481.213. 853. 853.8524.834.834.83125.7795147.8457. 634552. 552572866. 502851.4324542. 50560. 125780. 147840. 0576350. 0525530. 0720. 8665020. 851432 0.5425062.716247内径开料长度根数密度质量(KG)质ht(T)32 610 51 6.31 2059. 584 2. 05958432 790 51 6.31 2542. 299 2. 54229912 496 81 0. 888 356. 7629 0. 35676312 412 162 0. 888 592. 6867 0. 59268712 198 243 0. 888 427. 2523 0. 42725232 610 102 6.31 4119. 168 4. 11916832 790 102 6.31 5084. 598 5. 08459812 496 162 0. 888 713. 5258 0.71352612 412 324 0. 888 1185. 373 1. 18537312 19«486 0. 888 854. 5046 0. 85450525 610 8 3.85 197. 12 0. 1971225 740 8 3.85 227. 92 0. 2279210 232 6 0.617 8. 58864 0. 00858910 184 12 0.617 13.62336 0.01362325 640 20 3.85 492.8 0. 492«25 710 20 3.85 569.8 0. 569810 312 12 0.617 23. 10048 0. 023110 202 240.617 29.91216 0. 029912柱19. 19862宜径开料长度根数密度质量(KG)Mfi (T)28 600 50 4.83 1449 1.44928 660 10 4.83 318.78 0.318788 220 276 0. 395 239. 844 0. 2398448 194 276 0. 395 211.4988 0.21149912 480 30 0. 888 127. 872 0. 12787212 540 6 0. 888 28. 7712 0. 0287718 50 360 0. 395 71. 1 0. 071132 618 84 6.31 3275. 647 3. 27564712 482 36 0. 888 154. 0858 0. 154086梁 5. 87659925 960 6 3.85 221.76 0. 2217625 800 12 3. 85 369.6 0. 369618 300 12 2 72 0. 0720. 663361.5634. 2937. 439直径开料长度根数密度质景(KG)质量(T)25 550 11 3.85 232. 925 0. 23292525 210 33 3.85 266. 805 0. 26680518 534 9 2 96. 12 0.0961218 191 25 2 97 0. 09714 530 13 1.2! 83. 369 0. 08336914 190 22 1.21 50. 578 0. 05057814 205 24 1.21 59. 532 0. 05953222 434 9 2.98 116. 3988 0. 11639925 490 3 3.85 56. 595 0. 05659525 150 3 3.85 17.325 0. 01732516 250 18 1.58 71. 1 0. 071125 450 33 3.85 571.725 0. 57172525 210 81 3.85 654. 885 0. 65488518 434 24 2 208. 32 0. 2083218 191 60 2 232. 8 0. 2328M 430 15 1.21 78. 045 0. 07801514 190 30 1.21 68. 97 0. 0689714 205 72 1.21 178. 596 0. 1785963. 141089开科氏度根敬密度质阪(KG)质域(T)22 444 27 2.98 357. 2424 0. 35724225 390 9 3.85 135. 135 0. 13513525 150 12 3.85 69.3 0. 069316 250 54 1.58 213.3 0.213325 550 13 3.85 275. 275 0. 27527525 250 33 3.85 317. 625 0.31762518 534 10 2 106.8 0. 106818 234 25 2 117 0. 11714 530 5 1.21 32. 065 0. 03206514 230 13 1.21 36. 179 0. 03617914 210 63 1.21 160. 083 0. 16008325 420 8 3.85 129. 36 0. 1293625 490 2 3.85 37. 73 0. 0377325 190 4 3.85 29. 26 0. 0292616 200 16 1.58 50. 56 0. 050562. 066914开科遗根双MM成里(1)22 444 27 2.98 357. 2424 0. 35724225 390 9 3.85 135.135 0. 13513525 150 12 3.85 69.3 0. 069316 250 54 1.58 213.3 0.213325 550 13 3.85 275. 275 0. 27527525 250 33 3.85 317. 625 0.31762518 534 10 2 106.8 0. 106818 234 25 2 117 0. 11714 530 5 1.2! 32. 065 0. 03206514 230 13 1 21 36. 179 0.03617914 210 63 1 21 160. 083 0. 16008325 420 8 3 85 129. 36 0. 1293625 490 2 3 85 37. 73 0. 0377325 190 4 3 85 29. 26 0. 0292616 200 16 1 58 50. 56 0. 05056 18B轴主厂房梁4. 8379 2.614531.97626. 40291.71311.54161.631张胜桃钢筋班12开料长度根数500密度质量(KG)质量(T)213 0. 888 945. 72 0. 9457212 910 30 0. 888 242. 424 0. 24242412 973 30 0. 888 259. 2072 0. 25920712 620 36 0. 888 198. 20XX 0. 19820212 650 36 0. 888 207. 792 0. 20779212 992 24 0. 888 211.415 0.21141512 1000 24 0. 888 213. 12 0.21312 直径2. 27788开料长度根数洛度质量(KG〉质量(T)32 750 96 6.31 4543. 2 4. 543232 885 96 6.31 5360. 976 5. 36097616 164 648 1.58 1679. 098 1.67909816 201 ».is 1.58 2088. 634 2. 08863416 640 216 1.58 2184. 192 2.18419232 750 34 6.31 1609. 05 1.6090532 885 34 6.31 1898. 679 1. 89867916 700 72 1.58 796. 32 0.7963216 161 288 1.58 716. 2656 0. 74626616 234 216 1.58 798. 5952 0. 79859532 470 32 6.31 949. 024 0.94902432 325 61 6.31 1312.48 1.3124816 130 264 1.58 542. 256 0. 54225616 207 88 1.58 287.8128 0. 28781316 576 88 1.58 800. 8704 0.8008732 427 8 6.31 215. 5496 0.2155532 283 20 6.31 357. 146 0. 357146 直径18 1.58 170.64 0. 17064681.58 186.9456 0. 18694626. 527730.6197 6.715116 600 16174。
桂林南洲大桥P2主墩钢板桩围堰计算单计算:复核:项目负责:总工程师:中铁大桥局集团二公司设计部二〇〇五年一月一、概况桂林市南洲大桥位于桂林市叠彩区大沙乡境内,全长320m 。
跨径组合为(50+87+144+39)m ,其中87m 和144m 为曲塔双索面斜拉桥,斜拉桥东西两侧各接50m 辅道孔和39m 过渡孔。
斜拉桥采用塔梁固接扇形双索面结构形式,主跨采用钢砼叠合梁,边跨采用预应力砼梁。
主墩下设两个相对独立的直径D=21m 的圆形承台,每个厚度为5m 。
承台布置24根φ1.5m 钻孔桩和6根备用桩。
承台底标高+141.0m ,顶标高+146.0m ,常水位+146.65m ,筑岛顶+147.8m 。
从技术、经济两方面考虑,P2主墩的承台施工采用SP-U400型钢板桩,其规格为:宽度b=400mm ,高度h=1600mm ,腹板厚16.0mm ;重量76.1kg/m ,每米惯性距34400cm 4,每米截面模量2150cm 3 二、设计计算1、封底厚度(根据《简明施工计算手册》P339计算) 封底砼采用C20,设封底厚度为h静水压力对封底砼形成的荷载 h h h p w 145.5624)0.14165.146(-=-+-=γ 按简支双向板进行计算m l 6.61=,m l 647.62=,99.0/21=l l查表得0429.0=∂,21pl M ∂=,h h M M 16.266.1056.6)145.56(0429.02max -=⨯-⨯==D bf KMh ct+=5.365.2=K , m D 35.0=,m b 1=, 2/1.1mm N f ct = m h 148.1=取封底厚度为1.2m 。
基坑除土完毕后须检查坑底各处标高均不大于+139.8m ,各处封底砼均应保证1.2m 厚。
2、各工况钢板桩埋深及强度计算(根据《深基坑工程设计施工手册》计算)各土层地质情况:土层 1:天然容重31/5.20m KN =γ,浮容重3'1/5.7m KN =γ,粘聚力01=c ,内摩擦角0142=ϕ,2.0)245(tan 121=-=ϕa K , 5)245(tan 121=+=ϕp K土层2:天然容重32/3.18m KN =γ,浮容重3'2/26.7m KN =γ,粘聚力KPa c 222=,内摩擦角025.8=ϕ,742.0)245(tan 222=-=ϕa K ,347.1)245(tan 222=+=ϕp K取1米宽钢板桩进行计算,设围堰顶有施工荷载q =39KPa 。
钢板桩理论重量表1. 引言钢板桩是一种常用的混凝土施工工法,通常用于建筑施工中的土方工程、地基处理、河道治理等领域。
钢板桩的重量是设计和施工中必须要考虑的重要参数。
为了方便工程师和施工人员在实际工作中能够准确评估和选择适当的钢板桩,本文将给出钢板桩的理论重量表。
2. 钢板桩的构造和材料钢板桩一般由槽钢或工字钢制成,其截面形状多样,包括Z型、U型、O型等。
在通常情况下,钢板桩的材料为热轧钢板,厚度一般在6mm到20mm之间。
根据实际需要,钢板桩还可以采用冷弯薄壁钢型材制成。
3. 钢板桩重量的计算公式钢板桩的重量可以通过以下公式计算:$$ W = (t_1 + t_2) \\times L \\times \\rho $$其中,•W表示钢板桩的重量(kg)•t1表示钢板桩腹板部分的厚度(mm)•t2表示钢板桩边板部分的厚度(mm)•L表示钢板桩的长度(mm)•$\\rho$表示钢板桩材料的密度(kg/m^3)4. 钢板桩重量表下表给出了常见规格的钢板桩在不同长度下的理论重量。
表中的数值仅供参考,实际使用中应根据具体工程要求和施工情况进行调整。
规格长度 (mm) 重量 (kg/m)U型钢板桩6000 608000 8010000 10012000 120Z型钢板桩6000 708000 9010000 11012000 1305. 实际应用举例在实际应用中,假设需要使用2米长的U型钢板桩:$$ W = (t_1 + t_2) \\times L \\times \\rho = (6 + 6) \\times 2000 \\times \\rho = 24000 \\times \\rho $$根据材料密度的不同,钢板桩的重量也会有所不同。
6. 结论本文给出了钢板桩的理论重量表,供工程师和施工人员在实际工作中参考使用。
钢板桩的重量是评估和选择合适的钢板桩的重要参数,因此准确计算钢板桩的重量对于施工和设计都非常重要。
基坑钢板桩支护计算单根据本工程现场实际情况,主墩承台靠河岸侧采用拉森Ⅳ钢板桩进行防护。
1、求钢板桩插入深度K a=tg2(45-φ/2)= tg2(45-15.4/2)=0.4404K p=tg2(45+φ/2)= tg2(45+15.4/2)=1.1851e a2=γhK a=20x2.5x0.4404=21.101 KPau=γhK a /γ(K p - K a)= 20x2.5x0.4404/20x(1.1851-0.4404)=1.48 ∑p=21.101x2.5/2+1.48x21.101/2=26.38+15.61=41.99 KPaa=2h/3=2x2.5/3=1.67mm=6∑p/γ(K p - K a)(h+u)2=6x41.99/20x(1.1851-0.4404)x(2.5+1.48)2=1.07n=6∑p/γ(K p - K a)(h+u)3=6x41.99/20x(1.1851-0.4404)x(2.5+1.48)3=0.45查布鲁姆理论的计算曲线,得ξ=1.26X=ξ(h+u)=1.26x(2.5+1.48)=5mt=1.2X+u=1.2x5+1.48=7.48m桩总长:2.5+7.48=9.98m 取10.0m。
2、求最大弯矩最大弯矩位置:X m2=2∑p/γ(K p -K a)= 2x41.99/20x(1.1851-0.4404)=5.64X m=2.37最大弯矩:M max=∑p(h+u+X m-a)- γ(K p -K a) X m3/6=41.99x(3.98+2.37-1.67)-20x(1.1851-0.4404)x2.373/6=163.47KN·m3、钢板桩应力拉森Ⅳ钢板桩:W=2037cm3σ= M max/W=163.47x104/2037=802.5 KN/cm2<1700 KN/cm2(可)基坑旋喷桩桩支护计算单一、抗倾覆稳定开挖深度范围内土体力学指标取加权平均值φ=(9.6x1.8+15.6x2.7)/4.5=13.2c=(9.0x1.8+50x2.7)/4.5=33.6KPaKa=tg2(45-φ/2)= tg2(45-13.2/2)=0.628Kp=tg2(45+φ/2)= tg2(45+13.2/2)=1.592Ea=∑γi h i Ka-2cKa+γ水△h1=(18.6x1.8+20.0x12.7)x0.628-2x33.6x 0.628 + 10x13.2 =259.29KPaEp=γi h i Ka+2cKa+γ水△h2=20.0x10x1.592+2x33.6x 1.592 +10x10=503.19KPa墙体自重:W=γ0BH=19x1.0x14.5=275.5KNM R= Ep·h/3+W·B/2=503.19x10/3+275.5x1.0/2=1815.05KN·m M o= Ea·H/3=259.29x14.5/3=1253.24KN·mK= M R/M o=1815.05/1253.24=1.45二、抗滑动稳定K h= (W·tgφ+c·B+ Kp)/ Ea=(275.5x tg13.2+33.6x1.0+503.19)/259.29=2.32三、桩体应力Ea’=∑γi h i K a-2c K a+γ水△h=(18.6x1.8+20.0x2.7)x0.628-2x33.6x 0.628+10x3.2 =33.69KPaM max= Ea’·h/3=33.69x4.5/3=50.54 KN·mW=πD3/32=πx1.03/32=0.098m3σmax= M max / W=50.54/0.098=515.7KPa<860KPa钢板桩围堰的设计与施工方立新孟宪刚(江苏捷达交通工程集团公司,江苏淮安223001)摘要:根据钢板桩围堰的实际受力状况建立力学模型。
通过理论计算确定钢板桩围堰的实际受力,并通过实际施工情况验证该方法的可行性。
比规范中采用的经验算法具有更高的精确性和安全性,能够更好的满足工程施工需要。
关键词:钢板桩围堰;设计;施工目前,对于钢板桩围堰的设计主要是沿用《公路桥涵施工手册》和教科书中的经验算法。
由于经验算法带有很大的近似性,并不一定能够真实反映钢板桩围堰的实际受力状况,有时会出现较大的偏差,给围堰的使用带来很多不安全因素。
笔者在洪泽苏北灌溉总渠大桥施工中,为避免出现较大的变形,在对钢板桩围堰设计时采用了理论算法。
经实践检验,理论算法能够较为精确的反映围堰的实际受力状况,对于合理设置内支撑和减小封底厚度起到了重要的保证作用。
下面就钢板桩围堰的设计与施工做详细论述:1 已知条件1.1 承台尺寸:10.3m(横桥向)×6.4m(纵桥向)×2.5m(高度),底部设计有10.7×6.8m×1.0m的封底砼。
1.2 承台及河床高程承台顶面设计高程为h=5.0m,河床底高程为5.5m,河床淤集深度约为30cm。
1.3 水位情况正常水位:h常=10.8m(此时水深5.3m),最高水位hmax =11.5m(水深6.0m),围堰设计时按最高水位考虑。
1.4 水流速度因该桥位于水电站下游,水流较为湍急。
设计时速V=1.0 m/s,不考虑流速沿水深方向的变化,则动水压力为:P=10KHV2×B×D/2g=53.2KN式中:P-每延米板桩壁上的动水压力的总值(KN);H-水深(米);V-水流速度(1.0m/s);g-重力加速度(9.8m/s2);B-钢板桩围堰的计算宽度,B=10m;D-水的密度(10KN/m3);K-系数,(槽形钢板桩围堰K=1.8~2.0,此处取1.8)。
(参照《公路施工手册》,假定此力平均作用于钢板桩围堰的迎水面一侧。
)1.5 河床水文地质条件河床土质良好,多为粘土、亚粘土,局部有亚砂土,承载力较强。
围堰基底至河床部分土质为粘土(层厚约2m)、亚砂土(硬塑状态,很湿,层间无承压水,层厚约为1m)。
2 拟定方案结合河床地质情况及施工要求,拟采用日本产钢板桩进行围堰施工,长度为15m,宽度为40cm,厚度为18cm,设计图见图1、图2。
图1 钢板桩围堰设计图(立面)围堰顶面标高拟定为12.5m,高出最高水位1.0m。
围堰设计图3,所有内围囹均采用56b工字钢制作,节点采用焊接(施工中严格执行钢结构施工规范)。
为确保整个围囹的刚度和稳定性,对每层中间一道工字钢上面加焊型钢并将上下四道工字刚用25#槽钢焊接连接。
在施工期间安排专人值班以防吊物碰撞。
图3 钢板桩围堰图(平面)3 围囹(支撑)内力计算3.1 确定受力图式3.1.1 钢板桩嵌制形式河床底部土质较为密实,假定钢板桩底部嵌固于(钢板桩入土深度)t/3=1.5 m处,即承台底2.0m处。
(封底砼厚度采用50cm)3.1.2 动水压力P=10KHV2×B×D/2g=53.2KN3.1.3 河床土质为亚粘土,为不透水层,但考虑到钢板桩施工中会引起板侧土体的扰动,缝隙里充满水,所以考虑水压力的影响。
土压力计算取用浮容重,Υ'=19.4-9.8=9.6KN/m3,ιj=30~50Kpa,σ=100KPa。
3.1.4 经分析可知迎水面为最不利受力面,以此为计算面。
所承受荷载假定由两根工字钢平均承担,计算两根工字钢的共同受力,受力图如图4所示。
图4 钢板桩围堰受力图式由受力图式可知,此结构为四次超静定结构,因计算较为繁琐,计算过程不在此详细叙述,得出最大支撑力为2734.95KN,最大弯矩为1117.59KN。
4 验算钢板桩的入土深度是否满足要求钢板桩入土深度达4.5m,从桥位处地质勘探资料分析,持力层中无承压水,如经计算各道支撑的受力均能满足要求,可不验算钢板桩的入土深度。
5 根据求得的内力验算钢板桩的受力状态及变形情况5.1 应力由内力计算结果可知,Mmax=1117.59KN·M。
钢板桩外缘拉应力σ=Mmax/W=123MPa<340MPa(容许应力),满足要求。
5.2 变形经计算,各单元跨中变形值如表1所示。
表1 各单元跨中变形值单元号横向位移υ(mm)1 72 103 24 55 36 36 验算工字钢的受力状态6.1 轴向受力由计算可知,最大支撑反力发生在第二道围囹处,其数值为2734.95KN,因工字钢与钢板桩连接处均采用焊接,且角撑刚度较大,不考虑其失稳,仅考虑纵向挠曲,系数取ζ=2,此时其承载力P=292.9×10-4m2×340×106N/m2/2=4980KN,安全系数n=4980/2734.95=1.8,其承载力满足要求。
6.2 横向工字钢的抗弯能力假定支撑反力P=2734.95KN平均作用在横向工字钢上(长度按8.8m计算),荷载集度q=2734.95/8.8=310.8KN/M。
经计算,对工字钢跨中产生的最大弯矩Ml/2=864.5KN·M。
工字钢抵抗弯矩M`=1000KN·M。
安全系数N=1000/864.5=1.15(此处未考虑钢板桩与工字刚的共同作用,实际情况应更为安全),承载力满足要求。
6.3 工字钢挠度在上述弯矩的作用下,计算出工字钢的跨中挠度L=14mm,满足施工及使用要求。
7 钢板桩竖向承载力的验算因此钢板桩围堰将利用作为钻机平台,其承受的竖向荷载有:7.1 钻机及其配套设备自重:150KN;7.2 支架及其他施工荷载:100KN;7.3 钢板桩自重:1300KN;7.4 围囹自重:300KN。
合计:1850KN上述竖向荷载全部靠钢板桩侧摩阻力及其桩尖反力承担,查相关规范及工程地质报告,计算如下:桩侧摩阻力P1=(13.8+9.6)×2×5.7×10=2668KN;桩尖反力P2=117根×8.85E-3M2/根×100KPa=104KN合计:[P]=2668+104=2772KN安全系数N=2772/1850=1.5,承载力满足要求。
8 围堰整体稳定性验算钢板桩围堰的整体稳定性仅表现围堰在动水压力作用下的抗倾覆能力。
该动水压力与钢板桩入土深度范围内所受的土压力相平衡。
因钢板桩围堰底部嵌入地基中达4.5米,在动水压力作用下所能承受的土压力要比动水压力要大的多,此处可不必验算,其整体稳定性应能得到很好的保证。
9 施工中注意事项该钢板桩围堰在整个工程施工中极为顺利,经实测各单元的变形与计算结果相符。
施工中要注意以下几点:9.1 钢板桩的堵漏一般的做法是在钢板桩施打过程中用棉絮、黄油等填充物填塞接缝。