化验室取样管理制度
- 格式:doc
- 大小:32.00 KB
- 文档页数:2
物料取样化验管理制度一、前言为了确保生产过程中原材料的质量并保障最终产品的品质,本公司特制定了物料取样化验管理制度,以规范和指导物料取样和化验工作的进行,确保取样过程的准确性和可靠性,保证产品质量的稳定性和可靠性。
二、作用范围本制度适用于公司所有部门涉及到物料取样和化验的工作,包括但不限于原材料、半成品、成品等的取样和化验工作。
三、取样工作流程1. 物料取样计划制定根据生产计划和产品要求,相关部门应提前制定物料取样计划,明确取样的时间、地点、数量和方法。
2. 取样器具准备取样前需要准备好符合要求的取样器具,确保取样器具清洁,无污染。
3. 取样位置确定根据物料不同的特性,确定合适的取样位置,并在取样位置上做好标识。
4. 取样过程严格按照取样计划和取样标准进行取样操作,避免污染和交叉。
5. 取样记录取样人员应及时将取样情况、取样时间等信息记录在取样记录单上,并签字确认。
6. 取样样品处理取样后的样品应及时送往化验室进行化验,不得长时间滞留。
四、化验工作流程1. 样品标识取样样品送至化验室后,应立即标识样品编号、取样位置、取样时间等信息。
2. 化验准备根据产品要求,准备好符合要求的化验仪器和试剂,并校准好仪器。
3. 化验过程按照标准化验程序进行化验操作,保持化验过程的准确性和可靠性。
4. 化验记录化验人员应详细记录化验过程、结果等信息,并在化验报告上签字确认。
五、质量控制1. 严格执行取样和化验标准,确保取样过程的准确性和可靠性。
2. 设立质量控制岗位,负责对取样和化验过程进行监控和检查,及时发现问题并进行处理。
3. 定期开展质量管理培训,提高取样和化验人员的专业水平和操作技能。
4. 建立质量管理档案,存档取样记录、化验报告等信息,以备查阅。
六、责任制度1. 取样人员应按照相关规定和标准执行取样操作,确保取样过程的准确性和可靠性。
2. 化验人员应按照标准化验程序进行化验操作,确保化验结果的准确性和可靠性。
取样管理规定目的:建立一个取样管理规范,使取样及样品管理工作标准化。
适用范围:适用于原辅料接收取样;成品放行取样;包装材料接收取样;留样及稳定性试验取样等。
责任:质检科化验(取样)员负责严格按照本规程实施取样;QA负责监督本规程的实施。
内容:1.取样程序图1.1 物流中心仓库管理员负责公司购进的原辅材料、包装材料的取样通知。
1.2 各车间、仓库负责本部门物料的取样的通知,负责协助化验(取样)员取样及取样后包装的恢复。
1.3经授权的化验员负责原辅料和产品的取样。
准备取样工具取样通知单收到取样通知信息到指定地点取样样品分样室2.取样人员资格2.1 负责取样的人员必须接受关于取样以及物料质量标准与特性方面的培训,取样人员应当熟悉物料的特性,在取样过程中能够识别任何可能的样品的污染、变质或掺杂情况并遵循安全操作规范。
2.2 公司由QC负责原辅料、包装材料、成品的取样工作。
质量负责人可授权中间产品的取样由生产线操作人员来进行,但操作人员必须经过培训并通过质量规程考核。
2.3 所有取样人员必须经过质量负责人授权后,方可从事取样工作。
3.取样工具3.1 每种物料的取样都应当配备专用的取样工具。
建立针对取样工具的清洁与消毒程序,取样前和取样后均应对取样工具进行彻底的清洁或消毒。
取样工具应当有适宜的地点来存放。
3.2 固体样品用已清洁的不锈钢空心取样器、取样铲或取样勺等取出,放入具封口装置的塑料袋(自封袋)中或具塞锥形瓶中。
3.3 液体物料:液体样品取样用硬质玻璃管或移料管取出,放入清洁的具塞瓶(或试剂瓶)中。
对于化工液体原料可用具塞玻璃瓶系上对产品质量无影响绳子放入容器中取样,样品取出后及时盖上瓶盖。
3.4 包材:外包材可用手直接抽取。
3.5 盛放样品的容器必须清洁、干燥、密封。
盛放遇光不稳定的样品应使用不透光容器。
3.6 取样用聚乙烯封口袋、取样瓶应清洁、无污染,不得重复使用。
直接接触物料的取样工具应及时清洗,不残留被抽样物质,取样工具清洁干燥后贮存。
化验室取样留样制度一、目的与依据本制度的目的是确保化验室的取样和留样工作规范和有效,保证实验结果的准确性和可靠性,以及满足法律法规等要求。
本制度依据《检验检疫机构取样管理办法》等法律法规。
二、适用范围本制度适用于化验室内的所有取样和留样工作。
三、定义1.取样:指从待检样品中采取少量的样品用于分析检验。
2.留样:指按照规定的时间和方式保留一定量的样品备查。
3.样品编码:对于每个取样的样品,应当进行编号,以保证唯一性和可查询性。
四、工作程序1.取样工作(1)按照检验项目的要求,制定取样计划,确定取样点和取样数量。
(2)按照标准取样方法和技术要求进行取样。
(3)对于液态样品,应当使用无菌容器进行取样,并在容器上进行标记。
(4)对于固态样品,应当使用干燥、洁净的容器进行取样,并在容器上进行标记。
(5)对于气态样品,应当使用适当的采样器进行取样,并在采样器上进行标记。
(6)对于易挥发或易溶解的样品,应当立即进行冷藏或处理,并在处理后的样品上进行标记。
(7)对于需要进行人工处理的样品,应当在取样过程中保证样品的完整性和稳定性。
(8)对于需要进行现场化验的样品,应当保持样品的现场取样标志,以供后续确认。
2.留样工作(1)按照检验项目的要求,确定留样的时间和数量。
(2)在取样时,按照规定的留样比例留取足够数量的样品,并进行保存。
(3)对于液态样品,应当使用无菌容器进行留样,并保持冷藏。
(4)对于固态样品,应当使用干燥、洁净的容器进行留样,并避免阳光直射。
(5)对于气态样品,应当使用适当的容器进行留样,并保持密封。
(6)对于需要进行现场化验的样品,应当保留足够数量的样品,以便其他人员进行重复检验。
(7)留样的容器上应当标明样品的名称、取样日期、取样人员和检验项目等信息。
(8)留样的时间应当根据检验项目的要求确定,一般不少于3个月。
3.样品管理(1)样品在取样过程中应当保持完整性和稳定性。
(2)样品应当按照检验项目和编号进行分类和存放。
标本采集与管理规章制度第一章总则第一条为规范标本采集与管理工作,确保实验室工作的准确性和可靠性,制定本规章。
第二条本规章适用于所有从事标本采集与管理工作的人员,包括实验室技术人员、医务人员等。
第三条标本采集与管理工作应遵循科学、规范、严谨、安全的原则。
第四条实验室应设立专门的标本采集与管理部门,负责全面管理标本采集与管理工作。
第五条实验室应定期进行标本采集与管理工作的培训,提高工作人员的专业技能和素质。
第二章标本采集第六条标本采集应选择适当的采集容器,并确保采集容器内无残留物。
第七条标本采集应按照标本采集要求进行,避免污染或损坏标本。
第八条采集血液标本时,应注意采血技术,避免造成血液混入或血管破裂。
第九条采集尿液标本时,应注意保持尿标本的新鲜度,避免细菌大量增殖。
第十条采集粪便标本时,应注意采样量,避免出现样本不足的情况。
第十一条采集组织标本时,应注意标本的保存和处理,避免组织坏死或脱水。
第三章标本保存与运输第十二条标本应按照标本保存要求进行保存,避免标本变质或污染。
第十三条标本保存时,应注意标本的正确位置和编号,避免标本混淆。
第十四条标本运输应采用专用运输箱和冷藏袋,保持标本的温度和湿度。
第十五条标本运输应避免剧烈摇晃和高温环境,避免标本变质或破损。
第四章标本处理与分析第十六条标本进入实验室后,应及时进行标本处理,避免标本损坏或变质。
第十七条标本分析时,应先进行标本质量检测,确保标本质量符合要求。
第十八条标本分析时,应按照实验室操作规程进行,避免出现分析误差。
第十九条标本分析结果应及时录入系统,确保数据的准确性和完整性。
第二十条标本分析结果应进行科学解读,及时向医护人员报告,确保临床诊疗的准确性。
第五章废弃标本处置第二十一条废弃标本应按照相关规定进行处理,避免造成环境污染。
第二十二条废弃标本应经过消毒处理,再进行封装和清理,避免污染其他物品。
第二十三条废弃标本应按照规定的程序进行销毁,确保废弃标本不再被使用。
化验室取样管理制度一、引言化验室取样管理制度是为了规范化验室的取样操作流程,确保取样过程的准确性、可靠性和安全性。
本制度的实施范围包括化验室的各个部门和人员。
二、定义与缩写1. 取样:从被检测物体或样品中取得一定量的样品用于化验测试。
2. 化验室:进行化学分析和药品质量检查的专门实验室。
3. 样品:被取样的物体或物质所组成的一定量的物质,用于化验分析或检测。
4. 样品容器:用于装载样品的容器,如玻璃容器、塑料容器等。
5. 授权人员:被授权进行取样操作的人员。
三、取样前的准备工作1. 确定取样计划:根据化验需要,制定取样计划,包括取样时间、地点、数量等信息。
2. 准备取样设备:确保取样设备符合安全和卫生要求,并定期进行检修和维护。
3. 准备取样容器:选择适合的样品容器,并确保容器干净、无残留物。
四、取样操作流程1. 授权人员进行取样:取样工作由经过培训和授权的人员进行操作。
2. 按照取样计划进行取样:按照取样计划中的要求,在指定的时间和地点进行取样操作。
3. 样品标识和记录:在样品容器上标注样品编号和相关信息,并在取样记录表中记录详细的取样信息。
4. 环境控制:在取样过程中,确保取样环境的洁净和无污染。
5. 防止交叉污染:在取样过程中,避免不同样品之间的交叉污染,必要时采取适当的措施。
五、取样容器的处理与保存1. 容器处理:取样后,将容器进行洗涤和清洁,确保容器无残留物,并妥善处理已污染的容器。
2. 容器保存:对于需要保存的容器,根据样品的性质和要求,选择适当的保存方式和环境。
六、安全与风险控制1. 个人防护:进行取样操作时,必须佩戴符合规定的个人防护用品,如手套、护目镜等。
2. 物品防护:取样设备和容器需放置在安全、稳定的位置,防止倾倒或碰撞造成伤害或污染。
3. 废物处理:废弃的容器和样品残留物必须按照相关法规进行妥善处理,防止对环境造成污染和危害。
七、取样质量控制1. 质量保证:取样操作必须严格按照规程和要求进行,确保取样质量符合测试和分析的要求。
取样及留样管理制度第一节原材料取样管理规定第一条总则(一)本规定仅适用于进厂原材料的采样管理。
(二)原材料的检验结果,作为供需双方验收的依据。
(三)在供需双方同意下,允许将生产厂家的检验结果,作为原材料的检验结果。
(四)所取原材料样品,仅能代表本批产品。
(五)对不同批次原材料的检验一定要每批次单独取样,如果已证明一个批号中不同包装的原材料,由于种种原因质量不尽相同,不均匀,应视为多个批次进行采样。
第二条取样准备(一)在接到申检单后,取样人员应根据申检单上不同的物料分别做好取样准备。
(二)取样前取样人员应穿戴必要的防护措施(如工作服、防护手套、防毒面具、防护眼镜等),小心取样。
(三)对于固体原材料应使用固体取样器,取样器应用不锈钢或铜管制成。
盛样器应由不与样品发生反应和被样品溶解而使样品发生质量变化的材料制成,如塑料袋或聚乙烯袋。
(四)对于液体样品,采用取样管采样,采样管为普通玻璃或塑料制成。
盛样器应由不与样品发生反应和被样品溶解而使样品发生质量变化的材料制成,如具塞烧瓶或具塞三角瓶。
(五)取样前应保证取样器械及盛样器清洁干燥,以免污染取样物料。
第三条取样前检查(一)检查待检物料生产厂家、名称、含量、生产批号是否与申检单一致,如不一致,则通知供应部,直至纠正后取样。
(二)检查物料包装是否完好,如发现异常应通知供销部,并准备取样。
第四条固体原料取样(一)开采件数:固体原料采样量,取决于货物的批次总数。
规定如下:小于3批(含3批),从每个批次随机抽取6件,每件产品抽取50g混合均匀后作为一个综合样。
大于3批,则随机抽取3批取样。
(二)取样:固体原料取样应从包装容器的上、中、下三部分取代表性样品。
固体倒入聚乙烯袋中,样品约占袋子的三分之一,密封袋口后上下颠倒10次以上,若采得块状得样品应破碎后再混合。
(三)对于较坚硬的固体原料如不能从上、中、下分别取样的,则上报于化验室主管,由化验室主管上报部门负责人,由部门负责人与供应部、生产部协商后,依据部门负责人反馈的信息进行。
1.目旳:建立取样、留样旳原则管理程序,使取样、留样规范化。
2.范围:原辅料、半成品、成品旳取样和留样。
3.负责人:QC、库管员、QC负责人。
4.程序:4.1 取样管理4.1.1化验员接到库管员或包装人员旳《请验单》后,填写《取样证》,及时完毕取样。
4.1.2取样用品及容器应清洁、干燥,在使用或贮藏过程中防止受潮和异物混入。
4.1.3取样之前应先检查物料与否包装完好,品名、规格、批号与否相符,有无水渍、受潮结块或其他物质污染等状况,液体物料要注意外观及气味,如发现异常,此包装应单独取样检查。
4.1.4 取样时间应尽量缩短,以减少物料吸潮及污染旳机会。
4.1.5 对易挥发、有刺激气味、腐蚀性物品,取样时应注意安全,操作迅速,样品装入密闭容器中。
4.1.6取样必须填写《取样记录》,写明取样日期、品名、规格、批号、数量、来源、取样人以及必要旳取样阐明。
4.1.7取样结束后,应立即封闭内外包装,并在被取样包装上贴上《取样证》,在所取样品容器上贴签标识,注明品名、批号。
被取样包装应优先使用。
4.1.8 取样量4.1.8.1按批取样,若批件数为n,当n≤3时,规定每件取样,n≤300时,取样数量为n1/2+1,n>300件时,取样数量为n1/2/2+1。
4.1.8.2取样量应为全检用量旳6倍。
4.1.9 取样措施4.1.9.1固体物料,每件约等量抽取,充足混合均匀,即为总样品,将总样品摊成正方形,依对角线划:“X”,等分为四份,去掉对角两份,将剩余部分混合均匀,再以此措施反复多次,直到最终剩余量足够完毕检查及留样数量为止,然后装入取样容器中。
4.1.9.2液体物料,必要时将物料摇匀,约等量抽取后混匀。
4.2 留样管理4.2.1将按4.1.8所取旳样品检查剩余部分,密封包装后,贴签,注明生产厂家、品名、批号用作留样。
4.2.2留样应填写《留样台账》,内容包括品名、批号、来源、留样日期、留样人等。
4.2.3 留样期限:原辅料留样期限为用此原辅料生产旳产品销售完后六个月。
化验室产品取样及检测制度一、概述化验室是进行科学实验和分析的地方,保证取样和检测工作的规范性和准确性对于保证实验结果的可靠性至关重要。
因此,制定科学合理的取样及检测制度是非常必要的。
本制度旨在规范化验室产品取样和检测的流程和管理要求,确保测试结果准确可靠。
二、取样流程1.根据产品特性和取样要求,确定取样点和取样方案。
2.选择合适的取样工具,保证取样工具的清洁和无异味。
3.进行前期准备工作,包括试剂的配制、仪器的校准和设备的预热等。
4.进行实际取样操作,根据取样要求取得合适的样品量。
5.将取样的样品置于干燥、洁净的容器中,并标明取样时间、地点等信息。
6.完成取样后,将容器盖好,封口并进行标识,以防止样品的污染或产生二次污染。
7.将取样的样品交由主管人员或相关部门进行封存和处理。
三、检测流程1.根据检测要求和实验方法,确定检测方案和流程。
2.检查仪器的状态和仪器是否校准合格,确保仪器的正确运行。
3.根据样品的特性,进行必要的前处理,如样品的稀释、加热、过滤等。
4.严格按照试剂的使用说明,以及操作方法进行试剂的配置和使用。
5.按照预定的实验方法和流程,进行样品的检测操作。
6.注意检测中可能出现的异常情况,并根据实际情况进行相应的调整和处理。
7.完成检测后,记录和整理检测结果,保留相关数据和样品备份。
8.根据检测结果和要求,评估样品的合格与否,并及时向相关部门报告。
四、质量控制1.建立质控体系,包括质量控制标准、质控样品的制备和使用等。
2.定期校正仪器设备,确保其运行状态稳定可靠。
3.参与外部质量控制活动,以提高测试结果的准确性和可靠性。
4.实验员应经过培训并熟知相关实验方法和操作规范,确保操作的一致性和准确性。
五、管理要求1.定期对化验室进行检查和巡视,确保仪器设备正常运行和环境卫生安全。
2.制定并执行实验室安全规章制度,确保操作人员的安全和实验环境的安全。
3.定期对操作人员进行考核和培训,提高技能和专业素质。
化验室采样、留样及样品室管理制度一、引言化验室是一个重要的地方,主要用于分析、测试各种实验样品。
为了保证化验室能够正常运转并且得到准确的实验结果,我们需要特别注意化验室采样、留样及样品室管理制度。
本文将会详细介绍如何有效地管理化验室的样品采集、留样和样品室管理。
二、采样、留样制度1. 采样原则(1)原则上,应由专业人员进行取样操作。
(2)在取样前,必须检查样品容器是否符合要求和检查码和样品容器的标签信息。
(3)每个样品不能混杂其它物质,需要单独取样,并标注清楚。
(4)根据实验的需要,需要按照正常采样方法进行采样,并且确保样品不受污染。
2. 留样制度(1)留样品必须为原始真实的样品。
(2)留样的必要性:如果在检查数据的过程中出现疑问,则应保留留样品。
在事后可以用留样品重新分析,以确认原始测试数据的准确性。
(3)每个留样必须严格按照实验室留样制度的规定进行处理,可能性的污染要最小化。
(4)未授权查看留样品的人员不能轻易获取留样品。
三、样品室管理制度1. 样品接收台管理(1)样品接收台应该由专人管理,并要保证专人能够满足实验室的需要。
(2)接收人员必须仔细检查送样品的数量,详细核对送样品的记录。
(3)对于不同的实验样品,需要对它们进行分类处理,以便于后续工作的高效性。
(4)已检测的样品需要及时处理,清理样品接收台。
2. 样品储存(1)所有的样品需按照规定的要求合理存放,以避免对样品的损害。
(2)对于原始物质,需要用合适的载体来存放。
例如,使用气密密封的玻璃瓶或铝箔袋,来保持样品的稳定性。
(3)存储和样品使用的记录必须清晰明确,以便在有需要时能够快速地找到样品。
(4)样品室温度应该稳定,不能有剧烈波动,以维护样品的稳定性。
3. 样品处理(1)取用样品时,必须先签出,然后使用完毕后再签入。
对于已经签出的样品,必须在24小时内返回。
(2)样品使用后,必须及时清洁相关设备或器具,以避免样品污染或损坏设备或器具。
化验(检测)样品的管理制度一、目的为确保化验(检测)样品的管理工作科学、规范、安全、高效,保证化验(检测)结果的准确性和可靠性,根据国家有关法律法规、标准和规定,制定本制度。
二、适用范围本制度适用于化验(检测)样品的取样、接收、标识、储存、分发、使用、处置等全过程管理。
三、职责与权限1. 实验室负责人:负责化验(检测)样品管理工作的总体监督和指导。
2. 样品管理员:负责化验(检测)样品的日常管理工作,包括样品的接收、标识、储存、分发、使用、处置等。
3. 化验(检测)人员:负责样品的化验(检测)工作,并对样品的质量和完整性负责。
四、化管理流程1. 取样:根据国家相关法律法规、标准和规定,采用科学、合理的取样方法,确保样品的代表性和均匀性。
取样人员应填写取样记录,并签字确认。
2. 接收:样品管理员负责对取得的样品进行接收,并对样品的外观、数量、标识等进行检查,确保样品完整、清晰、无污染。
对于不符合要求的样品,应拒绝接收,并记录原因。
3. 标识:样品管理员为每个样品分配一个唯一的标识号,并贴在样品上。
标识号应包括样品名称、取样日期、样品编号等信息。
4. 储存:样品应根据其性质和保存要求,放置在适宜的环境中,如温度、湿度、光照等。
对于易挥发、易腐蚀、易分解等特殊样品,应采取相应的防护措施。
5. 分发:样品管理员根据化验(检测)需求,将样品分发给化验(检测)人员。
分发时,应确保样品数量的准确性,并记录分发信息。
6. 使用:化验(检测)人员应按照化验(检测)方案和操作规程,正确使用样品。
在化验(检测)过程中,应避免样品污染、损失和失效。
7. 处置:化验(检测)完成后,化验(检测)人员应将样品按照相关规定进行处置。
对于需要留存的样品,应按照样品管理要求进行妥善保存。
五、管理与监督1. 实验室应建立健全化验(检测)样品管理制度,并进行定期修订和更新。
2. 实验室应定期对化验(检测)样品管理人员进行培训和考核,确保其具备相应的业务能力和管理水平。
化验室采样和留样管理制度第一章总则第一条为明确规定化验室采样和留样的要求,规范采样和留样的管理,保证样品的代表性和可追溯性,特制定本制度。
第二条本制度适用于公司原料、中间产品及产成品的采样和留样。
第三条依据标准依据GB6679-86固体化工产品采样总则标准。
GB6680-86液体化工产品采样通则。
第四条职责1、中控产品由生产车间送检至质检部。
2、原料由物流部通知质检部到现场取样。
3、成品由车间包装人员通知质检部到现场取样。
4、质检部负责成品留样。
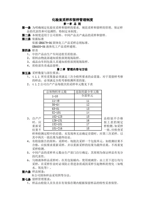
第二章管理内容与方法第五条采样数量与部位要求:1、4.1.1所有采集量必须满足三次全检所要求的必需量,对于需留样考察的样品,必须满足全程考察检测所需的量。
2、4.1.2公司自产产品每批次的采样单元数见下表3、自产产品检验不合格时,应按上表的规定重新采样检测。
如采样结果不一致,应检查采样和检测过程中的差错,未发现和无法确定差错时,应第三次采样,以其中两次一致结果为最终结论。
4、有检验报告的原料,采样时,每批次采样一个包装单元,如检测结果不合格,应按要求重新采样,并以重新采样的结果为最终结果,不再重复采样检测。
5、中间产品的采样单元数由生产部门自行确定,其原则为保证样品有充分的代表性。
6、匀相液体样品采样时,在其包装桶内,使用玻璃管,由上至下进行均匀采样,在采样作业时必须防止带进杂质或因采样引起物料的变化(如吸水、氧化等)。
第六条样品制备:本公司固体样品采用四等分法。
第七条留样管理要求:1、样品由检验人员负责在有效保存期内根据保留样品的特性妥善保管。
2、最终样品的量应满足检测和备考的需要,每份样品量至少应为检验需要的三倍。
3、保留样品的容器(包括口袋)要清洁,必要时密封以防变质,保留的样品要做好标识,要按先后顺序或批次摆放整齐以便查找。
4、中控分析样品一律保留至下次取样,特殊情况保留24小时并交给负责人处理。
5、外购原材料、原料罐样品保留一周。
6、成品样品:液体一般保留1年,固体一般保留2年。
成品取样化验规章制度范本第一章总则第一条为了确保成品质量、保障生产安全、提高生产效率,制定本规章制度。
第二条本规章制度适用于企业生产中对成品进行取样化验的工作。
第三条取样化验的过程中应严格遵守国家相关法律法规和标准规范。
第四条本规章制度的修订、解释和执行由企业质量管理部门负责。
第五条员工在取样化验过程中应严格按照规章制度执行,不得私自更改、篡改化验数据。
第六条对于取样化验过程中出现的问题,应当及时进行记录并报告相关部门。
第七条取样化验相关人员应具备相应的专业知识和技能,确保取样化验工作的准确性和可靠性。
第八条对于取样化验工作中的优秀个人应当进行奖励和表彰。
第二章成品取样原则第九条取样应尽可能代表整个批次成品。
第十条取样应根据相关标准规定进行,不得私自改动。
第十一条取样应遵守相应的取样器具操作规范。
第十二条取样时应注意避免外部环境对成品的影响,保持取样环境清洁整洁。
第十三条取样时应注意样品的保存和标识,确保取样的完整性和准确性。
第三章成品化验流程第十四条取样前应对取样器具进行检查和校准,确保取样准确。
第十五条取样时应注意操作规范,避免样品受到污染。
第十六条取样完成后应及时送样到化验部门进行检测分析。
第十七条化验过程中应注意仪器设备的维护和保养,确保化验结果的准确性。
第十八条化验结果应及时报告生产部门,以便生产调整和改进。
第十九条化验结果应及时记录并存档,以备查阅和追溯。
第二十条对于化验结果不合格的成品应及时通知相关部门,进行处理和调整。
第四章质量保证措施第二十一条建立健全取样化验质量管理制度,确保取样化验工作的准确性和可靠性。
第二十二条加强对取样化验人员的培训和督导,提升取样化验工作的质量和效率。
第二十三条加强对取样器具的管理和维护,确保取样器具的准确性和可靠性。
第二十四条对取样化验过程中出现的问题应及时进行整改和处理,确保成品质量。
第二十五条建立完善的化验结果溯源体系,确保数据可追溯和可验证。
第五章处罚与奖励第二十六条对于操作规范、结果准确的取样化验工作应当进行奖励和表彰。
取样管理制度分发部门:1 目的适用于浮选车间原矿、精矿、尾砂、散装精矿取样管理。
3 责任君泰技术公司化验室对本制度负责。
4 程序4.1 取样要求:取样人必须遵守公司取样员岗位责任制相关规定,所取样品必须具有代表性,按班次、批次取样,每次取样都必须按本制度进行。
4.2抽样程序:上班签到取样贴取样标示及填写取样记录送检。
4.3取样前的准备工作:4.3.1准备必要的取样工具和盛装器具,以及分样后包封用的工具,材料和取样标示。
直接接触样品的取样工具和盛装器具,应不与药品发生化学作用,使用前应洗净并干燥。
4.4 取样工具4.4.1矿浆取样用专门取样器取样,洗瓶和盛装样盘取样。
4.4.1分样后粉末状态固体用专用的分样铲分样,原矿、尾砂用干燥洁净的专用研钵研磨,样品用干燥洁净的取样袋装样品。
4.5 确定取样点及原则、抽样方法。
4.5.1原矿浆取样4.5.1.1 取样点:车间球磨机溢流口。
4.5.1.2 原则:以班次(8h/班)为原则,按30min取样,得出取样总次数(14)。
取样件数不足5次的不分样装袋送检。
4.5.1.3 取样方法:即每间隔30min,垂直于料流运动的方向断流截取少量物料作为样品,然后将所截取的小样积累起来作为总样,样品的精度主要取决于取样频率。
人工取样常用的工具为口部呈一条窄缝的取样器。
取样器口的宽度应为矿浆中最大颗粒直径的4一5倍。
取样器的特点是截取量较小而容积较大,因此在矿浆流中截取时不致引起矿浆外溢而影响其代表性,截取矿浆流的地点应设在矿浆的转运点,如球磨机出口或铅、锌精矿槽刮出口或尾砂管道的出口处(注:铅尾砂在锌活化桶取样)等。
不能在溜槽内或贮浆容器内取样,否则将失去其代表性。
取样时必须使取样器垂直于料流方向均匀往复截取2-3次,以保证在整个矿浆流的宽度上的物料均能被截取到取样器内。
取样器要求内壁光滑,易于倒出物料;采样时应该匀速横截通过矿浆流,不能过快过猛;样品倒出后要用清水冲洗干净。
成品取样化验规章制度模板第一章总则第一条为了规范成品取样化验工作,确保质量检验的准确性和可靠性,制定本规章制度。
第二条本规章制度适用于公司内部对成品进行取样化验的工作。
第三条成品取样化验工作应当遵循科学、客观、公正、公平、可靠的原则,依法合规进行。
第四条公司应当组织相关部门根据本规章制度的要求,建立并不断完善成品取样化验的管理体系,确保质量监控工作的有效实施。
第二章取样工作第五条取样工作必须在符合卫生要求的条件下进行,避免外部环境对取样过程的影响。
第六条取样工作必须由专业人员操作,确保取样工作的准确性和可靠性。
第七条取样前应当对取样设备进行检查,确保设备的完好性和工作正常性。
第八条取样时应当按照规定的取样方法和数量进行,确保取样的代表性和可比性。
第九条取样过程中应当认真记录取样的时间、地点、数量、人员等信息,制作取样记录。
第十条取样完成后应当将取样的样品送交实验室进行化验分析,确保化验结果的准确性。
第三章化验工作第十一条化验工作必须在标准化实验室内进行,避免外部环境对化验结果的影响。
第十二条化验工作必须由具有相关资质和经验的专业人员进行,确保化验结果的准确性和可靠性。
第十三条化验过程中应当按照规定的分析方法和流程进行,确保化验的准确性和可信性。
第十四条化验前应当对实验室设备进行检查和校准,确保设备的正常工作和准确度。
第十五条化验过程应当认真记录化验的时间、地点、人员以及分析方法和结果等信息,制作化验记录。
第十六条化验结果应当及时出具并送交相关部门,确保结果的可靠性和准确性。
第四章管理与监督第十七条公司应当建立成品取样化验的管理与监督机制,确保取样和化验工作按照规章制度的要求进行。
第十八条公司应当定期对取样设备和实验室设备进行检查和维护,确保设备的正常工作和准确性。
第十九条公司应当对取样和化验工作进行记录和归档,建立档案管理制度,确保取样和化验记录的可追溯性和可审查性。
第二十条公司应当对取样和化验人员进行培训,提升其专业素质和操作能力,确保工作的准确性和可靠性。
化验室分析制度1.目的:为保证化验室内各工作岗位有序进行,保证对各产品所检测的数据负责,以至更有效地服务于生产。
2.职责:全体化验室职工3.制度:3.1各岗位要及时清洗检验、取样器皿,确保车间及时取样,提供检验。
3.2车间的中控由车间人员及时提供请检,填写请检单,本化验室外各职工对其所请检产品的数据负责,及时开报告单,所检验完的样品看具体情况,中间体放入专用留样处,液体料中产体在通风柜里保存一天。
3.3原料进入我公司,由仓库填写请检单送至化验室请检抽样,并在取样的物品包装上贴上取样证,所检测的化验员要对产品的结果负责,对有疑点及时报予领导,对所取的样要及时定性、定量(执行技术标准文件),及时开取报告单送至仓库。
3.4车间成品出来,由车间人员及时请检,提供请检单,检验岗位人员及时去车间取样,并及时贴上标签,对自取的样品负责,以保证出厂合格,及时开报告单,提出供车间,以备其可入库。
3.5出厂发货的成品,仓库提供发货规格单,化验室打印质保单,送仓库一式三份:仓库、综合办、自保留。
3.6抽样方法抽样数量:一般原辅料总件数n≤3时,每件抽;n为4~300时,抽样量为根号n加1;n>300时,抽样量为2分之根号n加1。
半成品(中间体)、成品、副产品、包装材料及特殊要求原料等按具体情况另行规定。
抽样时须填写取样记录,内容有抽样日期、品种、代号、规格、批号、编号、数量、来源、包装、必要的抽样说明和抽样人签名等。
每件被抽样的容器上要舔有取样证。
易变质的原辅料,贮存期超过规定时,领用前要重新抽样。
3.7以上检验严格执行各原料、中间体、成品标准。
3.8每次使用完各仪器要及时地填写仪器使用记录,对标准滴定液由专人配制,定期复标,及时填写标定记录,遇仪器不稳定及时汇报领导。
样品管理制度(实用版)编制人:__________________审核人:__________________审批人:__________________编制单位:__________________编制时间:____年____月____日序言下载提示:该文档是本店铺精心编制而成的,希望大家下载后,能够帮助大家解决实际问题。
文档下载后可定制修改,请根据实际需要进行调整和使用,谢谢!并且,本店铺为大家提供各种类型的实用资料,如管理制度、企业管理、岗位职责、心得体会、工作总结、工作计划、演讲稿、合同范本、作文大全、其他资料等等,想了解不同资料格式和写法,敬请关注!Download tips: This document is carefully compiled by this editor.I hope that after you download it, it can help you solve practical problems. The document can be customized and modified after downloading, please adjust and use it according to actual needs, thank you!And, this store provides various types of practical materials for everyone, such as management systems, enterprise management, job responsibilities, experiences, work summaries, work plans, speech drafts, contract templates, essay compilations, and other materials. If you want to learn about different data formats and writing methods, please pay attention!样品管理制度第1篇样品管理制度(1)样品管理制度一、取样人员或外来委托人员将样品送至实验室时均应填写试验委托单,试验样品管理员在接收样品时,应查看样品状态,如样品的外观、包装、规格、型号等级等,并清点样品,认真检查样品及其附件资料的完整性,检查样品的性质和状态是否适宜于所检项目。
化验室取样管理制度第一章总则第一条为规范化验室取样管理,提高化验室工作效率和准确性,保证化验结果的可靠性,根据国家有关法律法规和公司实际情况,制定本制度。
第二条本制度适用于公司化验室的取样管理工作。
第三条化验室取样管理应遵循科学、规范、公正、公平的原则。
第四条化验室取样管理应严格遵循岗位职责,确保取样工作的准确性和及时性。
第五条化验室取样管理应加强对人员的培训,提高取样人员的专业水平和操作技能。
第六条化验室取样管理应加强仪器设备的维护和保养,确保取样器具的准确性和稳定性。
第七条化验室取样管理应加强对取样原材料的管理,做到全程跟踪、保证取样原材料的可追溯性。
第八条化验室取样管理应建立健全的质量管理体系,确保取样结果的准确性和可靠性。
第九条化验室取样管理应加强对取样环境的监控,确保取样环境的洁净和安全。
第十条化验室取样管理应及时处理取样过程中发生的问题和异常情况,保证取样工作顺利进行。
第二章取样人员管理第十一条取样人员应具备相应的专业知识和操作技能,能够独立进行取样工作。
第十二条取样人员应严格按照操作规程进行取样工作,确保取样结果的准确性和可靠性。
第十三条取样人员应做好个人卫生防护工作,保持良好的工作状态和工作环境。
第十四条取样人员应按照规定的时间和地点进行取样工作,确保取样的及时性和准确性。
第十五条取样人员应定期接受相关培训和考核,提高个人技能和业务水平。
第三章取样器具管理第十六条取样器具应保持整洁、完好,严禁使用损坏或脏污的器具进行取样工作。
第十七条取样器具应定期进行校准和维护,确保取样结果的准确性和可靠性。
第十八条取样器具应定期进行检定和鉴定,确保取样器具的准确性和稳定性。
第十九条取样器具应按照规定的标准进行选择和使用,确保取样工作的合理性和有效性。
第四章取样环境管理第二十条取样环境应保持干净整洁,严禁在取样环境中吸烟、饮食和交谈。
第二十一条取样环境应保持安静,严禁在取样环境中进行喧哗和嬉闹。
化验室取样管理制度
为确保理化分析数据的准确性及对生产过程的指导作用,必要时实现可追溯性,同时规范取样和留样过程,特制定本管理制度。
一、总则
1、专职检验员根据原料、半成品和成品的检测分工要求,按规定的检测频率实施取
样。
2、取样前,根据物料性质准备取样工具和相应的安全防护措施,磷酸取样时,应注
意防止溅到皮肤上。
3、取样所用设备、工具、盛样容器必须保持清洁、坚固耐用,防止样品的交叉污染;
水分样品的容器必须是密封、用非吸潮性材料制成。
4、取样完毕,做好现场取样记录和标识,标识内容包括:样品名称、取样地点、产
地、取样日期、单重、工号、取样者等。
5、取样后应及时进行检测,防止受潮变质和污染。
二、原料取样
1、由专职检验员根据原料取样分工规定,对入厂的每批原料实施取样。
2、袋装原料的取样:最好是在装卸时,从各部位分别随机抽取,总取样袋数不少于
15袋,保证所取样品具有代表性,总取样量约200克;取样时尽量不扎破包装袋,取完后及时扎好口,防止原料受潮变质和污染;所取样品在检测前要充分混合均匀,尽量减小检测结果误差。
3、块状原料的取样:
1)取样方法:根据料堆的大小,划分上、中、下三个部位,在每个部位沿料堆一周分别确定3-4个取样点,由每个取样点向料堆内深挖约300-400mm处铲取样品,全部取样点取完混合后,根据情况在生产现场或化验室破碎至做样所需要的粒度;
如无法按以上方法取样时,可在料堆的上、中、下部位的表面直接铲取样品,并在生产现场破碎至所需的粒度。
2)同一批料在不同时间入厂时,每次入厂的料均要单独取样,待本批料全部入厂后,将每次单独取的样品混匀后再做样。
4、所取样品外观颜色、粒度、包装质量等有异常时,要及时汇报处理。
三、半成品取样
1、由专职检验员根据半成品检测分工要求,按规定的检测频率到现场取样,现场取
样时,要注意现场作业环境,必要时找操作工配合取样。
2、球磨机、雷蒙磨加工的细粉:尽量在包装时取样,每次取样时,在同一取样点固
定间隔时间连续取样3-4次,并混匀;如果在包装后取样,要从料垛的不同部位分别取样,总取样袋数不少于10袋,确保具有代表性;每次的总取样量约100克,所取样品混合均匀后进行细度检测。
3、颗粒料的取样:粘土线二级焦石颗粒,配料时从料仓内随机取样;其它颗粒料,
根据情况从振动筛下料口、料仓或包装袋内随机取样,总取样量约200克,混匀后进行粒度检测。
4、手工成型泥料水分检测样品的取样:用非吸水性工具从正用的泥料中随机取样,
并放于塑料食品袋内密封,严禁用手直接接触泥料,取样量约200克,取完样品后要及时进行水分检测,不能长时间存放。
5、磷酸二氢铝取样:根据不同生产日期分别取样,取样前要先搅拌均匀,然后用500ml
量筒盛样进行比重检测。
四、成品取样
1、对不定形散装料,尽量在现场包装时连续取样,对无法在包装时取样的,从同一批
料的各包装袋内随机取样,要确保样品具有代表性,总取样量约3Kg。
2、定型制品的取样:
1)对粘土质耐火砖,重点取铁水罐/包用砖,每次随机取2-3块;
2)对镁碳砖、铝碳化硅碳砖、铝碳化硅砖、不烧高铝砖等,每次取样时,根据需要,每种材质的砖分别随机取1-2块;
3)取样后要做好标识、记录,并及时切砖制样进行理化检测。
五、留样
1、样品的保留由样品的分析检验岗位负责,在有效保存期内要根据保留样品的特性妥善保管好样品。
2、保留样品的容器(包括口袋)要清洁、封好口、标识清楚齐全,并按批次或先后顺序摆放整齐以便查找。
3、样品保留量:根据样品全分析用量而定,要求不少于两次全分析量。
4、样品超过保存期后,要按有关规定妥善处理。
2011年2月21日。