自行车右曲柄夹具设计
- 格式:docx
- 大小:11.31 KB
- 文档页数:2
曲柄轴车床夹具设计零件图:一、前言《机械制造工艺学》课程设计是学完了《机械制造工艺学》、《机床夹具设计》、《金属切削机床与刀具》等主要专业课程,并进行了生产实习此后进行的一个实践性环节,是应用所学基础理论、专业知识与技术去解析和解决生产实责问题的一次综合训练。
我希望经过此次课程设计能牢固、扩大和增强自己所学到的理论知识与技术,提高自己设计计算、制图、编写技术文件的能力,学会正确使用技术资料、标准手册等工具书,并设计中培养理论联系本质、严肃认真的工作作风和独立工作能力、为今后进行毕业设计和毕业后从事技术工作打下一个优异的基础。
车床夹具:在车床上用来加工工件内、外辗转面及端面的夹具。
本次设计的夹具重要针对曲柄轴的独爱夹具设计。
而且,从加工时工件上所受的切削力来考虑,夹紧点凑近加工面,夹紧力方向与切削力方向相反,可以抵消部分切削力,有利于提高加紧刚性。
二、夹具设计解析,提出设计任务书<1)设计要求:1.设计课题:曲柄轴独爱部分车床专用夹具设计2.生产纲领:年产量8000 件,中批或大批量生产<2)设计思想与设计方案的比较1)零件加工工艺路线下料 --调质 --粗车夹头 <端面) --中心孔 -粗车外圆 <同心部分,留余量) -- 磨 -铣键槽 --以铣键槽定位,用独爱夹具定位,车独爱部分 -磨-检验2)设计思想依照零件的加工图纸可以知道,零件在车曲柄轴独爱部分时要用曲柄轴的键槽定位,尔后设计一个专用的独爱夹具,车零件的独爱部分,使其满足图纸的尺寸精度要求。
本工序的加工条件为:工件其他表面以及倒角都均已加工,达设计图要求。
该工序加工时,主要应试虑要保证零件独爱的中心线与车床的辗转中心,独爱距为 0.8.3)设计方案方案 1:可复位车独爱轴夹具 ----- 用零件的键槽定位, 0.8 的独爱距实现方法为设计一个独爱盘,在定盘上搬动。
独爱盘的搬动是有定位销在定盘销孔里的搬动实现,独爱盘两边设置推块,用螺丝的拧动来推动独爱盘的搬动,当独爱盘处在最左端时,推盘的中心与车床的轴心重合,当独爱盘处在最右端时,独爱盘的中心与车床的中心独爱距为。
工艺装备设计说明书设计题目:设计曲柄板的机械加工工艺规程及铣削工序的专用机床夹具学院:机械工程专业:机械设计制造及其自动化班级:机电二班指导教师:丁海娟学生姓名:王海峰2013 年 6 月 25 日目录第一章机械加工工艺规程设计 (1)1.1零件的工艺分析 (1)1.2曲柄板的材料毛坯和热处理 (1)1.2.1毛坯材料及热处理 (1)1.2.2毛坯的结构确定 (2)1.3设计工艺过程 (3)1.3.1曲柄板零件图分析 (3)1.3.2零件表面加工方法的确定 (3)1.3.3曲柄板加工工艺路线的确定 (4)1.4工序设计 (7)1.4.1工序基准的选择 (7)1.4.2选择机床和工艺装备 (7)1.4.3加工余量的确定 (8)1.4.4确定曲柄板切削用量 (10)1.4.5计算工时定额 (13)1.5机械加工工艺规程设计 (16)1.5.1机械加工工艺规程的格式及设计原则 (16)1.5.2设计机械加工工艺规程的步骤与内容 (16)第二章专用夹具设计 (17)2.1夹具的基本概念及基本原理 (17)2.1.1夹具的组成及工作定位夹紧和装夹的概念 (18)2.1.2工件在夹具中定位的基本原理 (18)2.1.3常用定位方法及定位原件 (19)2.1.4工件在夹具中的夹紧 (20)2.1.5分度装置 (22)2.1.6夹具体 (23)2.2专用夹具的设计及原理分析 (24)2.2.1定位基准和定位元件的设计与分析 (24)2.2.2分度装置的设计与分析 (24)2.2.3夹具方案与夹具体的设计 (24)结论 (26)致谢 (27)参考文献 (28)第一章 机械加工工艺规程设计1.1零件的工艺分析曲柄板是机床上的一个重要零件,因为其零件尺寸较小,结构形状也不是很复杂。
但因为其尺寸精度、几何形状精度和相互位置精度,以及各表面的表面质量均影响机器或部件的装配质量,进而影响其性能与工作寿命。
曲柄板毛坯材料45钢,硬度范围在180~230HBW ,承受中等载荷,用于制造机器的运动件。
曲柄轴车床夹具设计零件图:一、前言《机械制造工艺学》课程设计是学完了《机械制造工艺学》、《机床夹具设计》、《金属切削机床与刀具》等主要专业课程,并进行了生产实习之后进行的一个实践性环节,是应用所学基础理论、专业知识与技能去分析和解决生产实际问题的一次综合训练。
我希望通过这次课程设计能巩固、扩大和强化自己所学到的理论知识与技能,提高自己设计计算、制图、编写技术文件的能力,学会正确使用技术资料、标准手册等工具书,并设计中培养理论联系实际、严肃认真的工作作风和独立工作能力、为以后进行毕业设计和毕业后从事技术工作打下一个良好的基础。
车床夹具:在车床上用来加工工件内、外回转面及端面的夹具。
本次设计的夹具重要针对曲柄轴的偏心夹具设计。
而且,从加工时工件上所受的切削力来考虑,夹紧点靠近加工面,夹紧力方向与切削力方向相反,可以抵消部分切削力,有利于提高加紧刚性。
二、夹具设计分析,提出设计任务书<1)设计要求:1.设计课题:曲柄轴偏心部分车床专用夹具设计2.生产纲领:年产量8000件,中批或大批量生产<2)设计思想与设计方案的比较1)零件加工工艺路线下料--调质--粗车夹头<端面)--中心孔-粗车外圆<同心部分,留余量)--磨-铣键槽--以铣键槽定位,用偏心夹具定位,车偏心部分-磨-检验2)设计思想根据零件的加工图纸可以知道,零件在车曲柄轴偏心部分时要用曲柄轴的键槽定位,然后设计一个专用的偏心夹具,车零件的偏心部分,使其满足图纸的尺寸精度要求。
本工序的加工条件为:工件其它表面以及倒角都均已加工,达设计图要求。
该工序加工时,主要应考虑要保证零件偏心的中心线与车床的回转中心,偏心距为0.8.3)设计方案方案1:可复位车偏心轴夹具-----用零件的键槽定位,0.8的偏心距实现方法为设计一个偏心盘,在定盘上移动。
偏心盘的移动是有定位销在定盘销孔里的移动实现,偏心盘两边设置推块,用螺丝的拧动来推动偏心盘的移动,当偏心盘处在最左端时,推盘的中心与车床的轴心重合,当偏心盘处在最右端时,偏心盘的中心与车床的中心偏心距为0.8mm。
机械制造工技术基础课程设计说明书学院:机械工程学院目录一、设计任务⋯⋯⋯⋯⋯⋯⋯⋯⋯⋯⋯⋯⋯⋯⋯⋯⋯⋯⋯3二、零件的分析⋯⋯⋯⋯⋯⋯⋯⋯⋯⋯⋯⋯⋯⋯⋯42.1 、零件的作用⋯⋯⋯⋯⋯⋯⋯⋯⋯⋯⋯⋯⋯⋯⋯⋯⋯⋯42.2 、零件的工艺分析⋯⋯⋯⋯⋯⋯⋯⋯⋯⋯⋯⋯⋯⋯⋯⋯4三、确定毛坯的制造方法、初步确定毛坯形状⋯⋯4四、工艺规程设计⋯⋯⋯⋯⋯⋯⋯⋯⋯⋯⋯⋯⋯⋯64.1 、定位基准的选择⋯⋯⋯⋯⋯⋯⋯⋯⋯⋯⋯⋯⋯⋯⋯⋯64.2 、工件表面加工方法的选择⋯⋯⋯⋯⋯⋯⋯⋯⋯⋯⋯⋯74.3 、制定工艺路线⋯⋯⋯⋯⋯⋯⋯⋯⋯⋯⋯⋯⋯⋯⋯⋯⋯74.4 、确定加工余量、工序尺寸及公差114.5 、确定切削用量、基本工时(机动时间)12五、专用夹具设计⋯⋯⋯⋯⋯⋯⋯⋯⋯⋯⋯⋯⋯⋯16六、设计小结⋯⋯⋯⋯⋯⋯⋯⋯⋯⋯⋯⋯⋯⋯⋯⋯⋯18七、参考文献⋯⋯⋯⋯⋯⋯⋯⋯⋯⋯⋯⋯⋯⋯⋯⋯⋯19机械加工工艺课程设计任务书题目曲柄零件机械加工工艺规程及夹具设计学号201033087 姓名武喜亮主要内容:1、设计零件毛坯,绘制毛坯图。
2、制定该零件机械加工工艺路线,填写工艺过程卡。
3、设计 B 面加工工序过程,填写工序卡。
4、设计 B 面加工工序中所使用的专用夹具,绘制夹具装配图及其主要零件图。
5、编写课程设计说明书。
基本要求:在熟悉机械制造技术教材和相关参考资料的内容的基础上,阅读所发零件图图形,根据图形结构特点设计零件的毛坯结构,绘制零件毛坯图;根据零件的零件结构特点和各加工面的尺寸以及形位公差和表面精度,合理分配零件的各工序的加工方法;并结合毛坯尺寸确定制定工序的切削用量,填写工艺过程卡和工序卡;而后根据指定工序的加工情况,设计专用夹具,绘制夹具装配图及其主要零件图;最后编写设计说明书,对设计过程作出总结。
主要参考资料:[1] 张世昌等. 机械制造技术基础. 北京:高等教育出版社.2007.5[2] 柯建宏. 机械制造技术基础课程设计. 武汉:华中科技大学出版社.2008.8完成期限:指导教师签名:评审小组负责人签名:2013年10 月11 日二、零件的分析2.1 零件的作用设计对象为曲柄,它的作用是用来传递转矩。
课程设计曲柄钻孔夹具一、教学目标本节课的学习目标包括知识目标、技能目标和情感态度价值观目标。
知识目标要求学生掌握曲柄钻孔夹具的设计原理和结构特点,了解其在机械加工中的应用。
技能目标要求学生能够运用所学的知识,独立完成曲柄钻孔夹具的的设计和制作。
情感态度价值观目标要求学生培养对机械加工行业的兴趣和热情,增强创新意识和团队合作精神。
二、教学内容本节课的教学内容主要包括曲柄钻孔夹具的设计原理、结构特点和应用。
首先,介绍曲柄钻孔夹具的设计原理,解释其工作原理和设计方法。
然后,分析曲柄钻孔夹具的结构特点,包括夹具的组成部分、功能和性能。
最后,讲解曲柄钻孔夹具在机械加工中的应用,举例说明其在实际生产中的应用场景。
三、教学方法为了激发学生的学习兴趣和主动性,本节课将采用多种教学方法。
首先,采用讲授法,教师讲解曲柄钻孔夹具的设计原理、结构特点和应用。
其次,采用讨论法,学生分组讨论曲柄钻孔夹具的设计方法和应用场景,分享彼此的想法和经验。
接着,采用案例分析法,教师提供一些实际案例,学生分析并解决实际问题。
最后,采用实验法,学生动手制作曲柄钻孔夹具,增强实践操作能力。
四、教学资源为了支持教学内容和教学方法的实施,本节课将选择和准备适当的教学资源。
教材方面,将使用《机械加工技术》一书,作为学生学习的依据。
参考书方面,推荐学生阅读《曲柄钻孔夹具设计手册》等书籍,以深入了解曲柄钻孔夹具的设计方法和应用。
多媒体资料方面,将利用课件、图片和视频等形式,生动展示曲柄钻孔夹具的设计原理和结构特点。
实验设备方面,将准备曲柄钻孔夹具的制作工具和设备,让学生能够亲自动手制作和操作。
五、教学评估本节课的评估方式包括平时表现、作业和考试。
平时表现评估将根据学生在课堂上的参与程度、提问回答和小组讨论的表现进行打分。
作业评估将根据学生提交的曲柄钻孔夹具设计图和制作报告进行评分,考察学生的设计能力和实际操作能力。
考试评估将采用闭卷考试的形式,测试学生对曲柄钻孔夹具设计原理、结构特点和应用的掌握程度。
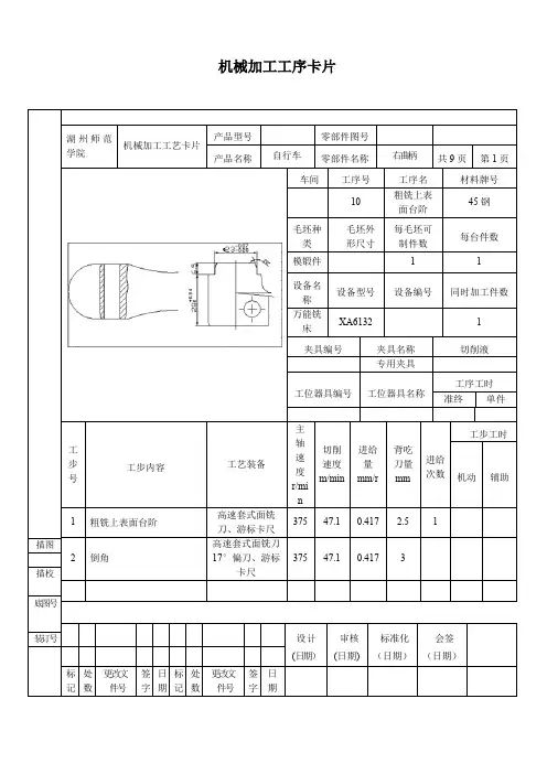
设计说明书题目:自行车右曲柄的工艺规程及钻Φ9孔夹具设计摘要本次设计内容涉及了机械制造工艺及机床夹具设计、金属切削机床、公差配合与测量等多方面的知识。
自行车右曲柄加工工艺规程及钻孔的夹具设计是包括零件加工的工艺设计、工序设计以及专用夹具的设计三部分。
在工艺设计中要首先对零件进行分析,了解零件的工艺再设计出毛坯的结构,并选择好零件的加工基准,设计出零件的工艺路线;接着对零件各个工步的工序进行尺寸计算,关键是决定出各个工序的工艺装备及切削用量;然后进行专用夹具的设计,选择设计出夹具的各个组成部件,如定位元件、夹紧元件、引导元件、夹具体与机床的连接部件以及其它部件;计算出夹具定位时产生的定位误差,分析夹具结构的合理性与不足之处,并在以后设计中注意改进。
关键词:工艺、工序、切削用量、夹紧、定位、误差。
ABSTRCTThis design content has involved the machine manufacture craft and the engine bed jig design, the metal-cutting machine tool, the common difference coordination and the survey and so on the various knowledge.The reduction gear box body components technological process and its the processing hole jig design is includes the components processing the technological design, the working procedure design as well as the unit clamp design three parts. Must first carry on the analysis in the technological design to the components, understood the components the craft redesigns the semi finished materials the structure, and chooses the good components the processing datum, designs the components the craft route; After that is carrying on the size computation to a components each labor step of working procedure, the key is decides each working procedure the craft equipment and the cutting specifications; Then carries on the unit clamp the design, the choice designs the jig each composition part, like locates the part, clamps the part, guides the part, to clamp concrete and the engine bed connection part as well as other parts; Position error which calculates the jig locates when produces, analyzes the jig structure the rationality and the deficiency, and willdesign in later pays attention to the improvement.Keywords:The craft, the working procedure, the cutting specifications, clamp, the localization, the error目录序言 (1)一. 零件分析 (2)1.1 零件作用 (2)1.2零件的工艺分析 (2)二. 工艺规程设计 (3)2.1确定毛坯的制造形式 (3)2.2基面的选择 (4)2.3制定工艺路线 (6)2.4机械加工余量、工序尺寸及毛坯尺寸的确定 (8)2.5确定切削用量及基本工时 (9)三夹具设计 (15)3.1问题的提出 (15)3.2定位基准的选择 (15)3.3切削力及夹紧力计算 (16)3.4定位误差分析 (17)3.5夹具设计及简要操作说明 (18)总结 (19)致谢 (20)参考文献 (21)序言机械制造业是制造具有一定形状位置和尺寸的零件和产品,并把它们装备成机械装备的行业。
机械制造装备设计课程设计说明书设计题目:自行车右曲柄夹具设计学校:大学(工学院)专业:机械设计制造及其自动化指导老师:班级:学生:学号:2012年12月28日设计任务书➢设计题目:自行车右曲柄夹具设计➢设计要求:设计夹具、钻M14*1.25和Φ16孔。
➢生产类型:大批量生产➢毛坯类型:铸件➢设计时间:2012.12.17------2012.12.31➢设计容:✧1、熟悉零件图✧2、绘制零件图✧3、绘制夹具总装配图✧4、绘制夹具零件图✧5、编写设计说明书一份目录1、零件分析1.1零件的作用2、定位装置设计2.1 定位基准的选择2.2 定位方案设计2.3 定位元件可按工件典型定位基准面分类2.4 确定本方案定位元件2.5 曲柄机械加工工艺路线3、计算方法3.1定位计算3.2定位误差计算4、工件的夹紧4.1夹具压板4.2 夹具夹紧准则4.3夹紧力力作用点准则:5、夹具装夹定位初步形成图5.1夹具形成图5.2夹具优缺点分析6、设计感想7、主要参考文献£1 零件分析£1.1 零件的作用题目所给定的零件是自行车右曲柄,其主要作用是与链柄和脚踏板配合使用,在配合链柄使用时,通过Φ16连接轴和孔Φ9用销穿过,已达到曲柄和链柄的配合是有;曲柄通过M14×1.25来连接脚踏板,以保证曲柄对脚踏板力的传动,使链柄转动起来。
从而达到链柄带动链条,链条通过飞轮让后轮转动起来,达到自行车前进的目的。
£1.2零件的工艺分析该零件属于典型的曲柄类零件,而且为曲柄。
因此,其主要的要素应该包括两侧面,大、小头孔。
另外,还有其他的辅助要素:小头和大头的径向孔以及柄身部分的铸造结构。
它的所有表面均需切削加工,各表面的加工精度和表面粗糙度都不难获得。
表面质量要求也不是很高,还是比较容易加工得到的,应该说,这个零件的工艺性较好£1.3作用及技术要求通过对该零件的零件图的重新绘制知原图样的视图是符合要求的,尺寸、公差及技术要求比较齐全。
自行车右曲柄夹具设计
随着自行车的广泛应用,自行车的零件也在不断地改善和升级,其中一个重要的零件就是曲柄。
曲柄的设计对于自行车的骑行体验和舒适度具有至关重要的影响。
而曲柄的夹具则是固定曲柄和轴之间的重要零件。
本文将探讨自行车右曲柄夹具的设计。
一、设计要求
1. 固定性:夹具应能够牢固地固定曲柄和轴之间的连接。
2. 稳定性:夹具应能够保持曲柄的稳定性,并能够抵抗骑行中的震动和冲击。
3. 可靠性:夹具应能够保证在长期使用中不出现松动和损坏的情况,同时能够防止曲柄的滑动和旋转。
4. 安全性:夹具应确保在使用中不会出现脱落和卡住的情况,以保证使用者的安全。
5. 易操作性:夹具应具有简单易操作的特点,以便使用者能够方便地进行快速拆卸和安装。
二、设计方案
在考虑以上要求的基础上,设计自行车右曲柄夹具的方案如下:
1. 夹具材料:采用高强度铝合金材料,兼顾轻量化和强度要求的同时,降低成本。
2. 夹紧方式:采用螺纹夹紧方式,通过旋转紧固螺母,可以将曲柄牢固地固定在轴上。
3. 表面处理:采用防滑处理,增加摩擦力以提高稳定性,使曲柄在骑行中不易滑动。
4. 结构设计:夹具应采用圆形或六角形等设计,以增加夹紧面积和夹紧力,防止曲柄的滑动和旋转。
5. 操作方式:螺母应采用手动旋转,同时配合钢板、弹簧等结构,以便提高人工操作力,并保证夹紧力的稳定性。
三、设计测试
在设计完成后,需要对自行车右曲柄夹具进行测试。
具体测试方式如下:
1. 固定性测试:将夹具与自行车轴连接,并牢固固定曲柄,然后施加一定的力以测
试夹具的固定性。
2. 稳定性测试:在骑行的情况下,测试曲柄在夹具中的稳定性,检测夹具的防震功
能是否达到要求。
3. 可靠性测试:长时间使用夹具,检测夹具是否会出现松动、变形、裂纹和磨损等
情况。
四、总结
通过以上的设计和测试,可以得出自行车右曲柄夹具的结论。
在设计夹具时,需要考
虑固定性、稳定性、可靠性、安全性和易操作性等多方面因素,并采用高强度铝合金材料,实现轻量化和强度要求。
同时,在测试时要注意对夹具的多个方面进行全面检测,以确保
夹具的质量和性能符合标准。