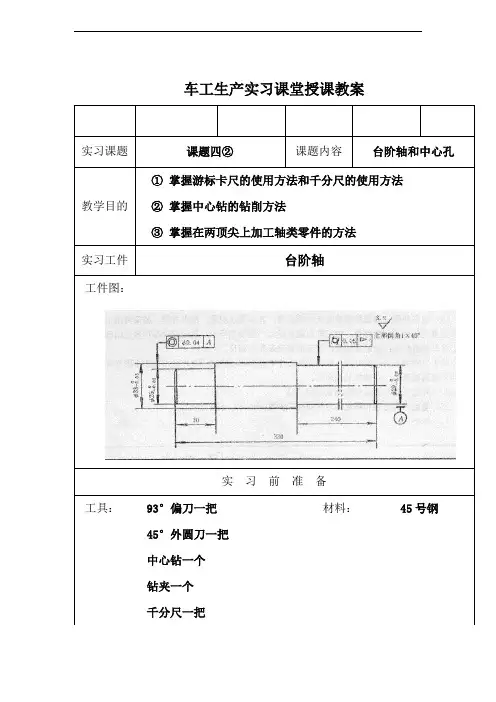
轴类中心孔
- 格式:doc
- 大小:424.50 KB
- 文档页数:4
中心孔(摘自GB/T4459.5—1999) mm标注示例:直径D=4mm的A型中心孔:中心孔:中心孔A4/8.5GB/T4459.5—1999A型不带护锥中心孔 B 型带护锥中心孔 C 型带螺纹中心孔注:括号内尺寸尽量不用。
D D1L1(参考)t(参考)D D1D2LL1(参考)选择中心孔的参考数据A,B 型A型 B 型A型 B 型A,B型C 型轴状原料最大直径D0原料端部最小直径D0零件最大重量kg2.02.53.154.00(5.00)6.30 (8.00) 10.00 4.255.306.708.5010.6013.2017.0021.206.38.010.0012.5016.0018.0022.4028.001.952.423.073.904.855.987.799.702.543.204.035.056.417.369.3611.661.82.22.83.54.45.57.08.7M3M4M5M6M8M103.24.35.36.48.410.55.87.48.810.513.216.32.63.24.05.06.07.51.82.12.42.83.33.8>10~18>18~30>30~50>50~80>80~120>120~180>180~220>180~220810121520253035120200500800100015002000250中心孔表示法(摘自GB/T4459.5 —— 1999 )要求符号标注示例解释在完工的零件上要求保留中心孔要求作出 B 型中心孔1015.3max= =Dd在完工零件上要求保留在完工的零件上可以保留中心孔用A型中心孔d=4,Dmax=8.5在完工的零件上是否保留都可以在完工的零件上不允许保留中心孔用A型中心孔d=2,Dmax=4.25在完工的零件上不允许保留标注示例解释同一轴的两端中心孔相同,可只在其一端标出,但应注出其数量1.如需指明中心孔的标准代号时,则可标注在中心孔型号的下方(图a)2.中心孔工作表面的粗糙度应在引出线上标出(图 b )R10 R20 R10 R20 R10 R20 R40 R10 R20 R40 R10 R20 R401.251.602.002.503.15 1.251.401.601.802.002.242.502.803.153.554.005.006.308.0010.04.004.505.005.606.307.108.009.0010.011.212.516.020.012.514.016.018.020.012.513.214.015.016.017.018.019.020.021.225.031.522.425.028.031.535.522.423.625.026.528.030.031.533.535.537.540.050.063.040.045.050.056.063.040.042.545.047.550.053.056.060.063.067.0续表注:1. 选用标准尺寸的顺序为:R10、R20、R402.本标准适用于机械制造业中有互换性或系列化要求的主要尺寸,其它结构尺寸也应尽量采用。
中心钻分类-中心钻国家标准及使用方法内容来源网络,由“深圳机械展(11万㎡,1100多家展商,超10万观众)”收集整理!更多cnc加工中心、车铣磨钻床、线切割、数控刀具工具、工业机器人、非标自动化、数字化无人工厂、精密测量、3D打印、激光切割、钣金冲压折弯、精密零件加工等展示,就在深圳机械展.中心钻用于孔加工的预制精确定位,引导麻花钻进行孔加工,减少误差。
适用于轴类等零件端面上的中心孔加工。
下面小编为大家介绍中心钻分类、特点、国家标准?中心钻使用方法说明?中心钻分类中心孔是轴类工件在顶尖上安装的定位基面。
中心孔的60°锥孔与顶尖上的60°锥面相配合;里端的小圆孔,为保证锥孔与顶尖锥面配合贴切,并可存储少量润滑油(黄油)。
中心孔常见的有A型和B型。
A型中心孔只有60°锥孔。
B型中心孔外端的120°锥面又称保护锥面,用以保护60°锥孔的外缘不被碰坏。
A型和B型中心孔,分别用相应的中心钻在车床或专用机床上加工。
加工中心孔之前应先将轴的端面车平,防止中心钻折断,标准中心钻的峰角一般为118度.中心钻特点该产品切削轻快、排屑好。
中心钻有二种型式:A型:不带护锥的中心钻、B型:带护锥的中心钻,加工直径d=2~10mm的中心孔时,通常采用不带护锥的中心钻(A型);工序较长、精度要求较高的工件,为了避免60度定心锥被损坏,一般采用带护锥的中心钻(B型)。
中心钻国家标准GB/T 6078-2016于2016年9月1日实行,替代:GB/T 6078.1-1998、GB/T6078.2-1998、GB/T 6078.3-1998、GB/T 6078.4-1998。
GB/T 6078-2016于2016年9月1日实行,替代:GB/T 6078.1-1998、GB/T 6078.2-1998、GB/T 6078.3-1998、GB/T 6078.4-1998。
中心钻使用方法说明?1.用户必须根据被加工零件的孔型及直孔尺寸合理选用中心钻的型号。
A型中心孔(又称不带护锥中心孔),一般都用A型中心钻(又称无护锥60°复合中心钻)加工。
这种中心孔仅在粗加工或不要求保留中心孔的工件上采用,它的直径尺寸d和D主要根据轴类工件的直径和质量来选定。
B型中心孔(又称带护锥中心孔),通常用B型中心钻(又称带护锥的60度复合中心钻)加工。
因为有了120°的保护圆锥体,所以60°中心孔不会损伤与破坏。
要求保留中心孔的工件应该采用B型中心孔如机床的光杆和丝杆、绞刀等刀具上的中心孔,都应打B型中心孔。
C型中心孔(又称带螺纹的中心孔),它与B型中心孔的主要区别是在其上作有一小段螺纹孔。
所以要求把工件固定在轴上的中心孔采用C型。
R型中心孔(又称圆弧形中心孔)及加工时所用的R型中心钻(又称圆弧形中心钻)。
R型中心钻的主要特点是强度高,它可避免A型和B型中心钻在其小端圆柱段和60°圆锥部分交接处产生应力集中现象,所以中心钻断头现象可以大大减少。
中心孔一般用来辅助加工用,通常都使用易于加工的A型,至于其它两个类型可能是用于结构比较特殊的地方,以不影响整体的机械性能.b型的带有保护锥,防止碰坏中心孔啊;象轴类零件一般粗车后要调质的;防止调质时碰伤中心孔;A型中心孔应用在不需保留或保留不保留中心孔均可的场合。
B型中心孔应用在后续加工或检验时要重复利用中心孔作定位基准的场合。
C型中心孔应用在轴端有特殊结构(比如装有轴端挡板)以及作为吊环螺钉的安装孔的场合。
选中心空要看看你加工零件的精度还有工序等A型精度要求一般B型精度要求较高工序多的工件C型需要把其他零件轴向固定轴上的时候用C型中心孔R型适用于轻型和高精度的轴看看你需要哪种具体的型号还是要自己选择。
中心孔选用标准全文共四篇示例,供读者参考第一篇示例:中心孔是工件上用来固定、定位和传动力矩的孔,是加工中最基本的定位孔。
在机械加工中,中心孔的选用标准对于加工精度、效率和质量起着至关重要的作用。
合理选择中心孔标准,能够确保工件的加工精度、能耗、生产效率和质量,提高生产效率,降低成本,是加工中不可忽视的重要环节。
中心孔的选用标准应符合工件的实际要求。
在进行中心孔选用时,需根据工件的形状、尺寸、材质、加工量等因素来选择合适的中心孔标准。
通常情况下,标准中心孔有A、B、C、D四种类型,其中A为精密型、B为一般型、C为普通型、D为特殊需求型。
对于高精度要求的工件,应选择精密型的中心孔标准;而对于一般加工要求的工件,则可以选择一般型或普通型的中心孔标准。
中心孔的选用标准应考虑加工方式和精度要求。
不同的加工方式对中心孔的选用标准也有所要求,如钻孔、铣削、车削等加工方式对中心孔的要求也不尽相同。
根据工件的加工精度要求来选择合适的中心孔标准也是至关重要的。
在加工高精度工件时,应选择更高精度的中心孔标准,以保证加工精度和质量。
中心孔的选用标准还需考虑被加工零件的后续加工工序。
有些工件在中心孔定位时需要进行多次加工,因此需要考虑后续加工工序对中心孔的要求,选择适合的中心孔标准。
在选择中心孔标准时还要考虑工件加工后的稳定性和可靠性,以确保全过程加工的顺利进行。
第二篇示例:中心孔是机械设备上常见的一种孔型,其作用是用来定位和固定零件。
为了保证设备的正常运行和使用寿命,选用合适的中心孔标准至关重要。
下面我们来详细介绍中心孔选用标准及其重要性。
一、中心孔的作用中心孔通常位于轴端或座部,用来定位轴心位置和确保零件间的相对位置。
在安装和组装机械设备时,通过中心孔可以快速准确地定位零件,提高生产效率和产品质量。
中心孔还可以起到固定零件的作用,避免零件在运动过程中发生错位或脱落。
1. 直径尺寸:中心孔的直径应符合相应的标准规定,可以避免因孔径过大或过小导致的轴心不准确或轴心偏移现象。
加工轴类零件时定位基准的选择原则加工轴类零件时,定位基准的选择可不是一件轻松的事。
你得想清楚,怎样能让零件加工得又快又好,位置准确不说,精度也得有保障。
那怎么选定位基准呢?哎呀,这就像做饭一样,锅得选对了,火候得掌握好,不然再好的食材也做不出味道来。
咱们说,定位基准,就是为了确保零件在加工过程中不会东倒西歪,保证它的精度和稳定性。
定位准确了,零件不跑位,质量才能有保障。
定位基准的选择要符合零件的形状、结构以及加工工艺要求。
你想啊,轴类零件一般都是圆柱形的,像这种形状的零件,要是随便找个地方当基准,那加工出来的效果肯定差强人意。
就好比你做菜,食材不能随便乱放,得有个固定的地方。
轴类零件上有些关键的地方,比如端面、中心孔或者某些固定的平面,都是理想的定位基准。
它们可以给你提供稳定的支持,保证零件的加工不会出现偏差。
所以说,选择定位基准的时候,首先得考虑这些结构特点,别搞错了。
然后,咱们得考虑定位基准的可操作性。
你得想,零件加工过程中,基准得容易操作、容易测量,不然你就得在机器旁边和零件“拔河”了,效率低不说,还容易出问题。
要是选择的基准位置太难测量,或者基准太小,导致夹持不牢靠,那加工出来的结果就是瞎忙活。
定位基准最好是在加工过程中能有充足的支撑点,保持零件稳定不动,避免出现“浮动”。
别看这些基准看起来不显眼,实际做起活来,可是事关大局。
选择定位基准时得考虑它的重复性。
你想啊,要是每次都得重新找基准,那不就是费时间、浪费精力吗?尤其是批量生产的情况下,得确保每个零件都能在相同的位置进行加工,这样才能保证每个零件的精度一致。
换句话说,基准的重复性越好,加工过程就越流畅,产出的零件就越精确。
这就好比你拍照一样,光线、角度都固定好了,照片自然清晰。
除了这些,定位基准的选择还得考虑到加工的工序。
如果你加工的工序比较简单,零件的定位要求也不高,随便找个地方当基准可能就够了。
但如果工序复杂,需要多个步骤加工,那基准就得选得更有讲究了。
中心孔类型:
中心孔分为A、B、C和R四个型号
A型:当工件在一台机床上加工,加工后去掉中心孔时用。
B型:当零件在几台机床上加工,或中心孔需保留在零件上,或当加工零件毛坯总重量超过5吨时用。
C型:当轴类零件端部需固定零件或考虑热处理需吊挂用。
R型:主要用于轧辊等重要零件上。
中心孔的大小主要根据工件的重量来决定,以A型中心孔为例,当中心孔的直径为2mm时,轴类原料直径为10-18mm,可承受零件毛坯总重量120公斤;中心孔的直径为3mm时,轴的直径为30-50mm,可承受零件毛坯总重量500公斤;当中心孔的直径为5mm时,轴的直径为80-120mm,可承受零件毛坯总重量1000公斤。
注:1. A、B型中心孔的尺寸l取决于中心钻的长度,不应小于t值。
2. 括号内的尺寸尽量不采用。
确定加工中孔的工艺方法如下:(1)零件标准公差等级要求为IT10- IT12时,其标准公差值在0.04-0.012mm之间。
中心孔的工艺为:车外圆—车端面—钻中心孔。
(2)零件标准公差等级要求为IT8-IT 9,其标准公差值在0.014-0.036mm之间,中心孔的工艺为:车外圆—车端面—钻中心孔—车端面—钻中心孔—热处理—研中心孔圆锥面。
( 3)零件标准公差等级要求为IT6- IT7,其标准公差值在0.006-0.012,中心孔的工艺为:粗车—热处理—(调质)—车外圆—车端面—钻中心孔—车端面—钻中心孔—粗研中心孔圆锥面—热处理—研中心孔圆锥面。
以上加工中心的工艺方法:一方面确保零件两端中心孔轴线同轴度误差控制在公差要求范围之内,另一方面确保中心孔圆锥面的几何形状误差和表面粗糙度控制在允许的范围之内,达到提高加工效率。
降低加工成本的目的。
四.加工中心孔几何精度和降低表面粗糙度的方法中心孔的质量主要由几何精度、表面粗糙度中心孔圆锥面来影响的,加工中心孔圆锥面的加工方法有很多,常用的加工方法有下面6种方法:(1)中心钻直接加工出圆锥面(2)用硬质合金激光圆锥面(3)用铸铁棒研圆圆锥面(4)用橡皮砂轮研圆圆锥面(5)用万能磨床磨削圆锥面(6)用中心孔磨床磨削圆锥面零件两端中心孔轴线的同轴度是由车加工中心孔来保证的,中心孔圆锥面几何形状和表面粗糙度也是由车工加工中心孔来打基础的,而研中心孔圆锥面而则是提高圆锥几何精度和降低表面粗糙度的辅助方法。
五.常用中心孔类型的改进中心孔共有10种类型,但是常用的是国际 GB145—1985A 型中心孔和B 型, A型中心孔主要用于零件的加工后,中心孔不在继续使用;B型中心孔主要用于零件加工后,中心孔还要继续使用,所以120锥面是保护60度锥面的,为了提高工艺性和加工精度。
将圆锥面改成如图所示,这样也同样起到保护60度的作用。
60度B 型中心孔是用60度B型中心钻加工出来的(见图3),所以 L1 的长度由中心钻L1来决定来决定的。
巧用中心钻效益大改变中心钻在机械加工中是一个常用的刀具,想必懂机械加工的人都知道且大多数人都在使它。
然而就是这个不起眼的中心钻,在实际生产中却起着重要的作用。
中心钻最早多用于车床,是用来打轴类零件的中心孔。
伴随着自动化的日趋普遍,在多功能数控设备中应的更为广泛。
其最大的功能就是点中心孔,以保证零件孔加工的位置度。
然而在实际生产中,我们却出现了很多问题:最常见的就是中心钻在钻中心孔时断裂引起零件的报废;其次是中心钻使用不当,引起孔位置度不达标,易出质量问题。
在我公司的生产中这样的问题也时常发生。
根据我在实际生产中长期的摸索,我对数控加工中孔加工使用中心钻总结了以下几点技巧可供大家分享。
1.根据产品图纸综合分析,如果所加工的孔孔径均比较大,那么我们应考虑主轴进给力的能力较好,不易断裂;b.使用较大的中心钻,散热性能高于直径小的中心钻,且我们所选用的与之相匹配的主轴转速就会比小直径的低,当切削中冷却效果不够好时也不易因瞬间过热而引起切削刃迅速变钝。
通过上述两点采用较大的中心钻将大大的降低了切削中断裂的概率。
2.用中心钻打中心孔需要根据加工要求而定。
比如说:用多大的中心钻?打多少深度?并不是所有的中钻都打同样深度的中心孔。
其深度和所选用的中心钻大小需要根据打孔的钻头来决定。
一般来讲钻头越大其横刃就越宽,我们都知道在钻削中钻头的横刃几乎是不参加切削的,也就是说打孔时钻头所受到的阻力主要来源于横刃。
因此在没有中心孔的情况下用钻头所打的孔很容易偏离位置度。
故而我们在用钻头打孔前先用中心钻打好中心孔如图(1-1)。
中心钻的大小一般选用大于钻头横刃宽度2倍所趋近的尺寸规格较好,中心孔的深度H一般选取略大于D/2即可,中心孔打的过深一方面浪费加工时间,另一方面减少了中心钻加工中心孔的单位数量。
然而有人要说:“我打的中心孔越浅不是越好吗?”同样打的过浅就起不到定位的作用。
钻头在钻有中心孔的孔时,最初的受力分析如图(1-2)。
轴类中心孔加工标准
一、孔径尺寸
中心孔的孔径尺寸应符合设计要求,孔径公差应符合相关标准。
通常,中心孔的孔径尺寸可以通过使用量规或塞规进行测量。
二、孔深尺寸
中心孔的孔深尺寸应符合设计要求,通常以轴类零件的直径尺寸为基础进行计算。
孔深公差应符合相关标准。
使用深度计量规或深度尺进行测量。
三、孔的表面质量
中心孔的表面质量应光滑、无毛刺、无裂纹等缺陷。
孔的表面粗糙度应符合设计要求,一般采用Ra值进行表征。
可以使用表面粗糙度样板或微观轮廓仪进行检测。
四、孔的位置精度
中心孔的位置精度应符合设计要求,包括孔的中心位置和角度位置。
使用坐标测量机或三坐标测量仪进行检测。
五、孔的同心度
中心孔的同心度是指孔的中心线与轴类零件的外圆表面之间的偏心程度。
同心度误差会影响轴类零件的旋转精度和动平衡性能。
使用同心度测量仪或三坐标测量仪进行检测。
六、孔的垂直度
中心孔的垂直度是指孔的中心线与轴类零件的端面之间的垂直程度。
垂直度误差会影响轴类零件的定位精度和承载能力。
使用垂直度测量仪或三坐标测量仪进行检测。
七、孔的同轴度
中心孔的同轴度是指孔的中心线与轴类零件的中心线之间的同轴程度。
同轴度误差会影响轴类零件的旋转精度和动平衡性能。
使用同轴度测量仪或三坐标测量仪进行检测。
八、孔的端面质量
中心孔的端面质量应平整、无裂纹、无毛刺等缺陷。
端面平整度会影响轴类零件的定位精度和承载能力。
可以使用端面平整度样板或微观轮廓仪进行检测。
中心孔(摘自GB/T4459.5—1999)mm标注示例:直径D=4mm的A型中心孔:中心孔:中心孔 A4/8.5GB/T4459.5—1999A型不带护锥中心孔 B 型带护锥中心孔 C 型带螺纹中心孔注:括号内尺寸尽量不用。
D D1L1(参考)t(参考)D D1D2LL1(参考)选择中心孔的参考数据A,B 型A型 B 型A型 B 型A,B型C 型轴状原料最大直径D0原料端部最小直径D0零件最大重量kg2.02.53.154.00(5.00)6.30 (8.00) 10.004.255.306.708.5010.613.217.021.26.38.010.012.516.018.022.428.01.952.423.073.904.855.987.799.702.543.204.035.056.417.369.3611.661.82.22.83.54.45.57.08.7M3M4M5M6M8M103.24.35.36.48.410.55.87.48.810.513.216.32.63.24.05.06.07.51.82.12.42.83.33.8>10~18>18~30>30~50>50~80>80~120>120~180>180~220>180~220810121520253035120200500800100015002000250要求符号标注示例解释在完工的零件上要求保留中心孔要求作出 B 型中心孔1015.3max= =Dd在完工零件上要求保留在完工的零件上可以保留中心孔用A型中心孔 d=4,Dmax=8.5在完工的零件上是否保留都可以在完工的零件上不允许保留中心孔用A型中心孔 d=2,Dmax=4.25在完工的零件上不允许保留标注示例解释同一轴的两端中心孔相同,可只在其一端标出,但应注出其数量1.如需指明中心孔的标准代号时,则可标注在中心孔型号的下方(图a)2.中心孔工作表面的粗糙度应在引出线上标出(图 b )标准尺寸(直径、长度和高度等)(摘自GB/T2822—1981)R10R20R10R20R10R20R40R10R20R40R10R20R401.25 1.601.251.401.604.005.004.004.505.0012.512.514.012.513.214.025.022.425.022.423.625.040.040.045.040.042.545.0续表注:1. 选用标准尺寸的顺序为:R10、R20、R402.本标准适用于机械制造业中有互换性或系列化要求的主要尺寸,其它结构尺寸也应尽量采用。
中心孔对轴齿零件加工精度影响的研究在机械加工中,有许多精度要求较高的轴类零件,如精密机床主轴,专用芯轴等,由于在精加工过程中工件是以中心孔为主要定位基准加工外圃,端面的,因此对中心孔精度要求很高。
标签:中心孔;大轴;高精度目前大多数企业均采用铸铁棒研磨法,硬质合金顶尖挤研法,四棱顶尖挤研法,卡住挤削法,砂轮顶尖研磨等方法来对标准中心孔进行研磨,使其最终在6 0 “锥角,几何尺寸,粗糙度,圆度等指标上达到设计要求,以此来保证工件的加工精度。
但在实际加工当中,我们发现:当研磨较小工件的标准中心孔时(工件外形尺寸小,中心孔就小),通过上述方法可较易达到精度要求,而当研磨大型工件的标准中心孔时,就比较困难,从而造成工件表面同轴度,圆度及支承轴颈的相对径向圆跳动,轴肩端面圆跳动大大超差,产生废品,废品率往往达到20%以上。
1分析与探讨齿零件上各外圆,齿轮齿圈,螺纹,花键等的设计基准一般都是轴的中自线,在加工时用两个中心孔心连线模拟轴线,因此在制造过程中,选择两中心孔定位,既符合基准重合原则,加工时又能达到较高的相互位置精度,且工件装夹方便。
对6级以上的高精度轴类零件,其中心孔技术要求为:表面粗糙度Ra 0 3 2卜m ,圆度小于. 0 8卜m ,其锥面与磨床顶尖的接触面积在最后工序要达到80%以上。
如果仅依靠中心钻孔来保证精度则很难达到要求,而且中心孔是以粗车外圆定位的,两端中心孔同轴度不能一致,当工件经热处理后,中心孔易发生变形,因此在整个工序加工路线中,都需要通过“ 互为基准” 的方式对中心孔和外圆进行反复研磨和磨削,使工件精度和中心孔精度,锥面与磨床顶尖的接触精度逐步提高,最终达到技术要求,但是这样做的结果是生产效率很低,废品率较高。
我们知道利用硬质合金顶尖挤研,硬质合金四棱顶尖挤研及卡住挤削效率高,但缺点是当中心孔 D 部尺寸在必~以上时(见图 1 ),由于中心孔较大,锥面面积相应增大,增加了研磨的难度,很难保证接触精度; 另外加工过程中容易产生高温,反而会挤坏中心孔,并造成中心孔硬度软化,从而使工件的圆度、径向圆跳动、同轴度无法保证在.0 002~以下。
中心孔(摘自GB/T4459.5—1999) mm
标注示例:直径D=4mm的A型中心孔:中心孔:中心孔A4/8.5GB/T4459.5—1999
A型不带护锥中心孔 B 型带护锥中心孔 C 型带螺纹中心孔注:括号内尺寸尽量不用。
D D1
L1
(参考)
t
(参
考)
D D1D2L
L1
(参
考)
选择中心孔的参考数据
A,B 型A型 B 型A型 B 型A,B
型
C 型
轴状原料
最大直径
D0
原料端
部最小
直径D0
零件最大
重量
kg
2.0
2.5
3.15
4.00
(5.00)
6.30 (8.00) 10.00
4.25
5.30
6.70
8.50
10.60
13.20
17.00
21.20
6.3
8.0
10.00
12.50
16.00
18.00
22.40
28.00
1.95
2.42
3.07
3.90
4.85
5.98
7.79
9.70
2.54
3.20
4.03
5.05
6.41
7.36
9.36
11.66
1.8
2.2
2.8
3.5
4.4
5.5
7.0
8.7
M3
M4
M5
M6
M8
M10
3.2
4.3
5.3
6.4
8.4
10.5
5.8
7.4
8.8
10.5
13.2
16.3
2.6
3.2
4.0
5.0
6.0
7.5
1.8
2.1
2.4
2.8
3.3
3.8
>10~18
>18~30
>30~50
>50~80
>80~120
>120~180
>180~220
>180~220
8
10
12
15
20
25
30
35
120
200
500
800
1000
1500
2000
250
中心孔表示法(摘自GB/T4459.5 —— 1999 )
要求符号标注示例解释
在完工的零件上要求保留中心孔要求作出 B 型中心孔
10
15
.3
max
= =D
d
在完工零件上要求保留
在完工的零件上可以保留中心孔
用A型中心孔d=4,
Dmax=8.5
在完工的零件上是否保留都
可以
在完工的零件上不允许保留中心
孔
用A型中心孔d=2,
Dmax=4.25
在完工的零件上不允许保留
标注示例解释
同一轴的两端中心孔相同,
可只在其一端标出,但应注
出其数量
1.如需指明中心孔的标准代
号时,则可标注在中心孔型
号的下方(图a)
2.中心孔工作表面的粗糙度
应在引出线上标出(图 b )标准尺寸(直径、长度和高度等)(摘自GB/T2822—1981)
R10 R20 R10 R20 R10 R20 R40 R10 R20 R40 R10 R20 R40
1.25
1.60
2.00
2.50
3.15 1.25
1.40
1.60
1.80
2.00
2.24
2.50
2.80
3.15
3.55
4.00
5.00
6.30
8.00
10.0
4.00
4.50
5.00
5.60
6.30
7.10
8.00
9.00
10.0
11.2
12.5
16.0
20.0
12.5
14.0
16.0
18.0
20.0
12.5
13.2
14.0
15.0
16.0
17.0
18.0
19.0
20.0
21.2
25.0
31.5
22.4
25.0
28.0
31.5
35.5
22.4
23.6
25.0
26.5
28.0
30.0
31.5
33.5
35.5
37.5
40.0
50.0
63.0
40.0
45.0
50.0
56.0
63.0
40.0
42.5
45.0
47.5
50.0
53.0
56.0
60.0
63.0
67.0
续表
R10 R20 R40 R10 R20 R40R10 R20 R40 R10 R20 R40 R10 R20 R40
80.0 71.0
80.0
90.0
71.0
75.0
80.0
85.0
90.0
125
160
125
140
160
125
132
140
150
150
250
224
250
280
224
236
250
265
280
400
500
400
450
500
400
425
450
475
500
800
710
800
900
710
750
800
850
900
注:1. 选用标准尺寸的顺序为:R10、R20、R40
2.本标准适用于机械制造业中有互换性或系列化要求的主要尺寸,其它结构尺寸也应尽量采用。
对已有专用标准(如滚动轴承,联轴器等)规定的尺寸,按专用标准选用。
__________________________________________________ __________________________________________________。