天沟施工技术交底
- 格式:doc
- 大小:174.50 KB
- 文档页数:11
钦北铁路技术交底记录表编号:天沟施工技术交底一、编制依据1)《客运专线铁路路基工程施工技术指南》(TZ212-2005),2)《铁路路基工程施工质量验收标准》(TB10414—2003,J285-2004)3)《客运专线铁路路基工程施工质量验收暂行标准》(铁建设[2005]160号)4)《路基工程设计专用图》(沿海施路专业01—1)5)区间路基设计图二、适用范围DK09+610~DK9+738右侧长156m, DK09+765~DK9+802右侧长58m, DK9+980~DK10+110左侧长150m, DK10+473~DK10+510左侧长44m, DK10+722~DK10+737左侧长24m,DK10+743~DK10+770右侧长48m, DK11+445~DK11+465右侧长10m, DK11+550~DK11+613右侧长76m, DK11+795~DK11+910左侧长129m, DK11+815~DK11+910右侧长度113m,DK12+603~DK12+628左侧长50m,DK12+687~DK12+774。
4左侧长93m,DK13+644~DK13+803.76左侧长200m,DK14+085~DK14+171右侧长112m,DK14+230~DK14+310左侧长95m,DK14+440~DK14+505左侧长67m,DK14+505~DK14+595右侧长107m,DK14+835~DK14+868左侧长47m,DK15+000~DK15+100左侧长110m,DK15+170~DK15+212右侧长61m,DK15+267~DK15+298左侧长48m,DK15+804。
06右侧长134m,DK15+864。
74~DK15+923左侧长87m,DK16+011.54~DK16+067。
46右侧长77m,DK16+144。
54~DK16+265左侧长154m,DK16+230~DK16+275右侧长61m,DK16+760~DK16+853。
一、工程概况1. 工程名称:[工程名称]2. 施工单位:[施工单位]3. 施工地点:[施工地点]4. 施工时间:[施工开始时间]至[施工结束时间]二、施工范围及内容1. 施工范围:[施工范围,如:某路段、某建筑物等]2. 施工内容:截水天沟的施工,包括基础开挖、沟槽支护、混凝土浇筑、防水处理等。
三、施工安全技术交底1. 施工人员安全意识教育(1)加强施工人员的安全意识教育,确保施工人员了解并遵守各项安全操作规程。
(2)对新进场人员进行岗前安全教育培训,确保其具备一定的安全知识。
2. 施工现场安全措施(1)施工现场设置明显的安全警示标志,提醒施工人员注意安全。
(2)施工现场设置安全通道,确保施工人员通行畅通。
(3)施工区域设置围挡,防止非施工人员进入。
3. 施工机械及材料安全(1)机械设备操作人员必须持有相应的操作资格证书。
(2)机械设备在使用前应进行全面检查,确保其安全可靠。
(3)施工材料必须符合国家相关标准,严禁使用不合格材料。
4. 施工人员个人防护(1)施工人员必须佩戴安全帽、安全带、防护眼镜等个人防护用品。
(2)高空作业人员必须佩戴安全绳、安全网等防护设施。
5. 施工现场防火、防爆、防中毒(1)施工现场设置消防器材,确保其完好、有效。
(2)禁止携带易燃易爆物品进入施工现场。
(3)施工现场通风良好,防止有毒有害气体积聚。
6. 施工现场防触电(1)施工现场电气设备必须符合国家相关标准,确保安全可靠。
(2)施工人员必须掌握电气设备的操作规程,防止触电事故发生。
7. 施工现场防坠落(1)高空作业人员必须使用安全带,并确保安全带系挂正确。
(2)施工现场设置安全防护栏,防止人员坠落。
8. 施工现场防坍塌(1)基础开挖、沟槽支护等作业过程中,应加强监测,确保施工安全。
(2)对不稳定边坡进行加固处理,防止坍塌事故发生。
9. 施工现场防噪声、防尘(1)施工现场噪声不得超过国家规定标准。
(2)施工现场应采取防尘措施,降低粉尘污染。
一、工程名称:XX厂房天沟安装工程二、施工单位:XX建筑公司三、建设单位:XX工厂四、交底部门:安全管理部门五、交底人:安全工程师六、施工期限:年月日至年月日七、接受交底班组或员工签名:八、交底内容:1. 安全意识教育- 所有参与天沟安装的施工人员必须接受安全教育培训,了解并掌握安全操作规程。
- 施工现场应设立明显的安全警示标志,提醒施工人员注意安全。
2. 个人防护- 施工人员必须佩戴安全帽、安全带,穿着符合安全要求的防护服。
- 禁止穿硬底鞋、高跟鞋等易滑鞋具作业。
3. 现场环境- 施工现场应保持整洁,确保作业通道畅通。
- 作业区域周围应设置围栏或警戒线,禁止无关人员进入。
4. 高处作业- 高处作业人员必须系好安全带,安全带应挂在结实可靠的地方。
- 高处作业平台应稳固可靠,必要时设置防滑措施。
- 高处作业时,禁止在临边、洞口等危险区域作业。
5. 材料与工具- 所有材料与工具在使用前必须进行检查,确保其安全可靠。
- 使用电动工具时,必须检查漏电保护器是否正常工作。
6. 天沟安装操作- 天沟安装前,应对安装位置进行仔细测量,确保尺寸准确。
- 安装过程中,应注意天沟的水平和垂直度,避免出现倾斜或变形。
- 天沟与墙体连接处应牢固,防止雨水渗漏。
7. 支模与加固- 支模时,应按规定的程序进行,模板未固定前不得进行下一道工序。
- 支撑结构应稳固,不得使用腐朽、扭曲的材料。
- 加固点应设置在合理位置,确保支撑的稳定性和安全性。
8. 拆除作业- 拆除作业前,应对现场进行清理,确保无障碍物。
- 拆除过程中,应按顺序进行,不得强行拆除。
- 拆除下来的材料应妥善堆放,防止滚动或坠落。
9. 应急处理- 施工现场应配备必要的应急救援设备,如急救箱、灭火器等。
- 施工人员应了解应急救援流程,一旦发生事故,能迅速采取有效措施。
九、交底结束- 施工单位应组织所有参与天沟安装的施工人员进行安全技术交底,确保每位施工人员都清楚了解并遵守上述安全规定。
天沟施工技术交底一、前期准备在施工之前,必须进行充分的前期准备工作,确保施工可以顺利进行。
前期准备包括如下几个步骤:1.确定施工地点:在进行天沟施工之前,必须先确定施工地点。
需要考虑到地形、土质、排水情况等因素,确保选址合理。
2.制定施工计划:在确定施工地点之后,需要制定详细的施工计划,包括施工工序、时间安排等。
3.准备材料和工具:在施工之前,必须准备好所需的材料和工具,确保施工能够顺利进行。
二、施工流程天沟施工的基本流程如下:1.清理施工区域:在施工之前,需要先清理施工区域,清除杂物和灰尘等,确保施工环境整洁。
2.打样和定位:在施工之前,需要进行地面打样和天沟定位。
确保天沟的位置、长度和宽度都符合设计要求。
3.开挖天沟:在打好样和定好位之后,可以开始开挖天沟了。
开挖时应遵循安全规范,确保挖掘深度和坡度符合设计要求。
4.砌墙:在挖好天沟之后,需要对天沟进行砌墙。
砌墙时应注意水平度和垂直度,确保砌墙质量符合要求。
5.混凝土浇筑:在砌好墙之后,可以进行混凝土浇筑了。
浇筑混凝土时应注意施工工艺和施工环境,确保混凝土质量达到设计要求。
6.完工验收:在混凝土浇筑完成之后,需要进行完工验收。
验收时应检查天沟的长度、宽度、深度、坡度等是否符合设计要求,并对砌墙质量和混凝土质量进行检查。
三、安全注意事项在进行天沟施工时,必须注意安全问题。
以下是一些安全注意事项:1.施工现场必须有专人负责,负责指挥施工人员安排工作,确保施工安全。
2.施工人员必须佩戴安全防护用品,包括安全帽、安全鞋、口罩等。
3.施工现场必须设置防护措施,防止施工人员从高处坠落等意外事件。
4.在挖掘天沟时,必须注意防止坍塌和滑坡等地质灾害事件的发生。
5.在混凝土浇筑时,必须注意防止混凝土泄露和坍塌等意外事件的发生。
四、施工质量控制天沟施工质量的控制,可以通过以下方法来实现:1.严格按照设计要求进行施工,确保天沟的长度、宽度、深度和坡度等符合设计要求。
一、交底目的为确保天沟防水施工过程中的安全,预防事故发生,特进行安全技术交底。
本交底旨在使所有参与施工的人员充分了解和掌握天沟防水施工的安全注意事项,提高安全意识,确保施工安全顺利进行。
二、适用范围本交底适用于所有参与天沟防水施工的作业人员,包括施工人员、管理人员、技术人员等。
三、交底内容1. 人员要求- 所有施工人员必须经过安全技术培训,并取得相应资格证书后方可上岗作业。
- 作业人员应熟悉本交底内容,并在施工过程中严格执行。
2. 材料与工具- 防水材料应按照规定存放,避免受潮、污染和火灾等安全隐患。
- 作业工具应定期检查,确保其完好无损,并符合安全操作要求。
3. 施工准备- 施工前应进行全面的安全检查,确保施工环境安全。
- 防水作业区应设置明显的安全警示标志,并配备必要的消防器材。
4. 施工过程安全措施- 施工人员必须佩戴安全帽、工作服、手套、安全鞋等防护用品。
- 高处作业时,必须使用安全带,并确保其牢固可靠。
- 严禁在雨天、雪天或风力超过五级的情况下进行施工。
- 施工过程中应保持作业区通风良好,避免有毒有害气体积聚。
- 作业人员应严格按照操作规程进行施工,不得违章操作。
5. 用电安全- 施工现场用电必须符合国家相关标准,电线、电缆应定期检查,确保无破损、老化等现象。
- 严禁使用非标准电源插座,严禁私拉乱接电线。
- 高处作业时,严禁使用220V以上电压照明和敞开式灯具。
6. 火灾预防- 施工现场严禁烟火,禁止使用明火作业。
- 防火器材应配备齐全,并确保其处于有效状态。
- 作业人员应掌握灭火器材的使用方法。
7. 紧急事故处理- 作业人员应熟悉紧急事故的处理流程,如发生火灾、触电等事故,应立即报警并采取相应的应急措施。
- 施工单位应制定应急预案,并定期组织演练。
四、交底记录1. 交底人:____________________2. 接受交底人:____________________3. 交底时间:____________________4. 交底地点:____________________五、注意事项1. 本交底自发布之日起生效,所有施工人员必须认真学习并严格遵守。
一、交底目的为确保钢结构天沟施工过程中的安全,防止事故发生,特进行安全技术交底。
二、工程概况1. 工程名称:_________________________2. 工程地点:_________________________3. 施工单位:_________________________4. 施工负责人:_________________________三、安全技术交底内容1. 施工人员安全要求(1)施工人员必须持证上岗,熟悉本工种的安全操作规程及作业技能。
(2)进入施工现场必须戴好安全帽,系好帽带,并正确使用个人劳动防护用品。
(3)高空作业人员必须经过体检,确保身体健康,符合高空作业要求。
(4)严禁酒后作业,禁止穿拖鞋或塑料底鞋进行高空作业。
2. 施工机械与设备安全要求(1)施工机械、设备在使用前必须进行例行检查,确保其完好无损。
(2)操作人员必须熟悉机械设备的性能及安全操作规程。
(3)禁止使用未经检验或存在安全隐患的机械设备。
3. 钢结构天沟施工安全要求(1)钢结构天沟施工前,应先进行施工方案编制,明确施工工艺、安全措施及质量控制要点。
(2)施工过程中,应严格按照施工方案进行操作,确保施工质量。
(3)天沟安装过程中,应确保连接牢固,防止脱落。
(4)施工过程中,应定期检查天沟的焊接质量,发现问题及时处理。
4. 高空作业安全要求(1)登高作业人员必须佩戴合格的安全带,并正确使用。
(2)登高作业时,应使用安全绳,防止坠落。
(3)施工平台应牢固可靠,防止滑动或倾斜。
(4)高空作业区域应设置警戒线,并配备专人监护。
5. 电气安全要求(1)电气焊作业必须持有操作证、用火证,并清理周围易燃易爆物品。
(2)氧气、乙炔两瓶间距应符合规范,焊机双线应到位。
(3)配备合格有效的消防器材,设专人看火。
(4)非专业电工禁止操作焊机。
6. 其他安全要求(1)施工现场应保持整洁,防止杂物坠落。
(2)施工现场禁止吸烟、追逐打闹。
天沟技术交底咱今天就好好唠唠天沟技术交底这回事儿!先来说说啥是天沟,简单来讲,天沟就是建筑物屋面两胯间的下凹部分,用来排水的。
想象一下,下雨天,要是没有天沟把雨水引走,那房子不得被水淹啦!我记得有一次去一个正在施工的工地,当时正好赶上下大雨。
我就看到那房子上没有弄好天沟,雨水直接顺着屋顶往下淌,把墙都给冲得一塌糊涂。
那场面,真是惨不忍睹!从那时候起,我就深刻意识到天沟技术交底的重要性。
咱们来详细说说这天沟施工的准备工作。
首先,材料得选好,像什么钢材、水泥、防水卷材,都得是质量过硬的,可不能为了省几个钱,买那些不靠谱的东西。
然后呢,工具也得齐全,电焊机、切割机、水准仪,一个都不能少。
在施工过程中,测量放线这一步可不能马虎。
得拿着水准仪,仔仔细细地量好尺寸,确定天沟的位置和坡度。
要是这一步出错了,后面的活儿可就都白干啦。
接下来就是安装天沟的支架和模板。
支架要牢固,模板要平整,不然浇筑混凝土的时候,可容易出问题。
我就见过一个工地,因为支架没搭好,混凝土一浇上去,整个模板都塌了,那叫一个糟心!钢筋的绑扎也有讲究,钢筋的间距、规格都得符合设计要求。
可别东一根西一根地乱绑,不然天沟的强度可就没法保证啦。
混凝土浇筑的时候,得振捣密实,不能有蜂窝麻面。
要是有了这些问题,天沟的防水性能就会大打折扣,以后漏雨可就麻烦了。
等混凝土凝固了,拆模之后,就得开始做防水处理。
这就像给天沟穿上一层雨衣,得涂得均匀,不能有漏涂的地方。
最后,在天沟施工完成后,一定要进行检查验收。
看看尺寸对不对,坡度合不合适,防水效果好不好。
要是有问题,得及时整改,可不能等到房子盖好了才发现天沟不行,那时候就太晚啦。
总之,天沟技术交底可不是一件小事,每个环节都得认真对待,这样才能保证天沟的质量,让房子在下雨天也能安然无恙。
希望我今天说的这些能对大家有所帮助,咱们在施工的时候都能把天沟做得漂漂亮亮的!。
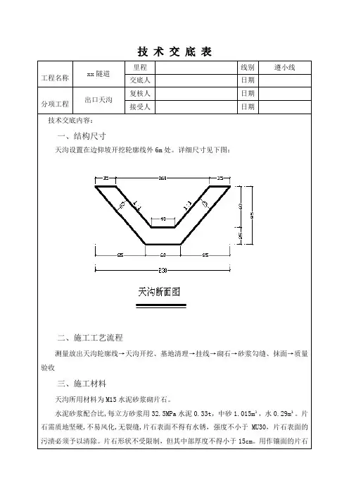
技术交底表工程名称xx隧道里程线别遵小线交底人日期分项工程出口天沟复核人日期接受人日期技术交底内容:一、结构尺寸天沟设置在边仰坡开挖轮廓线外6m处。
详细尺寸见下图:二、施工工艺流程测量放出天沟轮廓线→天沟开挖、基地清理→挂线→砌石→砂浆勾缝、抹面→质量验收三、施工材料天沟所用材料为M15水泥砂浆砌片石。
水泥砂浆配合比,每立方砂浆用32.5MPa水泥0.33t,中砂1.015m³,水0.29m³。
片石需质地坚硬,不易风化,无裂缝,片石表面不得有水锈,强度不小于MU30,片石表面的污渍必须予以清除。
片石形状不受限制,但其中部厚度不得小于15cm。
用作镶面的片石表面得平整、尺寸较大,边缘厚度不得小于15cm。
四、施工要求1、天沟基础开挖、清理。
天沟开挖须符合截面尺寸,开挖后基底务必清理干净,确保基底无松土、淤泥、杂质。
2、浆砌片石施工天沟浆砌片石采用M15水泥砂浆砌筑,砌筑过程必须严格执行以下要求:a、在片石砌筑前,必须盘角、挂线,保证浆砌片石接缝规范,避免假缝,通缝的出现、砌筑坡度规范。
b、砌体采用挤浆法分层、分段砌筑:按每15米分段,片石砌缝应互相错开,砌缝砂浆应饱满。
严禁通缝、叠砌、贴砌和浮塞。
c、选用较大的石块作为砌筑面石,片石的砌筑应符合下列规定:石料间的砌缝应互相交错,咬搭,砂浆密实,石料不得无砂浆直接砌筑,也不得先干填石料,而后铺灌砂浆;较宽的砌缝可用小石块挤填,挤浆时可用小锤调打石料,将砌缝挤紧,不得以留有孔隙。
d、浆砌片石的砌缝,应符合下列规定:砌块砌缝的宽度不超过4cm,砌体表面与三块相邻石相切的内切圆直径,不大于7cm,两层间的错缝不小于8cm。
3、砂浆勾缝、抹面a、边墙砌缝在勾缝前,应先清除砌体表面虚碴、浮浆等杂质以及砌筑缝间的舌头浆,然后以清水冲洗其表面。
b、天沟边墙顶面和水沟底面采用M15砂浆抹面,抹面厚度不小于2cm。
c、天沟边墙顶面以及水沟底面必须及时浇水,保持表面湿润,常温下养护期不得少于7天;砂浆未达到设计强度前,不得受到碰撞震动,以免妨碍砂浆凝结。
一、交底目的为确保天沟防水施工过程中的安全,预防事故发生,保障施工人员生命财产安全,特进行天沟防水安全技术交底。
二、工程概况1. 工程名称:________________________2. 施工单位:________________________3. 施工部位:________________________4. 施工时间:________________________5. 施工内容:________________________三、安全技术交底内容1. 人员要求- 作业人员必须经过安全技术培训,取得相关资格证书后方可上岗。
- 作业人员应熟悉天沟防水施工工艺和安全操作规程。
2. 安全防护措施- 作业人员必须按规定佩戴安全帽、防护眼镜、手套、防滑鞋等防护用品。
- 高处作业时,必须使用安全带,并做好高空坠落防护。
- 严禁酒后作业,严禁违章操作。
3. 材料及设备安全- 施工材料应存放于干燥、通风、防火、防潮的库房内。
- 施工现场应配备足够的消防器材,并确保其完好有效。
- 施工设备应定期检查、保养,确保其正常运行。
4. 施工环境安全- 施工现场应保持整洁、有序,严禁堆放杂物。
- 施工现场应设置明显的警示标志,提醒作业人员注意安全。
- 严禁在施工现场吸烟、使用明火。
5. 具体施工要求- 天沟防水施工前,应先对基层进行检查,确保基层平整、干燥、无裂缝。
- 施工过程中,应严格按照施工方案进行操作,不得擅自更改施工工艺。
- 防水材料应均匀涂刷,不得漏刷、过厚或过薄。
- 施工完成后,应进行验收,确保防水效果。
6. 应急处置- 如发生火灾、触电等事故,应立即停止作业,并迅速采取应急措施。
- 事故发生后,应立即上报相关部门,并配合调查处理。
四、交底人及接受人1. 交底人:________________________2. 接受人:________________________3. 日期:________________________五、注意事项1. 施工过程中,作业人员应严格遵守安全操作规程,确保自身安全。
工程名称路基 工程部位 天沟交底内容: 一、天沟尺寸如图所示:1:11:1梯形沟设计图206076.960236.5180201、此段采用现浇混凝土梯形天沟,天沟基础和侧壁均为20cm 厚;流水底面60cm 宽,开挖基坑底部宽76.9m ;上部开挖总宽236.5cm ;开挖深度80cm ;砼浇筑完成后天沟排水净高0.6m 。
二、天沟施工部位 1、天沟(C25) D2K524+765~D2K524+811左侧长46m ,D2K524+765~D2K524+773右侧长8m ,D2K524+791~D2K524+811右侧长20m ,D2K525+054~D2K525+170左侧长116m ,D2K525+054~D2K525+070右侧长16m ,D2K525+090~D2K525+130右侧长40m ,D2K525+185~D2K525+240右侧长55m ,D2K525+210~D2K525+405左侧长195m ,D2K525+255~D2K525+310右侧长55m ,D2K525+415~D2K525+450右侧长35m ,D2K525+632~DK525+788左侧长156m ,D2K525+632~DK525+728右侧长96m ,DK525+778~DK525+788右侧长10m 。
工程名称路基工程部位天沟2、天沟(C30)D1K517+774.928~D1K517+833.5段右侧,D1K517+867~D1K518+030.53段右侧,D2K518+090~D2K518+416.5段右侧3、天沟(C35)D2K519+150~DK519+180左侧,D2K519+160~DK519+180右侧,D2K522+715~DK522+729左侧,路堤及路堑边坡平台位置均设置平台截水沟,采用C35混凝土现场浇筑,混凝土末端引入吊沟或路堑外天沟。
三、天沟施工流程1、开挖:采用机械配合人工开挖基坑,尺寸如上图天沟所示。
一、交底目的为确保天沟清理作业安全顺利进行,预防安全事故发生,特制定本安全技术交底。
二、交底依据1. 《建筑施工安全生产管理条例》2. 《建筑施工高处作业安全技术规范》3. 《建筑施工安全检查标准》4. 相关行业安全操作规程三、作业范围本次安全技术交底适用于所有天沟清理作业。
四、作业人员要求1. 作业人员必须经过专业培训,持有相应操作资格证书。
2. 作业人员应熟悉天沟清理作业的安全操作规程,掌握安全防护措施。
3. 作业人员应保持身体健康,无高血压、心脏病等不宜从事高空作业的疾病。
五、作业环境要求1. 天沟清理作业应在天气晴朗、风力小于5级的情况下进行。
2. 作业现场应设置安全警示标志,提醒过往人员注意安全。
3. 作业现场应配备足够的照明设备,确保作业区域明亮。
六、安全技术措施1. 安全防护措施:- 作业人员必须佩戴安全帽、安全带等个人防护用品。
- 使用安全绳、安全网等防护设施,确保作业人员在高空作业时的安全。
- 设置安全监护人,负责现场安全监督。
2. 作业工具及设备:- 作业工具应保持完好,严禁使用损坏的工具。
- 作业设备应定期检查、维护,确保其正常运行。
3. 作业流程:- 作业前,应对天沟进行安全检查,确认无安全隐患后方可进行作业。
- 作业人员应按照作业流程进行操作,不得擅自改变作业顺序。
- 作业过程中,应密切注意周围环境,发现异常情况立即停止作业。
4. 应急救援预案:- 作业现场应配备应急救援器材,如急救箱、消防器材等。
- 作业人员应熟悉应急救援预案,一旦发生事故,立即启动应急预案。
七、注意事项1. 作业人员应严格遵守安全操作规程,不得违章作业。
2. 作业过程中,应保持通讯畅通,确保信息传递及时。
3. 作业结束后,应对作业现场进行清理,消除安全隐患。
八、交底程序1. 项目部安全负责人对作业人员进行安全技术交底。
2. 作业人员认真听取交底内容,并签字确认。
3. 安全负责人对作业人员进行安全检查,确保作业人员掌握安全操作技能。
一、工程名称:[工程名称]二、工程部位:[具体部位]三、施工班组:[施工班组名称]四、交底日期:[日期]五、交底内容:一、施工前准备1. 施工人员必须经过专业培训,熟悉屋面天沟施工工艺和安全操作规程,了解施工过程中可能遇到的安全隐患。
2. 仔细阅读施工图纸,明确施工要求,对图纸中标注的施工要点、技术参数和注意事项进行详细记录。
3. 准备好施工所需的工具、设备、材料,确保其符合质量标准。
4. 检查施工场地,确保无障碍物,清理施工现场,确保施工安全。
二、安全技术措施1. 高处作业安全(1)施工人员必须佩戴安全帽,系好安全带,安全带应高挂低用,严禁攀爬、翻越施工设施。
(2)施工前应检查脚手架、防护栏杆或安全网是否牢固,如有损坏应及时修复。
(3)在施工过程中,施工人员应保持安全距离,避免发生碰撞。
2. 物料运输安全(1)运输材料时,应使用专门的运输工具,确保运输过程中稳定,不得猛跑、猛停。
(2)运输材料时,前后车辆距离应不小于2米,坡度行车时,两车距离应不小于10米。
(3)禁止并行或超车,确保运输安全。
3. 施工操作安全(1)施工人员应穿着合适的劳保用品,如防滑鞋、手套等。
(2)施工过程中,应严格遵守操作规程,不得擅自更改施工方法。
(3)施工过程中,应保持施工现场整洁,避免发生意外伤害。
4. 防火、防爆安全(1)施工过程中,严禁使用明火,如需动火作业,必须办理动火作业许可证。
(2)施工现场严禁存放易燃、易爆物品,如需使用,必须符合相关安全规定。
(3)施工现场应配备消防器材,确保消防设施齐全、有效。
三、注意事项1. 施工过程中,施工人员应保持通讯畅通,确保在紧急情况下能及时得到救援。
2. 施工现场应设立警示标志,提醒施工人员注意安全。
3. 施工过程中,如发现安全隐患,应立即停止施工,并及时上报相关部门。
4. 施工结束后,应清理施工现场,确保无遗留隐患。
五、总结本安全技术交底旨在提高施工人员的安全意识,确保屋面天沟施工过程中的安全。
天沟施工技术交底一、背景介绍天沟是建筑工程中常见的构件之一,主要用于排水和保护建筑物周边的地面。
在施工过程中,天沟的质量直接影响着建筑物的排水效果和使用寿命。
为了确保施工的质量和效果,需要进行施工技术交底,明确各项要求和操作步骤,以提高施工的质量和效率。
二、施工准备1. 材料准备:根据设计方案确定所需材料种类和规格,如混凝土、防水材料等,并进行验收。
2. 施工工具准备:准备相应的施工工具,如水平仪、刷子、搅拌器等。
3. 环境准备:确保施工现场整洁,清理杂物和尘土,并做好安全防护措施,如设置警示标示牌和隔离措施。
三、施工步骤1. 建立基坑:根据设计方案确定天沟的位置和尺寸,开挖基坑,确保基坑的平整和坚固。
2. 设计水平线:根据设计要求和现场实际情况,确定天沟的水平线位置,并做好标记。
3. 施工混凝土:根据混凝土配合比,按照一定比例和先后顺序,将水泥、石子和砂浆进行混合,并使用搅拌器进行搅拌,保证混凝土的均匀性和质量。
4. 浇筑混凝土:将搅拌好的混凝土从搅拌机中倒入天沟内,利用刮板进行刮平和压实,确保天沟的表面平整和牢固。
5. 确保排水畅通:在天沟的底部设置排水沟,保证天沟的排水畅通,避免积水对建筑物的影响。
6. 防水处理:根据设计要求,在天沟的内侧和底部进行防水处理,确保天沟的防水效果。
7. 完工验收:在天沟施工完成后,进行验收,并检查施工质量和细节问题,如表面平整度、防水效果等。
四、安全注意事项1. 施工人员应佩戴好安全防护用品,如安全帽、防尘口罩、工作服等。
2. 施工现场应进行标示和隔离,防止他人误入施工区域,确保施工安全。
3. 使用工具时,应注意操作规范,避免造成人员伤害和设备损坏。
4. 施工过程中,应留意周围环境的变化,如天气变化、地质情况等,及时采取相应的措施保证施工安全。
五、施工质量控制1. 施工过程中,应严格按照设计方案和工艺要求进行施工,确保施工质量。
2. 对材料进行严格验收,杜绝使用劣质材料。
一、交底目的为确保屋面天沟抹灰施工过程中的安全,预防安全事故的发生,现将屋面天沟抹灰施工安全技术要求进行交底。
二、交底内容1. 施工人员安全教育(1)所有施工人员必须接受安全生产教育,了解并掌握屋面天沟抹灰施工的安全技术要求。
(2)施工人员必须遵守国家安全生产法规,严格执行安全技术操作规程。
2. 施工现场安全要求(1)施工现场应设置明显的安全警示标志,确保施工区域安全。
(2)施工现场应保持整洁,施工材料、工具应堆放整齐,不得随意堆放杂物。
(3)施工现场严禁吸烟、饮酒,严禁非施工人员进入施工区域。
3. 技术操作安全要求(1)施工前,应检查脚手架、防护栏杆等安全设施是否牢固,如有损坏,应及时修复。
(2)施工人员必须佩戴安全帽、安全带等个人防护用品。
(3)施工过程中,严禁高空抛物,施工材料、工具应放置稳固,不得随意乱扔。
(4)施工人员应按照施工方案进行操作,不得擅自更改施工工艺。
4. 天沟抹灰施工安全要点(1)天沟抹灰前,应检查天沟表面是否有裂缝、蜂窝、麻面等缺陷,如有,应及时处理。
(2)天沟抹灰时,应先在基层上涂刷界面剂,提高粘结强度。
(3)抹灰过程中,应分层施工,每层厚度不宜超过10mm,待前一层抹灰层干燥后,再进行下一层施工。
(4)抹灰过程中,应确保天沟表面平整、光滑,无裂缝、脱落等现象。
(5)抹灰完成后,应及时进行养护,养护期间不得进行冲击、碰撞等操作。
5. 施工现场应急处理(1)发生安全事故时,施工人员应立即停止作业,报告现场负责人。
(2)现场负责人应立即组织人员进行现场救援,并采取必要措施防止事故扩大。
(3)事故发生后,应及时向相关部门报告,并做好事故调查和处理工作。
三、交底时间本安全技术交底自施工开始之日起,至屋面天沟抹灰施工结束为止。
四、注意事项1. 施工人员应认真学习本安全技术交底,确保掌握安全操作技能。
2. 施工过程中,如发现安全隐患,应立即报告现场负责人,并采取措施予以整改。
3. 施工单位应加强对施工人员的安全教育,提高安全意识。
一、交底目的为确保截水天沟施工过程中的安全,提高施工人员的安全意识,降低安全事故的发生,特进行安全技术交底。
二、施工人员参与截水天沟施工的所有人员。
三、安全注意事项1. 施工前准备- 施工前应对施工现场进行彻底的清理,确保施工区域无障碍物。
- 检查施工机械、工具及材料,确保其完好、安全。
- 对施工人员进行安全教育和技术培训,确保其了解施工过程中的安全注意事项。
2. 施工过程中的安全操作- 施工人员必须穿戴好个人防护用品,如安全帽、安全带、防护眼镜、手套等。
- 施工现场应设置安全警示标志,如警示牌、警戒线等。
- 施工过程中,施工人员应保持通讯畅通,确保在紧急情况下能够及时得到救援。
- 施工人员不得酒后作业,不得疲劳作业。
3. 模板及支撑系统安全- 模板及支撑系统应满足设计要求,且在施工过程中不得出现变形、损坏等现象。
- 施工前应对模板及支撑系统进行检查,确保其稳定性。
- 模板及支撑系统的搭设、拆除应由专业人员进行,并严格按照操作规程执行。
4. 混凝土浇筑安全- 混凝土浇筑前,应确保模板及支撑系统稳定,并检查混凝土配合比是否符合要求。
- 浇筑过程中,应使用振动棒均匀振捣混凝土,防止出现蜂窝、麻面等质量问题。
- 浇筑完成后,应及时进行养护,确保混凝土强度达到设计要求。
5. 高空作业安全- 高空作业人员必须系好安全带,并佩戴安全帽。
- 高空作业区域应设置安全防护网,防止坠落物伤人。
- 高空作业人员应严格遵守操作规程,不得擅自离开作业区域。
6. 电、气安全- 施工现场电气线路应严格按照规范进行敷设,并定期检查,确保线路安全。
- 电动工具、设备应定期检查,确保绝缘良好。
- 使用电、气设备时,应确保操作人员具备相应的操作技能。
四、应急措施1. 发生安全事故时,应立即停止施工,并采取有效措施进行救援。
2. 及时报告上级部门,并按照相关规定进行处理。
3. 对事故原因进行分析,制定整改措施,防止类似事故再次发生。
五、交底结束通过本次安全技术交底,希望大家能够充分认识到截水天沟施工过程中的安全重要性,严格遵守各项安全操作规程,确保施工安全。
路基天沟施工技术交底(完整版)模板一:正式风格路基天沟施工技术交底一、施工前准备1.1 网格标线a) 在现场进行网格标线,确保施工方向和尺寸准确无误。
b) 使用符合规范的标线仪进行标线,保证标线的直线度和精度。
1.2 材料准备a) 准备所需的沟槽材料,包括水泥、砂石、钢筋等。
b) 检查材料质量,确保符合相关标准要求。
1.3 沟槽开挖a) 按照设计要求,进行沟槽开挖。
b) 在开挖过程中,注意保持沟槽底部的平整和斜坡的坡度。
二、施工过程2.1 沟槽基底处理a) 清除沟槽底部的杂物和泥土。
b) 进行基底压实,确保基底的稳固性。
2.2 沟槽加筋a) 根据设计要求,在沟槽两侧安装钢筋,保证沟槽的强度和稳定性。
b) 注意钢筋的排布和连接方式,确保连接牢固。
2.3 浇筑混凝土a) 根据设计要求,进行混凝土的配制。
b) 按照施工计划,进行混凝土的浇筑并进行均匀压实。
c) 控制混凝土的浇筑速度和厚度,确保沟槽的质量。
2.4 抹灰与养护a) 在混凝土表面进行抹灰,确保表面光滑。
b) 进行适当的养护措施,包括浇水、遮阳等,确保混凝土的强度和耐久性。
三、施工验收3.1 沟槽几何尺寸的检查a) 测量沟槽的宽度、深度和倾斜度。
b) 按照设计要求,检查沟槽的尺寸是否符合规范要求。
3.2 强度检测a) 对沟槽进行静载试验,评估沟槽的强度。
b) 检查沟槽的抗震性能和承载能力是否满足要求。
3.3 表面质量检查a) 检查沟槽表面的平整度和光滑度。
b) 检查沟槽表面是否存在裂缝、凹凸等质量问题。
四、附件本文档涉及的附件包括设计图纸、施工方案和质量验收记录表。
五、法律名词及注释1. 路基天沟:路基天沟是在道路路基上的雨水排水系统,用于排除雨水和路面污水。
2. 施工方向:施工方向是指沟槽施工的方向,通常沟槽应与道路轴线平行。
3. 施工计划:施工计划是施工组织和管理的重要文件,包括施工、施工顺序和时间安排等内容。
4. 静载试验:静载试验是一种测试结构承载能力的方法,通过施加静态荷载来评估结构的强度和稳定性。
成雅铁路CYZQ-1标段路基工程
天沟及排水沟技术交底
单位:中铁二局成雅铁路CYZQ-1标二分部
编制:
审核:
批准:
2015年03月
天沟及排水沟施工技术交底
1.适用范围
适用于DK96+200~DK111+477.82段天沟排水沟。
其中区间天沟如下表所示:
排水沟里程如下表:
序号起讫里程长度(m)位置工程名称
1DK96+200~DK96+330143.00 左侧排水沟
2DK96+200~DK96+330143.00 右侧排水沟
3DK96+330~DK96+39060.00 左侧侧沟
2.技术要求
梯形断面(B1型)水沟适用于时速160km/h地段的路堑天沟,采用C25混凝土现浇。
天沟基础和侧壁均为20cm厚;流水面60cm宽;净
高60cm。
天沟沟壁不高出原地面。
天沟位置根据现场实际情况确定,确保不占用防护栅栏位置,不影响边坡,线条顺直,按设计排水方向排水。
图中尺寸均以cm计。
3.施工准备
1.现场核对排水系统设计图,确定施工管段内的排水系统是否完备与妥善。
2.已经对施工人员进行详细的技术交底。
3.配备小型挖机1台,锹、镐工具,标准钢模板等。
4.相关作业人员已经到位。
4.施工工艺流程
基坑开挖、基底处理
报监理工程师检验
模板安装
报监理工程师检验
混凝土灌注
混凝土养护
模板拆除
强度检查结 束
缺陷修补
不合格
不合格
不合格,拆除混凝土
5.施工方法
1、开挖:采用机械配合人工开挖基坑。
开挖应安排在适宜的时间施工,保护路基和防止水土流失。
对于天然湿度接近最佳含水量、构造均匀,不致发生坍塌、移动、松散或不均匀下沉的基土,应采取垂直开挖方法。
要求天沟开挖尺寸与设计尺寸相符。
若发生欠挖的情况,人工开挖,保证尺寸满足设计要求,若出现超挖,则采用粘土对沟底进行平整夯实。
2、支模:计算沟墙内壁尺寸,用5cm 厚的木板拼成长1.5m 或
2.0m,宽等同于沟墙内壁尺寸的面板,刨光,两端及中部加10cm×10cm木杆做背肋。
连接杆用10cm×10cm木杆制作,其长度分别为沟底、沟顶宽度减去面板及背肋厚度。
在已初凝的沟底混凝土上定出沟墙底定位线,安装水沟内侧两边模板,在木模板背肋两端安装连接杆件,用扒钉钉牢实。
在墙顶部位设临时支撑托住木模板,墙身混凝土灌注至顶部时拆除。
若矩形沟顶部需要预留盖板槽,则只需待水沟墙混凝土灌注至预留盖板槽高度时,在盖板槽位置上安设加工好的木条继续浇筑完混凝土即可。
3、浇筑混凝土:混凝土应采用机械拌制,其配合比应通过实验确定。
混凝土灌注前,水沟基坑应予清理,不得有浮土,垃圾等杂物。
对干燥的黏性土基面,应用水润湿,对未风化的岩石,应用水清洗,但其表面不得有积水。
沟底混凝土灌注应按伸缩缝分段连续进行,各分段内混凝土应一次灌完,当允许间歇时间超出要求时,应按灌注中断处理,同时留置施工缝。
混凝土灌注施工时,一般先灌筑沟底混凝土,待其初凝后(常温下24h),再立沟墙模板灌注边墙混凝土,亦可将沟底混凝土与沟墙混凝土一次立模灌注完成。
沟身混凝土应按一定厚度、分层灌注,各分段内的混凝土应一次性灌完。
每隔10m设置伸缩缝一道,宽2cm,用沥青麻筋填塞。
4、混凝土振捣:振捣棒各插入点间距应均匀,插入式振捣棒的移动间距不宜大于振捣器作用半径的1.5倍。
最大不超过50cm,振捣时应“快插慢拔”。
振捣时,振捣棒应自然沉入混凝土,不得用力猛插,宜垂直插入,并插到尚未初凝的下层混凝土中5~10cm,以使上
下层相结合。
振捣时,振捣时不得碰撞模板。
每一振点的振捣时间延续时间宜为20~30s,以混凝土不再沉落,不出现气泡,表面呈现浮浆为度。
5、养护:混凝土浇筑后,采用塑料薄膜养护至少7天以上。
6.质量要求
1、路堑土石方开挖前,必须先施工天沟,天沟选择在晴天施工;
2、天沟靠路基侧边线离堑顶外不小于2m,且不可超出征地红线;
3、天沟出水口应牢固,以防被雨水冲塌并且与其它排水设施平顺衔接;
4、天沟靠山侧沟壁不得高出地面,且沟顶与地面必须整平顺接,以便汇入地表水;
5、天沟排水沟纵向排水坡度不小于2‰,单面排水坡度长度不宜大于400m,必要时应增加横向排水设施引入自然沟渠或涵洞,不得直接排入农田;
6、排水沟接至桥台时,若未向桥台方向排水,则末端封闭;若需向桥台方向排水,则需采用排水沟形式将水引入自然沟渠中。
天沟模板检验标准
7.安全环保要求
1、加强对员工的安全教育,增强安全意识,提高防范能力。
2、所有员工上岗前做到按规定进行岗前培训,持证上岗,遵章守纪,严格按照操作规程、规则作业,严禁违章指挥、违章作业。
3、所有作业人员岗前不许饮酒,酒后不准上岗。
4、各种机械、机具的使用必须符合安全规定,每个工作班开工前都要对机械、机具的完好率进行检查,确认可以安全使用后方可开工操作。
5、两侧截水沟基坑开挖时不得任意弃土,不随意砍伐或改变红线外区域的植被与绿化。
6、保护自然水流形态,做到不淤、不堵、不留施工隐患,不阻塞河道。
施工废水、生活污水按有关要求进行处理,不得直接排入农田、河流和渠道。
7、报废材料或施工中返工的挖除材料立即运出现场并进行掩埋等处理。
对于施工中废弃的零碎配件边角料、水泥袋、包装箱等及时收集清理并搞好现场卫生以保护自然环境与景观不受破坏。
-精品。