钢结构检测报告模板(含检测原始记录)
- 格式:doc
- 大小:241.50 KB
- 文档页数:17
编号:检测报告(参考范本)编号(00001自定)工程名称:委托单位:建设单位:设计单位:施工单位:监理单位:检测机构(章)年月日声明1、本检测报告无我单位检测专用章和计量认证专用章无效。
2、本检测报告无检测、审核、批准人签字无效。
3、本检测报告涂改、换页、漏页无效。
4、本检测报告无骑缝章无效。
5、对本检测报告若有异议或需要说明之处,应于收到报告之日起十五日内向我单位书面提出,本单位将给予及时的解释或答复。
检测机构:单位地址:邮政编码:联系电话:检测机构名称批准:审核:检测:(两人以上签章)检测报告一、工程概况工程名称及位置、结构形式、建筑面积。
工程开工时间、建设单位名称、设计单位名称、施工单位名称、监理单位名称。
检测原因(不符合基本建设程序或质量事故等)、委托单位及进场检测日期。
二、检测目的通过现场检测对该工程基础、主体钢结构的工程质量是否满足设计要求进行评定。
三、检测依据1、设计图纸及相关技术资料2、《建筑结构检测技术标准》GB/T50344-20043、《网架结构工程质量检验评定标准》JGJ78-914、《建筑钢结构焊接技术规程》JGJ81-20025、《钢结构工程施工质量验收规范》GB50205-20016、《回弹法检测混凝土抗压强度技术规程》JGJ/T23-20017、其它相关技术标准及通过鉴定的新检测方法或科研成果等等四、检测项目1、基础混凝土强度检测;2、焊接球节点无损检测及尺寸偏差检验;3、焊接钢板节点无损检测和尺寸偏差检验;4、杆件无损检测和尺寸偏差检验;5、网架结构安装网架结构总拼完成后挠度检测;6、油漆、防腐、防火涂装工程涂层厚度检测及外观检查;7、钢结构的安装质量(偏差)检测。
五、检测仪器设备检测仪器设备: HT-225型混凝土回弹仪、金属超声仪、钢板厚度仪、漆膜厚度仪、测距仪、水准仪、碳化深度测量仪、游标卡尺、钢卷尺等。
六、检测数量基础混凝土强度钻芯按CECS03:2007标准采用取×个芯样,其他混凝土构件回弹按JGJ/T23-2001标准采用检测×个构件。
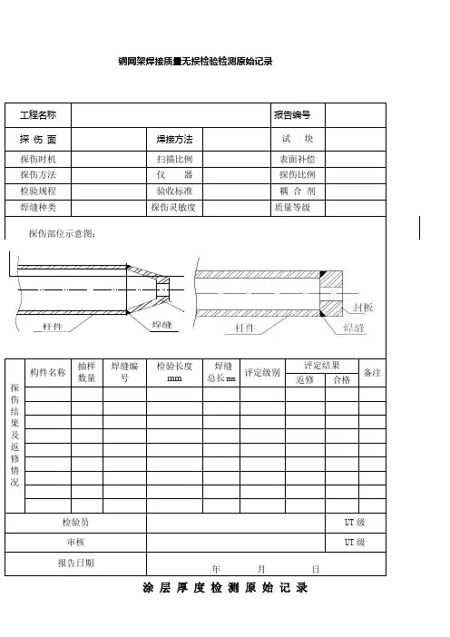
钢网架焊接质量无损检验检测原始记录工程名称报告编号探伤面焊接方法试块探伤时机扫描比例表面补偿探伤方法仪器探伤比例检验规程验收标准耦合剂焊缝种类探伤灵敏度质量等级探伤部位示意图:探伤结果及返修情况构件名称抽样数量焊缝编号检验长度mm焊缝总长mm评定级别评定结果备注返修合格检验员UT级审核UT级报告日期年月日涂层厚度检测原始记录杆件焊缝锥头查验:审核:年月日高强度大六角螺栓检测原始记录查验:审核:年月日扭剪型高强螺栓检测原始记录查验:审核:年月日紧固件机械性能检测原始记录查验:审核:年月日粗牙螺纹螺母检测原始记录查验:审核:年月日六角头螺栓检测原始记录查验:审核:年月日钢网架螺栓球节点高强螺栓检测原始记录查验:审核:年月日钢网架螺栓球节点检测原始记录查验:审核:年月日钢网架焊接空心球节点检测原始记录查验:审核:年月日钢筋焊接件检测原始记录查验:审核:年月日焊接接头及焊接试样检测原始记录查验:审核:年月日构件摩擦面检测原始记录查验:审核:年月日焊接球及螺栓球加工质量检测原始记录查验:审核:年月日钢网架杆件尺寸检测原始记录查验:审核:年月日钢网架支承面检测原始记录查验:审核:年月日总拼及安装质量检测原始记录查验:审核:年月日钢柱垂直度检测原始记录查验:审核:年月日节点承载力检测原始记录查验:审核:年月日网架工程挠度检测原始记录表检测:审核:钢网架整体偏差检测原始记录查验:审核:年月日垂直度和侧向弯曲检测原始记录查验:审核:年月日主体结构尺寸检测原始记录查验:审核:年月日。
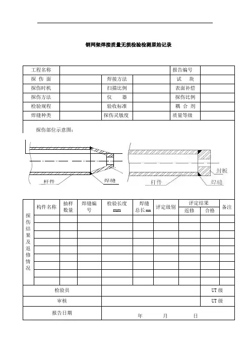
钢网架焊接质量无损检验检测原始记录工程名称报告编号探伤面焊接方法试块探伤时机扫描比例表面补偿探伤方法仪器探伤比例检验规程验收标准耦合剂焊缝种类探伤灵敏度质量等级探伤部位示意图:探伤结果及返修情况构件名称抽样数量焊缝编号检验长度mm焊缝总长mm评定级别评定结果备注返修合格检验员UT级审核UT级报告日期年月日杆件焊缝锥头涂层厚度检测原始记录检验:审核:年月日高强度大六角螺栓检测原始记录检验:审核:年月日扭剪型高强螺栓检测原始记录检验:审核:年月日紧固件机械性能检测原始记录检验:审核:年月日粗牙螺纹螺母检测原始记录检验:审核:年月日六角头螺栓检测原始记录检验:审核:年月日钢网架螺栓球节点高强螺栓检测原始记录检验:审核:年月日钢网架螺栓球节点检测原始记录检验:审核:年月日钢网架焊接空心球节点检测原始记录检验:审核:年月日钢筋焊接件检测原始记录检验:审核:年月日焊接接头及焊接试样检测原始记录检验:审核:年月日构件摩擦面检测原始记录检验:审核:年月日焊接球及螺栓球加工质量检测原始记录检验:审核:年月日钢网架杆件尺寸检测原始记录检验:审核:年月日钢网架支承面检测原始记录检验:审核:年月日总拼及安装质量检测原始记录检验:审核:年月日钢柱垂直度检测原始记录检验:审核:年月日节点承载力检测原始记录检验:审核:年月日网架工程挠度检测原始记录表检测:审核:钢网架整体偏差检测原始记录检验:审核:年月日垂直度和侧向弯曲检测原始记录检验:审核:年月日主体结构尺寸检测原始记录检验:审核:年月日。
钢结构检测报告参考范本【可编辑】范本一:1. 概述钢结构检测是为了保证钢结构安全性和稳定性而进行的一项重要工作。
本报告旨在对钢结构进行全面检测和评估,以确定其结构完整性和耐久性是否符合相关标准和要求。
2. 检测目的2.1 检测目标:明确需要检测的钢结构范围和目标,例如建筑主体结构、屋面结构、梁柱等。
2.2 检测要求:根据相关标准和规范,明确对钢结构的检测要求,包括材料强度、焊接质量、防腐涂层等方面。
3. 检测内容根据实际情况,执行以下检测内容:3.1 结构外观检测:检查钢结构的外观是否存在明显缺陷、变形、腐蚀等情况。
3.2 材料强度检测:对钢结构中的材料进行强度测试,确保其满足设计要求。
3.3 焊接质量检测:对焊缝进行无损检测,评估焊接质量是否符合标准。
3.4 防腐涂层检测:检测钢结构的防腐涂层是否完整、附着力是否良好。
4. 检测方法根据钢结构的具体情况,采用以下检测方法:4.1 目视检查:对结构外观进行目视检查,发现明显缺陷和变形。
4.2 材料强度试验:采用材料试验方法,测试钢结构材料的强度和韧性。
4.3 焊缝检测:采用无损检测方法,如超声波检测、射线检测等,评估焊缝的质量。
4.4 防腐涂层检测:使用涂层测厚仪、附着力测试仪等设备,评估防腐涂层的质量。
5. 检测结果与评估根据检测数据和实际情况,对钢结构进行综合评估,给出评估结论和建议:5.1 结构完整性评估:评估钢结构的完整性,确定是否存在严重缺陷或损伤。
5.2 结构耐久性评估:评估钢结构的耐久性,确定其使用寿命和维护需求。
5.3 建议和修复方案:根据评估结果,提出必要的维护和修复建议,保证钢结构的安全和可靠性。
6. 附件本文档涉及的附件包括但不限于:6.1 结构照片:对钢结构的外观、缺陷、变形等进行拍照记录。
6.2 材料试验报告:钢结构材料强度试验的详细报告。
6.3 焊接检测报告:焊缝质量检测的详细报告。
6.4 防腐涂层检测报告:防腐涂层质量检测的详细报告。
青岛理工建设工程质量检测有限公司
钢结构检测报告
编号:(2005)
本报告共页
工程名称:
委托单位:
检测类别:委托检测
联系电话:
签发日期:
地址:
声明
1、报告加盖本公司检测专用章(红章)有效。
2、报告涂改无效。
3、未经本单位书面批准,任何单位和个人不得复制本报告(完整
复制除外)。
4、本报告一式肆份,外发叁份。
钢构件厚度测量报告
测量:审核:
磁粉探伤报告
检测:(MT 级)审核:(MT 级)
磁粉探伤记录
记录:(MT 级)
超声波探伤报告
检测:(UT 级)审核:(UT 级)
超声波探伤记录
X射线探伤报告
检测:(RT 级)审核:( RT 级)
角焊缝焊脚尺寸测量报告
高强螺栓终拧扭矩复查报告
编号(2005)共页第页
涂层厚度测量报告
编号(2005)共页第页
吊车梁挠度测量报告
测量:审核:
网架挠度测量报告
钢结构整体垂直度测量报告
钢结构整体垂直度测量报告
测量:审核:
钢结构整体平面弯曲度测量报告
青岛理工建设工程质量检测有限公司钢结构检测报告附页钢结构整体平面弯曲度测量报告
编号(2005)共页第页。
青岛理工建设工程质量检测有限公司钢结构检测报告编号:(2005)本报告共页工程名称:委托单位:检测类别:委托检测联系电话:签发日期:地址:声明1、报告加盖本公司检测专用章(红章)有效。
2、报告涂改无效。
3、未经本单位书面批准,任何单位和个人不得复制本报告(完整复制除外)。
4、本报告一式肆份,外发叁份。
青岛理工建设工程质量检测有限公司编号(2005)共页第页青岛理工建设工程质量检测有限公司钢构件厚度测量报告测量:审核:青岛理工建设工程质量检测有限公司磁粉探伤报告青岛理工建设工程质量检测有限公司磁粉探伤记录编号(2005)共页第页青岛理工建设工程质量检测有限公司超声波探伤报告青岛理工建设工程质量检测有限公司钢结构检测报告附页超声波探伤记录编号(2005)共页第页青岛理工建设工程质量检测有限公司钢结构检测报告附页X射线探伤报告编号:(2005)共页第页检测:(RT 级)审核:( RT 级)青岛理工建设工程质量检测有限公司钢结构检测报告附页角焊缝焊脚尺寸测量报告青岛理工建设工程质量检测有限公司钢结构检测报告附页高强螺栓终拧扭矩复查报告编号(2005)共页第页青岛理工建设工程质量检测有限公司钢结构检测报告附页涂层厚度测量报告青岛理工建设工程质量检测有限公司钢结构检测报告附页吊车梁挠度测量报告编号(2005)共页第页测量:审核:青岛理工建设工程质量检测有限公司钢结构检测报告附页网架挠度测量报告编号(2005)共页第页青岛理工建设工程质量检测有限公司钢结构检测报告附页钢结构整体垂直度测量报告编号(2005)共页第页青岛理工建设工程质量检测有限公司钢结构检测报告附页钢结构整体垂直度测量报告编号(2005)共页第页测量:审核:青岛理工建设工程质量检测有限公司钢结构检测报告附页钢结构整体平面弯曲度测量报告编号(2005)共页第页青岛理工建设工程质量检测有限公司钢结构检测报告附页钢结构整体平面弯曲度测量报告编号(2005)共页第页....。
钢结构检测报告参考范本编号:检测报告(参考范本)编号(00001自定)工程名称:委托单位:建设单位:设计单位:施工单位:监理单位:检测机构(章)年月日声明1、本检测报告无我单位检测专用章和计量认证专用章无效。
2、本检测报告无检测、审核、批准人签字无效。
3、本检测报告涂改、换页、漏页无效。
4、本检测报告无骑缝章无效。
5、对本检测报告若有异议或需要说明之处,应于收到报告之日起十五日内向我单位书面提出,本单位将给予及时的解释或答复。
检测机构:单位地址:邮政编码:联系电话:检测机构名称报告编号:工程名称工程地点委托单位检测时间环境条件(晴、阴、雨)℃抽样数量见报告检验类别委托检验项目1、基础混凝土的抗压强度检测;2、网架结构检测。
(焊接质量、构件尺寸偏差、网架整体挠度、涂装工程、钢结构的安装质量(偏差)检验仪器检测仪器设备:金属超声仪、涂层厚度仪、钢板厚度仪、水准仪、测距仪、钢尺等检验依据1、设计图纸及相关技术资料2、《建筑结构检测技术标准》GB/T50344-20043、《网架结构工程质量检验评定标准》JGJ78-914、《建筑钢结构焊接技术规程》JGJ81-20025、《钢结构工程施工质量验收规范》GB50205-20016、《回弹法检测混凝土抗压强度技术规程》JGJ/T23-20017、其它相关技术标准及通过鉴定的新检测方法或科研成果等等检测结论检测结论:1、该工程基础混凝土强度是否符合设计要求。
2、该工程焊接质量是否满足设计或规范要求。
3、构件尺寸偏差是否满足设计或规范要求。
4、网架整体挠度是否满足设计或规范要求。
5、涂装工程是否满足设计或规范要求。
6、钢结构的安装质量(偏差)是否满足设计或规范要求。
(本页以下无正文)检测机构(章)年月日批准:审核:检测:(两人以上签章)检测报告一、工程概况工程名称及位置、结构形式、建筑面积。
工程开工时间、建设单位名称、设计单位名称、施工单位名称、监理单位名称。
钢结构检测原始记录(23张)概述本文档记录了在某工地进行的钢结构检测时所获得的23份原始记录,由检测单位进行采集并整理。
这些记录详细地描述了检测过程中所使用的设备、检测时的场景和实测数据等。
本文档将这些原始记录分门别类地进行了整理和归档,以备后续检测数据分析及相关工作使用。
背景介绍随着国内工业和民用建筑的飞速发展,钢结构建筑已经成为了当今社会重要的建筑形式之一。
然而,在钢结构建筑中,由于材料的特殊性和建筑结构的复杂性,如果设计、制造和安装过程中不注意,就会出现各种安全问题,变形、开裂、腐蚀等问题的出现对建筑结构的安全稳定性产生重大影响。
因此,在钢结构建筑完成后,需要对其进行各种检测,以保证其结构的安全性。
原始记录内容钢结构检测原始记录总计23份,具体的内容如下:1. 现场照片现场照片是检测的必备记录之一,通过拍摄现场建筑物照片,可以更加准确地了解现场情况。
本文档收录了现场照片12张,其中包括骨架结构,吊装钢材和安装支架等内容。
2. 设备清单检测设备清单介绍了本次钢结构检测所使用的设备情况。
设备清单包含3份记录,其中列举了使用的测量仪器、计算机设备、检测工具和其他设备。
3. 钢结构材料清单钢结构材料清单记录了每一根钢材的规格尺寸以及钢材的状态。
钢材状态包括未损坏、有裂纹、已腐蚀等。
钢结构材料清单包含1份记录。
4. 实测数据实测数据是钢结构检测的关键之一。
本文档共收录了7份实测数据记录。
实测数据包括钢材尺寸测量数据、钢材强度测试数据、钢结构形变测试数据等。
5. 检测报告检测报告是料结构检测的核心成果,它对所检测的钢结构的实际情况进行详尽的描述,是对检测成果的归纳。
本文档共收录了报告3份,其内容包括钢结构的计算、分析、和建议等。
结尾本文档总共收录了23份钢结构检测原始记录,其内容详细、完整、准确地记录了在某工地进行的钢结构检测的全部过程。
希望这些数据能够给相关人员的工程安全提供帮助。
报告编号:长安监[2011]CTS-号钢结构检测报告原始记录受检单位: 受检单位地址: 检验地点: 检验日期: 检验环境: 检验人员: 记录人员: 审核人员:长治市安全设备监测中心编号:长安监[2011]CTS-号现场仪器仪表使用登记表状态 序号 仪器名称 仪器型号 编号 ① 1 2 3 4 5 6 7 8 9 10 11 12 13 14 15 ① ① ① ① ① ① ① ① ① ① ① ① ① ① ① ② ② ② ② ② ② ② ② ② ② ② ② ② ② ② ② ③ ③ ③ ③ ③ ③ ③ ③ ③ ③ ③ ③ ③ ③ ③ ③ 备注注:① 在有效期内 ② 数据显示准确 ③ 外观质量良好长治市安全设备监测中心第页共页检验人员:审核:编号:长安监[2011]CTS-号长治市安全设备监测中心产品名称 使用编号规格型号检验地点生产厂家出厂日期出厂编号检验日期检验依据检验项目抽查 比例 焊接 方法材质表面状态耦合剂表面补偿探头 参数探伤方法灵敏度试块长治市安全设备监测中心第页共页检验人员:审核:编号:长安监[2011]CTS-号长治市安全设备监测中心示意图长治市安全设备监测中心第页共页检验人员:审核:编号:长安监[2011]CTS-号长治市安全设备监测中心序 号 构件号 焊缝号 测量 厚度 (mm) 检测 长度 (mm) 缺陷 情况 深度 (mm) 指示 长度 (mm) 波幅 dB 评定 等级备 注长治市安全设备监测中心第页共页检验人员:审核:。
范文范例学习指导青岛理工建设工程质量检测有限公司钢结构检测报告编号:(2005)本报告共页工程名称:委托单位:检测类别:联系电话: 签发日期:地址:委托检测声明1、报告加盖本公司检测专用章(红章)有效。
2、报告涂改无效。
3、未经本单位书面批准,任何单位和个人不得复制本报告整复制除外)。
4、本报告式肆份,外发叁份。
(完青岛理工建设工程质量检测有限公司页青岛理工建设工程质量检测有限公司钢构件厚度测量报告编号:(2005) 共页第页测量:审核:青岛理工建设工程质量检测有限公司磁粉探伤报告检测:(MT 级)审核:(MT 级)青岛理工建设工程质量检测有限公司磁粉探伤记录共页第页编号 (2005)记录:(级)青岛理工建设工程质量检测有限公司超声波探伤报告检测:(UT级)审核:(UT级)青岛理工建设工程质量检测有限公司钢结构检测报告附页超声波探伤记录青岛理工建设工程质量检测有限公司钢结构检测报告附页X射线探伤报告编号:(2005)共页第页检测:(RT级)审核:(RT级)青岛理工建设工程质量检测有限公司钢结构检测报告附页角焊缝焊脚尺寸测量报告青岛理工建设工程质量检测有限公司钢结构检测报告附页高强螺栓终拧扭矩复查报告青岛理工建设工程质量检测有限公司钢结构检测报告附页涂层厚度测量报告共页第页编号(2005)青岛理工建设工程质量检测有限公司钢结构检测报告附页吊车梁挠度测量报告测量:审核:青岛理工建设工程质量检测有限公司钢结构检测报告附页网架挠度测量报告青岛理工建设工程质量检测有限公司钢结构检测报告附页钢结构整体垂直度测量报告本工程共个轴线,南北向为跨度方向,A、C、G、I为角柱。
■:- AG单柱垂直度观测点13轴柱脚测量点俯视图青岛理工建设工程质量检测有限公司钢结构检测报告附页钢结构整体垂直度测量报告编号(2005)共页第页工程名称整体垂直度偏差测点A B C北立面 垂直度 下 上 单柱垂直度偏差 整体垂直度偏差 测点G H I南立面 垂直度 下 上 单柱垂直度偏差 整体垂直度偏差 测点C F I东立面 垂直度 下 上 单柱垂直度偏差 整体垂直度偏差 测点AD G西立面 垂直度 下 上 单柱垂直度偏差整体垂直 度测量(mm )测量:审核:青岛理工建设工程质量检测有限公司钢结构检测报告附页钢结构整体平面弯曲度测量报告柱脚偏差一、亠观测点'囚回叵\1轴7轴一柱脚轴基准线X i北测量点俯视图基准线X2 本工程共13个轴线,南北向为跨度方向,A、C、G、I为角柱。
钢结构检测报告范本钢结构检测报告范本受控编号:检测报告(范本)编号(各检测机构自定)工程名称:委托单位:建设单位:设计单位:施工单位:监理单位:检测机构(章)年月日声明1、本检测报告无我单位检测专用章和计量认证专用章无效。
2、本检测报告无检测、审核、批准人签字无效。
3、本检测报告涂改、换页、漏页无效。
4、本检测报告无骑缝章无效。
5、对本检测报告若有异议或需要说明之处,应于收到报告之日起十五日内向我单位书面提出,本单位将给予及时的解释或答复。
检测机构:单位地址:邮政编码:联系电话:检测机构名称批准:审核:检测:(两人以上签章)检测报告一、工程概况工程名称及位置、结构形式、建筑面积。
工程开工时间、建设单位名称、设计单位名称、施工单位名称、监理单位名称。
检测原因(不符合基本建设程序或质量事故等)、委托单位及进场检测日期。
二、检测目的通过现场检测对该工程基础、主体钢结构的工程质量是否满足设计要求进行评定。
三、检测依据1、设计图纸及相关技术资料2、《建筑结构检测技术标准》GB/T50344-20043、《网架结构工程质量检验评定标准》JGJ78-914、《建筑钢结构焊接技术规程》JGJ81-20025、《钢结构工程施工质量验收规范》GB50205-20016、《回弹法检测混凝土抗压强度技术规程》JGJ/T23-20017、其它相关技术标准及通过鉴定的新检测方法或科研成果等等四、检测项目1、基础混凝土强度检测;2、焊接球节点无损检测及尺寸偏差检验;3、焊接钢板节点无损检测和尺寸偏差检验;4、杆件无损检测和尺寸偏差检验;5、网架结构安装网架结构总拼完成后挠度检测;6、油漆、防腐、防火涂装工程涂层厚度检测及外观检查;7、钢结构的安装质量(偏差)检测。
五、检测仪器设备检测仪器设备:HT-225型混凝土回弹仪、金属超声仪、钢板厚度仪、漆膜厚度仪、测距仪、水准仪、碳化深度测量仪、游标卡尺、钢卷尺等。
六、检测数量基础混凝土强度钻芯按CECS03:2007标准采用取×个芯样,其他混凝土构件回弹按JGJ/T23-2001标准采用检测×个构件。
钢结构检测报告
标题:钢结构检测报告
1.检测目的和范围
本报告旨在评估某钢结构建筑的质量、安全性和可靠性。
检测范围包括建筑物的结构体系、钢材质量、连接节点、涂装等方面。
2.检测方法和依据
本次检测采用了超声波探伤、磁粉探伤、射线探伤、外观检查、尺寸测量等方法,并依据相关标准和规范进行检测和评估。
3.检测结果和分析
根据超声波探伤、磁粉探伤、射线探伤等检测结果,建筑物的结构体系和连接节点均符合设计要求和相关规范的规定。
外观检查和尺寸测量表明,建筑物的外观和尺寸符合设计要求。
4.结论和建议
根据检测结果和分析,本报告得出以下结论:该钢结构建筑的质量、安全性和可靠性均符合相关标准和规范的要求。
建议定期进行维护和检查,确保建筑物的安全使用。
5.附件
本报告附有相关的检测数据和图片记录,以供查阅和分析。
注:本报告仅为示例报告,实际报告的具体内容和格式可能因检测机构和客户需求而有所不同。
钢结构检测报告
编号:(2019)
本报告共XX页
工程名称:
委托单位:
检测类别:委托检测
联系电话:
签发日期:
地址:
声明
1、报告加盖本公司检测专用章(红章)有效。
2、报告涂改无效。
3、未经本单位书面批准,任何单位和个人不得复制本报告(完整
复制除外)。
4、本报告一式肆份,外发叁份。
编号(2019)共页第页
钢构件厚度测量报告
测量:审核:
磁粉探伤报告
检测:(MT 级)审核:(MT 级)
磁粉探伤记录
记录:(MT 级)
超声波探伤报告
超声波探伤记录
X射线探伤报告
检测:(RT 级)审核:( RT 级)
钢结构检测报告附页
角焊缝焊脚尺寸测量报告
测量:审核:
钢结构检测报告附页
高强螺栓终拧扭矩复查报告
编号(2019)共页第页
钢结构检测报告附页涂层厚度测量报告
编号( 2019)共页第页
测量:审核:
钢结构检测报告附页吊车梁挠度测量报告编号( 2019)共页第页
测量:审核:
网架挠度测量报告
钢结构整体垂直度测量报告
钢结构整体垂直度测量报告
测量:审核:
钢结构整体平面弯曲度测量报告
钢结构检测报告附页
钢结构整体平面弯曲度测量报告
编号( 2019)共页第页。
编号:检测报告(参考范本)编号(00001自定)工程名称:委托单位:建设单位:设计单位:施工单位:监理单位:检测机构(章)年月日声明1、本检测报告无我单位检测专用章和计量认证专用章无效。
2、本检测报告无检测、审核、批准人签字无效。
3、本检测报告涂改、换页、漏页无效。
4、本检测报告无骑缝章无效。
5、对本检测报告若有异议或需要说明之处,应于收到报告之日起十五日内向我单位书面提出,本单位将给予及时的解释或答复。
检测机构:单位地址:邮政编码:联系电话:检测机构名称报告编号:批准:审核:检测:(两人以上签章)检测报告一、工程概况工程名称及位置、结构形式、建筑面积。
工程开工时间、建设单位名称、设计单位名称、施工单位名称、监理单位名称。
检测原因(不符合基本建设程序或质量事故等)、委托单位及进场检测日期。
二、检测目的通过现场检测对该工程基础、主体钢结构的工程质量是否满足设计要求进行评定。
三、检测依据1、设计图纸及相关技术资料2、《建筑结构检测技术标准》GB/T50344-20043、《网架结构工程质量检验评定标准》JGJ78-914、《建筑钢结构焊接技术规程》JGJ81-20025、《钢结构工程施工质量验收规范》GB50205-20016、《回弹法检测混凝土抗压强度技术规程》JGJ/T23-20017、其它相关技术标准及通过鉴定的新检测方法或科研成果等等四、检测项目1、基础混凝土强度检测;2、焊接球节点无损检测及尺寸偏差检验;3、焊接钢板节点无损检测和尺寸偏差检验;4、杆件无损检测和尺寸偏差检验;5、网架结构安装网架结构总拼完成后挠度检测;6、油漆、防腐、防火涂装工程涂层厚度检测及外观检查;7、钢结构的安装质量(偏差)检测。
五、检测仪器设备检测仪器设备:HT-225型混凝土回弹仪、金属超声仪、钢板厚度仪、漆膜厚度仪、测距仪、水准仪、碳化深度测量仪、游标卡尺、钢卷尺等。
六、检测数量基础混凝土强度钻芯按CECS03:2007标准采用取×个芯样,其他混凝土构件回弹按JGJ/T23-2001标准采用检测×个构件。
青岛理工建设工程质量检测有限公司
钢结构检测报告
编号:(2005)
本报告共页
工程名称:
委托单位:
检测类别:委托检测
联系电话:
签发日期:
地址:
声明
1、报告加盖本公司检测专用章(红章)有效。
2、报告涂改无效。
3、未经本单位书面批准,任何单位和个人不得复制本报告(完整
复制除外)。
4、本报告一式肆份,外发叁份。
钢构件厚度测量报告
测量:审核:
磁粉探伤报告
检测:(MT 级)审核:(MT 级)
磁粉探伤记录
记录:(MT 级)
超声波探伤报告
检测:(UT 级)审核:(UT 级)
超声波探伤记录
X射线探伤报告
检测:(RT 级)审核:( RT 级)
角焊缝焊脚尺寸测量报告
高强螺栓终拧扭矩复查报告
编号(2005)共页第页
涂层厚度测量报告
编号(2005)共页第页
吊车梁挠度测量报告
测量:审核:
网架挠度测量报告
钢结构整体垂直度测量报告
钢结构整体垂直度测量报告
测量:审核:
钢结构整体平面弯曲度测量报告
青岛理工建设工程质量检测有限公司钢结构检测报告附页钢结构整体平面弯曲度测量报告
编号(2005)共页第页。
钢网架焊接质量无损检验检测原始记录工程名称报告编号探伤面焊接方法试块探伤时机扫描比例表面补偿探伤方法仪器探伤比例检验规程验收标准耦合剂焊缝种类探伤灵敏度质量等级探伤部位示意图:探伤结果及返修情况构件名称抽样数量焊缝编号检验长度mm焊缝总长mm评定级别评定结果备注返修合格检验员UT级审核UT级报告日期年月日杆件焊缝锥头涂层厚度检测原始记录检验:审核:年月日高强度大六角螺栓检测原始记录检验:审核:年月日扭剪型高强螺栓检测原始记录检验:审核:年月日紧固件机械性能检测原始记录检验:审核:年月日粗牙螺纹螺母检测原始记录检验:审核:年月日六角头螺栓检测原始记录检验:审核:年月日钢网架螺栓球节点高强螺栓检测原始记录检验:审核:年月日钢网架螺栓球节点检测原始记录检验:审核:年月日钢网架焊接空心球节点检测原始记录检验:审核:年月日钢筋焊接件检测原始记录检验:审核:年月日焊接接头及焊接试样检测原始记录检验:审核:年月日构件摩擦面检测原始记录检验:审核:年月日焊接球及螺栓球加工质量检测原始记录检验:审核:年月日钢网架杆件尺寸检测原始记录检验:审核:年月日钢网架支承面检测原始记录检验:审核:年月日总拼及安装质量检测原始记录检验:审核:年月日钢柱垂直度检测原始记录检验:审核:年月日节点承载力检测原始记录检验:审核:年月日网架工程挠度检测原始记录表检测:审核:钢网架整体偏差检测原始记录检验:审核:年月日垂直度和侧向弯曲检测原始记录检验:审核:年月日主体结构尺寸检测原始记录检验:审核:年月日。
青岛理工建设工程质量检测有限公司
钢结构检测报告
编号:(2005)
本报告共页
工程名称:
委托单位:
检测类别:委托检测
联系电话:
签发日期:
地址:
声明
1、报告加盖本公司检测专用章(红章)有效。
2、报告涂改无效。
3、未经本单位书面批准,任何单位和个人不得复制本报告(完整
复制除外)。
4、本报告一式肆份,外发叁份。
青岛理工建设工程质量检测有限公司
编号(2005)共页第页
青岛理工建设工程质量检测有限公司钢构件厚度测量报告
青岛理工建设工程质量检测有限公司
磁粉探伤报告
编号:(2005)共页第页
青岛理工建设工程质量检测有限公司
磁粉探伤记录
青岛理工建设工程质量检测有限公司
超声波探伤报告
编号(2005)共页第页
检测:(UT 级)审核:(UT 级)
青岛理工建设工程质量检测有限公司钢结构检测报告附页
超声波探伤记录
编号(2005)共页第页
记录:(UT 级)
青岛理工建设工程质量检测有限公司钢结构检测报告附页
X射线探伤报告
青岛理工建设工程质量检测有限公司钢结构检测报告附页角焊缝焊脚尺寸测量报告
编号(2005)共页第页
青岛理工建设工程质量检测有限公司钢结构检测报告附页高强螺栓终拧扭矩复查报告
青岛理工建设工程质量检测有限公司钢结构检测报告附页
涂层厚度测量报告
编号(2005)共页第页
测量:审核:
青岛理工建设工程质量检测有限公司钢结构检测报告附页
吊车梁挠度测量报告
编号(2005)共页第页
青岛理工建设工程质量检测有限公司钢结构检测报告附页
网架挠度测量报告
青岛理工建设工程质量检测有限公司钢结构检测报告附页钢结构整体垂直度测量报告
青岛理工建设工程质量检测有限公司钢结构检测报告附页钢结构整体垂直度测量报告
测量:审核:
青岛理工建设工程质量检测有限公司钢结构检测报告附页钢结构整体平面弯曲度测量报告
青岛理工建设工程质量检测有限公司钢结构检测报告附页钢结构整体平面弯曲度测量报告。