电动车充电器图解原理与维修
- 格式:pdf
- 大小:311.89 KB
- 文档页数:4
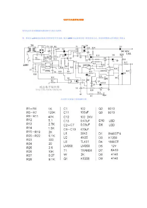
常用电动车充电器根据电路结构可大致分为两种。
第一种是以uc3842驱动场效应管的单管开关电源,配合LM358双运放来实现三阶段充电方式。
其电原理图和元件参数见图表1)图表 1220v交流电经T0双向滤波抑制干扰,D1整流为脉动直流,再经C11滤波形成稳定的300V左右的直流电。
U1 为TL3842脉宽调制集成电路。
其5脚为电源负极,7脚为电源正极,6脚为脉冲输出直接驱动场效应管Q1(K1358) 3脚为最大电流限制,调整R25(2.5欧姆)的阻值可以调整充电器的最大电流。
2脚为电压反馈,可以调节充电器的输出电压。
4脚外接振荡电阻R1,和振荡电容C1。
T1为高频脉冲变压器,其作用有三个。
第一是把高压脉冲将压为低压脉冲。
第二是起到隔离高压的作用,以防触电。
第三是为uc3842提供工作电源。
D4为高频整流管(16A60V)C10为低压滤波电容,D5为12V稳压二极管, U3(TL431)为精密基准电压源,配合U2(光耦合器4N35) 起到自动调节充电器电压的作用。
调整w2(微调电阻)可以细调充电器的电压。
D10是电源指示灯。
D6为充电指示灯。
R27是电流取样电阻(0.1欧姆,5w)改变W1的阻值可以调整充电器转浮充的拐点电流(200-300 mA)。
通电开始时,C11上有300v左右电压。
此电压一路经T1加载到Q1。
第二路经R5,C8,C3, 达到U1的第7脚。
强迫U1启动。
U1的6脚输出方波脉冲,Q1工作,电流经R25到地。
同时T1副线圈产生感应电压,经D3,R12给U1提供可靠电源。
T1输出线圈的电压经D4,C10整流滤波得到稳定的电压。
此电压一路经D7(D7起到防止电池的电流倒灌给充电器的作用)给电池充电。
第二路经R14,D5,C9, 为LM358(双运算放大器,1脚为电源地,8脚为电源正)及其外围电路提供12V工作电源。
D9为LM358提供基准电压,经R26,R4分压达到LM358的第二脚和第5脚。
电动车充电器原理及维修常用电动车充电器根据电路结构可大致分为两种。
第一种是以uc3842驱动场效应管的单管开关电源,配合LM358双运放来实现三阶段充电方式。
其电原理图和元件参数见图表1点击图片在新窗口查看清晰大图图表1工作原理:220v交流电经T0双向滤波抑制干扰,D1整流为脉动直流,再经C11滤波形成稳定的300V左右的直流电。
U1 为TL3842脉宽调制集成电路。
其5脚为电源负极,7脚为电源正极,6脚为脉冲输出直接驱动场效应管Q1(K1358) 3脚为最大电流限制,调整R25(2.5欧姆)的阻值可以调整充电器的最大电流。
2脚为电压反馈,可以调节充电器的输出电压。
4脚外接振荡电阻R1,和振荡电容C1。
T1为高频脉冲变压器,其作用有三个。
第一是把高压脉冲将压为低压脉冲。
第二是起到隔离高压的作用,以防触电。
第三是为uc3842提供工作电源。
D4为高频整流管(16A60V)C10为低压滤波电容,D5为12V稳压二极管, U3(TL431)为精密基准电压源,配合U2(光耦合器4N35) 起到自动调节充电器电压的作用。
调整w2(微调电阻)可以细调充电器的电压。
D10是电源指示灯。
D6为充电指示灯。
R27是电流取样电阻(0.1欧姆,5w)改变W1的阻值可以调整充电器转浮充的拐点电流(200-300 mA)通电开始时,C11上有300v左右电压。
此电压一路经T1加载到Q1。
第二路经R5,C8,C3, 达到U1的第7脚。
强迫U1启动。
U1的6脚输出方波脉冲,Q1工作,电流经R25到地。
同时T1副线圈产生感应电压,经D3,R12给U1提供可靠电源。
T1输出线圈的电压经D4,C10整流滤波得到稳定的电压。
此电压一路经D7(D7起到防止电池的电流倒灌给充电器的作用)给电池充电。
第二路经R14,D5,C9, 为LM358(双运算放大器,1脚为电源地,8脚为电源正)及其外围电路提供12V工作电源。
D9为LM358提供基准电压,经R26,R4分压达到LM358的第二脚和第5脚。
常用电动车充电器根据电路结构可大致分为两种。
第一种是以uc3842驱动场效应管的单管开关电源,配合LM358双运放来实现三阶段充电方式。
其电原理图和元件参数见图表1)图表 1220v交流电经T0双向滤波抑制干扰,D1整流为脉动直流,再经C11滤波形成稳定的300V左右的直流电。
U1 为TL3842脉宽调制集成电路。
其5脚为电源负极,7脚为电源正极,6脚为脉冲输出直接驱动场效应管Q1(K1358) 3脚为最大电流限制,调整R25(2.5欧姆)的阻值可以调整充电器的最大电流。
2脚为电压反馈,可以调节充电器的输出电压。
4脚外接振荡电阻R1,和振荡电容C1。
T1为高频脉冲变压器,其作用有三个。
第一是把高压脉冲将压为低压脉冲。
第二是起到隔离高压的作用,以防触电。
第三是为uc3842提供工作电源。
D4为高频整流管(16A60V)C10为低压滤波电容,D5为12V稳压二极管,U3(TL431)为精密基准电压源,配合U2(光耦合器4N35) 起到自动调节充电器电压的作用。
调整w2(微调电阻)可以细调充电器的电压。
D10是电源指示灯。
D6为充电指示灯。
R27是电流取样电阻(0.1欧姆,5w)改变W1的阻值可以调整充电器转浮充的拐点电流(200-300 mA)。
通电开始时,C11上有300v左右电压。
此电压一路经T1加载到Q1。
第二路经R5,C8,C3, 达到U1的第7脚。
强迫U1启动。
U1的6脚输出方波脉冲,Q1工作,电流经R25到地。
同时T1副线圈产生感应电压,经D3,R12给U1提供可靠电源。
T1输出线圈的电压经D4,C10整流滤波得到稳定的电压。
此电压一路经D7(D7起到防止电池的电流倒灌给充电器的作用)给电池充电。
第二路经R14,D5,C9, 为LM358(双运算放大器,1脚为电源地,8脚为电源正)及其外围电路提供12V工作电源。
D9为LM358提供基准电压,经R26,R4分压达到LM358的第二脚和第5脚。
常用电动车充电器根据电路结构可大致分为两种。
第一种是以uc3842驱动场效应管的单管开关电源,配合LM358双运放来实现三阶段充电方式。
其电原理图和元件参数见图表1)图表 1220v交流电经T0双向滤波抑制干扰,D1整流为脉动直流,再经C11滤波形成稳定的300V左右的直流电。
U1 为TL3842脉宽调制集成电路。
其5脚为电源负极,7脚为电源正极,6脚为脉冲输出直接驱动场效应管Q1(K1358) 3脚为最大电流限制,调整R25(2.5欧姆)的阻值可以调整充电器的最大电流。
2脚为电压反馈,可以调节充电器的输出电压。
4脚外接振荡电阻R1,和振荡电容C1。
T1为高频脉冲变压器,其作用有三个。
第一是把高压脉冲将压为低压脉冲。
第二是起到隔离高压的作用,以防触电。
第三是为uc3842提供工作电源。
D4为高频整流管(16A60V)C10为低压滤波电容,D5为12V 稳压二极管,U3(TL431)为精密基准电压源,配合U2(光耦合器4N35) 起到自动调节充电器电压的作用。
调整w2(微调电阻)可以细调充电器的电压。
D10是电源指示灯。
D6为充电指示灯。
R27是电流取样电阻(0.1欧姆,5w)改变W1的阻值可以调整充电器转浮充的拐点电流(200-300 mA)。
通电开始时,C11上有300v左右电压。
此电压一路经T1加载到Q1。
第二路经R5,C8,C3, 达到U1的第7脚。
强迫U1启动。
U1的6脚输出方波脉冲,Q1工作,电流经R25到地。
同时T1副线圈产生感应电压,经D3,R12给U1提供可靠电源。
T1输出线圈的电压经D4,C10整流滤波得到稳定的电压。
此电压一路经D7(D7起到防止电池的电流倒灌给充电器的作用)给电池充电。
第二路经R14,D5,C9, 为LM358(双运算放大器,1脚为电源地,8脚为电源正)及其外围电路提供12V工作电源。
D9为LM358提供基准电压,经R26,R4分压达到LM358的第二脚和第5脚。
常用电动车充电器根据电路结构可大致分为两种。
第一种是以uc3842驱动场效应管的单管开关电源,配合LM358双运放来实现三阶段充电方式。
其电原理图和元件参数见图表1)图表 1220v交流电经T0双向滤波抑制干扰,D1整流为脉动直流,再经C11滤波形成稳定的300V左右的直流电。
U1 为TL3842脉宽调制集成电路。
其5脚为电源负极,7脚为电源正极,6脚为脉冲输出直接驱动场效应管Q1(K1358) 3脚为最大电流限制,调整R25(2.5欧姆)的阻值可以调整充电器的最大电流。
2脚为电压反馈,可以调节充电器的输出电压。
4脚外接振荡电阻R1,和振荡电容C1。
T1为高频脉冲变压器,其作用有三个。
第一是把高压脉冲将压为低压脉冲。
第二是起到隔离高压的作用,以防触电。
第三是为uc3842提供工作电源。
D4为高频整流管(16A60V)C10为低压滤波电容,D5为12V 稳压二极管,U3(TL431)为精密基准电压源,配合U2(光耦合器4N35) 起到自动调节充电器电压的作用。
调整w2(微调电阻)可以细调充电器的电压。
D10是电源指示灯。
D6为充电指示灯。
R27是电流取样电阻(0.1欧姆,5w)改变W1的阻值可以调整充电器转浮充的拐点电流(200-300 mA)。
通电开始时,C11上有300v左右电压。
此电压一路经T1加载到Q1。
第二路经R5,C8,C3, 达到U1的第7脚。
强迫U1启动。
U1的6脚输出方波脉冲,Q1工作,电流经R25到地。
同时T1副线圈产生感应电压,经D3,R12给U1提供可靠电源。
T1输出线圈的电压经D4,C10整流滤波得到稳定的电压。
此电压一路经D7(D7起到防止电池的电流倒灌给充电器的作用)给电池充电。
第二路经R14,D5,C9, 为LM358(双运算放大器,1脚为电源地,8脚为电源正)及其外围电路提供12V工作电源。
D9为LM358提供基准电压,经R26,R4分压达到LM358的第二脚和第5脚。
常用电动车充电器根据电路结构可大致分为两种。
第一种是以uc3842驱动场效应管的单管开关电源,配合LM358双运放来实现三阶段充电方式。
其电原理图和元件参数见图表1)图表 1220v交流电经T0双向滤波抑制干扰,D1整流为脉动直流,再经C11滤波形成稳定的300V左右的直流电。
U1 为TL3842脉宽调制集成电路。
其5脚为电源负极,7脚为电源正极,6脚为脉冲输出直接驱动场效应管Q1(K1358) 3脚为最大电流限制,调整R25(2.5欧姆)的阻值可以调整充电器的最大电流。
2脚为电压反馈,可以调节充电器的输出电压。
4脚外接振荡电阻R1,和振荡电容C1。
T1为高频脉冲变压器,其作用有三个。
第一是把高压脉冲将压为低压脉冲。
第二是起到隔离高压的作用,以防触电。
第三是为uc3842提供工作电源。
D4为高频整流管(16A60V)C10为低压滤波电容,D5为12V 稳压二极管,U3(TL431)为精密基准电压源,配合U2(光耦合器4N35) 起到自动调节充电器电压的作用。
调整w2(微调电阻)可以细调充电器的电压。
D10是电源指示灯。
D6为充电指示灯。
R27是电流取样电阻(0.1欧姆,5w)改变W1的阻值可以调整充电器转浮充的拐点电流(200-300 mA)。
通电开始时,C11上有300v左右电压。
此电压一路经T1加载到Q1。
第二路经R5,C8,C3, 达到U1的第7脚。
强迫U1启动。
U1的6脚输出方波脉冲,Q1工作,电流经R25到地。
同时T1副线圈产生感应电压,经D3,R12给U1提供可靠电源。
T1输出线圈的电压经D4,C10整流滤波得到稳定的电压。
此电压一路经D7(D7起到防止电池的电流倒灌给充电器的作用)给电池充电。
第二路经R14,D5,C9, 为LM358(双运算放大器,1脚为电源地,8脚为电源正)及其外围电路提供12V工作电源。
D9为LM358提供基准电压,经R26,R4分压达到LM358的第二脚和第5脚。
常用电动车充电器根据电路结构可大致分为两种。
第一种是以uc3842驱动场效应管的单管开关电源,配合LM358双运放来实现三阶段充电方式。
其电原理图和元件参数见图表1)图表 1220v交流电经T0双向滤波抑制干扰,D1整流为脉动直流,再经C11滤波形成稳定的300V左右的直流电。
U1 为TL3842脉宽调制集成电路。
其5脚为电源负极,7脚为电源正极,6脚为脉冲输出直接驱动场效应管Q1(K1358) 3脚为最大电流限制,调整R25(2.5欧姆)的阻值可以调整充电器的最大电流。
2脚为电压反馈,可以调节充电器的输出电压。
4脚外接振荡电阻R1,和振荡电容C1。
T1为高频脉冲变压器,其作用有三个。
第一是把高压脉冲将压为低压脉冲。
第二是起到隔离高压的作用,以防触电。
第三是为uc3842提供工作电源。
D4为高频整流管(16A60V)C10为低压滤波电容,D5为12V 稳压二极管,U3(TL431)为精密基准电压源,配合U2(光耦合器4N35) 起到自动调节充电器电压的作用。
调整w2(微调电阻)可以细调充电器的电压。
D10是电源指示灯。
D6为充电指示灯。
R27是电流取样电阻(0.1欧姆,5w)改变W1的阻值可以调整充电器转浮充的拐点电流(200-300 mA)。
通电开始时,C11上有300v左右电压。
此电压一路经T1加载到Q1。
第二路经R5,C8,C3, 达到U1的第7脚。
强迫U1启动。
U1的6脚输出方波脉冲,Q1工作,电流经R25到地。
同时T1副线圈产生感应电压,经D3,R12给U1提供可靠电源。
T1输出线圈的电压经D4,C10整流滤波得到稳定的电压。
此电压一路经D7(D7起到防止电池的电流倒灌给充电器的作用)给电池充电。
第二路经R14,D5,C9, 为LM358(双运算放大器,1脚为电源地,8脚为电源正)及其外围电路提供12V工作电源。
D9为LM358提供基准电压,经R26,R4分压达到LM358的第二脚和第5脚。
常用电动车充电器根据电路结构可大致分为两种。
第一种是以uc3842驱动场效应管的单管开关电源,配合LM358双运放来实现三阶段充电方式。
其电原理图和元件参数见图表1)图表 1220v交流电经T0双向滤波抑制干扰,D1整流为脉动直流,再经C11滤波形成稳定的300V左右的直流电。
U1 为TL3842脉宽调制集成电路。
其5脚为电源负极,7脚为电源正极,6脚为脉冲输出直接驱动场效应管Q1(K1358) 3脚为最大电流限制,调整R25欧姆)的阻值可以调整充电器的最大电流。
2脚为电压反馈,可以调节充电器的输出电压。
4脚外接振荡电阻R1,和振荡电容C1。
T1为高频脉冲变压器,其作用有三个。
第一是把高压脉冲将压为低压脉冲。
第二是起到隔离高压的作用,以防触电。
第三是为uc3842提供工作电源。
D4为高频整流管(16A60V)C10为低压滤波电容,D5为12V稳压二极管, U3(TL431)为精密基准电压源,配合U2(光耦合器4N35) 起到自动调节充电器电压的作用。
调整w2(微调电阻)可以细调充电器的电压。
D10是电源指示灯。
D6为充电指示灯。
R27是电流取样电阻(欧姆,5w)改变W1的阻值可以调整充电器转浮充的拐点电流(200-300 mA)。
通电开始时,C11上有300v左右电压。
此电压一路经T1加载到Q1。
第二路经R5,C8,C3, 达到U1的第7脚。
强迫U1启动。
U1的6脚输出方波脉冲,Q1工作,电流经R25到地。
同时T1副线圈产生感应电压,经D3,R12给U1提供可靠电源。
T1输出线圈的电压经D4,C10整流滤波得到稳定的电压。
此电压一路经D7(D7起到防止电池的电流倒灌给充电器的作用)给电池充电。
第二路经R14,D5,C9, 为LM358(双运算放大器,1脚为电源地,8脚为电源正)及其外围电路提供12V工作电源。
D9为LM358提供基准电压,经R26,R4分压达到LM358的第二脚和第5脚。
正常充电时,R27上端有-左右电压,此电压经R17加到LM358第三脚,从1脚送出高电压。
电动车48V 充电器原理图与维修电动车充电器实际上就是一个开关电源加上一个检测电路,目前很多电动车的48V 充电器都是采用KA3842 和比较器LM358 来完成充电工作理图如图 1 所示工作原理220V 交流电经LF1 双向滤波.VD1-VD4 整流为脉动直流电压,再经C3 滤波后形成约300V 的直流电压,300V 直流电压经过启动电阻R4 为脉宽调制集成电路IC1 的7 脚提供启动电压,IC1 的7 脚得到启动电压后,(7 脚电压高于14V 时,集成电路开始工作),6 脚输出PWM 脉冲,驱动电源开关管(场效应管) VT1 工作在开关状态,流通过VT1 的S 极-D 极-R7-接地端.此时开关变压器T1 的8-9绕产生感应电压,经VD6,R2 为IC1 的7 脚提供稳定的工作电压,4 脚外接振荡阻R10 和振荡电容C7 决定IC1 的振荡频率, IC2(TL431)为精密基准压源,IC4(光耦合器4N35)配合用来稳定充电压,调整RP1(510 欧半可调电位器)可以细调充电器的电压,LED1 是电源指示灯.接通电源后该指示灯就会发出红色的光。
VT1 开始工作后,变压器的次级6-5 绕组输出的电压经快速恢复二极管VD60 整流,C18 滤波得到稳定的电压(约53V).此电压一路经二极管VD70(该二极管起防止电池的电流倒灌给充电器的作用)给电池充电,另一路经限流电阻R38,稳压二极管VZD1,滤波电容C60,为比较器IC3(LM358)提供12V 工作电源,VD12 为IC3 提供基准压,经R25,R26,R27 分压后送到IC3 的2 脚和 5 脚。
正常充电时,R33 上端有0.18-0.2V 的电压,此电压经R10 加到IC3 的 3 脚,从 1 脚输出高电平。
1 脚输出的高电平信号分三路输出,第一路驱动VT2 导通,散热风扇得开始工作,第二路经过电阻R34 点亮双色二极管LED2 中的红色发光二极管,第三路输入到IC3 的 6 脚,此时7 脚输出低电平,双色发光二极管LED2 中的绿色发光二极管熄灭,充电器进入恒流充电阶段。
常用电动车充电器根据电路结构可大致分为两种.第一种就是以uc3842驱动场效应管得单管开关电源,配合LM358双运放来实现三阶段充电方式。
其电原理图与元件参数见图表1)图表错误!未定义书签。
220v交流电经T0双向滤波抑制干扰,D1整流为脉动直流,再经C11滤波形成稳定得300V左右得直流电.U1为TL3842脉宽调制集成电路。
其5脚为电源负极,7脚为电源正极,6脚为脉冲输出直接驱动场效应管Q1(K1358)3脚为最大电流限制,调整R25(2、5欧姆)得阻值可以调整充电器得最大电流。
2脚为电压反馈,可以调节充电器得输出电压。
4脚外接振荡电阻R1,与振荡电容C1。
T1为高频脉冲变压器,其作用有三个。
第一就是把高压脉冲将压为低压脉冲.第二就是起到隔离高压得作用,以防触电。
第三就是为uc3842提供工作电源。
D4为高频整流管(16A60V)C10为低压滤波电容,D5为12V稳压二极管,U3(TL431)为精密基准电压源,配合U2(光耦合器4N35)起到自动调节充电器电压得作用。
调整w2(微调电阻)可以细调充电器得电压。
D10就是电源指示灯。
D6为充电指示灯。
R27就是电流取样电阻(0、1欧姆,5w)改变W1得阻值可以调整充电器转浮充得拐点电流(200-300 mA).通电开始时,C11上有300v左右电压。
此电压一路经T1加载到Q1。
第二路经R5,C8,C3,达到U1得第7脚.强迫U1启动。
U1得6脚输出方波脉冲,Q1工作,电流经R25到地。
同时T1副线圈产生感应电压,经D3,R12给U1提供可靠电源。
T1输出线圈得电压经D4,C10整流滤波得到稳定得电压.此电压一路经D7(D7起到防止电池得电流倒灌给充电器得作用)给电池充电。
第二路经R14,D5,C9, 为LM358(双运算放大器,1脚为电源地,8脚为电源正)及其外围电路提供12V工作电源。
D9为LM358提供基准电压,经R26,R4分压达到LM358得第二脚与第5脚.正常充电时,R27上端有0、15-0、18V左右电压,此电压经R17加到LM358第三脚,从1脚送出高电压.此电压一路经R18,强迫Q2导通,D6(红灯)点亮,第二路注入LM358得6脚,7脚输出低电压,迫使Q3关断,D10(绿灯)熄灭,充电器进入恒流充电阶段。
常用电动车充电器根据电路结构可大致分为两种。
第一种是以uc3842驱动场效应管的单管开关电源,配合LM358双运放来实现三阶段充电方式。
其电原理图和元件参数见图表1)图表 1220v交流电经T0双向滤波抑制干扰,D1整流为脉动直流,再经C11滤波形成稳定的300V左右的直流电。
U1 为TL3842脉宽调制集成电路。
其5脚为电源负极,7脚为电源正极,6脚为脉冲输出直接驱动场效应管Q1(K1358) 3脚为最大电流限制,调整R25(2.5欧姆)的阻值可以调整充电器的最大电流。
2脚为电压反馈,可以调节充电器的输出电压。
4脚外接振荡电阻R1,和振荡电容C1。
T1为高频脉冲变压器,其作用有三个。
第一是把高压脉冲将压为低压脉冲。
第二是起到隔离高压的作用,以防触电。
第三是为uc3842提供工作电源。
D4为高频整流管(16A60V)C10为低压滤波电容,D5为12V 稳压二极管,U3(TL431)为精密基准电压源,配合U2(光耦合器4N35) 起到自动调节充电器电压的作用。
调整w2(微调电阻)可以细调充电器的电压。
D10是电源指示灯。
D6为充电指示灯。
R27是电流取样电阻(0.1欧姆,5w)改变W1的阻值可以调整充电器转浮充的拐点电流(200-300 mA)。
通电开始时,C11上有300v左右电压。
此电压一路经T1加载到Q1。
第二路经R5,C8,C3, 达到U1的第7脚。
强迫U1启动。
U1的6脚输出方波脉冲,Q1工作,电流经R25到地。
同时T1副线圈产生感应电压,经D3,R12给U1提供可靠电源。
T1输出线圈的电压经D4,C10整流滤波得到稳定的电压。
此电压一路经D7(D7起到防止电池的电流倒灌给充电器的作用)给电池充电。
第二路经R14,D5,C9, 为LM358(双运算放大器,1脚为电源地,8脚为电源正)及其外围电路提供12V工作电源。
D9为LM358提供基准电压,经R26,R4分压达到LM358的第二脚和第5脚。
常用电动车充电器根据电路结构可大致分为两种。
第一种是以uc3842驱动场效应管的单管开关电源,配合LM358双运放来实现三阶段充电方式。
其电原理图和元件参数见图表1)图表 1220v交流电经T0双向滤波抑制干扰,D1整流为脉动直流,再经C11滤波形成稳定的300V左右的直流电。
U1 为TL3842脉宽调制集成电路。
其5脚为电源负极,7脚为电源正极,6脚为脉冲输出直接驱动场效应管Q1(K1358) 3脚为最大电流限制,调整R25(2.5欧姆)的阻值可以调整充电器的最大电流。
2脚为电压反馈,可以调节充电器的输出电压。
4脚外接振荡电阻R1,和振荡电容C1。
T1为高频脉冲变压器,其作用有三个。
第一是把高压脉冲将压为低压脉冲。
第二是起到隔离高压的作用,以防触电。
第三是为uc3842提供工作电源。
D4为高频整流管(16A60V)C10为低压滤波电容,D5为12V稳压二极管,U3(TL431)为精密基准电压源,配合U2(光耦合器4N35) 起到自动调节充电器电压的作用。
调整w2(微调电阻)可以细调充电器的电压。
D10是电源指示灯。
D6为充电指示灯。
R27是电流取样电阻(0.1欧姆,5w)改变W1的阻值可以调整充电器转浮充的拐点电流(200-300 mA)。
通电开始时,C11上有300v左右电压。
此电压一路经T1加载到Q1。
第二路经R5,C8,C3, 达到U1的第7脚。
强迫U1启动。
U1的6脚输出方波脉冲,Q1工作,电流经R25到地。
同时T1副线圈产生感应电压,经D3,R12给U1提供可靠电源。
T1输出线圈的电压经D4,C10整流滤波得到稳定的电压。
此电压一路经D7(D7起到防止电池的电流倒灌给充电器的作用)给电池充电。
第二路经R14,D5,C9, 为LM358(双运算放大器,1脚为电源地,8脚为电源正)及其外围电路提供12V工作电源。
D9为LM358提供基准电压,经R26,R4分压达到LM358的第二脚和第5脚。
电动车充电器进门知识变频器3842电源故障及维修图文解讲电动车充电器结构原理及故障检测维修首先就目前市场上面常见的几款充电器我们来熟悉一下:西普尔内部电路结构图:正面反面正面反面首先我们把充电器内部的电路全然结构部件进行了分割和注解电动车充电器事实上还有另外的电路结构,大致能够分成2个大的板块,TL494芯片组成的半桥电路,UC3842芯片组成反激式电路,各自都有自己的特点。
目前市场上面尽大局部的充电器基本上3842电路,我们就用3842作为我们要紧讲解例子。
×4补充:19.输出电压操纵部件〔431)三、充电器工作全然原理全然的工作方框图〔下午下班回家开始画,历时3小时…汗一个〕注:图片里面的电流基准事实上和电流检测存在对比关系,为了画的方便和直瞧,连到了一起!下面就那个全然工作方框图我们简单的讲一下,如何和维修的思路结合在一起。
充电器工作原理是一个对比复杂的过程,而维修讲究的是把把复杂的东西简单化,理清思路,剔除一些不必要的障碍,是一个高级维修技工必备的要素,因此我们一般会讲:会维修的人可不能设计,会设计的人可不能维修。
因为维修的人轻易把复杂的东西往简单化,他往搞设计往往会出现一些致命的错误,而设计师往搞维修,我们会瞧到一幅对比搞笑的画面,设计师会把产品从头到足分析一遍,甚至画出电路图,否那么他会感受无从下手。
××××××××××××××××××××××××××××××××××××××××××××××××××××××依然简单的讲讲由3842芯片构成的充电器工作原理:首先AC220电压经由保险丝,NTC和EMI 滤波整流滤波变换至300V左右的直流电压,经启动电阻提提供3842〔7足〕初始工作电压,驱动MOS管开关动作,开关变压器在MOS管的开关作用下,会不断的储存->释放,而使输出绕组感应到的电能通过整流滤波输出的直流电压,通过采样到431或运放操纵光耦把信号相应至3842的1足或2足,操纵3842的输出〔6足〕的占空比,以到达稳定的输出电压值。
电动车充电器原理及维修常用电动车充电器根据电路结构可大致分为两种。
第一种是以uc3842驱动场效应管的单管开关电源,配合LM358双运放来实现三阶段充电方式。
其电原理图和元件参数见图表1点击图片在新窗口查看清晰大图图表1工作原理:220v交流电经T0双向滤波抑制干扰,D1整流为脉动直流,再经C11滤波形成稳定的300V左右的直流电。
U1 为TL3842脉宽调制集成电路。
其5脚为电源负极,7脚为电源正极,6脚为脉冲输出直接驱动场效应管Q1(K1358) 3脚为最大电流限制,调整R25(2.5欧姆)的阻值可以调整充电器的最大电流。
2脚为电压反馈,可以调节充电器的输出电压。
4脚外接振荡电阻R1,和振荡电容C1。
T1为高频脉冲变压器,其作用有三个。
第一是把高压脉冲将压为低压脉冲。
第二是起到隔离高压的作用,以防触电。
第三是为uc3842提供工作电源。
D4为高频整流管(16A60V)C10为低压滤波电容,D5为12V稳压二极管, U3(TL431)为精密基准电压源,配合U2(光耦合器4N35) 起到自动调节充电器电压的作用。
调整w2(微调电阻)可以细调充电器的电压。
D10是电源指示灯。
D6为充电指示灯。
R27是电流取样电阻(0.1欧姆,5w)改变W1的阻值可以调整充电器转浮充的拐点电流(200-300 mA)通电开始时,C11上有300v左右电压。
此电压一路经T1加载到Q1。
第二路经R5,C8,C3, 达到U1的第7脚。
强迫U1启动。
U1的6脚输出方波脉冲,Q1工作,电流经R25到地。
同时T1副线圈产生感应电压,经D3,R12给U1提供可靠电源。
T1输出线圈的电压经D4,C10整流滤波得到稳定的电压。
此电压一路经D7(D7起到防止电池的电流倒灌给充电器的作用)给电池充电。
第二路经R14,D5,C9, 为LM358(双运算放大器,1脚为电源地,8脚为电源正)及其外围电路提供12V工作电源。
D9为LM358提供基准电压,经R26,R4分压达到LM358的第二脚和第5脚。
电动车充电器原理及维修常用电动车充电器根据电路结构可大致分为两种。
第一种是以uc3842驱动场效应管的单管开关电源,配合LM358双运放来实现三阶段充电方式。
其电原理图和元件参数见 图表1点击图片在新窗口查看清晰大图图表1工作原理:220v交流电经T0双向滤波抑制干扰,D1整流为脉动直流,再经C11滤波形成稳定的300V左右的直流电。
U1 为TL3842脉宽调制集成电路。
其5脚为电源负极,7脚为电源正极,6脚为脉冲输出直接驱动场效应管Q1(K1358) 3脚为最大电流限制,调整R25(2.5欧姆)的阻值可以调整充电器的最大电流。
2脚为电压反馈,可以调节充电器的输出电压。
4脚外接振荡电阻R1,和振荡电容C1。
T1为高频脉冲变压器,其作用有三个。
第一是把高压脉冲将压为低压脉冲。
第二是起到隔离高压的作用,以防触电。
第三是为uc3842提供工作电源。
D4为高频整流管(16A60V)C10为低压滤波电容,D5为12V稳压二极管, U3(TL431)为精密基准电压源,配合U2(光耦合器4N35) 起到自动调节充电器电压的作用。
调整w2(微调电阻)可以细调充电器的电压。
D10是电源指示灯。
D6为充电指示灯。
R27是电流取样电阻(0.1欧姆,5w)改变W1的阻值可以调整充电器转浮充的拐点电流(200-300 mA)通电开始时,C11上有300v左右电压。
此电压一路经T1加载到Q1。
第二路经R5,C8,C3, 达到U1的第7脚。
强迫U1启动。
U1的6脚输出方波脉冲,Q1工作,电流经R25到地。
同时T1副线圈产生感应电压,经D3,R12给U1提供可靠电源。
T1输出线圈的电压经D4,C10整流滤波得到稳定的电压。
此电压一路经D7(D7起到防止电池的电流倒灌给充电器的作用)给电池充电。
第二路经R14,D5,C9, 为LM358(双运算放大器,1脚为电源地,8脚为电源正)及其外围电路提供12V工作电源。
D9为LM358提供基准电压,经R26,R4分压达到LM358的第二脚和第5脚。
电动车充电器原理和维修-两种充电器
常用电动车充电器根据电路结构可大致分为两种。
第一种是以uc3842驱动场效应管的单管开关电源,配合LM358双运放来实现三阶段充电方式。
其电原理图和元件参数见(图表1)
220v交流电经T0双向滤波抑制干扰,D1整流为脉动直流,再经C11滤波形成稳定的300V 左右的直流电。
U1 为TL3842脉宽调制集成电路。
其5脚为电源负极,7脚为电源正极,6
脚为脉冲输出直接驱动场效应管Q1(K1358) 3脚为最大电流限制,调整R25(2.5欧姆)的阻值可以调整充电器的最大电流。
2脚为电压反馈,可以调节充电器的输出电压。
4脚外接振荡电阻R1,和振荡电容C1。
T1为高频脉冲变压器,其作用有三个。
第一是把高压脉冲将压为低压脉冲。
第二是起到隔离高压的作用,以防触电。
第三是为uc3842提供工作电源。
D4为高频整流管(16A60V)C10为低压滤波电容,D5为12V稳压二极管, U3(TL431)为精密基准电压源,配合U2(光耦合器4N35) 起到自动调节充电器电压的作用。
调整w2(微调电阻)可以细调充电器的电压。
D10是电源指示灯。
D6为充电指示灯。
R27是电流取样电阻(0.1欧姆,5w)改变W1的阻值可以调整充电器转浮充的拐点电流(200-300 mA)。
通电开始时,C11上有300v左右电压。
此电压一路经T1加载到Q1。
第二路经R5,C8,C3, 达到U1的第7脚。
强迫U1启动。
U1的6脚输出方波脉冲,Q1工作,电流经R25到地。
同时T1副线圈产生感应电压,经D3,R12给U1提供可靠电源。
T1输出线圈的电压经D4,C10整流滤波得到稳定的电压。
此电压一路经D7(D7起到防止电池的电流倒灌给充电器的作用)给电池充电。
第二路经R14,D5,C9, 为LM358(双运算放大器,1脚为电源地,8脚为电源正)及其外围电路提供12V工作电源。
D9为LM358提供基准电压,经R26,R4分压达到LM358的第二脚和第5脚。
正常充电时,R27上端有0.15-0.18V左右电压,此电压经R17加到LM358第三脚,从1脚送出高电压。
此电压一路经R18,强迫Q2导通,D6(红灯)点亮,第二路注入LM358的6脚,7脚输出低电压,迫使Q3关断,D10(绿灯)熄灭,充电器进入恒流充电阶段。
当电池电压上升到44.2V左右时,充电器进入恒压充电阶段,输出电压维持在44.2V左
右,充电器进入恒压充电阶段,电流逐渐减小。
当充电电流减小到200mA—300mA时,R27上端的电压下降,LM358的3脚电压低于2脚,1脚输出低电压,Q2关断,D6熄灭。
同时7脚输出高电压,此电压一路使Q3导通,D10点亮。
另一路经D8,W1到达反馈电路,使电压降低。
充电器进入涓流充电阶段。
1-2小时后充电结束。
充电器常见的故障有三大类:1:高压故障。
2:低压故障。
3:高压,低压均有故障。
高压故障的主要现象是指示灯不亮,其特征有保险丝熔断,整流二极管D1击穿,电容C11鼓包或炸裂。
Q1击穿,R25开路。
U1的7脚对地短路。
R5开路,U1无启动电压。
更换以上元件即可修复。
若U1的7脚有11V以上电压,8脚有5V电压,说明U1基本正常。
应重点检测Q1和T1的引脚是否有虚焊。
若连续击穿Q1,且Q1不发烫,一般是D2,C4失效,若是Q1击穿且发烫,一般是低压部分有漏电或短路,过大或UC3842的6脚输出脉冲波形不正常,Q1的开关损耗和发热量大增,导致Q1过热烧毁。
高压故障的其他现象有指示灯闪烁,输出电压偏低且不稳定,一般是T1的引脚有虚焊,或者D3,R12开路,TL3842及其外围电路无工作电源。
另有一种罕见的高压故障是输出电压偏高到120V以上,一般是U2失效,R13开路所致或U3击穿使U1的2脚电压拉低,6脚送出超宽脉冲。
此时不能长时间通电,否则将严重烧毁低压电路。
低压故障大部分是充电器与电池正负极接反,导致R27烧断,LM358击穿。
其现象是红灯一直亮,绿灯不亮,输出电压低,或者输出电压接近0V,更换以上元件即可修复。
另外W2因抖动,输出电压漂移,若输出电压偏高,电池会过充,严重失水,发烫,最终导致热失控,充爆电池。
若输出电压偏低,会导致电池欠充。
高低压电路均有故障时,通电前应首先全面检测所有的二极管,三极管,光耦合器4N35,场效应管,电解电容,集成电路,R25,R5,R12,R27,尤其是D4(16A60V,快恢复二极管),C10(63V,470UF)。
避免盲目通电使故障范围进一步扩大。
有一部分充电器输出端具有防反接,防短路等特殊功能。
其实就是输出端多加一个继电器,在反接,短路的情况下继电器不工作,充电器无电压输出。
还有一部分充电器也具有防反接,防短路的功能,其原理与前面介绍的不同,其低压电路的启动电压由被充电池提供,且接有一个二极管(防反接)。
待电源正常启动后,就由充电器提供低压工作电源。
这种充电器的控制芯片一般是以TL494为核心,推动2只13007高压三极管。
配合LM324(4运算放大器),实现三阶段充电。
220V交流电经D1-D4整流,C5滤波得到300V左右直流电。
此电压给C4充电,经TF1高压绕组,TF2主绕组,V2等形成启动电流。
TF2反馈绕组产生感应电压,使V1,V2轮流导通。
因此在TF1低压供电绕组产生电压,经D9,D10整流,C8滤波,给TL494,LM324,V3,V4等供电。
此时输出电压较低。
TL494启动后其8脚,11脚轮流输出脉冲,推动V3,V4,经TF2反馈绕组激励V1,V2。
使V1,V2,由自激状态转入受控状态。
TF2输出绕组电压上升,此电压经R29,R26,R27分压后反馈给TL494的1脚(电压反馈)使输出电压稳定在41.2V上。
R30是电流取样电阻,充电时R30产生压降。
此电压经R11,R12反馈给TL494的15脚(电流反馈)使充电电流恒定在1.8A左右。
另外充电电流在D20上产生压降,经R42到达LM324的3脚。
使2脚输出高电压点亮充电灯,同时7脚输出低电压,浮充灯熄灭。
充电器进入恒流充电阶段。
而且7脚低电压拉低D19阳极的电压。
使TL494的1脚电压降低,这将导致充电器最高输出电压达到44.8V。
当电池电压上升至44.8V时,进入恒压阶段。
当充电电流降低到0.3A—0.4A时LM324的3脚电压降低,1脚输出低电压,充电灯熄灭。
同时7脚输出高电压,浮充灯点亮。
而且7脚高电压抬高D19阳极的电压。
使TL494的1脚电压上升,这将导致充电器输出电压降低到41.2V上。
充电器进入浮充。