电动车充电器原理及带电路图维修
- 格式:doc
- 大小:75.50 KB
- 文档页数:7
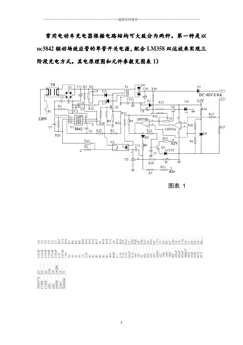
常用电动车充电器根据电路结构可大致分为两种。
第一种是以UC3842驱动场效应管的单管开关电源,配合LM358双运放来实现三阶段充电方式。
其电原理图和元件参数见图表1)220v 交流电经TO 双向滤波抑制干扰,D1整流为脉动直流, 再经U L5竺““玮rMCJEECNErME 寸LLnE寸竺Is 雪06oaM耳"请U0S-Og!5—O O T — Q1—Q Q LLIips - 3LL LL O 01 D : Q tr◎ L g 亠 0LgLT-gifJZC^pOL 寸 16BE iliCrOOcrCEiVjZUOOLj^QQO 1v~ift ggSiLLE 寸寸奇己工rsi TT in o QC11滤波形成稳定的300V左右的直流电。
U1为TL3842脉宽调制集成电路。
其5脚为电源负极,7脚为电源正极,6脚为脉冲输出直接驱动场效应管Q1(K1358)3脚为最大电流限制,调整R25(2.5欧姆)的阻值可以调整充电器的最大电流。
2脚为电压反馈,可以调节充电器的输出电压。
4脚外接振荡电阻R1,和振荡电容C1。
T1为高频脉冲变压器,其作用有三个。
第一是把高压脉冲将压为低压脉冲。
第二是起到隔离高压的作用,以防触电。
第三是为UC3842提供工作电源。
D4为高频整流管(16A60V )C10为低压滤波电容,D5 为12V稳压二极管,U3(TL431)为精密基准电压源,配合U2(光耦合器4N35)起到自动调节充电器电压的作用。
调整w2(微调电阻)可以细调充电器的电压。
D10是电源指示灯。
D6为充电指示灯。
R27 是电流取样电阻(0.1欧姆,5w)改变W1的阻值可以调整充电器转浮充的拐点电流(200 —300 mA )。
通电开始时,C11上有300v左右电压。
此电压一路经T1加载到Q1。
第二路经R5,C8,C3,达到U1的第7脚。
强迫U1启动。
U1 的6脚输出方波脉冲,Q1工作,电流经R25到地。
同时T1副线圈产生感应电压,经D3,R12给U1提供可靠电源。
创世纪-电脑配件及耗材平价店shop57289696.taobao./ 电动车充电器原理及维修常用电动车充电器根据电路结构可大致分为两种。
第一种是以uc3842驱动场效应管的单管开关电源,配合LM358双运放来实现三阶段充电方式。
其电原理图和元件参数见图表1)图表1220v交流电经T0双向滤波抑制干扰,D1整流为脉动直流,再经C11滤波形成稳定的300V左右的直流电。
U1 为TL3842脉宽调制集成电路。
其5脚为电源负极,7脚为电源正极,6脚为脉冲输出直接驱动场效应管Q1(K1358) 3脚为最大电流限制,调整R25(2.5欧姆)的阻值可以调整充电器的最大电流。
2脚为电压反馈,可以调节充电器的输出电压。
4脚外接振荡电阻R1,和振荡电容C1。
T1为高频脉冲变压器,其作用有三个。
第一是把高压脉冲将压为低压脉冲。
第二是起到隔离高压的作用,以防触电。
第三是为uc3842提供工作电源。
D4为高频整流管(16A60V)C10为低压滤波电容,D5为12V稳压二极管,U3(TL431)为精密基准电压源,配合U2(光耦合器4N35) 起到自动调节充电器电压的作用。
调整w2(微调电阻)可以细调充电器的电压。
D10是电源指示灯。
D6为充电指示灯。
R27是电流取样电阻(0.1欧姆,5w)改变W1的阻值可以调整充电器转浮充的拐点电流(200-300 mA)。
通电开始时,C11上有300v左右电压。
此电压一路经T1加载到Q1。
第二路经R5,C8,C3, 达到U1的第7脚。
强迫U1启动。
U1的6脚输出方波脉冲,Q1工作,电流经R25到地。
同时T1副线圈产生感应电压,经D3,R12给U1提供可靠电源。
T1输出线圈的电压经D4,C10整流滤波得到稳定的电压。
此电压一路经D7(D7起到防止电池的电流倒灌给充电器的作用)给电池充电。
第二路经R14,D5,C9, 为LM358(双运算放大器,1脚为电源地,8脚为电源正)及其外围电路提供12V工作电源。
创世纪-电脑配件及耗材平价店/电动车充电器原理及维修常用电动车充电器根据电路结构可大致分为两种。
第一种是以uc3842驱动场效应管的单管开关电源,配合LM358双运放来实现三阶段充电方式。
其电原理图和元件参数见图表1)图表 11创世纪-电脑配件及耗材平价店/()220v交流电经T0双向滤波抑制干扰,D1整流为脉动直流,再经C11滤波形成稳定的300V左右的直流电。
U1 为TL3842脉宽调制集成电路。
其5脚为电源负极,7脚为电源正极,6脚为脉冲输出直接驱动场效应管Q1(K1358) 3脚为最大电流限制,调整R25(2.5欧姆)的阻值可以调整充电器的最大电流。
2脚为电压反馈,可以调节充电器的输出电压。
4脚外接振荡电阻R1,和振荡电容C1。
T1为高频脉冲变压器,其作用有三个。
第一是把高压脉冲将压为低压脉冲。
第二是起到隔离高压的作用,以防触电。
第三是为uc3842提供工作电源。
D4为高频整流管(16A60V)C10为低压滤波电容,D5为12V 稳压二极管,U3(TL431)为精密基准电压源,配合U2(光耦合器4N35) 起到自动调节充电器电压的作用。
调整w2(微调电阻)可以细调充电器的电压。
D10是电源指示灯。
D6为充电指示灯。
R27是电流取样电阻(0.1欧姆,5w)改变W1的阻值可以调整充电器转浮充的拐点电流(200-300 mA)。
2创世纪-电脑配件及耗材平价店/()通电开始时,C11上有300v左右电压。
此电压一路经T1加载到Q1。
第二路经R5,C8,C3, 达到U1的第7脚。
强迫U1启动。
U1的6脚输出方波脉冲,Q1工作,电流经R25到地。
同时T1副线圈产生感应电压,经D3,R12给U1提供可靠电源。
T1输出线圈的电压经D4,C10整流滤波得到稳定的电压。
此电压一路经D7(D7起到防止电池的电流倒灌给充电器的作用)给电池充电。
第二路经R14,D5,C9, 为LM358(双运算放大器,1脚为电源地,8脚为电源正)及其外围电路提供12V工作电源。
常用电动车充电器根据电路结构可大致分为两种。
第一种是以uc3842驱动场效应管的单管开关电源,配合LM358双运放来实现三阶段充电方式。
其电原理图和元件参数见图表1)图表 1220v交流电经T0双向滤波抑制干扰,D1整流为脉动直流,再经C11滤波形成稳定的300V左右的直流电。
U1 为TL3842脉宽调制集成电路。
其5脚为电源负极,7脚为电源正极,6脚为脉冲输出直接驱动场效应管Q1(K1358) 3脚为最大电流限制,调整R25(2.5欧姆)的阻值可以调整充电器的最大电流。
2脚为电压反馈,可以调节充电器的输出电压。
4脚外接振荡电阻R1,和振荡电容C1。
T1为高频脉冲变压器,其作用有三个。
第一是把高压脉冲将压为低压脉冲。
第二是起到隔离高压的作用,以防触电。
第三是为uc3842提供工作电源。
D4为高频整流管(16A60V)C10为低压滤波电容,D5为12V 稳压二极管,U3(TL431)为精密基准电压源,配合U2(光耦合器4N35) 起到自动调节充电器电压的作用。
调整w2(微调电阻)可以细调充电器的电压。
D10是电源指示灯。
D6为充电指示灯。
R27是电流取样电阻(0.1欧姆,5w)改变W1的阻值可以调整充电器转浮充的拐点电流(200-300 mA)。
通电开始时,C11上有300v左右电压。
此电压一路经T1加载到Q1。
第二路经R5,C8,C3, 达到U1的第7脚。
强迫U1启动。
U1的6脚输出方波脉冲,Q1工作,电流经R25到地。
同时T1副线圈产生感应电压,经D3,R12给U1提供可靠电源。
T1输出线圈的电压经D4,C10整流滤波得到稳定的电压。
此电压一路经D7(D7起到防止电池的电流倒灌给充电器的作用)给电池充电。
第二路经R14,D5,C9, 为LM358(双运算放大器,1脚为电源地,8脚为电源正)及其外围电路提供12V工作电源。
D9为LM358提供基准电压,经R26,R4分压达到LM358的第二脚和第5脚。
常用电动车充电器根据电路结构可大致分为两种。
第一种是以uc3842驱动场效应管的单管开关电源,配合LM358双运放来实现三阶段充电方式。
其电原理图和元件参数见图表1)图表 1220v交流电经T0双向滤波抑制干扰,D1整流为脉动直流,再经C11滤波形成稳定的300V左右的直流电。
U1 为TL3842脉宽调制集成电路。
其5脚为电源负极,7脚为电源正极,6脚为脉冲输出直接驱动场效应管Q1(K1358) 3脚为最大电流限制,调整R25(2.5欧姆)的阻值可以调整充电器的最大电流。
2脚为电压反馈,可以调节充电器的输出电压。
4脚外接振荡电阻R1,和振荡电容C1。
T1为高频脉冲变压器,其作用有三个。
第一是把高压脉冲将压为低压脉冲。
第二是起到隔离高压的作用,以防触电。
第三是为uc3842提供工作电源。
D4为高频整流管(16A60V)C10为低压滤波电容,D5为12V 稳压二极管,U3(TL431)为精密基准电压源,配合U2(光耦合器4N35) 起到自动调节充电器电压的作用。
调整w2(微调电阻)可以细调充电器的电压。
D10是电源指示灯。
D6为充电指示灯。
R27是电流取样电阻(0.1欧姆,5w)改变W1的阻值可以调整充电器转浮充的拐点电流(200-300 mA)。
通电开始时,C11上有300v左右电压。
此电压一路经T1加载到Q1。
第二路经R5,C8,C3, 达到U1的第7脚。
强迫U1启动。
U1的6脚输出方波脉冲,Q1工作,电流经R25到地。
同时T1副线圈产生感应电压,经D3,R12给U1提供可靠电源。
T1输出线圈的电压经D4,C10整流滤波得到稳定的电压。
此电压一路经D7(D7起到防止电池的电流倒灌给充电器的作用)给电池充电。
第二路经R14,D5,C9, 为LM358(双运算放大器,1脚为电源地,8脚为电源正)及其外围电路提供12V工作电源。
D9为LM358提供基准电压,经R26,R4分压达到LM358的第二脚和第5脚。
常用电动车充电器根据电路结构可大致分为两种。
第一种是以uc3842驱动场效应管的单管开关电源,配合LM358双运放来实现三阶段充电方式。
其电原理图和元件参数见图表1)图表 1220v交流电经T0双向滤波抑制干扰,D1整流为脉动直流,再经C11滤波形成稳定的300V左右的直流电。
U1 为TL3842脉宽调制集成电路。
其5脚为电源负极,7脚为电源正极,6脚为脉冲输出直接驱动场效应管Q1(K1358) 3脚为最大电流限制,调整R25(2.5欧姆)的阻值可以调整充电器的最大电流。
2脚为电压反馈,可以调节充电器的输出电压。
4脚外接振荡电阻R1,和振荡电容C1。
T1为高频脉冲变压器,其作用有三个。
第一是把高压脉冲将压为低压脉冲。
第二是起到隔离高压的作用,以防触电。
第三是为uc3842提供工作电源。
D4为高频整流管(16A60V)C10为低压滤波电容,D5为12V稳压二极管,U3(TL431)为精密基准电压源,配合U2(光耦合器4N35) 起到自动调节充电器电压的作用。
调整w2(微调电阻)可以细调充电器的电压。
D10是电源指示灯。
D6为充电指示灯。
R27是电流取样电阻(0.1欧姆,5w)改变W1的阻值可以调整充电器转浮充的拐点电流(200-300 mA)。
通电开始时,C11上有300v左右电压。
此电压一路经T1加载到Q1。
第二路经R5,C8,C3, 达到U1的第7脚。
强迫U1启动。
U1的6脚输出方波脉冲,Q1工作,电流经R25到地。
同时T1副线圈产生感应电压,经D3,R12给U1提供可靠电源。
T1输出线圈的电压经D4,C10整流滤波得到稳定的电压。
此电压一路经D7(D7起到防止电池的电流倒灌给充电器的作用)给电池充电。
第二路经R14,D5,C9, 为LM358(双运算放大器,1脚为电源地,8脚为电源正)及其外围电路提供12V工作电源。
D9为LM358提供基准电压,经R26,R4分压达到LM358的第二脚和第5脚。
常用电动车充电器根据电路结构可大致分为两种。
第一种是以uc3842驱动场效应管的单管开关电源,配合LM358双运放来实现三阶段充电方式。
其电原理图和元件参数见图表1)图表 1220v交流电经T0双向滤波抑制干扰,D1整流为脉动直流,再经C11滤波形成稳定的300V左右的直流电。
U1 为TL3842脉宽调制集成电路。
其5脚为电源负极,7脚为电源正极,6脚为脉冲输出直接驱动场效应管Q1(K1358) 3脚为最大电流限制,调整R25(2.5欧姆)的阻值可以调整充电器的最大电流。
2脚为电压反馈,可以调节充电器的输出电压。
4脚外接振荡电阻R1,和振荡电容C1。
T1为高频脉冲变压器,其作用有三个。
第一是把高压脉冲将压为低压脉冲。
第二是起到隔离高压的作用,以防触电。
第三是为uc3842提供工作电源。
D4为高频整流管(16A60V)C10为低压滤波电容,D5为12V 稳压二极管,U3(TL431)为精密基准电压源,配合U2(光耦合器4N35) 起到自动调节充电器电压的作用。
调整w2(微调电阻)可以细调充电器的电压。
D10是电源指示灯.D6为充电指示灯。
R27是电流取样电阻(0.1欧姆,5w)改变W1的阻值可以调整充电器转浮充的拐点电流(200-300 mA)。
通电开始时,C11上有300v左右电压。
此电压一路经T1加载到Q1。
第二路经R5,C8,C3, 达到U1的第7脚。
强迫U1启动。
U1的6脚输出方波脉冲,Q1工作,电流经R25到地。
同时T1副线圈产生感应电压,经D3,R12给U1提供可靠电源。
T1输出线圈的电压经D4,C10整流滤波得到稳定的电压。
此电压一路经D7(D7起到防止电池的电流倒灌给充电器的作用)给电池充电。
第二路经R14,D5,C9, 为LM358(双运算放大器,1脚为电源地,8脚为电源正)及其外围电路提供12V工作电源。
D9为LM358提供基准电压,经R26,R4分压达到LM358的第二脚和第5脚.正常充电时,R27上端有0。
创世纪-电脑配件及耗材平价店电动车充电器原理及维修常用电动车充电器根据电路结构可大致分为两种。
第一种是以uc3842驱动场效应管的单管开关电源,配合LM358双运放来实现三阶段充电方式。
其电原理图和元件参数见图表1〕图表 1220v交流电经T0双向滤波抑制干扰,D1整流为脉动直流,再经C11滤波形成稳定的300V左右的直流电。
U1 为TL3842脉宽调制集成电路。
其5脚为电源负极,7脚为电源正极,6脚为脉冲输出直接驱动场效应管Q1(K1358) 3脚为最大电流限制,调整R25(2.5欧姆)的阻值可以调整充电器的最大电流。
2脚为电压反应,可以调节充电器的输出电压。
4脚外接振荡电阻R1,和振荡电容C1。
T1为高频脉冲变压器,其作用有三个。
第一是把高压脉冲将压为低压脉冲。
第二是起到隔离高压的作用,以防触电。
第三是为uc3842提供工作电源。
D4为高频整流管〔16A60V〕C10为低压滤波电容,D5为12V 稳压二极管,U3(TL431)为精密基准电压源,配合U2(光耦合器4N35) 起到自动调节充电器电压的作用。
调整w2(微调电阻)可以细调充电器的电压。
D10是电源指示灯。
D6为充电指示灯。
R27是电流取样电阻〔0.1欧姆,5w〕改变W1的阻值可以调整充电器转浮充的拐点电流〔200-300 mA〕。
通电开始时,C11上有300v左右电压。
此电压一路经T1加载到Q1。
第二路经R5,C8,C3, 到达U1的第7脚。
强迫U1启动。
U1的6脚输出方波脉冲,Q1工作,电流经R25到地。
同时T1副线圈产生感应电压,经D3,R12给U1提供可靠电源。
T1输出线圈的电压经D4,C10整流滤波得到稳定的电压。
此电压一路经D7〔D7起到防止电池的电流倒灌给充电器的作用〕给电池充电。
第二路经R14,D5,C9, 为LM358(双运算放大器,1脚为电源地,8脚为电源正)及其外围电路提供12V 工作电源。
D9为LM358提供基准电压,经R26,R4分压到达LM358的第二脚和第5脚。
常用电动车充电器根据电路结构可大致分为两种。
第一种是以uc3842驱动场效应管的单管开关电源,配合LM358双运放来实现三阶段充电方式。
其电原理图和元件参数见图表1)图表 1220v交流电经T0双向滤波抑制干扰,D1整流为脉动直流,再经C11滤波形成稳定的300V左右的直流电。
U1 为TL3842脉宽调制集成电路。
其5脚为电源负极,7脚为电源正极,6脚为脉冲输出直接驱动场效应管Q1(K1358) 3脚为最大电流限制,调整R25(2.5欧姆)的阻值可以调整充电器的最大电流。
2脚为电压反馈,可以调节充电器的输出电压。
4脚外接振荡电阻R1,和振荡电容C1。
T1为高频脉冲变压器,其作用有三个。
第一是把高压脉冲将压为低压脉冲。
第二是起到隔离高压的作用,以防触电。
第三是为uc3842提供工作电源。
D4为高频整流管(16A60V)C10为低压滤波电容,D5为12V稳压二极管,U3(TL431)为精密基准电压源,配合U2(光耦合器4N35) 起到自动调节充电器电压的作用。
调整w2(微调电阻)可以细调充电器的电压。
D10是电源指示灯。
D6为充电指示灯。
R27是电流取样电阻(0.1欧姆,5w)改变W1的阻值可以调整充电器转浮充的拐点电流(200-300 mA)。
通电开始时,C11上有300v左右电压。
此电压一路经T1加载到Q1。
第二路经R5,C8,C3, 达到U1的第7脚。
强迫U1启动。
U1的6脚输出方波脉冲,Q1工作,电流经R25到地。
同时T1副线圈产生感应电压,经D3,R12给U1提供可靠电源。
T1输出线圈的电压经D4,C10整流滤波得到稳定的电压。
此电压一路经D7(D7起到防止电池的电流倒灌给充电器的作用)给电池充电。
第二路经R14,D5,C9, 为LM358(双运算放大器,1脚为电源地,8脚为电源正)及其外围电路提供12V工作电源。
D9为LM358提供基准电压,经R26,R4分压达到LM358的第二脚和第5脚。
电动车充电器原理及带电路图维修创世纪-电脑配件及耗材平价店/电动车充电器原理及维修常用电动车充电器根据电路结构可大致分为两种。
第一种是以uc3842驱动场效应管的单管开关电源,配合LM358双运放来实现三阶段充电方式。
其电原理图和元件参数见图表1)图表 1220v交流电经T0双向滤波抑制干扰,D1整流为脉动直流,再经C11滤波形成稳定的300V左右的直流电。
U1 为TL3842脉宽调制集成电路。
其5脚为电源负极,7脚为电源正极,6脚为脉冲输出直接驱动场效应管Q1(K1358) 3脚为最大电流限制,调整R25(2.5欧姆)的阻值可以调整充电器的最大电流。
2脚为电压反馈,可以调节充电器的输出电压。
4脚外接振荡电阻R1,和振荡电容C1。
T1为高频脉冲变压器,其作用有三个。
第一是把高压脉冲将压为低压脉冲。
第二是起到隔离高压的作用,以防触电。
第三是为uc3842提供工作电源。
D4为高频整流管(16A60V)C10为低压滤波电容,D5为12V稳压二极管, U3(TL431)为精密基准电压源,配合U2(光耦合器4N35) 起到自动调节充电器电压的作用。
调整w2(微调电阻)可以细调充电器的电压。
D10是电源指示灯。
D6为充电指示灯。
R27是电流取样电阻(0.1欧姆,5w)改变W1的阻值可以调整充电器转浮充的拐点电流(200-300 mA)。
通电开始时,C11上有300v左右电压。
此电压一路经T1加载到Q1。
第二路经R5,C8,C3, 达到U1的第7脚。
强迫U1启动。
U1的6脚输出方波脉冲,Q1工作,电流经R25到地。
同时T1副线圈产生感应电压,经D3,R12给U1提供可靠电源。
T1输出线圈的电压经D4,C10整流滤波得到稳定的电压。
此电压一路经D7(D7起到防止电池的电流倒灌给充电器的作用)给电池充电。
第二路经R14,D5,C9, 为LM358(双运算放大器,1脚为电源地,8脚为电源正)及其外围电路提供12V工作电源。
常用电动车充电器根据电路结构可大致分为两种。
第一种是以uc3842驱动场效应管的单管开关电源,配合LM358双运放来实现三阶段充电方式。
其电原理图和元件参数见图表1)图表 1220v 交流电经T0 双向滤波抑制干扰,D1 整流为脉动直流,再经C11 滤波形成稳定的300V 左右的直流电。
U1 为TL3842 脉宽调制集成电路。
其 5 脚为电源负极,7 脚为电源正极, 6 脚为脉冲输出直接驱动场效应管Q1(K1358) 3 脚为最大电流限制,调整R25(2.5 欧姆)的阻值可以调整充电器的最大电流。
2 脚为电压反馈,可以调节充电器的输出电压。
4 脚外接振荡电阻R1,和振荡电容C1。
T1 为高频脉冲变压器,其作用有三个。
第一是把高压脉冲将压为低压脉冲。
第二是起到隔离高压的作用,以防触电。
第三是为uc3842 提供工作电源。
D4 为高频整流管(16A60V )C10 为低压滤波电容,D5 为12V 稳压二极管,U3(TL431) 为精密基准电压源,配合U2(光耦合器4N35) 起到自动调节充电器电压的作用。
调整w2(微调电阻)可以细调充电器的电压。
D10 是电源指示灯。
D6 为充电指示灯。
R27 是电流取样电阻(0.1 欧姆,5w)改变W1 的阻值可以调整充电器转浮充的拐点电流(200-300 mA)。
通电开始时,C11 上有300v 左右电压。
此电压一路经T1 加载到Q1。
第二路经R5,C8,C3, 达到U1 的第7 脚。
强迫U1 启动。
U1 的6 脚输出方波脉冲,Q1 工作,电流经R25 到地。
同时T1 副线圈产生感应电压,经D3,R12 给U1 提供可靠电源。
T1 输出线圈的电压经D4,C10 整流滤波得到稳定的电压。
此电压一路经D7(D7 起到防止电池的电流倒灌给充电器的作用)给电池充电。
第二路经R14,D5,C9, 为LM358( 双运算放大器,1 脚为电源地,8 脚为电源正) 及其外围电路提供12V 工作电源。
常用电动车充电器根据电路结构可大致分为两种。
第一种是以uc3842驱动场效应管的单管开关电源,配合LM358双运放来实现三阶段充电方式。
其电原理图和元件参数见图表1)图表 1220v交流电经T0双向滤波抑制干扰,D1整流为脉动直流,再经C11滤波形成稳定的300V左右的直流电。
U1 为TL3842脉宽调制集成电路。
其5脚为电源负极,7脚为电源正极,6脚为脉冲输出直接驱动场效应管Q1(K1358) 3脚为最大电流限制,调整R25(2.5欧姆)的阻值可以调整充电器的最大电流。
2脚为电压反馈,可以调节充电器的输出电压。
4脚外接振荡电阻R1,和振荡电容C1。
T1为高频脉冲变压器,其作用有三个。
第一是把高压脉冲将压为低压脉冲。
第二是起到隔离高压的作用,以防触电。
第三是为uc3842提供工作电源。
D4为高频整流管(16A60V)C10为低压滤波电容,D5为12V稳压二极管, U3(TL431)为精密基准电压源,配合U2(光耦合器4N35) 起到自动调节充电器电压的作用。
调整w2(微调电阻)可以细调充电器的电压。
D10是电源指示灯。
D6为充电指示灯。
R27是电流取样电阻(0.1欧姆,5w)改变W1的阻值可以调整充电器转浮充的拐点电流(200-300 mA)。
通电开始时,C11上有300v左右电压。
此电压一路经T1加载到Q1。
第二路经R5,C8,C3, 达到U1的第7脚。
强迫U1启动。
U1的6脚输出方波脉冲,Q1工作,电流经R25到地。
同时T1副线圈产生感应电压,经D3,R12给U1提供可靠电源。
T1输出线圈的电压经D4,C10整流滤波得到稳定的电压。
此电压一路经D7(D7起到防止电池的电流倒灌给充电器的作用)给电池充电。
第二路经R14,D5,C9, 为LM358(双运算放大器,1脚为电源地,8脚为电源正)及其外围电路提供12V工作电源。
D9为LM358提供基准电压,经R26,R4分压达到LM358的第二脚和第5脚。
常用电动车充电器根据电路结构可大致分为两种。
第一种是以uc3842驱动场效应管的单管开关电源,配合LM358双运放来实现三阶段充电方式。
其电原理图和元件参数见图表1)图表 1220v交流电经T0双向滤波抑制干扰,D1整流为脉动直流,再经C11滤波形成稳定的300V左右的直流电。
U1 为TL3842脉宽调制集成电路。
其5脚为电源负极,7脚为电源正极,6脚为脉冲输出直接驱动场效应管Q1(K1358) 3脚为最大电流限制,调整R25(2.5欧姆)的阻值可以调整充电器的最大电流。
2脚为电压反馈,可以调节充电器的输出电压。
4脚外接振荡电阻R1,和振荡电容C1。
T1为高频脉冲变压器,其作用有三个。
第一是把高压脉冲将压为低压脉冲。
第二是起到隔离高压的作用,以防触电。
第三是为uc3842提供工作电源。
D4为高频整流管(16A60V)C10为低压滤波电容,D5为12V稳压二极管,U3(TL431)为精密基准电压源,配合U2(光耦合器4N35) 起到自动调节充电器电压的作用。
调整w2(微调电阻)可以细调充电器的电压。
D10是电源指示灯。
D6为充电指示灯。
R27是电流取样电阻(0.1欧姆,5w)改变W1的阻值可以调整充电器转浮充的拐点电流(200-300 mA)。
通电开始时,C11上有300v左右电压。
此电压一路经T1加载到Q1。
第二路经R5,C8,C3, 达到U1的第7脚。
强迫U1启动。
U1的6脚输出方波脉冲,Q1工作,电流经R25到地。
同时T1副线圈产生感应电压,经D3,R12给U1提供可靠电源。
T1输出线圈的电压经D4,C10整流滤波得到稳定的电压。
此电压一路经D7(D7起到防止电池的电流倒灌给充电器的作用)给电池充电。
第二路经R14,D5,C9, 为LM358(双运算放大器,1脚为电源地,8脚为电源正)及其外围电路提供12V工作电源。
D9为LM358提供基准电压,经R26,R4分压达到LM358的第二脚和第5脚。
常用电动车充电器根据电路结构可大致分为两种。
第一种就是以uc3842驱动场效应管的单管开关电源,配合LM358双运放来实现三阶段充电方式。
其电原理图与元件参数见图表1)
图表 1
220v交流电经T0双向滤波抑制干扰,D1整流为脉动直流,再经C11滤波形成稳定的300V左右的直流电。
U1 为TL3842脉宽调制集成电路。
其5脚为电源负极,7脚为电源正极,6脚为脉冲输出直接驱动场效应管Q1(K1358) 3脚为最大电流限制,调整R25(2、5欧姆)的阻值可以调整充电器的最大电流。
2脚为电压反馈,可以调节充电器
的输出电压。
4脚外接振荡电阻R1,与振荡电容C1。
T1为高频脉冲变压器,其作用有三个。
第一就是把高压脉冲将压为低压脉冲。
第二就是起到隔离高压的作用,以防触电。
第三就是为uc3842提供工作电源。
D4为高频整流管(16A60V)C10为低压滤波电容,D5为12V稳压二极管, U3(TL431)为精密基准电压源,配合U2(光耦合器4N35) 起到自动调节充电器电压的作用。
调整w2(微调电阻)可以细调充电器的电压。
D10就是电源指示灯。
D6为充电指示灯。
R27就是电流取样电阻(0、1欧姆,5w)改变W1的阻值可以调整充电器转浮充的拐点电流(200-300 mA)。
通电开始时,C11上有300v左右电压。
此电压一路经T1加载到Q1。
第二路经R5,C8,C3, 达到U1的第7脚。
强迫U1启动。
U1的6脚输出方波脉冲,Q1工作,电流经R25到地。
同时T1副线圈产生感应电压,经D3,R12给U1提供可靠电源。
T1输出线圈的电压经D4,C10整流滤波得到稳定的电压。
此电压一路经D7(D7起到防止电池的电流倒灌给充电器的作用)给电池充电。
第二路经R14,D5,C9, 为LM358(双运算放大器,1脚为电源地,8脚为电源正)及其外围电路提供12V工作电源。
D9为LM358提供基准电压,经R26,R4分压达到LM358的第二脚与第5脚。
正常充电时,R27上端有0、15-0、18V左右电压,此电压经R17加到LM358第三脚,从1脚送出高电压。
此电压一路经R18,强迫Q2导通,D6(红灯)点亮,第二路注入LM358的6脚,7脚输出低电压,迫使Q3关断,D10(绿灯)熄灭,充电器进入恒流充电阶段。
当电池电压上升到44、2V左右时,充电器进入恒压充电
阶段,输出电压维持在44、2V左右,充电器进入恒压充电阶段,电流逐渐减小。
当充电电流减小到200mA—300mA时,R27上端的电压下降,LM358的3脚电压低于2脚,1脚输出低电压,Q2关断,D6熄灭。
同时7脚输出高电压,此电压一路使Q3导通,D10点亮。
另一路经D8,W1到达反馈电路,使电压降低。
充电器进入
4脚振荡波形
6脚输出波形
图表2
涓流充电阶段。
1-2小时后充电结束。
充电器常见的故障有三大类。
1:高压故障2;低压故障3:高压,低压均有故障。
高压故障的主要现象就是指示灯不亮,其特征
有保险丝熔断,整流二极管D1击穿,电容C11鼓包或炸裂。
Q1击穿,R25开路。
U1的7脚对地短路。
R5开路,U1无启动电压。
更换以上元件即可修复。
若U1的7脚有11V以上电压,8脚有5V电压,说明U1基本正常。
应重点检测Q1与T1的引脚就是否有虚焊。
若连续击穿Q1,且Q1不发烫,一般就是D2,C4失效,若就是Q1击穿且发烫,一般就是低压部分有漏电或短路,过大或UC3842的6脚输出脉冲波形不正常,Q1的开关损耗与发热量大增,导致Q1过热烧毁。
高压故障的其她现象有指示灯闪烁,输出电压偏低且不稳定,一般就是T1的引脚有虚焊,或者D3,R12开路,TL3842及其外围电路无工作电源。
另有一种罕见的高压故障就是输出电压偏高到120V以上,一般就是U2失效,R13开路所致或U3击穿使U1的2脚电压拉低,6脚送出超宽脉冲。
此时不能长时间通电,否则将严重烧毁低压电路。
低压故障大部分就是充电器与电池正负极接反,导致R27烧断,LM358击穿。
其现象就是红灯一直亮,绿灯不亮,输出电压低,或者输出电压接近0V,更换以上元件即可修复。
另外W2因抖动,输出电压漂移,若输出电压偏高,电池会过充,严重失水,发烫,最终导致热失控,充爆电池。
若输出电压偏低,会导致电池欠充。
高低压电路均有故障时,通电前应首先全面检测所有的二极管,三极管,光耦合器4N35,场效应管,电解电容,集成电路,R25,R5,R12,R27,尤其就是D4(16A60V,快恢复二极管),C10(63V,470UF)。
避免盲目通电使故障范围进一步扩大。
有一部
分充电器输出端具有防反接,防短路等特殊功能。
其实就就是输出端多加一个继电器,在反接,短路的情况下继电器不工作,充电器无电压输出。
还有一部分充电器也具有防反接,防短路的功能,其原理与前面介绍的不同,其低压电路的启动电压由被充电池提供,且接有一个二极管(防反接)。
待电源正常启动后,就由充电器提供低压工作电源。
这种充电器的控制芯片一般就是以TL494为核心,推动2只13007高压三极管。
配合LM324(4运算放大器),实现三阶段充电。
此充电器就是以TL494为核心,推动2只13007高压三极管,配合LM324(4运算放大器),实现三阶段充电。
220V交流电经D1-D4整流,C5滤波得到300V左右直流电。
此电压给C4充电,经TF1高压绕组,TF2主绕组,V2等形成启动电流。
TF2反馈绕组产生感应电压,使V1,V2轮流导通。
因此在TF1低压供电绕组产生电压,经D9,D10整流,C8滤波,给TL494,LM324,V3,V4等供电。
此时输出电压较低。
TL494启动后其8脚,11脚轮流输出脉冲,推动V3,V4,经TF2反馈绕组激励V1,V2。
使V1,V2,由自激状态转入受控状态。
TF2输出绕组电压上升,此电压经R29,R26,R27分压后反馈给TL494的1脚(电压反馈)使输出电压稳定在41、2V上。
R30就是电流取样电阻,充电时R30产生压降。
此电压经R11,R12反馈给TL494的15脚(电流反馈)使充电电流恒定在1、8A左右。
另外充电电流在D20上产生压降,经R42到达LM324的3脚。
使2脚输出高电压点亮充电灯,同时7脚输出低电压,浮充灯熄灭。
充电器进入恒流充电阶段。
而且7脚低电压拉低D19阳极的电压。
使TL494的1脚电压降低,这将导致充电器最高输出电压达到44、8V。
当电池电压上升至44、8V时,进入恒压阶段。
当充电电流降低到0、3A—0、4A时LM324的3脚电压降低,1脚输出低电压,充电灯熄灭。
同时7脚输出高电压,浮充灯点亮。
而且7脚高电压抬高D19阳极的电压。
使TL494的1脚电压上升,这将导致充电器输出电压降低到41、2V上。
充电器进入浮充。