特种设备变更登记申报表
- 格式:doc
- 大小:11.00 KB
- 文档页数:1
特种设备使用登记表(式样一)登记类别:新设备首次启用、改造变更、移装变更、单位变更、更名变更、达到设计使用年限继续使注:本式样适用于按台(套)进行登记的特种设备。
特种设备使用登记表填写说明b1 登记类别填写本次办理使用登记的事由,如新设备首次启用、停用后启用、改造、使用单位更名、使用地址变更、过户、移装、达到设计使用年限等。
b2 设备基本情况b2.1 设备种类按照《特种设备目录》填写,也可直接印制为“锅炉”“压力容器”“压力管道”“电梯”“起重机械”等。
b2.2 设备类别、品种按照《特种设备目录》填写。
没有品种的划“—”。
b2.3 产品名称按照产品铭牌或者产品合格证、产品数据表的内容填写,也称设备名称。
b2.4 设备代码按照产品数据表上的内容填写,该代码具有唯一性。
如果该产品还没有编制设备代码,则使用单位可以不填写,由登记机关填写。
b2.5 型号(规格)按照产品数据表或者相应的设计文件填写,有型号的填写型号,没有型号有规格的填写规格,没有型号、规格的,划“—”。
b2.6 设备数量压力管道填写本次登记时的压力管道长度(单位为“米”),气瓶填写本次登记时的数量(单位为“只”)。
b2.7 设计使用年限按照产品数据表提供的数据填写。
技术资料中未提供的,划“—”。
b2.8 设计单位名称填写产品的设计单位名称,其名称与产品合格证和产品铭牌(设计图纸)表述应当一致。
b2.9 制造单位名称填写产品的制造单位名称,其名称与产品合格证和产品铭牌表述应当一致。
b2.10 施工单位名称填写登记时最近一次从事安装或者改造、修理的施工单位的名称。
b2.11 监督检验机构名称填写负责该设备制造、安装、改造、重大修理监督检验(以下简称监检)的特种设备检验机构名称,没有实施监检的设备,注明“不实施监检”,如该设备登记前进行了不同阶段的监检(如制造监检,安装、改造监检等),则填写最近一次监检的特种设备检验机构名称,并且与本附录 b4 相协调(除制造监检外,优先满足 b4 填写要求)。
特种设备安全法》及相关规定,并且接受特种设备安全管理部门的监督管理。
使用单位填表人员:日期:(使用单位公章)使用单位安全管理人员:日期:年月曰说明:登记机关登记人员:日期:(登记机关专用章)使用登记证编号:年月曰特种设备使用登记表(二)特种设备使用登记表(三)登记类别:车用气瓶使用登记表登记类别:特种设备使用登记表填写说明bl 登记类别填写本次办理使用登记的事由,如新设备首次启用、停用后启用、改造、使用单位更名、使用地址变更、过户、移装、达到设计使用年限等。
b2 设备基本情况b2.1设备种类按照《特种设备目录》填写,也可直接印制为“锅炉”、“压力容器”、“压力管道”、“电梯”、“起重机械”等。
b2.2设备类别、品种按照《特种设备目录》填写。
没有品种的划“一”。
b2.3产品名称按照产品铭牌或者产品合格证、产品数据表的内容填写,也称设备名称。
b2.4 设备代码按照产品数据表上的内容填写,该代码具有唯一性。
如果该产品还没有编制设备代码,则使用单位可以不填写,由登记机关按照设备代码的编制要求填写【见《固定式压力容器安全技术监察规程》(TSG 21-2016)】填写,其中制造单位代号改为登记机关的行政区划代码造单位代号多出一位)。
(比制b2.5 型号(规格)按照产品数据表或者相应的设计文件填写,有型号的填写型号,没有型号有规格的填写规格,没有型号、规格的,划“一”。
b2.6 设备数量压力管道填写本次登记时的压力管道长度(单位为“米”),气瓶填写本次登记时的数量(单位为“只”)。
b2.7设计使用年限按照产品数据表提供的数据填写。
技术资料中未提供的,划“一”。
b2.8 设计单位名称填写产品的设计单位名称,其名称与产品合格证和产品铭牌(或者设计图纸)表述应当一致。
b2.9制造单位名称填写产品的制造单位名称,其名称与产品合格证和产品铭牌表述应当一致。
b2.10 施工单位名称填写登记时最近一次从事安装或者改造、修理的施工单位的名称。
登记类别:特种设备使用登记表(二)特种设备使用登记表(三)车用气瓶使用登记表b1登记类别填写本次办理使用登记的事由,如新设备首次启用、停用后启用、改造、使用单位更名、使用地址变更、过户、移装、达到设计使用年限等。
b2设备基本情况b2。
1设备种类按照《特种设备目录》填写,也可直接印制为“锅炉”、“压力容器"、“压力管道”、“电梯”、“起重机械”等。
b2。
2 设备类别、品种按照《特种设备目录》填写.没有品种的划“—"。
b2.3产品名称按照产品铭牌或者产品合格证、产品数据表的内容填写,也称设备名称。
b2.4设备代码按照产品数据表上的内容填写,该代码具有唯一性.如果该产品还没有编制设备代码,则使用单位可以不填写,由登记机关按照设备代码的编制要求填写【见《固定式压力容器安全技术监察规程》(TSG 21-2016)】填写,其中制造单位代号改为登记机关的行政区划代码(比制造单位代号多出一位)。
b2。
5型号(规格)按照产品数据表或者相应的设计文件填写,有型号的填写型号,没有型号有规格的填写规格,没有型号、规格的,划“-”.b2.6设备数量压力管道填写本次登记时的压力管道长度(单位为“米”),气瓶填写本次登记时的数量(单位为“只”).b2.7设计使用年限按照产品数据表提供的数据填写。
技术资料中未提供的,划“—”。
b2.8设计单位名称填写产品的设计单位名称,其名称与产品合格证和产品铭牌(或者设计图纸)表述应当一致.b2。
9制造单位名称填写产品的制造单位名称,其名称与产品合格证和产品铭牌表述应当一致。
b2。
10施工单位名称填写登记时最近一次从事安装或者改造、修理的施工单位的名称.b2。
11监督检验机构名称填写负责该设备制造、安装、改造、重大修理监督检验(以下简称监检)的特种设备检验机构名称,没有实施监检的设备,注明“不实施监检",如该设备登记前进行了不同阶段的监检(如制造监检,安装、改造监检等),则填写最近一次监检的特种设备检验机构名称,并且与本附录b4相协调(除制造监检外,优先满足b4填写要求).b2.12型式试验机构名称填写型式试验机构的名称(全称)。
特种设备使用变更申请1. 引言特种设备使用变更申请是指特种设备使用单位或使用人因特殊情况需要对特种设备的使用进行变更时,向相关主管部门提交申请的程序。
特种设备使用变更申请的目的是确保特种设备的安全运行,防止事故发生,保护人身和财产安全。
本文档将详细介绍特种设备使用变更申请的流程和所需材料。
2. 申请流程特种设备使用变更申请的流程如下:2.1 填写申请表格特种设备使用变更申请表格可在相关主管部门网站上下载,或直接到相关主管部门领取。
申请人应填写真实、准确的信息,并确保申请表格的完整和规范。
填写申请表格时,应特别注意填写以下内容:•特种设备使用变更申请单位或个人的基本信息•特种设备的名称、型号和数量•变更的原因和内容•变更后的使用方式和要求2.2 提交申请材料申请人应将填写完整的申请表格及相关证明材料准备齐全后,递交至相关主管部门。
申请人还可以选择将申请材料通过邮寄、传真或电子邮件等方式提交给相关主管部门。
在提交申请材料时,应注意以下事项:•确保申请材料的完整性和准确性•根据相关主管部门要求提供申请的附属材料•如有需要,附上变更前后的特种设备使用方案或操作规程2.3 审核和审批相关主管部门收到申请材料后,将进行审核和审批。
审核的内容包括但不限于:•申请材料的真实性和准确性•变更是否符合相关法规和规定•变更后的使用方式是否满足特种设备的技术要求与安全标准审核通过后,相关主管部门将对申请进行审批,并出具相关的变更许可证或批复文件。
申请人可以通过邮件、传真等方式收到变更许可证或批复文件。
3. 申请材料清单特种设备使用变更申请需要提交以下申请材料:1.填写完整的特种设备使用变更申请表格2.特种设备的生产厂家提供的相关文件和说明书3.特种设备变更前后的使用方案或操作规程4.特种设备的安全检测报告和试验记录5.特种设备的维修记录和检修计划6.相关人员的资格证书和培训证明7.其他附加材料,如特殊需求的解释说明等以上清单仅供参考,具体的申请材料清单可能因所在地区和特种设备的类型而有所差异。
注:本表适用于按台(套)进行登记的设备。
注:本表适用于按使用单位进行登记的特种设备。
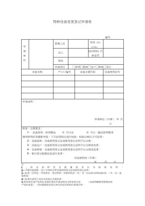
特种设备使用登记表填写说明1 登记类别:填写本次办理使用登记的事由,如新设备首次启用、停用后启用、改造、使用单位更名、使用地址变更、过户、移装、达到设计使用年限等。
2 设备基本情况2。
1设备种类、类别、品种:按照《特种设备目录》填写。
没有品种的划“-”。
2。
2产品名称:按照产品铭牌或者产品合格证,产品数据表内容填写,也称设备名称。
2。
4 型号(规格):按照产品合格证、产品数据表或者相应的设计文件填写,有型号的填写型号,没有型号有规格的填写规格,与产品铭牌表述应当一致。
没有型号、规格的,划“—”。
2。
5 产品编号:填写制造单位为产品编制的制造编号、出厂编号等,其产品合格证、产品数据表和产品铭牌表述应当一致.2。
6 注册代码:由登记机关按照设备代码的编制要求填写.2。
7设计使用年限:按照产品数据表提供的数据填写.技术资料中未提供的,划“—”. 2。
8 制造单位名称、日期:填写产品的制造单位名称及制造日期,其与产品合格证和产品铭牌表述应当一致.2。
9施工单位名称、日期:填写登记时最近一次从事安装或者改造、修理的施工单位的名称及施工日期。
2.10设备数量:压力管道填写本次登记时的压力管道长度(单位为“米”)。
气瓶填写本次登记时的数量(单位为“只").3 设备使用情况3。
1 使用单位名称:填写使用单位名称(全称),如果属于公民个人,则填写姓名。
使用单位名称应当与含有单位统一社会信用代码的证明文件一致,个人姓名应与身份证件一致. 3。
2 使用单位地址:填写使用单位的注册地址,应包含所在的陕西省西安市、区(县)、街道(镇、乡)、小区(村)、门牌号等,并与营业执照等相关证照表述一致。
3.3使用单位统一社会信用代码:填写使用单位的统一社会信用代码.如果属于公民个人,则填写个人身份证号。
3.4 邮政编码:填写使用单位所在地的邮政编码。
设备维护项目变更申请表
申请部门:________________________
申请日期:________________________
项目负责人:________________________
项目名称:________________________
项目编号:________________________
变更申请原因:
请详细描述该设备维护项目变更的具体原因和背景信息。
变更内容:
请明确列出将要进行的设备维护项目变更内容,并对每一项变更进行详细描述。
变更计划:
请提供设备维护项目变更的详细计划,包括开始时间、持续时间和变更过程中所需资源。
变更影响:
请列出该设备维护项目变更对项目进度、资源需求和其他相关因素的可能影响。
风险评估:
请对该设备维护项目变更可能带来的风险进行评估,并提供相应的风险应对措施。
变更批准:
请指定相应的审批人员和审批日期,以便对该设备维护项目变更进行批准。
附件:
请列出所有与该设备维护项目变更相关的附件,并对每个附件进行简要说明。
签名:
项目负责人:________________________
申请人:________________________
日期:________________________
(备注:以上信息及内容需真实准确,如有虚假申报,一切后果由申请人承担。
)。
特种设备使用登记表共2页第1页共2页第2页特种设备使用登记表填写说明j1 登记类别填写本次办理使用登记的事由,如新设备首次启用、停用后启用、改造、使用单位更名、使用地址变更、过户、移装等。
j2 设备基本情况j2.1 设备种类按照《特种设备目录》,直接印制为“压力容器”。
j2.2 设备类别按照《特种设备目录》,填写“固定式压力容器”。
j2.3 设备品种按照《特种设备目录》,填写相应的品种。
固定式压力容器填超高压容器、高压容器、第Ⅲ类中压容器、第Ⅲ类低压容器、第Ⅱ类中压容器、第Ⅱ类低压容器、第Ⅰ类压力容器。
j2.4 产品名称按照产品铭牌或者产品合格证、产品数据表的内容填写,也称设备名称。
j2.5 设备代码按照产品数据表上的内容填写,该代码具有唯一性。
如果该产品还没有实施编制设备代码,则使用单位可以空格,由登记机关按照设备代码的编制要求填写,其中制造单位代号改为登记机关的行政区划编码(会比制造单位代号多出一位)。
j2.6 设备型号也称产品型号,按照产品数据表或者相应的设计文件填写,对一般固定式压力容器没有型号表示的可以不填写,划“—”。
j2.7 压力容器品种由于压力容器的特殊情况,保留压力容器品种概念(不同于《特种设备目录》所定义的设备品种),为储存容器、分离容器、反应容器、换热容器,根据产品数据表或者竣工图提供的填写。
j2.8 主体结构型式按照产品数据表填写。
j2.9 设计使用年限按照产品数据表提供的数据填写。
技术资料中未提供的,划“—”。
j2.10 固定资产值填写该设备购置时的固定资产值(万元)。
j3 设备使用情况j3.1 使用单位名称填写使用单位名称(全称),如果属于公民个人,则填写姓名。
j3.2 使用单位地址填写使用单位的详细地址,包括所在省(自治区)、市(地、州)、区(县)、街道(镇、乡)、小区(村)号等。
j3.3 组织机构代码填写使用单位的组织机构代码。
如果属于公民个人,则填写身份证编号。
特种设备停用/启用、报废、变更(注销)办事指南一、停用/启用特种设备因故拟停用1年以上的,使用单位应当采取有效的保护措施,并且设置停用标志,在停用后30日内到登记机关办理停用手续。
需提交的材料:1、《特种设备停用报废注销登记表》(一式三份,使用单位加盖公章);2、非法人或负责人办理的,需提交委托书及受委托人的身份证复印件;3、提供相关特种设备设置停用标志的照片。
重新启用时,使用单位应当进行自行检查,到使用登记机关办理启用手续;超过定期检验有效期的,应当按照定期检验的有关要求进行检验。
需要提交的资料:1、《特种设备使用登记表》(一式两份,使用单位加盖公章);2、非法人或负责人办理的,需提交委托书及受委托人的身份证复印件;3、有效期内的检验报告。
二、报废特种设备存在严重事故隐患,无改造、修理价值或者达到安全技术规范规定的报废期限需要报废的,使用单位或产权单位应当向登记机关申请办理相关手续。
需提交的材料:1、《特种设备停用报废注销登记表》(一式三份,使用单位和产权单位都要加盖相应公章)。
2、申请报废特种设备的使用登记证和使用登记表原件,场(厂)内专用机动车辆还需携带车牌。
未能提交使用登记证和使用登记表原件和车牌的,需提供遗失声明;3、非法人或负责人办理的,需提交委托书及受委托人的身份证复印件。
4、提供该设备破坏性处理及拆卸解体后的照片。
5、非产权所有者的使用单位经产权单位授权办理特种设备报废注销手续时,需提供产权单位的书面委托或者授权文件。
三、注销特种设备因不再属于监管范围或者已经处理需要注销的,使用单位或产权单位应当向登记机关申请办理相关手续。
需提交的材料:1、《特种设备停用报废注销登记表》(一式三份,使用单位和产权单位都要加盖相应公章)。
2、申请注销特种设备的使用登记证和使用登记表原件,场(厂)内专用机动车辆还需携带车牌。
未能提交使用登记证和使用登记表原件和车牌的,需提供遗失声明;3、非法人或负责人办理的,需提交委托书及受委托人的身份证复印件。
特种设备使用登记表特种设备使用登记表填写说明b1 登记类别填写本次办理使用登记的事由,如新设备首次启用、停用后启用、改造、使用单位更名、使用地址变更、过户、移装、达到设计使用年限等。
b2 设备基本情况b2.1设备种类按照《特种设备目录》填写,也可直接印制为“锅炉”、“压力容器”、“压力管道”、“电梯”、“起重机械”等。
b2.2 设备类别、品种按照《特种设备目录》填写。
没有品种的划“—”。
b2.3产品名称按照产品铭牌或者产品合格证、产品数据表的内容填写,也称设备名称。
b2.4 设备代码按照产品数据表上的内容填写,该代码具有唯一性。
如果该产品还没有编制设备代码,则使用单位可以不填写,由登记机关按照设备代码的编制要求填写。
b2.5 型号(规格)按照产品数据表或者相应的设计文件填写,有型号的填写型号,没有型号有规格的填写规格,没有型号、规格的,划“—”。
b2.6 设备数量压力管道填写本次登记时的压力管道长度(单位为“米”),气瓶填写本次登记时的数量(单位为“只”)。
b2.7设计使用年限按照产品数据表提供的数据填写。
技术资料中未提供的,划“—”。
b2.8设计单位名称填写产品的设计单位名称,其名称与产品合格证和产品铭牌(或者设计图纸)表述应当一致。
b2.9制造单位名称填写产品的制造单位名称,其名称与产品合格证和产品铭牌表述应当一致。
b2.10施工单位名称填写登记时最近一次从事安装或者改造、修理的施工单位的名称。
b2.11监督检验机构名称填写负责该设备制造、安装、改造、重大修理监督检验(以下简称监检)的特种设备检验机构名称,没有实施监检的设备,注明“不实施监检”,如该设备登记前进行了不同阶段的监检(如制造监检,安装、改造监检等),则填写最近一次监检的特种设备检验机构名称,并且与本附录b4相协调(除制造监检外,优先满足b4填写要求)。
b2.12型式试验机构名称填写型式试验机构的名称(全称)。
安全技术规范没有规定型式试验的,划“—”。
锅炉注册登记表
检验单位检验单位代码
检验日期检验类别主要问题
检验结论报告书编号下次检验日期
事故类别事故发生日期事故处理
设备变更方式设备变更项目设备变更日期
变更承担单位承担单位组织机构代码
电梯注册登记表
登记表编号:
起重机械注册登记表
登记表编号:
场(厂)内专用机动车辆注册登记表
登记表编号:
压力容器注册登记
使用登记证号码:注册代码:
名称型号规格数量制造厂家
大型游乐设施注册登记表
登记表编号:
期
设备变更方式 变更主要项
目
设备变更日期 变更承担单位
承担单位组织机构
代码
表单2
特种设备使用登记申请前置清单
表
3
质
量
技
术
监
督
行
政
许
可申请受理通知书
()受字[ ]第号
:
你(单位)提出的
申请和所提供(出示)的材料,符合该项目申请条件.根据《行政
许可法》第三十二条第一款第五项规定,决定予以受理.
附:《行政许可申报材料清单》
(行政机关许可专用印章)
年月日
经办人:联系电话:
表单4
质量技术监督
行政许可申报材料清单
申请人:
经办人:
(行政机关许可专用印章)
年月日本文书一式两份,正本送达申请人,副本行政部门存档。