危险化学品使用现场检查表
- 格式:doc
- 大小:32.00 KB
- 文档页数:1
检查危险化学品库房现场安全检查表背景危险化学品是指具有爆炸、燃烧、自燃、助燃、挥发、腐蚀、毒害、放射性等危险性质,可能对人身体健康和环境造成危害的物质。
在储存、搬运、使用过程中,容易发生安全事故,造成财产损失和人员伤亡。
因此,为了保障员工和环境安全,对危险化学品库房进行安全检查是至关重要的。
目的本文档旨在对危险化学品库房进行现场安全检查,通过填写检查表,评估危险化学品库房的安全状况,及时发现隐患并采取有效措施进行处理,以确保危险化学品库房的安全运行。
检查表序号检查项目检查结果备注1库房是否设有防火墙、防火卷帘等防火设施2安放化学品的货架是否符合标准3各种化学品是否分门别类存放4是否贴有化学品存放标签,标注明确5是否采用了适当的保管方法,如分仓存储、隔序号检查项目检查结果备注离6库房门窗是否完好,密闭是否严密7库房是否设置了通风换气设施8库房是否设置了可燃气体控制装置9库房是否设置了化学品泄漏监测、报警设备10库房内是否禁止吸烟、明火等火源11库房内是否设置了应急照明、安全出口标志12库房内是否有专门的应急处理措施13库房内人员是否经过必要的安全培训和考试14库房内有无违规储存危险化学品15对发现的隐患是否已及时处理操作步骤1.对危险化学品库房进行逐一检查,根据检查表项进行评估。
2.如发现不符合标准或存在隐患的情况,记录在备注栏,并立即整改。
3.整改后,重新进行检查,确保不再存在安全隐患。
4.对于严重的安全隐患,应立即停止使用库房,并按照相应的规定进行处理。
注意事项1.检查前需熟悉危险化学品的特性、存储和管理规范,确保检查工作的专业性和科学性。
2.检查表不是唯一的检查标准,实际检查工作中还需综合考虑库房的使用情况和周边环境等因素。
3.检查结束后,需将检查结果进行汇总,并提交给相关领导和管理部门,以便对问题进行分析和控制。
结论危险化学品的安全管理是一项需要持续关注和加强的工作,对危险化学品库房的现场安全检查是保障人员和环境安全的重要措施。
检查危险化学品库房现场安全检查表概述危险化学品是指在生产、储存、使用、运输等过程中容易引起爆炸、燃烧、腐蚀、中毒等危害人身安全和生命健康的化学品。
危险化学品的储存、使用等工作需要遵循安全操作规程,而危险化学品库房现场安全检查则是保证危险化学品储存安全的重要手段。
本文将介绍检查危险化学品库房现场安全检查表,包括检查要点和具体操作步骤。
检查要点危险化学品库房现场安全检查主要包括以下要点:1.现场环境是否卫生、整洁2.危险化学品存放是否规范、分类、分区、标识清晰3.危险化学品储存区域是否温度、湿度适宜4.危险化学品容器是否无损、密封5.库房通风设施是否完善、有效6.库房安全出口是否畅通、标识清晰7.危险化学品应急处理设施是否完备、有效8.库房是否进行过安全培训、是否具备操作证书等操作步骤1.检查库房环境卫生、整洁情况。
主要检查地面是否干净、卫生,通道是否畅通、无垃圾等。
2.检查危险化学品存放处。
主要包括商品名、储存标准、容器标志、数量、颜色、存放位置和存放时间等方面,确保储存规范、标识清晰,并存在相应分类分区。
3.检查危险化学品储存条件。
主要检查:危险化学品的储量、温度、湿度,以及是否存在氧气和其他燃烧促进剂,确保储存条件符合规定要求。
4.检查库房通风设施。
主要检查通风系统是否完善,风扇是否正常,通风口是否畅通,确保通风设施对危险化学品库房的质量有影响。
5.检查危险化学品容器。
主要检查危险化学品容器是否有损伤或泄漏,密封程度是否符合要求。
6.检查危险化学品安全出口。
危险化学品安全出口包括卫生门、楼梯及通道、进出口等方面。
确保安全出口畅通,标识清晰。
7.检查应急处理设施。
主要是检查安全标识牌、紧急呼吸器、呼吸管、安全带和消防设备等是否符合要求。
确保应急处理设施完备有效。
8.检查操作人员。
核查人员是否具有操作,安全要求等方面的业务知识,是否参加过安全培训,是否具备操作证书。
以上所有内容需要在检查危险化学品库房现场安全检查表中有条理地记录下来,方便日后查阅。
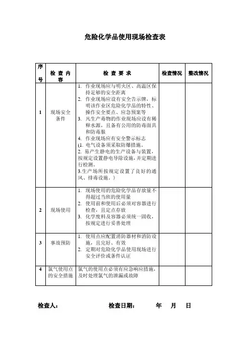
危险化学品库房现场安全检查表
(含酒精库、香精香料库、油漆库、汽(柴)油库、加油点等,含香精和酒精配制场所、
印刷包装企业的油墨库房和油墨配制间等)
检查人:日期:
安全生产十项注意事项
一、工作前穿戴好规定的劳动防护品,检查设备及作业场地,做到安全可靠。
二、不违章作业,并监督制止他人违章作业。
三、不准擅自开动别人操作的机械,电器开关设备。
登高作业应戴好安全带、安全帽、并有专人监护、防止坠落,严禁向下乱抛工具和设备零件。
四、不准随便拆除各种安全防护装置、信号标志、仪表及专指示器等。
保持设备齐全有效灵敏可靠。
五、不准随意启动设备。
机器设备停机检查或修理时,应切断电源并悬挂警示牌,取牌人应是挂牌人。
开机时发出信号,听到回音确定安全后才能开机。
六、不准吊装物及下行人。
多人操作起重搬运要统一指挥,密切配合。
不准超负荷使用机器。
七、不准在易燃物品附近吸烟动火,不乱扔垃圾。
八、不准在厂内无证驾驶机动车辆,机动车进出车间转弯必须鸣号减速。
车辆行驶中严禁爬上跳下。
九、工作时精力集中,不准打闹、赤脚、赤膊、穿拖鞋和高跟鞋。
十、上班时间不准怠工、滋事、脱岗或擅离职守。
有事请假经领导批准后方可离开岗位。
危险化学品生产企业安全现场检查表危险化学品生产企业安全现场检查表一、生产设备安全1. 设备是否具有完善的防爆装置,防止火灾和爆炸事故的发生?2. 设备的安装是否符合设计要求,是否稳定可靠?3. 设备的维护保养是否到位,是否存在磨损、老化等问题?4. 设备的电气设施是否符合规范,电缆、接线是否破损或老化?5. 生产设备是否按照安全作业规程使用,操作人员是否有相关的职业资格证书?6. 设备周边的安全防护设施是否到位,是否存在安全隐患?7. 设备运行是否具有可靠的监测和控制手段,以及保险措施?8. 生产设备的停机和修理是否有规范的程序,安全措施是否得到落实?二、危险化学品的贮存和使用1. 危险化学品的贮存、装卸、运输是否符合规范,是否进行了密闭、防漏措施?2. 危险化学品的存储是否分区分级,分类标识是否明确,贮存期限是否逾期?3. 危险化学品的使用是否使用了安全生产工艺、设备和材料,是否符合作业规程,是否进行了安全评估?4. 危险化学品的接触人员是否必要佩戴个人防护用品和安全设备,是否有应急处置预案?5. 生产现场是否存在与危险化学品储存、使用相关的垃圾、废弃物,是否进行了妥善处理?6. 危险化学品的检测、检验和统计工作是否得到了落实?三、生产现场环境安全1. 生产现场空气质量是否符合国家相关规定,是否存在可燃性气体、有毒气体、粉尘等污染物超标问题?2. 消防设施是否齐备,消防通道是否畅通,是否进行了定期检查和演练?3. 厂房、工作台等高处安全是否符合标准,是否提供合适的防护措施?4. 现场是否存在易燃易爆物品和堆放杂物的安全隐患?5. 动力设备供电、驱动、排放等环节是否存在安全风险?6. 现场安保措施是否到位,管制措施是否得到了落实?四、管理制度和安全文化建设1. 是否建有生产安全管理人员、应急救援组织架构,责任人员是否到位?2. 是否得到应急出入口的设置和定期演练,应急预案是否妥善备案?3. 安全生产知识是否对员工进行定期培训,安全意识是否得到培养?4. 是否有完善的安全工作纪律,是否存在违章操作和隐患不报告的现象?5. 检查人员是否合格,对检查情况进行检查记录并存在电子文档中?以上是危险化学品生产企业现场安全检查表的内容。
用化学品安全检查表
1. 检查目的
化学品在使用过程中存在一定的安全风险,为了确保工作场所的安全和保护员工的健康,需要进行定期的化学品安全检查。
本检查表旨在帮助评估工作场所中化学品的安全状况。
2. 检查事项
2.1 化学品存放和标识
- [ ] 化学品是否适当地储存在指定的存储区域?
- [ ] 化学品是否正确标识,包括化学品名称、危险性标志和使用说明?
- [ ] 化学品是否完好无损,无泄漏现象?
2.2 化学品使用和操作
- [ ] 员工是否了解化学品的正确使用方法和安全操作规程?
- [ ] 是否为员工提供了必要的个人防护装备和设施?
- [ ] 是否定期检查和维护化学品使用设备的安全性?
2.3 废弃物处理
- [ ] 是否有适当的废弃物处理方案,并培训员工正确处理废弃物?
- [ ] 废弃物是否正确定位、正确封闭,并进行定期清理和处理?
2.4 事故应急准备
- [ ] 是否制定了化学品事故应急预案,并为员工提供相应培训?
- [ ] 是否配备了相应的应急设备和急救用品?
- [ ] 是否进行了定期的应急演练和评估?
3. 检查结果
根据以上检查事项,评估工作场所的化学品安全情况。
根据检
查结果,采取相应的纠正措施和改进措施,确保工作场所的安全和
员工的健康。
如有需要,可以使用其他相关检查表辅助进行检查。
---
以上是化学品安全检查表的内容,建议根据具体情况进行相应
的调整和补充。
危险化学品专项检查表个人防护,佩戴相应的防护用品危险化学品的使用是否在专门的操作区域内进行,是否设置了防护措施和应急设备危险化学品使用时,是否有专人指挥和监督是否对使用的危险化学品进行分类、标识和储存,并及时清理和处理废弃物危险化学品使用过程中,是否严格按照操作规程进行,避免发生事故危险化学品废弃物处理危险化学品废弃物是否按照规定分类、包装、标识、储存,由专人管理废弃物的处理是否符合环保要求,是否存在环保污染问题废弃物处理设施是否符合要求,是否存在安全隐患是否建立了废弃物处理台账,记录废弃物的种类、数量、处理方式等信息是否定期对废弃物进行清理和处理,防止堆积和滋生细菌危险化学品事故应急是否建立了危险化学品事故应急预案。
并进行演练和培训是否配备了必要的应急处理器材和防护用品是否建立了事故报告和处理制度,及时报告和处理事故是否建立了事故调查和分析制度,总结事故经验,完善预防措施是否定期进行安全检查和隐患排查,发现问题及时整改XXX的危险化学品管理工作需要进一步加强,特别是在危险化学品的储存和使用方面,应采取更加严格的措施,确保工人和环境的安全。
同时,要加强员工的安全教育和培训,提高他们的安全意识和应急处理能力,为公司的可持续发展打下坚实的基础。
安全培训是非常必要的,以确保操作人员熟悉危险化学品的性质和操作方法,并具有相应的危害辨识能力。
此外,根据作业性质,操作人员还应按照规定佩戴好劳动防护用品。
在使用危险化学品时,废弃处置也是一个重要的问题。
使用部门应该统一回收使用后的包装物,并按要求提出申请,制定安全保障措施,以确保废弃处理和包装物的处置符合国家有关规定。
同时,使用危险化学品也会产生废水、废气、废渣、废液等,因此使用过程中也需要按照国家有关规定进行达标排放。
最后,剧毒物品的包装箱、纸袋、瓶、桶等也需要统一回收,并登记造册,由专人负责管理,以防止随意丢弃导致的安全问题。
使用危险化学品作业场所及储存设施安全检查表企业名称(盖章):主要负责人:检查人员:检查时间:序号检查内容检查依据检查情况(一)作业场所1 建筑中有可燃气体、蒸气爆炸危险性的场所或部位,应采取防止形成爆炸条件的措施;当采用泄压、减压、结构抗爆或防爆措施时,应保证建筑的主要承重结构在燃烧爆炸产生的压强作用下仍能发挥其承载功能。
《建筑防火通用规范》(GB55037-2022)第2.1.7条2 在有可燃气体、蒸气爆炸危险性的环境内,可能产生静电的设备和管道均应具有防止发生静电或静电积累的性能。
《建筑防火通用规范》(GB55037-2022)第2.1.8条3 建筑中散发较空气轻的可燃气体、蒸气的场所或部位,应采取防止可燃气体、蒸气在室内积聚的措施;散发较空气重的可燃气体、蒸气爆炸危险性的场所或部位,应符合下列规定:(1)楼地面应具有不发火花的性能,使用绝缘材料铺设的整体楼地面面层应具有防止发生静电的性能;(2)场所内设置地沟时,应采取措施防止可燃气体、蒸气、在地沟内积聚,并防止火灾通过地沟与相邻场所的连通处蔓延。
《建筑防火通用规范》(GB55037-2022)第2.1.9条4 燃油或燃气锅炉、柴油发电机房等独立建造的设备用房与民用建筑贴邻时,应采用防火墙分隔,且不应贴邻建筑中人员密集的场所。
上述设备用房附设在建筑内时,应符合下列规《建筑防火通用规范》(GB55037-2022)第4.1.4条序号检查内容检查依据检查情况定:(1)当位于人员密集的场所的上一层、下一层或贴邻时,应采取防止设备用房的爆炸作用危及上一层、下一层或相邻场所的措施;(2)设备用房的疏散门应直通室外或安全出口;(3)设备用房应采用耐火极限不低于2.00h的防火隔墙和耐火极限不低于1.50h的不燃性楼板与其他部位分隔,防火隔墙上的门、窗应为甲级防火门、窗。
5 附设在建筑内的燃油或燃气锅炉房、柴油发电机房,除应符合本规范第4.1.4条的规定外,尚应符合下列规定:(1)建筑内单间储油间的燃油储存量不应大于1m³。
危险化学品安全检查表危险化学品安全检查表检查项目:1.消防器材是否配备齐全且有效,消防器材设置是否合理方便,周围无堆放物品。
2.危化品场所是否设置明显的防火标志和禁用天那水标识,周围无明火施火源工作业。
3.是否有自动报警装置,如烟、温感、火焰和气体浓度探测器。
4.是否配备合理的紧急救护设施,如防护服、防护面具等。
5.危化品场所的电气设施(照明灯、抽风等)是否做完全防爆,无临时搭建线路。
6.是否有通风、降温设施,且运行正常并有防爆措施,做防雷、防静电措施。
7.危化品包装是否无破损渗漏或严重变形,库房内有温湿度计,通风降温良好,有中文的MSDS和安全标签。
8.库区内无吃零食、打闹或设置行政部办公等违纪现象,相关人员持证上岗,且熟悉应急处理流程,仓库内有安全检查记录。
9.周围及库区的消防通道畅通,危化品储存场所设置合理,做好管制,无超量储存和混放现象,堆放不超过四层,特别危险的不超过两层,周围无危化品废弃物存放,有安全管理制度。
10.危化品使用现场与其他生产区域做有效防火分隔且现场不得有火种或火源,使用新危化品有对新溶剂导入安全评估,生产现场的危化品存放合理,无超量使用储存,作业现场操作人员佩戴合格的劳保用品,无滥用易燃易爆危险化学品和强腐蚀化学品清洗地面,有危险化学品安全操作规程。
11.使用专用的运输工具运输危化品,无混装混运现象,运输时无严重变形或泄露现象,无急转弯、突然加速等不安全行为,配备相应的应急处理器材及个人防护用品。
12.危化品废弃物或空存放位置合理,做好密封,及时清理,无废弃混装混放现象。
整改建议:对发现的问题及时整改,制定相应的安全管理制度和操作规程,加强员工培训,提高安全意识。