CAD给排水暖通空调消防施工图全部图例
- 格式:doc
- 大小:3.43 MB
- 文档页数:21
一、工艺管道施工图常用图例、工艺管道施工图常用图例、通风空调工程常用图例三、给排水、采暖常用图例4、消防工程固定灭火器系统符号表3.0.1 管道图例生活给水管热水给水管热水回水管-------- R J中水给水管ZJ循环给水管循环回水管热媒给水管RN1热媒回水管蒸汽管10 凝结水管1 1 废水管可与中水源水管合用12 压力废水管YF1314 通气管污水管15 压力污水管YW16 雨水管17 压力雨水管18 膨胀管19 保温管20 多孔管21 地沟管22 防护套管23 管道立管X :管道类别L :立管1 :编号24 伴热管3.0.2 管道附件的图例宜符合表3.0.2的要求。
表3.0.2 管道附件3 冈『性防水套管8 9 立管检查口45 6 7套管伸缩器方形伸缩器图 例3.0.3 管道连接的图例宜符合表3.0.3的要求。
表3.0.3管道连接三通连接盲板3.0.4 管件的图例宜符合表3.0.4的要求。
表3.0.4 管件序 号名 称图 例备 注1偏心异径 管法兰连接 承插连接活接头管堵法兰堵盖弯折管 表示管道向后及向下弯转90°四通连接10 管道丁字上接 11 管道丁字下接 12管道交叉在下方和后面的 管道应断开3.0.5 阀门的图例宜符合表3.0.5的要求。
表3.0.5 阀门3.0.6 给水配件的图例宜符合表3.0.6的要求。
表3.0.6 给水配件序 号名称 图例备 注1放水龙头■J —「左侧为平面,右侧为] ——f i 1系统18 19 20 21 222324252627 28平衡锤安 全阀自动排气 阀浮球阀延时自闭 冲洗阀 吸水喇叭口 疏水器半面电磁阀止回阀 消声止回 阀 蝶阀 弹簧安全 阀 平血 亲皮带龙头左侧为平面,右侧为 系统1厂X洒水(栓)龙头n n, n 1化验龙头1才Hr3.0.7消防设施的图例宜符合表3.0.7的要求。
表3.0.7 消防设施序 号名 称图 例备 注1 消火栓给水管1 「------ XH ------ I2 自动喷水灭火 给水管 ------ zr --------3室外消火栓―8—5 肘式龙头6 脚踏开关7 混合水龙头旋转水龙头浴盆带喷头混 合水龙头室内消火栓(单口) 平面 廉绘白色为开启面室内消火栓(双口) 水泵接合器自动喷洒头(开式) 自动喷洒头(闭 式)自动喷洒头(闭 式) £10 自动喷洒头(闭 式) 下喷上喷上下喷11 侧墙式自动喷洒头12 侧喷式喷洒头 13 雨淋灭火给水管 14 水幕灭火给水管 15 水炮灭火给水管-------- S P --------16 干式报警阀17 水炮18 湿式报警阀注:分区管道用加注角标方式表示:如 XH1、XH2、ZP1、ZP23.0.8 卫生设备及水池的图例宜符合表 3.0.8的要求。
C A D给排水暖通空调消防施工图全部图例集团标准化办公室:[VV986T-J682P28-JP266L8-68PNN]一、工艺管道施工图常用图例名称图例名称图例闸阀异径管压力调节阀偏心异径管升降式止回阀堵板旋启式止回阀法兰减压阀法兰连接电动闸阀丝堵滚动闸阀人口自动截门流量孔板带手动装置的截门放气管浮力调节阀防雨罩密闭式弹簧安全阀地漏开启式弹簧安全阀压力表放气阀U型压力表自动放气阀自动记录压力表立管及立管上阀门水银温度计挡住阀二次蒸发器疏水器室外架空管道固定支架∩型补偿器室外架空煤气道管单层支架套管补偿器室外架空煤气道管摇摆支架波型、鼓型补偿器漏气检查点一、工艺管道施工图常用图例名称图例名称图例离心水泵防火器手摇泵地沟∪型膨胀穴喷射泵地沟安装孔热交换器地沟及检查井立式油水分离器(用于压缩空气)Dg≤80弹簧支(吊)架卧式油水分离器(用于压缩空气)Dg≥100 单、双、三接头立式集水器(用于压缩空气)导向支架地沟排风口吊架流量表二、通风空调工程常用图例名称图形名称图形带导流叶片弯头消声弯头伞形风帽送风口回风口圆形散流器方形散流器插板阀蝶阀对开式多叶调节阀光圈式启动调节阀风管止回阀防火阀三通调节阀三、给排水、采暖常用图例名称图形名称图形闸阀化验盆洗涤盆截止阀污水池延时自闭冲洗阀带沥水板洗涤盆减压阀盥洗盆球阀妇女卫生盆止回阀立式小便器消音止回阀挂式小便器蝶阀蹲式大便器柔性防水套管坐式大便器检查口小便槽清扫口引水器通气帽淋浴喷头圆形地漏雨水口方形地漏水泵水锤消除器水表可曲挠橡胶接头防回流污染止回阀水表井水龙头名称图形名称图形手提式灭火器灭火设备安装处所推车式灭火器控制和指示设备固定式灭火系统(全淹没)报警息动固定式灭火系统(局部应用)火灾报警装置固定式灭火系统(指出应用消防通风口区)1、消防工程辅助符号名称图形名称图形水阀门手动启动泡沫或泡沫液出口电铃无水入口发声器BC类干粉热扬声器ABC类干粉烟电话卤代烷火焰光信号二氧化碳易爆气体四、消防工程基本图形符号2、消防工程灭火器符号名称图形名称图形清水灭火器卤代烷灭火器推车式ABC类干粉灭火器泡沫灭火器二氧化碳灭火器推车式卤代烷灭火器BC类干粉灭火器推车式泡沫灭火器水桶ABC类干粉灭火器推车式BC类干粉灭火器沙桶3、消防管路及配件符号名称图形名称图形干式立管消防水管线干式立管消防水罐(池)干式立管泡沫混合液管线报警阀干式立管消火栓开式喷头干式立管消防泵闭式喷头干式立管泡沫比例混合器水泵结合器湿式立管泡沫产生器泡沫混合器立管泡沫液管四、消防工程基本图形符号4、消防工程固定灭火器系统符号名称图形名称图形水灭火系统(全淹没)ABC类干粉灭火系统手动控制灭火系统泡沫灭火系统(全淹没)卤代烷灭火系统BC类干粉灭火系统二氧化碳灭火系统5、消防工程灭火设备安装处符号名称图形名称图形二氧化碳瓶站ABC干粉罐泡沫罐站BC干粉灭火罐站消防泵站6、消防工程自动报警设备符号名称图形名称图形消防控制中心火灾报警装置温感探测器感光探测器手动报警装置烟感探测器气体探测器报警电话火灾警铃火灾报警扬声器火灾报警发声器火灾光信号装置表管道图例序名称图例备注号1生活给水管2热水给水管3热水回水管4中水给水管5循环给水管6循环回水管7热媒给水管8热媒回水管9蒸汽管10凝结水管11废水管可与中水源水管合用12压力废水管13通气管14污水管15压力污水管16雨水管17压力雨水管18膨胀管19保温管20多孔管21地沟管22防护套管23管道立管X:管道类别L:立管1:编号24伴热管25空调凝结水管26排水明沟27排水暗沟注:分区管道用加注角标方式表示:如J1、J2、RJ1、RJ2……。
一、工艺管道施工图常用图例名称图例名称图例闸阀异径管压力调节阀偏心异径管升降式止回阀堵板旋启式止回阀法兰减压阀法兰连接电动闸阀丝堵滚动闸阀人口自动截门流量孔板带手动装置的截门放气管浮力调节阀防雨罩密闭式弹簧安全阀地漏开启式弹簧安全阀压力表放气阀U型压力表自动放气阀自动记录压力表立管及立管上阀门水银温度计挡住阀二次蒸发器疏水器室外架空管道固定支架∩型补偿器室外架空煤气道管单层支架套管补偿器室外架空煤气道管摇摆支架波型、鼓型补偿器漏气检查点一、工艺管道施工图常用图例名称图例名称图例离心水泵防火器手摇泵地沟∪型膨胀穴喷射泵地沟安装孔热交换器地沟及检查井立式油水分离器(用于压缩空气)Dg≤80弹簧支(吊)架卧式油水分离器(用于压缩空气)Dg≥100单、双、三接头立式集水器(用于压缩空气)导向支架地沟排风口吊架流量表二、通风空调工程常用图例名称图形名称图形带导流叶片弯头消声弯头伞形风帽送风口回风口圆形散流器方形散流器插板阀蝶阀对开式多叶调节阀光圈式启动调节阀风管止回阀防火阀三通调节阀三、给排水、采暖常用图例名称图形名称图形闸阀化验盆洗涤盆截止阀污水池延时自闭冲洗阀带沥水板洗涤盆减压阀盥洗盆球阀妇女卫生盆止回阀立式小便器消音止回阀挂式小便器蝶阀蹲式大便器柔性防水套管坐式大便器检查口小便槽清扫口引水器通气帽淋浴喷头圆形地漏雨水口方形地漏水泵水锤消除器水表可曲挠橡胶接头防回流污染止回阀水表井水龙头四、消防工程基本图形符号名称图形名称图形手提式灭火器灭火设备安装处所推车式灭火器控制和指示设备固定式灭火系统(全淹没)报警息动固定式灭火系统(局部应用)火灾报警装置固定式灭火系统(指出应用区)消防通风口1、消防工程辅助符号名称图形名称图形水阀门手动启动泡沫或泡沫液出口电铃无水入口发声器BC类干粉热扬声器ABC类干粉烟电话卤代烷火焰光信号二氧化碳易爆气体四、消防工程基本图形符号2、消防工程灭火器符号名称图形名称图形清水灭火器卤代烷灭火器推车式ABC类泡沫灭火器干粉灭火器二氧化碳灭火器推车式卤代烷灭火器BC类干粉灭火器推车式泡沫灭火器水桶ABC类干粉灭火器推车式BC类干粉灭火器沙桶3、消防管路及配件符号名称图形名称图形干式立管消防水管线干式立管消防水罐(池)干式立管泡沫混合液管线报警阀干式立管消火栓开式喷头干式立管消防泵闭式喷头干式立管泡沫比例混合器水泵结合器湿式立管泡沫产生器泡沫混合器立管泡沫液管四、消防工程基本图形符号4、消防工程固定灭火器系统符号名称图形名称图形水灭火系统(全淹没)ABC类干粉灭火系统手动控制灭火系统泡沫灭火系统(全淹没)卤代烷灭火系统BC类干粉灭火系统二氧化碳灭火系统5、消防工程灭火设备安装处符号名称图形名称图形二氧化碳瓶站ABC干粉罐泡沫罐站BC干粉灭火罐站消防泵站6、消防工程自动报警设备符号名称图形名称图形消防控制中心火灾报警装置温感探测器感光探测器手动报警装置烟感探测器气体探测器报警电话火灾警铃火灾报警扬声器火灾报警发声器火灾光信号装置表3。
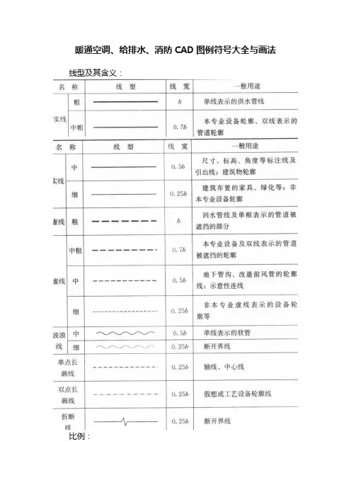
线型及其含义:比例:水、汽管道代号:工艺管道施工图常用图例:水、汽管道阀门和附件图例:给排水、采暖常用图例:通风空调工程常用图例:风道代号:风道、阀门及附件图例:风口和附件代号:暖通空调设备图例:调控装置及仪表图例:各种执行机构可与风阀、水阀组合表示相应功能的控制阀门。
消防工程基本图形符号:消防工程辅助符号:消防工程灭火器符号:消防管路及配件符号:消防工程固定灭火器系统符号:消防工程灭火设备安装处符号:消防设施:消防工程自动报警设备符号:管道图例:管道附件:管道连接:管件:常见阀门:给水配件:小型给水排水构筑物:给水排水设备:仪表:管道和设备布置平面图、剖面图示例:管道和设备布置平面图应按假象除去上层板后俯视规则绘制,其相应的垂直剖面图应在平面图中表明剖切符号。
标准层平面图平、剖面示例平面图、剖面图索引符号的画法:平面图、剖面图中的局部需另绘详图时,应在平、剖面图上标注索引符号。
索引符号的画法见下图。
索引符号的画法内视符号画法:当表示局部位置的相互关系,在平面图上应标注内视符号。
内视符号画法系统编号:1、一个工程设计中同时有供暖、通风、空调等两个及以上的不同系统时,应进行系统编号。
2、暖通空调系统编号、入口编号,应由系统代号和顺序号组成。
3、系统代号用大写拉丁字母表示,顺序号用阿拉伯数字表示。
当一个系统出现分支时,可采用下图的画法。
系统代号立管号的画法竖向布置的垂直管道系统,应标注立管号,在不一致引起误解时,可只标注序号,但应与建筑轴线编号有明显区别。
立管号的画法管道相对标高的画法:1、在无法标注垂直尺寸的图样中,应标注标高。
标高应以m为单位,并应精确到cm或mm。
2、标高符号应以直角等腰三角形表示。
当面标准层较多时,可只标注与本层楼(地)板面的相对标高。
3、水、汽管道所标高未予说明时,应表示为管中心标高。
4、水、汽管道标注管道外底或顶标高时,应在数字前加“底”或“顶”字样。
5、矩形风管所注标高应表示管底标高;圆形风管所注标高应表示管中心标高。
一、工艺管道施工图常用图例一、工艺管道施工图常用图例三、给排水、采暖常用图例1、消防工程辅助符号四、消防工程基本图形符号2、消防工程灭火器符号3、消防管路及配件符号四、消防工程基本图形符号4、消防工程固定灭火器系统符号5、消防工程灭火设备安装处符号6、消防工程自动报警设备符号表3。
0。
1管道图例3。
0。
2管道附件的图例宜符合表3.0。
2的要求。
表3。
0.2管道附件3。
0.3管道连接的图例宜符合表3。
0。
3的要求.表3.0.3管道连接3。
0。
4管件的图例宜符合表3。
0.4的要求。
表3。
0。
4管件3。
0.5阀门的图例宜符合表3。
0.5的要求。
表3.0.5阀门3.0.6给水配件的图例宜符合表3.0.6的要求。
表3。
0.6给水配件3。
0.7 消防设施的图例宜符合表3。
0.7的要求。
表3.0。
7消防设施3.0。
8卫生设备及水池的图例宜符合表3.0.8的要求。
表3。
0.8卫生设备及水池3.0.9小型给水排水构筑物的图例宜符合表3。
0。
9的要求。
表3.0。
9小型给水排水构筑物3.0.10给水排水设备的图例宜符合表3.0.10的要求。
表3。
0.10给水排水设备3。
0.11给水排水专业所用仪表的图例宜符合表3.0.11的要求.表3。
0。
11仪表。
一、工艺管道施工图常用图例一、工艺管道施工图常用图例二、通风空调工程常用图例三、给排水、采暖常用图例四、消防工程基本图形符号1、消防工程辅助符号四、消防工程基本图形符号2、消防工程灭火器符号3、消防管路及配件符号四、消防工程基本图形符号4、消防工程固定灭火器系统符号5、消防工程灭火设备安装处符号6、消防工程自动报警设备符号气体探测器报警电话火灾报警扬声器火灾警铃火灾光信号装置火灾报警发声器管道图例表3.0.1序名称图例备注号生活给水管 1热水给水管 2热水回水管 3中水给水管 4循环给水管 5循环回水管 6热媒给水管7热媒回水管8蒸汽管9凝结水管10可与中水源水废水管11管合用压力废水管12通气管13污水管14压力污水管15雨水管16压力雨水管17膨胀管18保温管19多孔管20地沟管21防护套管22X:管道类别L:立管管道立管23 :编号1 伴热管24空调凝结水管25排水明沟26排水暗沟27注:分区管道用加注角标方式表示:如J1、J2、RJ1、RJ2……。
3.0.2管道附件的图例宜符合表3.0.2的要求。
管道附件3.0.2表.序名称图例备注号套管伸缩器 1方形伸缩器 2刚性防水套管 3波纹管 5可曲挠橡胶接6 头管道固定支架7管道滑动支架8立管检查口9清扫口10通气帽11雨水斗12排水漏斗13通用。
如为无水封,地圆形地漏14 漏应加存水弯方形地漏15自动冲洗水箱16挡墩17减压孔板18形除污器Y 19毛发聚集器20防回流污染止21 回阀吸气阀223.0.3管道连接的图例宜符合表3.0.3的要求。
表3.0.3管道连接序名称图例备注号法兰连接 1承插连接 2活接头 3管堵 4法兰堵盖 5表示管道向后弯折管6 及向下弯转90°三通连接7四通连接8盲板9管道丁字上接10管道丁字下接11在下方和后面管道交叉12的管道应断开3.0.4管件的图例宜符合表3.0.4的要求。
表3.0.4管件序名称图例备注号偏心异径1管.异径管 2乙字管 3喇叭口 4转动接头 5短管 6弯头8正三通9斜三通10正四通11斜四通12浴盆排水13件3.0.5阀门的图例宜符合表3.0.5的要求。
线型及其含义:比例:水、汽管道代号:工艺管道施工图经常使用图例:水、汽管道阀门和附件图例:给排水、采暖经常使用图例:通风空调工程经常使用图例:风道代号:风道、阀门及附件图例:风口和附件代号:暖通空调设备图例:调控装置及仪表图例:各种执行机构可与风阀、水阀组合暗示相应功能的控制阀门。
消防工程基本图形符号:消防工程辅助符号:消防工程灭火器符号:消防管路及配件符号:消防工程固定灭火器系统符号:消防工程灭火设备装置处符号:消防设施:消防工程自动报警设备符号:管道图例:管道附件:管道连接:管件:罕见阀门:给水配件:小型给水排水构筑物:给水排水设备:仪表:管道和设备安插平面图、剖面图示例:管道和设备安插平面图应按假象除去上层板后俯视规则绘制,其相应的垂直剖面图应在平面图中标明剖切符号。
尺度层平面图平、剖面示例平面图、剖面图索引符号的画法:平面图、剖面图中的局部需另绘详图时,应在平、剖面图上标注索引符号。
索引符号的画法见下图。
索引符号的画法内视符号画法:当暗示局部位置的相互关系,在平面图上应标注内视符号。
内视符号画法系统编号:1、一个工程设计中同时有供暖、通风、空调等两个及以上的分歧系统时,应进行系统编号。
2、暖通空调系统编号、入口编号,应由系统代号和顺序号组成。
3、系统代号用大写拉丁字母暗示,顺序号用阿拉伯数字暗示。
当一个系统出现分支时,可采取下图的画法。
系统代号立管号的画法竖向安插的垂直管道系统,应标注立管号,在纷歧致引起误解时,可只标注序号,但应与建筑轴线编号有明显区别。
立管号的画法管道相对标高的画法:1、在无法标注垂直尺寸的图样中,应标注标高。
标高应以m为单位,并应精确到cm或mm。
2、标高符号应以直角等腰三角形暗示。
当面尺度层较多时,可只标注与本层楼(地)板面的相对标高。
3、水、汽管道所标高未予说明时,应暗示为管中心标高。
4、水、汽管道标注管道外底或顶标高时,应在数字前加“底”或“顶”字样。
5、矩形风管所注标高应暗示管底标高;圆形风管所注标高应暗示管中心标高。
一、工艺管道施工图常用图例名称图例名称图例闸阀异径管压力调治阀独爱异径管起落式止回阀堵板旋启式止回阀法兰减压阀法兰连接电动闸阀丝堵转动闸阀人口自动截门流量孔板带手动装置的截门放气管浮力调治阀防雨罩密闭式弹簧安全阀地漏开启式弹簧安全阀压力表放气阀U型压力表自动放气阀自动记录压力表立管及立管上阀门水银温度计挡住阀二次蒸发器疏水器室外架空管道固定支架∩型补偿器室外架空煤气道管单层支架套管补偿器室外架空煤气道管摇摆支架波型、鼓型补偿器漏气检查点一、工艺管道施工图常用图例名称图例名称图例离心水泵防火器手摇泵地沟∪型膨胀穴发射泵地沟安装孔热交换器地沟及检查井立式油水分别器(用于压缩空气)Dg≤80弹簧支(吊)架卧式油水分别器(用于压缩空气)Dg≥100 单、双、三接头立式集水器(用于压缩空气)导向支架地沟排风口吊架流量表二、通风空调工程常用图例名称图形名称图形带导流叶片弯头消声弯头伞形风帽送风口回风口圆形散流器方形散流器插板阀蝶阀对开式多叶调治阀光圈式启动调治阀风管止回阀防火阀三通调治阀三、给排水、采暖常用图例名称图形名称图形闸阀化验盆冲洗盆截止阀污水池延时自闭冲洗阀带沥水板冲洗盆减压阀盥洗盆球阀妇女卫生盆止回阀立式小便器消音止回阀挂式小便器蝶阀蹲式大便器柔性防水套管坐式大便器检查口小便槽打扫口引水器通气帽淋浴喷头圆形地漏雨水口方形地漏水泵水锤除掉器水表可曲挠橡胶接头防回流污染止回阀水表井水龙头名称图形名称图形手提式灭火器灭火设施安装地方推车式灭火器控制和指示设施固定式灭火系统(全淹没)报警息动固定式灭火系统(局部应用)火灾报警装置固定式灭火系统(指出应用区)消防通风口1、消防工程辅助符号名称图形名称图形水阀门手动启动泡沫或泡沫液出口电铃无水入口发声器BC类干粉热扬声器ABC类干粉烟电话卤代烷火焰光信号二氧化碳易爆气体2、消防工程灭火器符号名称图形名称图形清水灭火器卤代烷灭火器推车式ABC类干粉灭火器泡沫灭火器二氧化碳灭火器推车式卤代烷灭火器BC类干粉灭火器推车式泡沫灭火器水桶ABC类干粉灭火器推车式BC类干粉灭火器沙桶3、消防管路及配件符号名称图形名称图形干式立管消防水管线干式立管消防水罐(池)干式立管泡沫混杂液管线报警阀干式立管消火栓开式喷头干式立管消防泵闭式喷头干式立管泡沫比率混杂器水泵结合器湿式立管泡沫产生器泡沫混杂器立管泡沫液管4、消防工程固定灭火器系统符号名称图形名称图形水灭火系统(全淹没)ABC类干粉灭火系统手动控制灭火系统泡沫灭火系统(全淹没)卤代烷灭火系统BC类干粉灭火系统二氧化碳灭火系统5、消防工程灭火设施安装处符号名称图形名称图形二氧化碳瓶站ABC干粉罐泡沫罐站BC干粉灭火罐站消防泵站6、消防工程自动报警设施符号名称图形名称图形消防控制中心火灾报警装置温感探测器感光探测器手动报警装置烟感探测器气体探测器报警电话火灾警铃火灾报警扬声器火灾报警发声器火灾光信号装置表3.0.1管道图例序号名称图例备注1 生活给水管2 热水给水管3 热水回水管4 中水给水管5 循环给水管6 循环回水管7 热媒给水管8 热媒回水管9 蒸汽管10 凝结水管11 废水管可与中水源水管合用12 压力废水管13 通气管14 污水管15 压力污水管16 雨水管17 压力雨水管18 膨胀管19 保温管20 多孔管21 地沟管22 防范套管23 管道立管X:管道种类L:立管1:编号24 伴热管25 空调凝结水管26 排水明沟27 排水暗沟注:分区管道用加注角标方式表示:如J1、J2、RJ1、RJ2……。
一、工艺管道施工图常用图例
一、工艺管道施工图常用图例
三、给排水、采暖常用图例
1、消防工程辅助符号
四、消防工程基本图形符号
2、消防工程灭火器符号
3、消防管路及配件符号
四、消防工程基本图形符号
4、消防工程固定灭火器系统符号
5、消防工程灭火设备安装处符号
6、消防工程自动报警设备符号
表3.0.1管道图例
3.0.2管道附件的图例宜符合表3.0.2的要求。
表3.0.2管道附件
3.0.3管道连接的图例宜符合表3.0.3的要求。
表3.0.3管道连接
3.0.4管件的图例宜符合表3.0.4的要求。
表3.0.4管件
3.0.5阀门的图例宜符合表3.0.5的要求。
表3.0.5阀门
3.0.6给水配件的图例宜符合表3.0.6的要求。
表3.0.6给水配件
3.0.7 消防设施的图例宜符合表3.0.7的要求。
表3.0.7消防设施
3.0.8卫生设备及水池的图例宜符合表3.0.8的要求。
表3.0.8卫生设备及水池
3.0.9小型给水排水构筑物的图例宜符合表3.0.9的要求。
表3.0.9小型给水排水构筑物
3.0.10给水排水设备的图例宜符合表3.0.10的要求。
表3.0.10给水排水设备
3.0.11给水排水专业所用仪表的图例宜符合表3.0.11的要求。
表3.0.11仪表。
暖通空调、给排水、消防CAD图例符号大全与画法线型及其含义:比例:水、汽管道代号:工艺管道施工图常用图例:水、汽管道阀门和附件图例:给排水、采暖常用图例:通风空调工程常用图例:风道代号:风道、阀门及附件图例:风口和附件代号:暖通空调设备图例:调控装置及仪表图例:各种执行机构可与风阀、水阀组合表示相应功能的控制阀门。
消防工程基本图形符号:消防工程辅助符号:消防工程灭火器符号:消防管路及配件符号:消防工程固定灭火器系统符号:消防工程灭火设备安装处符号:消防设施:通知12月26日-28日济南,实训技术精讲,学到真正的热泵供暖技术!必修:热泵采暖系统的材料与造价,热泵两联供系统设计,热泵供暖解决方案,热泵供暖设计方案,热泵供暖项目运营,五门必修快速掌握采暖!点击文末“阅读原文”报名咨询消防工程自动报警设备符号:管道图例:管道附件:管道连接:管件:常见阀门:给水配件:小型给水排水构筑物:给水排水设备:仪表:管道和设备布置平面图、剖面图示例:管道和设备布置平面图应按假象除去上层板后俯视规则绘制,其相应的垂直剖面图应在平面图中表明剖切符号。
标准层平面图平、剖面示例平面图、剖面图索引符号的画法:平面图、剖面图中的局部需另绘详图时,应在平、剖面图上标注索引符号。
索引符号的画法见下图。
索引符号的画法内视符号画法:当表示局部位置的相互关系,在平面图上应标注内视符号。
内视符号画法系统编号:1、一个工程设计中同时有供暖、通风、空调等两个及以上的不同系统时,应进行系统编号。
2、暖通空调系统编号、入口编号,应由系统代号和顺序号组成。
3、系统代号用大写拉丁字母表示,顺序号用阿拉伯数字表示。
当一个系统出现分支时,可采用下图的画法。
系统代号立管号的画法竖向布置的垂直管道系统,应标注立管号,在不一致引起误解时,可只标注序号,但应与建筑轴线编号有明显区别。
立管号的画法管道相对标高的画法:1、在无法标注垂直尺寸的图样中,应标注标高。
标高应以m为单位,并应精确到cm或mm。
一、工艺管道施工图常用图例
一、工艺管道施工图常用图例
二、通风空调工程常用图例
三、给排水、采暖常用图例
四、消防工程基本图形符号
1、消防工程辅助符号
四、消防工程基本图形符号
2、消防工程灭火器符号
3、消防管路及配件符号
四、消防工程基本图形符号
4、消防工程固定灭火器系统符号
5、消防工程灭火设备安装处符号
6、消防工程自动报警设备符号
表3.0.1 管道图例
3.0.2管道附件的图例宜符合表3.0.2的要求。
表3.0.2 管道附件
3.0.3管道连接的图例宜符合表3.0.3的要求。
表3.0.3 管道连接
3.0.4管件的图例宜符合表3.0.4的要求。
表3.0.4 管件
3.0.5阀门的图例宜符合表3.0.5的要求。
表3.0.5 阀门
3.0.6给水配件的图例宜符合表3.0.6的要求。
表3.0.6 给水配件
3.0.7 消防设施的图例宜符合表3.0.7的要求。
表3.0.7 消防设施
3.0.8卫生设备及水池的图例宜符合表3.0.8的要求。
表3.0.8 卫生设备及水池
3.0.9小型给水排水构筑物的图例宜符合表3.0.9的要求。
表3.0.9 小型给水排水构筑物
3.0.10给水排水设备的图例宜符合表3.0.10的要求。
表3.0.10 给水排水设备
3.0.11给水排水专业所用仪表的图例宜符合表3.0.11的要求。
表3.0.11 仪表
2008-10-22 9:12:20。
线型及其含义:比例:水、汽管道代号:工艺管道施工图常用图例:水、汽管道阀门和附件图例:给排水、采暖常用图例:通风空调工程常用图例:风道代号:风道、阀门及附件图例:风口和附件代号:暖通空调设备图例:调控装置及仪表图例:各种执行机构可与风阀、水阀组合表示相应功能的控制阀门。
消防工程基本图形符号:消防工程灭火器符号:消防工程固定灭火器系统符号:消防工程灭火设备安装处符号:消防设施:消防工程自动报警设备符号:管道图例:管道附件:管道连接:管件:常见阀门:给水配件:小型给水排水构筑物:给水排水设备:仪表:管道和设备布置平面图、剖面图示例:管道和设备布置平面图应按假象除去上层板后俯视规则绘制,其相应的垂直剖面图应在平面图中表明剖切符号。
标准层平面图平、剖面示例平面图、剖面图索引符号的画法:平面图、剖面图中的局部需另绘详图时,应在平、剖面图上标注索引符号。
索引符号的画法见下图。
索引符号的画法内视符号画法:当表示局部位置的相互关系,在平面图上应标注内视符号。
内视符号画法系统编号:1、一个工程设计中同时有供暖、通风、空调等两个及以上的不同系统时,应进行系统编号。
2、暖通空调系统编号、入口编号,应由系统代号和顺序号组成。
3、系统代号用大写拉丁字母表示,顺序号用阿拉伯数字表示。
当一个系统出现分支时,可采用下图的画法。
系统代号立管号的画法竖向布置的垂直管道系统,应标注立管号,在不一致引起误解时,可只标注序号,但应与建筑轴线编号有明显区别。
立管号的画法管道相对标高的画法:1、在无法标注垂直尺寸的图样中,应标注标高。
标高应以m为单位,并应精确到cm或mm。
2、标高符号应以直角等腰三角形表示。
当面标准层较多时,可只标注与本层楼(地)板面的相对标高。
3、水、汽管道所标高未予说明时,应表示为管中心标高。
4、水、汽管道标注管道外底或顶标高时,应在数字前加“底”或“顶”字样。
5、矩形风管所注标高应表示管底标高;圆形风管所注标高应表示管中心标高。
一、工艺管道施工图常用图例名称图例名称图例闸阀异径管压力调节阀偏心异径管升降式止回阀堵板旋启式止回阀法兰减压阀法兰连接电动闸阀丝堵滚动闸阀人口自动截门流量孔板带手动装置的截门放气管浮力调节阀防雨罩密闭式弹簧安全阀地漏开启式弹簧安全阀压力表放气阀U型压力表自动放气阀自动记录压力表立管及立管上阀门水银温度计挡住阀二次蒸发器疏水器室外架空管道固定支架∩型补偿器室外架空煤气道管单层支架套管补偿器室外架空煤气道管摇摆支架波型、鼓型补偿器漏气检查点一、工艺管道施工图常用图例名称图例名称图例离心水泵防火器手摇泵地沟∪型膨胀穴喷射泵地沟安装孔热交换器地沟及检查井立式油水分离器(用于压缩空气)Dg≤80弹簧支(吊)架卧式油水分离器(用于压缩空气)Dg≥100 单、双、三接头立式集水器(用于压缩空气)导向支架地沟排风口吊架流量表二、通风空调工程常用图例名称图形名称图形带导流叶片弯头消声弯头伞形风帽送风口回风口圆形散流器方形散流器插板阀蝶阀对开式多叶调节阀光圈式启动调节阀风管止回阀防火阀三通调节阀三、给排水、采暖常用图例名称图形名称图形闸阀化验盆洗涤盆截止阀污水池延时自闭冲洗阀带沥水板洗涤盆减压阀盥洗盆球阀妇女卫生盆止回阀立式小便器消音止回阀挂式小便器蝶阀蹲式大便器柔性防水套管坐式大便器检查口小便槽清扫口引水器通气帽淋浴喷头圆形地漏雨水口方形地漏水泵水锤消除器水表可曲挠橡胶接头防回流污染止回阀水表井水龙头名称图形名称图形手提式灭火器灭火设备安装处所推车式灭火器控制和指示设备固定式灭火系统(全淹没)报警息动固定式灭火系统(局部应用)火灾报警装置固定式灭火系统(指出应用区)消防通风口1、消防工程辅助符号名称图形名称图形水阀门手动启动泡沫或泡沫液出口电铃无水入口发声器BC类干粉热扬声器ABC类干粉烟电话卤代烷火焰光信号二氧化碳易爆气体2、消防工程灭火器符号名称图形名称图形清水灭火器卤代烷灭火器推车式ABC类干粉灭火器泡沫灭火器二氧化碳灭火器推车式卤代烷灭火器BC类干粉灭火器推车式泡沫灭火器水桶ABC类干粉灭火器推车式BC类干粉灭火器沙桶3、消防管路及配件符号名称图形名称图形干式立管消防水管线干式立管消防水罐(池)干式立管泡沫混合液管线报警阀干式立管消火栓开式喷头干式立管消防泵闭式喷头干式立管泡沫比例混合器水泵结合器湿式立管泡沫产生器泡沫混合器立管泡沫液管4、消防工程固定灭火器系统符号名称图形名称图形水灭火系统(全淹没)ABC类干粉灭火系统手动控制灭火系统泡沫灭火系统(全淹没)卤代烷灭火系统BC类干粉灭火系统二氧化碳灭火系统5、消防工程灭火设备安装处符号名称图形名称图形二氧化碳瓶站ABC干粉罐泡沫罐站BC干粉灭火罐站消防泵站6、消防工程自动报警设备符号名称图形名称图形消防控制中心火灾报警装置温感探测器感光探测器手动报警装置烟感探测器气体探测器报警电话火灾警铃火灾报警扬声器火灾报警发声器火灾光信号装置表3.0.1管道图例序号名称图例备注1 生活给水管2 热水给水管3 热水回水管4 中水给水管5 循环给水管6 循环回水管7 热媒给水管8 热媒回水管9 蒸汽管10 凝结水管11 废水管可与中水源水管合用12 压力废水管13 通气管14 污水管15 压力污水管16 雨水管17 压力雨水管18 膨胀管19 保温管20 多孔管21 地沟管22 防护套管23 管道立管X:管道类别L:立管1:编号24 伴热管25 空调凝结水管26 排水明沟27 排水暗沟注:分区管道用加注角标方式表示:如J1、J2、RJ1、RJ2……。
一、工艺管道施工图常用图例
一、工艺管道施工图常用图例
三、给排水、采暖常用图例
1、消防工程辅助符号
四、消防工程基本图形符号
2、消防工程灭火器符号
3、消防管路及配件符号
四、消防工程基本图形符号
4、消防工程固定灭火器系统符号
5、消防工程灭火设备安装处符号
6、消防工程自动报警设备符号
表3.0.1管道图例
3.0.2管道附件的图例宜符合表3.0.2的要求。
表3.0.2管道附件
3.0.3管道连接的图例宜符合表3.0.3的要求。
表3.0.3管道连接
3.0.4管件的图例宜符合表3.0.4的要求。
表3.0.4管件
3.0.5阀门的图例宜符合表3.0.5的要求。
表3.0.5阀门
3.0.6给水配件的图例宜符合表3.0.6的要求。
表3.0.6给水配件
3.0.7 消防设施的图例宜符合表3.0.7的要求。
表3.0.7消防设施
3.0.8卫生设备及水池的图例宜符合表3.0.8的要求。
表3.0.8卫生设备及水池
3.0.9小型给水排水构筑物的图例宜符合表3.0.9的要求。
表3.0.9小型给水排水构筑物
3.0.10给水排水设备的图例宜符合表3.0.10的要求。
表3.0.10给水排水设备
3.0.11给水排水专业所用仪表的图例宜符合表3.0.11的要求。
表3.0.11仪表。
一、工艺管道施工图常用图例名称图例名称图例闸阀异径管压力调节阀偏心异径管升降式止回阀堵板旋启式止回阀法兰减压阀法兰连接电动闸阀丝堵滚动闸阀人口自动截门流量孔板带手动装置的截门放气管浮力调节阀防雨罩密闭式弹簧安全阀地漏开启式弹簧安全阀压力表放气阀U型压力表自动放气阀自动记录压力表立管与立管上阀门水银温度计挡住阀二次蒸发器疏水器室外架空管道固定支架∩型补偿器室外架空煤气道管单层支架套管补偿器室外架空煤气道管摇摆支架波型、鼓型补偿器漏气检查点一、工艺管道施工图常用图例名称图例名称图例离心水泵防火器手摇泵地沟∪型膨胀穴喷射泵地沟安装孔热交换器地沟与检查井立式油水分离器(用于压缩空气)Dg≤80弹簧支(吊)架卧式油水分离器(用于压缩空气)Dg≥100单、双、三接头立式集水器(用于压缩空气)导向支架地沟排风口吊架流量表二、通风空调工程常用图例名称图形名称图形带导流叶片弯头消声弯头伞形风帽送风口回风口圆形散流器方形散流器插板阀蝶阀对开式多叶调节阀光圈式启动调节阀风管止回阀防火阀三通调节阀三、给排水、采暖常用图例名称图形名称图形闸阀化验盆洗涤盆截止阀污水池延时自闭冲洗阀带沥水板洗涤盆减压阀盥洗盆球阀妇女卫生盆止回阀立式小便器消音止回阀挂式小便器蝶阀蹲式大便器柔性防水套管坐式大便器检查口小便槽清扫口引水器通气帽淋浴喷头圆形地漏雨水口方形地漏水泵水锤消除器水表可曲挠橡胶接头防回流污染止回阀水表井水龙头四、消防工程基本图形符号名称图形名称图形手提式灭火器灭火设备安装处所推车式灭火器控制和指示设备固定式灭火系统(全淹没)报警息动固定式灭火系统(局部应用)火灾报警装置固定式灭火系统(指出应用消防通风口1、消防工程辅助符号四、消防工程基本图形符号2、消防工程灭火器符号干粉灭火器二氧化碳灭火器推车式卤代烷灭火器BC类干粉灭火器推车式泡沫灭火器水桶ABC类干粉灭火器推车式BC类干粉灭火器沙桶3、消防管路与配件符号名称图形名称图形干式立管消防水管线干式立管消防水罐(池)干式立管泡沫混合液管线报警阀干式立管消火栓开式喷头干式立管消防泵闭式喷头干式立管泡沫比例混合器水泵结合器湿式立管泡沫产生器泡沫混合器立管泡沫液管四、消防工程基本图形符号4、消防工程固定灭火器系统符号名称图形名称图形水灭火系统(全淹没)ABC类干粉灭火系统手动控制灭火系统泡沫灭火系统(全淹没)卤代烷灭火系统BC类干粉灭火系统二氧化碳灭火系统5、消防工程灭火设备安装处符号名称图形名称图形二氧化碳瓶站ABC干粉罐泡沫罐站BC干粉灭火罐站消防泵站6、消防工程自动报警设备符号名称图形名称图形消防控制中心火灾报警装置温感探测器感光探测器手动报警装置烟感探测器气体探测器报警电话火灾警铃火灾报警扬声器火灾报警发声火灾光信号装置器表3.0.1 管道图例序名称图例备注号1生活给水管2热水给水管3热水回水管4中水给水管5循环给水管6循环回水管7热媒给水管8热媒回水管9蒸汽管10凝结水管11废水管可与中水源水管合用12压力废水管13通气管14污水管15压力污水管16雨水管17压力雨水管18膨胀管19保温管20多孔管21地沟管22防护套管23管道立管X:管道类别L:立管1:编号24伴热管25空调凝结水管26排水明沟27排水暗沟注:分区管道用加注角标方式表示:如J1、J2、RJ1、RJ2……。
一、工艺管道施工图常用图例名称图例名称图例闸阀异径管压力调节阀偏心异径管升降式止回阀堵板旋启式止回阀法兰减压阀法兰连接电动闸阀丝堵滚动闸阀人口自动截门流量孔板带手动装置的截门放气管浮力调节阀防雨罩密闭式弹簧安全阀地漏开启式弹簧安全阀压力表放气阀U型压力表自动放气阀自动记录压力表立管及立管上阀门水银温度计挡住阀二次蒸发器疏水器室外架空管道固定支架∩型补偿器室外架空煤气道管单层支架套管补偿器室外架空煤气道管摇摆支架波型、鼓型补偿器漏气检查点一、工艺管道施工图常用图例名称图例名称图例离心水泵防火器手摇泵地沟∪型膨胀穴喷射泵地沟安装孔热交换器地沟及检查井立式油水分离器(用于压缩空气)Dg≤80弹簧支(吊)架卧式油水分离器(用于压缩空气)Dg≥100 单、双、三接头立式集水器(用于压缩空气)导向支架地沟排风口吊架流量表二、通风空调工程常用图例名称图形名称图形带导流叶片弯头消声弯头伞形风帽送风口回风口圆形散流器方形散流器插板阀蝶阀对开式多叶调节阀光圈式启动调节阀风管止回阀防火阀三通调节阀三、给排水、采暖常用图例名称图形名称图形闸阀化验盆洗涤盆截止阀污水池延时自闭冲洗阀带沥水板洗涤盆减压阀盥洗盆球阀妇女卫生盆止回阀立式小便器消音止回阀挂式小便器蝶阀蹲式大便器柔性防水套管坐式大便器检查口小便槽清扫口引水器通气帽淋浴喷头圆形地漏雨水口方形地漏水泵水锤消除器水表可曲挠橡胶接头防回流污染止回阀水表井水龙头名称图形名称图形手提式灭火器灭火设备安装处所推车式灭火器控制和指示设备固定式灭火系统(全淹没)报警息动固定式灭火系统(局部应用)火灾报警装置固定式灭火系统(指出应用区)消防通风口1、消防工程辅助符号名称图形名称图形水阀门手动启动泡沫或泡沫液出口电铃无水入口发声器BC类干粉热扬声器ABC类干粉烟电话卤代烷火焰光信号二氧化碳易爆气体2、消防工程灭火器符号名称图形名称图形清水灭火器卤代烷灭火器推车式ABC类干粉灭火器泡沫灭火器二氧化碳灭火器推车式卤代烷灭火器BC类干粉灭火器推车式泡沫灭火器水桶ABC类干粉灭火器推车式BC类干粉灭火器沙桶3、消防管路及配件符号名称图形名称图形干式立管消防水管线干式立管消防水罐(池)干式立管泡沫混合液管线报警阀干式立管消火栓开式喷头干式立管消防泵闭式喷头干式立管泡沫比例混合器水泵结合器湿式立管泡沫产生器泡沫混合器立管泡沫液管4、消防工程固定灭火器系统符号名称图形名称图形水灭火系统(全淹没)ABC类干粉灭火系统手动控制灭火系统泡沫灭火系统(全淹没)卤代烷灭火系统BC类干粉灭火系统二氧化碳灭火系统5、消防工程灭火设备安装处符号名称图形名称图形二氧化碳瓶站ABC干粉罐泡沫罐站BC干粉灭火罐站消防泵站6、消防工程自动报警设备符号名称图形名称图形消防控制中心火灾报警装置温感探测器感光探测器手动报警装置烟感探测器气体探测器报警电话火灾警铃火灾报警扬声器火灾报警发声器火灾光信号装置表3.0.1管道图例序号名称图例备注1 生活给水管2 热水给水管3 热水回水管4 中水给水管5 循环给水管6 循环回水管7 热媒给水管8 热媒回水管9 蒸汽管10 凝结水管11 废水管可与中水源水管合用12 压力废水管13 通气管14 污水管15 压力污水管16 雨水管17 压力雨水管18 膨胀管19 保温管20 多孔管21 地沟管22 防护套管23 管道立管X:管道类别L:立管1:编号24 伴热管25 空调凝结水管26 排水明沟27 排水暗沟注:分区管道用加注角标方式表示:如J1、J2、RJ1、RJ2……。
3.0.2管道附件的图例宜符合表3.0.2的要求。
表3.0.2管道附件序名称图例备注号1 套管伸缩器2 方形伸缩器3 刚性防水套管4 柔性防水套管5 波纹管6 可曲挠橡胶接头7 管道固定支架8 管道滑动支架9 立管检查口10 清扫口11 通气帽12 雨水斗13 排水漏斗14 圆形地漏通用。
如为无水封,地漏应加存水弯15 方形地漏16 自动冲洗水箱17 挡墩18 减压孔板19 Y形除污器20 毛发聚集器21 防回流污染止回阀22 吸气阀3.0.3管道连接的图例宜符合表3.0.3的要求。
表3.0.3管道连接序名称图例备注号1 法兰连接2 承插连接3 活接头4 管堵5 法兰堵盖6 弯折管表示管道向后及向下弯转90°7 三通连接8 四通连接9 盲板10 管道丁字上接11 管道丁字下接12 管道交叉在下方和后面的管道应断开3.0.4管件的图例宜符合表3.0.4的要求。
表3.0.4管件序名称图例备注号1 偏心异径管2 异径管3 乙字管4 喇叭口5 转动接头6 短管7 存水弯8 弯头9 正三通10 斜三通11 正四通12 斜四通13 浴盆排水件3.0.5阀门的图例宜符合表3.0.5的要求。
表3.0.5阀门序名称图例备注号1 闸阀2 角阀3 三通阀4 四通阀5 截止阀6 电动阀7 液动阀8 气动阀9 减压阀左侧为高压端10 旋塞阀11 底阀12 球阀13 隔膜阀14 气开隔膜阀15 气闭隔膜阀16 温度调节阀17 压力调节阀18 电磁阀19 止回阀20 消声止回阀21 蝶阀22 弹簧安全阀23 平衡锤安全阀24 自动排气阀25 浮球阀26 延时自闭冲洗阀27 吸水喇叭口28 疏水器3.0.6给水配件的图例宜符合表3.0.6的要求。
表3.0.6给水配件序名称图例备注号1 放水龙头左侧为平面,右侧为系统2 皮带龙头左侧为平面,右侧为系统3 洒水(栓)龙头4 化验龙头5 肘式龙头6 脚踏开关7 混合水龙头8 旋转水龙头9 浴盆带喷头混合水龙头3.0.7 消防设施的图例宜符合表3.0.7的要求。
表3.0.7消防设施序名称图例备注号1 消火栓给水管2 自动喷水灭火给水管3 室外消火栓4 室内消火栓(单白色为开启面口)5 室内消火栓(双口)6 水泵接合器7 自动喷洒头(开式)8 自动喷洒头(闭下喷式)9 自动喷洒头(闭上喷式)10 自动喷洒头(闭上下喷式)11 侧墙式自动喷洒头12 侧喷式喷洒头13 雨淋灭火给水管14 水幕灭火给水管15 水炮灭火给水管16 干式报警阀17 水炮18 湿式报警阀19 预作用报警阀20 遥控信号阀21 水流指示器22 水力警铃23 雨淋阀24 末端测试阀25 末端测试阀26 推车式灭火器注:分区管道用加注角标方式表示:如XH1、XH2、ZP1、ZP2……。
3.0.8卫生设备及水池的图例宜符合表3.0.8的要求。
表3.0.8卫生设备及水池序名称图例备注号1 立式洗脸盆2 台式洗脸盆3 挂式洗脸盆4 浴盆5 化验盆、洗涤盆6 带沥水板洗涤盆不锈钢制品7 盥洗槽8 污水池9 妇女卫生盆10 立式小便器11 壁挂式小便器12 蹲式大便器13 坐式大便器14 小便槽15 淋浴喷头3.0.9小型给水排水构筑物的图例宜符合表3.0.9的要求。
表3.0.9小型给水排水构筑物序号名称图例备注1 矩型化粪池HC为化粪池代号2 圆型化粪池3 隔油池YC为除油池代号4 沉淀池CC为沉淀池代号5 降温池JC为降温池代号6 中和池ZC为中和池代号单口7 雨水口双口8 阀门井检查井9 水封井10 跌水井11 水表井3.0.10给水排水设备的图例宜符合表3.0.10的要求。
表3.0.10给水排水设备序号名称图例备注1 水泵2 潜水泵3 定量泵4 管道泵5 卧式热交换器6 立式热交换器7 快速管式热交换器8 开水器9 喷射器小三角为进水端10 除垢器11 水锤消除器12 浮球液位器13 搅拌器3.0.11给水排水专业所用仪表的图例宜符合表3.0.11的要求。
表3.0.11仪表序号名称图例备注1 温度计2 压力表3 自动记录压力表4 压力控制器5 水表6 自动记录流量计7 转子流量计8 真空表9 温度传感器10 压力传感器11 pH值传感器12 酸传感器13 碱传感器14 余氯传感器2008-10-22 9:12:20。