2017全国中职技能大赛工程测量赛项一级导线测量及放样评分表
- 格式:pdf
- 大小:295.84 KB
- 文档页数:8
i i附件 2工程测量赛项技能操作考核评分标准根据《第五届全国测绘地理信息行业职业技能竞赛工作方案》和《工程测量赛项技术纲要》有关要求,为客观准确的评价参赛选手的作业过程和最终成果,统一竞赛评判标准,特制定工程测 量赛项技能操作考核评分标准。
一、竞赛成绩结构和评分(一)竞赛成绩结构竞赛项目分“操作和成果完整性、准确性”两大项,总成绩满分为 100 分。
计分项目、子项目及权重见附表 1,各项记分子项目均采用百分制评测,测评表见附表 2-附表 6。
(二)评分方法1.子项目加权得分子项目加权得分按(1)式计算:S i = A i ⨯ P (1)式中: S i ------子项目加权得分;A i------子项目测评得分; P -------相应子项目的权。
2.竞赛项目加权得分竞赛项目加权得分按(2)式计算:-1-P j ⋅ ∑ S iS=∑S j=ni =1 (2)式中: S j -------竞赛项目加权得分;S i------子项目加权得分;P j ------相应竞赛项目的权;n ------竞赛项目中子项目的项数。
3.竞赛总得分竞赛得总分按(3)式计算:nj =1j (3)式中: S j -----竞赛项目加权得分;S------竞赛项目总分;n ------竞赛项目的项数。
(三)评分规则1.各子项目测评评分按照主、副裁判评分的平均值为选手得分。
2.各子项目评分原则:按子项进行评分,各子项最多 100 分,最低零分(当扣分为负值时,按零分计算)。
3.外业数据采集操作、精度评定成绩分别按 50%计入观测选手、编图选手得分,内业编辑成图、要素完整性、地形图编辑质量得分计入编图选手得分。
其中外业数据采集测评表中数据 采集时间奖励分计入编图选手得分。
二、操作考核(一)外业数据采集及数据传输外业数据采集每人竞赛时间为 100 分钟。
裁判示意开始后,-2-选手打开仪器箱开始比赛,选手观测完毕并收好仪器后示意裁判,裁判员据此进行计时。
2017年全国职业技能大赛
光伏发电系统安装与调试赛项
评分表
工位号: 比赛日期: 2017年6月3日
比赛时间:
2017年06月
注意事项:
(1)竞赛名次按竞赛有关文件排定。
(2)各评分小组按照分项内容打分,并将本任务得分填入本任务合计栏中,在本任务下方的裁判员签名处签名,本项打分结束后有参赛选手组长按手印确认。
(3)打分过程中需要修改分数之处,有裁判员签名。
裁判长签名_______________
任务一光伏电站的搭建(共45分)
裁判员签名:参赛选手按手印确认
任务二:多电站光伏发电运营(共25分)
裁判员签名:参赛选手按手印确认
裁判员签名:参赛选手按手印确认任务四、职业素养(共5分)
裁判员签名:参赛选手按手印确认。
附件4:中职土木水利类工程测量赛项技能竞赛规程、评分标准及选手须知一、竞赛内容本次竞赛以教育部发布的中等职业学校土建类专业教学指导方案为依据,结合建筑行业职业技能要求,参照中华人民共和国建设部2008年5月1日批准施行的国家标准《工程测量规范》(GB50026-2007),制定本技术文件。
(一)理论知识考试理论知识考试试题由赛项执委会从2017年湖南省职业院校技能竞赛中职组工程测量赛项理论考试题库中抽取。
1.理论知识考试采用机考闭卷方式进行,考试时间60分钟。
2.试题类型为单项选择题(60题,每题1分)和多项选择题(20题,每题2分)。
3.试题范围参考2018年湖南省职业院校技能竞赛中职组工程测量赛项理论考试大纲。
(二)四等水准测量一个已知点和三个未知点组成的闭合水准路线(见图1),水准路线总长约为1200米。
参赛队在规定时间内按四等水准精度要求独立完成指定路线的水准测量外业观测和内业计算。
每位选手完成一个测段(即两个固定点之间的路线)的观测和记录计算。
(三)一级导线测量及单点放样图1 闭合水准路线示意图 1A 4A3A 2A一个已知点及已知方向和三个未知点(3号点待放样)组成的闭合导线(如图2),四条边总长约300米左右。
参赛队在规定时间内按一级导线精度要求独立完成抽签指定的闭合导线测量外业观测及3号点的放样和内业计算。
外业观测包括一个连接角和四个转折角(左角)测量(5个角度均采用测回法二测回进行观测)以及四条导线边测量(每条导线边水平距离采用往返测各一测回),内业计算根据给定的已知点A 点的坐标和A 点到B 点的坐标方位角,经平差计算出3个指定未知点的平面坐标。
二、竞赛方式本次竞赛以小组方式进行,每个参赛小组由4名选手组成。
三、竞赛时量理论考试时间为60分钟;四等水准测量竞赛,规定用时为60分钟;一级导线测量及单点放样竞赛,规定用时为70分钟;计时从领取试题起(仪器设备应扣箱,脚架要收好),到仪器设备收好放回原地并递交成果止;以现场裁判计时为准。
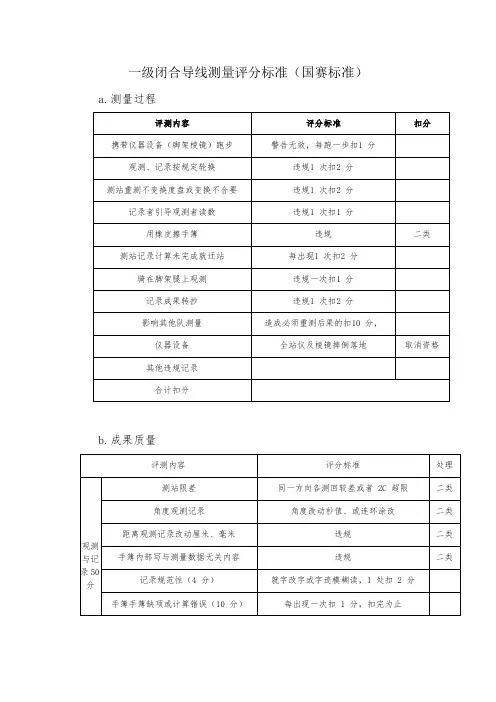
一级闭合导线测量评分标准(国赛标准)
a.测量过程
评测内容评分标准扣分携带仪器设备(脚架棱镜)跑步警告无效,每跑一步扣1分
观测、记录按规定轮换违规1次扣2分
测站重测不变换度盘或变换不合要违规1次扣2分
记录者引导观测者读数违规1次扣1分
用橡皮擦手簿违规二类测站记录计算未完成就迁站每出现1次扣2分
骑在脚架腿上观测违规一次扣1分
记录成果转抄违规1次扣2分
影响其他队测量造成必须重测后果的扣10分,
仪器设备全站仪及棱镜摔倒落地取消资格
其他违规记录
合计扣分
b.成果质量
评测内容评分标准处理
观测与记录50分
测站限差同一方向各测回较差或者2C超限二类
角度观测记录角度改动秒值、或连环涂改二类距离观测记录改动厘米、毫米违规二类手簿内部写与测量数据无关内容违规二类记录规范性(4分)就字改字或字迹模糊读,1处扣2分
手簿手簿缺项或计算错误(10分)每出现一次扣1分,扣完为止
手簿划改(4分)非单线或者不用尺子的划线,1处扣1
分,扣完为止
同一位置划改超过1次(4分)违规1处扣1分
划改后不注原因或不规范(2分)违规1处扣1分,扣完为止
内业计算35分方位角闭合差或相对闭合差限差超限二类平差计算(25分)
一处计算错误扣0.5n分,n为影响后续计算
的项目数
全部未计算扣25分;只计算方位角闭合差扣
15分
其它计算缺项或未完成酌情扣分。
坐标检查(8分)
与标准值比较超过5cm为超限,每超限1点
扣2分
计算表整洁(2分)每1处非正常污迹扣0.5分,扣完为止合计扣分。
2017年全国职业院校技能大赛工程测量赛项理论考试一、单项选择题(共60题,每题 1.00分,共60分)1. 0|$$|关于竖盘指标差,说法正确的是()。
A.竖盘指标差不影响水平角。
B.竖盘指标差影响水平角。
C.测竖直角时,竖盘指标差不可以通过盘左盘右观测,取平均值方法消除。
D.竖盘指标差小,不影响水平角观测结果;竖盘指标差大,则影响水平角观测结果。
2. 0|$$|真误差为()与真值之差。
A.改正数B.算术平均数C.中误差D.观测值3. 0|$$|关于高程测量,说法正确的是()。
A.水准测量是高程测量方法中精度最高的方法B.高程控制测量只能采用水准测量C.三角高程测量不能用于高程控制测量D.水准测量是高程测量的首选方法4. 0|$$|在长距离和不易测量的地区,下列高程测量方法中,比传统的水准测量法在效率、费用、精度上都有更大的优越性的是( )。
A.三角高程测量B.气压高程测量C.水准测量D.GPS高程测量5. 1|$$|下面是三个小组丈量距离的结果,只有()组测量的相对误差不低于1/5000。
A.AB.BC.CD.D6. 0|$$|用高程为24.397m的水准点,测设出高程为25.000m的室内地坪±0.000,在水准点上水准尺的读数为1.445m,室内地坪处水准尺的读数应是()。
A.1.042mB.0.842mC.0.642mD.0.042m7. 0|$$|1954年北京坐标系是新中国成立后确定的国家大地坐标系,是与()1942年坐标系联测经我国东北传算过来的。
A.前苏联B.美国C.德国D.英国8. 0|$$|全站仪测量地面点高程的原理是()。
A.水准测量原理B.导线测量原理C.三角测量原理D.三角高程测量原理9. 0|$$|测量工作中,用以表示直线方向的象限角是由()的北端或南端起,顺时针或逆时针至直线间所夹的锐角。
A.真子午线方向B.磁子午线方向C.坐标纵轴方向D.坐标横轴方向10. 0|$$|全站仪由()、电子经纬仪和数据处理系统组成。
2017年全国职业院校技能大赛中职组工程测量赛项
四等水准测量试题(A)
请参赛队独立完成指定四等闭合水准测量,具体路线按照抽签结果。
起始已知高程点m
H
,观测记录
.
18
3675
始
方法及人员分工等要求按竞赛规程执行。
2017年全国职业院校技能大赛中职组工程测量赛项
一级导线测量及单点放样试题(A)
请参赛队独立完成指定一级闭合导线测量及单点放样
任务,具体路线按照抽签结果。
起始已知方位角(起始点至定向点方向)5.5712340AB '''=︒α。
起始已知点坐标m 7895.29828Y ,m 7585.60187X A A ==;
待放样点坐标为m 146.29958Y m 432.60387X 33== , 观测记录方法及人员分工等要求按竞赛规程执行。
高职组测绘赛项奖项设定及竞赛评分细则一、奖项设定本赛项根据省教育厅文件规定测绘赛项为一个赛项,颁发团体奖,不设立单项奖。
团体奖以二等水准测量、一级导线测量、数字测图三个单项分数总和,设立团体的一、二、三等奖比例依次为最多参赛高职队数的、和,按竞赛成绩排名。
参赛团队总分相同的以参赛队单项参赛时间总和排名,参赛的院校没有参加的项目以最高项目时间计算。
获得团体奖的参赛队指导教师由组委会颁发优秀指导教师证书。
本届参赛单位为所高职。
参加本赛项的本科院校不参与省教育厅计奖。
二、竞赛评分细则(一)评分原则.在规定时间内完成比赛,且成果符合要求者按竞赛评分成绩确定名次。
.凡因超限、超时或其它原因被定性为二类的成果不参加评奖。
.因参赛选手造成设备故障或损坏,未完成竞赛的,不参加评奖。
(二)评分方法.竞赛成绩主要从参赛队的成果质量、作业速度两个方面计算,采用百分制。
.成果质量总分为分,按评分细则的成绩评定标准计算。
.作业速度总分为分,按各组用时计算。
各队的作业速度得分计算公式为:30%)401(11⨯⨯---=T T T T S n i i式中:1T 为所有参赛队中用时最少的比赛时间,nT 所有参赛队中不超过规定最大时长的队伍中用时最多的比赛时间,iT 为各组的实际用时。
.测量最大时长限制:二等水准测量分钟、一级导线测量分钟、数字测图(外业、内业) 分钟,无论何队只要超过最大时长,立即终止比赛。
.比赛过程中伪造数据者,取消该队全部比赛资格。
(三)评分细则.二等水准测量评分细则 ()观测要求①水准路线采用单程观测,每测站两次高差,奇数站观测水准尺的顺序为:后前前后;偶数站观测水准尺的顺序为:前后后前。
②水准路线各测段的测站数必须为偶数。
③测量员、记录员、扶尺员必须轮换,每人观测测段、记录测段。
④比赛采用手工记录及计算,记录和计算必须使用赛会统一提供的《二等水准测量竞赛成果资料》,现场完成,计算器自带,但不允许使用可编程计算器。
2017年全国职业院校技能大赛中职组“焊接技术”赛项技术文件一、竞赛内容与方式(一)本赛项不考理论,只对实际操作比赛完成的作品以及职业素养进行考核。
但技能操作中将融入焊接装配图识读、焊接应力与变形控制、焊接工艺参数选择以及焊接材料选择等理论知识的应用。
(二)实际操作考核部分:以现场实际操作方式考核,要求选手在规定时间内,按图纸及技术文件要求独立进行试件的打磨、装配及焊接。
实操操作内容见表1,分值占总成绩90%。
考核时间共计3.5小时。
1.组对规定:组对时试件的间隙、钝边、反变形,均由参赛选手自定。
2.定位焊规定:(1)板对接焊缝的定位焊应在两端20mm范围的坡口内,两端不允许加引弧板和熄弧板。
(2)管子对接焊和管板角焊缝的定位焊应在坡口内,定位焊不得超过三点,每段长度应≤10mm。
(3)定位焊应采用与正式焊接相同的焊接方法和焊接材料,焊材规格由参赛选手在大赛提供的范围内自选。
(4)所有试件一次组对完成。
试件在组对过程中出现问题,由参赛选手自己修复,不得调换。
3.上架固定规定:(1)规定在5G位置施焊的管件或管板,上架固定时,应在焊接开始前标记12点钟的位置,定位焊不准设在仰焊位置(即5-7点钟位置)。
(2)每个试件上架固定后,举手示意裁判员按照规定检查确认后方可施焊。
4.施焊操作规定:(1)施焊开始后,禁止使用电动工具;(2)对接焊缝均采用单面焊双面成形完成;(3)焊接时,焊缝最高点距地面不得高于1.2米;(4)焊接过程中,试件不准取下、移动或改变焊接位置;(5)5G位置的管或5FG管板对接焊,均应沿两半圆自下而上焊接,3G板立焊均应采用自下而上焊接;其他位置的管或板对接焊,焊缝根部焊道与表面焊道需沿同一方向焊接;(6)氩弧焊不允许重熔,不允许背部充氩。
(7)2G板材、4FG管板需采用多层多道焊接。
5.打磨及焊缝清理规定:(1)点固焊前,允许对坡口及两侧20mm范围进行打磨;(2)点固焊完成后,允许对点固焊缝范围进行打磨;(3)操作完成后,参赛选手应认真清理试件表面的焊渣、飞溅,但不能破坏焊缝表面的原始成形。
工程测量技能大赛裁判评分表
一级导线测量
参赛选手编号姓名开始时间结束时间
装订线
注:1、每项目或小项扣分不应超过项目或小项分值。
2、测量精度评定需写出公式并判断是否满足规范要求,否则扣该小项1/2分。
3、若参赛选手所在单位配合人员超出本次比赛规定的配合人员在现场,扣6分/人次。
4、比赛时间结束,不听裁判口令还继续比赛者,扣10分。
5、选手比赛所用仪器精度高于规定要求的,由裁判组长认定,否则扣10分。
6、2c互差比较按同一方向各测回比较。
评分裁判员签字:
本项目裁判组长审核:。
2017年全国职业院校技能大赛中职组工程测量赛项
一级导线测量及单点放样评分表
(仪器操作计时)
裁判签名:日期:年月日
2017年全国职业院校技能大赛中职组工程测量赛项
一级导线测量及单点放样评分表
(计算计时)
裁判签名:日期:年月日
(仪器操作部分)说明
说明:操作规范性共20分,扣完为止。
(记录计算、成果精度、用时部分)说明
2017年全国职业院校技能大赛中职组工程测量赛项
一级导线测量及单点放样评分表
(仪器操作部分)
第场
说明:操作规范性共20分,扣完为止。
裁判签名:日期:年月日
2017年全国职业院校技能大赛中职组工程测量赛项
一级导线测量及单点放样评分表
(记录计算部分)
说明:记录计算规范性共20分,扣完为止。
裁判签名:日期:年月日
2017年全国职业院校技能大赛中职组工程测量赛项
一级导线测量及单点放样评分表
(成果精度部分)
说明:成果精度共50分,扣完为止。
裁判签名:日期:年月日
2017年全国职业院校技能大赛中职组工程测量赛项
一级导线测量及单点放样评分表
(汇总)
裁判签名:日期:年月日。