多煤层开采覆岩移动及地表变形规律的相似模拟实验
- 格式:pdf
- 大小:692.31 KB
- 文档页数:5
1 相似模型实验设计1.1模型相似比为了很好的模拟30101工作面开采过程中上覆岩层的移动变形过程及地表移动变形过程,确定合理的几何相似比是实验的首要问题。
本相似模拟实验模拟的岩层厚度为240~260m,选择1:200 几何相似比,模型高度为120~130cm,这样既可以很好的模拟上覆岩层的移动变形过程,还可以对地表移动变形过程进行模拟。
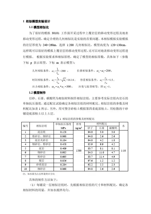
根据实验要求和相似原理,确定了模型的相似常数,具体如下(参数下标p 表示原型,下标m 表示模型):1.2模型制作以砂、石膏、碳酸钙为相似材料制作相似岩组,主要参考实际岩组内岩石的单轴抗压强度,通过配比试验确定各相似岩组的材料配比。
相似岩组的参数及材料配比如表1所示。
另外,用可塑含砂粘土模拟第四系底部粘土,用松散的干砂铺设底部粘土以上土层。
表1 相似岩组的参数及材料配比注:加水量为占总料量的百分比具体的制作方法如下:(1)每铺设一层相似岩组时,先根据相似岩组的尺寸和材料配比,确定各相似材料的用量,并加水搅拌均匀。
(2)底板整体铺设,顶板采用分层铺设,除煤层外每层厚度不超过2cm,必要时在挡板上画出标记线,以保证厚度均匀;(3)每层需压实,层面和断层面需刮平整,并均匀地撒入云母片,以模拟结构面并保证有较好的分层(界)效果。
(4)相似岩组铺设好后,及时拆下挡板,在通风的条件下干燥完全。
(5)用可塑含砂粘土铺设第四纪底部粘土,用松散的干砂铺设底部粘土以上土层。
(6)装图像检测点。
在煤层顶板以15cm的横向间隔,5cm或10cm竖向间隔布置监测点。
测点用φ0.5mm、长为20mm的大头针将黑白相间长10mm的矩形硬纸片锚固在模型表面。
1.3模型的构建模型实验选取3m 平面应力模型架模型的设计高度为1300mm,设计模型尺寸3000×1300×200mm,基岩厚度905mm,松散层厚度370mm。
根据地质资料和岩石的力学参数,设计模型的层位分布。
实验现象和数据采用拍照、素描、测量、记录等多种方式进行采集,实验测试方法如图2所示。
地铁线路穿越急倾斜煤层采空塌陷区相似模型试验黄昌富;迟大祥;田书广;丁银平;常聚才【摘要】地铁线路穿越煤矿采空塌陷区问题为中国首例,因此进行急倾斜煤层开采岩移基本规律和地铁荷载作用下塌陷区及侧壁围岩稳定性研究具有重要意义.运用相似模型试验方法,模拟开采两组急倾斜特厚煤层,并用数码相机记录开采及加载过程中岩层破断及移动形态.试验反映了急倾斜煤层开采中垮落带形态、裂隙带形成与发展和地表移动特征等共性;此外,分别以顶底板移动角、边界角,表土层移动角、边界角参数计算煤层开采覆岩破坏边界范围,并以此划分不稳定区、基本稳定区和稳定区;考虑地铁及建筑荷载下,塌陷区破断岩体有闭合压实现象,地表最大下沉量为4~5 cm,顶板侧壁不稳定围岩最大离层量2 cm.所得结果对指导现场地铁线路穿越煤层采空塌陷区具有一定的参考意义.【期刊名称】《科学技术与工程》【年(卷),期】2018(018)031【总页数】6页(P58-63)【关键词】相似模型试验;岩层移动;急倾斜煤层;地铁荷载【作者】黄昌富;迟大祥;田书广;丁银平;常聚才【作者单位】北京科技大学土木与资源工程学院,北京100083;中铁十六局集团有限公司,北京 100018;北京科技大学土木与资源工程学院,北京100083;中铁十六局集团有限公司,北京 100018;中铁十六局集团地铁工程有限公司,北京 100029;安徽理工大学能源与安全学院,淮南232001【正文语种】中文【中图分类】TU457地铁线路穿越急倾斜特厚煤层采空塌陷区问题为中国首例,据不完全统计,中国煤矿采空区的分布十分广泛,每年有将近1亿m2的地表由于煤矿采空区的失稳破坏而形成塌陷槽[1]。
研究表明[2]急倾斜煤层开采岩层破坏、移动具有其特殊性和复杂性。
众多学者[3—5]应用相似模型实验研究了急倾斜煤层开采岩移基本特征,然而将实验结果和工程实际相结合的研究甚少。
因此,运用相似物理模型试验,研究急倾斜煤层开采垮落带形态、裂隙带的形成与发育及地表移动特征,并以模型中反映出的顶底板及表土层的移动角和边界角计算覆岩破坏范围;待岩移稳定后在模型表面施加地铁及建筑荷载,观察及监测地铁及建筑荷载下不稳定区域发展变化规律。
煤矿地表移动与覆岩破坏规律及其应用煤矿地表移动与覆岩破坏是煤矿开采过程中不可避免的问题,对煤矿生产和安全造成了很大的影响。
因此,研究煤矿地表移动与覆岩破坏规律及其应用具有重要的理论和实践意义。
一、煤矿地表移动规律煤矿地表移动是指在煤矿开采过程中,由于煤层采空引起的地表下沉和变形。
煤矿地表移动的规律主要受到以下因素的影响:1. 煤层厚度和倾角:煤层厚度和倾角越大,地表移动越明显。
2. 采煤方法:不同的采煤方法对地表移动的影响也不同。
如采用长壁采煤法,地表移动范围较大;采用短壁采煤法,地表移动范围较小。
3. 采煤深度:采煤深度越深,地表移动越大。
4. 煤层岩性:煤层岩性越硬,地表移动越小。
二、煤矿覆岩破坏规律煤矿覆岩破坏是指在煤矿开采过程中,由于煤层采空引起的覆岩破坏。
煤矿覆岩破坏的规律主要受到以下因素的影响:1. 覆岩厚度和倾角:覆岩厚度和倾角越大,覆岩破坏越明显。
2. 采煤方法:不同的采煤方法对覆岩破坏的影响也不同。
如采用长壁采煤法,覆岩破坏范围较大;采用短壁采煤法,覆岩破坏范围较小。
3. 采煤深度:采煤深度越深,覆岩破坏越大。
4. 覆岩岩性:覆岩岩性越软,覆岩破坏越大。
三、煤矿地表移动与覆岩破坏的应用煤矿地表移动与覆岩破坏的研究不仅有助于了解煤矿开采过程中的地质灾害,还可以为煤矿生产提供科学依据。
具体应用如下:1. 煤矿规划:在煤矿规划中,需要考虑地表移动和覆岩破坏的影响,以避免对周围环境造成不良影响。
2. 煤矿安全:煤矿地表移动和覆岩破坏会对煤矿安全造成威胁,因此需要采取相应的安全措施。
3. 煤矿开采:在煤矿开采过程中,需要根据地表移动和覆岩破坏的规律,选择合适的采煤方法和采煤深度,以减少地质灾害的发生。
总之,煤矿地表移动与覆岩破坏规律及其应用是煤矿开采过程中的重要问题,需要加强研究,以保障煤矿生产和安全。
再谈开采影响下的山区地表移动规律与变形预计孔祥生(太原理工大学,太原,030024)【摘 要】本文在分析现有山区地表移动规律和变形预计入手,根据采深与影响半径和水平移动系数构成的函数关系进行山区地表移动与变形的预计,给出了具体预计公式,并利用实例进行了验证,得出了山区地表移动与变形规律。
【关键词】开采影响 地表移动 变形预计 开采沉陷的研究始于欧洲一些采煤较早的国家,但因这些国家的煤田大多位于平原或丘陵地带,所以其沉陷预计公式的建立都是以平地为基础的。
到本世纪八十年代末,美国和英国的学者开始注意到了山区问题,但尚未发表系统的研究成果。
我国有三分之一的煤矿位于山区,从五十年代起就建立了较多的地表移动观测站,系统的研究成果的出现是始于八十年代初。
目前,用于山区地表移动与变形预计的方法主要有三种。
1、山区概率积分法:颜荣贵教授根据影响半径r(x,y,z)=(Ho-f(x,y))/tgb随点的位置的变化而变化,并依据直线传播原理,以平地概率积分法为基础,推导出山区地表移动与变形预计公式。
以平面问题中半无限开采条件下沉和水平移动公式为例得出预计公式如下:W=(x,z)=W m a x*[er f(c Xr(x,z))+1],U(x,z)=U max*exp[-c X2r2(X,Z)]r(x,z)=R o-tga*x/tgb式中a为地表点与坐标原点联线与水平面的夹角式中tgb为主要影响角正切式中R o为坐标原点处地表点的主要影响半径其它开采条件下的移动与变形预计公式,可按与平地概率积分法相同的方法求出,本文略去。
2、采动应力应变分析法:刘广容教授从力学的角度研究表土层滑移问题,根据表土层采动受力的弹塑性性质,导出了山区地表附加移动与变形预计的计算公式,其原理如图f ig.1 将等厚表土采动影响部分划分为若干块段,块段Ai 在采动下滑力Si 的作用下沿下坡方向发生的压缩水平变形可表示为:X o j =[∑n i =j +1W i tg h l i-1+l i 2-∑j -1i=1W i tg h l i-1+l i 2]K 5r 由X o j 即可计算附加水平和下沉移动分量: △u j =X o j l j △W j =△u j tgh k ——为山区地表移动系数 h ——为地表倾角 r ——为主要影响半径将滑动附加移动变形值与以平地预计法求得的相应移动变形值取代数和,便可求出山区地表移动变形预计值。
2010年《开采损害学实验》一、实验名称:蒲白矿务局马村矿西固镇下煤层开采二、实验目的:本次实验以马村矿西固镇下煤层开采为模拟对象,本次实验的主要目的是测定煤柱所受压力及其煤柱的稳定性和地表的沉陷情况。
三、主要实验仪器、设备XKY021型应变桥智能数据采集仪,电脑,YHD-50型位移计,BW型箔式微型压力盒,数据转换仪,P20R-17型预调平衡箱,YJD-17型静动态电阻应变仪四、实验模型采用的相似条件及原理⑴相似条件根据模拟开采长度和煤层的埋深,本次的实验采用3m长,2.5m高,20cm宽的模型架。
模拟煤层的埋深为238.7m,从地表至煤层底板共29个岩层,其中有些岩层厚度较小或有的岩层和相邻岩层的岩性相近按同一岩层计算,模型比例1:150,模型顶板高度为1.6m。
⑵模型材料的配比原理模型材料配比的理论根据是相似三大定律。
其中运动学相似在本次模拟中很显然满足,不再加以赘述。
根据以上要求,本次实验所采用的主要材料如下:主料砂;辅料大白粉、熟石膏、云母、水,其中煤层的配比时要加入粉煤灰。
由于模型材料的主料是砂,辅料占比重较少,不影响模型材料的比重,所以,除煤层外,其它各层的比重均按1600kg/m3计算。
根据以上相似比计算公式和各岩层的岩石物理力学性质,可计算出模拟实验各岩层相似材料配比具体见表1。
表1 模拟实验各岩层相似材料配比注:其中煤的配比中,需加入17.28kg的粉煤灰五、模拟实验现象及数据分析⑴实验现象在开采过程中下沉数据和煤柱应力的记录应考虑气温的变化所引起的模型支架钢梁的伸缩对测量数据的影响,所以本次实验规定在中上午11:00记录数据,且在开采过程中记录模型岩层所发生的变化。
⑵数据分析模拟实验数据分析,可分为两大部分,煤柱稳定性、煤柱所受应力分析和地表沉陷分析。
通过分析确定煤柱的稳定性、分布的合理性及控制覆岩变形破坏程度的能力。
①煤柱稳定性、煤柱所受应力数据分析煤柱应力采用两组共10个应变块测定,采用应变桥智能数据采集仪采集,以数据库的形式保存。
多煤层重复采动覆岩“两带”高度探测技术研究高振宇闫江平庞长庆(国家能源集团神东煤炭公司布尔台煤矿,内蒙古鄂尔多斯,017209)摘要:为准确判识多煤层重复采动条件下覆岩“两带”发育高度,选取布尔台煤矿典型工作面,采用钻孔冲洗液漏失量观测、彩色钻孔电视成像及“井-地”联合微震监测综合探测技术,并通过相似模拟实验研究,综合判定42煤重复采动条件下,垮落带高度为34.7m 、裂隙带高度为158.5m 。
根据实测数据,拟合回归提出了多层煤重复采动条件下,覆岩“两带”高度计算公式,并利用计算得出42煤重复采动垮落带高度为32.7m 、裂隙带高度为158.7m ,与实测值基本吻合,对比验证了拟合公式的准确适用性。
关键词:重复采动垮落带导水裂隙带彩色钻孔电视微震监测中图分类号:TD325文献标识码:A 文章编号:2096-7691(2020)07-033-06作者简介:高振宇(1984-),男,工程师,2008年毕业于西安科技大学地质工程专业,现任职于国家能源集团神东煤炭公司布尔台煤矿,主要从事煤矿水害及矿压防治工作。
Tel:151****6014,E-mail:****************煤层开采后,采空区上覆岩层势必发生变形和破坏,形成明显的“三带”形态,从下往上依次是垮落带、导水裂缝带和弯曲下沉带。
其中,垮落带和裂缝带(简称“两带”),合称导水裂隙带,是顶板含水层威胁工作面的主要导水通道。
随着矿井水平延深,一些煤矿已经进入上组煤采空区之下开采,或者实行上、下两煤层联合开采。
下组煤开采导致覆岩破坏产生的裂隙导通上组煤层采空区积水,另外,下组煤重复采动,形成的复合导水裂隙带高度可能大于上组煤一次采动导水裂隙带高度,进而导通上组煤采空区上部含水层,极大地影响下组煤的开采。
因此,多煤层重复采动覆岩的“两带”发育规律亟需深入研究。
近年来,众多学者及工程技术人员通过现场实测、理论分析、物理相似模拟、数值模拟、地球物理探查、微震监测等方法对覆岩“两带”发育规律进行了总结研究,取得了丰硕的成果[1-14]。
煤矿开采地表沉降与岩石移动规律的观测研究发布时间:2022-07-24T05:54:30.781Z 来源:《工程管理前沿》2022年第3月5期作者:陈亮[导读] 本文从煤矿开采对地表移动的观测、对岩层移动钻孔的观测陈亮(淮北矿业股份有限公司临涣煤矿,安徽淮北 235136)摘要:本文从煤矿开采对地表移动的观测、对岩层移动钻孔的观测、地表和岩层变形预计参数的确定,以及综合观测运用实例等几方面的分析,进而可确定开采工作面地面沉陷量和岩移的规律等参数。
又可进一步为本矿开采地面塌陷沉降和岩石移动规律提供参考数据,并为全面合理、安全开采和地面沉陷建筑物保护奠定基础。
关键词:煤矿开采;地表沉陷;岩层移动;观测研究引言:煤矿开采期间,由于挖掘与采出破坏了周围岩体内部的原始应力平衡,致使岩层产生移动、变形和破坏。
随着大面积的不断开采,进而造成地表出现沉陷。
为实时测量沉陷情况,可在回采工作面上建立地表岩层移动观测站,通过收集实测所得的各类数据,根据原有的矿井地质资料再经科学系统的研究分析,进而可以确定岩层与地表变形的预计参数,以便为地面建筑物的保护和井下生产提供可靠的技术数据。
1.对地表移动的观测对于地表移动的观测,可以先设置观测站,再开展观测工作与资料的整理。
①设置地表观测站:这分三种:回采单一工作面、回采多个工作面和网状观测站。
②观测工作:在观测站设置10d后,就可开展具体观测工作。
一是连接观测。
根据地面控制网和观测站具体位置情况,并按照《规程》对近井点的测量要求,可用敷设经纬仪导线的方法进行。
测定观测线一个控制点的平面坐标与高程,其余的控制点则按5s导线侧角方法侧角和观测线边长丈量的结果求得。
二是全面测量。
内容有各测点的水准测量、测点间距离的丈量和测点偏离观测线的支距测量。
在测量过程中,要进行多次的全面测量,间隔时间可参照下式计算得出。
另外,要在地表移动前和稳定后分别进行两次全面测量。
三是巡视测量。
为确定地表移动与稳定的时间,要进行局部水准测量。
多煤层开采覆岩移动及地表变形规律的相似模拟实验研究张志祥;张永波;赵志怀;张利民【摘要】以离石-军渡高速公路下伏康家沟煤矿采矿地质条件为原型,采用相似材料模拟实验方法,对多煤层开采引起的覆岩移动及地表变形规律进行了研究.相似模拟实验结果表明:多煤层开采条件下,随着煤层累计采厚的增加,采空区"三带"覆岩下沉量和采空区地表沉降量、地表倾斜变形、地表水平位移及地表曲率变形都呈增大趋势,采空区上覆岩体更加破碎,地表变形更加强烈.研究成果可为高速公路下伏多煤层采空区的治理设计提供依据.%Taking geological conditions of Kangjiagou coal mine under Lishi-Jundu freeway as a prototype, similar material simulation was carried out for examining the behavior of overlying rock movement and surface deformation with multi-coal seam mining. The results show that under the condition of multi-coal seam mining, with the increase of total thickness of coal seam, the overlying rock subsidence of three zones of gob and surface subsidence, surface lean deformation, surface level movement, surface curvature deformation all show an increasing tendency, the overlying rock of gob is more broken, the surface deformation is more intense. The results provide the basis for the treatment design of gob with multi-coal seam under freeway.【期刊名称】《水文地质工程地质》【年(卷),期】2011(038)004【总页数】5页(P130-134)【关键词】多煤层开采;覆岩;相似模拟;采空区;变形【作者】张志祥;张永波;赵志怀;张利民【作者单位】太原理工大学水利科学与工程学院,太原,030024;太原理工大学水利科学与工程学院,太原,030024;太原理工大学水利科学与工程学院,太原,030024;山西省交通设计研究院,太原,030012【正文语种】中文【中图分类】TD325.+2煤炭开采过程中产生的一系列覆岩移动及地表变形规律,受到了学者们的高度重视,如刘秀英等[1]采用相似模拟实验研究了辛置煤矿2204工作面采空区覆岩的移动规律;刘瑾等[2]进行了采深和松散层厚度对开采沉陷地表移动变形影响的数值模拟研究;孙光中等[3]采用数值模拟和相似材料模拟对巨厚煤层开采覆岩运动规律进行了研究。
厚煤层膏体分层充填开采地表移动变形规律研究
焦方树;张新国;范亚奇
【期刊名称】《煤炭技术》
【年(卷),期】2024(43)5
【摘要】为探究厚煤层膏体分层充填开采地表移动变形规律,以古城煤矿1305工作面为研究对象,采用理论分析、参数计算及地表下沉预计等方法,基于等价采高理论建立了适用于膏体充填开采的等价采高模型,修正了非充分采动条件下的膏体充填开采预计参数,预计并揭示了厚煤层膏体分层充填开采后的地表移动参数变化规律。
结果表明:膏体分层充填开采后地表最大下沉值270 mm,地表建筑物损坏等级在Ⅰ级允许变形以内,保证了地表建筑物的正常使用,为类似膏体充填后地表沉陷预测提供借鉴。
【总页数】5页(P24-28)
【作者】焦方树;张新国;范亚奇
【作者单位】山东科技大学能源与矿业工程学院;山东科技大学矿山灾害预防控制省部共建国家重点实验室培育基地
【正文语种】中文
【中图分类】TD823.7;TD823.2
【相关文献】
1.膏体充填开采围岩变形及地表移动实验模拟研究
2.特厚煤层重复开采覆岩与地表移动变形规律研究
3.厚煤层留巷分层膏体充填开采技术研究
4.上分层充填开采地表移动变形规律数值模拟研究
5.厚煤层分层膏体充填开采技术研究
因版权原因,仅展示原文概要,查看原文内容请购买。
1.东峡煤矿大倾角坚硬易燃特厚煤层群综合机械化放顶煤开采技术相似材料模拟实验①地质资料东峡煤矿在37215-2工作面采用综合机械化放顶煤技术对煤6-2中进行开采,该工作面位于1140-1075阶段的1075北一机运石门以南至1075南三机运石门以南330m段。
工作面倾斜上部为34211-5、34213-4工作面采空区,顶部为37215-1工作面采空区,其北部为37214-2回采工作面。
倾斜下部未采动。
37215-2工作面地面标高1460~1540m,工作面标高为1141~1088m。
37215-2工作面走向长度为1134~1103m,平均1118.5m;倾斜长度95~110m,平均105m,煤层倾角32o~47o,其中倾角大于35o的区域占工作面总长度的89.6%。
37215-2工作面煤层厚度11.4~7.83m,平均9.98m,煤层中含1~2层夹矸,夹矸厚度0.07~0.30m,以灰色泥岩、泥质粉砂岩、粉砂质泥岩为主,煤以半亮型半暗型为主,暗煤、亮煤次之,煤质较优。
工作面直接顶为炭质泥岩和粉砂岩,岩性松软,厚度为4.31~0.20m,平均1.81m;工作面直接底为炭质泥岩和粉砂质泥岩,厚度0.9~0.07m,平均0.52m。
工作面水文地质条件简单,顶板微含水,回采中局部会有滴水、淋水现象,最大涌水量10m3/h,正常涌水量4m3/h。
实验涉及的主要煤层包括煤6-1下,煤6-2上,煤6-2中,煤岩层参数特征详见图。
图1.1 煤层综合柱状图②材料配比相似材料配比(1:200)2.贵州竹林煤矿高瓦斯突出极软大倾角煤层综采技术可行性研究相似模拟实验矿区内的煤系为二叠系上统龙潭组。
煤系地层中含煤15~22层,可采煤层五层,即1、7、17、18和19号层,局部可采煤层三层,即3、16和30号层。
煤层倾角38°~56°,一般50°左右。
可采煤层平均总厚度为8.51m,两极厚度为2.98~17.20m。
Vol.38No.4Jul.2011水文地质工程地质HYDROGEOLOGY &ENGINEERING GEOLOGY 第38卷第4期2011年7月多煤层开采覆岩移动及地表变形规律的相似模拟实验研究张志祥1,张永波1,赵志怀1,张利民2(1.太原理工大学水利科学与工程学院,太原030024;2.山西省交通设计研究院,太原030012)摘要:以离石—军渡高速公路下伏康家沟煤矿采矿地质条件为原型,采用相似材料模拟实验方法,对多煤层开采引起的覆岩移动及地表变形规律进行了研究。
相似模拟实验结果表明:多煤层开采条件下,随着煤层累计采厚的增加,采空区“三带”覆岩下沉量和采空区地表沉降量、地表倾斜变形、地表水平位移及地表曲率变形都呈增大趋势,采空区上覆岩体更加破碎,地表变形更加强烈。
研究成果可为高速公路下伏多煤层采空区的治理设计提供依据。
关键词:多煤层开采;覆岩;相似模拟;采空区;变形中图分类号:TD325.+2文献标识码:A 文章编号:1000-3665(2011)04-0130-05收稿日期:2010-07-13;修订日期:2010-10-28基金项目:国家自然科学基金资助项目(30470269)作者简介:张志祥(1970-),男,硕士,讲师,主要从事工程地质和岩土工程方面的教学和研究工作。
E-mail :zhangzx666666@126.com煤炭开采过程中产生的一系列覆岩移动及地表变形规律,受到了学者们的高度重视,如刘秀英等[1]采用相似模拟实验研究了辛置煤矿2204工作面采空区覆岩的移动规律;刘瑾等[2]进行了采深和松散层厚度对开采沉陷地表移动变形影响的数值模拟研究;孙光中等[3]采用数值模拟和相似材料模拟对巨厚煤层开采覆岩运动规律进行了研究。
以上研究主要是针对单一煤层开采进行的,得出了许多有益的经验与结论,为指导单煤层开采及采空区地基处理等提供了参考。
近年来,随着我国煤炭开采强度的增大及开采深度的增加,许多矿区形成了多煤层采空区。
由于我国土地资源有限,许多高速公路不可避免地要通过多煤层采空区,在建设过程中,有可能使原本相对稳定的采空区覆岩平衡遭到破坏,地表再次产生沉陷变形,危及公路的安全。
由于单煤层开采覆岩移动及地表变形规律不同于多煤层开采,加上各地采矿地质条件的差异,其成果对于多煤层来说,就失去了普适性。
因此,研究多煤层开采覆岩移动及地表变形规律对保护高速公路的安全有重要的意义。
已有学者对多煤层开采给予关注,并取得一定成果。
李全生等[4]利用相似材料模拟和数值模拟研究了多煤层开采相互采动的影响规律,为煤柱留设及确保巷道安全提供了参考;夏筱红等[5]进行了多煤层开采覆岩破断过程的模型试验与数值模拟研究,为安全回收煤炭资源提供了依据。
二者都是以指导采煤为目的,对高速公路下伏多煤层覆岩移动研究有一定的借鉴,但由于没有考虑采空区的地表变形,不便于具体指导高速公路下伏采空区治理。
目前,高速公路下伏多煤层开采覆岩移动及地表变形规律研究成果仍然很少。
为确保高速公路的安全,非常有必要开展这项研究。
离石—军渡高速公路LK21+340 LK21+900段通过康家沟煤矿采空区,该矿主要开采4号、5号和10号煤层。
本文采用相似材料模拟实验方法,对康家沟煤矿多煤层开采覆岩移动及地表变形规律进行了研究,以期为高速公路下伏多煤层采空区治理设计提供依据。
1研究区地质概况研究区位于吕梁山脉中段西侧黄土丘陵区,地表由黄土覆盖。
地层自上而下为第四系、二叠系和石炭系,简述如下:(1)第四系中更新统离石组(Q 2l ):分布于塬、梁、峁及冲沟两侧,为风积及冲积形成,岩性以黄土为主,棕黄色、浅棕红色亚粘土,夹数层棕色古土壤层、钙质结核层及透镜状砂卵石层,硬塑-坚硬状态,柱状节理发育,多层结构类型。
厚20 50m 。
(2)二叠系上统上石盒子组(P 2s ):岩性为灰绿、黄绿、灰紫色页岩与灰绿色长石石英杂砂岩互层,由下向上紫色页岩逐渐增多,浅黄、灰黄、浅灰色中细砂岩和泥岩组成。
其底部标志层岩性为紫红色、灰黄色铝土质鲕粒泥岩,含丰富的铁锰质。
本组厚度约390m 。
第4期水文地质工程地质·131·(3)二叠系下统山西组(P1s):下部为灰黑色炭质页岩、砂质页岩、粉砂岩夹中厚层细粒石英杂砂岩、长石岩屑砂岩及煤层(4号、5号)。
上部为灰褐色砂质泥岩夹长石石英砂岩及煤线。
4号、5号为主采煤,厚度分别为2m和3m。
本组厚度约50m。
(4)石炭系上统太原组(C3t):底部为山西式铁矿,下部为鲕状铝质泥岩及致密块状铝质粘土岩,中部为灰黑色泥岩、粘土岩、砂质页岩,夹中细粒石英杂砂岩,透镜状含生物碎屑灰岩及煤层(8号、9号、10号),为可采煤,以10号煤为主,局部合并,10号煤层厚5m,上部为三层厚层状灰岩夹泥质粉砂岩、页岩、长石石英杂砂岩及薄煤层。
本组厚度约105m。
2实验模型设计采用2.6mˑ4.43m的平面相似模拟实验架进行多煤层(三层)开采模拟实验。
由于模型实验架高度的限制,在保证4号煤层以上岩层与实际岩层相似的前提下,对4号、5号和10号煤层之间的间隔做出适当调整。
在实际岩层中,4号和5号煤层间的泥质砂岩厚度为8 15m,5号和10号煤层间的泥岩厚度为23 38m。
经过调整后,模型中4号和5号煤层间的泥质砂岩厚度为5m,5号和10号煤层间的泥岩厚度也为5m。
实际煤层倾角只有4ʎ,模型中按水平煤层考虑。
按照相似原则,几何相似常数αl通常取在100 200之间,考虑到实验模拟断面高240m,而模型实验架高2.6m,因此取几何相似常数αl=100。
原型中的岩层多为泥岩、细砂岩,根据以往经验,容重相似常数取为αγ=1.5。
根据相似指标,可得应力相似常数ασ=αlˑαγ=150,时间相似常数为αt=10。
模型设计高度2.4m,长4.43m,宽0.3m。
在康家沟煤矿采区进行了钻孔取芯,经室内实验,得到了采区范围内岩土力学性质指标,然后根据模拟实验选取的相似常数,经计算得到模型相似材料主要参数(表1)。
本次相似模拟材料选取石英砂、河砂、云母做骨料,石灰、石膏做胶结材料,硼砂做缓凝剂。
根据阜新矿业学院对石膏相似材料配方所做实验结果,选择实验相似材料的配方及配比,见表1。
表1模型相似材料主要参数Table1Parameters of similar material of the model编号岩层名称厚度(cm)容重γ(kN/m3)单轴抗压强度σc(MPa)抗拉强度σt(MPa)泊松比μ配比号1松散层20-----2砂岩14.62 1.688.480.280.18755 3砂质泥岩14.28 1.69 6.350.040.50377 4细粒砂岩7.5 1.727.560.330.35855 5砂质泥岩23.9 1.69 5.070.100.19437 6泥岩16.31 1.67 5.980.090.35337 7砂质泥岩14.19 1.697.120.170.30855 8砂岩19.2 1.64 6.270.270.18328 9泥岩18 1.697.970.100.41755 10泥质砂岩22 1.68 2.690.170.25337 11中砂岩18.6 1.67 6.170.290.28855 12泥岩12.9 1.717.010.270.35755 134号煤20.91 3.030.060.33637 14泥质砂岩5 1.688.100.240.38337 155号煤30.93 6.390.270.32464 16泥岩5 1.71 5.980.090.35755 1710号煤50.93 3.030.060.33464 18泥岩20 1.717.120.170.30755模型实验中各煤层开采宽度均为2m,开采方法为走向长壁全陷落法开采。
模拟开采时首先开采上部4号煤层,接着开采5号煤层,最后开采10号煤层。
模型实验装置见图1。
在岩层中设置10排位移观测点,每排21个,同排观测点水平等距布设,间距为20cm。
实验中用DTM-501系列全站仪对多煤层开采覆岩移动及地表变形情况进行观测。
3实验结果及分析3.1采空区“三带”覆岩移动变形规律·132·张志祥,等:多煤层开采覆岩移动及地表变形规律的相似模拟实验研究2011年图1模型实验装置图Fig.1Experimental apparatus of the model图2、3、4分别为模型4号、5号和10号煤层开采结束后采空区“三带”覆岩下沉曲线。
由图2可以看出,4号煤层开采结束后,上覆岩层冒落带、裂隙带及弯沉带的最大下沉量分别为1.72,1.46,0.84m。
经计算,冒落带、裂隙带及弯沉带的下沉系数分别为0.86,0.73,0.42,碎胀系数分别为1.028,1.012,1.011。
由图3可以看出,5号煤层开采结束后,上覆岩层冒落带、裂隙带及弯沉带的最大下沉量分别为4.84,3.40,1.95m。
经计算,冒落带、裂隙带及弯沉带的下沉系数分别为0.968,0.68,0.39,碎胀系数分别为1.106,1.033,1.032。
由图4可以看出,10号煤层开采结束后,由于受前两次采动的影响,弯沉带以下覆岩体全部冒落,不存在裂隙带,冒落带和弯沉带的下沉量分别为8.70m和3.60m。
经计算,冒落带和弯沉带的下沉系数分别为0.87和0.36,碎胀系数分别为1.13和1.054。
以上情况表明,在多煤层开采条件下,采空区“三带”的覆岩下沉量逐渐增大,冒落带的下沉系数呈现出先增大后减小的特点,裂隙带和弯沉带的下沉系数则呈现逐渐减小特点,说明随着煤层开采总厚度的增加,受上覆岩层拱形结构的作用,裂隙带和弯沉带的岩层保持了一定程度的相对稳定,没有明显的下沉和跨落,主要表现为弯曲变形。
另外,随着煤层开采总厚度的增加,采空区“三带”的覆岩碎胀系数呈增大特点,说明多煤层采动造成采空区上覆岩体更加破碎,这与图5所示的多煤层开采结束后模型覆岩体垮落情况相符。
3.2采空区地表变形规律3.2.1地表沉降量由图6可见,4号煤开采结束后,地表的下沉量不大,最大下沉量为0.132m;5号煤开采结束后,地表下沉量进一步增加,最大下沉量为1.56m;10号煤开采图24号煤开采后采空区“三带”下沉曲线Fig.2Subsidence curve of three zones ofgob of No.4seam图35号煤开采后采空区“三带”下沉曲线Fig.3Subsidence curve of three zones ofgob of No.5seam图410号煤开采后采空区“三带”下沉曲线Fig.4Subsidence curve of three zones ofgob of No.10seam结束后,地表下沉量达到最大,其值为1.94m。