弱电CAD符号大全(是CAD文件资料)
- 格式:doc
- 大小:810.19 KB
- 文档页数:10
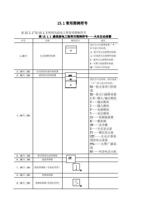
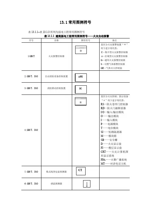
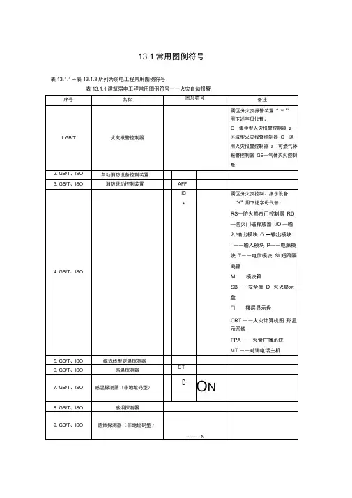
13.1常用图例符号表13.1.1~表13.1.3所列为弱电工程常用图例符号表13.1.1建筑弱电工程常用图例符号一一火灾自动报警8. GB/T、ISO 感烟探测器9. GB/T、ISO 感烟探测器(非地址码型)10. GB/T、ISO 感烟探测器(防爆型)EX11. GB/T、ISO 感光火灾探测器12. GB/T、ISO 气体火灾探测器(点式)13. GA/T 复合式感烟感温火灾探测器14.GA/T 复合式感光感烟火灾探测器15 GA/T 点型复合式感光感温火灾探测器16. GA/T 线型差定温火灾探测器17. ZBC、GA/T线型光束感烟火灾探测器(发射部分)as 18. ZBC、GA/T线型光束感烟火灾探测器(接收部分)19. GA/T 线型光束感烟感温火灾探测器(发射部分)20. GA/T 线型光束感烟感温火灾探测器(接收部分)注:K 空调机电控箱P 一排烟或排风机电控箱J ――正压送风机或进风机 电控箱XFB ――消防泵电控箱 PLB ――喷淋泵电控箱38.39.防火阀(280 C 熔断关闭)28040.防烟防火阀(24V 控制,280 C熔断关闭)41. 排烟防火阀42. 增压送风口43. 排烟口SE44. GB/T 、ISO 应急疏散指示标志灯 EEL45. GB/T 、ISO 应急疏散指示标志灯(向右)EELk46. GB/T 、ISO 应急疏散指示标志灯(向左)EEL 47. GB/T 、ISO 应急疏散照明灯EL48. GB/T 、ISO 消火栓49. GB/T 、ISO 配电箱(切断非消防电源用)50. 电控箱(电梯迫降) LT52.紧急启、停按钮51.电控箱。
13.1常用图例符号表13.1.1~表13.1.3所列为弱电工程常用图例符号
表13.1.1 建筑弱电工程常用图例符号——火灾自动报警
页脚内容1
页脚内容2
页脚内容3
页脚内容4
页脚内容5
页脚内容6
页脚内容7
页脚内容8
页脚内容9
页脚内容10
表13.1.2 建筑弱电工程常用图例符号——公共广播
页脚内容11
页脚内容12
页脚内容13
页脚内容14
页脚内容15
表13.1.3建筑弱电工程常用图例符号——电视系统
页脚内容16
页脚内容17
页脚内容18
页脚内容19
页脚内容20
页脚内容21
页脚内容22
30.光发射机
31.光接收机
32.GB光电转换器
33.GB电光转换器
表13.1.4建筑弱电工程常用图例符号——电话通信系统
序号名称图形符号备注1.建筑群配线架
页脚内容23
页脚内容24
页脚内容25
页脚内容26
页脚内容27
页脚内容28
页脚内容29
页脚内容30
弱电布线施工方案
页脚内容31。
与弱电有关的建筑电气图例之迟辟智美创作序图形符号说明号设备监控、中高压监控接线相关1 开关(机械式).2 多级开关一般符号单线暗示.3 多级开关一般符号多线暗示.4 接触器(在非举措位置触点断开).5 接触器(在非举措位置触点闭合).6 负荷开关(负荷隔离开关)7 具有自动释放功能的负荷开关.8 熔断器式断路器.9 断路器10 隔离开关11 熔断器一般符号12 跌落式熔断器13 熔断器式开关14 熔断器式隔离开关15 熔断器式负荷开关16 当把持器件被吸合时延时闭合的动合触点.17 当把持器件被释放时延时闭合的动合触点.18 当把持器件被释放时延时闭合的动断触点.19 当把持器件被吸合时延时闭合的动断触点.20 当把持器件被吸合时延时闭合和释放时延时断开的动合触点.21 按钮开关(不闭锁).22 旋钮开关、旋转开关(闭锁).23 位置开关,动合触点限制开关,动合触点24 位置开关,动断触点限制开关,动断触点25 热敏开关,动合触点注:θ可用举措温度取代26 热敏自动开关,动断触点27 具有热元件的气体放电管荧光灯起动器28 动合(常开)触点注:本符号也可用作开关一般符号29 动断(常闭)触点30 先断后合的转换触点31 当把持器件被吸合或释放时,暂时闭合的过渡动合触点32 座(内孔的)或插座的一个极33 插头(凸头的)或插头的一个极34 插头和插座(凸头的和内孔的)35 接通的连接片36 换接片37 双绕组变压器38 三绕组变压器39 自耦变压器40 电抗器扼流图41 电流互感器脉冲变压器42 具有两个铁芯和两个二次绕组的电流互感器43 在一个铁芯上具有两个二次绕组的电流互感器44 具有有载分接开关的三相三绕组变压器,有中性点引出线的星形-三角形连接45 三相三绕组变压器,两个绕组为有中性点引出线的星形,中性点接地,第三绕组为开口三角形连接46 三相变压器星形-三角形连接47 具有有载分接开关的三相变压器星形-三角形连接48 三相变压器星形-曲折形连接49 把持器件一般符号50 具有两个绕组的把持器件组合暗示法51 热继电器的驱动器件52 气体继电器53 自动重闭合器件54 电阻器一般符号55 可变电阻器可调电阻器56 滑动触点电位器57 预调电位器58 电容器一般符号59 可变电容器可调电容器60 双联同调可变电容器61 指示仪表(星号必需按规定予以代表)62 电压表63 电流表64 无功电流表65 最年夜需量指示器(由一台积算仪表把持的)66 无功功率表67 功率因素表68 频率表69 温度计、高温计(θ可由t取代)70 转速表71 积算仪表、电能表(星号必需按规定予以取代)72 安培小时计73 电能表(瓦特小时表)74 无功电能表75 带发送器电能表76 由电能表把持的遥测仪表(转发器)77 由电能表把持的带有打印器材的遥测仪表(转发器)78 屏、盘、架一般符号注:可用文字符号或型号暗示设备名称79 列架一般符号80 人工交换台、中断台、丈量台、业务台等一般符号81 总配线架82 中间配线架83 走线架、电缆走道84 空中上明装走线槽85 空中下暗装走线槽86 交流母线87 直流母线88 装在支柱上的封闭式母线89 母线伸缩接头90 中性线91 呵护线92 呵护和中性共用线93 具有呵护和中性的三相配线94 滑触线95 地下线路96 架空线路97 管道线路98 多孔(如6孔)管道线路99 具有埋入地下连接点的线路100 水下线路101 沿建筑物明敷设通信线路102 沿建筑物暗敷设通信线路103 电气排流电缆104 挂在钢索上的线路105 用单线暗示的多回线路(或电缆管束)106 导线、导线组、电路线路、母线一般符号107 三根导线108 四根导线109 事故照明线110 50V及其以下电力及照明线路111 控制及信号线路(电力及照明用)112 原电池或蓄电池113 原电池组或蓄电池组114 带抽头的原电池组或蓄电池组115 接地一般符号116 接机壳或接底板117 无噪声接地118 呵护接地119 等电位120 电缆终端头消防相关123 控制和指示设备124 报警启动装置(点式-手动或自动) 125 线型探测器126 火灾报警装置127 热128 烟129 易爆气体130 手动启动131 电铃132 扬声器133 发声器134 德律风机135 照明信号136 手动报警器137 感烟火灾探测器138 感温火灾探测器139 气体火灾探测器140 火警德律风机141 报警发声器142 有视听信号的控制和显示设备143 在专用电路上的事故照明灯144 自带电源的事故照明灯装置(应急灯) 145 警卫信号探测器146 警卫信号区域报警器147 警卫信号总报警器148 逃生路线,逃生方向149 逃生路线,最终出品150 二氧化碳消防设备辅助符合152 氧化剂消防设备辅助符号153 卤代烷消防设备辅助符号导线的连接46 可装配的端子47 连接点交流器方框符号48 交换器一般符号转换器一般符号49 直流交流器50 整流器51 桥式全波整流器52 逆变器53 整流器/逆变器电力、照明和电信安插插座68 单相插座69 暗装单相插座70 密闭(防水)单相插座71 防爆单相插座72 带呵护触点插座带接地插孔的单相插座73 带接地插孔的暗装单相插座74 带接地插孔的密闭(防水)单相插座75 带接地插孔的防爆单相插座76 带接地插孔的三相插座77 带接地插孔的暗装三相插座78 带接地插孔的密闭(防水)三相插座79 带接地插孔的防爆三相插座80 插座箱(板)81 多个插座(示出3个)82 具有单极开关的插座83 具有隔离变压器的插座84 带熔断器的插座电力、照明和电信安插开关85 开关一般符号86 单极开关87 暗装单极开关88 密闭(防水)单极开关89 防爆单极开关90 双极开关91 暗装双极开关92 密闭(防水)双极开关93 防爆双极开关94 三极开关95 暗装三极开关96 密闭(防水)三极开关97 防爆三极开关98 单极拉线开关99 单极限时开关100 具有指示灯的开关101 双极开关(单极三线)102 调光器变电所室外箱式变电所杆上变电所屏、台、箱、柜的一般符号多种电源配电箱(盘)电力配电箱(盘)照明配电箱(盘)电源切换箱(盘)事故照明配电箱(盘)组合开关箱电铃把持盘吹风机把持盘交流电念头按钮盒立柱式按钮箱风扇一般符号暖风机或冷风机轴流风扇风扇开关电铃交流电钟各灯具一般符号花灯单管荧光灯双管荧光灯三管荧光灯荧光灯花灯组合防爆型光灯投光灯。
弱电CAD符号大全
扬声器
岩石喇叭
烟感探测器
门禁
压电警号
树桩喇叭声光报警箱
燃气泄漏探测
器幕帘式红外
探测器
蘑菇喇叭
电脑主机
主动红外探测器
中继器
硬盘录像机
易燃气体探测器
椅子
巡逻打卡器
巡更站
信息出口
微波被动红外双
监探测器
视频分配器
摄像头
操作台
录像机
红外对射红外探测器接
收
红外探测器发
射
光缆
感应线圈
对讲电话分机
吊装球机
电源变换器电话
带云台彩色摄像机
彩色摄像头
被动红外探测器
壁装球机
会议室半球摄像机
投影机
Camera
传真机
打印机老板间
公位
D01D01
网络Array
数据配线架映照工作位no1×24 of3
门禁系统
Door-02
只要双击Word里的CAD图形,就能自动转为AutoCAD图形。
不过AutoCAD2004以下的版本很可能不能编辑,需要较高版本。
弱电技术支持河北楚天机电科技有限公可弱电图纸符号解释弱电符号含义弱电符号图例弱电图纸符号大全弱电符号标示大旗弱电符号智能化图纸符号弱电系统CAD符号弱电CAD符号标示CAD弱电图纸符号來源:大旗弱电室内插座局地安装高度031VI百度文库•让每个人平等地捉升口我> X1. RVS(2*+TP-5RVB平行多股软线,两根芯线是平行包在护套中的:RVS对绞多股软线•就是将RVB的软芯撕开.对绞.一般用为电话线、音响线(扩音线八0成品外径(宽度X厚度)∕mm :UTP-5五类(非屏蔽•两对)网络线:2. SYWV-75-5-SC15根据字面的意思可理解成型号为SyWV-75-5电视线穿钢管,15应该是钢管的直径。
3. UTP∙6+HPV∙2名理解成六类网线和电话线穿钢管° 2T∙应该是两根两芯平方毫米的电话线,20应该是钢管的直径。
4. ZR-RVS-2A在计•算工程址时一根管对应一根线,是两芯截面的•是一根。
5 ZBN-RVS-4*在计算1:程量时是按几根算,管线是1m,这个是信号线•双狡线。
按一根计算就是询・6消防里的ZR-RVS 2×的RNS的含义是ZR阻燃RVS全称为:铜芯聚氯乙烯绝缘绞型连接用软电线、对绞多股软线,简称双绞线.俗称麻花线。
字母S代表双绞线字僚R代表软线字僚V代表聚氯乙烯(绝缘体)这种线多用于消防火灾自动报警系统的探测器线路7、智能弱电中RVVP 4χ16∕ (4χ2)四芯圆形护套屏蔽电线。
适用12-125RVV2×16/ ( 2× mmS扁型电源线适用2-1877RVS2∙是背虽音乐广播线适用2-18778、RVVP4∙16∕即”4 (芯)乘(平方亳米)屛蔽(聚氮乙烯)护套软线.其中每个字僚的含义如下:女线芯软线(型号中第1位字母∙R).聚氟乙烯绝缘(型号中第2位字母,V),聚氮乙烯护套(熨号中第3位字母∙V),铜软线或镀锡软铜线編织屏蔽(型号中第4位字附P),带绝缘层的线芯数4芯(型号中第5位字僚• 4),缘层内的导体线芯数16芯(型号中第7、8位字母• 16),缘层内的导体线芯直径(型号中第10^-13位字母,)o这个型号完整的应该标为RVVP4T6/,定额“建筑智能化系统设备安装E⅛M12-126或12-132RVVr 16/即“2 (芯)乘(平方亳米)(聚氯乙烯)护套软线”.定额“建筑智能化系统设备安装E^l2-96或12-103RVS2* Hlr2 (芯)乘(平方毫米)(聚氮乙烯)护套双绞软线”,型号中第3位字母S表示双绞型绞。
弱电CAD符号大全
扬声器
岩石喇叭
烟感探测器
门禁
压电警号
树桩喇叭声光报警箱
燃气泄漏探测
器幕帘式红外
探测器
蘑菇喇叭
电脑主机
主动红外探测器
中继器
硬盘录像机
易燃气体探测器
椅子
巡逻打卡器
巡更站
信息出口
微波被动红外双
监探测器
视频分配器
摄像头
操作台
录像机
红外对射红外探测器接
收
红外探测器发
射
光缆
感应线圈
对讲电话分机
吊装球机
电源变换器电话
带云台彩色摄像机
彩色摄像头
被动红外探测器
壁装球机
会议室半球摄像机
投影机
Camera
传真机
打印机老板间
公位
D01D01
网络Array
数据配线架映照工作位no1×24 of3
门禁系统
Door-02
只要双击Word里的CAD图形,就能自动转为AutoCAD 图形。
不过AutoCAD2004以下的版本很可能不能编辑,需要较高版本。