施工图审查费收费标准
- 格式:docx
- 大小:314.99 KB
- 文档页数:1
附件 1:施工图审查服务收费标准一、房屋建筑工程施工图审查单位:元/m 2序号1 2 3 备注工程等大型项中型项目小型项目人防工程施工图审级目查服务费统一按每收费标1.8 1.6 1.5 平方米 4 元收取。
准注: 1、房屋建筑工程施工图审查费调整系数(人防工程除外):( 1)含有抗震设计内容的:抗震设防 6 度 10 层以下为 1.1 ; 6 度 10 层以上和 7 度 10 层以下的为 1.15 ;7 度 10 层以上为 1.2 ;超限高层为 1.40 。
( 2)含有建筑节能设计内容的工程为 1.2 。
2、上述调整系数可以连乘,但总收费不得高于 2 元 / 平方米。
3、绿色建筑施工图专项审查收费:按房屋建筑工程施工图审查收费标准计算所得收费总额的 10% ~ 25% 另外加收,其中一星绿色建筑为 10% ,二星绿色建筑为 15% ,三星绿色建筑为25% 。
4、房屋建筑工程施工图审查收费(不含工程勘察文件审查收费,含绿色建筑施工图专项审查收费)不足 3000 元的按 3000 元收取。
二、市政基础设施工程施工图审查序号工程概算(不含地价)M(万元)收费标准(‰ )1 M≤ 2000 1.22 2000 < M≤ 50000.93 5000 < M≤ 100000.64 10000 < M≤ 1000000.45 100000 < M≤ 5000000.26 M > 5000000.08备注采用分段累计方法计算。
注: 1 、市政基础设施工程施工图审查费调整系数:城市桥梁、隧道以及市政基础设施工程需进行抗震设防专项论证的项目为 1.2 。
2 、市政基础设施工程施工图审查收费不足 2 万元的按 2 万元收取。
三、岩土工程勘察报告审查按房屋建筑工程和市政基础设施工程施工图审查收费标准计算所得收费总额的 10% 收取,不足 1500 元的按1500 元收取。
四、高边坡、深基坑支护等特殊工程的审查收费,由施工图审查机构与建设单位根据工程技术复杂程度,协商确定具体收费标准。
浙江省施工图审查收费标准浙江省施工图审查收费标准是指在浙江省范围内,对施工图纸进行审查所收取的费用标准。
施工图审查是建设工程施工前的重要环节,其质量直接关系到工程的安全和质量。
因此,制定合理的审查收费标准,对于规范施工图审查工作、保障工程质量具有重要意义。
根据浙江省相关规定,施工图审查收费标准主要包括以下内容:一、收费标准的确定。
浙江省根据工程的性质、规模、等级等因素,制定了相应的施工图审查收费标准。
一般来说,工程规模越大、等级越高的项目,审查费用相应地也会更高。
同时,针对不同类型的建设工程,也会有不同的收费标准,以确保收费的公平和合理。
二、收费项目的明细。
施工图审查收费主要包括图纸审查费、技术交底费、备案费等项目。
其中,图纸审查费是施工图审查的主要收费项目,其收费标准一般按照图纸的数量和复杂程度来确定。
技术交底费是指对施工单位进行技术交底时收取的费用,备案费是指对审查通过的施工图纸进行备案的费用。
三、收费标准的调整。
为了适应市场的变化和推动建设工程质量的提升,浙江省会根据实际情况对施工图审查收费标准进行调整。
在调整收费标准时,需要充分考虑市场需求、行业发展和政策法规等因素,确保调整后的收费标准能够更好地满足施工图审查的实际需要。
四、收费标准的执行。
浙江省对施工图审查收费标准的执行进行了明确规定,要求相关部门和机构严格按照规定执行收费标准,不得擅自调整或降低收费标准。
同时,对于收费标准执行中出现的问题,也要及时进行整改和处理,确保收费工作的公平、公正和透明。
总之,浙江省施工图审查收费标准的制定和执行,是为了规范建设工程审查工作、保障工程质量和安全。
只有合理、公平、透明的收费标准,才能更好地促进建设工程的健康发展,为人民群众提供更加安全、优质的建筑环境。
施工图审查费收费标准施工图审查费是指建设工程施工图纸的审查费用,是建设工程质量监督管理的一项重要内容。
为了规范施工图审查费的收费标准,保障建设工程的质量和安全,制定了相应的收费标准。
一、收费依据。
施工图审查费的收费依据主要包括建设工程的规模、复杂程度、审查的工程量及审查的内容等因素。
根据《建设工程施工图设计文件审查管理办法》的相关规定,审查费的收费标准应当按照国家有关规定执行,不得擅自调整。
二、收费标准。
1. 建筑工程。
(1)住宅建筑。
住宅建筑的审查费按照建筑面积计算,具体收费标准为每平方米收取一定的审查费用。
(2)公共建筑。
公共建筑的审查费按照建筑面积和功能进行综合计算,具体收费标准根据建筑规模和复杂程度确定。
2. 土木工程。
土木工程的审查费按照工程量和工程类型进行计算,具体收费标准为每立方米或每平方米收取一定的审查费用。
3. 安装工程。
安装工程的审查费按照工程量和安装内容进行计算,具体收费标准为每项安装内容收取一定的审查费用。
三、收费标准调整。
审查费的收费标准应当根据国家相关政策进行调整,不得擅自调整收费标准。
如需调整,应当经过相关部门的审核批准,并及时向社会公布,确保收费标准的公开透明。
四、收费管理。
审查费的收费管理应当严格按照国家相关规定执行,不得违规收取费用。
相关部门应当建立健全审查费的收费管理制度,加强对审查费的监督检查,确保审查费的合理收取和使用。
五、收费标准执行。
审查费的收费标准执行应当严格按照国家相关规定执行,不得私自调整收费标准。
相关部门应当加强对审查费的收费标准执行情况的监督检查,发现问题及时进行整改,确保审查费的公平合理。
六、结语。
施工图审查费的收费标准是建设工程质量监督管理的重要内容,合理的收费标准有利于保障建设工程的质量和安全。
相关部门应当加强对审查费收费标准的制定和执行的监督管理,确保审查费的合理收取和使用,为建设工程的质量和安全提供保障。
建设工程施工图设计文件审查费收费标准《关于重新确定建筑工程施工图设计文件审查收费标准的复函》规定:一、具有法人资格并取得施工图设计文件审查许可证的审查机构,在对建筑工程施工图设计文件的结构安全、公众利益和国家现行强制性规范等进行审查时,可按本规定向建设单位收取施工图设计文件审查费。
施工图设计文件审查费,仅限于房屋建筑和市政工程的施工图审查时收取,铁路、交通、水利、电力等其他专业工程的施工图审查不得参照执行.二、施工图设计文件审查费收费标准详见附件。
本通知规定的收费标准为最高限价,具体收费标准在最高限价内由双方协商确定。
施工图设计文件审查过程中如果发现问题,须进行修改设计的,再次送审不得另行收费;如属建设单位重新变更设计,再次送审的,则收费由双方视审查工作量、技术难易等另行协商确定.三、对国家和自治区的重点工程,由国家投资的大中专院校(含技工学校)、中小学校、幼儿院、医院以及福利机构(不含学校、医院、福利机构的职工宿舍、经营性用房)等建设工程项目的施工图设计文件审查费,实行优惠政策,按最高不超过该工程项目同档次设计文件审查费的70%收取。
农村农民建房不得收取施工图设计文件审查费。
四、施工图设计文件审查费属中介服务收费,实行政府指导价。
按照自愿有偿、谁委托、谁付费的原则,由建设单位自主选择具有相应资质的施工图文件审查机构,国家行政机关不得为被审查单位指定社会中介机构.审查机构接受施工图设计文件审查业务,应与建设单位签订书面合同或协议,明确双方的权利和义务;在签定合同或协议时,审查机构应出示价格主管部门规定的收费文件,并在规定的收费标准内,双方协商确定具体收费标准.五、收费单位应严格执行规定的收费项目及收费标准,不得擅自增加、分解收费项目和提高收费标准。
并在收费场所显著位置公布服务程序或业务范围、服务项目和收费标准等,实行明码标价,使用税务部门统一印制的税务发票;自觉接受价格部门、税务部门的监督检查.六、本规定自2006年7月20日起执行,桂价费字〔2002〕310号文件同时废止。
施工图审查收费标准一、施工图审查收费标准根据国家相关规定,施工图审查费标准如下:1、施工图审查费按《国家计委关于发布〈工程勘察设计收费管理规定〉的通知》(计价格〔2002〕10号)规定计取,具体标准见附表一至四。
2、附表中未列出的勘察设计费可在收费标准的10%上下浮动。
3、工程规模为大型土木工程的Ⅰ级施工图审查由二类审图机构实施,收费标准下浮20%;规模为中型土木工程的Ⅰ级施工图审查由三类审图机构实施,收费标准下浮30%。
4、除附表一至四规定的收费标准外,勘察设计质量监督费按勘察设计费的1.2%计取。
5、甲级施工图审查机构不得同时收取勘察设计费和质量监督费,乙级和丙级施工图审查机构可以同时收取勘察设计费和质量监督费。
6、上述费用由施工图审查机构向勘察设计单位收取,财政部门不重复列支。
7、施工图审查机构应按照《财政部关于下达〈基本建设财务管理规定〉的通知》(财基〔2002〕394号)的规定,做好费用收入的核算管理,并按照规定及时上缴财政专户。
8、各施工图审查机构应到当地建设行政主管部门办理收费许可证,收费许可证的收费标准应公示,实行亮证收费。
二、相关规定1、施工图审查机构应根据实际情况选择固定收费或计件收费方式。
固定收费按施工图建筑面积计取费用;计件收费按单体工程计算费用。
2、施工图审查机构应在收费前向委托单位进行明码标价,告知收费项目、收费标准和工程基本情况等,实行亮证收费。
施工图审查服务收费标准在建筑行业中,施工图审查是一个不可或缺的环节,它对确保工程质量和安全、控制施工进度、降低成本等方面具有至关重要的作用。
然而,由于施工图审查涉及到众多因素,如工程规模、复杂程度、审查内容等,因此其收费标准也具有一定的复杂性。
本文将就施工图审查服务收费标准进行探讨。
一、施工图审查服务的内容施工图审查服务主要包括以下内容:1、审查施工图的完整性、合规性和规范性。
这包括对施工图的各项指标、数据、规范等进行详细核对,以确保其符合国家及地方的相关法规和标准。
施工图审查收费标准准计取。
1.房屋建筑施工图审查费:按照房屋建筑工程复杂程度及施工图建筑面积计费标详下表建筑等级Ⅰ级Ⅱ级Ⅲ级审查收费标准(元/m2)0.8—1.51.0—2.21.2—4.07.3-1划注:1)建筑等级按现行的《工程勘察设计收费管理规定》中建筑工程复杂程度表分。
列审查费的30%2)对工程重新进行建筑工程节能或消防修改的建设工程审查费,按上表所计取。
3)对旧建筑进行节能改造的工程施工图审查按上表审查费的50%计费。
2.建筑专项设计(如内装饰、幕墙、轻钢)应按建筑面积0.8~1.5,审查收费标准为计价元/m2。
注:幕墙以装饰墙面面积计费。
,审查费按下表计3.市政工程施工图审查费,按市政工程施工图的工程直接费为计价基数收。
工程直接费x≥1亿元5千万≤x<1亿元1千万≤x<5千万x<1千万审查收费率1.2~1.8‰1.5~2.0‰1.8~2.5‰2.0~3.0‰注:上表收费是市政工程施工图设计文件审查分段收费率,根据工程规模及复杂程度可在上述X围内选择适用审查费率。
4.工程勘察成果审查费按工程收同合同总额的6~10%计费收取。
5.房建边坡及高边坡方案评审及施工图审查按边坡面积计费,详下表。
方案评审施工图审查土质高边坡8元/㎡10元/㎡岩质高边坡5元/㎡7元/㎡普通边坡——5元/㎡6.工程设计收费:工程规模较小审查费总金额计算不足2000元,按不低于2000元计收。
施工图审查服务收费标准一、前言。
施工图审查是建设工程施工前的必要程序,通过审查能够有效避免施工过程中的质量问题和安全隐患,保障工程建设的顺利进行。
因此,施工图审查服务的收费标准对于建设单位和施工单位来说都是非常重要的。
本文将就施工图审查服务的收费标准进行详细介绍,希望能够为相关单位提供参考。
二、收费标准的制定依据。
1. 国家相关法律法规和政策文件。
2. 地方建设主管部门有关规定。
3. 行业协会和专业机构的指导意见。
4. 市场调研和行业实践经验。
三、收费项目及标准。
1. 施工图审查费用。
施工图审查费用是指审查机构对施工图纸进行审查所收取的费用,一般按照项目的总投资额或者建筑面积来计算,具体标准可以根据国家和地方相关规定进行制定。
2. 技术咨询费用。
审查机构在审查过程中所提供的技术咨询服务,包括工程设计优化、施工工艺改进等方面的咨询,收费标准可以根据服务内容和工程规模进行综合考量。
3. 紧急审查费用。
对于一些需要紧急审查的项目,审查机构可以根据实际情况收取紧急审查费用,以确保审查工作能够及时有效进行。
4. 其他相关费用。
如出具审查意见书、提供技术培训等相关服务所产生的费用,可以根据实际情况进行收费。
四、收费标准的确定原则。
1. 公平合理原则。
收费标准应当公平合理,不能存在恶意提高收费标准的行为,应当根据实际工作量和服务内容进行合理确定。
2. 透明公开原则。
审查机构应当将收费标准向社会公开,并接受社会监督,确保收费标准的透明度和公开性。
3. 服务质量优先原则。
收费标准的确定应当充分考虑服务质量,确保审查服务的质量和效果。
4. 市场调节原则。
收费标准应当根据市场供求关系和行业发展状况进行调节,保持与市场的适度关联。
五、收费标准的调整。
审查机构在调整收费标准时,应当遵循相关法律法规和政策文件,同时应当充分考虑市场供求关系和行业发展状况,确保调整后的收费标准合理合法。
六、结语。
施工图审查服务的收费标准是建设工程领域的重要内容,合理的收费标准能够有效保障审查服务的质量和效果,也能够促进行业的健康发展。
建设工程施工图审查费一、建设工程施工图审查费的收费标准建设工程施工图审查费的收费标准是按照国家规定的费用标准来执行的。
一般来说,审查费的收费标准是建筑工程造价的一定比例。
具体的收费标准根据不同的地区、工程类型、工程规模等因素而有所不同。
一般建设单位在提交施工图设计时,需要将施工图的设计费和审查费一起交纳。
二、建设工程施工图审查费的用途建设工程施工图审查费的用途主要有以下几个方面:1、用于支付审查人员的工资和报酬。
审查人员是专业技术人员,他们负责对施工图进行审查,保证施工图符合国家规定的标准和要求。
审查人员需要具备相关的专业背景和资质,他们在审查过程中所付出的劳动是应当得到相应的报酬的。
2、用于支付审查机构的运营费用。
建设工程施工图审查通常由审查机构进行。
审查机构是一个独立的机构,负责对提交的施工图进行审查。
审查机构需要承担日常运营的费用,包括人员工资、设备维护、场地租金等费用。
3、用于建设工程的管理与监督。
审查费也可以用于建设工程的管理与监督。
建设工程是一个复杂的系统工程,需要有专业的团队对其进行管理与监督,保证建设工程的施工质量和安全。
审查费可以用于建设单位聘请专业监理团队,进行工程管理与监督。
4、用于建设工程的风险防范。
建设工程是一个高风险的行业,建设单位需要承担一定的风险。
审查费可以用于建设工程的风险防范,保障建设单位的合法权益。
审查费可以用于购买相应的保险,为建设工程的施工提供保障。
审查费也可以用于建设单位的风险管理,帮助建设单位应对风险事件。
三、建设工程施工图审查费的意义建设工程施工图审查费的收取不仅仅是一种费用,更是一种管理制度。
审查费的收取可以促进建设单位和审查机构之间的合作与沟通,建立健康的合作关系。
审查费的收取也可以推动建筑行业的规范化和标准化发展,提高建筑工程的质量和安全。
审查费的收取也可以帮助建设单位更好地管理建设工程的过程,提高工程的管理水平和施工效率。
审查费的收取可以帮助建设单位规避风险,保障建设工程的施工质量和安全,保证建设单位的合法权益。
施工图设计文件审查收费
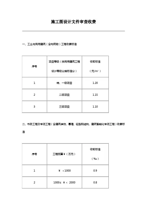
一、工业与民用建筑(含构筑物)工程收费标准
二、市政工程及专项工程(含建筑装饰、幕墙、轻型钢结构、建筑智能化专项工程)收费标准
注:工程预算总额中包括配套设备及设施。
三、说明
1、工程勘察文件审查收费标准为施工图审查收费标准的12%。
2、以上收费最低收费额不低于1500元,如低于,按1500元计收。
3、按以上收费标准收取的审查费,总额不超过12万元的按实计收,超过12万元的,其超出12万元以上的部分按50%收取,最高不超过50万元。
附件:《省物价局关于降低部分涉房服务性收费标准的通知》苏价服【2015】20号。
云南省发展和改革委员会关于施工图设计文件审查收费标准有关问题的通知索引号:530000-001100-20081201-0001生成日期:2008-12-1 13:31:48主题词:经济管理设计文件收费标准通知云发改价格〔2008〕1176号云南省发展和改革委员会关于施工图设计文件审查收费标准有关问题的通知省建设厅:《云南省建设厅关于核定建设工程施工图设计文件审查收费标准的函》(云建设函〔2008〕号)收悉。
《云南省发展和改革委员会关于明确建设工程施工图设计审查收费有关问题的函》(云发改价格函〔2004〕193号)执行以来,对于促进全省普通工业、民用建筑和市政公用设施建设项目设计水平和质量的提高,消除建安工程安全隐患,保障施工图设计文件审查工作的正常开展,起到了积极的作用。
根据国务院国发[2004]16号文件及国家和省级相关规定,结合我省实际,现就施工图设计文件审查收费标准及执行中的有关问题通知如下:一、取得省级建设行政主管部门颁发的施工图设计文件审查许可证的审查机构,对建设工程施工图设计内容的政策性、技术性、涉及公共利益、公共安全及国家现行强制性规范进行审查,按本通知规定的收费标准收费,所收取的审查费为经营服务性收费。
二、施工图设计审查收费以原国家计委、建设部《关于发布〈工程勘察设计收费管理规定〉的通知》(计价格〔2002〕10号)规定的勘察设计收费标准为依据,以该项工程(指土木工程、工业与民用建筑工程、市政工程等)设计合同所载的勘察设计费为基数计收,由建设单位支付,具体收费标准见第九条,实行政府指导价管理。
三、施工图设计文件审查过程中如果发现问题,须进行重新设计整改的,再次送审不得另行收费,只能按一个项目对待,收取一次费用。
四、国家和省重点建设工程项目、享受政府优惠政策的社会保障性住房(包括经济适用住房、廉租房、拆迁安置房、限价房等)项目的施工图设计文件审查收费,按该工程项目同档次设计审查收费标准的70%收取。