施工缝留置及处理方法
- 格式:doc
- 大小:33.00 KB
- 文档页数:4
施工§1的留设与处理措施
工程支撑施工时会遇到不能连续将整体结构浇注完成。
故应适当选择设置施工缝。
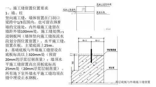
1施工缝的设置
施工缝留设在格构柱和节点之间即梁板跨中1/3处;相邻两跨支撑的
对撑不得留设二条以上施工缝;上下层环梁、支撑施工缝不得在同一垂直面上留设。
2、施工缝的处理
在施工缝处继续浇注混凝土时,已浇注的混凝土抗压强度不应小于
1.2N∕mm20混凝土达到1.2N∕mm2的时间,可通过试验决定,同时,必
须对施工缝进行必要的处理。
在已硬化的混凝土表面上继续浇混凝土之前,应清除垃圾、水泥薄膜、表面上松动砂石和软弱混凝土层,同时还应加以凿毛,用水冲洗干净并充分湿润,一般不宜少于24h,残留在混凝土表面的积水应予清除。
注意施工缝位置附近回弯钢筋时,要做到钢筋周围的混凝土不受松动和损坏。
钢筋上的油污、水泥砂浆及浮锈等杂物也应清除。
从施工缝处开始继续浇注时,要注意避免直接靠近缝边下料。
机械振捣前,宜向施缝处逐渐推进,并距80〜100处停止振捣,但应加强对施工缝接缝的捣实工作,使其紧密结合。
施工缝的留设和处理1、水平施工缝留设位置构造柱:水平施工缝留设在圈梁下口5cm处.2、施工缝处理时间应通过实验室确定砼的早期强度,以确定砼达到1。
2N/mm2的时间,以便按施工缝处理后组织浇筑砼.3、施工缝处理要点施工缝处应有先清除水泥薄膜及松动的石子,以及软弱砼层,并用水冲洗干净,充分润湿,不得有积水,砼浇筑前,先在施工缝处下料50~100mm,按同等级砼配合比配制的水泥砂浆,然后再浇砼.施工缝处砼应细致捣实,使新旧砼结合紧密。
主要现浇构件砼浇筑方法1、构造柱的混凝土浇筑构造柱浇筑前底部先浇筑100mm厚与砼配合比相同的水泥砂浆,构造柱砼浇筑时1,应分层下料振捣。
每层下料厚度500mm。
并适当控制砼浇筑速度,以减少新浇砼对模板的侧压力。
本工程构造柱一次浇筑高度超过3m时,采取柱模板中部侧面开设门子洞下料。
2、梁、板混凝土浇筑(1)梁砼浇筑时,至少分二层下料,砼浇筑由两端开始向中间进行,浇筑时用“赶浆法"保持水泥浆沿梁底包裹石子向前推进,每层均应振实后再下料。
(2)浇筑板时,其砼虚铺厚度应略大于板厚,用平板振动器垂直浇筑方向来回振捣,并用铁插尺检查砼厚度,振捣完毕后用木模子抹平.(五)砌体工程该工程结构形式为砖混结构,砌体工程作为本工程的主导工序,将严格把好原材料和各道工序的质量关.一)原材料的选择1、砖砖的规格、强度均应符合设计要求,并具有出厂合格证,方可进场,砌筑前1~2 日提前润砖,标准达到外湿内干,含率水15%。
(判断标准,把润好的砖拆断,最小面的中间保持0。
9~1。
5cm干核,就表明砖的含水率满足要求。
2、砌筑砂浆原材料采用中砂,并应严格控制含泥量,水泥采用425#普通硅酸盐水泥,砌筑砂浆配合比根据其砂浆强度按《砌筑砂浆配合比设计规范》试配(JGJ/T98—96),机械搅拌前采取试样,测定砌筑稠度和分层度,符合规范要求后,再进行机械搅拌,每盘搅拌时间不小于2min,砂、水泥严格计量。
施工缝的留置及处理方案
一、工程概况:
二、施工缝布置部位:
地下负二层基础2-6轴交2-A~2-H轴间设计为上下错台基础模式,高彽相差为2.8米,考虑此部位的模板加固特殊性,经与设计人员沟通,同意在标高-11.2米基础表面留设一道水平施工缝,上部作二次混凝土浇筑处理。
三、施工缝的凿毛处理:
平台墙根施工缝在放完线后,根据墙边线向内侧30㎜进行人工凿毛,将墙根线以内的浮浆、碎石剔凿干净,露出1~2㎜混凝土石子,用清水冲洗混凝土表面,在浇筑第二次混凝土之前24小时进行浇水保持湿润。
四、施工缝的检查及报验:
施工缝施工及处理完毕后,首先必须进行自检,自检合格后,由班组长及施工队长进行检查,最后由质量检查员及监理进行检查验收,方可进行下道工序施工。
五、施工缝混凝土浇筑:
混凝土浇筑之前应将施工缝部位清理干净,用水充分湿润,混凝土的泵管应加设在先前准备好的铁架上,防止泵管将基础底板钢筋压变形,泵管走向按混凝土浇筑方案布置,由前至后顺次拆管浇筑,避免将泵管架上刚浇好的混凝土上。
开始浇筑前,施工缝部位采用混凝土界面剂进行处理一遍,再敷50㎜厚同混凝土强度等级的砂浆振捣密实。
混凝土浇筑时确保快插慢拨,振动时间以混凝土不冒气泡为止,插入间距为300㎜呈梅花形布置,插入深度为进下层混凝土50~100㎜。
混凝土浇筑12小时后即可进行养护,养护时间一般为7~14天。
第1篇在建筑工程施工过程中,施工缝是不可避免的。
施工缝是指在混凝土浇筑过程中,因施工需要而暂时中断浇筑而形成的接缝。
合理留置施工缝,对保证结构质量、施工安全和工期进度具有重要意义。
以下是几种常见的工程施工缝留置方法:一、施工缝位置的选择1. 柱子:施工缝宜留置在基础与柱子的交接处、框架梁的下面及上面(楼面处)、无梁楼盖柱帽的下面、吊车梁牛腿的下面、吊车梁的上面等。
2. 梁与板:施工缝宜留置在板底面以下20~30mm处,当板下有梁托时,留置在梁托下部。
3. 单向板:施工缝宜留置在平行于板的短边的任何位置,同时施工缝应垂直留置,不能做成斜槎。
4. 双向板:施工缝应按设计要求留置。
5. 墙:施工缝宜留置在门洞口过梁跨中1/3范围内,也可留在纵横墙的交接处。
6. 楼梯:楼梯施工缝宜留置在1/3跑的位置,也有的将楼梯施工缝留置在平台梁上。
7. 大体积混凝土结构、拱、薄壳、蓄水池、多层钢架等,应按设计要求留置浇筑混凝土施工缝。
二、施工缝处理方法1. 清理:在继续浇筑混凝土前,应清除施工缝处的垃圾、水泥薄膜、表面上松动砂石和软弱混凝土层。
2. 凿毛:用斩斧或钢杆将施工缝表面凿毛,清理松动石子,凿深20~30mm。
3. 湿润:用水冲洗干净并充分湿润,一般不宜少于24小时,残留在混凝土表面的积水应予清除。
4. 浇筑:从施工缝处开始继续浇筑混凝土,注意避免直接靠近缝边下料。
5. 振捣:机械振捣前,宜向施工缝处逐渐推进,并距80~100cm处停止振捣,加强对施工缝接缝的捣实工作。
6. 钢筋处理:注意施工缝位置附近回弯钢筋时,要做到钢筋周围的混凝土不受松动的损坏。
钢筋上的油污、水泥砂浆和浮锈等也应清除。
三、注意事项1. 施工缝位置应选择在结构受剪力较小且便于施工的部位。
2. 施工缝处理应保证新旧混凝土紧密结合,避免出现裂缝、渗漏等质量问题。
3. 施工缝处理过程中,应确保施工安全,防止人员伤亡和设备损坏。
4. 施工缝处理方法应根据具体工程情况进行选择,确保施工质量。
施工缝的留设位置与处理方法施工缝的留设位置与处理方法是指在建筑施工过程中,为了防止建筑材料的开裂和变形,在一定位置预留一定宽度的缝隙,并采取相应的措施对缝隙进行处理。
施工缝的留设位置和处理方法可以根据具体的建筑结构和材料特性进行选择和确定,以确保建筑物的结构安全和使用寿命。
施工缝的留设位置可以分为以下几种情况:1. 建筑物的主体结构之间:建筑物的主体结构包括梁、柱、板等构件,当这些构件之间的跨度较大时,常需要预留缝隙。
例如,在大跨度的梁、柱或板的连接处,可以留设伸缩缝或控制缝,以防止由于温度变化或结构变形引起的开裂。
2. 建筑物与基础之间:建筑物与基础之间的连接处容易发生变形和开裂,因此需要留设缝隙。
基础与建筑物之间的缝隙可以采用橡胶垫或伸缩缝材料填充,以减少因地震或建筑物沉降引起的应力集中。
3. 建筑物的外墙:由于气候和温度的变化,建筑物外墙易发生开裂和变形。
为了防止外墙的开裂和渗漏,可以在墙体的垂直缝隙处留设伸缩缝,以减少由于季节变化和温度差异引起的应力。
施工缝的处理方法可以根据具体的缝隙位置和建筑材料的特性进行选择,常见的处理方法包括以下几种:1. 安装伸缩缝材料:伸缩缝材料是一种可以在不同温度条件下伸缩和变形的材料,可以填充在缝隙中,具有良好的伸缩性和抗裂性。
在施工过程中,可以根据构造要求选择合适的伸缩缝材料,并按照要求进行安装和固定。
2. 使用橡胶垫填充:橡胶垫具有良好的伸缩性和耐久性,可以用于填充基础与建筑物之间的缝隙。
橡胶垫可以减缓由于地震或沉降引起的应力集中,保护建筑物的结构安全。
3. 设计装饰性缝隙:在建筑物的外墙或内部装饰面上,可以设计一些装饰性缝隙。
这些缝隙可以用于隐藏管道和电线,同时也可以起到装饰的作用。
装饰性缝隙的处理方法通常是选用适当的密封材料进行填充,以达到美观和防水的效果。
4. 加强缝的处理:在一些结构要求较高的区域,如柱子和梁的连接处,可以采用加强缝的处理方法。
建筑结构施工缝的留置及其处理方法摘要在工程施工过程中,由于天气、机械等因素的影响,不得不在建筑结构层上留设施工缝。
如何处理施工缝,才能使工程质量不受影响,保证混凝土结构的安全性,显得尤为重要。
本文就施工缝留置的正确位置以及施工缝的处理方法进行详细阐述。
关键词施工缝设置原则工程质量控制处理方法一、施工缝设置的原则1.施工缝设置原则。
现行《混凝土结构工程施工及验收规范( GBJ50204-92》)中规定“施工缝应留在剪力较小且便于施工的部位……”并且对钢筋混凝土结构中施工缝的设置提出具体要求,故本文将对钢筋混凝土结构常见的柱、梁、板的内力作简要分析,进而说明施工缝的设置在某种程度上有一定的选择性。
2.柱、梁、墙、板内力简析。
对于混凝土柱,最大弯矩往往位于两端,剪力和轴力沿柱高变化很小或无变化,由此看来,施工规范对于施工缝的设置在柱两端的提法主要是基于施工便利,而目前施工中由于种种原因使施工缝设置在柱中段就不应视为质量问题。
混凝土梁、板两端常常是最大剪力处或最大负弯矩处,但装配式框架梁两端靠柱一侧均设有施工缝。
多年来,此类结构在柱、梁相交处并未出现任何质量问题。
随着建筑物功能及美观需要,“高、大、新”建筑物越来越多。
由于混凝土浇筑问题、模板支设问题、施工操作问题使混凝土会分成若干段浇筑,只要对钢筋混凝土构件的内力和抗渗问题有比较正确认识,施工缝处理方法合理、科学,就不应对施工缝设置做过多的限制。
因此,施工缝问题主要是对施工缝处理方法需认真研究,谨慎从事。
3.钢筋混凝土筏板基础中设置施工缝。
较长的钢筋混凝土筏板基础为克服沉降差异、温差影响和水泥干缩影响,需间隔一定距离浇筑筏板,每段筏板之间设置“后浇带”填平补齐,因此,“后浇带”处会出现两道垂直施工缝,后浇带的保护和混凝土浇捣应采取必要的技术措施,包括地下室筏板基础中后浇带的抗渗措施。
4.钢筋混凝土蓄液池或箱形基础及地下室外墙中设置施工缝。
钢筋混凝土蓄液池或箱形基础及地下室外墙中设置施工缝,不仅关系到结构安全度问题,而且对池(箱)壁能否具有良好的抗渗、防漏问题也有很大影响。
地面工程施工缝留置是建筑工程中常见的一个环节,它对于保证地面工程的质量、强度和耐久性具有重要意义。
本文将从施工缝的定义、留置原则、留置位置和处理方法等方面进行详细探讨。
一、施工缝的定义施工缝是指在混凝土浇筑过程中,因设计要求或施工需要分段浇筑,而在先、后浇筑的混凝土之间所形成的接缝。
施工缝的存在会导致混凝土结构的受力性能、热膨胀系数和收缩系数发生变化,因此,正确处理施工缝是保证混凝土结构质量的关键。
二、施工缝留置原则1. 结构受剪力较小:施工缝应设置在结构受剪力较小的部位,以减小施工缝对结构受剪性能的影响。
2. 便于施工:施工缝的位置应便于施工,例如避免在复杂构件、密集钢筋或难以浇筑的部位设置施工缝。
3. 设计要求:施工缝的位置应符合设计要求,特别是对于一些特殊结构,如双向受力楼板、大体积混凝土、拱、壳、仓、设备基础等,施工缝位置应按设计要求留设。
三、施工缝留置位置1. 地面工程施工缝应留置在基础的顶面、梁或吊车梁的下面、吊车梁的上面、无梁楼板柱帽的下面。
2. 和楼板连成整体的大断面梁,施工缝应留置在板底面以下20mm~30mm处。
当板下有梁托时,留置在梁托下部。
3. 对于单向板,施工缝应留置在平行于板的短边的任何位置。
4. 有主次梁的楼板,宜顺着次梁方向浇筑,施工缝应留置在次梁跨度中间1/3的范围内。
5. 墙上的施工缝应留置在门洞口过梁跨中1/3范围内,也可留在纵横墙的交接处。
6. 楼梯上的施工缝应留在踏步板的1/3处。
7. 水池池壁的施工缝宜留在高出底板表面200mm~500mm的竖壁上。
8. 双向受力楼板、大体积混凝土、拱、壳、仓、设备基础、多层刚架及其他复杂结构,施工缝位置应按设计要求留设。
四、施工缝处理方法1. 水平施工缝处理:水平施工缝应该剔除软弱层,露出石子,竖向施工缝剔除松散石子和杂物,露出密实混凝土。
施工缝应冲洗干净,浇筑混凝土前应该浇水润湿,并浇同混凝土配合比相同减石子砂浆。
施工缝留置形式位置和处理措施施工缝留置是指在建筑施工过程中,为了应对建筑材料的收缩、膨胀、变形等因素,以及后续维护和维修的需要,而在建筑物内外或构件之间设置的缝隙。
施工缝的留置形式、位置和处理措施对建筑物的性能、安全和美观具有重要影响。
以下是关于施工缝留置形式、位置和处理措施的详细介绍。
一、施工缝留置形式:1.普通缝隙留置:即在建筑物或构件的预定位置上直接留置缝隙。
这种形式适用于需要固定尺寸的构件之间或墙体内外的分隔,常见于钢结构建筑的构件连接缝。
2.弹性缝隙留置:即在建筑物或构件的预定位置上设置底层挡板或背胶,并利用柔性材料(如聚氨酯胶、硅胶等)填充缝隙。
这种形式适用于需要抵抗震动、振动或温度变化的建筑物和构件,如地板与墙体、板岩与石材的连接缝。
3.隐形缝隙留置:即在建筑物或构件的内部设置缝隙,以达到无缝的外观效果。
这种形式适用于需要保持建筑物整体外观的玻璃幕墙、装饰板块和其他特殊构件。
二、施工缝留置位置:1.结构缝隙留置:主要用于分割建筑物主体结构的承重墙、柱子、梁和楼板等结构构件之间的缝隙。
结构缝留置位置的确定需要考虑到结构的应力、变形等因素,以保证建筑物的稳定性和安全性。
2.装饰缝隙留置:主要用于分割建筑物的外墙、内墙、地面、天花板等装饰面板或装饰材料之间的缝隙。
装饰缝留置位置的确定需要考虑到装饰面板的材料性能、变形等因素,以保证建筑物的美观和维护。
3.工程缝隙留置:主要用于分割建筑物内外部分的缝隙,如地板与墙体的连接缝、门窗与墙体的连接缝等。
工程缝留置位置的确定需要考虑到建筑物不同部位的变形、承重等因素,以保证建筑物的质量和功能。
三、施工缝留置处理措施:1.缝隙尺寸的确定:缝隙尺寸的确定需要根据建筑物的预期变形量、收缩率、材料性能等因素进行计算和分析。
通常情况下,缝隙的宽度应根据材料的膨胀和收缩系数来决定,以达到缝隙的正常移动和伸缩。
2.缝隙材料的选择:缝隙材料的选择需要根据建筑物的特点、使用环境、材料性能等因素进行考虑。
施工缝留置及处理措施汇报人:日期:contents•施工缝概述•施工缝留置原因目录•施工缝处理方法•施工缝处理注意事项•工程实例分析施工缝概述01施工缝留置的位置应符合设计要求和施工技术方案,并应综合考虑结构受力和施工方便等因素。
水平施工缝:根据结构形式和施工组织需要,在水平方向上设置的施工缝。
它可以分为外墙水平施工缝和内墙水平施工缝。
垂直施工缝:根据结构形式和施工组织需要,在垂直方向上设置的施工缝。
它可以分为纵向施工缝和横向施工缝。
外墙水平施工缝通常留置在板与板之间的缝隙,内墙水平施工缝通常留置在墙体与楼板交接处。
纵向施工缝通常留置在墙体上,横向施工缝通常留置在梁、楼板等水平构件上。
施工缝应设置在便于施工的位置,如梁、板的端部或柱子的中部,这些位置易于进行钢筋的绑扎和混凝土的浇筑。
施工缝的设置还应考虑施工组织的需求,如分段流水施工的需要,以方便施工作业的进行。
施工缝应避开受力较大的部位,如梁、板的跨中部位,因为这些部位的受力较大,留置施工缝可能会影响结构安全。
施工缝的设置原则施工缝留置原因02混凝土在硬化的过程中,由于水化作用会产生自收缩现象,导致混凝土的体积减小。
这种现象会导致施工缝的形成,因为为了防止裂缝的产生,需要设置施工缝来适应这种自收缩现象。
施工缝的留置可以减少混凝土自收缩现象对结构稳定性的影响,保证结构的整体性和耐久性。
混凝土自收缩现象在施工过程中,由于混凝土内部温度的变化,会产生温度应力。
这种应力可能导致混凝土产生裂缝。
为了避免这种情况,需要在适当的部位留置施工缝,以减少温度应力对结构的影响。
施工缝的留置可以有效地减少温度应力对结构的影响,保证结构的稳定性。
温度应力影响防止结构产生裂缝在一些大型或复杂的结构中,由于施工条件、材料特性等因素的影响,结构容易产生裂缝。
为了防止这种情况,需要在适当的部位设置施工缝,以减少裂缝的产生。
施工缝的留置可以有效地防止结构产生裂缝,保证结构的整体性和稳定性。
施工缝留置位置、形式和处理措施1、什么叫施工缝?施工缝:因施工组织需要而在各施工单元分区间留设的缝。
施工缝并不是一种真实存在的“缝”,它只是因后浇注混凝土超过初凝时间,而与先浇注的混凝土之间存在一个结合面,该结合面就称之为施工缝。
2、施工缝留设方法?施工缝的位置应设置在结构受剪力较小和便于施工的部位,且应符合下列规定:柱应留水平缝,梁、板、墙应留垂直缝。
( 1) 施工缝应留置在基础的顶面、梁或吊车梁牛腿的下面、吊车梁的上面、无梁楼板柱帽的下面。
( 2) 和楼板连成整体的大断面梁,施工缝应留置在板底面以下20mm~30mm处。
当板下有梁托时,留置在梁托下部。
( 3) 对于长宽比大于二比一的单向板,施工缝应留置在平行于板的短边的任何位置,同时施工缝应垂直留置,不能做成斜槎。
( 4) 有主次梁的楼板,宜顺着次梁方向浇筑,施工缝应留置在次梁跨度中间1/3 的范围内。
( 5) 墙上的施工缝应留置在门洞口过梁跨中1/3 范围内,也可留在纵横墙的交接处。
( 6) 楼梯上的施工缝应留在踏步板的1/3 处。
楼梯的混凝土宜连续浇注。
若为多层楼梯,且上一层为现浇楼板而又未浇注时,可留置施工缝;应留置在楼梯段中间的1/3部位,但要注意接缝面应斜向垂直于楼梯( 7) 水池池壁的施工缝宜留在高出底板表面200mm~500 mm的竖壁上。
( 8) 双向受力楼板、大体积混凝土、拱、壳、仓、设备基础、多层刚架及其他复杂结构,施工缝位置应按设计要求留设。
3、浅谈施工缝能否留置1、施工规范中规定的“柱应留水平缝、梁板墙应留垂直缝”比较片面,没有对混凝土构件作出统一规定,例如,混凝土楼梯如果说留水平缝或垂直缝都是不合适的。
应规定为:使施工缝接缝面与结构的纵向轴线垂直。
2、对于大体积混凝土,由于浇注数量大,整体性要求高,一般不应留施工缝。
3、混凝土条行基础和独立柱基础也应一次浇注完毕,不宜留施工缝。
4、承受动力作用的设备基础,一般不应留置施工缝。
施工缝留置位置、形式和处理措施1、什么叫施工缝?施工缝:因施工组织需要而在各施工单元分区间留设的缝。
施工缝并不是一种真实存在的“缝”,它只是因后浇注混凝土超过初凝时间,而与先浇注的混凝土之间存在一个结合面,该结合面就称之为施工缝。
2、施工缝留设方法?施工缝的位置应设置在结构受剪力较小和便于施工的部位,且应符合下列规定:柱应留水平缝,梁、板、墙应留垂直缝。
( 1) 施工缝应留置在基础的顶面、梁或吊车梁牛腿的下面、吊车梁的上面、无梁楼板柱帽的下面。
( 2) 和楼板连成整体的大断面梁,施工缝应留置在板底面以下20mm~30mm处。
当板下有梁托时,留置在梁托下部。
( 3) 对于长宽比大于二比一的单向板,施工缝应留置在平行于板的短边的任何位置,同时施工缝应垂直留置,不能做成斜槎。
( 4) 有主次梁的楼板,宜顺着次梁方向浇筑,施工缝应留置在次梁跨度中间1/3 的范围内。
( 5) 墙上的施工缝应留置在门洞口过梁跨中1/3 范围内,也可留在纵横墙的交接处。
( 6) 楼梯上的施工缝应留在踏步板的1/3 处。
楼梯的混凝土宜连续浇注。
若为多层楼梯,且上一层为现浇楼板而又未浇注时,可留置施工缝;应留置在楼梯段中间的1/3部位,但要注意接缝面应斜向垂直于楼梯轴线方向。
(施工中存在争执原因是旧规范规定了楼梯施工缝必须留置在中间1/3区段,传统施工留置在向上、下3步处,留置在梯段中间时,理论上是剪力较小,但施工时施工缝质量不好控制,二次支模时容易产生已浇筑部位形成短时“悬挑”,反而不利于构件的质量控制。
)( 7) 水池池壁的施工缝宜留在高出底板表面200mm~500 mm的竖壁上。
( 8) 双向受力楼板、大体积混凝土、拱、壳、仓、设备基础、多层刚架及其他复杂结构,施工缝位置应按设计要求留设。
3、浅谈施工缝能否留置1、施工规范中规定的“柱应留水平缝、梁板墙应留垂直缝”比较片面,没有对混凝土构件作出统一规定,例如,混凝土楼梯如果说留水平缝或垂直缝都是不合适的。
混凝土施工缝留置原则和处理方法混凝土结构施工中,难免会遇到需要留置缝隙的情况。
正确的缝留置可以保证混凝土结构的稳定性和美观性,避免出现开裂和变形等问题。
本文将介绍混凝土施工缝留置的原则和处理方法,供大家参考。
一、缝留置的原则1.考虑结构的应力和温度变化,在结构长度大于40米时,应采用固定缝留置,以分割结构,降低结构温度变形;2.考虑美观要求,在正要分割的地方设置花纹、颜色等,使缝留置与整个工程的外观相协调。
3.结构的设计和结构完整性,必须确保混凝土的连续性和承载力。
二、缝留置的处理方法1.采用构造缝采用构造缝,也称为伸缩缝,可以适应混凝土的热胀冷缩,防止混凝土的开裂和变形。
它的缝宽一般为10-20毫米,缝深一般大于混凝土板厚度的1/4,且不得小于20毫米。
伸缩缝一般用金属条或防水板等材料保护。
2.采用接头缝接头缝常用于墙板、台阶、垂直结构的拐角处等。
接头缝的宽度不应小于10毫米,深度由混凝土板厚度决定,每隔2-3米留置。
若对接头缝作美观要求,可采用胶条、防水涂料等处理。
3.采用次生缝次生缝可以把块状混凝土结构分成几块,或满足装饰和结构要求的缝隙。
它与构造缝和接头缝配合使用,可以达到美观和结构稳定的双重效果。
次生缝宽度、深度和间距均由混凝土结构的设计和使用要求决定。
4.采用扩展缝扩展缝是依据混凝土的应力和温度变化而设置的,其主要作用是缓解混凝土的温度应力和收缩应力。
扩展缝一般的宽度为20毫米,缝深大于混凝土板厚度1/3,一般不小于50毫米。
扩展缝用防水条保护,需要时可加装金属条。
总之,合理的缝留置是混凝土施工中必不可少的一步,采用合理的处理方法可以保证混凝土结构的稳定性和美观性,避免出现开裂和变形等问题。
在施工过程中务必严格按照原则和处理方法进行缝留置,以确保混凝土结构的质量和安全性。
简述施工缝的留置原则与处理方法
施工缝是指为了解决混凝土结构中由于收缩、热胀冷缩等因素而发生的开裂现象而在混凝土结构中留置的缝隙。
其留置原则主要有以下几点:
1. 留置位置:施工缝一般应当设置在混凝土结构的应力相对较小或者变形相对较大的位置上。
2. 留置间距:施工缝的间距应该根据混凝土的材料、强度等因素来确定。
3. 留置深度:施工缝的深度应该足够达到混凝土的变形层中。
在施工时要对施工缝进行处理,处理方法主要有以下几点:
1. 加固:对于施工缝处的混凝土结构将钢筋沿施工缝方向对称布置,从而增加构件的梁承载力。
2. 填缝:用填充材料填补施工缝,如硫化橡胶、沥青、聚氨酯等。
3. 密封:通过施工缝处的密封来减少水的渗透,如橡胶、聚合物等材料密封。
以上就是施工缝留置原则与处理方法的简述。
1 施工缝在施工过程中出现问题的种类及产生原因
从以往接触的一些工程中, 由于施工缝而引发的施工质量问题主要有两大类: 一是施工缝位置留设不当; 二是施工时对施工缝的处理不妥。
1.1 施工缝位置留设不当
施工缝留设时没有按照规范要求设置在受力较小处, 例如把施工缝留在混凝土底板上或在墙上留垂直施工缝, 或者将施工缝设置在对于施工来说很不方便或很难实现的地方, 例如紧贴基础梁顶设置而采用钢板止水带时, 由于与梁箍筋位置发生冲突很难放置。
1.2 施工时处理不妥
这是施工缝引发的主要和较常见的施工质量问题, 引起的原因有以下几点:
( 1) 混凝土面没有凿毛, 残渣没有冲洗干净, 使新旧混凝土结合不牢。
( 2) 在支模和绑扎钢筋过程中, 锯末、铁钉等杂物掉入缝内没有及时清除掉, 浇筑上层混凝土后, 在新旧混凝土之间形成夹层。
( 3) 浇筑上层混凝土时, 没有先在施工缝处铺一层水泥砂浆, 上下层混凝土不能牢固黏结。
( 4) 施工缝没有安装止水带。
( 5) 下料方法不当, 使骨料集中于施工缝处。
( 6) 混凝土墙体单薄, 钢筋过密, 振捣困难, 混凝土不密实。
( 7) 没有采用补偿收缩混凝土, 造成接茬部位产生收缩裂缝。
( 8) 施工缝的接缝形式选取不当。
2 预防施工缝在施工过程中出现问题的措施
设置施工缝应该严格按照规范规定, 认真对待, 避免位置不当或处理不好而引发质量事故, 以确保结构安全及使用寿命, 主要从以下几方面入手:
2.1 严格控制施工缝的留设位置
施工缝的位置应设置在结构受剪力较小和便于施工的部位, 且应符合下列规定: 柱应留水平缝, 梁、板、墙应留垂直缝。
( 1) 施工缝应留置在基础的顶面、梁或吊车梁牛腿的下面、吊车梁的上面、无梁楼板柱帽的下面。
( 2) 和楼板连成整体的大断面梁, 施工缝应留置在板底面以下20mm~30 mm 处。
当板下有梁托时, 留置在梁托下部。
( 3) 对于单向板, 施工缝应留置在平行于板的短边的任何位置。
( 4) 有主次梁的楼板, 宜顺着次梁方向浇筑, 施工缝应留置在次梁跨度中间1/3 的
范围内。
( 5) 墙上的施工缝应留置在门洞口过梁跨中1/3 范围内, 也可留在纵横墙的交接处。
( 6) 楼梯上的施工缝应留在踏步板的1/3 处。
( 7) 水池池壁的施工缝宜留在高出底板表面200 mm~500 mm 的竖壁上。
( 8) 双向受力楼板、大体积混凝土、拱、壳、仓、设备基础、多层刚架及其他复杂结构, 施工缝位置应按设计要求留设。
( 9) 后浇带的位置按规范要求结合具体工程进行留设, 这里不再赘述。
2.2 施工缝的形式
施工缝的接缝形式有凸凹缝、高低缝、平缝、设止水带缝等多种。
另外,对于有防水要求的施工缝, 根据以往的经验, 发现目前常用的几种接缝方式均存在着渗漏水的隐患。
如采用“ 凹凸”型施工缝的最大弊端在于施工难度大, 而且很难保证质量, 施工缝处混凝土凿毛时, 极易将“ 凸”楞碰掉一部分, 由此减少和缩短了水的爬行坡度和距离, 从而产生渗漏水现象; 另外凹槽中的水泥砂浆粉末难以清理干净, 使在浇筑新混凝土后, 在凹槽处形成一条夹渣层而影响了新老混凝土的黏结质量, 留下渗漏水的隐患。
而采用橡胶止水带防水,因止水带是呈柔性的, 安装时难于固定, 且容易在浇筑混凝土时受挤压变形移位, 从而容易造成局部渗漏水, 而且橡胶止水带易老化失效, 也不利于结构的长久使用。
根据很多的施工实例, 发现采用400mm宽、2mm厚的钢板作为施工缝处的止水带其防水效果很好。
一是施工方便, 将钢板止水带按要求加工成一定的长度, 在施工现场安装就位后进行搭接焊即可;二是不易变形且便于固定, 止水板下部可支承在对拉螺栓上, 上部用钢筋点焊夹住固定在池壁两侧模板支撑系统上; 三是施工缝上下止水板均有200 mm 高, 爬水坡度陡, 高度也
较大, 具有较好的防渗漏效果。
所以建议有条件的情况下还是采用钢板止水带为宜。
具体做法: 金属止水带一般用2 mm~2.5 mm 厚的薄钢板制成, 接头应满焊, 不得有缝隙。
固定于墙体暗柱处, 常在止水带上割洞扎箍筋, 封模前应补焊。
BW止水条为5 000 mm×30
mm×20 mm 的长条柔软固体, 7d 的膨胀率应不大于最终膨胀率的60%, 浸入水中, 最大膨胀倍率为150%~300%。
试验证明可堵塞1.5 MPa 压力水的渗漏。
应用BW止水条时, 须将混凝土粘贴面凿平, 清扫干净后, 抹一层水泥浆找平压光带, 利用材料本身的黏性, 直接粘贴于混凝土表面, 接头部位钉钢钉固定。
2.3 施工缝的处理
在施工缝处继续浇筑混凝土时, 应符合下列规定:
( 1) 已浇筑的混凝土, 其抗压强度不应小于1.2 MPa。
( 2) 在已硬化的混凝土表面上, 应清除水泥薄膜和松动石子以及软弱混凝土层, 并加以充分湿润和冲洗干净, 且不得积水。
即要做到: 去掉乳皮, 微露粗砂, 表面粗糙。
( 3) 浇筑前, 水平施工缝宜先铺上10 mm~15 mm 厚的水泥砂浆一层, 其配合比与混凝土内的砂浆成分相同。
( 4) 混凝土应细致振捣密实, 以保证新旧混凝土的紧密结合。
( 5) 防水混凝土结构设计, 其钢筋的布置和墙体厚度均应考虑方便施工, 易于保证施工质量。
( 6) 防水混凝土应连续浇筑, 宜少留置施工缝。
当需留置施工缝时,应遵守下列规定: 第一, 底板、顶板不宜留施工缝, 底拱、顶拱不宜留纵向施工缝。
第二, 墙体不应留垂直施工缝。
水平施工缝不应留在剪力与弯矩最大处或底板与侧墙交接处, 应留在高出底板表面不小于300 mm 的墙体上。
当墙体有孔洞时, 施工缝距孔洞边缘不应小于300 mm。
拱墙结合的水平施工缝, 宜留在拱( 板) 墙接缝线以下150 mm~300 mm 处, 先拱后墙的施工缝可留在起拱线处, 但必须注意加强防水措施。
缝的迎水面采取外贴防水止水带, 外涂抹防水涂料和砂浆等做法。
第三, 承受动力作用的设备基础不应留置施工缝。
( 7) 高度大于2 m 的墙体, 宜用串筒或振动溜管下料。
3 处理施工缝在施工过程中出现问题的措施
3.1 出现问题的现象
施工缝在施工过程中出现的问题主要表现为以下几种现象: 施工缝处混凝土骨料集中,混凝土酥松, 新旧混凝土接茬明显, 沿缝隙处渗漏水等。
3.2 处理问题的措施
( 1) 出现问题较多的部位一般还是地下部分, 而且由于其通常情况下都有防水的要求,根据施工缝渗漏水情况和水压大小, 采用促凝胶浆或氰凝( 丙凝) 灌浆堵漏, 其方法见“ 地下防水工程堵漏技术”。
( 2) 对于不渗漏水的施工缝出现缺陷后, 可沿缝剔成V 形槽, 遇有松散部位, 须将
松散石子剔除, 刷洗干净后, 用高强度等级水泥素浆打底,抹1∶2 水泥砂浆找平压实。
4 结语
施工缝处渗漏水是常见的工程弊病, 尤其是地下室混凝土外挡墙,但是如能采用较好的接缝形式。
] 摘要: 分析了施工缝在施工过程中出现的问题, 探讨了问题产生的原因, 对如何预防和解决施工过程中施工缝的问题提出了合理化建议。