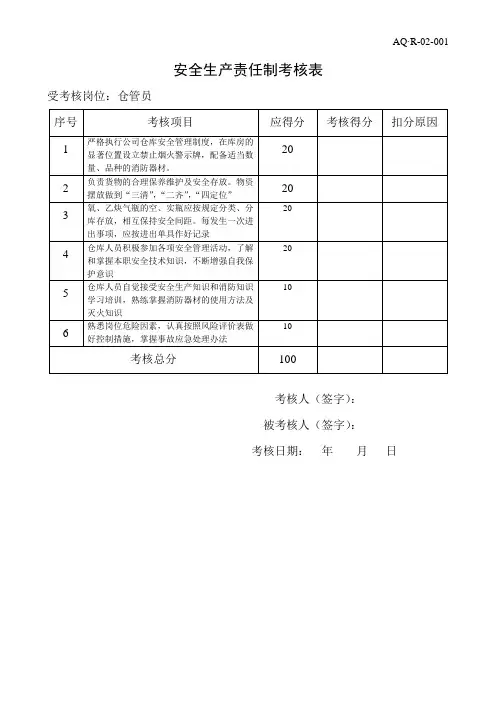
仓储部安全生产责任制考核表
- 格式:doc
- 大小:22.50 KB
- 文档页数:1
库管员安全生产责任制考核表一、考核目的库管员是企业物流管理中不可或缺的一环,其工作事关企业物资是否安全可靠,因此,库管员必须严格遵守安全操作规程,履行好安全生产责任,确保库房安全。
本考核表旨在规范库管员的行为规范,为了让库管员了解其安全生产责任,全面落实企业安全生产管理工作。
二、考核内容1. 安全生产规程库管员必须遵守企业安全生产规程,熟知本职工作的安全操作流程和相关安全设施设备的使用方法,对库房的安全防范措施进行巡查和检查,如防火设施、防爆设备、危险品的存储,确保库房符合安全生产要求。
评分标准:考核指标评分熟知安全生产规程以及本职工作的安全操作流程和安全设施使用方法10对库房的安全防范措施进行巡查和检查10库房符合安全生产要求102. 库房防火和防爆库房必须定期进行防火和防爆检查,库管员要及时发现库房中存在的危险品、易燃易爆物品,合理存储和管理,严格执行防火和防爆制度,对于库房中的火灾或爆炸事故进行紧急处理,确保库房安全。
评分标准:考核指标评分按照规定执行定期防火和防爆检查20发现库房中存在的危险品、易燃易爆物品,并进行合理存储和管理20对于库房中的火灾或爆炸事故进行紧急处理20确保库房安全203. 货物安全管理库管员要加强货物的安全管理,对异常货物及时发现,认真核对货物的物品名称、品牌、规格和数量等信息,确保货物不被损坏或遗失。
对于出库物品必须核对清单,并进行严格的验收操作。
评分标准:考核指标评分按规定加强货物的安全管理20对异常货物发现及时并进行处理10货物信息的核对、登记、保管完好10对出库物品核对清单并进行严格的验收操作104. 库房卫生和治安管理库房必须保持良好的卫生和治安。
库管员要做好库房内的卫生管理,把卫生做到彻底、细致、干净,防止因库房杂物等影响库房内治安。
评分标准:考核指标评分做好库房内的卫生管理20库房内的卫生做到彻底、细致、干净10考核指标评分库房内的治安保持良好10三、考核总分考核项均分为60分,考核满分为60分,考核总得分为以上4项的总得分,最高得分为60分。
(年)主要负责人安全生产考核与奖惩评定表
被考核人:职务:部门:
考核人(安全委员会成员组) :日期:
第 1 页共 6 页
(年)仓储部经理安全生产考核与奖惩评定表被考核人:职务:部门:
考核人(主要负责人):日期:
第 2 页共 6 页
(年)管理人员安全生产考核与奖惩评定表
被考核人:职务:部门:
考核人(部门负责人):日期:
第 3 页共 6 页
(年)安全管理安全生产考核与奖惩评定表
被考核人:职务:部门:
考核人(部门负责人):日期:
第 4 页共 6 页
(年)班组人员安全生产考核与奖惩评定表
被考核人:职务:部门:
考核人(部门负责人):日期:
第 5 页共 6 页
(年)财务管理安全生产考核与奖惩评定表
被考核人:职务:部门:
考核人(主要负责人):日期:
第 6 页共 6 页。
仓储部安全生产责任制考核表
序
号
考核项目扣分标准应得分扣减分实得分
1制定,执行和改进仓储管理制度
及作业流程,并监督确保其有效
实施
未制定管理制定及作业流程扣20分;
未执行仓库管理制定,每次扣5分;
20分
2组织部门内的安全综合检查和
隐患排查,对查到的事故隐患,
制定和落实隐患排查措施,按时
进行整改,并按要求及时反馈
未组织部门内部的安全综合检查扣20分;
对查到的隐患未及时的进行跟踪整改,每项扣2分;20分
3组织安全教育和考核工作,坚持
“三级”安全教育培训和特种作
业人员持证上岗率达百分之百
未按照要求进行安全教育培训,每缺少一次扣5分20分
4协助财务部对仓库的管理工作,
参与财务部定期组织的盘点对
账工作以及组织部门人员定期
进行盘点核对工作
未协助财务部对仓库的管理工作扣10分;
未及时组织部门人员进行盘点核对工作每次扣5分20分
5
负责现场的物资及仓库的安全
防火、防盗、隐患排查整改工作,
杜绝安全隐患
未做好现场物资及仓库的防火防盗工作扣20分20分考核项目合计100分考核结果处理意见
被考核人签字考核人签字
考核日期:年月日。
安全生产责任制考核记录表
该考核记录表用于对安全生产责任制的履行情况进行评估和记录。
以下是该表格的具体内容:
一、基本信息
二、考核内容
1. 安全生产管理体系建设
2.
安全生产责任落实情况
3. 安全生产纪律执法情况
4. 安全生产绩效与考核
5. 安全应急管理情况
三、总结与评价
根据考核记录表中各项指标的得分,对被考核单位的安全生产责任制履行情况进行总结和评价。
四、改进措施
根据总结和评价结果,提出被考核单位在安全生产责任制落实方面需要改进的措施和建议。
五、考核人员意见
考核人员根据实地考察和数据统计,填写自己对被考核单位安全生产责任制履行情况的意见。
六、相关附件
将与安全生产责任制考核相关的文件附在此处,如安全生产责任制文件、事故应急预案等。
以上是《安全生产责任制考核记录表》的内容概述。
请根据需要填写具体的考核得分和评价。
仓储部安全生产指标考核表
序号
考核项目
考核分数
考核细目
自评分
考核得分
1
贯彻落实安全生产法律规
5
有违反安全生产法律法规的不得分
2
贯彻落实安全生产规章制度
5
有违反安全生产规章制度的不得分
3
落实安全责任
30
※生产责任死亡事故率0
※重大安全责任事故率0
※生产责任事故负伤率0
用电安全事故0
※重大火灾事故率0
责任人安全会议参加率98%
安全隐患整改落实率100%
全员安全培训教育合格率100%
安全事故责任追责落实率100%
安全事故整改措施落落实率100%
全体员工健康检查率100%
按安全管理要求组织安全培训率100%
4
落实业务保安责任
10
发生负同责以上道路交通事故扣10分
5
参加项目不安全会议
20
每少参加一次扣5分(事故请假的扣3分)6
参加安全大检查
20
每少参加一次扣5分(事故请假的扣3分)7
社会综合治理
10
发生违法犯罪的扣5分
发生违纪案件的扣5分。