油罐防腐工程施工设计
- 格式:doc
- 大小:638.50 KB
- 文档页数:57
【储油库油罐及附件防腐】外防腐工程施工方案会签栏编制:审核:批准:1 工程概况本工程名称为储油库油罐及附件防腐外防腐工程,工程地点为机场储油库内,针对施工对储油库工作运行的影响,为了确保安全,又有利于施工缩短建设工期,减小施工难度,为确保本防腐工程质量,尽量减少影响,特制定此方案。
所用材料为:丙烯酸聚氨酯漆,底漆选用“关西”牌环氧富锌底漆,中间漆采用特种环氧漆EX—500(灰色),面漆选用“关西”牌聚氨酯面漆RETAN 6000(根据业主方要求选用白色等)。
2 腐蚀介质及环境状况2。
1位置:室外露天2.2腐蚀环境:大气、日晒、雨露、紫外线2.3压力:常压3 编制依据3.1 业主方提供的资料及要求3.2 SH3022-99 《石油化工设备和管道涂料防腐蚀技术规范》;3.3 GB8923-88 《涂装前钢材表面锈蚀等级和除锈等级》;3.4 HGJ229-91 《工业设备、管道防腐蚀施工验收规范》;3。
5 GB50205-2001 《钢结构工程施工质量验收规范》根据国家相关标准和业主方要求,根据不同设备采用不同的工艺方案。
4 丙烯酸聚氨酯漆防腐工程施工方案4.1 材料选择4.1。
1采用中远关西涂料化工(上海)有限公司生产的“关西”牌聚氨酯面漆RETAN 6000(白色)(颜色由业主方指定),涂刷环氧富锌底漆两遍、环氧漆 EX-500两遍、聚氨酯面漆 RETAN 6000两遍。
4.1.2管线形象标识、颜色按成都分公司储油库要求执行。
4.2 主材主要技术指标聚氨酯面漆 RETAN 6000产品特性:良好的光泽、耐候性;良好的耐海水性、耐油性;极好的耐腐性;适用于各种涂装配套;干燥迅速;不含氯。
聚氨酯面漆 RETAN 6000是用新型隔热材料,采用薄涂膜层的形式,达到隔热降温的效果。
尤其在夏季高温环境中的液化气罐、油罐车、贮油罐、各类化工原料罐等,可减少原降温措施所需要的能源消耗(如用喷淋装置使油罐在夏季高温环境下保持一定的较低温度),并改善了环境。
**工程施工方案(干法喷砂除锈)1 喷砂除锈2 防腐工程2.1 一般规定2.2 罐底防腐2.3 罐壁防腐2.4 浮盘防腐2.5 管道防腐3 保温工程3.1 设备保温3.2 管道保温本工程是30万吨级原油码头的后方配套罐区,包括4台5万m3原油储罐,6台10万m3原油储罐,储罐加热盘管,储罐基础,罐区围墙(含围墙)以内的场坪、道路,单体建筑,地下管网,钢结构管架及管架基础,工艺设备系统,钢结构梯子平台,涉及以上工艺的防腐保温、管线电伴热系统,所有防雷接地,消防系统,工艺一次仪表,二次仪表的取源部件安装,各类罐、设备和管道标识,工艺单机调试、系统调试等。
除锈防腐:除锈采用干法喷砂的除锈方法,防腐采用喷涂和刷涂相结合的方法。
1 喷砂除锈本工程根据招标书和相关技术文件要求,钢材表面处理等级为Sa2.5级,根据工程实际情况,确定采用干法喷砂除锈。
施工时按国家现行规范GB8923-88《涂装前钢材表面锈蚀等级和除锈等级》执行。
1 本工程钢材表面处理质量等级要求达到Sa2.5级,为非常彻底的喷射,处理后要求钢材表面无可见的油脂、污垢、氧化皮、铁锈和油漆涂层等附着物,任何残留的痕迹应仅是点状或条纹状的轻微色斑。
2 采用干法喷砂法除锈,喷砂方法如图1-1所示。
3 喷砂材料选用质坚有棱角的石英砂或硅质河砂,砂子必须净化,不得含有油污;砂子使用前应经筛选,粒径应全部通过3.2mm筛孔,不通过0.63mm筛孔,0.8mm筛孔筛余量不小于40%;砂子必须干燥,含水量不大于1%;砂子可重复使用,但必须符合上述规定。
4 喷砂材料的堆放场地及施工现场应平整、坚实,防止砂子受潮、雨淋或砂内混入杂质。
图1-1 干法喷砂法除锈图5 干法喷砂后的金属表面不得受潮。
6 当金属表面温度低于露点以下3℃时,干法喷砂操作应停止;7 空压机规格型号选择时,其额定压力应不低于6kg/cm2。
8 喷嘴入口处最小空气压力约为5kg/cm2,喷嘴出口端的直径磨损量超过起始内径的二分之一时,喷嘴不得继续使用。
成品油罐内外壁防腐工程施工方案投标单位:年月日施工方案此工程系新建工程,防腐介质主要为汽油、柴油、盐及油水混合物,化工大气等,所用材料由甲方指定的防腐涂料。
外壁:施工工艺:喷砂除锈――空气吹扫――刷环氧富锌底漆一遍――干燥――检查――刷环氧云铁中间漆两遍――干燥――检查—刷BS—01聚氨酯面漆两遍――验收-—投入使用。
1.环氧富锌底漆是由环氧树脂,锌粉,固化剂等配制而成,双组份包装,具有耐油耐水性好,防锈性能优异,具有良好的阴极保护作用,广泛用于桥梁,冶金,矿山,造船,化工,车辆制造,石油钻井,码头钢桩等大型钢结构的防护。
2.环氧云铁以聚酰胺固化环氧为基料,云铁为防锈颜料的双组份厚涂封闭底漆。
用于富锌底漆表面和适当处理的镀锌钢板上,具有优异的附着力和封闭作用。
对喷砂钢板具有优异的附着力。
优异的耐磨性、耐久性。
优异的耐候性、耐热水性。
良好的配套性。
可作为环氧富锌、无机锌底漆等得中间层,也可直接做防锈底漆用。
3.聚氨酯面漆是以含羟树脂,助剂,耐候性好的颜料与固化剂配制而成,漆膜具有良好的耐冲击性和耐磨性,漆膜坚韧丰满,色泽光亮,具有优异保光和保色性,耐油,耐苯类溶剂和化工大气气腐蚀,适用于船舶,码头,桥梁或钢结构和各类储罐的防腐.内壁:施工工艺:喷砂除锈—刷环氧导静电防腐涂料底漆两遍—干燥检查—刷环氧导静电防腐涂料面漆两遍-检查验收环氧导静电涂料是以耐蚀环氧树脂,氨基树脂为基料,添加复合型导电填料和导静电剂及助剂配制而成,分甲乙双组份包装.具有优良的附着力,柔韧性和抗冲击性,良好的耐油性和耐腐蚀性,使用后不溶解,不溶涨,具有良好的抗静电性能。
主要用于装载原油,汽油,航空汽油,煤油,石脑油及苯类的舱室和贮罐内壁的抗静电和防腐蚀保护,也可用于其他需要抗静电的场所。
基层处理:1、基层处理采用喷砂除锈法,喷砂除锈采用加压式干法喷砂,利用空气压缩机所产生的空气压力将砂子喷到金属表面,凭其冲击力、摩擦力除去锈蚀、杂物,生产效率高、处理质量好,处理过的金属表面会有一定的粗糙度,可以增加涂层的附着力。
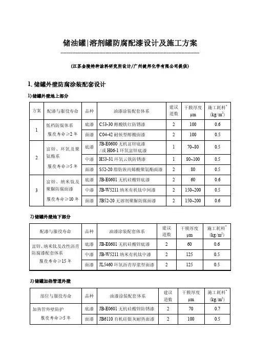
储油罐|溶剂罐防腐配漆设计及施工方案---------------------------------------------------------------------------------------------(江苏金陵特种涂料研究所设计/广州健邦化学有限公司提供)1.储罐外壁防腐涂装配套设计1)储罐外壁地上部分 方案配漆与服役寿命 品种油漆涂装配套体系建议 道数 干膜厚度 μm 施工耗料* (kg /m 2) 底漆 C53-30醇酸铁红防锈漆 2 100 0.6 1低档防腐体系 服役寿命≥2年 面漆 C04-42耐候型醇酸面漆 2 100 0.5 底漆JB-E0600无机富锌底漆 /或H06-1环氧富锌底漆1 70~80 0.5 中漆 H53-31环氧云铁防锈漆 1 80~100 0.5 2富锌、环氧及聚氨酯系服役寿命≥5年面漆 S52-20脂肪族丙烯酸聚氨酯面漆 2 80 0.5 底漆 JB-E0601无机硅酸锌底漆 2 60 0.6 中漆 JB-W5211纳米有机钛中间漆 2 150~200 0.5 3富锌、纳米钛及聚脲防腐面漆 服役寿命≥10年面漆 JB52-20无溶剂聚脲防腐面漆2150~2000.62)储罐外壁地下部分配漆与服役寿命 品种油漆涂装配套体系建议 道数 干膜厚度 μm施工耗料* (kg /m 2)底漆 JB-E0601无机硅酸锌底漆 2 60 0.6 中漆 JB-W5211纳米有机钛中漆 2 125 0.5 富锌、纳米钛及改性沥青防腐漆配套体系服役寿命≥15年面漆 JL5460环氧沥青厚浆型面漆21250.53)储罐加热管道外壁部位与服役寿命 品种油漆涂装配套体系建议 道数 干膜厚度 μm 施工耗料* (kg /m 2) 底漆 JB-E0601无机硅酸锌防锈漆 2 70 0.7 加热管外壁防护服役寿命≥5年面漆 JB6110有机硅银灰耐热面漆21000.52.储罐内壁防腐涂装配套设计部位与服役寿命 方案品种油漆涂装配套体系建议 道数 干膜厚度 μm 施工耗料* (kg /m 2) 底漆 JB-E0601无机硅酸锌底漆 2 60 0.6 中漆 H53-31环氧云铁防锈漆 1 100 0.5 1面漆 JB-H5230环氧厚浆型面漆 2 160 0.8 底漆 JB-E0601无机硅酸锌底漆 2 50~70 0.6 2面漆 JB7001环氧玻璃鳞片涂料 2 160 0.8 (1)罐内底板及罐壁底下1.5~2m 部分(本方案适用于汽油、柴油、煤油、生物柴油、基础油、混合芳烃、重芳烃、石脑油、烷基化汽油、溶剂油、加氢柴油、重整油、抽余油和C9) 服役寿命5~8年 3底面 合一 JB7002无溶剂环氧玻璃鳞片防腐漆2 200 1.0 底漆 JB-E0601无机硅酸锌底漆 2 60 0.6 中漆JL54-环氧耐油防静电防腐涂料中漆(黑色)2 160 0.8 1 面漆环氧耐油防静电防腐涂料面漆(浅色) 2 160 0.8 底漆 JB-E0601无机硅酸锌底漆 2 50~70 0.6 中漆JB-W5211纳米有机钛化学品储罐导静电中漆(黑色) 2 160 0.8 (2)1.5~2m 以上罐内壁和浮顶下表面等与油品接触面(本方案适用于汽油、柴油、煤油、生物柴油、基础油、混合芳烃、重芳烃、石脑油、烷基化汽油、溶剂油、加氢柴油、重整油、抽余油和C9) 服役寿命≥5~10年 2面漆JB-W5211纳米有机钛化学品储罐导静电面漆(黑色) 2 160 0.8 底漆 JB-E0601无机硅酸锌底漆 2 60 0.6 中漆 JB-W5211纳米有机钛中漆 2 160 0.8 (3)热油罐(80℃以上)及混有部分溶剂(如乙醇等)的油罐内壁服役寿命≥5年 1面漆 JL-ET98水性磷酸盐面漆 2 120 0.8 底漆 JB-E0601无机硅酸锌底漆 2 50~70 0.6 中漆 JB-W5211纳米有机钛中漆 2 160 0.8 (4)罐内壁和浮顶下表面等与油品接触面 服役寿命≥8年 2 面漆 环氧酚醛油罐涂料(浅色) 2 160 0.8 底漆 JB-E0601无机硅酸锌底漆 2 50~70 0.6 中漆JB-W5211纳米有机钛化学品储罐导静电中漆2 160 0.8 (5)溶剂类储罐内壁(甲醇、乙醇、乙二醇、正丁醇、异丁醇、甲基叔丁基醚MTBE )服役寿命≥10年 1面漆JB-W5211纳米有机钛化学品储罐导静电面漆(黑色) 2 160 0.8 底漆 JB-E0601无机硅酸锌底漆 2 60 0.6 中漆JB-W5211纳米有机钛化学品储罐导静电中漆2 160 0.8 (6)溶剂类贮罐内壁(丙酮、醋酸丁酯、纯苯、甲苯、混苯、二甲苯)服役寿命≥10年1 面漆JL-ET98水性无机磷酸盐耐强溶剂面漆(浅色) 21200.8底材热喷铝镀层 1 200 - (5~6)溶剂类贮罐内壁(醇、酯、酮、苯类溶剂) 服役寿命≥10年2封闭JB-W5211纳米有机钛化学品储罐导静电面漆(黑色)2 160 0.8注:*施工耗料为理论涂布率×损耗系数计算而得。
农安油库防腐施工组织设计吉林安装集团股份有限公司2016年2月目录施工组织设计 (1)第一章工程概况 (1)第二章项目执行计划 (2)第三章原材料配比方案 (9)第四章施工方案 (12)第五章确保工期的施工技术组织措施 (23)第六章HSE管理规划 (28)第七章确保工程质量的技术组织措施 (36)第八章确保安全生产的技术组织措施 (42)第九章雨季施工防护措施 (45)第十章确保文明施工的技术组织措施 (47)第十一章服务承诺书 (50)施工组织设计第一章工程概况一、工程概况1、项目名称:农安油库防腐工程2、施工内容:(1)油罐防腐刷漆;(2)油罐区输油管线、支架、踏步防腐刷漆;(3)铁路卸油区栈桥及管线、踏步防腐刷漆;(4)完善油罐罐体标识,管线指示标识及编号3、质量要求:(1)防腐涂料的选择需满足《石油化工设备和管道涂料防腐蚀设计规范》(SH/T 3022-2011)要求,施工质量需满足《工业设备及管道防腐蚀工程施工质量验收规范》(GB50727-2011)要求。
(2)油罐罐顶、罐壁清除剥离漆皮,除锈达到St3级,钢材表面应没有附着不牢的氧化皮、铁锈等附着物。
(3)涂层应符合“聚氨酯底漆两遍、云铁中间漆一遍、聚氨酯面漆两遍”的工艺要求。
4、承包方式:包工包料。
5、工期要求:40天6、二、工程特点1、该工程全部为高处作业,且在油罐区内,对安全系数要求较高,施工环境为室外自然环境,受天气影响突出,因此现场应精心安排,合理调度,穿叉有序施工。
2、本工程除锈及涂装是工程进度及质量控制的重点,应有专人负责,确保施工进度的要求和质量。
3、保证钢材表面除锈后无可见的漆皮、污垢、氧化皮等附着物,防腐后保持表面色泽一致、平整光滑是本工程施工的核心,把各项保证质量措施落实到具体人员上。
4、因施工现场在库区,且生产与施工同时进行,因此要加强现场管理,施工安全防护、防火防爆工作,降低施工噪音。
第二章项目执行计划第一节施工部署准备一、施工组织计划高素质的施工队伍是高质量工程的有力保障。
油罐防腐工程施工方案一、施工人员配备与计划人员配备:项目经理:负责整体项目进度和质量控制。
技术负责人:负责技术方案编制与现场技术指导。
安全员:负责施工现场安全管理与监督。
防腐涂装工:具备防腐涂装专业知识和技能的操作人员。
辅助工:协助进行材料搬运、设备操作等辅助工作。
施工计划:根据油罐的规模、涂层要求及工期要求,制定详细的施工进度计划。
合理安排人员轮班,确保施工连续进行,提高施工效率。
二、材料设备准备防腐材料:选择符合设计要求的底漆、中间漆和面漆。
确保所有涂料产品具有合格证明和质量保证文件。
施工设备:准备喷涂机、砂轮机、搅拌器、滚筒等涂装设备。
配备必要的检测仪器,如涂层厚度计、湿度计、温度计等。
辅助材料:准备足够的稀释剂、清洗剂、防护用品等辅助材料。
三、施工安全措施安全培训:对施工人员进行安全教育和培训,提高安全意识。
安全防护:施工现场设置安全警示标识,配备必要的安全防护设施。
施工人员佩戴劳保用品,如安全帽、手套、防护眼镜等。
防火措施:严格执行防火规定,禁止现场吸烟和明火作业。
准备消防器材,确保在紧急情况下能够及时灭火。
四、底漆与防腐涂装表面处理:对油罐表面进行彻底清洁,去除油污、锈迹等杂质。
使用砂轮机进行表面打磨,提高涂层附着力。
底漆涂装:按照涂料说明书的要求进行底漆的稀释和搅拌。
使用喷涂机或滚筒进行底漆涂装,确保涂层均匀、无漏涂。
中间漆与面漆涂装:在底漆干燥后,进行中间漆和面漆的涂装。
注意控制涂层厚度,避免过厚或过薄。
五、涂装质量检验涂层厚度检测:使用涂层厚度计对涂层厚度进行测量,确保符合设计要求。
外观检查:对涂层进行目视检查,确保涂层光滑、无气泡、无裂纹等缺陷。
附着力测试:进行涂层附着力测试,确保涂层与基材之间的附着力符合要求。
六、现场整理与清理设备归位:施工结束后,将所有施工设备归位,确保现场整洁。
废料处理:对施工过程中产生的废料进行分类处理,符合环保要求。
七、施工监控与调整施工进度监控:定期对施工进度进行检查,确保按计划进行。
储油罐防腐施工方案doc.完整版范本 1:一、储油罐防腐施工方案1.1 施工目标本方案的目标是确保储油罐的防腐性能,提高其耐久性和安全性,防止腐蚀损坏和泄漏。
1.2 施工范围本方案适用于所有储油罐的防腐施工工程,包括表面处理、涂层施工和防腐性能测试等工作。
1.3 施工流程1.3.1 储油罐表面清洁对储油罐表面进行清洁,去除污垢、油漆残渣和杂质,确保表面光滑干净。
1.3.2 表面处理针对储油罐表面的材质和腐蚀程度,选择适当的表面处理方法,例如喷砂、打磨或酸洗等,以去除锈蚀和松散部分。
1.3.3 涂层施工根据储油罐的使用环境和要求,选择合适的涂料和施工方法进行涂层施工。
确保涂层的附着力和完整性,并注意施工环境的温度和湿度。
1.3.4 防腐性能测试施工完成后,对储油罐进行防腐性能测试,包括耐腐蚀性能、涂层密封性能和耐磨损性能等。
1.4 施工要求1.4.1 施工环境要求储油罐表面施工应在干燥、无尘和无湿度变化的环境下进行,避免雨水、污染物或颗粒物对施工质量的影响。
1.4.2 施工材料要求选择符合国家标准的防腐涂料和相关材料,并按照施工要求进行储存和使用,确保质量和性能的稳定。
1.4.3 施工工艺要求按照产品说明书或施工规范要求进行涂层施工,确保施工工艺的准确性和可行性。
二、附件本文档涉及的附件包括储油罐防腐施工的图纸、工艺流程图和产品说明书等。
三、法律名词及注释1. 防腐涂料:一种用于保护金属或混凝土表面免受腐蚀损害的涂料,具有耐化学腐蚀、耐磨损和耐温性能等特点。
2. 施工规范:根据工程需要和行业标准制定的一套施工要求和操作规范。
范本 2:一、储油罐防腐施工方案1.1 施工目标和意义储油罐作为一种重要的液体储存设施,其防腐性能直接关系到储存内容物的质量和安全。
本方案旨在提供全面、科学的储油罐防腐施工方案,确保其长期稳定的使用和安全。
1.2 施工范围和内容本方案适用于各种储油罐的防腐施工,涉及表面处理、涂层施工和质量检测等各个方面。
油罐防腐保温施工方案〈div style=’padding:10px 5px 0px 20px;margin:10px 0px 0px —15px;'1。
油罐防腐保温施工方案2. 油罐区储罐防腐保温工程施工方案3。
油罐防腐保温施工方案4. 油罐防腐保温施工方案1、油罐防腐保温施工方案一、工程简介油罐所处环境为室外,以前施工选用的防腐材料为调合银粉漆,经过多年风吹日晒雨淋,现已大面积空鼓、脱落,罐体锈蚀严重,为设备安全带来很大隐患,为此需对其重新进行防腐处理.二、材料选择根据现场所处环境及各种涂料的使用性能和多年的施工经验,这次选用的材料底漆为新型带锈防锈底漆,该涂料不仅适用于各种钢材带锈的防腐处理,而且适用于混凝土、木材等非金属的防腐,是一种使用广泛、防腐效果好的新型防腐涂料,该涂料为渗透型涂料,对除锈质量要求不高,涂液可直接渗透金属表面将锈蚀转化,适合现场不能采用机械除锈而导至的除锈质量的问题,减少了劳动强度、节约了人力物力,施工简单方便、既可涂刷、滚涂,也可以喷涂,涂层在各种基层材料的自由伸缩和机械伸缩下,涂层均能适应,不会脱落也不会开裂,从而能够保证涂层的防腐质量和防腐寿命。
面漆采用高氯化聚乙烯防腐涂料(高氯化银粉漆),该涂料由高氯化聚乙烯、改性树脂、增塑剂、颜填料、助剂和混合溶剂经研磨分散调配而成。
具有优良的耐大气老化性、耐盐雾性、耐油性、耐酸碱盐类腐蚀性、耐水、耐低温性,良好的物理机械性能,附着力强、漆膜坚韧、干燥快,可低温施工。
广泛用于冶金、石油、化工、能源等行业的化工管道、厂房等钢结构设备和设施以及酸、碱盐类贮罐外壁作防腐涂装。
三、施工工艺基层清理(除锈、脱漆)—---涂刷底漆一道--—-涂刷面漆两道1、基层清理a。
因油罐区属高度防火区域,所以不能再用磨光机作为除锈工具,只能使用手工除锈,工具选用铜质丝刷及铲刀等物,先用铲刀将原空鼓部位的旧漆膜铲掉,再用铜丝刷将锈蚀除去,有油污的部位可用棉纱蘸涂料稀释剂擦除。
油罐防腐施工方案在工业生产中,油罐是一个非常重要的设备,它用来存储各种类型的液体物质,需要具备良好的防腐能力以确保长期的使用安全。
油罐防腐施工方案是一个至关重要的环节,下面将介绍一套较为完善的防腐施工方案。
1. 表面处理在进行防腐施工之前,首先需要对油罐的表面进行处理,包括除锈和清洁工作。
使用合适的工具和材料对油罐表面进行除锈处理,确保表面光滑干净,去除锈迹和旧的涂层。
2. 底漆涂装在表面处理完成后,进行底漆的涂装。
底漆是整个防腐施工工艺的基础,它能够提供重要的防腐效果,增强附着力并提高表面平整度。
选择适合的底漆种类,按照规定的涂装方法进行操作,确保完整覆盖并达到规定的干燥时间。
3. 防腐涂料防腐涂料是防腐施工的核心,选择高品质的防腐涂料是确保施工效果的关键。
根据油罐的具体材质和使用环境选择合适的防腐涂料,保证其耐腐蚀性能和使用寿命。
在涂装过程中,要均匀涂抹,确保整体表面覆盖均匀,达到规定的干燥和固化时间。
4. 表面装饰在防腐施工完成后,可以根据需要对油罐表面进行装饰。
可以选择不同的漆面处理方式,增加油罐的美观性和耐用性。
在进行表面装饰时,要注意选用符合环保要求的装饰材料,确保施工质量。
5. 检测和验收防腐施工完成后,需要进行检测和验收工作。
通过相关的检测设备和方法对油罐的防腐效果进行测试,确保符合相关标准和要求。
验收合格后,方可投入正常使用。
综上所述,油罐防腐施工方案是一个关乎使用安全和设备寿命的重要工程,需要严格按照规定的工艺流程和标准操作。
只有确保每一个环节都到位并保质保量地完成,才能有效提高油罐的防腐能力,延长使用寿命,确保工业生产的安全顺利进行。
储罐防腐施工方案(1)
摘要
储罐作为一种储存化学品、石油、水等物质的设备,在长期使用的过程中,容易受到腐蚀的影响。
因此,对储罐进行防腐施工是非常重要的。
本文将介绍储罐防腐施工方案的相关内容,包括选择防腐材料、施工过程、注意事项等。
一、防腐材料的选择
在进行储罐防腐施工时,首先需要选择合适的防腐材料。
一般来说,常用的防腐材料有涂料、涂层、树脂等。
在选择防腐材料时,需要考虑储罐所存储物质的性质、储罐的使用环境、预算等因素,以确保防腐效果和施工质量。
二、施工过程
防腐施工的过程分为准备工作、表面处理、涂装和检查四个步骤。
首先进行准备工作,包括清洁储罐表面、修补表面缺陷等。
接着进行表面处理,一般包括除锈、除漆等工作。
然后进行涂装,根据选择的防腐材料进行涂装施工。
最后进行检查,确保施工工艺符合相关标准要求。
三、注意事项
在进行储罐防腐施工时,需要注意以下几个方面: 1. 环境因素:施工时需考
虑环境温度、湿度等因素,选择合适的施工条件。
2. 施工质量:施工过程中需要
严格按照防腐材料的使用说明和施工规范进行操作,确保施工质量达标。
3. 安全
保障:施工时需要采取必要的安全措施,保障施工人员的安全。
4. 预防措施:施
工完成后,需要进行定期检查和维护,预防意外事件的发生。
结论
储罐防腐施工是确保储罐长期使用的关键环节,选择合适的防腐材料、严格控制施工质量以及做好后期维护工作是保证储罐防腐效果的重要步骤。
只有在全面考虑各方面因素的基础上,才能制定出最合适的储罐防腐施工方案,确保储罐的安全和稳定运行。
工程名称:油罐翻新防腐工程工程地点:[具体地点]工程内容:对现有油罐进行翻新防腐处理,包括罐体内外壁的除锈、防腐涂层施工等。
二、工程目标1. 确保油罐翻新防腐后,满足长期使用要求,延长油罐使用寿命。
2. 确保翻新防腐工程质量达到国家标准,无安全隐患。
3. 确保工程进度、成本和质量的协调统一。
三、施工准备1. 施工组织成立油罐翻新防腐工程小组,明确各岗位人员职责,确保施工顺利进行。
2. 材料准备(1)防腐材料:选用优质环氧富锌底漆、环氧云铁中间漆、脂肪族聚氨酯面漆等。
(2)辅助材料:砂纸、钢丝刷、喷砂设备、涂料刷具等。
(3)施工工具:高压水枪、电焊机、切割机、水平尺、卷尺等。
3. 施工现场准备(1)清理现场,确保施工区域无杂物、无积水。
(2)设置安全警示标志,提醒施工人员注意安全。
(3)施工人员穿戴好防护用品,如安全帽、防尘口罩、工作服等。
四、施工工艺1. 罐体内外壁除锈(1)采用喷砂除锈,除锈等级达到Sa2.5级。
(2)清理除锈后的罐体表面,确保无油污、灰尘等杂物。
2. 防腐涂层施工(1)涂刷底漆:采用环氧富锌底漆,涂刷2道,每道涂层厚度大于50μm。
(2)涂刷中间漆:采用环氧云铁中间漆,涂刷1道,涂层厚度大于50μm。
(3)涂刷面漆:采用脂肪族聚氨酯面漆,涂刷2道,每道涂层厚度大于50μm。
3. 罐体内部防腐(1)对罐体内部进行除锈处理,除锈等级达到Sa2.5级。
(2)涂刷环氧耐油导静电底漆和面漆,底漆涂刷1道,面漆涂刷2道,涂层厚度大于200μm。
五、施工注意事项1. 施工过程中,严格控制涂层的厚度和均匀度,确保防腐效果。
2. 注意施工环境,避免涂层受潮、受污染。
3. 加强施工人员的安全教育和培训,确保施工安全。
4. 施工完成后,对涂层进行检查,确保无漏涂、气泡、脱落等现象。
六、施工进度安排1. 施工准备:3天2. 罐体内外壁除锈:5天3. 防腐涂层施工:7天4. 施工验收:3天总计:18天七、质量保证措施1. 严格按照国家相关标准和规范进行施工。
油罐防腐保温施工方案一、外壁防腐、保温方案一1.1方案一:油罐外壁:喷吵除锈达Sa21/2级,涂环氧云铁漆两道。
保温硅酸铝棉40厚一层,外护板采用0.7mm厚氟塑板压形板,安装时用自攻螺钉固定在支承件上,压形板上下左右搭接不应小于30毫米,接垃处抽芯螺钉固定,安装时应考虑包角板〔罐顶处〕、人孔的连接板等,下料时应做到准确无误。
施工中不能使用有明显的深、裂纹、痕的压形板,压形板安装时最好与保温施工同时进行以防保温材料被雨淋湿。
护板须采用φ5mm×19mm抽芯铆钉φ4mm×12mm;抽芯铆钉固定间距为250mm左右。
在开口处应用硅密封胶口防止雨水浸入,满足抗大风的要求。
支撑件焊接间距不得大于1.5米。
柴油罐内壁:喷砂喷砂除锈达Sa21/2级,防静电。
1.2油罐外壁防腐、保温方案二1.1方案一:油罐外壁:喷砂除锈达Sa21/2级,涂环氧云铁底漆两道,每层干膜厚度不小于80微米。
保温防火岩棉40厚一层,外护板采用0.7mm厚彩钢板压形板,安装时用自攻螺钉固定在支承件上,压形板上下左右搭接不应小于30毫米,接拉处用抽芯铆钉固定,安装时应考虑包角板〔罐顶处〕、人孔的连接板等,下料时应做到准确无误。
施工中不能使用有明显的深、裂纹、折痕的压形板,压形板安装时最好与保温施工同时进行以防保温材料被雨淋湿。
支撑件焊接间距不得大于2米。
护板须采用抽芯铆钉φ4mm×12mm;抽芯铆钉固定间距为250mm左右。
在开口处应用硅密封胶封口防止雨水浸入,满足抗大风的要求。
柴油罐内壁:喷砂喷砂除锈达Sa21/2级,环氧导静电油漆喷涂。
二、具体施工方法2.1防腐蚀工程外表处理金属除锈:除锈的好坏及除锈类型对保护金属的寿命有很大的影响。
1〕构件喷砂后应立即清扫干净,并立即进行质量检测合格后,交下道工序。
2〕喷砂经验收合格前方可进行下一道工序施工。
2.2防腐施工防腐漆施工在施工前应先查检漆的合格证、生产日期及检验报告。
施工组织设计一、工程概况:1、现场施工条件油料已倒运,油罐未通风。
2、工程名称: 68099 部队 2 组洞( 1#至 15#)油罐内防腐施工工程3、工程地点:陕西省宝鸡市68099 部队北星沟储存区内4、工程质量标准:符合兰州军区油罐清洗、除锈、涂装施工与质量检验规程5、工程内容:(1)500 立方米油罐内部清洗技术参数:直径:8.823 米,罐高:9.331米,壁高 7.370 米,顶高 1.961 米。
合计为 5077.158 ㎡6、工程概述:随着石油化工的迅速发展 , 各厂建立了很多大型贮油罐 . 无论油罐的大小 , 其设计使用寿命一般都为 20 年. 但由于其贮存的油品往往含有有机酸 , 无机盐、硫化物及微生物等杂质 , 会对钢铁造成腐蚀 , 这种腐蚀穿孔现象不仅使油品泄露 , 造成能源浪费以及污染、火灾、爆炸等危险的发生 , 而且由于腐蚀会引起油品的胶质、酸碱度、盐分增加, 影响油品的使用性 .6.1 、油罐的腐蚀种类(1) 化学腐蚀 , 主要发生在干燥环境下的罐体外壁, 一般腐蚀较轻.(2)浓差腐蚀 , 主要发生在油罐内壁液面以下 , 是由于氧的浓差引起的 .(3)原电池腐蚀 ,( 即电化学腐蚀 ). 电化学腐蚀是油罐内部最主要、最严重、危险最大的一种腐蚀, 主要发生在罐底、罐壁和罐顶.电化学腐蚀的阴极区和阳极去是由于材料的热应力, 机械应力 , 不同金属的相互接触以及金属材料本身的不均匀性( 如成分, 组织, 表面状态和腐蚀产物沉积) 等原因造成电极电位差别而形成的, 而油品中含有水、氯化物、硫酸钠和钙镁铁盐以及盐酸硫、氢硫酸等, 是造成电化学腐蚀的主要原因 .(4)硫酸盐还原菌及其他细菌引起的腐蚀 . 主要发生罐底 .(5)摩擦腐蚀 , 主要发生在浮顶罐的浮动伸缩部位 .6.2. 各种油罐的腐蚀情况一般重油油罐较轻一些 , 地面油罐较地下油罐腐蚀轻一些 . 地下油罐装轻质油品 , 手油品杂质和地下水的腐蚀穿孔 , 个别孔径达10~~20mm.重质油罐如原油罐 , 污油罐 , 润滑油罐底部腐蚀严重 , 其次是水油界面部位的腐蚀 , 油, 汽界面的腐蚀也较重 , 汽面顶部腐蚀则较轻 . 对于原油罐 , 腐蚀的主要原因是原油中含有环烷部分 , 原因是罐底原油析水中含有大量的渗透性很高的无机盐 , 一些盐可水解产生酸性成分, 首先引起均匀腐蚀和焊缝区的腐蚀 ; 其次 , 由于腐蚀产物的存在和水中盐分作用 , 造成电化学腐蚀 ; 另外罐底的无氧化条件很适合硫酸盐还原菌的生长 , 可引起严重的针状或丝状的细菌腐蚀 , 原油罐底部的加热管也因此腐蚀较重 . 有资料介绍 , 腐蚀严重的原油罐 , 仅 3-4年罐底和加热管就被腐蚀穿孔破坏 , 其腐蚀特征是产生斑点、坑蚀 , 最大穿孔直径可达15mm,最深 4-5mm,腐蚀速度一般为 0.4-0.8 mm/a, 最在可达 2 mm/a.轻质油罐如汽油罐、煤油罐、石脑油罐、柴油罐等的腐蚀情况随介质而异 . 汽油中的四已基铅、煤油中的硫化物和抗静电剂添加对碳钢都有腐蚀作用 . 汽油罐顶部和汽液面腐蚀严重 , 而在这些部位煤油引起的腐蚀次之 , 柴油引起的腐蚀则较轻 ; 石脑油 ( 如辽河盘锦石脑油 ) 的含硫量达 0.010 4%-0.002 8%, 含氯量0.00026%-0.00031%,可形成 HCL-H2S-H20 系统腐蚀 .无论是轻质油罐 , 还是重质油罐 , 其顶部腐蚀的主要原因都是由水蒸气、空气中的氧及油品中的挥发性硫化氢造成的电化学腐蚀; 而罐壁气液交替部位的腐蚀主要是由于氧的浓差电池引起的: 氧浓度高的部位为阴极 , 氧浓度低的部位为阳极; 罐底腐蚀主要是由油析水造成的腐蚀 , 这也是油罐腐蚀最重要的部位.碳钢材质在不同油品油罐中的腐蚀速度(mm/a)相位原油罐汽油罐航煤油罐柴油罐蜡油罐石脑油罐渣油罐污油罐气相0.06 0.25 0.16 0.29 0.03 0.34油相0.05 0.35 0.06 0.20 1.00 012-0.30 0.30 0.20-0.40水相0.30 0.17 0.14 0.07 1.00二、编制依据:1、《石油库设计规范》 GB50074-20022、《工业金属管道工程质量检验评定标准》GB50264-973、《防腐蚀工程施工操作规程》(YSY441-89)4、《军队油库清洗、除锈、涂装作业安全规程》YLB06-20015、《涂装前钢材表面锈蚀等级和除锈等级》(GB/T8923-88)6、《建设工程质量验收统一标准》(GB-50300-2001)7、《涂装前钢材表面预处理规范》SY/T0404-978、《石油化工安全技术规程》SH35059、《涂膜粘度测定法》(GB/T1738)10、《涂料固体含量测定法》(GB/T1725)11、《涂料产品的取样》(GB/T3186)12、根据招标文件说明二、主要施工方案和措施:1、施工部署:根据本工程特点及以往经验,将整个工程分为三个阶段:施工准备、施工生产、整理验收。
编制单位:编制人:编制日期: 2022 年 1 月 3 日依我公司多年从事油罐涂料的工程经验,油罐防腐是一项包括油罐除锈、焊逢打磨、防腐涂装等多项作业的组合,过程复杂,危(wei)险因素多,极易发生着火爆炸、人员中毒和工伤事故,在施工的全过程稍有疏忽就可能引起事故。
因此我们必须严密组织、精心施工,从各个方面入手,严格监控每一个环节,明确作业程序和操作规程,落实好各项安全技术措施。
一、工程概述本油罐为地面立式圆筒型钢制焊接、贮存植物食用油油罐:A 型油罐公称内直径为¢15800mm,罐壁高度13000mm,最大容积为2549m3,贮罐总高度14899mm,其中罐顶垂直高度为1899mm;B 型油罐公称内直径为¢10500mm,罐壁高度13000mm,最大容积为1126m3,贮罐总高度14262mm,其中罐顶垂直高度为1262mm;A 油罐6 个,B 油罐3 个。
二、施工工序及技术要求1、油罐罐体外壁、管道外壁及管架等钢结构表面(除镀锌表面外):喷砂(打磨)除锈均必须达到GB8923、SH3022- 1999 两者标准Sa2.5 级;环氧富锌底漆,最小干膜层厚度≥50 um,其中所用环氧富锌漆的干膜锌粉含量必须≥65%;环氧云铁防锈中间漆,涂层干膜厚度≥2×60 um;聚氨酯面漆,涂层干膜厚度≥2×35um;总干膜层厚度必须≥240um 。
质量标准达到优良,且防腐有效期达5 年或者以上(涂装5 遍油漆; (环氧富锌底漆一遍,最小干膜层厚度≥50 um ;环氧云铁中间漆二遍,涂层干膜厚度≥2×60 um,聚胺脂面漆二遍,涂层干膜厚度≥2×35um) 。
2、油罐罐顶内壁及油罐罐筒体内壁:喷砂(打磨)除锈均必须达到GB8923、SH3022- 1999 两者标准Sa2.5 级,用改性环氧食品级漆,涂层干膜厚度≥3×80um,总干膜层厚度必须≥240 um(涂装3 遍环氧食品级防腐涂料)。
一、工程施工难点的施工方案和保障措施及工程质量(一)、焊缝的喷砂施工方法1、由于钢材焊接后产生的焊渣等附着物比较牢固,按常规喷砂施工难以保证基面处理质量。
因此我们决定采用以下施工措施来确保喷砂施工的质量;2、磨料的选用A 磨料的形状、硬度、密度和粒度是影响表面清理质量和效率的四大因素。
只有选用适当的磨料,才能提高清理效率、降低成本,但磨料应有一定的表面粗糙度,使涂层获得足够的粘结力,对于环氧底漆而言,通常需要40-80μm的表面粗糙度;B 通常磨料可分为可重复使用的磨料和消耗型磨料,消耗型磨料只能被从复使用1-2次,因为它们的细颗粒会被嵌在焊缝表面。
而可重复使用的磨料其抗破坏能力高,可回收重复利用率高,但由于缺少棱角,不能产生理想的粗糙面,根据以上特点,我们选用石英砂或金刚砂等硬质磨料。
3、喷砂的操作准备A 喷砂操作应尽可能缩短风源与工作面之间的距离;B 整个喷砂系统内应尽量减少接头的数目,以利减少漏气,减少压力降;C 应用合适长度的管子,可减少无用长度带来的压力降,应使管子顺直,以免使管子磨损加快;D 软管之间应采用专用的快速扣接接头;E 使用耐磨衬里的喷嘴时,不可敲打,以免脆裂;F 露天放置的喷砂机要有防雨罩,过夜应将填料口平盖,以免露水在喷丸机内凝聚。
4、喷砂操作工艺A 由于罐体及焊缝上附有牢固的氧化皮和焊渣,喷砂时从焊缝一侧采用接近垂直的喷射角度来清理,并微微向下以减少迎面飞来的砂粒碎屑,然后再从焊缝另一侧采取同样的施工步骤;B 按压缩空气的工作压力,砂粒大小和锈蚀程度,可确定喷嘴距工作面距离,一般控制在100-200mm之间,最小不低于80mm;C 压缩空气应经冷却器、油水分离器及缓冲罐后方可进入砂罐和喷枪(嘴),压力不得低于0.55MPa;、D 操作时先关闭砂罐下面的阀门,再关闭进入贮砂罐和喷枪(嘴)的进气阀,然后打开砂罐侧部的(确认罐内压力为零后,才能打开罐上的装砂盖)放空阀,使砂罐顶部中心顶门下降到能够把装进砂罐的位置进行装砂;E 装砂后,先关闭放空阀,然后打开进气阀,使磨料罐顶部中心顶门上开至密封位置并经喷砂人员示意后,方可逐渐开启罐下出砂三通阀门,以正常喷出砂粒为准;F 按上述规定喷砂至合格标准,中途需暂停时,应先关闭贮砂罐的出砂阀;再关闭进气阀,需再喷时,则先打开进气阀,再打开出砂阀,才能进行喷砂;G 当喷嘴孔径磨损增大了25%或软管(输砂管)的厚度磨损65~70%时,应立即更换;H 构件喷砂后应立即清扫干净,用吸尘器、干燥洁净的压缩空气,硬鬃刷清除粉尘,并立即进行质量检验。
(二)、内壁涂装施工方法:1、内壁面积较大,为了方便施工,提高工作效率,我们决定采用目前最先进的涂装工艺——高压无气喷涂施工,该方法的优点是效率高、能耗低、漆膜外观平整光滑;2、高压无气喷涂就是将涂料装在密闭容器中,用高压泵将涂料送出(其压力在11.8~16.7MPa),这种高压漆液在经过特殊喷嘴喷出时体积发生激烈变化而雾化成微粒,高速喷射到被涂物面上,形成均匀的涂膜。
它主要由动力源、柱塞泵、涂料容器、蒸压器、输漆管及喷枪组成;3、高压无气喷涂所选择的涂料不易太稠,并用专用滤漆筛过滤,涂装黏度为14~16s;4、涂料配制时严格按照产品说明书要求比例配制,并充分搅拌均匀,稀释剂的加入量不应超过涂料总量的5%;5、根据施工人员数量及喷涂速度决定每次配制量;6、喷涂时,涂料应均匀一致,不得漏涂、流挂;7、上下两道涂料的喷涂方向应相互垂直;8、第一道底漆表干后,方可进行第二道底漆的涂装;9、施工环境湿度范围为-5~40℃,且必须高于底材露点以上3℃。
施工环境相对湿度不得大于85%。
二、除锈设备及除锈所达到的等级除锈设备主要包括空气压缩系统和喷砂系统两大部分。
(一)、空气压缩系统1、由于压缩空气在钢管和软管中流动时,由于与管壁的磨擦,造成压力损失,而压力损失随压缩空气压力升高而减少;2、压缩空气从空压机出口至喷嘴的过程中,湿度会逐渐下降,这样软管的长度和环境湿度也成了影响压力降的因素,通常采用高压机来补偿管道内的压力降;3、喷嘴压力达到0.63~0.77MPa,清理效果最好,而空压机的排气压力为0.7MPa 时,由于管路、流量阀和软管等的压力降,喷嘴处的工作压力只有0.5~0.56MPa。
因此提高有效工作压力就得选用排气压力高的高压机;4、因此,我们选用L-11/7型的高压空压机,它具有排气压力高,排气量大等特点,这样可以满足施工的需要。
(二)、喷砂机采用压出式1、压出式的工作原理是砂粒贮存在砂罐内,由压缩空气压缩后,从砂罐底部原料流量阀压出,通过三通管与压缩空气混合,经进一步增压提高流速,沿空气软管输送到喷嘴被喷出。
这种形式清理效率高,控制方便;2、本次工程选用容量大,外形轻巧,移动方便的压出式喷砂机。
(三)、选择出好的除锈设备以及熟练的操作人员才能使施工质量得以保障,确保除锈标准达到Sa2.5彻底清理级。
1、彻底清除金属表面的油污、软锈和其他附着物;2、较彻底清除硬锈,密实氧化皮,彻底清除旧漆膜和衬里层粘着物;3、金属表面呈现出比较均匀的银灰色金属光泽;4、金属表面有比较均匀的一定粗糙度;5、获得清洁、干燥的金属表面;6、允许硬锈、氧化皮、旧漆膜及衬里粘着物微量存在,金属点蚀孔深处有微量锈迹和旧漆点,导致金属表面仍有轻微阴影和色差。
三、防腐涂料的品牌目前,国内合资涂料生产厂家的涂料质量虽然很好,但价格偏高,我公司本着为业主着想、降低工程造价的原则,通过多方比较,从最优化的性价比入手,选择质量优、价格低的防腐涂料,我们决定向业主推荐由江苏兰陵化工(集团)公司生产的“兰陵”牌系列防腐涂料。
四、现场的环境保护1、进行喷砂施工时,在油罐的人孔处设置足够的送排风机,确保罐内粉尘含量的降低;2、罐外喷砂施工时,在施工现场周围搭设彩条护栏,以防止粉尘砂粒四处飞溅,也便于砂料的回收利用;3、施工中产生噪声应符合标准,对噪声源的重点设施、设备采取合理安排布局,加强设备润滑和维护保养,安装消音设施等有效措施,降低噪声频率,以减轻噪声对周围环境的影响;4、节约用电,减少能源消耗;5、施工中的废弃物,如油漆、稀料及其容器、废酸、废碱及废电池按指定地点存放,集中统一处理;6、积极推广使用环保材料及无污染配方;7、废水排放应符合有关排放标准;8、施工现场四周严禁乱扔废弃物,施工垃圾要集中存放,统一处理。
五、施工期间的施工安全(一)、建立健全安全生产责任制1、防腐专业施工队长是安全管理工作的主要负责人,组织全队安全施工,形成安全管理网络,每日班前要向施工人员进行安全交底;2、工程技术人员做好技术交底、按规范、标准、操作规程贯彻执行,推广使用现代化施工技术,发现违章人员有权制止和及时向上级汇报,参加安全事故调查分析工作;3、安全管理人员要做到跟班作业、跟班检查,发现施工安全问题和隐患立即处理,对违章人员有权制止。
经常检查进入施工现场人员的护品配戴,负责现场防火工作、监督检查安全措施,负责设置安全施工标志;4、每个作业人员要自觉执行安全法规,自觉佩戴好安全防护用品,每个作业者要做到工完料尽,搞好现场文明施工。
(二)、原材料储存安全技术措施1、防腐蚀工程用的原材料,应由生产厂家提供材料储存、保管、运输的特殊技术要求,入库储存要分类清点、分类存放;2、危险品要选择具有安全措施并与施工现场有相当安全距离的专用仓库储存;3、每种危险品在库内储存要保持适当的安全距离,并应设置明显安全标志;4、易燃、易爆、危险品存放区,应配备足够的灭火器,设置严禁动火标志,在其附近严禁动火;5、储存处应通风、阴凉、干燥、远离明火和热源,防止日光折射;6、各种物资分类单独存放,应将酸类、氧化剂等隔离存放;7、搬运过程应轻装轻卸,不得撞击、翻滚、倾倒,防止包装容器损坏;8、易燃、易爆材料存放间,采用防爆型电气装置,照明灯具应选用防爆型。
(三)、除锈及容器内作业安全技术措施1、喷砂作业区,应布置操作监护人员,无关人员不得进入作业场地;2、监护人重点监护内容有:喷砂罐、输砂高压胶管、空压机和喷砂作业区;3、喷砂工应穿戴好防护服、保护面罩、长袖手套,要保证喷砂操作者的供气畅通,要有合适气压和气量;4、压缩机和空气贮罐,按压力容器规定进行定期检查,要保证安全装置运行正常;5、喷砂过程中加强内外联系工作,规定专用联系信号,互相取得一致,方可作业;6、进行罐内作业要设专人监护施工、设置足够送排风机;7、防腐蚀施工,绝大多数在易燃易爆有害气体环境作业,应严格控制在有害气体作业时间,一般不超过0.5h,要配戴好防毒面具。
(四)、电气作业安全技术措施1、应由电气专业人员作业,操作时必须由二人以上,每个电业人员应持安全技术合格证上岗;2、电气设备必须有接地装置,手持电动工具应选用加强型绝缘,手持电动工具及照明设施应设置漏电安全保护装置;3、移动配线应使用橡皮绝缘软线,不得将移动电线置于通道处,要经常检查绝缘,保证接线绝缘良好;4、电气照明应采用低压电源,电压为12V,最高不得超过24V,应结合照明点设置并配有低压照明变压器,灯具采用防爆型;5、电气开关应设置在各类容器外面,要严防受潮和与易燃气体、腐蚀介质接触。
电气设备设置明显标志;6、工人应配备防静电工作服,防止操作时产生静电引起的易燃气体的爆炸;7、检测仪器的电源是否绝缘好,操作者要穿戴好绝缘手套和绝缘鞋。
(五)、起重脚手架作业安全技术措施1、高2m以上作业均称为高处作业,高处作业工作应佩戴好安全带和安全帽;2、对高处作业职工应进行定期医务检查,及时掌握职工身体状况,有高、低血压、弱视、听觉不灵者不允许参加高处作业;3、起重操作者必须做到持安全技术操作证上岗,无证人员不得参加作业;4、起重和运输过程,应按国家通用的起重信号进行指挥操作,无关人员不得靠近起重运输工作面;5、每日作业前要对起重设备、电源、刹车、种种绳索和滑车进行检查,发现问题应在及时修复和更换后方可使用,起重时不得超载运行;6、搭设的脚手架,最上层应形成阶梯平台,并应敷满跳板,设置安全网,便于工人操作;7、脚手杆立杆间隔为1850mm以下,第一步横杆在2m以下,以上各步横杆间隔应为1800mm,双排架宽在1500mm以内,应在脚手架内外侧设置45°的斜拉杆,最下层应有扫地杆.65113工程油罐防腐施工投标文件施工组织设计投标标段:第二标段投标单位:企业性质:有限责任法定代表人:编制日期:2006年5月15日本施工组织设计是针对65113工程油罐防腐施工第二标段而编制的,在编制过程以科学严谨、合理、务实为原则,严格按照国家行业标准规范、业主提供的招标文件进行了精心编制。
本施工组织设计为我公司就此项目的施工部署、工程施工方案、施工准备工作、施工总进度计划、资源配置计划、质量保证措施、HSE(健康、安全、环境保护、水土保持)管理措施、工期保证措施、冬雨季施工等方面的综合阐述,也是本项目施工过程的主要依据和指导性技术性文件。