利德华福高压变频器分析
- 格式:doc
- 大小:432.70 KB
- 文档页数:11
HARSVERT-VA系列无速度传感器矢量控制高压变频调速系统介绍2006年7月,在经历了长时间厂内试运行后,利德华福第一台HARSVERT-V A系列产品——DSP无速度传感器矢量控制高压变频器在河南某电厂顺利投入生产运行,这标志着利德华福的产品技术迈上了一个新的台阶,将国内同类产品的调速性能提高到与国外先进技术同步的水平。
HARSVERT-V A系列高压变频调速产品,采用高速数字信号处理器(DSP)芯片作为主控制芯片,结合先进的异步电机无速度传感器矢量控制技术,以启动转矩大,动态响应快为主要特征,将大大拓宽高压变频器的应用领域,为用户提供更高性能的交流传动。
HARSVERT-V A系列无速度传感器矢量控制高压变频调速系统产品具有以下主要功能:(1)V/f比恒定控制;(2)无速度传感器矢量控制;(3)速度闭环矢量控制;(4)高压掉电恢复自动重启;(5)任意转速下旋转启动;(6)单模块故障旁路功能;(7)异步电机参数自动检测;(8)各种故障分类处理,尽可能保证设备连续运行;然而,何谓DSP,何谓矢量控制,应用矢量控制会有哪些优点,矢量控制的基本原理是什么,如何使用HARSVERT-V A系列产品?从本期开始,将逐步分篇介绍DSP、矢量控制相关知识,以及HARSVERT-V A系列高压变频调速产品的应用知识。
第一篇DSP与矢量控制技术的发展背景HARSVERT-V A系列高性能高压变频调速产品,在以DSP为核心搭建的高性能控制器硬件平台上,结合先进的实用化的矢量控制技术,将异步电机的控制性能提高到一个新的高度。
其中,DSP是英文Digital Signal Processor的词头字母缩写,其含义为数字信号处理器,是一种对数字信号进行分析处理的专用芯片。
矢量控制,在国外多称为磁场定向控制(Field Orientation Control),其核心思想是以电机磁场为坐标轴基准方向,通过坐标变换的方法,实现对电机转矩和磁通的解耦控制。
利德华福高压变频器 Document number:PBGCG-0857-BTDO-0089-PTT1998利德华福高压变频器应用范围近年来,我国年工业生产总值不断提高,但是能耗比却居高不下,高能耗比已成为制约我国经济发展的瓶颈,为此国家投入大量资金支持节能降耗项目,其中高压变频调速技术已越来越广泛的应用在各行各业,它不仅可以改善工艺,延长设备使用寿命,提高工作效率等,最重要的是它可以“节能降耗”,这一点已被广大用户所认可,且深受关注。
从1998年开始,利德华福人通过一年开发,一年开局试验,一年市场考验,其研发制作的HARSVERT-A系列高压变频调速系统,完全具有自主知识产权,适合国内电网特性,符合国内用户使用习惯。
该系列高压变频调速系统自2000年投入国内市场后,在市政供水、电力、冶金、石油、石化、水泥、煤炭等行业陆续投入运行。
由于安装便捷、操作简单、运行稳定、安全可靠、维护方便,并在节能、节电、省人、省力、自动控制、远程监控等方面效果显着,以及优异的产品性价比和周到的服务,受到用户的广泛欢迎。
火力发电:引风机、送风机、吸尘风机、压缩机、排污泵、锅炉给水泵等冶金:引风机、除尘风机、通风机、泥浆泵、除垢泵等石油、化工:主管道泵、注水泵、循环水泵、锅炉给水泵、电潜泵、卤水泵、引风机、除垢泵等市政供水:水泵等污水处理:污水泵、净化泵、清水泵等水泥制造:窑炉引风机、压力送风机、冷却器吸尘风机、生料碾磨机、窑炉供气风机、冷却器排风机、分选器风机、主吸尘风机等造纸:打浆机等制药:清洗泵等采矿行业:矿井的排水泵和排风扇、介质泵等其他:风洞试验等系统原理HARSVERT-A系列高压变频调速系统采用单元串联多电平技术,属高-高电压源型变频器,直接3、6、10KV输入,直接3、6、10KV高压输出。
变频器主要由移相变压器、功率模块和控制器组成。
系统结构功率模块结构功率模块为基本的交-直-交单相逆变电路,整流侧为二极管三相全桥,通过对IGBT逆变桥进行正弦PWM控制,可得到单相交流[功率单元电路结构] 输出。
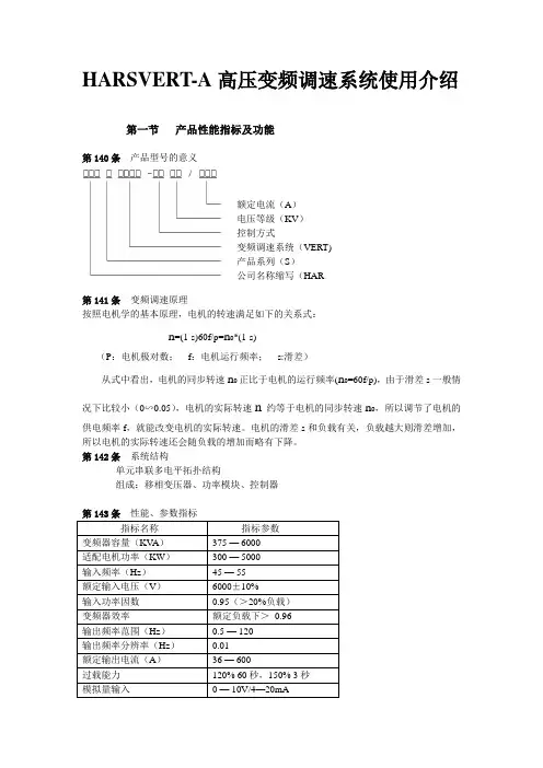
HARSVERT-A高压变频调速系统使用介绍第一节产品性能指标及功能第140条产品型号的意义额定电流(A)电压等级(KV)控制方式变频调速系统(VERT)产品系列(S)公司名称缩写(HAR第141条变频调速原理按照电机学的基本原理,电机的转速满足如下的关系式:n=(1-s)60f/p=n0*(1-s)(P:电机极对数;f:电机运行频率;s:滑差)从式中看出,电机的同步转速n0正比于电机的运行频率(n0=60f/p),由于滑差s一般情况下比较小(0∽0.05),电机的实际转速n约等于电机的同步转速n0,所以调节了电机的供电频率f,就能改变电机的实际转速。
电机的滑差s和负载有关,负载越大则滑差增加,所以电机的实际转速还会随负载的增加而略有下降。
第142条系统结构单元串联多电平拓扑结构组成:移相变压器、功率模块、控制器第143条性能、参数指标指标名称指标参数变频器容量(KV A)375 — 6000适配电机功率(KW)300 — 5000输入频率(Hz)45 — 55额定输入电压(V)6000±10%输入功率因数0.95(>20%负载)变频器效率额定负载下>0.96输出频率范围(Hz)0.5 — 120输出频率分辨率(Hz)0.01额定输出电流(A)36 — 600过载能力120% 60秒,150% 3秒模拟量输入0 — 10V/4—20mA第144条系统功能1、主电源掉电时,3秒内不停机,满足母线切换的需要通过程序实现。
主电源掉电后,主控箱在检测到功率模块全体报缺相故障时,不会立即跳高压开关,只是将变频器输出频率衰减,如果主电源在3秒内恢复正常,变频器也将恢复掉电前的运行频率;如果主电源在3秒内没有恢复正常,则变频器停止输出跳开高压开关。
2、控制电源掉电时不会停机,可以用UPS供电继续运行30分钟左右。
3、配置单元旁路功能,在局部故障时不停机。
在每个功率单元输出端之间并联旁路电路,当功率单元故障时,封锁对应功率单元IGBT 的触发信号,然后让旁路SCR导通,保证电机电流能通过,仍形成通路。
利德华福变频器工作总结一、定值:1、高压变频器低电压跳闸定值:1S电压下降28% 跳闸15S电压下降30% 跳闸2、过载定值120%倍的额定电流十分钟之内累计一分钟就跳闸150%倍的额定电流10秒钟跳闸200%倍的额定电流立即跳闸3、变压器温控器(变压器变比6000/700)80℃起风扇130℃报警140℃跳闸二、故障信息导出:U盘插到液晶屏后---点记录---点记录导出---仅拷贝---确认---记录导出成功三、两台一次风机抢风调整由于两台一次风机,A运行,B变频启动时,由于联络门不严,B风机倒转,致使B变频启动时报负载过流,现在将参数修改如下后就能正常启动:起始频率设为15HZ,动态电流限制设为100%,此状态下为飞车启动。
原始定值设定为:起始频率设为0.5HZ,动态电流限制设为100%。
参数修改密码为222。
四、模块充电变频器停用三个月以上是,需要给变频器模块充放电三次,每次充电时间三十分钟,等模块放净电才能进行下一次充电。
模块充电的意义在于模块内的电容器里冲的是液体,长时间停用会造成液体结晶,直接带负荷会造成模块的损坏,所以为了激活模块才给变频器充电。
故障处理:1、光纤故障先检查光纤头、光纤是否折断或损伤更换变频器模块2、驱动故障检查两个模块之间是否有放电痕迹,变频模块本身带有几十伏的电压,如果两个模块之间绝缘不好,会造成放电。
3、过载负荷犯卡变频器模块有一个没有输出,这样就造成一相缺相。
此时模块靠充电有可能无法检测出模块的好坏,需要将变频器模块的所有出线打开,用万用表量出线的电压4、过压旁路变频器减速时过压,请适当加大减速时间设置察看变频器模块的输入输出电压线是否有松动。
利德华福高压变频器调试方案利德华福高压变频器调试方案签字页:批准:审核:会签:编制:利德华福高压变频器调试方案一、调试前的准备工作:检查所有控制电缆、动力电缆、柜内接线、地线的正确性以及螺丝的松紧。
二、控制部分调试:1、排除人机界面上显示的所有故障(高压未就绪除外),变频器应显示控制器就绪。
2、将本控/远控按钮打到本控位置;在参数设置中选择不带高压调试,将高压就绪接点K0短接,界面显示系统待机;这样就可以模拟变频器的运行,进行控制部分的本机调试。
3、将本控/远控按钮打到远控位置;进行控制部分的远程调试。
若远程给定的是4~20mA模拟量信号,要注意调整模拟输入系数,使其对应0.5~50Hz。
4、高压开关联动调试:1)旁路柜选择开关手动位置a、KM1没有吸合前,变频器旁路柜电磁锁带电,隔离刀闸可以自由操作。
b、高压开关打到试验位置,小车拉出,确保不会高压突然加电。
c、KM1手动合闸,此时,电磁锁不能操作。
按下变频器控制柜柜门上的急停按钮,KM1应能分断。
d、手动合上KM2,这个时候KM3手动合不上,他们之间有电气互锁。
分开KM1,KM2,手动合上KM3。
保证KM1,KM2,KM3能正常分合闸。
下图为系统一次图:KM32)旁路柜选择开关自动位置a、变频器在人机界面上没有故障信息的情况下,变频器合上KM1,KM2后,手动分闸分不开。
b、模拟一个重故障,变频器应自动分开KM1,KM2,然后自动合上KM3。
当KM3合上后,再模拟变频器重故障,不分KM3。
是为了保证不影响工频运行。
5、DCS指示灯调试:a、在参数设置中选择不带高压调试,将高压就绪接点K0短接,界面显示系统待机。
b、就地选择开关打到本地,操作权限由本地控制。
打到远程,DCS控制信号灯亮,操作权限由DCS控制。
c、把变频器柜门打开,轻故障指示灯应变亮。
柜门闭合后,轻故障指示灯应熄灭。
把柜门打开设置成重故障,重故障指示灯应变亮。
关上柜门,按变频器界面上的复位按钮,重故障指示灯应熄灭。
利德华福高压变频器在瑞平煤电2×150MW机组给水泵上的应用北京利德华福电气技术有限公司供稿一、项目概况河南汝州市瑞平煤电有限公司成立于2004年6月,注册资本金10亿元,是由中国平煤神马集团和河南天瑞集团按照6∶4的比例共同出资建设的合资企业,电厂位于汝州市汝河南岸汝南工业区,于2007年投产运营,属国家发改委批准的热电联产机组,经营范围为发电和供热,项目建设规模为300MW,现有两台150MW超高压供热汽轮机发电机组和两台每小时480吨超高压、再热、循环流化床锅炉,固定资产12亿元。
图1:厂区概貌二、给水泵系统每台锅炉给水系统配套两台3800kW锅炉给水泵,共计4台,单台给水泵流量593m³/h,扬程1770m,采用一用一备的运行方案,单台给水泵即能满足锅炉满负荷运行,给水泵系统由电动机、液力偶合器、给水泵本体组成(见图2)。
其工艺流程是除氧器的水通过给水泵增压后,经过高压加热器送至锅炉汽包(图3黑色尖头方向),锅炉通过燃烧发热将水变成高温高压的蒸汽,推动汽轮机做功,实现锅炉蒸汽系统和给水系统的汽水平衡。
图2:给水泵组成图3:现场给水系统图为保证整个锅炉系统的稳定运行,改造前机组通过调节给水泵液偶输出转速的方式改变给水流量,保持汽包的液位稳定。
由于给水泵转速较高,液力偶合器主要由两部分组成,一是增速齿轮,这一部分的作用是把电动机的额定转速,升高至满足给水泵额定工况的运行转速;二是泵轮、涡轮、勺管、和循环油系统,其作用是通过勺管调节循环油,改变偶合器内的充油量,从而调节涡轮转速,实现输出转速的调速。
机组正常运行时,就采用单台给水泵供水运行方式,另外一台泵处于备用状态,两台给水泵之间只需按规程进行定期倒泵操作。
三、可行性分析3.1存在的问题瑞平电厂在采用液力偶合器调速时,虽然能满足锅炉供水调节的功能,但是发现存在以下问题:(1)给水泵采用液偶传动调速运行,传动损失大、系统效率低,造成大量能源浪费。
利德华福HARSVERT-VA系列高压变频器在水泥行业的应用文/ 技术工程系统孙立强一、引言水泥工业是国民经济生产中的能源消耗大户,已被列为国家节约资源的重点领域之一。
在国务院提出加快建设节约型社会的政策环境下,提高水泥行业的节能技术和应用水平,建立节约型水泥工业体系意义重大。
在当前国内外能源供需矛盾突出的情况下,水泥生产企业必须通过各种途径降低能耗,以获得最佳的经济效益和最高的劳动生产率。
在水泥的生产中,风机大马拉小车现象严重,同时由于工况、产量的变化,系统所需求的风量也随之变化。
大部分风机采用传统做法,即调节进、出风口挡板开度大小来实现风量调节,而该方法是以增加风阻、牺牲风机的效率来达到要求的,损耗严重。
电动机负载电耗就占成本近30%,而拖动风机用的高压电动机在电机中占有很大的比重。
对于一条水泥生产线,其中有25%~30%的电能是用于拖动各种类型风机上。
风机电动机特别利用变频调速技术改变设备的运行速度,以调节风量的大小,可以既满足生产要求,又达到节约电能,同时减少因调节挡板而造成挡板和管道的磨损,从而避免经常停机检修所造成的经济损失。
目前,行业普遍认为高压风机电动机的变频调速改造是降耗增效的主要措施。
二、项目介绍河北矿峰水泥有限公司一期生产线,高温风机采用北京利德华福电气技术有限公司生产的高压变频调速系统,节能效果非常显著,用户非常认可。
于是在二期生产线中扩大使用北京利德华福电气技术有限公司变频调速系统,在生料磨循环风机、窑尾排风机、窑尾高温风机上都采用了北京利德华福电气技术有限公司变频调速系统。
(1)二期生产线窑尾排风机电机及其变频调速系统:电机2000kW,10kV(2)二期生产线高温风机电机及其变频调速系统:电机3350kW,10kV(3)二期生产线原料磨循环风机电机及其变频调速系统:电机4800kW,10kV三、利德华福高压变频器原理及特点HARSVERT-A系列高压变频调速系统采用单元串联多电平技术,属“高-高”电压源型变频器,为单元串联多电平拓扑结构,主体结构由多组功率模块串联而成,从而由各组低压叠加而产生需要的高压输出,它对电网谐波污染小,总谐波畸变小于4%,直接满足IEEE519-1992的谐波抑制标准,输入功率因数高,不必采用输入谐波滤波器和功率因数补偿装置;输出波形质量好,不存在谐波引起的电机附加发热和转矩脉动、噪音、输出dv/dt、共模电压等问题,不必加输出滤波器,就可以使用普通的异步电机, 10kV每个系统共有24个功率单元,每8个功率单元串连构成一相,其系统结构如图1所示。
HARSVERT-A系列变频器的原理有15个(或21个)功率单元,每5个(或7个)功率单元串联构成一相。
10000V 系列有24个功率单元,每8个功率单元串联构成一相。
2.输入变压器输入侧由移相变压器给每个单元供电,移相变压器将网侧高压变换为副边的多组低压,各副边绕组在绕制时采用延边三角接法,相互之间有一定的相位差。
对3000V系列,变压器副边绕组分4级,每级电压430V,相互间移相15°,构成24脉冲整流方式;对6000V系列,变压器副边绕组分5级或7级。
对5级产品,每级电压690V,相互间移相12°,构成30脉冲整流方式。
对7级产品,每级电压490V,相互间移相8.57°,构成42脉冲整流方式;对10000V系列,变压器副边绕组分8级,每级电压720V,相互间移相7.5°,构成48脉冲整流方式;这种多级移相叠加的整流方式,消除了大部分由独立功率单元引起的谐波电流,可以大大改善网侧的电流波形,使变频器网侧电流近似为正弦波,使其负载下的网侧功率因数达到0.95以上。
另外,由于变压器副边绕组的独立性,使每个功率单元的主回路相对独立,其工作电压由各个低压绕组的输出电压来决定,工作在相对的低压状态,类似常规低压变频器,便于采用现有的成熟技术。
各功率单元间的相对电压,由变压器副边绕组的绝缘承担,避免了串联均压问题。
3.功率单元功率单元是整台变频器实现变压变频输出的基本单元,每个功率单元都相当于一台交-直-交电压型单相低压变频器。
功率单元整流侧用二极管三相全桥进行不控全波整流,中间采用电解电容滤波和储能,输出侧为4只IGBT组成的H桥,电路结构如下图所示。
在任意时刻,每个单元仅有三种可能的输出电压,如果A+和B-导通,从U 到V的输出电压将为+Ud,如果B+和A-导通,从U到V的输出电压将为-Ud,如果A+和B+或者A-和B-导通,则从U到V的输出电压为0V。
通过控制A+、A-、B+、B-四只IGBT的导通和关断状态,在U、V输出端子可以得到VO的等幅PWM波形。
利德华福HARSVERT-S系列高压变频器在冶金行业的应用北京利德华福电气技术有限公司供稿一、引言冶金工业是国民经济生产中的能源消耗大户,已被列为国家节约资源的重点领域之一。
在国务院提出加快建设节约型社会的政策环境下,提高冶金行业的节能技术和应用水平,建立节约型冶金工业体系意义重大。
在当前国内外能源供需矛盾突出的情况下,冶金生产企业必须通过各种途径降低能耗,以获得最佳的经济效益和最高的劳动生产率。
在冶金的生产中,风机大马拉小车现象严重,同时由于工况、产量的变化,系统所需求的风量也随之变化。
大部分风机采用传统做法,即调节进、出风口挡板开度大小来实现风量调节,而该方法是以增加风阻、牺牲风机的效率来达到要求的,损耗严重。
风机电动机如果利用变频调速技术改变设备的运行速度,以调节风量的大小,可以既满足生产要求,又达到节约电能,同时减少因调节挡板而造成挡板和管道的磨损及经常停机检修所造成的经济损失。
在冶金行业中电动机负载电耗就占成本近30%,而拖动风机用的高压电动机在电机中占有很大的比重,目前,行业普遍认为高压风机电动机的变频调速改造是降耗增效的主要措施。
二、项目介绍2.1项目简介某钢铁公司二期烧结有两条240㎡烧结机生产线,有四台烧结主抽风机。
有四台烧结主抽风机,电机都是4800KW的同步机。
烧结主抽风机是烧结生产的主要设备,担负着烧结燃烧过程中持续送风功能,并产生负压,使烧结混匀矿在台车中至上而下充分燃烧,从而形成烧结矿。
由于受烧结生产中诸多因素(料层厚度、设备漏风等)的影响,在生产过程中常常需要根据烧结机的实际情况不断调整主抽风机的风量、负压等风系统参数,使之满足烧结生产。
原来为满足不同的进料量和工艺指标,要靠调节风门挡板开度调节风量。
采用此方法调节精度低,能耗高,启动冲击大。
用户经过多方调研,将这4台烧结主抽风机改造为用高压变频调速系统进行调速,节能效果非常显著,调节风量方便,精度高,启动平滑无冲击,用户非常认可。
北京利德华福电气技术有限公司高压变频器技术优势一、单模块旁路技术(中性点漂移)目前利德华福生产的第四代Harsvert-A系列高压变频调速系统采用的是单模块旁路技术,较前三代单元模块旁路技术具备了更高的安全性能和可靠性能。
目前,我公司的单模块旁路技术是指当高压变频系统运行过程中出现一个功率单元故障时,系统可以自动旁路故障单元,同时改变三相输出电压的相位角保证线电压平衡。
从而,有效提高模块故障情况下的系统载荷;最大限度的减低因功率单元故障给生产带来的比例影响。
例如:当A相第3级功率单元发生故障时,系统将A3功率单元自动旁路;根据三相电压矢量叠加为零的原理,运用高速数字处理器增加AC相位角值,减小BC相位角,在500μS内完成相位角调整。
有效输出载荷位额定负荷的93%,对于提升机负载设备而言,几乎对生产运行不产生任何影响,大大提高了系统安全可靠性。
旁路图解见下图示。
C B700700700700777775600V56VC BA56V77777而其他企业目前采用的是同级模块旁路技术,是指当高压变频系统运行过程中出现一个功率单元故障时,系统也要同时旁路其它两相的同级两个功率单元。
例如:当A相第3级功率单元发生故障时,系统也同时将B3和C3的功率单元停止工作。
从而,保证变频器的输出三相电压平衡。
每相的有效工作电压由原来的3460V降低至2780V,三相输出的线电压最高值4800V;即,变频有效负荷降低为80%。
旁路图解见下图示。
C BC B由此可见,在6KV高压变频系统中,当一个模块故障时,单模块旁路技术仅损失了1/15功率,不会影响提升机的正常生产,利德华福高压变频允许单旁两个模块,仅做轻故障报警。
此项功能利德华福在国内是有专利的,目前全球仅有罗宾康和利德华福有此项技术。
而同级模块旁路要损失1/5功率,当发生模块故障时,无法使提升机提升重物,只能停机检修,对煤矿系统的安全生产是有隐患的。
●二、DSP无速度传感器的矢量控制技术北京利德华福高压变频器主控芯片使用的是美国高速度数字处理器DSP,而且控制系统使用的是无速度传感器矢量控制技术,不同于传统的V/F控制,在高性能控制器硬件平台上,结合先进的实用化的矢量控制技术,将电机的控制性能提高到一个新的高度。
HARSVERT-A系列变频器的原理有15个(或21个)功率单元,每5个(或7个)功率单元串联构成一相。
10000V 系列有24个功率单元,每8个功率单元串联构成一相。
2.输入变压器输入侧由移相变压器给每个单元供电,移相变压器将网侧高压变换为副边的多组低压,各副边绕组在绕制时采用延边三角接法,相互之间有一定的相位差。
对3000V系列,变压器副边绕组分4级,每级电压430V,相互间移相15°,构成24脉冲整流方式;对6000V系列,变压器副边绕组分5级或7级。
对5级产品,每级电压690V,相互间移相12°,构成30脉冲整流方式。
对7级产品,每级电压490V,相互间移相8.57°,构成42脉冲整流方式;对10000V系列,变压器副边绕组分8级,每级电压720V,相互间移相7.5°,构成48脉冲整流方式;这种多级移相叠加的整流方式,消除了大部分由独立功率单元引起的谐波电流,可以大大改善网侧的电流波形,使变频器网侧电流近似为正弦波,使其负载下的网侧功率因数达到0.95以上。
另外,由于变压器副边绕组的独立性,使每个功率单元的主回路相对独立,其工作电压由各个低压绕组的输出电压来决定,工作在相对的低压状态,类似常规低压变频器,便于采用现有的成熟技术。
各功率单元间的相对电压,由变压器副边绕组的绝缘承担,避免了串联均压问题。
3.功率单元功率单元是整台变频器实现变压变频输出的基本单元,每个功率单元都相当于一台交-直-交电压型单相低压变频器。
功率单元整流侧用二极管三相全桥进行不控全波整流,中间采用电解电容滤波和储能,输出侧为4只IGBT组成的H桥,电路结构如下图所示。
在任意时刻,每个单元仅有三种可能的输出电压,如果A+和B-导通,从U 到V的输出电压将为+Ud,如果B+和A-导通,从U到V的输出电压将为-Ud,如果A+和B+或者A-和B-导通,则从U到V的输出电压为0V。
通过控制A+、A-、B+、B-四只IGBT的导通和关断状态,在U、V输出端子可以得到VO的等幅PWM波形。
利德华福10MW级高压变频器在合成氨装置主机系统中的应用分析北京利德华福电气技术有限公司供稿摘要:本文通过对现有40万吨合成氨装置主压缩机组驱动系统分析,指出了其中存在的问题。
针对性提出采用电气驱动替代“锅炉+汽轮机”驱动的新思路;通过对两种驱动形式的经济性比较,技术可行性分析,阐述了该新型驱动形式的可行性和良好应用前景。
关键词:电气驱动锅炉+汽轮机驱动高压变频Analysis on Application for 10MW High-voltage Converter in the Host System of Synthetic Ammonia Device Abstract:This paper analyzes the host compressor unit system of existing 400 thousand tons synthetic ammonia device, points out the problems in it. Specifically puts forward the new idea of electric drive instead of "boiler and steam turbine drive "; & elaborates the feasibility and good application prospect of the new type drive by comparing the economic efficiency of the two drives & analysis of their technical feasibility.Key words:electric drive;boiler and steam turbine drive;high-voltage inverter一、问题提出目前,国内年产单体40万吨及以上合成氨装置设计中,合成气压缩机、氨气压缩机、二氧化碳压缩机等主压缩机组主要采用“锅炉+汽轮机驱动”的方式生产运行。
浅析高压变频器自启动功能的问题与对策摘要:高压变频器在断电又供电后,会出现自启的现象,这是高压变频器所必备的一种功能。
但是在应用中,由于高压变频器的功率比较低,有的时候不能满足自启动功能,因此本文以利德华福高压变频器为例,通过分析其自启动功能,来总结易出现的问题,并提出相应的解决对策。
关键词:高压变频器;利德华福;自启动功能利德华福高压变频器应用比较广,如泵类的设备中,水泥工程中,为很多项目实现了“节能”的目的。
该变频器有着必备的断电供电后自启动功能,如果电源输入有较大的波动时,会出现连续断电的现象,该功能可以保证变频器的运行。
因此本文就对这种功能机理展开研究,为高压变频器应用提供参考。
一、利德华福高压变频器的基本概述利德华福高压变频器是一款具备节能降耗的变频器,其于1999年投入市场,并且经过了市场考验,HARSVERT-A系列的高压变频器随后就被广泛的应用在冶金行业、石油行业等。
其安装比较便捷,操作也非常简单,运行也比较稳定,还可以远程监控,因此其节能降耗。
本文就对其自启动功能展开探讨。
二、利德华福高压变频器电源失电再启动的机理当某个项目的用电系统进行切换时,利德华福高压变频器的一次电压就会快速的下降,然后整流的回路会停止的输出,变频器此时会依靠直流母线上的并联电容来带动变频器运转,此时运转为负荷运行,电压也在快速的下降到一定值,整流的回路会再一次给直流母线供电。
目前利德华福的逆变功率采用了IGBT模块,这个模块是无法在过电流的基础上长时间正常运行的,如果高压变频器的直流母线的电压发生下降现象,且下降幅度比较大时,当电源通电后,电流的通电速度比较快,电容的电压变化率如果大到一定程度时,会让电容器发生爆炸的现象,如果情节严重还会损坏高压变频器。
所以其设置了低电压的保护功能,直流母线的电压要求控制在额定值的80%以上,如果低于这个值,会发生跳闸的现象。
基于以上原理,利德华福高压变频器有了失电再启动功能,当直流母线的电压下降到额定值的80%的左右,在跳闸之前,利德华福高压变频器就会闭锁,处于一个待机的工作状态,以此来避免直流母线电压的继续下降,当交流电压开始恢复正常后,电压会重新带动高压变频器负荷运行,由此可以看出,利德华福高压变频器失电再启动功能有两个参数非常重要,即失电再启动的电压值和失电再启动功能的时间。
利德华福高压变频器应用范围近年来,我国年工业生产总值不断提高,但是能耗比却居高不下,高能耗比已成为制约我国经济发展的瓶颈,为此国家投入大量资金支持节能降耗项目,其中高压变频调速技术已越来越广泛的应用在各行各业,它不仅可以改善工艺,延长设备使用寿命,提高工作效率等,最重要的是它可以“节能降耗”,这一点已被广大用户所认可,且深受关注。
从1998年开始,利德华福人通过一年开发,一年开局试验,一年市场考验,其研发制作的HARSVERT-A系列高压变频调速系统,完全具有自主知识产权,适合国内电网特性,符合国内用户使用习惯。
该系列高压变频调速系统自2000年投入国内市场后,在市政供水、电力、冶金、石油、石化、水泥、煤炭等行业陆续投入运行。
由于安装便捷、操作简单、运行稳定、安全可靠、维护方便,并在节能、节电、省人、省力、自动控制、远程监控等方面效果显著,以及优异的产品性价比和周到的服务,受到用户的广泛欢迎。
火力发电:引风机、送风机、吸尘风机、压缩机、排污泵、锅炉给水泵等冶金:引风机、除尘风机、通风机、泥浆泵、除垢泵等石油、化工:主管道泵、注水泵、循环水泵、锅炉给水泵、电潜泵、卤水泵、引风机、除垢泵等市政供水:水泵等污水处理:污水泵、净化泵、清水泵等水泥制造:窑炉引风机、压力送风机、冷却器吸尘风机、生料碾磨机、窑炉供气风机、冷却器排风机、分选器风机、主吸尘风机等造纸:打浆机等制药:清洗泵等采矿行业:矿井的排水泵和排风扇、介质泵等其他:风洞试验等系统原理HARSVERT-A系列高压变频调速系统采用单元串联多电平技术,属高-高电压源型变频器,直接3、6、10KV输入,直接3、6、10KV高压输出。
变频器主要由移相变压器、功率模块和控制器组成。
系统结构功率模块结构功率模块为基本的交-直-交单相逆变电路,整流侧为二极管三相全桥,通过对IGBT逆变桥进行正弦PWM控制,可得到单相交流输出。
每个功率模块结构及电气性能上完全一致,可以互换。
(备件种类单一)[功率单元电路结构]输入侧结构输入侧由移相变压器给每个功率模块供电,移相变压器的副边绕组分为三组,根据电压等级和模块串联级数,一般由24、30、42、48脉冲系列等构成多级相叠加的整流方式,可以大大改善网侧的电流波形(网侧电压电流谐波指标满足IEEE519-1992和GB/T14549-93的要求)。
使其负载下的网侧功率因数接近1,无需任何功率因数补偿、谐波抑制装置。
由于变压器副边绕组的独立性,使每个功率单元的主回路相对独立,类似常规低压变频器,便于采用现有的成熟技术。
输出侧结构5级叠加的输出侧PWM 波形输出侧由每个单元的U、V输出端子相互串接而成星型接法给电机供电,通过对每个单元的PWM波形进行重组,可得到阶梯正弦PWM 波形。
这种波形正弦度好,dv/dt小,对电缆和电机的绝缘无损坏,无须输出滤波器,就可以延长输出电缆长度,可直接用于普通电机。
同时,电机的谐波损耗大大减少,消除负载机械轴承和叶片的振动。
当某一个功率模块出现故障时,通过控制使输出端子短路,可将此单元旁路退出系统,变频器可降额机械运行;由此可避免很多场合下停机造成的损失。
控制器控制器由高速单片机处理器、人机操作界面和PLC共同构成。
其中人机操作界面有三种配置:工控PC机界面、嵌入式工控机界面、标准操作面板界面,用户可根据需要进行选择。
单片机实现PWM控制。
人机操作界面解决高压变频调速系统本身和用户现场接口的问题,提供友好的全中文监控界面,使用方便、快捷,同时可以实现远程监控和网络化控制。
内置PLC则用于柜体内开关信号的逻辑处理,可以和用户现场灵活接口,满足用户的特殊需要。
控制器与功率单元之间采用光纤通讯技术,低压部分和高压部分完全可靠隔离,系统具有极高的安全性,同时具有很好的抗电磁干扰性能,可靠性大大提高。
另外,控制电源掉电时,控制器可由配备的UPS继续供电,(散热风机电源取自移相变压器)变频器可以继续运行。
功能特点1、启动方式设定变频器具有正常启动和软启动两种方式。
正常启动变频器按正常方式启动后,变频起开环运行于设定频率,或者闭环于被控量的期望值。
软启动变频器启动后,不论用户设定的频率为多少,变频器都直接升速到系统参数中提供的电网投切频率,然后变频器封锁输出,给出"工频投切"指令,控制用户的电气切换连锁电路,将被软启动的电机由变频器拖动切至工频电网运行。
[主界面]2、运行方式设定在闭环运行模式下,用户可以设定并调节被控量(比如压力、温度等)的期望值,变频器将根据被控量的实际值,自动调节变频器的输出频率,控制电机的转速,使被控量的实际值自动逼近期望值。
开环运行模式选择开环运行模式,变频器的运行频率由主界面或外部模拟信号直接给定。
[功能设定选择对话框]3、频率设定变频调速系统的频率设定器可以采用计算机本机给定,也可以采用外部模拟信号等进行模拟给定。
计算机设定通过主界面的加减速键或"频率设定"按钮设定运行频率。
模拟设定用外部0~10V或4~20mA模拟信号,作为变频器的给定频率。
4、控制方式设定高压变频调速系统可以在机旁直接本机控制,也可以在异地远程控制。
本机控制直接利用变频调速系统柜门主界面的启动、停机、调速等按钮实现变频调速系统的控制操作。
上位机控制(非标配置,由用户自选)HARSVERT-A系列高压变频调速系统可以通过上位机进行实时状态监控,并可进行启动、停车、急停、复位、设定运行频率、参数刷新、查看故障记录等控制操作。
同时,一台上位机可监控多台下位变频调速系统的运行。
DCS控制灵活的可编程数字量和模拟量接口,可与DCS直接连接,实现设备与现场过程控制的完善结合。
远程拨号控制(非标配置,由用户自选)用户在异地可以通过电话网络计算拨号对变频调速系统进行异地远程监控。
[上位机及远程监控界面]5、参数设定功能所有参数项用中文提示,所有参数可以整体备份或恢复。
可以设定两段频率躲避区,有效避免用户系统在非工频运行点可能存在的共振:如风机喘振。
可以设定不同的转矩提升,适合不同负载的启动需要。
可以合理设置电机过流及过载保护系数,对电机实施有效保护。
可以定制和扩展内部变频控制参数以及电机控制数学模型,从而为系统向高性能发展留有扩展的空间。
[参数设定3界面--标准操作面板][参数设定界面--工控机]6、故障查询功能变频器具有故障定位与查询功能,轻微故障时变频器会在主界面,实时提供报警信息,重故障发生时,变频器会自动弹出故障界面,向用户直观显示发生了什么故障,发生在什么位置。
通过故障界面,用户可以查询故障的历史信息。
[故障查询窗口--工控机][故障记录显示界面--标准操作面板]7、波形显示功能协助系统进行过流保护,并且查看运行中的波形质量,以及进行功率因数和系统功率的计算等等。
[波形显示窗口]8、自动调度功能用户可以在变频调速系统调度表内填写自动调度数据,使得变频调速系统可以按照用户的安排,在不同的时间,自动工作在不同的模式下,方便用户的使用。
9、运行数据记录功能HARSVERT-A系列变频器具有自动记录运行参数的功能。
用户对变频器发生的每一次操作以及对应时刻也相应记录在案。
运行记录设定变频器运行时自动记录的参数包括给定频率、电机转速、输入电流、输出电流、输入电压、输出电压、实际被控及系统状态信息。
所有记录的运行参数按文本文件格式存放于计算机非易失存储器中,每天作为一个文件,以日期作为文件名,记录时间间隔由用户设定。
[数据记录打印界面]功能锁设置通过功能锁的设定,可以定义本控锁和远控锁,用来锁定在本控或远控的情况下,系统的调试方式、给定方式、启动方式、运行方式。
当系统处于本控或远控的情况下,系统将按照功能锁自己绑定各项功能。
[功能锁设置]系统自诊断功能自动检测核心主控制器,可编程序逻辑PLC及上位机等当前的状态,辅助分析各控制器间的通讯情况,并设计内核检测功能,协助分析控制器运行性能或解决故障。
[系统检测]10、旁路功能QF采用带综合继保的高压断路器如果QS1、QS2、QS3采用手动隔离开关,电机可以实现手动旁路。
QS1、QS2闭合,QS 3断开时,电机可由变频器控制调速运行。
QS1、QS2断开,QS 3闭合时,电机可由QF直接启动停并进行保护,变频器可完全和电网脱离,便于维护与检修。
如果QS1、QS2、QS3都采用电气开关(如真空接触器),则可以实现电机自动旁路或软启动功能。
11、附加功能(非标配置,由用户自选)阀门联动变频器可以直接按用户要求设置相应的附加功能,如在水泵调速应用中,可以自动进行开阀关阀控制,开关阀故障报警等技术参数高压变频调速系统的型号编制方法:额定电流(A)电压等级(KV)控制方式变频调速系统(VERT)产品系列(s)公司名称缩写(HAR)注:1、额定输出电流为□□□A2、电压等级:□□KV3、控制方式:A表示异步机普通控制型,VA表示异步机矢量控制型,VS表示同步机矢量控制型。
比如:额定电流130A电压等级6KV异步机变频调速系统正弦波系列公司名称缩写注:设备尺寸如有变动,恕不另行通知,具体尺寸以技术协议为准。
注:设备尺寸如有变动,恕不另行通知,具体尺寸以技术协议为准。
注:设备尺寸如有变动,恕不另行通知,具体尺寸以技术协议为准。