土的液塑限联合测定试验记录表
- 格式:xls
- 大小:102.00 KB
- 文档页数:37
31245图4-1锥式液限仪(单位:mm ) 1-锥身;2-手柄;3-平衡装置;4-试杯;5-底座实验三 液限和塑限试验实验人: 学号:一、概述粘性土的状态随着含水率的变化而变化,当含水率不同时,粘性土可分别处于固态、半固态、可塑状态及流动状态,粘性土从一种状态转到另一种状态的分界含水率称为界限含水率。
土从流动状态转到可塑状态的界限含水率称为液限L w ;土从可塑状态转到半固体状态的界限含水率称为塑限p w ;土由半固体状态不断蒸发水分,则体积逐渐缩小,直到体积不再缩小时的界限含水率称为缩限s w 。
土的塑性指数p I 是指液限与塑限的差值,由于塑性指数在一定程度上综合反映了影响粘性土特征的各种重要因素,因此,粘性土常按塑性指数进行分类。
界限含水率试验要求土的颗粒粒径小于0.5mm ,且有机质含量不超过5%,且宜采用天然含水率试样,但也可采用风干试样,当试样含有粒径大于0.5mm 的土粒或杂质时,应过0.5mm 的筛。
二、液限试验液限是区分粘性土可塑状态和流动状态的界限含水率,测定土的液限主要有圆锥仪法、碟式仪法等试验方法,也可采用液塑限联合测定法测定土的液限。
这里介绍圆锥仪液限试验。
圆锥仪液限试验圆锥仪液限试验就是将质量为76g 圆锥仪轻放在试样的表面,使其在自重作用下沉入土中,若圆锥体经过5s 恰好沉入土中10mm 深度,此时试样的含水率就是液限。
1、仪器设备(1)圆锥液限仪(图4-1),主要有三个部分:①质量为76g 且带有平衡装置的圆锥,锤角30°,高25mm ,距锥尖10mm 处有环状刻度;②用金属材料或有机玻璃制成的试样杯,直径不小于40mm ,高度不小于20mm ;③硬木或金属制成的平稳底座;(2)称量200g 、最小分度值0.01g 的天平; (3)烘箱、干燥器;(4)铝制称量盒、调土刀、小刀、毛玻璃板、滴管、吹风机、孔径为0.5mm 标准筛、研体等设备。
2、操作步骤(1)选取具有代表性的天然含水率土样或风干土样,若土中含有较多大于0.5mm 的颗粒或夹有多量的杂物时,应将土样风干后用带橡皮头的研杵研碎或用木棒在橡皮板上压碎,然后再过0.5mm 的筛。
土工实验指导书及报告测定土的液限和塑限(锥式仪法和搓条法)一、基本原理在界限含水率中,意义最大的是从粘流状态过渡到粘塑状态的液限(w L)和从塑态过渡到半固态的塑限(w p)。
土的塑性指数是液限与塑限之差(Ip=w L-w p),是表示土的塑性强弱的指标。
对于液限的测定,我国广泛使用的是锥式液限仪,圆锥质量76g,锥角30°,距锥尖10mm 处刻有一环形线。
当锥在自重作用下沉入土中的深度恰为10mm时,则认为此时的含水率就为液限。
土的塑态与固态间的界限含水率称土的塑限。
塑限的测定依据主要是根据土处于塑态时可塑成任意形状且不产生裂纹;处于固态时则很难搓成任意形状,若勉强为之,则土面要发生裂纹或断折等现象。
以这两种物理状态为待征,确定塑态和固态的界限。
也就是说,当土被搓成一定粗细的土条且表面开始出现裂纹时的含水率,即为塑限。
此外,我国还采用圆锥式液塑限联合测定仪测定液限和塑限。
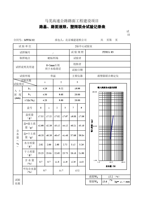
它是用瓦氏圆锥仪在专门的仪器上测定土在不同含水率时的圆锥入土深度,在双对数坐标纸上绘成圆锥入土深度与含水率的关系直线。
在直线上分别查得圆锥入土深度为17mm、l0mm和2mm时的相应含水率,即为碟式仪液限(等效)、锥式仪液限和塑限。
二、锥式液限仪测定液限(一)仪器设备1、铝盒、调土杯及调土刀2、锥式液限仪(如图);3、天平:感量为0.01g;4、筛:孔径为0.5mm;5、磁钵和橡皮头研棒;6、烘箱;7、干燥器。
(二)操作步骤1、制备土样取天然含水率的土样50g捏碎过筛;若天然土样已风干,则取样80g研碎,并过0.5mm 筛;加蒸馏水调成糊状,盖上湿布或置保湿器内12h以上,使水分均匀分布。
2、装土样于调土杯中将备好的土样再仔细拌匀一次,然后分层装入试杯中;用手掌轻拍试杯,使杯中空气逸出;待土样填满后,用调土刀抹平上面,使之与杯缘齐平。
3、放锥(1)在平衡锥尖部分涂上一薄层凡士林,以拇指和食指执锥柄,并保持锥体垂直,使锥尖与试样面接触,轻轻松开手指,使锥体在其自重作用下沉入土中;注意,放锥要平稳避免产生冲击力。
土工实验指导书及报告测定土的液限和塑限(锥式仪法和搓条法)一、基本原理在界限含水率中,意义最大的是从粘流状态过渡到粘塑状态的液限(w L)和从塑态过渡到半固态的塑限(w p)。
土的塑性指数是液限与塑限之差(Ip=w L-w p),是表示土的塑性强弱的指标。
对于液限的测定,我国广泛使用的是锥式液限仪,圆锥质量76g,锥角30°,距锥尖10mm 处刻有一环形线。
当锥在自重作用下沉入土中的深度恰为10mm时,则认为此时的含水率就为液限。
土的塑态与固态间的界限含水率称土的塑限。
塑限的测定依据主要是根据土处于塑态时可塑成任意形状且不产生裂纹;处于固态时则很难搓成任意形状,若勉强为之,则土面要发生裂纹或断折等现象。
以这两种物理状态为待征,确定塑态和固态的界限。
也就是说,当土被搓成一定粗细的土条且表面开始出现裂纹时的含水率,即为塑限。
此外,我国还采用圆锥式液塑限联合测定仪测定液限和塑限。
它是用瓦氏圆锥仪在专门的仪器上测定土在不同含水率时的圆锥入土深度,在双对数坐标纸上绘成圆锥入土深度与含水率的关系直线。
在直线上分别查得圆锥入土深度为17mm、l0mm和2mm时的相应含水率,即为碟式仪液限(等效)、锥式仪液限和塑限。
二、锥式液限仪测定液限(一)仪器设备1、铝盒、调土杯及调土刀2、锥式液限仪(如图);3、天平:感量为0.01g;4、筛:孔径为0.5mm;5、磁钵和橡皮头研棒;6、烘箱;7、干燥器。
(二)操作步骤1、制备土样取天然含水率的土样50g捏碎过筛;若天然土样已风干,则取样80g研碎,并过0.5mm 筛;加蒸馏水调成糊状,盖上湿布或置保湿器内12h以上,使水分均匀分布。
2、装土样于调土杯中将备好的土样再仔细拌匀一次,然后分层装入试杯中;用手掌轻拍试杯,使杯中空气逸出;待土样填满后,用调土刀抹平上面,使之与杯缘齐平。
3、放锥(1)在平衡锥尖部分涂上一薄层凡士林,以拇指和食指执锥柄,并保持锥体垂直,使锥尖与试样面接触,轻轻松开手指,使锥体在其自重作用下沉入土中;注意,放锥要平稳避免产生冲击力。
土工实验指导书及报告测定土的液限和塑限(锥式仪法和搓条法)一、基本原理在界限含水率中,意义最大的是从粘流状态过渡到粘塑状态的液限(w L)和从塑态过渡到半固态的塑限(w p)。
土的塑性指数是液限与塑限之差(Ip=w L-w p),是表示土的塑性强弱的指标。
对于液限的测定,我国广泛使用的是锥式液限仪,圆锥质量76g,锥角30°,距锥尖10mm 处刻有一环形线。
当锥在自重作用下沉入土中的深度恰为10mm时,则认为此时的含水率就为液限。
土的塑态与固态间的界限含水率称土的塑限。
塑限的测定依据主要是根据土处于塑态时可塑成任意形状且不产生裂纹;处于固态时则很难搓成任意形状,若勉强为之,则土面要发生裂纹或断折等现象。
以这两种物理状态为待征,确定塑态和固态的界限。
也就是说,当土被搓成一定粗细的土条且表面开始出现裂纹时的含水率,即为塑限。
此外,我国还采用圆锥式液塑限联合测定仪测定液限和塑限。
它是用瓦氏圆锥仪在专门的仪器上测定土在不同含水率时的圆锥入土深度,在双对数坐标纸上绘成圆锥入土深度与含水率的关系直线。
在直线上分别查得圆锥入土深度为17mm、l0mm和2mm时的相应含水率,即为碟式仪液限(等效)、锥式仪液限和塑限。
二、锥式液限仪测定液限(一)仪器设备1、铝盒、调土杯及调土刀2、锥式液限仪(如图);3、天平:感量为0.01g;4、筛:孔径为0.5mm;5、磁钵和橡皮头研棒;6、烘箱;7、干燥器。
(二)操作步骤1、制备土样取天然含水率的土样50g捏碎过筛;若天然土样已风干,则取样80g研碎,并过0.5mm 筛;加蒸馏水调成糊状,盖上湿布或置保湿器内12h以上,使水分均匀分布。
2、装土样于调土杯中将备好的土样再仔细拌匀一次,然后分层装入试杯中;用手掌轻拍试杯,使杯中空气逸出;待土样填满后,用调土刀抹平上面,使之与杯缘齐平。
3、放锥(1)在平衡锥尖部分涂上一薄层凡士林,以拇指和食指执锥柄,并保持锥体垂直,使锥尖与试样面接触,轻轻松开手指,使锥体在其自重作用下沉入土中;注意,放锥要平稳避免产生冲击力。
土工试验、水质分析原始记录表式编制审核批准地质工程勘察院检测中心土工试验记录表式目录CKCS-JL-TG-01-2015开样记录、密度试验记录(环刀法)□1.《土工试验方法标准》GB/T50123-1999 □2.《土工试验规程》SL237-1999 □3.《公路土工试验规程》JTG E40-2007 □4.《铁路工程土工试验规程》TB 10102-2010注:1、使用仪器设备:电子天平;2、检定/校准合格,检查正常方参与试验。
记录:检查:CKCS-JL-TG-02-2013含水率试验记录(烘干法)□1.《土工试验方法标准》GB/T50123-1999 □2.《土工试验规程》SL237-1999□3.《公路土工试验规程》JTG E40-2007 □4.《铁路工程土工试验规程》TB 10102-2010 工程名称:工程编号:环境温度:℃湿度:% 试验日期:试验:检查:CKCS-JL-TG-03-2013液、塑限联合测定记录□1.《土工试验方法标准》GB/T50123-1999 □2.《土工试验规程》SL237-1999□3.《公路土工试验规程》JTG E40-2007 □4.《铁路工程土工试验规程》TB 10102-2010 工程名称:工程编号:注:1、使用仪器设备:电子天平、烘箱、液塑限联合测定仪;2、检定/校准合格,检查正常方参与试验。
试验:检查:固结试验记录(快速法)□1.《土工试验方法标准》GB/T50123-1999 □2.《土工试验规程》SL237-1999 □3.《公路土工试验规程》JTG E40-2007 □4.《铁路工程土工试验规程》TB 10102-2010试验: 检查:固结试验记录□1.《土工试验方法标准》GB/T50123-1999 □2.《土工试验规程》SL237-1999 □3.《公路土工试验规程》JTG E40-2007 □4.《铁路工程土工试验规程》TB 10102-2010记录: 检查:CKCS-JL-TG-05-2013剪切试验记录表□1.《土工试验方法标准》GB/T50123-1999 □2.《土工试验规程》SL237-1999 □3.《公路土工试验规程》JTG E40-2007 □4.《铁路工程土工试验规程》TB 10102-2010 工程名称:工程编号:环境温度:℃湿度:% 试验日期:试验:检查:CKCS-JL-TG-06-2013颗粒分析试验记录表□1.《土工试验方法标准》GB/T50123-1999 □2.《土工试验规程》SL237-1999 □3.《公路土工试验规程》JTG E40-2007 □4.《铁路工程土工试验规程》TB 10102-2010注:1、所用仪器设备:电子天平、烘箱、密度计;2、检定/校准合格、检查正常方参与试验。
液限塑限联合测定报告一、实验目的本实验旨在通过液限、塑限实验,了解土壤的物理力学性质,并学习如何进行液限、塑限的测定及其相关数据的处理。
二、实验仪器与材料仪器:液限仪、塑限仪、烘箱、天平。
材料:本实验所用土样为粉土。
三、实验步骤1. 液限实验(1)取适量干土样,使其含水率达到可塑状态。
(2)将土样放入液限仪的滑块上,滚动调整液压顶杆使土样受到35次敲击后出现指压沟。
(3)确定初始高稠土样的含水量。
(4)调节液压顶杆使土样被打成团。
(5)每隔10次敲击,用爪子取一个小球,放在平板上推拉,直到两端接近170mm时,球断裂,记录液压顶杆移动的距离。
(6)在液限实验中,人手操作的影响很大,应多次取样,并取平均值。
(1)按照液限实验的方法,制备合适的土样。
(2)将土样放入塑限器的模具中,打平压实,露出边沿。
(3)从侧面将模具慢慢打开,去掉边沿,转动模具使土样分离,取出土样。
(4)将土样放入烘箱中,烘干,称重,记录重量。
(5)计算塑限值。
四、实验结果样品编号 | 液限值 | 含水率-|-|-1 | 37 | 25.8%2 | 35 | 27.4%3 | 36 | 26.6%4 | 36 | 26.4%平均值 | 36 | 26.5%2. 塑限实验结果如下:五、实验分析及讨论1. 液限是指土壤在特定情况下失去流动性的含水率,液限值越小,土壤的流动性越好。
2. 塑限是指土壤在可塑性状态下受约束形变的最大程度,塑限值越大,土壤的可塑性越高。
3. 本次实验结果表明,粉土的液限值比较一致,塑限值较为均匀。
4. 液限、塑限测试需要严格控制实验条件,如操作者对实验结果的影响,土样制备的条件等。
六、结论本次实验通过液限、塑限实验对粉土样品的物理力学性质进行了测试,得出了液限值和塑限值。
结果表明,粉土的液限值比较一致,塑限值较为均匀。
实验项目一液限、塑限试验试验目的:细粒土(粒径小于0.5mm,并且有机质含量不超过试样总质量5%的土)由于含水率不同,分别处于流动状态,可塑状态、半固体状态和固体状态。
液限是细粒土呈可塑状态的上限含水率,塑限是细粒土呈可塑状态的下限含水率。
本试验是测定细粒土的液限和塑限含水率,用于计算土的塑性指数和液性指数,为划分土的工程类别和确定土的状态提供依据。
试验方法:1、含水率:采用烘干法测定;2、液、塑限:采用液、塑限联合测定法测定。
试验指导书:液、塑限试验——液、塑限联合测定法一、目的细粒土由于含水率不同,分别处于流动状态,可塑状态、半固体状态和固体状态。
液限是细粒土呈可塑状态的上限含水率,塑限是细粒土呈可塑状态的下限含水率。
本试验是测定细粒土的液限和塑限含水率,用作计算土的塑性指标和液性指数,以划分土的工程类别和确定土的状态。
二、试验方法1、含水率:采用烘干法测定。
将土在105℃~110℃下烘至恒量,所失去的水质量与干土质量的比值,即为土的含水率,用百分比表示。
2、液、塑限:采用液、塑限联合测定法测定。
用光电式液限、塑限联合测定仪(见图1-1)测定土在三种不同含水率时的圆锥入土深度,在双对数坐标纸上绘成圆锥入土深度与含水率的关系直线。
在直线上查得圆锥入土深度为17mm(水利规范、土工试验方法国标GB/T50123-1999)或10mm(建筑地基基础设计规范)处相应含水率为液限,入土深度为2mm处的相应含水率为塑限。
三、仪器设备1、光电式液限、塑限联合测定仪(图1-1),由装有透明光学微分尺的圆锥仪、电磁铁、显示屏、控制开关和试样杯组成。
圆锥质量76克,锥角30度,光学微分尺精确分度为0.1mm。
试样杯:内径不小于40mm,杯高不小于30mm。
2、天平,称量200g,最小分度值0.01g。
3、其它:烘箱、铝盒、调土刀、刮土刀、蒸馏水滴瓶、凡士林等。
四、试验步骤1、本次试验原则上应采用天然含水率的土样进行,也允许用风干土制备土样,土样过0.5mm 筛后,喷洒配制一定含水率的土样,然后装入密闭玻璃广口瓶内,润湿一昼夜备用(土样制备工作实验室已预先做好)。
土工实验指导书及报告测定土的液限和塑限(锥式仪法和搓条法)一、基本原理在界限含水率中,意义最大的是从粘流状态过渡到粘塑状态的液限(w L)和从塑态过渡到半固态的塑限(w p)。
土的塑性指数是液限与塑限之差(Ip=w L-w p),是表示土的塑性强弱的指标。
对于液限的测定,我国广泛使用的是锥式液限仪,圆锥质量76g,锥角30°,距锥尖10mm 处刻有一环形线。
当锥在自重作用下沉入土中的深度恰为10mm时,则认为此时的含水率就为液限。
土的塑态与固态间的界限含水率称土的塑限。
塑限的测定依据主要是根据土处于塑态时可塑成任意形状且不产生裂纹;处于固态时则很难搓成任意形状,若勉强为之,则土面要发生裂纹或断折等现象。
以这两种物理状态为待征,确定塑态和固态的界限。
也就是说,当土被搓成一定粗细的土条且表面开始出现裂纹时的含水率,即为塑限。
此外,我国还采用圆锥式液塑限联合测定仪测定液限和塑限。
它是用瓦氏圆锥仪在专门的仪器上测定土在不同含水率时的圆锥入土深度,在双对数坐标纸上绘成圆锥入土深度与含水率的关系直线。
在直线上分别查得圆锥入土深度为17mm、l0mm和2mm时的相应含水率,即为碟式仪液限(等效)、锥式仪液限和塑限。
二、锥式液限仪测定液限(一)仪器设备1、铝盒、调土杯及调土刀2、锥式液限仪(如图);3、天平:感量为0.01g;4、筛:孔径为0.5mm;5、磁钵和橡皮头研棒;6、烘箱;7、干燥器。
(二)操作步骤1、制备土样取天然含水率的土样50g捏碎过筛;若天然土样已风干,则取样80g研碎,并过0.5mm 筛;加蒸馏水调成糊状,盖上湿布或置保湿器内12h以上,使水分均匀分布。
2、装土样于调土杯中将备好的土样再仔细拌匀一次,然后分层装入试杯中;用手掌轻拍试杯,使杯中空气逸出;待土样填满后,用调土刀抹平上面,使之与杯缘齐平。
3、放锥(1)在平衡锥尖部分涂上一薄层凡士林,以拇指和食指执锥柄,并保持锥体垂直,使锥尖与试样面接触,轻轻松开手指,使锥体在其自重作用下沉入土中;注意,放锥要平稳避免产生冲击力。
土工实验指导书及报告测定土的液限和塑限(锥式仪法和搓条法)一、基本原理在界限含水率中,意义最大的是从粘流状态过渡到粘塑状态的液限(w L)和从塑态过渡到半固态的塑限(w p)。
土的塑性指数是液限与塑限之差(Ip=w L-w p),是表示土的塑性强弱的指标。
对于液限的测定,我国广泛使用的是锥式液限仪,圆锥质量76g,锥角30°,距锥尖10mm 处刻有一环形线。
当锥在自重作用下沉入土中的深度恰为10mm时,则认为此时的含水率就为液限。
土的塑态与固态间的界限含水率称土的塑限。
塑限的测定依据主要是根据土处于塑态时可塑成任意形状且不产生裂纹;处于固态时则很难搓成任意形状,若勉强为之,则土面要发生裂纹或断折等现象。
以这两种物理状态为待征,确定塑态和固态的界限。
也就是说,当土被搓成一定粗细的土条且表面开始出现裂纹时的含水率,即为塑限。
此外,我国还采用圆锥式液塑限联合测定仪测定液限和塑限。
它是用瓦氏圆锥仪在专门的仪器上测定土在不同含水率时的圆锥入土深度,在双对数坐标纸上绘成圆锥入土深度与含水率的关系直线。
在直线上分别查得圆锥入土深度为17mm、l0mm和2mm时的相应含水率,即为碟式仪液限(等效)、锥式仪液限和塑限。
二、锥式液限仪测定液限(一)仪器设备1、铝盒、调土杯及调土刀2、锥式液限仪(如图);3、天平:感量为0.01g;4、筛:孔径为0.5mm;5、磁钵和橡皮头研棒;6、烘箱;7、干燥器。
(二)操作步骤1、制备土样取天然含水率的土样50g捏碎过筛;若天然土样已风干,则取样80g研碎,并过0.5mm 筛;加蒸馏水调成糊状,盖上湿布或置保湿器内12h以上,使水分均匀分布。
2、装土样于调土杯中将备好的土样再仔细拌匀一次,然后分层装入试杯中;用手掌轻拍试杯,使杯中空气逸出;待土样填满后,用调土刀抹平上面,使之与杯缘齐平。
3、放锥(1)在平衡锥尖部分涂上一薄层凡士林,以拇指和食指执锥柄,并保持锥体垂直,使锥尖与试样面接触,轻轻松开手指,使锥体在其自重作用下沉入土中;注意,放锥要平稳避免产生冲击力。