高校教学楼设计
- 格式:doc
- 大小:40.00 KB
- 文档页数:9
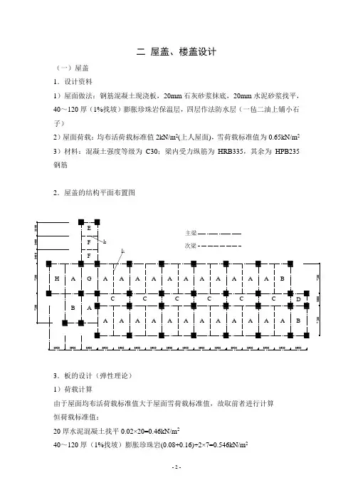
二屋盖、楼盖设计(一)屋盖1.设计资料1)屋面做法:钢筋混凝土现浇板,20mm石灰砂浆抹底,20mm水泥砂浆找平,40~120厚(1%找坡)膨胀珍珠岩保温层,四层作法防水层(一毡二油上铺小石子)2)屋面荷载:均布活荷载标准值2kN/m2(上人屋面),雪荷载标准值为0.65kN/m2 3)材料:混凝土强度等级为C30;梁内受力纵筋为HRB335,其余为HPB235钢筋2.屋盖的结构平面布置图3.板的设计(弹性理论)1)荷载计算由于屋面均布活荷载标准值大于屋面雪荷载标准值,故取前者进行计算恒荷载标准值:20厚水泥混凝土找平0.02×20=0.46kN/m240~120厚(1%找坡)膨胀珍珠岩(0.08+0.16)÷2×7=0.546kN/m2四层作法防水层 0.36kN/m 2100mm 厚钢筋混凝土楼板 0.1×25=2.56kN/m 220mm 厚石灰砂浆抹底 0.02×17=0.34kN/m 2 小计 4.08 kN/m 2 荷载设计值g=1.2×4.08=4.90kN/m 2 ,q=1.4×2.0=2.8kN/m 2 q/2=1.4kN/m 2,g+q/2=6.3kN/m 2,g+q=7.7kN/m 2 2)弯矩计算 计算过程见下页表中 3)截面设计截面有效高度:假定选用Φ8钢筋,则l 01方向跨中截面的h 01=80mm ;l 02方向跨中截面的h 02=70mm ;支座截面h 0=80mm 。
最小配筋率:因为%2.0%27.021027.145.0f f 45.0y t >=⨯=,故取ρsmin =0.27%,则A smin =0.27%×1000×100=270mm 2截面设计时取用的弯矩设计值:中间跨的跨中截面及中间支座截面减小20%;边跨跨中截面及楼板边缘算起的第二个支座截面处,当lb/l0<1.5时减小20%,当l b /l 0=1.5~2.0时减小10%;楼板的角区格不折减。
一、项目背景随着我国高等教育的快速发展,高校规模不断扩大,教学需求日益增长。
为了满足教学需求,提高教学质量和学生学习环境,优化校园空间布局,我们特提出本高校教学楼建筑设计方案。
二、设计理念1. 以人为本:充分考虑师生的需求,创造舒适、便捷、安全的教学环境。
2. 绿色环保:采用节能、环保材料和技术,降低建筑能耗,实现可持续发展。
3. 功能性与美观性相结合:注重建筑功能性与美观性的统一,打造校园地标性建筑。
4. 智能化:引入智能化系统,提高教学和管理效率。
三、建筑布局1. 整体布局:教学楼位于校园中心区域,交通便利,方便师生前往。
2. 功能分区:将教学楼分为教学区、辅助教学区、办公区、设备区等,功能明确,互不干扰。
3. 流线设计:合理规划教学楼的入口、走廊、楼梯等,确保人流、物流顺畅。
四、建筑造型1. 立面设计:采用现代简约风格,立面线条简洁流畅,体现建筑的现代感。
2. 色彩搭配:以白色为主色调,配以少量暖色调,营造温馨、舒适的教学氛围。
3. 屋顶设计:采用绿色屋顶,降低建筑能耗,美化校园环境。
五、建筑功能1. 教学区:设置教室、实验室、多媒体教室等,满足各类教学需求。
2. 辅助教学区:设置教师办公室、学生休息室、图书角等,为学生提供便利。
3. 办公区:设置教务处、辅导员办公室等,提高教学管理效率。
4. 设备区:设置设备室、配电室等,保障教学楼正常运行。
六、智能化系统1. 安防系统:安装监控摄像头、门禁系统等,保障师生安全。
2. 消防系统:设置火灾报警器、自动喷淋系统等,确保消防安全。
3. 照明系统:采用节能照明设备,降低建筑能耗。
4. 通风系统:设置新风系统,保证室内空气质量。
5. 信息化系统:搭建校园网络,实现教学、办公、生活等方面的信息化管理。
七、节能环保1. 墙体材料:采用保温性能良好的墙体材料,降低建筑能耗。
2. 窗户设计:采用双层玻璃窗户,提高建筑的保温性能。
3. 绿化设计:在建筑周围设置绿化带,降低建筑热岛效应。
十截面设计(一)梁截面设计1.正截面受弯承载力计算1)已知条件混凝土强度等级选用C30,f c=14.3N/mm2,f t=1.43N/mm2。
纵向受力钢筋选用HRB335(f y= f’y=300N/mm2),箍筋选用HRB235(f y= f’y=210N/mm2)。
梁的截面尺寸为300×800,300×600两种,则h01=800-35=765mm,h02=600-35=565mm。
2)构造要求(1)承载力抗震调整系数γRE=0.75(2)三级抗震设防要求,框架梁的混凝土受压区高度x≤0.35h0则x1≤0.35h01=0.35×765=267.75mmx2≤0.35h02=0.35×565=197.75mm(3)梁的纵筋最小配筋率:支座:0.25%×300×765=573.75mm2>(55×1.43/300) %×300×765=417.83mm20.25%×300×565=423.75mm2>(55×1.43/300) %×300×565=256.09mm2所以:A s1min=573.75mm2A s2min=423.75mm2跨中:0.2%×300×765=459mm2>(45×1.43/ 300) %×300×765=341.86mm20.2%×300×565=339mm2>(45×1.43/300) %×300×565=252.48mm2所以:A s1min=459mm2A s2min=339mm2(4)箍筋的配箍率箍筋的配筋率ρsvmin=0.24×f t/f yv=0.24×1.43/210=0.16%4)配筋计算因结构、荷载均对称,故整个框架采用左右对称配筋。
教学楼平面图设计简介范本一、引言教学楼平面图设计是高校教学楼建设的关键环节之一。
它直接影响到教学楼的实用性、舒适性以及教育教学的效果。
本文将介绍教学楼平面图设计的基本原则和范本,以期为教学楼平面图设计提供一些指导和参考。
二、设计原则1. 教学楼平面图的合理布局教学楼平面图设计的核心是合理的空间布局。
在教学楼的平面图设计中,应充分考虑不同教室功能的需求,并根据教室的性质和功能,将不同类型的教室合理布置在不同的楼层或区域。
同时,还要考虑到教室之间的相对位置和交通便利性,以便教师和学生的出入和沟通更加顺畅。
2. 教室尺寸和布局教学楼平面图设计要考虑到教室的尺寸和布局。
教室的尺寸应根据教室的使用人数进行合理的确定,以保证学生和教师的舒适性和活动空间。
此外,教室的布局也要考虑到教学设备、座椅摆放和教室功能区的划分,使得教学过程更加高效和便利。
3. 通道和交通流线设计教学楼平面图设计要考虑通道和交通流线的设计。
通道的宽度和布局应符合建筑规范,以确保学生和教师的安全和便利。
交通流线的设计要求合理,能够方便学生和教师从不同教室快速到达目的地。
4. 可持续性设计教学楼平面图设计要考虑可持续性设计。
可持续性设计包括对教学楼的能源效率、环保性和可持续性使用的考虑。
设计师可以通过合理的建筑朝向、采光和通风设计、节能设备和设施等方式来提高教学楼的可持续性。
三、教学楼平面图设计范本1. 教学楼一楼平面图设计范本一楼平面图设计范本主要包括大型学术报告厅、多功能教室、实验室、办公室和学生活动区域等。
大型学术报告厅位于教学楼一楼的中央位置,周围布置了多功能教室、实验室和办公室,以方便教师、学生和行政人员的需求。
学生活动区域包括自习室、休息区和休闲区等,为学生提供一个舒适和多功能的学习环境。
2. 教学楼二楼平面图设计范本二楼平面图设计范本主要包括教室、图书馆、计算机实验室和研究室等。
教室分为多个大小不一的教室,以应对不同课程的需求。
一、设计理念本设计方案以“人文关怀、绿色环保、科技融合”为设计理念,旨在打造一个充满活力、温馨舒适、具有现代气息的教学环境,激发学生的学习热情,提高教学效果。
二、设计目标1. 营造一个具有文化氛围的教学空间,提升校园文化品位;2. 优化教学环境,提高教学设施利用率;3. 融入环保理念,实现绿色校园建设;4. 创造一个舒适、安全、便捷的教学环境。
三、设计方案1. 外部装饰(1)墙面:采用浅米色乳胶漆,给人以清新、明亮的感觉。
在墙面适当位置设置艺术壁画,展现校园历史、人文景观等,增强校园文化氛围。
(2)门窗:采用断桥铝合金门窗,具有良好的隔音、隔热、节能效果。
(3)地面:采用防滑、耐磨的地砖,颜色以灰色、米色为主,与墙面形成和谐搭配。
2. 内部装饰(1)教室:教室内部采用米色、白色为主色调,墙面装饰以简约、现代风格为主。
在教室内设置展示区,展示学生优秀作品、学术成果等,激发学生学习兴趣。
(2)走廊:走廊墙面采用艺术壁画,展现校园风光、名人名言等,营造浓厚的学术氛围。
走廊地面铺设防滑地砖,方便学生行走。
(3)卫生间:卫生间采用环保材料,墙面、地面采用防滑瓷砖,设置节水器具,提高资源利用率。
3. 灯光设计(1)教室:采用节能灯,确保光线充足,同时降低能耗。
(2)走廊:采用感应灯光,方便学生在夜间行走,同时节省能源。
(3)卫生间:采用节能灯,保证光线充足,同时降低能耗。
4. 绿色环保(1)选用环保材料,降低室内污染。
(2)设置垃圾分类回收点,提高环保意识。
(3)采用节水器具,降低水资源浪费。
四、实施计划1. 项目前期:进行现场勘查、设计、预算等工作,确保项目顺利进行。
2. 项目中期:进行施工、监理、验收等工作,确保工程质量。
3. 项目后期:对教学楼进行日常维护、保养,确保教学环境良好。
五、预期效果通过本设计方案的实施,大学教学楼将焕然一新,成为具有文化氛围、环保、科技融合的教学空间,为学生提供舒适、便捷的学习环境,提高教学效果,助力校园文化建设。
一、设计理念本设计方案以“传承与创新、人文与科技”为核心,旨在营造一个具有时代特色、人文关怀和科技创新的教学环境。
通过合理的空间布局、独特的建筑风格、丰富的文化元素和先进的教学设施,打造一个既能满足教学需求,又能体现高校文化底蕴的教学楼。
二、设计方案1. 空间布局(1)入口大厅:设置宽敞的入口大厅,设有接待台、休息区、信息发布栏等,方便师生交流与信息传递。
(2)教学区:采用开放式布局,将教室、实验室、讨论室等功能区域有机结合,提高空间利用率。
(3)走廊文化墙:在走廊两侧设置文化墙,展示高校历史、名人名言、科研成果等,营造浓厚的学术氛围。
(4)休闲区:设置咖啡厅、休息室等休闲区,供师生交流、放松身心。
2. 建筑风格(1)外观设计:采用现代简约风格,线条流畅,色彩鲜明,体现科技感和时代感。
(2)内部装饰:采用环保、耐用、美观的材料,如天然石材、金属、玻璃等,营造温馨、舒适的教学环境。
3. 文化元素(1)历史传承:在设计中融入高校历史元素,如校徽、校训、历史人物等,弘扬校园文化。
(2)艺术融合:邀请知名艺术家进行室内外艺术创作,如雕塑、壁画等,提升教学楼的艺术价值。
(3)科技创新:在设计中融入智能化、信息化元素,如智能灯光、音响、多媒体设备等,提高教学效果。
4. 教学设施(1)教室:配备多媒体教学设备,如投影仪、音响、电脑等,满足现代教学需求。
(2)实验室:根据专业特点,配备先进的实验设备,如精密仪器、实验器材等,保障实验教学。
(3)讨论室:设置多功能讨论室,方便师生进行学术交流、团队协作。
三、实施与保障1. 制定详细的施工方案,确保工程质量和进度。
2. 加强施工现场管理,确保施工安全。
3. 组织专家对设计方案进行评审,确保方案的科学性和可行性。
4. 加强与施工单位的沟通协调,确保工程顺利进行。
5. 建立长效管理机制,确保教学楼的使用效果和可持续发展。
通过以上设计方案,我们期望打造一个具有时代特色、人文关怀和科技创新的教学楼,为高校师生提供一个良好的学习、工作和交流环境,助力高校教育事业的发展。
研究分析⾼校教学楼的建筑设计研究分析⾼校教学楼的建筑设计五层为普通教室和楼层管理室、教具库房、教师休息室若⼲间,装修时可灵活分隔为⼩间,普通标准教室为9×7.5⽶;每层均设男⼥卫⽣间及盥洗室于教学楼两侧,采光通风良好。
北侧男⼥卫⽣间楼层上下隔层互换分设,使⽤⽅便。
北侧附楼功能为办公区,⼀⾄三层为教研办公室,设单双间办公室,设教师专⽤卫⽣间。
南侧附楼功能为教学区,⼀楼为阶梯教室,⼆、三楼为合班教室。
同时,该建筑设计中⼒求做到平⾯布局功能合理,空间⾼度满⾜使⽤要求。
该教学楼为东西向布置,所有窗均采⽤较⼤洞⼝玻璃窗,⾛廊两侧设有⾼窗,采光通风良好,对于不同的功能空间我们按不同的要求来布置。
总之,我们尽量采⽤新理念、新技术、新材料、科学地为师⽣提供⼀个健康、愉悦的⼯作学习环境,最⼤限度的满⾜教学楼的教学功能需求。
2.交通流线教学楼主⼊⼝前设⼴场,周边形成环形消防通道,次⼊⼝与周边道路相通,四周出⼊⽅便。
上班的教师进⼊北侧附楼办公门厅,通过楼梯、⾛廊进⼊办公区。
学⽣通过主楼门厅、楼梯直达教学区,上⼤课的学⽣可经南侧附楼门厅、楼梯进⼊阶梯教室和合班教室。
教师办公⼊⼝和学⽣⼊⼝分开设置,互不交叉⼲扰,同时各功能区⼜通过主楼内⾛廊和过厅进⾏连接,主楼和附楼既有分隔⼜有联系,使⽤⽅便。
根据该教学楼的使⽤性质及功能要求,平⾯布置采⽤内⾛廊形式,在⼈流交通密集处设置过厅或加宽⾛廊,形成缓冲过渡空间,通过合理的设计,在使⽤中避免了交通拥挤,同时有利于安全疏散。
主楼、附楼均有安全疏散楼梯,整个⼤楼共设楼梯五部,主楼梯顶部通⾄设备房,设备房采⽤防⽕门,各层均设室内消⽕栓,顶层设备层设消防⽔箱间,并设有检验⽤消⽕栓,满⾜安全疏散要求。
四、建筑造型⽴⾯造型采⽤现代坡屋⾯风格,以求得与周边环境协调统⼀,并使该建筑成为该校园的标志性建筑。
⾸层⼊⼝门厅为两层⾼,由两根⽴柱⽀撑顶盖,视觉效果较好。
⽴⾯采⽤外露框架柱及坡屋顶等现代建筑形式,风格清新流畅并体现教学楼的特征,有浓厚的⽂化底蕴,建筑物整体造形美观,⾊彩清新,⾼低错落,注重细部处理,⼒求成为校园景观之⼀。
一、设计理念本设计方案以“绿色、智能、人文”为核心,旨在打造一个舒适、高效、可持续发展的教学环境。
通过合理规划空间布局,优化教学资源配置,提升教学质量,满足师生多元化需求。
二、功能分区1. 教学区:包括教室、阶梯教室、实验室、实训室等,满足各类课程教学需求。
2. 办公区:包括教师办公室、行政办公室、会议室等,保障教学管理工作的顺利进行。
3. 服务区:包括图书馆、自习室、休息室、茶水间等,为师生提供便捷的服务。
4. 辅助区:包括设备间、储藏室、卫生间等,保障教学设施的正常运行。
三、空间布局1. 教学区:采用大开间设计,确保教室采光充足、通风良好。
教室内部布局合理,满足多媒体教学需求。
实验室、实训室等根据专业特点进行分区,确保教学设备的正常运行。
2. 办公区:教师办公室设置独立空间,保障教师工作环境舒适。
行政办公室集中布置,提高管理效率。
会议室设置多功能投影设备,方便召开各类会议。
3. 服务区:图书馆采用开放式布局,方便师生查阅资料。
自习室设置充足的座位,满足学生自习需求。
休息室、茶水间等设置在主要通道附近,方便师生休息和交流。
4. 辅助区:设备间、储藏室等设置在地下或隐蔽区域,不影响教学区、办公区的正常使用。
卫生间采用无障碍设计,方便残障人士使用。
四、绿色设计1. 采光设计:充分利用自然光,减少人工照明,降低能耗。
2. 通风设计:采用自然通风,降低空调使用频率,节约能源。
3. 建筑材料:选用环保、可回收的材料,降低建筑对环境的影响。
4. 智能系统:采用智能监控系统,实现能源管理、安全防范等功能。
五、智能化设计1. 网络设施:实现无线网络全覆盖,方便师生接入互联网。
2. 多媒体教学:教室配备多媒体设备,支持远程教学、互动教学等功能。
3. 智能安防:设置人脸识别、门禁系统等,保障校园安全。
4. 智能照明:采用感应式照明,根据实际需求调节灯光,节约能源。
六、结语本高校教学楼内部设计方案以师生需求为核心,注重空间布局、功能分区、绿色设计、智能化设计等方面的优化,旨在打造一个舒适、高效、可持续发展的教学环境,为高校教育事业发展提供有力支持。
第1篇第一章总则第一条为规范高校实践教学楼设计,提高实践教学环境质量,保障师生的教学、科研和生活安全,特制定本规范。
第二条本规范适用于新建、改建、扩建的高校实践教学楼设计。
第三条实践教学楼设计应遵循国家有关法律法规,符合教育教学规律,满足实践教学需求,体现绿色、环保、节能的设计理念。
第四条实践教学楼设计应注重功能性、实用性、安全性、美观性和可持续性。
第二章基本要求第五条实践教学楼应位于校园内交通便利、环境优美、配套设施齐全的区域。
第六条实践教学楼应与教学区、生活区、科研区等功能区相协调,形成合理的空间布局。
第七条实践教学楼应满足以下基本功能:(一)教室、实验室、实训室、研究所等教学科研空间;(二)教师办公室、学生自习室、图书阅览室等辅助教学空间;(三)会议室、接待室、休息室等公共空间;(四)办公设备、教学设备、实验设备等配套设施。
第八条实践教学楼应具备以下基本条件:(一)建筑结构安全可靠,抗震等级符合国家标准;(二)防火等级符合国家标准,消防设施完善;(三)建筑能耗符合国家标准,采用节能材料和设备;(四)排水、供电、供暖、通风等基础设施齐全,运行稳定;(五)室内空气质量达到国家标准。
第三章功能空间设计第九条教室设计(一)教室面积应满足教学需求,教室数量应合理配置;(二)教室应具备良好的采光、通风,室内温度、湿度适宜;(三)教室内部设施应齐全,如黑板、讲台、课桌椅等;(四)教室应具备多媒体教学设备,支持网络教学。
第十条实验室设计(一)实验室应满足实验教学内容和实验设备的需求;(二)实验室内部空间布局合理,实验设备布局安全;(三)实验室应具备良好的通风、排水系统,确保实验安全;(四)实验室应配备必要的安全防护设施,如防护栏、防护罩等。
第十一条实训室设计(一)实训室应满足实训教学需求,实训设备应先进、实用;(二)实训室内部空间布局合理,实训设备布局安全;(三)实训室应具备良好的通风、排水系统,确保实训安全;(四)实训室应配备必要的安全防护设施,如防护栏、防护罩等。
高校教学楼框架结构设计某高校教学楼框架结构设计摘要:根据教学楼设计规范及相关标准,以及设计资料及老师提供的地质资料,设计该现浇框架结构教学楼,按照先建筑设计后结构设计,先整体布局后节点设计的设计顺序,主要内容包括:建筑方案设计,梁柱截面尺寸及材料强度等级的选择,各层重力荷载代表值及结构刚度参数的确定,横向框架自振周期的确定,计算多遇地震烈度下横向框架的弹性地震作用,多遇地震烈度作用下结构层间弹性变形验算,地震作用下结构的内力分析,竖向荷载作用横向框架的内力分析,内力组合,按组合内力进行梁柱配筋计算,楼板设计,楼梯设计,基础设计等;其中采用能量法计算结构的自振周期,用底部剪力法计算地震作用,用 D 值法分析水平荷载作用下的结构内力,用分层法分析竖向荷载作用下的结构内力;配筋计算中运用了强柱弱梁、强节点弱杆件和强剪弱弯的概念设计原则。
关键词:框架结构、建筑设计、结构设计、概念设计、荷载计算、配筋计算 1 引言:一幢建筑物要依据使用者的要求建造起来,须进行设计和施工。
结构设计的目的一般有两个,一是满足使用(功能)要求,二是经济问题。
1/ 3结构的基本功能是:安全性,适用性和耐久性。
框架结构由梁、柱构件通过节点连接构成,它既承受竖向荷载,又承受水平荷载。
框架结构体系的优点是:建筑平面的布置灵活,能获得较大空间;建筑立面容易处理;结构自重较轻;计算理论比较成熟;在一定的高度范围内造价较低。
2 建筑设计说明 2. 1 建筑概况表 1. 1 建筑概况设计题目建筑面积建筑总高度建筑层数结构类型教学楼设计 10886. 4m2 22. 05m 六层框架结构 2. 2 工程概况该教学楼为六层钢筋框架结构体系,建筑面积约 10886. 4 m2,建筑物平面为矩形。
走廊宽度 2. 4m, 标准层高 3. 6m,室内外高差 0. 45m,其它轴网尺寸等详见平面简图。
2. 3 设计资料表 1. 2 设计资料水文地质条件地形概述拟建场地地形平缓,地面标高为 14. 215. 1m。
高校教学楼设计要求和内容高校教学楼设计是为了提供良好的教学环境,满足学生学习和教师教学的需求。
设计要求和内容包括建筑形态、功能布局、空间设计、设备设施、教学楼环境等多个方面。
首先,高校教学楼的建筑形态应该符合学校整体建筑风格,形成与周围环境和谐统一的景观。
建筑外观设计应该简洁大方,体现现代教育理念,同时注重建筑的功能性和实用性。
教学楼的功能布局要科学合理,应该根据不同学科的教学特点和需求进行合理规划。
一般来说,教学楼可分为教室区、实验区、办公区和公共区域等部分。
教室区是教学活动的重要场所,应该根据不同课程要求设置不同类型的教室,如普通教室、电教室、实验室等。
实验区则要配备相应的实验设备和安全设施,满足科学实验的需求。
办公区应该包括教师办公室、行政办公室和辅导员办公室等,为教师和行政人员提供工作场所。
公共区域则可以包括多功能厅、图书馆和自习室等,为师生提供交流和学习的场所。
空间设计是教学楼设计的重要内容之一。
教室的大小、形状和布局应该合理,充分考虑课程教学需要和学生学习需求,保证学生的舒适度和教学效果。
同时,教室内的座椅、桌子、讲台和投影设备等要符合人体工程学原理,并且易于调整和移动。
此外,教室还应该考虑到通风、采光和隔音等环境要求,创造良好的学习氛围。
设备设施是高校教学楼设计的另一个重要方面。
教学楼应该配备先进的教学设备,如多媒体教室设备、实验室设备、计算机设备等,以提高教学质量和效率。
此外,还应该配备辅助设施,如音响系统、投影仪、网络设备等,满足教学和学生学习的需求。
教学楼环境是高校教学楼设计的关键要素之一。
教学楼应该注重绿化和景观设计,创造良好的学习氛围和舒适的环境。
教学楼周围应该有足够的开放空间,方便师生的交流和活动。
此外,教学楼应该注重安全设计,配备消防设施和应急设备,确保师生的人身安全和财产安全。
总之,高校教学楼设计要求和内容是多方面的,旨在提供良好的教学环境,满足学生学习和教师教学的需求。
十一 楼梯设计楼梯间开间为 3.9m ,进深为7.2。
采用板式楼梯,底层为等跑楼梯,共28级踏步,踏步宽0.3米,其踏步的水平投影长度为13×0.3=3.9m ,二层及其以上层楼梯均为等跑楼梯,共24级踏步,踏步宽0.3米,其踏步的水平投影长度为11×0.3=3.3m 。
楼梯的踢面和踏面均做水磨石层,底面为水泥砂浆粉刷。
混凝土强度等级C30。
板采用HPB235钢筋,梁纵筋采用HRB335钢筋。
(一)底层楼梯设计 1.梯段板TB1设计板倾斜角tanα=150/300=0.5,cosα=0.894。
板斜长为3.9/0.894=4.36m ,板厚约为板斜长的1/30,h=140mm 。
取1m 宽板带计算。
1)荷载计算梯段板的荷载计算列于下表。
恒荷载分项系数γG =1.2,活荷载分项系数为γQ =1.4。
总荷载设计值p=1.2×7.75+1.4×2.5=12.8kN/m 。
梯段板荷载计算表2)截面设计板水平计算跨度l n =3.9m ,弯矩设计值m 19.47kN 9.38.121.0pl 101M 22n ⋅=⨯⨯==。
板的有效高度h 0=140-20=120mm 。
095.012010003.140.11019.47bh f M 2620c 1s =⨯⨯⨯⨯==αα 则951.0s =γ,2y s s 813mmh f M A ==γ 选配Φ12@120,实际A s =943mm 2 分布筋为Φ8@300。
2.平台板PTB1设计设平台板厚100mm ,取1m 宽带板计算。
1)荷载计算平台板的荷载计算见下表。
荷载设计值p=1.2×3.89+1.4×2.5=8.17kN/m平台板荷载计算表2)截面设计平台板的计算跨度l 0=1.80-0.65/2=1.475m弯矩设计值m 1.78kN 475.117.81.0pl 101M 220⋅=⨯⨯==板的有效高度h 0=100-20=80mm020.08010003.140.11078.1bh f M 2620c 1s =⨯⨯⨯⨯==αα 则990.0s =γ,2y s s 107mm h f M A ==γ 选配Φ8@200,实际A s =252mm 23.平台梁TL1设计设平台梁截面尺寸为200mm×400mm 1)荷载计算平台梁的荷载计算见下表。
六 活荷载内力计算(屋面布活荷载)(一)活荷载计算1.屋面框架梁线荷载标准值 q 5AB =2.0×3.9=7.8kN/m q 5BC =2.0×3.0=6.0kN/m2.楼面框架梁线荷载标准值 q AB =2.0×3.9=7.8kN/m q BC =2.5×3.0=7.5kN/m3.屋面框架节点集中荷载标准值 边节点:纵向框架梁传来的活荷载 3.92×2.0/2=15.21kN次梁传来的雪荷载 (1-2×0.272+0.273)×2.0×3.9×7.2/2=24.54kN 则Q 5A =39.75kN 中节点:纵向框架梁传来的雪荷载 15.21+(1-2×0.192+0.193)×2.0×7.8×3/2=37.08kN 则Q 5B =37.08+24.54=61.62kN4.楼面框架节点集中荷载标准值 边节点:纵向框架梁传来的活荷载 3.92×2.0/2=15.21kN次梁传来的活荷载 (1-2×0.272+0.273)×2.0×3.9×7.2/2=24.54kN 则Q A =39.75kN 中节点:纵向框架梁传来的雪荷载 15.21+(1-2×0.192+0.193)×2.0×7.8×3/2=42.55kN 则Q 5B =42.55+24.54=67.09kN(二)活荷载作用下内力计算 1.计算简图 见下页2.荷载等效27.02.729.31=⨯=α顶层边跨 m /82kN .68.7)27.027.021('q 325=⨯+⨯-=边顶层中跨 m /75kN .30.685'q 5=⨯=中中间层边跨 m /82kN .68.7)27.027.021('q 325=⨯+⨯-=边中间层中跨 m /69kN .45.785'q 5=⨯=中荷载等效后的计算简图如下:QD5D3.固端弯矩计算顶层边跨 m 46kN .292.782.6121M 25AB ⋅=⨯⨯=顶层中跨 m 82kN .25.175.331M 25BC ⋅=⨯⨯=中间层边跨 m 46kN .292.782.6121M 2AB ⋅=⨯⨯=中间层中跨 m 52kN .35.169.431M 25BC ⋅=⨯⨯=4.分层计算弯矩 1)顶层内力计算过程如下(单位:kN ∙m )1-4 1-2 2-1 2-5 2-3 0.431 0.569 0.442 0.335 0.223 -29.46 29.46 -2.82 12.70 16.76 → 8.38 -7.74 ← -15.48 -11.73 -7.81 3.34 4.40 → 2.20 -0.97 -0.74 -0.49 16.04 -16.0423.59-12.47-11.12M 图如下(单位:kN ∙m )2)中间层内力计算过程见下页(单位:kN ∙m )16.0411.1223.595.3516.04 4.16(1)(2)(3)12.47(4)(5)3-6 3-1 3-4 4-3 4-2 4-7 4-5 0.301 0.301 0.398 0.331 0.251 0.251 0.167 -29.46 29.46 -3.52 8.87 8.87 11.72 → 5.86 -5.27 ← -10.53 -7.98 -7.98 -5.31 1.58 1.58 2.11 → 1.06 -0.35 -0.27 -0.27 -0.17 10.45 10.45-20.9025.5-8.25-8.25-9M 图如下(单位:kN ∙m )3)底层内力计算过程如下(单位:kN ∙m )M 图见下页(单位:kN ∙m )3-6 3-1 3-4 4-3 4-2 4-7 4-5 0.32 0.307 0.373 0.328 0.248 0.259 0.165 -29.46 29.46 -3.52 9.43 9.04 10.99 → 5.50 -5.16 ← -10.31 -7.80 -8.14 -5.19 1.65 1.58 1.93 → 0.97 -0.32 -0.24 -0.25 -0.16 11.08 10.62-21.7025.3-8.04-8.39-8.87(6)(7)(5)(4)(3)(2)(1)2.7510.4520.93.4810.452.759.025.58.253.488.254.208.0421.703.54(7)(6)(5)(4)(3)(2)(1)11.0810.625.548.3925.308.872.685.不平衡弯矩分配计算过程如下(单位:kN ∙m ),方框内为原不平衡弯矩 1.22不平衡弯矩调整之后即可得出活荷载作用下框架弯矩图,见下页(单位:kN ∙m ,括号内为调幅后的弯矩值)8.418.098.087.8510.5118.0218.0224.4111.2713.1423.6811.8411.8423.7011.8811.8223.009.9713.0331.0824.8127.7927.3227.3026.2010.679.629.6410.119.629.2714.309.577.6825.0619.9020.5620.5620.55(30.07)(23.88)(24.67)(24.67)(24.66)(8.93)(6.67)(6.87)(6.88)(7.15)4.95(4.46)(2.20)2.44(2.43)2.70(2.44)2.71(2.75)3.06(21.09)(23.62)(23.22)(23.21)(22.27)(15.32)(20.75)(20.13)(20.15)(19.55)4.20M 图(单位:kN ∙m )6.跨中弯矩计算m 78kN .22281.2402.182.782.681M 25AB ⋅=+-⨯⨯=m 5kN .451.100.30.6121M 25BC ⋅-=-⨯⨯=m 09kN .1826.10-19.44279.2741.242.782.681M 24AB ⋅==+-⨯⨯=m 2.22kN 85.763.585.70.35.7121M 24BC ⋅-=-=-⨯⨯=m 69kN .18232.2768.2319.44M 3AB ⋅=+-=m 45kN .28.0863.5M 3BC ⋅-=-=m 69kN .18227.323.719.44M 2AB ⋅=+-=m 2.46kN 8.0963.5M 2BC ⋅-=-=m 19.59kN 226.22319.44M 1AB ⋅=+-= m 78kN .241.863.5M 1BC ⋅-=-=因为楼面活载是按满布计算的,故跨中弯矩应乘以1.1进行放大。
一、项目背景随着我国高等教育的快速发展,大学校园内教学楼的规模和数量不断增加。
教学楼作为师生教学、学习的重要场所,其内部设计直接影响教学质量和学生的学习体验。
本文针对大学教学楼阶梯设计进行探讨,旨在提出一种既美观实用又符合人体工程学的阶梯设计方案。
二、设计理念1. 以人为本:充分考虑师生的使用需求,注重人体工程学原理,确保使用者在上下楼梯时的舒适度。
2. 功能性与美观性并重:在满足功能需求的基础上,追求设计的美观性,营造良好的教学环境。
3. 环保节能:采用环保材料,降低能耗,实现绿色建筑的目标。
三、设计内容1. 阶梯尺寸- 踏步宽度:根据人体工程学原理,踏步宽度应控制在280mm-320mm之间,以满足不同身高人群的需求。
- 踏步高度:踏步高度应控制在140mm-160mm之间,以降低上下楼梯时的疲劳感。
- 扶手高度:扶手高度应控制在900mm-1000mm之间,便于使用者抓握。
2. 材质选择- 踏步材料:采用耐磨、防滑、环保的地板材料,如陶瓷、石材或木质复合材料。
- 扶手材料:选用坚固、美观、易于清洁的材料,如不锈钢、铝合金或木制品。
3. 色彩搭配- 采用简洁、明快的色彩搭配,如白色、灰色、蓝色等,营造温馨、舒适的教学氛围。
- 考虑到不同楼层的特点,可适当调整色彩搭配,增加空间层次感。
4. 照明设计- 设置合理的照明系统,确保阶梯在白天和夜间均有良好的照明效果。
- 采用节能环保的LED灯具,降低能耗。
5. 安全措施- 在楼梯口设置醒目的警示标志,提醒使用者注意安全。
- 设置扶手和防滑条,降低意外事故的发生率。
四、实施建议1. 加强施工管理:确保施工质量,严格按照设计方案进行施工。
2. 加强后期维护:定期检查和维护楼梯设施,确保其正常运行。
3. 收集反馈意见:关注师生对楼梯设计的意见和建议,不断优化设计方案。
五、总结本方案以以人为本、功能性与美观性并重、环保节能为设计理念,从阶梯尺寸、材质选择、色彩搭配、照明设计和安全措施等方面进行设计。
一、项目背景随着我国教育事业的发展,学校对教学楼的需求日益增加。
为了满足教育教学需求,提高教学质量和学生学习环境,特制定本教学楼楼层设计方案。
二、设计理念1. 环保节能:采用环保材料,降低能源消耗,提高能源利用效率。
2. 人性化设计:关注师生需求,打造舒适、便捷的学习和生活环境。
3. 功能分区明确:合理划分功能区域,提高空间利用率。
4. 灵活布局:适应不同教学需求,方便师生调整使用。
三、楼层设计方案1. 地下一层(1)设备用房:设置设备间、水泵房、配电室等,保证教学楼正常运行。
(2)停车场:规划停车位,方便师生停车。
(3)物资储藏室:存放教学设备、教材等物资。
2. 地上楼层(1)一层- 教室:设置8间标准教室,配备多媒体教学设备,满足日常教学需求。
- 办公室:设置教师办公室,方便教师办公和交流。
- 学生休息区:设置学生休息区,供学生课间休息和交流。
- 校园超市:设置校园超市,方便师生购买日常生活用品。
(2)二层- 教室:设置8间标准教室,配备多媒体教学设备。
- 图书馆:设置图书馆,提供丰富的图书资源,满足师生阅读需求。
- 活动室:设置活动室,供学生开展各类活动。
- 教研室:设置教研室,方便教师进行教学研究和交流。
(3)三层- 教室:设置8间标准教室,配备多媒体教学设备。
- 实验室:设置物理、化学、生物等实验室,满足实验教学需求。
- 音乐教室:设置音乐教室,供学生进行音乐学习。
- 美术教室:设置美术教室,供学生进行美术创作。
(4)四层- 教室:设置8间标准教室,配备多媒体教学设备。
- 多功能厅:设置多功能厅,供举办各类活动,如学术讲座、文艺演出等。
- 茶歇室:设置茶歇室,供师生休息和交流。
3. 屋顶- 雨棚:设置雨棚,保护师生免受雨淋。
- 太阳能发电系统:安装太阳能发电系统,降低能源消耗。
- 绿化带:设置绿化带,美化校园环境。
四、设计亮点1. 节能环保:采用环保材料,降低能源消耗。
2. 便捷高效:合理布局,提高空间利用率。
三 框架结构布置及计算简图(一)梁柱尺寸 1.梁高 h b =(1/12~1/8)lb 横向 h b =600~900mm ,取800mm 纵向 h b =650~900mm ,取800mm过道 h b =250~375mm ,考虑到次梁高度为600mm ,也取为600mm 2.柱截面尺寸本工程为现浇钢筋混凝土结构,7度设防,高度<30m ,抗震等级为三级,取底层C6柱估算柱尺寸,根据经验荷载为15kN/m2: N=15×7.8×(3.6+1.5)=2983.5kN由轴压比限值得A c ≥c f N 8.0=3.148.0105.29833⨯⨯=260795mm 2为安全起见,取底层柱截面尺寸为650mm×650mm ,其他层为600mm×600mm (二)计算简图(取轴线⑥处)初步设计基础顶面离室外地面500mm ,则底层层高为4.2+0.6+0.5=5.3m框架结构计算简图3.003.003.003.003.003.003.003.003.003.003.003.003.003.003.003.603.603.603.603.563.563.563.563.563.563.563.563.562.812.81 2.812.813.003.603.56(三)梁柱线刚度(其中E=3.0×104N/mm2)AC、BC跨梁1×0.3×0.83/7.2=3.56×10-3E i=2E×12BC跨梁1×0.3×0.63/3.0=3.60×10-3E i=2E×12上部各层柱1×0.64/3.6=3.00×10-3 E i= E×12底层柱1×0.654/5.3=2.81×10-3 E i= E×12将梁柱线刚度标于计算简图中。
土木工程专业毕业设计任务书题目:×××高校教学楼设计二零一五年十二月建筑系土木工程专业(2012级本科学生)毕业设计任务书题目:×××高校教学楼设计指导教师:·设计目的优秀的工程师,不仅要掌握基础知识和专业知识,还必须具有较强的综合判断能力、进行工作和科学决策的能力、独立处理各种复杂问题的能力及树立创新的意识等等,这些能力和意识的培养和建立是与教学过程中的实践环节密不可分的。
毕业设计是本科学生知识、能力、素质提高的关键性实践环节,是实现本科培养目标要求的重要阶段,也是学生综合素质与工程实践能力培养效果的全面检查。
本设计任务书正是基于此而编写的。
·设计要求认真贯彻“使用、安全、经济、美观”的设计原则;学习、掌握建筑与结构设计的全过程、基本方法和步骤;处理好建筑与结构设计的关系,认真考虑影响设计的各项因素;了解和掌握与设计有关的规范和规定,并正确运用它们;掌握高层建筑结构的设计、计算方法和基本构造要求;认真编写设计说明书、计算书,并绘制相应的设计图纸。
·进度计划本次毕业设计安排在2015~2016学年第一学期期末至第二学期第十周进行,详细进度安排如下:第一学期末:认真学习毕业设计任务书,查阅相关资料完成开题报告。
第二学期第1~2周:建筑方案设计,包括总平面布置和主要平、立、剖面草图。
第二学期第3~4周:施工图设计,包括平立剖面图和总平面图以及简要的建筑设计说明。
第二学期第5周:结构方案设计,包活结构选型、结构布置等。
第二学期第6~7周:结构计算,报货:确定计算简图;荷载计算;内力分析;荷载组合;界面与节点设计及构造设计;地基和基础设计;楼梯设计;其他构件设计。
第二学期第8~9周:绘制施工图,包括基础平面布置及剖面图,框架梁、柱配筋施工图,标准层平面结构布置图,楼梯及其他构件配筋施工图。
第二学期第10周:资料整理,包括设计计算书及有关表格,校对图纸及修改,图纸交指导老师审核签字。
设计任务书第一部分建筑设计1 概况为×××高校教学楼,要求满足综合教学要求。
1.1 工程名称:×××高校教学楼设计。
1.2 建筑地点:该工程建设场地在新乡市高校新区,1.3 建筑规模:总建筑面积:6000~10000m2,层数:6-7层,层高3.6~4.5m。
1.4 结构形式:采用现浇钢筋混凝土框架结构,楼面可采用现浇或预应力钢筋混凝土空心板。
采用现浇时,可考虑采用现浇空心无梁楼盖等新型结构形式。
1.5 建筑物房间组成和面积:一至四层为教学用房(教室和教师休息室等),220~250人合班教室4~8间;100~120人的普通教室6~10间;80人的普通教室8~12间;40人的普通教室10~14间;教师休息室和卫生间按有关标准要求设定。
五~七层为教学辅助用房和办公室,按相应人数的教室考虑面积:计算机房80人8~12间,绘图教室40人8~12间办公室20~40人10~20间,资料室80人2间。
1.6 建筑设备:管理中心采用集中空调,供水、排水、电由市政提供。
1.7 建筑装修及材料:外墙面采用外墙涂料;内墙面采用内墙涂料;卫生间及前室内墙选用面砖;顶棚吊顶部分采用轻钢龙骨纸面石膏板刷乳胶漆;楼地面按功能要求自选。
2 水文、地质、气象条件2.1气象条件1)温度:最热月平均30.1℃,最冷月平均 4.2℃,夏季极端最高39.8℃,冬季极端最低-8.5℃。
2)相对湿度:最热月平均73%。
=300N/m2;3)气象条件:全年为偏南风,夏季为西南风,基本风压W=350N/m2。
基本雪压W2.2工程地质条件1)地形概述:拟建场地地形平缓,地面标高在85.00~86.00m之间。
2)自然地表1m内为填土,填土下层为3m厚砂质黏土,再下层为砾石层。
砂质黏土允许承载力标准值为250kN/m2。
砾石层允许承载力标准值为300~400kN/m2。
3)地下水位:地表以下3.0m,无侵蚀性。
4)抗震设防烈度按8度设防。
3 建筑标准3.1 建筑等级为II级。
3.2 建筑结构安全等级为二级。
3.3 采光等级为II级。
3.4 防火等级为II级。
3.5 抗震设防分类为乙类。
3.6 抗震设防烈度按8度设防。
4 设计内容及要求4.1 严格按照国家现行设计的设计、施工及验收规范、条例进行设计。
4.2 设计过程分方案设计和施工图设计两个部分,以施工图设计为主。
4.2.1 方案设计。
包括:总平面布置(要求合理布置绿化、景点等)和主要平、立、剖面草图(要求标注主要尺寸,面积指标及标高等。
比例不小于1:200。
4.2.2 施工图设计。
要求用电脑出图和铅笔绘制,线型分明,要求达到施工图深度;图幅1号,图纸至少4张(手绘至少一张);图例表示参照《建筑制图标准》(最新标准);有关设计说明写在图纸上,字体工整,要求用仿宋字。
内容包括:平面图(首层平面图,比例为1:100;标准层平图,比例为1:100;),立面图(主要立面图两个,比例为1:100),剖面图(要求剖到楼梯,比例为1:100),外墙详图(比例为1:50),总平面图(比例为1:500),简要的建筑设计说明(要求说明设计依据、总建筑面积、建筑高程、建筑概况、建筑类别、耐火等级、抗震设防烈度、填充墙体的材料、玻璃厚度及颜色、门窗材料及颜色以及各部位(墙体、地面、门窗、外装修等)构造作法和技术经济指标等)。
5 内涵要求及设计原则5.1 遵循以人为本的原则,充分考虑学生生活行为规律合理进行功能分区,流线组织明确便捷,与周围环境融为一体。
5.2 结合自己的生活经历,把自己所了解的高校教学楼的结构设计和各单元、各个房间的布局应用到设计之中,亦要充分考虑到和解决好学生学习的一些细节问题。
5.3高校教学楼即可以体现在建筑风格和房间布局上,也可以体现在高校教学楼的管理制度上,设计出新的一人为本的管理制度也是建设高校教学楼的重要环节。
5.4 充分发挥想象力和创新能力,整栋高校教学楼可以按照各种学生的要求设计成不同大小、不同风格的房间。
适当运用现代建筑造型手段和建筑构图规律,创造新颖,活泼,有现代感的建筑形象。
5.5合理进行柱网布置,合理选择基础类型,并进行有关的计算第二部分结构设计1 方案选择在建筑方案的基础上,结合现行施工技术水平,进行结构方案设计,包括:确定结构体系;确定缝的划分;进行结构布置;根据地质资料及上部结构形式确定基础形式及基础埋深;进行初步估算,确定结构构件尺寸。
2 结构计算包括:确定计算简图;荷载计算;内力分析;荷载组合;截面与节点区设计及构造设计;基础设计;楼梯设计;其它构件设计(自选)。
3 绘制施工图每位学生应至少绘制4张1#结构施工图(手绘至少一张),图纸比例自选,图中图例表示均按《建筑制图标准》制图,所有图纸以白纸、铅笔线完成,线型分明,字体工整,要求用长仿宋体,具体设计内容包括:基础平面布置及剖面图;框架梁、柱配筋施工图;标准层平面结构布置图;楼梯(及其它构件)配筋施工图。
4 资料整理(电子版)包括:设计计算书及有关表格;校对图纸及修改;图纸交指导老师审核签字。
第三部分设计参考资料1 建筑设计参考资料《建筑构造》;《中南地区通用建筑标准设计》图集;《建筑制图标准》(GB\T50104-2010);《房屋建筑制图统一标准》(50001-2010);《教学楼设计规范》《无障碍设计规范》(GB 50763-2012)《建筑设计防火规范》(GB 50016-2014);《河南省居住建筑节能设计标准》(寒冷地区)(DBJ41/062-2012);《建筑设计资料集》(第二版);《房屋建筑学》;及其它有关国家法规、条例等。
2 结构设计参考资料《建筑结构静力计算手册》;《建筑结构可靠度设计统一标准》(GB50068-2001);《建筑结构荷载规范》(GB50009-2012);《建筑抗震设计规范》(GB50011-2010);《建筑抗震设防分类标准》(GB50223-2008);《建筑地基基础设计规范》(GB5007-2011);《混凝土结构设计规范》(GB50010-2010);《钢筋混凝土结构计算手册》;《砌体结构设计规范》(GB50203-2011);《高层建筑混凝土结构技术规程》(JGJ3-2010);《钢筋混凝土高层建筑结构设计与施工规程》;《加气混凝土砌块墙及保温屋面构造(河南省标准)》(97YG406);《各种标准图和通用手册》;以及各有关专业教材。
第四部分毕业设计调研指导书1 建筑部分了解高校教学楼的规模类型,等级标准;注意高校教学楼选址,主体建筑群与周围环境的关系,重点了解高校教学楼的各个组成部分,其功能分区,平面组合与空间设计;高校教学楼标准层的平面形式及防火疏散,教室用房的安排;房间朝向、开间、进深、高度、走道、门洞尺寸;卫生间的设计要求;建筑立面形式;高校教学楼门厅的功能要求与交通组织;多功能厅公共部分的设计要求等。
2 结构部分多、高层高校教学楼的结构型式有哪些,各有什么优缺点;楼梯的结构有几种,应怎样来选择;基础有哪些型式,在实际设计中应如何选择;框架结构的内力计算可采用哪几种方法,在设计中是否考虑房屋的侧移计算;在施工现场注意梁、板、柱的位置关系,分析传力途径及属于什么受力构件;各构件砼标号、断面形式、配筋方式,实际工程中钢筋的连接、弯起等。