电力室电气自动化图纸、设备编码规定
- 格式:docx
- 大小:68.45 KB
- 文档页数:5
设备编号规则设备编号规则目录1.概述 (4)2.需编号的内容 (4)2.1.电气类 (4)2.2.暖通类 (4)2.3.弱电类 (4)2.4.消防类 (5)3.编号原则 (5)3.1.编号在设备图形中位置 (5)3.2.块属性的编辑方法(以生成精密空调块为示例) (5)3.2.1.新建CAD文件 (5)3.2.2.画好块的图形 (5)3.2.3.编辑设备名称及容量等信息 (6)3.2.4.编辑块属性 (6)3.3.代码编辑原则 (9)3.3.1.设备编号的组成 (9)3.3.2.各部分的具体含义 (10)4.编号示例 (12)4.1.电气设备编号 (12)4.2.暖通设备编号 (12)4.3.弱电设备编号 (12)4.4.消防设备编号 (12)1.概述为方便各专业绘制图纸,各专业之间相互配合以及提高图纸的可读性,制定本设备编号规则。
设备编号由各专业编辑后汇总到装修图纸中,在相应的平面图中应能表示出所有设备及其编号。
在所有项目的初步设计及后期的过程中都要按照本规则进行编号。
2.需编号的内容2.1.电气类需编号的电气类设备主要包含以下2类:1、配电柜(箱)、控制柜(箱):各种电压等级的市电配电柜(箱)、发电机输出柜(箱)、UPS配电柜(箱)、列头柜、空调配电柜(箱)、照明配电箱、应急照明配电箱、风机控制箱等。
2、所有电气设备:变压器、柴油发电机、UPS、直流电源等设备。
2.2.暖通类需编号的暖通类设备主要包含以下2类:1、空调系统设备:精密空调、各种制冷机、室外机、冷却塔、水泵、板式换热器等。
2、通风系统:新风机、排气风机、排烟风机等。
2.3.弱电类需编号的弱电类设备主要包含以下3类:1、综合布线类:所有机柜、机柜列、网络列头柜(箱)。
2、安防类:门禁、摄像头、防盗报警。
3、环境监控类:温湿度传感器、漏水报警、各种转换模块。
2.4.消防类需编号的消防类设备主要包含以下2类:1、气体灭火类:钢瓶。
2、报警类:报警主机、启动控制器、感烟探测器、感温探测器、极早期控制主机。
化工区电气设备编号说明一、变电所内电气设备的编码XXX— W AA T Y — ZZ(1) (2) (3) (4) (5) (6)编码解释:(1) XXX 装置代码(参见项目,可以省略)(2) W 配电室代号从1-9(装置只有一个配电室可以省略)(3) AA 设备代码(见附表1-1)(4) T 额定电压等级代码(见附表1-2,只有配电柜带有电压等级代码,其它设备省略)(5) Y 组别号从1-9(以母线或一组并列安装柜体为组别号)(6) ZZ 设备编号(如果有母联,将以母联为01号,如果没有母联,将进线为01号。
一段将以单号顺编,二段将以双号顺编。
中压PT为02和03号,中压进线为04和05号)。
注:其中在图纸和配电柜只标注(3)(4)(5)(6)编号,其它省略。
附表 2.1-1附表2.1-2二、装置区内电气设备编码LLP - 05 01(1) (2) (3)(1) 设备名称代码(见附表2-1)(2) 装置区区域编号代码(两位数,由项目定,项目无要求可以省略)(3) 系列号代码 01,02,03 ………附表 2.2-1三、化工区电气设备编号执行说明:1、在配电柜编号时,以面对中压柜左边为Ⅰ段,右边为Ⅱ段。
以面对低压柜左边为Ⅱ段,右边为Ⅰ段。
Ⅰ段编写单号,Ⅱ段编写双号(此项要求主要考虑到配电室中低压是面对面布置)。
2、中低压柜盘以一组母线进行分组。
如SBC1(2)表示为6kV中压柜1(2)组。
如SBD1(2)表示为0.4kV中压柜1(2)组。
3、中压母联柜为Y01号柜,中压1#进线为Y05号柜,Ⅰ段PT为Y03号柜。
中压2#进线为Y04号柜,Ⅱ段PT为02号柜。
4、低压母联柜为Y01号柜,低压1#进线为Y07号柜。
低压2#进线为Y04号柜。
5、总变10kV、6kV进线编号不执行Y05、Y04编号,母联柜的编号为Y01。
总变出线名称装置名称+中压柜组编号+1#(2#)线。
如乙烯装置出线名称为乙烯SBC1组1#线、乙烯SBC1组2#线、乙烯SBC2组1#线、乙烯SBC2组2#线。
电气设备编码规则电气设备编码规则电气柜编码规则:7位码第三位:电气室标高与位置9:建筑内一层8:+0至15m7:-5m至0m6:车间层面操作侧±0或更高5:车间层面传动侧±0或更高4:地下室操作侧-3600m至第三位:电气室标高与位置9:建筑内一层8:+0至15m7:-5m至0m6:车间层面操作侧±0或更高5:车间层面传动侧±0或更高4:地下室操作侧-3600m至±03:地下室传动侧-3600m至±02:地下室操作侧-12000m至-3600m1:地下室传动侧-12000m至-3600m第二位D为区域A:一般区域B:粗轧电气室C:精轧卷取电气室D:卷取电气室H:加热炉区出口侧K:粗轧入口(除磷箱入口到E1)M:E1立辊N:R1P:粗轧后辊道至热卷箱Q:热卷箱R:飞剪机S:精轧机T:输出辊道U:层冷V:卷取机W:运输链第六位为柜子排号:英文字母A~Z第五位为电气室编号:阿拉伯数字第七位为柜子序列号:阿拉伯数字表示第四位:为设备种类C:补偿第七位为柜子序列号:阿拉伯数字表示第四位:为设备种类C:补偿E:柜子L:电抗器M:ET200站N:测量装置P:主控室R:本地控制屏T:变压器_:分电箱Y:接线盒第一位:+31热轧厂分电箱及ET200编码规则:5位码第五位为箱柜序列号:阿拉伯数字表示第四位:为设备种类C:补偿E:柜子L:电抗器M:ET200站第五位为箱柜序列号:阿拉伯数字表示第四位:为设备种类C:补偿E:柜子L:电抗器M:ET200站N:测量装置P:主控室R:本地控制屏T:变压器_:分电箱Y:接线盒第三位:电气室标高与位置9:建筑内一层8:+0至15m7:-5m至0m6:车间层面操作侧±0或更高5:车间层面传动侧±0或更高4:地下室操作侧-3600m至±03:地下室传动侧-3600m至±02:地下室操作侧-12000m至-3600m 1:地下室传动侧-12000m至-3600m 第二位D为区域A:一般区域B:粗轧电气室C:精轧卷取电气室D:卷取电气室H:加热炉区出口侧K:粗轧入口(除磷箱入口到E1)M:E1立辊N:R1P:粗轧后辊道至热卷箱Q:热卷箱R:飞剪机S:精轧机T:输出辊道U:层冷V:卷取机W:运输链第一位:+31热轧厂。
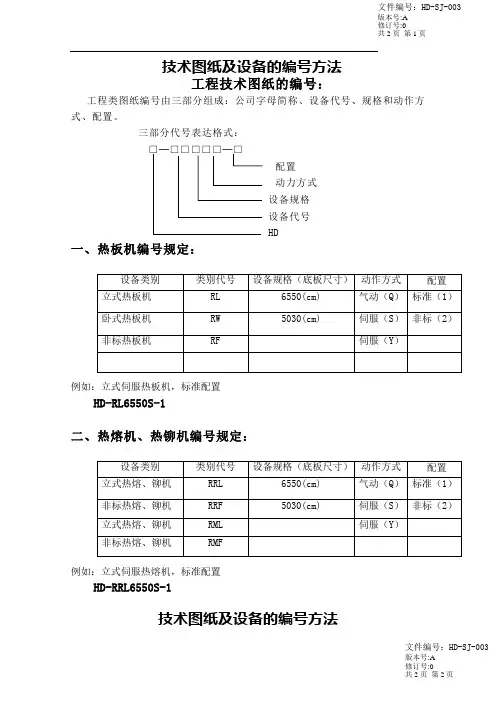
工程技术图纸的编号:
工程类图纸编号由三部分组成:公司字母简称、设备代号、规格和动作方
式、配置。
三部分代号表达格式:
□─□□□□□─□
配置
动力方式
设备规格
设备代号
HD
一、热板机编号规定:
例如:立式伺服热板机,标准配置
HD-RL6550S-1
二、热熔机、热铆机编号规定:
例如:立式伺服热熔机,标准配置
HD-RRL6550S-1
技术图纸及设备的编号方法
文件编号:HD-SJ-003
版本号:A
修订号:0
共2页第2页
工程技术图纸的编号:
三、超声波编号规定:
例如:立式伺服热板机,标准配置
HD-CSBL1010Q-1
四、非标机械编号规定:
例如:自动螺丝机,标准配置
HD-ZDLSJ1010-1。
一、编制依据1、《电力系统部分设备统一编号准则SD240-87》;2、华东电网有限公司《330kV 及以上电气设备命名编号及调度管辖范围划分原则》暂行办法。
二、发电厂、变电站命名原则1、新建发电厂、变电站名称由所属业主单位提供,电网调度机构批准。
2、新建发电厂、变电站在初设前,向所辖电网调度机构提交发电厂、变电站拟命名称(推荐三个及以上名称)。
3、新建发电厂、变电站命名不得与已有厂站同名、同音。
其中电厂、电网变电站最好以地域名命名;用户变以企业特性或地域命名。
三、线路命名原则(一)330kV 及以上线路1、330kV 及以上线路名称实行双重编号,即线路编号+设备名称。
2、330kV 线路编号由网调统一编制,一般由四或五位数字组成,格式为:电压等级(第一位)+中间两位数字表示该线路年份(第二、三位)+最后一位或两位数字表示该线路在当年命。
3、330kV 线路命名以该线路两端厂站名称的简称命名,一般以主供电源端的简称在前;若有二回线,命名与一回线一致,线路名称除按上述命名外还应附加以回路数,如××I 线、××II 线。
(二)110kV 及以下线路1、110kV 及以下线路命名实行双重编号,即电压等级+线路名称。
如110 kV××线、35 kV××线、10kV ××路。
2、110kV 线路命名以该线路两端厂站名称的简称命名,一般以主供电源端的简称在前;若有二回线,命名与一回线一致,线路名称除按上述命名外还应附加以回路数,如××I 线、××II 线。
3、“T ”接线线路命名为线路主线名称+“T ”接厂站简称,如××(主线名称)“T ”×(厂站简称)线。
4、线路杆塔编号排列顺序:由线路主供电源端开始至受电厂站,从1号起按递增顺序编号;“T ”接线路杆塔编号由“T ”接点至厂站,从1号起按递增顺序编号。
工程技术图纸的编号:
工程类图纸编号由三部分组成:公司字母简称、设备代号、规格和动作方
式、配置。
三部分代号表达格式:
□─□□□□□─□
配置
动力方式
设备规格
设备代号
HD
一、热板机编号规定:
例如:立式伺服热板机,标准配置
HD-RL6550S-1
二、热熔机、热铆机编号规定:
例如:立式伺服热熔机,标准配置
HD-RRL6550S-1
技术图纸及设备的编号方法
文件编号:HD-SJ-003
版本号:A
修订号:0
共2页第2页
工程技术图纸的编号:
三、超声波编号规定:
例如:立式伺服热板机,标准配置
HD-CSBL1010Q-1
四、非标机械编号规定:
例如:自动螺丝机,标准配置
HD-ZDLSJ1010-1。
电气设备编号、标志规范1总则为适应公司电网的发展,提高电力系统调度运行管理水平和电气设备现场管理水平,依据《电力安全工作规程》(国家电网安监〔2005〕83号),参照《电力生产企业安全设施规范手册》(2001年12月版本),特制定本规范。
2 职责2.1公司动力计量部是电气设备编号、标志主管部门,主要履行以下职责:(一)负责编制公司电力系统电气设备编号、标志规范;(二)负责对公司各单位电气设备编号、标志使用情况进行检查和考核。
2.2 公司各单位主管部门主要履行以下职责:(一)负责按照本规范配备电气设备编号、标志,定期进行更新,确保电气设备编号、标志使用的规范化、标准化;(二)负责对本各单位电气设备编号、标志使用情况进行检查和考核。
3 电气设备编号3.1.总体要求3.1.1 公司输变电设备、开关、刀闸,实行双重名称,即由设备名称和代码编号(以下简称编号)两部分组成。
3.1.2 公司电调许可输变电设备,参照本规范统一编号,并报公司电调批准后执行。
3.1.3 新建输变电设备,必须按照本规范统一编号。
3.2.设备编号3.2.1 锅炉、汽轮发电机组、主变压器都按1号、2号、3号……编号。
3.2.2 联络线用两端厂、站名联合表示。
3.2.3 母线编号单母线分段:编为Ⅰ、Ⅱ、Ⅲ、Ⅳ……段;双母线:编为Ⅰ、Ⅱ母或甲、乙母;旁路母线:编为Ⅳ母。
3.2.4 开关编号:按电压等级编号。
3.2.4.1 220kV 系统使用数字“2”:如进出线路为“21ⅹ”,变压器为“20ⅹ”,母联(分段)为“200”,旁路开关为“210”;(ⅹ为1至9数字)。
3.2.4.2 110kV系统使用数字“1和3”:如进出线路为“站号+1ⅹ”,变压器为“站号+3ⅹ”,母联(分段)为“站号+10”,旁路开关为“站号+30”;(ⅹ为1至9数字)。
3.2.4.3 35kV系统使用数字“5和7”:如进出线路为“站号+7ⅹ”,变压器为“站号+5y”,母联(分段)为“站号+50”,旁路开关编“站号+70(0)”;(ⅹ为1至9数字或01至99数字;y为1至9数字)。
电气设备编码规则 电气柜编码规则:7位码+31 D 8 E 02 C 21 第一位:+31 热轧厂 第二位D 为区域A B C D H K一般区域 粗轧电气室 精轧卷取电气室 卷取电气室 加热炉区出口侧 粗轧入口(除磷箱入口到 E1) 第四位:为设备种类C :补偿 E :柜子 L :电抗器 M : ET200站 N :测量装置 P :主控室 R :本地控制屏 T :变压器 X :分电箱 Y :接线盒M: E1立辊 N: P : Q: R: S : T : U: V : WR1粗轧后辊道至热卷箱 热卷箱飞剪机 精轧机 输出辊道 层冷卷取机 运输链 第五位为电气室编号: 阿拉伯数字第六位为柜子排号: 英文字母A 〜Z第七位为柜 子序列号:阿 拉伯数字表 示分电箱及ET200编码规则:5位码+31 V 3 X 801第一位:+31热轧厂第二位D为区域A: —般区域B:粗轧电气室C:精轧卷取电气室D:卷取电气室H:加热炉区出口侧K:粗轧入口(除磷箱入口到E1)M: E1立辊N: R1P:粗轧后辊道至热卷箱Q:热卷箱R:飞剪机S:精轧机T:输出辊道U:层冷V:卷取机W运输链第三位:9 :建筑内一层8: +0 至15m7: -5m 至0m6:车间层面,操作侧, 5 :车间层面,传动侧, 4:地下室,操作侧,3:地下室,传动侧,2:地下室,操作侧,1 :地下室,传动侧,±0或更高±0或更高-3600m 至土0-3600m 至土0-12000m 至-3600m-12000m 至-3600m第四位:为设备种类c:补偿E:柜子L:电抗器M: ET200站N :测量装置P:主控室R:本地控制屏T:变压器X:分电箱Y:接线盒电气室标高与位置第五位为箱柜序列号:阿拉伯数字表示。
电气自动化图纸、设备编码规定(绘图示例)*本说明中包括电工、热工仪表;图中汉字标注采用CHINESE图层;使用CAD2000英文版。
*MCC电气室图纸以20121原料磨窑尾电气室为例,车间图纸以106F1原料磨为例,设备号:0210。
1. 电机流程图图号:ELFS_DO975_106F1_1XX_00 (* 1XX=101~199)1.2 电机流程图设备标注:* 电气设备代码尾缀缩略词标注详见:《电气设备编号方法》。
如:MT—电动机;AC—电动执行器(连续调节型);AV—位置控制型阀门;VA—电磁阀门;HT—电加热器;VSD—变频器;2. 电气设备控制箱以该设备工艺编码为主。
变频柜:F1 0210VS;液体起动柜:F1 0210LS;差动保护柜?;单机收尘器控制箱:F1 0210EC;润滑稀油站:F1 0210LU;喂料称系统:F1 0210WF;起动信号铃:F1 0001HN;电动机加热器:F1 0210HT;不间断电源:20121 1#UP;配电、电动机备用回路:SPARE+设备容量;3. 其他电气设备:* 每三面或四面MCC柜为一组,在其中间一面MCC柜的上部位留450~500空间,作安装PLC用。
* 系统单线图中,先作配电柜MP02~MP30、MP31~MP50、MP51~MP80、MP81~MP99出线回路,如:水电阻控制柜、VSD变频器、软启动器、电收尘器高压电源、检修电源、电葫芦等设备的480V供电电源;再作MCC(编号:MC01~MC29、MC31~MC50;MC51~MC80、MC81~MC99)的电动机回路,其中稀油润滑站、袋收尘器等设备电动机由MCC柜控制,现场控制信号进现场I/O箱。
建筑物内同一平面或较集中的设备尽量在同一MCC柜内,可不按照工艺顺序排列。
* 电动机绕组、(润滑站电加热器)出线回路按照合并功率后容量的电加热器,480V,由MCC供电;220V由AVB柜供电。
配电线路设备编号编写规定第一章总则第一条本规定规范了10kV/0.4kV配电线路设备杆编号编写原则,适用于市辖区内各供电所管理的配电线路设备。
第二条规范性引用文件闽电营销[2006]1257号福建省电力有限公司配电网规范化管理办法(修订稿)。
营配[2008]40号福建省电力有限公司关于进一步开展配电设施规范化整治工作的通知。
第二章编写规定细则第三条10kV配电线路的命名编号(一)配电线路原则上以线路经过的道路名称或负荷区的地名作为线路名称,杆名应好记、合理。
双回路或三回路时加Ⅰ、Ⅱ、Ⅲ线;当线路回数达到六回及以上时,为便于辨认,使用大写的数字,如六、七、八线,并与变电站、开关站等站房所对应的馈线开关名称一致,用普通话发音,不得与现有的线路名称谐音或同音。
双回路线路原则上变电站Ⅰ、Ⅲ母的间隔出线为一线,Ⅱ、Ⅳ母的间隔出线为二线。
例如景美开闭所的两回进线分别命名为“10kV景美Ⅰ线、10kV景美Ⅱ线”,三回路、四回路、五回路以此类推;金纶集团的第六、七条进线分别命名为“10kV金纶六线、10kV 金纶七线”,八回路、九回路等以此类推。
10kV配电线路杆号需采用双重名称进行命名,10kV配电线路双重名称是指10kV配电线路名称与杆号,通用格式为“10kV+线路名称+#+杆号”。
(二)杆号原则上以正常运行方式下,离电源点最近的第一根电杆为1号杆,以递增的方式编号。
例如“10kV华达线#5杆”。
(三)在两杆、塔间新增加杆塔,为不致于使其后的杆塔编号发生较大的改动,可在两杆、塔中小号的杆塔名后增加甲、乙、丙加以区分(限五基及以下,五基以上该段前后杆号应重新调整编写),并做适当的调整,例如在华达线#5杆与华达线#6杆之间插入三基杆塔,应分别命名为“10kV 华达线#5甲杆、10kV华达线#5乙杆、10kV华达线#5丙杆”。
使有开关、刀闸、跌落保险等电气设备的杆号在字数上尽量少,原则上带设备的杆塔编号不带甲、乙、丙等。
电气自动化图纸、设备编码规定(绘图示例)*本说明中包括电工、热工仪表;图中汉字标注采用CHINESE图层;使用CAD2000英文版。
*MCC电气室图纸以20121原料磨窑尾电气室为例,车间图纸以106F1原料磨为例,设备号:0210。
1.电机流程图图号:ELFS_DO975_106F1_1XX_00(*1XX=101~199)1.2电机流程图设备标注:*电气设备代码尾缀缩略词标注详见:《电气设备编号方法》。
如:MT—电动机;AC—电动执行器(连续调节型);AV—位置控制型阀门;VA—电磁阀门;HT—电加热器;VSD—变频器;2.电气设备控制箱以该设备工艺编码为主。
变频柜:F10210VS;液体起动柜:F10210LS;差动保护柜?;单机收尘器控制箱:F10210EC;润滑稀油站:F10210LU;喂料称系统:F10210WF;起动信号铃:F10001HN;电动机加热器:F10210HT;不间断电源:201211#UP;配电、电动机备用回路:SPARE+设备容量;3.其他电气设备:*每三面或四面MCC柜为一组,在其中间一面MCC柜的上部位留450~500空间,作安装PLC用。
*系统单线图中,先作配电柜MP02~MP30、MP31~MP50、MP51~MP80、MP81~MP99出线回路,如:水电阻控制柜、VSD变频器、软启动器、电收尘器高压电源、检修电源、电葫芦等设备的480V供电电源;再作MCC(编号:MC01~MC29、MC31~MC50;MC51~MC80、MC81~MC99)的电动机回路,其中稀油润滑站、袋收尘器等设备电动机由MCC柜控制,现场控制信号进现场I/O箱。
建筑物内同一平面或较集中的设备尽量在同一MCC柜内,可不按照工艺顺序排列。
*电动机绕组、(润滑站电加热器)出线回路按照合并功率后容量的电加热器,480V,由MCC供电;220V由AVB柜供电。
均由DCS控制。
*电力室空调:20121AU;空调回路预留,配电柜回路2个,25A/480V、3L+PE;AVB柜回路2个,16A/220V;*辅助电源柜:20121AY01、20121AY31、20121AY51、20121AY81等;A VB柜设置进线侧电压表V指示。
电力系统部分设备编号原则一、220kv设备调度编号原则1.母线编号正母线的编号为1M、2M、5M、6M ,旁路母线编号为3M、7M。
常规的结线方式定为按发电机、变压器侧向线路侧顺序排列;自下而上(平面布置)排列,角形结线按顺时针方向排列。
2.开关编号开关编号由四位数组成,第一位数为“2”,代表电压等级为220千伏,后三位数为开关序号。
规定如下:(1)母联、分段开关编号为“20××”,后两位由开关所联母线号组成,小数在前;母联兼旁路开关按母联分段开关原则编号。
(2)旁路开关编号为“20×0”,“×”为旁路开关所联旁路母线号;旁路兼母联开关按旁路开关原则编号。
(3)主变220千伏开关编号按主变序号相应编为2201-2213。
(4)220千伏主变变高双臂开关结线的开关编号分别为“20×A、20×B”,“×”为主变序号,“A”指接于母线序号较小的臂开关,“B”指接于母线序号较大的臂开关。
(5)220千伏线路开关编号自2214起全网统一编号。
(6)一个半开关结线按矩阵排列编号,第一串靠1M母线的边开关为2011,第一串中开关为2012,第一串靠2M母线的边开关为2013;第二串为2021、2022、2023,依此类推。
(7)多角形结线的开关,从起点顺时针编号,如2001、2001、2003、2004......3 刀闸编号(1)开关对应的母线刀闸编号均由五位数组成,前四位为所属开关号,末位为所接母线号。
(2)线路出线刀闸,主变压器的主变刀闸为“所属开关号+4”,出现第二把出线刀闸为“所属开关号+8”,如22938。
(3)电压互感器刀闸编号为“22×PT”,第三位数字为所属母线序号,如同一母线有多把PT刀闸,则依次编为“22×甲PT、22×乙PT……”。
(4)母线间联络刀闸编号为“200××”,后两位数为所联母线序号,小数在前。
电力系统部分设备统一编号准则SD 240-87中华人民共和国水利电力部关于颁发《电力系统部分设备统一编号准则》的通知(87)水电讯字第41号为加强电力系统调度运行管理,现颁发《电力系统部分设备统一编号准则》,其编号为SD240—87。
本“准则”自发文之日起实行,在此之前所发的有关电力系统设备编号的文件一律作废。
各单位在实行本“准则”中发现的问题,请及时告部科技司和电力调度通讯局。
b5E2RGbCAP1987年11月24日1 总则1.1 为适应电网的发展和大电网间的互联;提高电力系统调度运行管理水平,特制定本准则。
1.2 凡500kV输变电设备,都应照本准则实行统一编号。
1.3 凡与500kV变压器中压、低压侧相联的设备,可参照本准则套编或按原系统编号原则编号。
1.4 新投产220kV设备,尽可能按照本准则套编。
1.5 330kV输变电设备的编号,按西北电管局总调度所制定的原则进行统编。
1.6 凡遇新投产而本准则又未明确的500kV设备的编号,都应报部电力调度通讯局审定。
1.7 本准则由所属电管局总调所(调度局)、独立省网由省电力局中调所负责组织实施。
2 电力系统部分设备名称调度管理中常用的电力系统设备名称,按“电力系统调度术语”命名,其文字符号按有关设备术语的汉语拼音字母缩写而成,今后逐步过渡到使用国家标准GB7159-87。
常用基本符号见表1。
p1EanqFDPw3 交流500kV设备编号3.1 电力系统交流500千伏设备实行双重编号,即由代码编号(以下简称编号)和设备名称两部分组成。
例如线路,以该线路两端厂(站)名称的简称命名,该线路两端断路器,按规定相应编号。
3.2 发电机、变压器等设备,按顺序分别为×号机,×号变,其主断路器按规定相应编号。
3.3 母线分别用1、2、3、4、5数字表示。
排列顺序规定为:从发电机、变压器侧向出线线路侧,由固定端向扩建端(平面布置),自上而下(高层布置)排列,角形接线按顺时针方向排列。
电力系统设备编号原则展开全文一、电力系统设备均应统一编号,属南方电网电力调度控制中心(简称总调)调度管辖范围的设备,由总调负责命名和编号;属省电力调度控制中心(简称中调)调度管辖范围的设备,由中调负责命名和编号;属东莞地调调度管辖范围的设备,由东莞地调负责命名和编号。
二、500千伏设备包括500千伏变电站内所有设备,按《中国南方电网调度管理暂行规定》和《广东电力系统调度规程(修订)》的规定进行编号。
三、220千伏设备按《广东电力系统调度规程(修订)》的规定进行编号。
四、东莞电力系统110千伏及以下设备实行双重称号,即由代码编号(以下简称编号)和设备名称两部分组成。
五、110千伏及以下设备调度命名及编号原则(一)发电机、变压器的称号采用顺序号和设备简称组成,分别为×号机(#×F),×号变(#×B)。
(二)110千伏及以下线路调度命名及编号1.线路的命名以该线路两端厂(站)名称的简称命名,如果两端厂(站)有相同多回线路则用甲、乙、丙、丁……等来区别。
对于多端线路中的分支线路以主干线路名称加本端厂(站)名称的简称来命名。
非10千伏配电线路不采用编号。
2.10千伏配电线路的命名以该线路供电的某一用户名称或某一地理区域名称的简称命名,其编号用字母“F”与向该线路供电的变电站的开关顺序号组成。
(三)母线称号正母线的称号为1号、2号、5号、6号母线(1M、2M、5M、6M),旁路母线称号为3号母线(3M)。
排列顺序为:从发电机、变压器侧向出线线路侧,由固定端向扩建端(平面布置),自上而下(高层布置),角型接线按顺时针方向排列。
(四)开关编号1.开关编号一般由三位数字组成,第一位数字代表电压等级,后二位数为开关顺序号。
2.110千伏开关的第一位数字用“1”;35千伏开关的第一位数字用“3”;10千伏母联、旁路、主变、发电机、站用变、接地变、电容器、电抗器和电源线路开关的第一位数字用“5”,变电站10千伏配电线路开关的第一位数字用“7”。
电力设备编码规则
1. 引言
本文档旨在规范电力设备的编码,并提供一套简单而清晰的编
码规则,以便在电力设备管理和维护中使用。
电力设备编码的准确
性和标准化对于设备管理的有效性和可追溯性至关重要。
2. 编码规则
以下是电力设备编码规则的要点:
2.1 设备类型编码
设备类型使用三位数字编码,每个数字的含义如下:
- 第一位:设备大类,如发电设备、输配电设备、用电设备等;
- 第二位:设备中类,如发电设备分为火力发电、水力发电、
风力发电等;
- 第三位:设备小类,如发电设备中火力发电可以细分为燃煤
发电、燃气发电、核能发电等。
2.2 设备属性编码
设备属性编码使用英文字母代表,其中包括以下属性:
- A:自动化设备
- C:控制设备
- T:变压器设备
- G:发电设备
- T:输电设备
- P:配电设备
2.3 设备编号规则
设备编号由设备类型编码和设备属性编码组成,格式为:设备类型编码-设备属性编码。
例如,当某设备为发电设备中的自动化设备时,其设备编号为:1A。
3. 应用示例
下面是几个应用示例,以帮助理解电力设备编码规则的具体使用方法:
- 293:表示自动化控制设备
- 584:表示变压器设备
- 2G4:表示输电设备中的控制设备
4. 总结
本文档提供了电力设备编码规则的简要说明,旨在帮助电力设
备管理人员进行设备编码,以便更有效地进行设备管理和维护工作。
准确的设备编码可以提高设备管理的效率和可追溯性,确保设备管
理工作的顺利进行。
配电控制设备大类编码
根据国家标准GB/T 1923.1-2016《电工术语配电控制设备术语第1部分:定义和分类》的要求,配电控制设备的大类编码如下:
1. 配电控制设备:用于电力系统的控制、保护和自动化操作的设备。
2. Q:自动化及控制设备:用于对电力系统进行自动化控制和监测的设备。
3. B:保护设备:用于监测电力系统的电气量,发现和解除故障,以确保电力系统的安全运行。
4. C:控制设备:用于对电力系统进行控制操作和调节的设备。
5. K:开关设备:用于电力系统的切换和断开电路的设备。
6. L:测量设备:用于测量电力系统中的电气量。
7. M:监控设备:用于监测电力系统参数和状态的设备。
8. H:辅助设备:用于配电控制设备的辅助设备,如显示器、报警器等。
以上为配电控制设备的大类编码,根据具体的设备类型和功能,还有更详细的中类、小类和词条编码。
电气自动化图纸、设备编码规定(绘图示例)
*本说明中包括电工、热工仪表;图中汉字标注采用CHINESE图层;使用CAD2000英文版。
*MCC电气室图纸以20121原料磨窑尾电气室为例,车间图纸以106F1原料磨为例,设备号:0210。
1.电机流程图图号:ELFS_DO975_106F1_1XX_00(*1XX=101~199)
1.2电机流程图设备标注:
*电气设备代码尾缀缩略词标注详见:《电气设备编号方法》。
如:MT—电动机;AC—电动执行器(连续
调节型);AV—位置控制型阀门;VA—电磁阀门;HT—电加热器;VSD—变频器;
2.电气设备控制箱以该设备工艺编码为主。
变频柜:F10210VS;液体起动柜:F10210LS;差动保护
柜?;单机收尘器控制箱:F10210EC;润滑稀油站:F10210LU;喂料称系统:F10210WF;起动信号
铃:F10001HN;电动机加热器:F10210HT;不间断电源:201211#UP;配电、电动机备用回路:SPARE+
设备容量;
3.其他电气设备:
*每三面或四面MCC柜为一组,在其中间一面MCC柜的上部位留450~500空间,作安装PLC用。
*系统单线图中,先作配电柜MP02~MP30、MP31~MP50、MP51~MP80、MP81~MP99出线回路,如:水电阻
控制柜、VSD变频器、软启动器、电收尘器高压电源、检修电源、电葫芦等设备的480V供电电源;再作MCC(编号:MC01~MC29、MC31~MC50;MC51~MC80、MC81~MC99)的电动机回路,其中稀油润滑站、袋收
尘器等设备电动机由MCC柜控制,现场控制信号进现场I/O箱。
建筑物内同一平面或较集中的设备尽量在同一MCC柜内,可不按照工艺顺序排列。
*电动机绕组、(润滑站电加热器)出线回路按照合并功率后容量的电加热器,480V,由MCC供电;220V由AVB柜供电。
均由DCS控制。
*电力室空调:20121AU;空调回路预留,配电柜回路2个,25A/480V、3L+PE;AVB柜回路2个,16A/220V;*辅助电源柜:20121AY01、20121AY31、20121AY51、20121AY81等;A VB柜设置进线侧电压表V指示。
A VB柜单线图中母线标注方法:220V AC母线(220V AC BAR):仪表电源、执行机构电源、分析仪器柜电源、计量仓、计量柜、地中衡、电磁阀、单相电机、220V电加热器、起动信号(AVB柜220V电源、110V线圈电源)等设备;220V AC检修照明母线(220VAC L&S BAR):检修、车间(道路)照明、空调电源;UPS110V AC母线(UPS110V AC BAR)/24V DC BAR(来自柜内UPS110V AC、24VDC电源模块),110V AC柜内照明(来自电力室照明回路)。
检修电源插座220V5A。
*照明箱/柜:电力室内照明箱编号:20121LT(110VAC);车间内照明箱编号:F10001LT(220VAC);
*石灰石、粘土、铁粉堆场等区域性照明,采用灯塔式照明400WX8只
*检修电源箱:F10001EL:检修电源箱:配电柜(480V)出线80A;AVB柜(220V)出线32A。
*现场开关量接线盒:0210JD;
*现场模拟量接线盒:窑托轮组、>500kW电动机(5TEMP)、风机(2TEMP)现场温度变送箱轴承测温和窑
托轮轴测温(模拟量接线盒):0210JA;将现场Pt100信号经光电隔离型变送器,输出转换为
4~20mA、24VDC信号,由多芯屏蔽电缆引至现场I/O站AI-模拟量输入板。
*现场I/O站编号:F10001PL、F10002PL(电源由AVB柜UPS110AC BAR供电110VAC/24VDC BAR)
4.仪表流程图图号:ELFS_DO975_106F1_XX1_00(*XX1=001~099)
*气体分析仪小屋:0210AG;或20121AG;(窑系统、煤粉制备系统)。
窑筒体测温系统:0210KT(KILN TEMP);工业电视系统:0210CK;(指现场控制箱:气、水冷却系统)。
*喂料称系统:0210WF;计量仓料位检测:0210WE;(WEIGHT LEVEL)。
生料入窑计量(煤粉计
量):0210FC(FLOW CONTROL);
5.仪表接线图图号:ELPL_DO975_106F1_XXX_00(*XXX=001~999)
*仪表接线图见《仪表单元典型接线图》;
?MV变频器柜风机480V配电、110V操作电源,控制室内正压轴流风机220V(A VB柜,手动操作)一个回路/480V MCC柜一个回路,手动操作。
电力室动力柜编号说明
*电源进线柜:MP01;电容器柜:CP01;配电柜:MP02~MP29;MP31~MP49;
*MV电容器柜CP81~99
MCC柜:MC01~MC29;MC31~MC49;A VB柜:AY01~AY29;AY31~AY49;
MP02柜中包括:AVB柜480/220变压器(TF11)出线回路;检修、照明、电力室空调出线回路变压器(TF12);AVB柜(AY01、AY31)中包括:220V AC母线,220V AC检修照明母线,UPS110V AC母线,110V AC控制母线(来自MCC柜),24V DC(来自柜内UPS110VAC、24VDC电源模块),110VAC柜内照明(来自电力室照明回路)。
*电源进线柜:MP51;电容器柜:CP51;配电柜:MP52~MP79;MP81~MP99;
MCC柜:MC51~MC79;MC81~MC99;A VB柜:AY51~AY79;AY81~AY99;
MP52柜中包括:AVB柜480/220变压器(TF51)出线回路;
AVB柜(AY51、AY81)中包括:220V AC母线,220V AC检修照明母线,UPS110V AC母线,110V AC控制母线(来自MCC柜),24V DC(来自柜内UPS110VAC、24VDC电源模块),110VAC柜内照明(来自电力室照明回路)。
*补偿电容器容量(1.按照变压器容量30%估算;2.按照装机容量计算。
);
照明和检修)照明和检修)
照明和检修)
照明和检修)照明和检修)
1、破碎电力室:AVB变压器20KVA;照明、检修、空调变压器:80KVA
2、原料磨电力室:1#AVB变压器50KVA;2#AVB变压器63KVA;照明、检修、空调变压器:125KVA
3、窑头电力室:1#AVB变压器50KVA;2#AVB变压器50KVA;照明、检修、空调变压器:100KVA
4、水泥磨电力室:1#AVB变压器50KVA;2#AVB变压器50KVA;照明、检修、空调变压器:100KVA
5、包装电力室:AVB变压器30KVA;照明、检修、空调变压器:80KVA
注明:在设计文件中,中文标注采用CHINESE图层文件。