线路保护介绍
- 格式:docx
- 大小:420.00 KB
- 文档页数:9
线路保护:零序电流保护,一般为四段式,接地距离保护,一般为三段式,相间距离保护,一般为三段式,高频相差保护,方向高频保护,导引线纵差保护,自动重合闸等。
母线保护:母线差动电流保护,母线充电(或母联断路器解列)保护,断路器失灵保护等。
变压器保护:变压器的瓦斯保护,变压器的电流速断保护,变压器的纵联差动保护,变压器相间短路后备保护(低电压、复合电压、负序电流等)变压器的过负荷保护,变压器的零序电流保护,变压器的过激磁保护等。
保护输电线路的叫线路保护保护主变压器的叫主变保护线路的保护有很多不过一般就是过流速断主变的差动和非电量(包括轻重瓦斯、压力释放、有载调压瓦斯等)这些都是变压器的主保护一般还要搞个主变的后备保护比如过流什么的为了保证电力系统安全经济运行,必须对电力设备的运行情况进行监视和测量.但一般的测量和保护装置不能直接接入一次高压设备,而需要将一次系统的大电流按比例变换成小电流,供给测量仪表和保护装置使用。
在测量交变电流的大电流时,为便于二次仪表测量需要转换为比较统一的电流(我国规定电流互感器的二次额定为5A或1A),另外线路上的电压都比较高如直接测量是非常危险的。
电流互感器就起到变流和电气隔离作用。
它是电力系统中测量仪表、继电保护等二次设备获取电气一次回路电流信息的传感器,电流互感器将高电流按比例转换成低电流,电流互感器一次侧接在一次系统,二次侧接测量仪表、继电保护等。
所以电流互感器会分为测量用电流互感器和保护用电流互感器;测量用电流互感器的作用是用来计量(计费)和测量运行设备电流的;保护用电流互感器主要与继电装置配合,在线路发生短路过载等故障时,向继电装置提供信号切断故障电路,以保护供电系统的安全。
电压互感器实质上是一台降压变压器,将高电压转换成一定值的低电压以供测量等使用电压互感器的作用是:把高电压按比例关系变换成100V或更低等级的标准二次电压,供保护、计量、仪表装置使用。
同时,使用电压互感器可以将高电压与电气工作人员隔离。
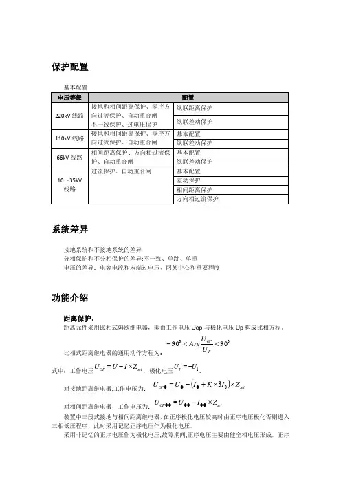
保护配置基本配置系统差异接地系统和不接地系统的差异分相保护和不分相保护的差异:不一致、单跳、单重电压的差异:电容电流和末端过电压、网架中心和重要程度功能介绍距离保护:距离元件采用比相式姆欧继电器,即由工作电压Uop 与极化电压Up 构成比相方程。
比相式距离继电器的通用动作方程为:009090<<-POPU U Arg式中:工作电压OP set U U I Z =-⨯,极化电压1P U U =-.对接地距离继电器,工作电压为:()set OP Z I K I U U ⨯⨯+-=ΦΦΦ03 对相间距离继电器,工作电压为:set OP Z I U U ⨯-=ΦΦΦΦΦΦ装置中三段式接地与相间距离继电器,在正序极化电压较高时由正序电压极化否则进入三相低压程序,此时采用记忆正序电压作为极化电压。
采用非记忆的正序电压作为极化电压,故障期间,正序电压主要由健全相电压形成,正序电压同故障前保持一致,继电器具有很好的方向性。
距离保护正方向故障动作特性应用于较短输电线路时,为了提高抗过渡电阻能力,极化电压中使用了接地距离偏移角如图中所示θ1,该定值可以由用户整定为0°, 15° 或 30°。
接地距离偏移角会使动作特性圆向第一象限移动。
虽然这可提高测量过渡电阻的能力,在高阻接地故障条件下保证很好的动作性能,但是如果在线路对侧存在助增电源的情况下,对于经过渡电阻接地的故障可能会出现超越现象。
为了防止超越,通常距离保护Ⅰ、Ⅱ段和零序电抗元件配合使用。
零序电抗工作电压: ()set OP Z I K I U U ⨯⨯+-=ΦΦΦ03极化电压:D P Z I U ⨯-=Φ0,式中D Z 为模拟阻抗,幅值为1,角度为78°。
比相方程为()000090390<⨯-⨯⨯+-<-ΦΦDsetZ I Z I K I U Arg低压距离继电器保护采用记忆电压作为极化电压,通过比较极化电压与工作电压之间的相位关系来判别是否满足动作条件。
线路保护原理和范围线路保护是电力系统中非常重要的一项技术,它的主要目的是保护电力系统中的输电线路免受各种故障的损害。
线路保护的原理和范围涉及到多个方面,本文将对其进行详细介绍。
一、线路保护的原理线路保护的基本原理是通过监测电力系统中的电流和电压等参数,判断线路是否发生故障,并及时采取措施隔离故障区域,保护线路的正常运行。
线路保护系统通常由保护装置、互感器、测量装置和信号传输装置等组成。
1. 保护装置:负责监测电流和电压等信号,并根据预设的保护逻辑进行判断和操作。
保护装置通常采用微处理器技术,具有高速响应和精确判断的能力。
2. 互感器:用于将高电压和大电流变换成适合保护装置处理的低电压和小电流。
互感器主要包括电流互感器和电压互感器两种。
3. 测量装置:用于测量电力系统中的电流、电压、功率等参数,并将这些参数传输给保护装置进行判断。
测量装置通常具有高精度和抗干扰能力。
4. 信号传输装置:用于将保护装置判断的结果传输给断路器等执行机构,实现线路的隔离和保护。
线路保护的原理主要是根据故障发生时的电流和电压波形的异常变化来判断故障类型和位置。
根据故障类型的不同,线路保护通常可以分为短路保护、接地保护和过流保护等。
二、线路保护的范围线路保护的范围主要包括输电线路和配电线路两个方面。
1. 输电线路保护:输电线路通常是电力系统中电压等级较高的线路,用于将发电厂产生的电能传输到各个电网供应用户使用。
输电线路的保护范围一般包括线路的起点和终点,以及线路上的变电站、支线等。
输电线路的保护主要是为了保护线路本身和线路上的设备,确保电能的安全传输。
2. 配电线路保护:配电线路是将输电线路传输过来的电能供应到用户用电点的线路。
配电线路的保护范围一般包括变电站、配电线路的支线和用户用电点等。
配电线路的保护主要是为了保护线路本身和线路上的设备,确保电能的稳定供应。
线路保护的范围还包括对线路上的各种故障类型的保护。
常见的故障类型包括短路、接地故障和过流等。
输电线路保护讲义一、引言输电线路是电力系统的重要组成部分,起着将发电厂产生的电能输送到用户的作用。
然而,由于电力系统中存在各种故障和意外情况,为了保障线路的安全运行,必须进行输电线路保护。
本讲义将介绍输电线路保护的基本概念、工作原理和常用的保护装置。
二、输电线路保护的概念输电线路保护是一种用于检测和隔离故障的保护装置系统。
其主要功能是在发生故障时迅速切除故障区域,以保护线路的安全运行。
输电线路保护系统主要包括电流保护、电压保护和差动保护等多种类型。
三、电流保护1. 过电流保护过电流保护是一种最常见和广泛应用的保护方式。
它可以根据线路上电流的大小判断是否发生故障,并迅速切除故障区域。
常用的过电流保护包括瞬时过电流保护和定时过电流保护。
2. 地故保护地故保护用于检测线路的接地故障。
当线路接地故障发生时,地故保护装置会迅速切除故障区域,以防止电流通过地极对人和设备造成伤害。
四、电压保护电压保护主要用于检测线路的电压异常情况,并在检测到异常时触发保护动作。
常见的电压保护包括低压保护、过压保护和跳闸保护。
五、差动保护差动保护是一种基于比较电流的保护方式。
它通过监测线路上的电流差值,判断是否发生故障,并在故障发生时迅速切除故障区域。
差动保护对于大容量变压器和特高压线路的保护至关重要。
六、常用的保护装置1. 保护继电器保护继电器是输电线路保护中最常见的装置,用于监测电流、电压和频率等参数,并在发生故障时切断电路。
它具有灵敏度高、响应速度快的特点。
2. 跳闸器跳闸器是一种自动切除线路的装置。
当保护继电器检测到故障时,跳闸器会迅速打开,切断电流流动,以保护线路的安全。
七、总结输电线路保护是电力系统中保证线路安全运行的重要环节。
本讲义介绍了电流保护、电压保护和差动保护等多种保护方式,以及常用的保护装置。
在实际应用中,需要根据具体线路的特点和要求选择适合的保护方案,并配备相应的保护装置,以确保输电线路的安全可靠运行。
线路保护线路保护(Line protection)是指在电力系统中,针对输电线路的过载、短路等故障情况进行保护和控制的一种技术措施。
线路保护的主要目标是及时检测和判断输电线路上的故障,迅速切除故障部分并保护正常运行的线路,从而保证电力系统的安全稳定运行。
1. 线路保护的原理线路保护的原理包括故障检测、故障判据和故障切除。
故障检测是通过对线路上的电压、电流等信号进行实时监测和分析,识别出故障发生的位置;故障判据是依据预设的故障判据准则,将监测到的信号与准则进行比较,以判断是否发生了故障;故障切除是在判断发生故障后,通过控制器发出切除信号,将故障部分从电力系统中切除,以保护系统的正常运行。
线路保护通常采用集中式保护和分散式保护两种方式。
集中式保护是将多个保护装置安装在一个集中控制设备中进行管理和控制,适合于较大规模的电力系统;而分散式保护是将保护装置分散安装在接近被保护设备的位置,适合于中小型电力系统。
2. 线路保护的类型线路保护的类型主要包括过载保护、短路保护和接地保护。
2.1 过载保护过载保护是指在线路发生过载时及时切除故障部分,防止设备因长时间超负荷运行而损坏。
过载保护通常基于电流测量原理,监测线路上的电流,当电流超过额定值时,保护装置将发出切除信号。
过载保护还可以根据运行时间进行分时段保护,以适应负荷变化的需求。
2.2 短路保护短路保护是指在线路发生短路故障时迅速切除故障部分,阻止电流过大造成进一步损坏。
短路保护的原理是通过检测电流和电压异常变化来识别短路故障,当检测到短路时,保护装置会发出切除信号,将短路部分从电力系统中切除。
2.3 接地保护接地保护是指在线路发生接地故障时切除故障部分,避免电流通过人体等接地路径造成危害。
接地保护通常基于电阻测量原理,监测线路的接地电阻,当接地电阻超过预设值时,保护装置将发出切除信号。
接地保护还可以根据接地故障的类型进行差别保护,包括单相接地、双相接地和三相接地。
线路保护的配置和基本原理
线路保护是电力系统中的一项重要技术,其配置和基本原理包括以下几个方面:
1. 保护配置:
a. 选择保护器:根据线路的特点和要求选择合适的保护器,常见的有过流保护器、距离保护器、差动保护器等。
b. 选择保护区域:确定需要保护的线路区域范围,一般是线路的起点和终点之间的区域。
c. 设定保护参数:配置保护器的动作参数,如过流保护器的额定电流、距离保护器的整定值等。
2. 基本原理:
a. 过电流保护:通过检测电流的大小来判断线路是否存在过电流故障,当电流超过设定值时,保护器会发出动作信号,切断故障部分。
b. 距离保护:通过测量线路的电气距离来判断故障的位置,当故障发生时,保护器会根据故障距离和设定值的比较结果决定是否动作。
c. 差动保护:通过比较线路两端的电流差异来判断是否存在故障,当差流超过设定值时,保护器会动作切断故障。
线路保护的基本原理是通过检测和判断线路的电流、电压等参数的异常情况来实现保护动作,及时切断故障,保护电力系统的安全运行。
不同类型的线路保护器
适用于不同类型的线路故障,通过合理配置和设置保护参数,可以提高电力系统的可靠性和安全性。
纵联保护是线路的主保护,因为要比较线路两端电流的大小及相位,所以需要把线路两端的信号通道连接起来;纵联保护按信号通道的不同又分为:高频保护、微波保护、光纤保护及导引线保护;纵联距离和纵联零序就是高频保护~你们厂应该是专用光纤通道~主时钟形式的~上面的两个保护分别是线路相间和接地故障的主保护~没别的意思~而距离保护只是线路的后备保护~纵联保护是比较两侧电气量的保护.用距离元件判断故障是本侧还是对侧.光纤保护是本侧故障发信,高频闭锁保护就停信,再与对侧传过来的信号进行比较.决定跳闸与否.一般每侧的保护范围都是超范围的.两侧共同判断,保护线路全长距离保护只是判断本侧.在保护范围内即可根据控制字设置情况进行动作,一般一段保护范围为线路全长的80%纵联保护就是线路保护的主保护,包含纵联距离,方向,差动等等;距离保护是线路保护的后备保护;纵联距离和距离保护的特性是基本相同的,不同的地方在于纵联距离的出口需要本侧和对侧保护都开放才行,而后备距离保护的出口只需要本侧保护开放就可以;在大短路电流接地系统中发生接地故障后,就有零序电流、零序电压和零序功率出现,利用这些电气量构成保护接地短路的继电保护装置统称为零序保护;三相电流平衡时,没有零序电流,不平衡时产生零序电流,零序保护就是用零序互感器采集零序电流,当零序电流超过一定值综合保护中设定,综和保护接触器吸合,断开电路;零序电流互感器内穿过三根相线矢量和零线;正常情况下,四根线的向量和为零,零序电流互感器无零序电流;当人体触电或者其他漏电情况下:四根线的向量和不为零,零序电流互感器有零序电流,一旦达到设定值,则保护动作跳闸;分段零序一段:①躲过下一段线路出口处单相或者两相接地短路时候出现的最大零序电流;②躲开断路器三相触头不同期合闸时候所出现的最大零序电流;两者比较取最大零序二段:与下一段线路的一段配合,即是躲过下段线路的第一段保护范围末端接地短路时,通过本保护装置的最大零序电流;零序二段的灵敏系数要大于,不满足的话要与下一段线路的二段配合,时限再抬高一个等级;零序三段:①与下一段线路的三段配合;②躲开下一段线路出口处相间短路时所出现的最大不平衡电流;两者比较取最大;零序三段的灵敏系数要大于2近后备;灵敏系数要大于远后备接地距离两者的区别两者的区别主要在于采用的电气量不同, 接地距离保护是利用短路电压和电流的比值,即测量阻抗的变化来区分系统的故障与正常运行状态;而零序保护利用的是接地故障时产生的零序电流分量;这是两者在原理上的最主要区别;但是,两者从保护的配合上来看,都是属于阶段式的保护,即都需要各保护区的上下级配合;再一点,从保护的性能来分析;应该说,在不发生单相接地时,零序电流分量是不会出现的,所以零序电流保护具有较高的灵敏性;但在上下级的配合时,限时零序电流速断保护零序II段的灵敏性可能不满足要求,这时可采用接地距离保护;这也就是说接地零序保护的灵敏性高于电流保护可以看到,距离保护利用了短路时的两个电气量,自然比单一的电流保护要灵敏;所以保护的配备上,一般距离保护作为了主保护,那么电流保护都是作为后备保护的,即在线路发生故障时,首先距离保护动作,零序保护作为后备可能动作;两者的联系接地距离保护与零序电流保护配合才能构成完整的接地保护 ;接地距离保护的最大优点是瞬时段的保护范围固定,不受系统运行方式变化影响;接地距离三段保护难以反映高阻抗接地故障;零序电流保护则以保护高电阻故障为主要任务;注意问题1当电流回路断线时,可能造成保护误动作;这是一般较灵敏的保护的共同弱点,需要在运行中注意防止;就断线机率而言,它比距离保护电压回路断线的机率要小得多;如果确有必要,还可以利用相邻电流互感器零序电流闭锁的方法防止这种误动作;2当电力系统出现不对称运行时,也要出现零序电流,例如变压器三相参数不同所引起的不对称运行,单相重合闸过程中的两相运行,三相重合闸和手动合闸时的三相断路器不同期,母线倒闸操作时断路器与隔离开关并联过程或断路器正常环并运行情况下,由于隔离开关或断路器接触电阻三相不一致而出现零序环流,以及空投变压器时产生的不平衡励磁涌流,特别是在空投变压器所在母线有中性点接地变压器在运行中的情况下,可能出现较长时间的不平衡励磁涌流和直流分量等等,都可能使零序电流保护启动;3地理位置靠近的平行线路,当其中一条线路故障时,可能引起另一条线路出现感应零序电流,造成反方向侧零序方向继电器误动作;如确有此可能时,可以改用负序方向继电器,来防止上述方向继电器误判断;4由于零序方向继电器交流回路平时没有零序电流和零序电压,回路断线不易被发现;当继电器零序电压取自电压互感器开口三角侧时,也不易用较直观的模拟方法检查其方向的正确性,因此较容易因交流回路有问题而使得在电网故障时造成保护拒绝动作和误动作;零序保护就是利用零序电流使继电器动作来指示接地故障线路的一种保护;对于架空线路,一般采用由三个电流互感器接成零序电流滤过器的接线方式,三相电流互感器的二次电流相量相加后流入继电器;当三相对称运行时,流入继电器的电流等于零,只有当不对称运行时如发生单相接地零序电流才流过继电器,当零序电流流过继电器时,继电器动作并发出信号;对于电缆线路的单相接地保护,一般采用零序电流互感器保护,二次线圈绕在互感器的铁芯上,并接到电流继电器上,在正常运行及三相对称短路时,在零序互感器二次侧由三相电流产生的三相磁通相量之和为零,即在互感中没有感应出零序电流,继电器不动作,当发生单相接地时,就有接地电容电流通过,此电流在二次侧感应出零序电流,零序电流流过继电器使继电器动作并发出信号;。
线路保护原理和范围线路保护是指在电力系统中,通过采取一定的措施,保护电力系统各个线路的安全运行,防止线路故障对整个系统的影响扩大。
线路保护原理主要包括故障检测、故障判据和故障动作三个方面,其范围涵盖了各个电力系统中的线路。
一、线路保护原理1. 故障检测故障检测是线路保护的基础,通过检测电力系统中的故障信号,判断是否存在线路故障。
常用的故障检测方法有电流差动保护、电压差动保护和电流比率保护等。
电流差动保护是通过比较电流差值来判断线路故障的发生,电压差动保护则是通过比较电压差值来判断线路故障的发生。
而电流比率保护是通过比较电流的比值来判断线路故障的发生。
2. 故障判据故障判据是根据故障检测的结果,判断线路故障的类型和位置。
常用的故障判据方法有阻抗保护、相位保护和序分量保护等。
阻抗保护是通过测量故障点处的电流和电压来计算出故障阻抗,通过与设定值比较来判断故障类型和位置。
相位保护是通过测量故障点处的电压相位差来判断故障类型和位置。
序分量保护是通过测量故障点处的正序和负序电流来判断故障类型和位置。
3. 故障动作故障动作是在故障判据满足条件时,对故障线路进行保护动作,切断故障线路,保护电力系统的安全运行。
常用的故障动作方法有过电流保护、跳闸保护和接地保护等。
过电流保护是在电流超过设定值时,对故障线路进行保护动作。
跳闸保护是在电压超过设定值时,对故障线路进行保护动作。
接地保护是在电流超过设定值时,对故障线路进行保护动作。
二、线路保护范围线路保护的范围包括了电力系统中各个线路的保护。
电力系统中的线路主要包括输电线路、配电线路和馈线等。
输电线路是指将发电厂产生的电能输送到各个地方的电力线路,主要用于长距离的电能传输。
配电线路是指将输电线路输送过来的电能分配到各个用户的电力线路,主要用于短距离的电能传输。
馈线是指将变电站产生的电能输送到各个线路的电力线路,主要用于变电站与线路之间的连接。
针对不同的线路类型,线路保护的原理和范围也有所不同。
线路保护原理在电力系统中,线路保护是非常重要的一环,它能够及时准确地对线路故障进行检测和隔离,保护电力系统的安全稳定运行。
线路保护的原理主要包括故障检测、故障判别和故障隔离三个方面,下面将对这些原理进行详细介绍。
首先,故障检测是线路保护的第一步。
当线路发生故障时,会产生电流或电压异常,保护装置需要及时检测这些异常信号。
常用的故障检测方法包括电流差动保护、电压差动保护和过流保护等。
电流差动保护通过比较线路两端的电流差值来检测故障,而电压差动保护则是通过比较线路两端的电压差值来实现故障检测。
过流保护则是通过检测线路上的电流大小来判断是否发生故障。
这些方法能够快速准确地检测出线路故障,为后续的故障判别提供了基础。
其次,故障判别是线路保护的关键环节。
一旦故障被检测出来,保护装置需要进一步判断故障的类型和位置,以便进行隔离。
常用的故障判别方法包括波形比较、特征量计算和故障定位等。
波形比较是通过比较故障前后的电流电压波形来判断故障类型,特征量计算则是通过计算各种特征量来判断故障位置。
故障定位则是通过测量信号的传播时间来确定故障位置。
这些方法能够帮助保护装置快速准确地判断故障类型和位置,为后续的故障隔离提供了依据。
最后,故障隔离是线路保护的最终目的。
一旦故障被检测并判别出来,保护装置需要及时隔离故障部分,以保护电力系统的安全稳定运行。
常用的故障隔离方法包括断路器操作、接地刀操作和线路切换等。
断路器操作是通过对故障线路进行开关操作来隔离故障,接地刀操作则是通过对故障线路进行接地操作来隔离故障,线路切换则是通过对故障线路进行切换操作来隔离故障。
这些方法能够帮助保护装置及时准确地隔离故障,保护电力系统的安全稳定运行。
综上所述,线路保护的原理包括故障检测、故障判别和故障隔离三个方面,它们共同构成了线路保护的完整流程。
通过对这些原理的深入了解,能够更好地理解线路保护的工作原理,为电力系统的安全稳定运行提供保障。
线路保护方法和技巧主要包括以下几点:
1. 选择合适的电线和电缆:根据用电设备的功率和电压需求,选择合适规格的电线和电缆,确保电路安全。
2. 安装断路器和熔断器:断路器和熔断器可以在电路过载或短路时自动切断电路,保护线路和设备安全。
3. 使用漏电保护器:漏电保护器可以在设备漏电时自动切断电路,防止触电事故的发生。
4. 安装电涌保护器:电涌保护器可以防止雷电或电压波动对设备造成的损坏。
5. 保持线路干燥和清洁:避免线路接触水源和灰尘,防止线路短路和腐蚀。
6. 定期检查和维护:定期检查线路的绝缘性能、连接点的紧固程度以及设备的工作状态,及时发现和排除安全隐患。
7. 避免线路过载:避免同时使用过多的大功率设备,防止线路过载。
8. 正确接地:确保设备和线路的正确接地,防止触电和设备损坏。
9. 使用阻燃材料:在装修和布置线路时,尽量使用阻燃材料,防止火灾的发生。
10. 教育和提醒用户:对用户进行用电安全教育,提醒用户正确使用设备和注意用电安全。
线路原理保护类型线路原理保护是电力系统中的一种重要保护方式,用于检测和隔离系统中的故障,以保护电力系统的设备和人员安全。
线路原理保护根据不同的保护原理和技术手段可以分为多种类型。
下面将介绍几种常见的线路原理保护类型。
1. 过流保护:过流保护是最常见的线路原理保护类型之一。
它基于电流的大小和方向来判断系统中是否存在故障。
过流保护通常根据系统的额定电流设定一个固定的动作值,当系统中的电流超过该值时,保护动作,切断故障电路。
过流保护可以检测到短路故障、地故障以及过载故障。
2. 过压保护和欠压保护:过压保护和欠压保护用于检测系统中的电压异常情况。
过压保护在系统电压超过额定值时动作,以防止设备过电压运行,避免损坏设备。
欠压保护则在系统电压低于额定值时动作,以避免设备在电压不足的情况下工作,保护设备的正常运行。
3. 差动保护:差动保护是一种基于电流差值原理的保护方式。
它通过对比系统中不同位置的电流值,判断是否存在故障。
差动保护通常应用于变压器、发电机和母线等设备的保护。
当系统中存在故障时,故障电流会导致差动保护动作,切断故障电路。
4. 距离保护:距离保护是一种基于电力系统中电压和电流之间的相对关系进行保护的方式。
它根据电流和电压的相位差和幅值差来判断故障发生的位置,从而实现对系统不同位置的保护。
距离保护通常应用于输电线路的保护,可以检测到线路上的短路故障和接地故障。
5. 频率保护:频率保护用于检测系统中的频率异常情况。
当系统频率超出额定范围时,频率保护会动作,切断故障电路,以保护设备的安全运行。
频率保护通常应用于发电机和电力系统的主要母线保护。
6. 过温保护:过温保护用于检测设备温度异常情况。
当设备温度超过设定值时,过温保护会动作,切断电路或采取其他保护措施,以防止设备过热损坏。
除了上述几种常见的线路原理保护类型,还有许多其他类型的保护,如接地保护、故障录波保护、方向保护等,它们都有各自独特的保护原理和应用场景。
线路主保护介绍范文一、线路主保护的作用1.检测线路故障:线路主保护能够及时检测并识别线路上的各种故障,如短路故障、地故障等,通过对故障电流和电压进行测量,可以准确判断故障类型和位置。
2.迅速切除故障线路:一旦发生线路故障,线路主保护能够迅速切除故障线路,以避免故障扩大,保护电力系统的安全运行。
3.保护系统设备:线路主保护能够及时切除故障线路,避免故障电流对系统设备和线路导线的损坏,保护电力系统设备的安全性和可靠性。
二、线路主保护的工作原理1.故障检测:线路主保护通过测量线路电流和电压的变化,以及对比与额定参数的差异,来判断是否发生线路故障。
当电流或电压超过额定值的一定程度时,就会产生保护动作。
2.保护动作:线路主保护在检测到故障后,会通过试验自动切除故障线路,并将故障信息传输给系统的其他保护装置,以协助完成线路故障的处理和保护任务。
三、线路主保护的故障识别1.过流保护:通过检测线路电流的大小,当电流超过额定值时,就会产生保护动作,以切除故障线路。
2.零序保护:通过检测线路的零序电流,在出现单相接地故障时,会发生较大的零序电流。
当零序电流超过额定值时,就会产生保护动作。
3.电压保护:通过检测线路电压的变化,当电压变化超过额定范围时,就会产生保护动作。
四、线路主保护的保护方式1.定时动作:线路主保护通过设定动作时间延迟来实现保护动作。
在检测到故障后,保护装置会延迟一段时间,然后切除故障线路。
这种保护方式适用于较小的故障电流,可以避免误动作。
2.定值判别:线路主保护通过设定动作电流或电压来实现保护动作。
当电流或电压超过设定值时,就会产生保护动作。
这种保护方式准确性高,适用于大功率线路和重要线路的保护。
总结:线路主保护在电力系统中起着非常重要的作用,它能够及时检测和切除线路故障,保护电力系统的安全运行。
线路主保护的工作原理主要包括故障检测和保护动作两个过程,通过测量电流和电压来判断故障类型和位置。
线路主保护的保护方式可以是定时动作或定值判别,根据实际情况选择合适的保护方式。
保护配置基本配置系统差异接地系统和不接地系统的差异分相保护和不分相保护的差异:不一致、单跳、单重电压的差异:电容电流和末端过电压、网架中心和重要程度功能介绍距离保护:距离元件采用比相式姆欧继电器,即由工作电压Uop 与极化电压Up 构成比相方程。
比相式距离继电器的通用动作方程为:009090<<-POPU U Arg式中:工作电压OP set U U I Z =-⨯,极化电压1P U U =-。
对接地距离继电器,工作电压为: ()set OP Z I K I U U ⨯⨯+-=ΦΦΦ03对相间距离继电器,工作电压为:set OP Z I U U ⨯-=ΦΦΦΦΦΦ装置中三段式接地与相间距离继电器,在正序极化电压较高时由正序电压极化否则进入三相低压程序,此时采用记忆正序电压作为极化电压。
采用非记忆的正序电压作为极化电压,故障期间,正序电压主要由健全相电压形成,正序电压同故障前保持一致,继电器具有很好的方向性。
距离保护正方向故障动作特性应用于较短输电线路时,为了提高抗过渡电阻能力,极化电压中使用了接地距离偏移角如图中所示θ1,该定值可以由用户整定为0°, 15° 或 30°。
接地距离偏移角会使动作特性圆向第一象限移动。
虽然这可提高测量过渡电阻的能力,在高阻接地故障条件下保证很好的动作性能,但是如果在线路对侧存在助增电源的情况下,对于经过渡电阻接地的故障可能会出现超越现象。
为了防止超越,通常距离保护Ⅰ、Ⅱ段和零序电抗元件配合使用。
零序电抗工作电压: ()s e t OP Z I K I U U ⨯⨯+-=ΦΦΦ03极化电压:D P Z I U ⨯-=Φ0,式中D Z 为模拟阻抗,幅值为1,角度为78°。
比相方程为()000090390<⨯-⨯⨯+-<-ΦΦDsetZ I Z I K I U Arg低压距离继电器保护采用记忆电压作为极化电压,通过比较极化电压与工作电压之间的相位关系来判别是否满足动作条件。
工作电压: set OP Z I U U ⨯-=ΦΦΦ极化电压:M P U U ΦΦ-=1这里:C B A ,,=Φ;ΦOP U 为工作电压;ΦP U 为极化电压 ;set Z 为整定阻抗;MU Φ1为记忆故障前正序电压。
负荷限制R距离保护考虑系统过负荷工况下(正常过负荷和事故过负荷),负荷测量阻抗入侵距离元件导致的距离保护(特别是距离Ⅲ段)误动作。
负荷限制元件,由基于电压平面的负荷限制元件和基于阻抗平面的负荷限制元件组成,两者为“与”的关系,即只有两个负荷限制元件均满足,并结合距离继电器动作情况,才开放距离保护。
振荡闭锁当电力系统发生系统振荡时,测量阻抗有可能进入距离保护的动作区,从而导致距离保护误动作。
通常振荡发生在两个互联系统之间,为了保证系统的完整性,保护装置在振荡时不应误动作,否则会破坏系统的稳定性。
因此,对于受振荡影响可能误动作的距离保护要增加振荡闭锁功能。
振荡闭锁元件由四个元件共同完成如上任务。
1) 启动开放元件 启动元件开放瞬间,若按躲过静态最大负荷整定的正序过流元件不动作或动作时间尚不到10ms ,则将振荡闭锁开放160ms 。
该元件在正常运行突然发生故障时立即开放160ms ,当系统先振荡时,正序过流元件先于启动元件动作,振荡闭锁被闭锁不开放,另外当区外故障或操作后160 ms 再有故障时也被闭锁。
2) 不对称故障开放元件在系统先发生振荡或装置开放160ms 后,即使系统在振荡中又发生区内不对称故障时,振荡闭锁回路还可由不对称分量开放元件开放3) 对称故障开放元件在系统先发生振荡或装置开放160ms 后,若系统在振荡中又发生区内三相故障,则上述二项开放措施均不能开放振荡闭锁,装置中另设置了专门的对称故障开放元件,即测量振荡中心电压:Φ=cos U U OSU 为正序电压,Φ是正序电压和电流之间的夹角。
满足以下二部分动作判据开放保护: a) N OS N U U U 08.003.0<<- 延时150ms 开放。
b) N OS N U U U 25.01.0<<- 延时500ms 开放。
零序保护:接地故障配合距离保护纵联差动、纵联距离:1 按使用通道分类为了交换信息,需要利用通道。
纵联保护按照所利用通道的不同类型可以分为4种,通常纵联保护也按此命名,它们是:(1)导引线纵联保护(简称导引线保护);(2)电力线载波纵联保护(简称载波保护);(3)微波纵联保护(简称微波保护);(4)光纤纵联保护(简称光纤保护)。
2 各种传送信息通道的特点通道虽然只是传送信息的手段,但纵联保护采用的原理往往受到通道的制约。
纵联保护在应用以下4种通道时应注意以下的特点:(1)导引线通道。
这种通道需要铺设电缆,其投资随线路长度而增加。
当线路较长(超过十余公里)时就不经济了。
导引线的电缆必须有足够的绝缘水平,从而使投资增大。
导引线直接传输交流电量,故导引线保护广泛采用差动保护原理,但导引线的参数(电阻和分布电容)直接影响保护性能,从而在技术上也限制了导线保护用于较长的线路。
(2)电力线载波通道。
这种通道在保护中应用最广。
载波保护是纵联保护中应用最广的一种。
载波通道由高压输电线及其加工和连接设备(阻波器、结合电容器及高频收发信机)等组成。
(3)微波通道。
微波通信是理想的通信系统,但是保护专用微波通信设备是不经济的,应当与通信、远动等共用,这就要求在设计时把两方面兼顾起来。
同时还要考虑信号衰落的问题。
(4)光纤通道。
光纤通道与微波通道有相同的优点。
光纤通信也广泛采用PCM调制方式。
当被保护线路很短时,可以通过光缆直接将光信号送到对侧、在每半套保护装置中都将电信号变成光信号送出,又将所接收之光信号变为电信号供保护使用。
由于光与电之间互不干扰,所以光纤保护没有导引线保护的那些问题,在经济上也是可以与导引线保护竞争的。
3 按保护动作原理分类:按照保护动作原理纵联保护可分为两类:(1)方向纵联保护与距离纵联保护。
两侧保护继电器仅反应本侧的电气量,利用通道将继电器对故障方向判别的结果传送到对侧。
(2)差动纵联保护。
每侧都直接比较两侧的电气量。
类似于差动保护,因此称为差动纵联保护。
差动保护:采样同步采用采样时刻调整法实现两侧同步采样。
两侧装置一侧作为参考端,另一侧作为同步端。
以同步方式交换两侧信息,参考端采样间隔固定,并在每一采样间隔中固定向对侧发送一帧信息。
同步端随时调整采样间隔,直到满足同步条件为止。
首先,测出光纤通道延时。
假定主机在TS 时刻发出对时信号,从机在接收到对时信号之后,经过Tm 时间,再将对时信号转发给主机,主机在TR 时刻收到转发回来的信号,那么,可以得到通道的通信延时:Td =(TR - TS - Tm )/2主机再将通道延时Td 发送给从机。
其次,测出采样时间误差。
如果主机和从机采样完全同步,那么,在图中可知,Td =TR 。
如果主机与从机采样不同步,其中的采样时间误差为:ΔT = TR – Td 。
ΔT>0,说明本侧比对侧提前采样时刻ΔT ;ΔT<0,说明本侧比对侧滞后采样时刻ΔT 。
再次,调整采样间隔。
计算出ΔT 之后,修正下次采样的采样间隔T ,这样即可保证从机与主机的采样起始时刻保持一致。
差动保护:相电流差动元件稳态Ⅰ段动作方程:⎩⎨⎧>⨯>ΦΦΦHdset d r d I I I I 6.0其中:Id Φ:相差动电流,M N d I I I ΦΦΦ=+ Ir Φ:相制动电流,M N r I I I ΦΦΦ=-H dsetI 的含义同上。
稳态Ⅱ段动作方程:⎩⎨⎧>⨯>ΦΦΦMdset d r d I I I I 6.0其中:当满足动作方程时,稳态Ⅱ段相电流差动元件经25ms 延时动作。
差动保护:零序电流差动元件对于经高阻接地故障,采用零序电流差动元件具有较高的灵敏度。
动作方程:⎪⎪⎩⎪⎪⎨⎧>⨯>>⨯>ΦΦΦL dset d r d L dset d r d I I I I I I I I 51.075.0000其中:Id0: 零序差动电流(d0M0N0I I I =+)Ir0: 零序制动电流(r0M0N0I I I =-)零序电流差动元件通过低比率制动系数的稳态相电流差动元件选相,当满足动作方程后,零序电流差动元件经短延时动作。
纵联距离保护:闭锁式方向纵联保护是由线路两侧的方向元件分别对故障的方向作出判断,然后通过高频信号作出综合的判断,即对两侧的故障方向进行比较以决定是否跳闸。
一般规定从母线指向线路的方向为正方向,从线路指向母线的方向为反方向。
闭锁式方向纵联保护的工作方式是当任一侧方向元件判断为反方向时,不仅本侧保护不跳闸,而且由发信机发出高频电流,对侧收信机接收后就输出脉冲闭锁该侧保护。
在外部故障时是近故障侧的方向元件判断为反方向故障,所以是近故障侧闭锁远离故障侧;在内部故障时两侧方向元件都判断为正方向,都不发送高频电流,两侧收信机接收不到高频电流,也就没有输出脉冲去闭锁保护,于是两侧方向元件均作用于跳闸。
这就是故障时发信闭锁式方向纵联保护功率倒方向在环网中发生外部故障时,短路功率的方向可能发生转换(简称功率倒向),在倒向过程中不应失去闭锁信号。
假设故障发生在线路L Ⅱ上靠近M 侧的F 点,断路器3Q 先于断路器4Q 跳闸。
在断路器3Q 跳闸前,线路L Ⅰ中的短路功率由N 侧流向M 侧,线路LI ,M 侧的方向元件不动作,向N 侧发闭锁信号,在断路器3Q 跳闸后,线路L Ⅰ中的短路功率倒向,M 侧的方向元件动作,停止发信并准备跳闸,此时N 侧的方向元件将返回向M 侧发闭锁信号。
但是可能M 侧的方向元件动作快,N 侧的方向元件返回慢,于是有一段时间两侧方向元件均处于动作状态,造成线路L Ⅰ的保护误动。
解决的办法是启动元件动作或收信机收信后经过一段时间(大于本保护的动作时间,小于相邻线断路器的跳闸时间)后尚未判为内部故障,就认为是外部故障,于是将保护闭锁一段时间,以避开两侧方向元件可能都处于动作状态的时间。
此方法的缺点是如果紧接着发生内部故障则保护的动作稍有延迟,不过延时很短,是可容忍的。
纵联距离保护:允许式在功率方向为正的一端向对端发送允许信号,此时每端的收信机只能接收对端的信号而不能接收自身的信号。
每端的保护必须在方向元件动作,同时收到对端的允许信号之后,才能动作于跳闸,显然只有故障线路的保护符合这个条件。
对非故障线路而言,一端是方向元件动作,收不到允许信号,而另一端是收到了允许信号但方向元件不动作,因此都不能跳闸。
纵联距离保护:载波通道利用电力线作为传输媒介:具有高安全性和可靠性。