车工工艺学期末试卷及答案
- 格式:doc
- 大小:183.00 KB
- 文档页数:7
车工工艺学期末考试试题2011-2012学年第一学期《车工工艺与技能训练》期末考试题姓名: 班级: 得分: 一、填空题(每空1分,共30分)1、切削用量三要素包括、、。
2、润滑主轴箱的主要方式有润滑和润滑。
3、常用的车刀材料有、两大类。
4、切断的关键是切断刀的选择和选择合理的。
5、麻花钻是由、和组成。
6、内孔车刀可分为和两种。
车内孔的关键技术是解决内孔车刀的和问题。
7、一般情况下,通常采用、、和等方法来加工内圆柱面。
8、常用的扩孔工具有、等。
9、铰刀由、和组成。
铰刀按用途分、两种。
10、端面沟槽有、和三种。
二、选择题(每题3分,共30分)1、锉削材料较硬的工件时,应选用锉刀。
A、单齿纹B、双齿纹C、单齿纹或双齿纹2、适宜高速车削的车刀材料。
A 、高速钢 B、硬质合金 C、陶瓷3、车床的能把主轴箱的运动传递给进给箱。
A 、光杠、丝杠 B、交换齿轮箱 C、溜板箱4、车削外圆时,车刀的刀尖一般应与工件轴线。
A 、高些 B、低些 C、等高5、标准麻花钻的螺旋角是。
A 、18 ? B、30? C、18?—30? 6、铰孔时,为了减小表面粗糙度值,应选用。
publications such as the national liberation movement, instillinganti-Japanese policy. On this basis, progress in development of a number of young people have joined the Communist Party of China. The site of the village the morning of August 23, 1939, in Jiangsu and Zhejiang provinces East of Lake Taihu anti-Japanese volunteer army, seven have implicit read Cun Yi XI da bridge, was suddenly lurking in mulberry trees on both sidesA 、非水溶性切削液 B、水溶性切削液 C、干切削 7、用于车削阶台的车刀是车刀。
2010-2011学年下学期《车工工艺》期末试卷(A)(班级:机电22、23班)班级姓名学号成绩一、填空题(每空0.5分,共计15分)1、车床床身是车床的大型基础部件,它有两条精度很高的V形导轨和矩形导轨。
2、按其作用,车削运动可分为主运动和进给运动两种。
3、车削时,工件上形成了代加工表面、过度表面和已加工表面三个表面。
4、90度车刀又称为偏刀,主要用来车削工件的外圆、台阶和端面。
5、45度车刀有一个前面、一个主后面、两个副后面、一条主切削刃。
6、为了测量车刀的角度,假象的三个基准坐标平面是基面、切削平面和正交平面,这三者之间的关系是相互垂直。
7、加工一般材料大量使用的刀具材料有高速钢和硬质合金。
8、车削时常用的切削液有水溶性和油溶性两大类。
其中乳化液属于水溶性切削液,油溶性切削液主要起润滑作用。
9、75度车刀的刀尖角εr大于90度,刀尖强度好,适用于粗车轴类工件的外圆和对加工余量较大的铸件外圆进行强力车削,75度左车刀还适用于车削铸锻件的大端面。
10、麻花钻的横刃加长会使轴向的进给力增大。
二、选择题(每空2分,共计30分)1、车床 A 接受光杠或丝杠传递的运动。
A、溜板箱B、主轴箱C、交换齿轮箱D、进给箱2、刀具上与工件上过度表面相对的刀面称为 B 。
A、前面B、主后面C、副后面D、待加工表面3、在基面内测量的基本角度是 D 。
A、刀尖角B、刃倾角C、主后角D、主偏角4、副偏角是在 A 内测量的角度。
A、基面B、副切削平面C、副正交平面D、切削平面5、为保证成形工件截面精度,成形刀应取 C 的前角。
A、较大B、较小C、零度D、负值6、刃倾角是D 与基面的夹角。
A、前面B、切削平面C、后面D、主切削刃7、精加工用的成形刀,刃倾角λs最好取 C 值。
A、负B、正C、零D、任意8、高速钢刀具材料可耐C 0C左右的高温。
A、250B、300C、600D、1009、断续切削塑性金属,精加工时选用的刀具材料代号是 C 。
《车工工艺学》期末考试试卷班级 _____________________ 学号____________ 姓名____________一、填空题(40X0.5分)1.普通车床的结构,按部件的位置和公用可分成_______ 、_______ 、_______ 、_________ 、____________ 、床身和尾座等几大部分。
2.在生产中需要严格地执行________ 艺 ______ 程。
因而要求每一个机械工人对于__________ 知识应有所了解。
3 .粗精加工分开进行,使________ 加工时产生的______________ 能在 __________________________ 工中得到纠正。
4.车刀的选择与安装。
尽量增加刀杆的截________________ ,其伸岀长度尽可能__________ O刀尖与轴或孔中心线要___________ O5.常用的顶尖有 _____________ 和________________ 两种。
6.圆柱体两端的平面叫 _________ o由直径不同的两个圆柱体相连接的部分叫7.___________________________________ 车端面车刀常用的刀具有和两种。
& 90°偏刀有______________ 和________________ 两种。
9、_____________________________ 工件的定位是靠 _____________________ 和相接触来实现的。
10、夹紧力的确定包括____________ 、____________________ 、___________ ___________ 三要素。
11、车细长轴时,主要抓住____________________ 、 ________________ 、 ___ _________________ 、三个关键技术。
攀枝花市华森职业学校《车工工艺学》期末试卷(A)班级姓名学号得分一、选择题(每题只有一个正确答案。
请将正确答案的代号填入括号内。
每题1分)1、CA6140型车床,其( A )为400㎜。
A 床身最大回转直径B 最大回转直径的折算值C 最大回转直径的1/10D 车床主轴中心高2、进给运动可以是连续的也可以是( C )的。
A 精确B 粗糙C 间歇D 旋转3、光杠主要用于( D )车削时的进给传动。
A 螺纹B 端面C 内孔D 普通4、车刀切削部分有( D )个独立的基本角度。
A 九B 五C 二D 六5、若车刀的主偏角为75°,副偏角为6°,其刀尖角为( A )°。
A 99B 9C 84D 156、刀尖位于主切削刃最高点时,刃倾角为(B)值。
A 负B 正C 零度D 任意7、断续切削时,刃倾角应取( A )值。
A 负B 正C 零度D 任意8、工件材料软,可选择(A)的前角。
A 较大B 较小C 零度D 负值9、车脆性材料时,应取(B)的前角。
A 较大B 较小C 零度D 负值10、高速钢中合金元素含量最多的是(A)。
A 钨B 钼C 铬D 钒11、切削用量是表示(C)运动大小的参数。
A 切削B 主C 主运动及进给D 进给12、粗车时,选择切削用量的顺序是( B )。
A f→ap→vcB ap→f→vcC ap→vc→fD vc→f→ap13、以vc=30m/min的切削速度将一轴的直经从50.13㎜一次进给车到50.06㎜,则切削深度ap 为( B )㎜。
A 0.07B 0.035C 0.35D 0.714、在车床上车削直径60㎜长200㎜的外圆,主轴转速为500r/min,若一次走刀时间为1分钟,则进给量为( B )㎜/rA 0.04B 0.4C 0.8D 0.0215、容易发生人身伤害事故的是( C )切屑。
A 针形B 弧形C 长带状D 长管状16、切削用量中对断屑影响最大的是(A)。
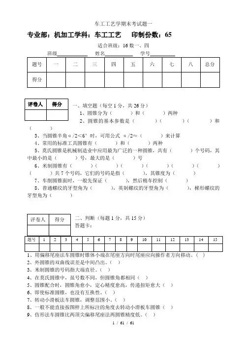
专业部:机加工学科:车工工艺印制份数:65适合班级:16数一、四一、填空题(每空1分,共26分)1、圆锥分为()和()两种2、圆锥的基本参数是()()()和()3、当圆锥半角α/2<6°时,可用公式α/2≈()来计算4、常用的标准工具圆锥有()和()两种5、莫氏圆锥是机械制造业中应用最为广泛的一种圆锥,共有()个号码,其中最小的是()号,最大的是()号6、米制圆锥有()()()()()()()共7个号码,它们的号码是指(),其锥度为()7、车削圆锥面时,一般先保证(),然后精车控制()8、普通螺纹的牙型角为(),英制螺纹的牙型角为(),梯形螺纹的牙型角为()1、用偏移尾座法车圆锥时锥体小端在尾座方向时尾座应向操作者方向移动。
( )2、外圆锥的双曲线误差是中间凸出。
()3、米制圆锥的号码指大端直径。
()4、在莫氏圆锥中,虽号数不同,但圆锥角都相同()5、圆锥配合时,圆锥角愈小,定心精度愈高,传递扭矩愈大()6、即使标准圆锥,也没有互换性。
()7、转动小滑板法车圆锥,调整范围小。
()8、一般不能直接按图样上所标注的角度去转动小滑板车圆锥()9、仿形法车圆锥比两顶尖偏移尾座法两圆锥精度低。
()10、仿形法可机动进给车内外圆锥。
()11、宽刃刀车圆锥,实质上是属于成形法()12、铰内圆锥的方法虽有多种,但常用的方法是钻孔后直接铰锥孔()13、车圆锥时,如果刀尖没有对准工件的回转中心,则车出的工件会产生“双曲线”误差()14、检验内圆锥时,应先在内锥孔表面均匀地涂上3条显示剂。
()15、用圆锥塞规检验内锥孔时,塞规的大端显示剂被擦去,这说明锥孔车小了()1、莫氏圆锥有()个号码。
A、3B、5C、7D、92、米制圆锥的锥度C=()。
A、1:10B、1:16C、1:20D、1:253、当圆锥半角小于()时,可用近似公式计算圆锥半角。
A、8°B、12°C、3°D、6°4、对于配合精度要求较高的锥体零件,在工厂中一般采用()法来检查接触面大小。
《车工工艺学》期末考试试卷一.填空题(每空1分,共25分)1.车削加工时的主运动是指机床的主要运动,进给运动指工件的切削运动.2.车削运动可分为主运动和进给运动运动.3.确定车刀几何角度的三个辅助平面是基面、切削平面、正交平面.4.粗车时选择切削用量,首先应选择一个尽可能大的背吃刀量,其次选择一个较大的进给量,最后合理选择一个的切削速度.5.常用刀具材料有高速钢和硬质合金两大类。
6.切削液的作用冷却作用、润滑作用、清洗作用。
7.标准麻花钻的顶角一般为118︒,横刃斜角为55︒.8.孔径的测量常用量具有游标卡尺、内卡钳、塞规和内径百分表等.9.轴类工件的装夹方法有三爪自定心卡盘装、四爪单动卡盘装和一夹一顶、两顶尖装夹.10.内孔车刀可分为___通孔车刀和_盲孔车刀两种.二.判断题(每题2分,共20分)1.90度车刀(偏刀),主要用来车削工件的外圆、端面和台阶。
(√)2.车床的交换齿轮箱又称变速箱,是进给系统的变速机构。
(×)3.高速钢车刀适用于高速车削。
(×)4.粗加工时,应取较大的前角和后角。
(×)5.当刀尖位于主切削刃的最高点时,刃倾角λs 为负值。
(×)6.一次进给将φ50mm的毛坯车成φ44mm,车削深度为6mm。
(×)7.硬质合金的缺点是韧性差,承受不了大的冲击。
(√)8.钻头轴线与工件轴线不重合,是钻头折断的原因之一。
(√)9.内径量表可用来测量内孔的实际尺寸。
(×)10.进给量是衡量进给运动大小的参数,单位是mm/r。
(√)三.选择题(每题2分,共20分)1.车床 A 接受光杠或丝杠传递的运动.A.溜板箱B.主轴箱C.交换齿轮箱D.进给箱2.刀具上与工件过渡表面相对的刀面称为 B .A.前面B.主后面C.副后面D. 车削平面3.对车削,一般可认为__C___是水平面。
A基面和车削平面 B基面和正交面 C基面 D车削平面和正交平面4.刃倾角为负值时,车削流向工件的___B______表面。
平湖市技工学校2011学年第一学期《车工工艺学》期末试卷班级_________ 学号_____ 姓名___________ 成绩_______一、填空题:(20%,每空格0.5分)1、常用的标准工具圆锥有______________________和______________________。
2、车圆锥面时,一般先保证________________,然后精车控制________________。
3、成形刀有___________成形刀、___________成形刀和___________成形刀三种。
4、车圆锥面的方法主要有:_______________________、_____________________、_____________________、_____________________和____________________。
5、用仿形法车成形面主要有____________仿形法和______________仿形法两种。
6、螺纹大径是指与外螺纹_____或内螺纹_____相切的假想圆柱或圆锥的直径。
7、低速车削螺纹时,用__________车刀;高速车削螺纹时,用___________车刀。
8、米制圆锥的号码是指________________,而锥度固定不变,即C=__________。
9、三角形螺纹可分为__________螺纹、___________螺纹、__________螺纹三种。
10、常见的管螺纹有____________管螺纹、____________管螺纹、_____________管螺纹、_____________螺纹等四种,其中________________管螺纹应用最多。
11、常用的圆锥角度和锥度的检验方法有:______________________________、______________________________、______________________________等。
车工工艺学期末考试试题2011—2012学年第一学期《车工工艺与技能训练》期末考试题姓名: 班级: 得分:一、填空题(每空1分,共30分)1、切削用量三要素包括、、 .2、润滑主轴箱的主要方式有润滑和润滑。
3、常用的车刀材料有、两大类。
4、切断的关键是切断刀的选择和选择合理的 .5、麻花钻是由、和组成。
6、内孔车刀可分为和两种。
车内孔的关键技术是解决内孔车刀的和问题。
7、一般情况下,通常采用、、和等方法来加工内圆柱面。
8、常用的扩孔工具有、等。
9、铰刀由、和组成.铰刀按用途分、两种。
10、端面沟槽有、和三种。
二、选择题(每题3分,共30分)1、锉削材料较硬的工件时,应选用锉刀。
A、单齿纹B、双齿纹C、单齿纹或双齿纹2、适宜高速车削的车刀材料。
A 、高速钢 B、硬质合金 C、陶瓷3、车床的能把主轴箱的运动传递给进给箱。
A 、光杠、丝杠 B、交换齿轮箱 C、溜板箱4、车削外圆时,车刀的刀尖一般应与工件轴线。
A 、高些 B、低些 C、等高5、标准麻花钻的螺旋角是。
A 、18 ? B、30? C、18?-30? 6、铰孔时,为了减小表面粗糙度值,应选用 .publications such as the national liberation movement, instilling anti—Japanese policy. On this basis, progress in development of a number of young people have joined the Communist Party of China。
The site of the village the morning of August 23, 1939, in Jiangsu and Zhejiang provinces East of Lake Taihu anti-Japanese volunteer army,seven have implicit read Cun Yi XI da bridge, was suddenly lurking in mulberry trees on both sidesA 、非水溶性切削液 B、水溶性切削液 C、干切削 7、用于车削阶台的车刀是车刀。
2015/2016学年第二学期《车工工艺学》期末试卷姓名班级学号得分一、填空题(每空1分,共30分)1.按其作用,车削运动可分为和两种。
2.车削时,工件上形成了、和三个表面。
3.为了测量车刀的角度,假象的三个基准坐标平面是、和,这三者之间的关系是。
4.高速钢刀具常用于承受冲击力的场合,特别适用于制造各种结构复杂的刀具和刀具,但不能用于的切削。
高速钢有和两种类别。
5.切削用量是表示及大小的参数。
它是、和三者的总称,故又把这三者成为切削用量的。
6.粗车刀必须使用粗车时和的特点,主要要求车刀有足够的,能一次车去较多的余量。
7.铰孔的精度可达,表面粗糙度值可达。
8.莫氏圆锥是机械制造业中应用最为广泛的一种圆锥,共有个号码,其中最小的是号,最大的是号。
二、单项选择题(将正确的答案的序号填写在括号内,每题2分,共30分)1.加工台阶轴,车刀的主偏角应选()。
A.45° B.60° C.75° D.等于或大于90°2.()硬质合金适用于加工钢或其他韧性较大的塑性金属,不宜用于加工脆性金属。
A. K类B. P类C.M类D.P类和M类3.切削用量中对断屑影响最大的是()。
A.背吃刀量B.进给量C.切削速度D.背吃刀量和切削速度4.外圆精车刀上刃磨修光刃的目的是()。
A.增加刀头强度B.减小表面粗糙度值C.改善刀头散热情况D.使车刀锋利5.工件被切断处的直径为80mm,则切断刀刀头长度应刃磨在()mm的范围内。
A.42~43B.45~48C.25~35D.35~406.一般标准麻花钻的顶角为()。
A.118°B.100°C.150°D.132°7.铰孔时的切削速度应取()m/min以下。
A.10B.5C.208.用塞规检验内孔尺寸时,如通端和止端均进入孔内,则孔径()。
A. 大B. 小C. 合格9.百分表用来测量工件的( )。
A.同轴度B.表面粗糙度C.尺寸精度10.圆锥的基本参数是指()。
2022学年第二学期期末考试复习题一、单选题(共50题,100分)1、EI≥es的孔轴配合是()。
(单选题)A、间隙配合B、过盈配合C、过渡配合D、不能确定答案: A解析:2、人体应接触高电压的带电体而承受(),以致引起死亡或局部受伤的现象称为触电。
A、过大电流B、过大电势C、过大电阻D、过高频率正确答案: A解析:3、二氧化碳灭火剂适用于()灭火。
A、火药着火B、硝化棉着火C、电器火灾D、金属火灾正确答案: C解析:4、套类零件一般以()作为定位基准。
A、两中心孔B、外圆C、内孔D、阶台正确答案: B解析:5、切断刀折断的主要原因是()。
A、刀头宽度太宽B、副偏角和副后角太大C、切削速度高D、冲击力大正确答案: B解析:6、钻削钢料时应选()顶角。
A、1180B、 1000C、 1350D、 1050正确答案: C解析:7、车床上的传动丝杠是()螺纹。
A、梯形B、三角C、矩形D、圆形正确答案: A解析:8、车削是()作主运动,车刀作进给运动的切削加工方法。
A、工件旋转B、工件直线移动C、刀具旋转D、刀具移动正确答案: A解析:9、钻孔镐铰削时应选用()。
A、高浓度极压乳化液B、低浓度乳化液C、粘度较小的极压乳化液极压削油D、水正确答案: C解析:10、()是在钢中加入较多的钨、钼、铬、钒等合金元素,用于制造形状复杂的切削刀具。
(单选题)A、硬质合金C、合金工具钢D、碳素工具钢答案: B解析:11、用尾座顶尖支承车削轴类工件易出现()。
A、圆度超差B、圆柱度超差C、竹节形D、方形正确答案: C解析:12、有关配合的术语中,()的轴称为基准轴,是配合中的基准件。
A、过渡配合B、过盈配合C、基轴制D、基孔制正确答案: C解析:13、标准公差共分20个等级,其中IT18级()。
A、最高B、低C、较低D、最低正确答案: D解析:14、EI≥es的孔轴配合是()。
A、间隙配合B、过盈配合C、过渡配合D、不能确定正确答案: A解析:15、工作中如发现电气设备有故障,应找()修理。
兰溪市技工学校2014学年第二学期《车工工艺》期末考试试卷班级姓名学号题号一二三四五六总分得分一、选择题(每题3分,共18分)1、加工台阶时,车刀的主偏角应选()A、45°B、60°C、75°D≧90°2、车削塑性大的材料时,可选()前角A、较大B、较小C、零度D、负值3、()是衡量主传动大小的参数,单位m/min。
A、被吃刀量B、进给量C、切削速度D、切削深度4、粗车时必须适应粗车时()的特点。
A、吃刀深,转速低B、进给块,转速高C、吃刀深,进给快D、吃刀浅,进给快5、半精车、精车时选择切削用量应首先考虑()。
A、提高生产力B、保证加工精度C、延长刀具寿命D、保证加工质量,并延长刀具寿命6、粗车钢料外圆时,车刀主切削刃的倒棱前角为()。
A、-30°~ -10°B、-10°~-5°C、+15°~-5°D、-15°~30°二、填空题(每题3分,共15分)1、90°车刀主要用来车削工件的外圆、、。
2、当车刀刀尖位于切削刃的最高点时,刃倾角为值。
3、为了提高工件的表面质量,用硬质合金精车时,一般采用的切削速度。
4、车工件时,已加工表面出现壳点,用时切削有噪声,说明车刀。
5、刃磨切槽刀时,必须使两副后面、两副后角和对称。
三、判断题(每题3分共15分)正确打√,错误打×1、负值刃倾角能增大切削刃的强度,且能耐冲击()2、变换主轴转速时应先停止机床,后变速,否则容易使齿轮折断()3、车削时应先进刀,后启动车床,车削完后先退刀再停止车床,否则车刀容易损坏()。
4、进给量是衡量进给传动大小的参数,单位mm/r()。
5、粗车时一般应磨出过渡刃,精车时一般应磨出修光刃()。
四、图为90°硬质合金车刀,请在图中标出每个角的名称(共12分)五、根据图示标出麻花钻的前面、主后面、主切削刃、横刃。
15级16学年第二学期《车工工艺与技能》期末试卷(A卷)班级姓名学号得分一、填空题填空题(每空1分,共30分)1.目前广泛采用的螺纹车刀材料一般有高速钢和两类。
2.高速钢螺纹车刀一般用于车削螺纹。
3.粗磨有背前角的螺纹车刀时,可先使刀尖角略大于牙型角。
磨好背前角后,再修磨。
4.磨削高速钢螺纹车刀时,刀具对砂轮的压力应一般车刀。
5.磨外螺纹车刀时,刀尖角平分线应刀体中心线。
6.螺纹车刀一般选用αoL= ,αoR= 。
7.车削螺纹时,应根据不同的质量要求和选择不同的测量方法,常见的测量方法有单项测量法和法两种8.螺纹顶径一般用________和______测量。
9.普通螺纹的中径可用螺纹测量,其一般用来测量螺距(或导程)为0.4~6 mm的螺纹。
10.车螺纹时使用,可用吸振和防止扎刀。
11.车脆性材料时,背吃刀量不宜,否则会使螺纹牙尖爆裂,造成废品。
12.成型面一般作为工件的装夹表面。
13.在车床上抛光通常采用和两种方法。
14.修光常用细齿纹的(又称板锉)和(旧称什锦锉)或特细齿纹的。
15.用法车成型面时,双手配合应协调、熟练。
车刀切入的进给量应控制准确,防止将工件局部车小。
16.梯形螺纹是常用的传动螺纹,比较高。
如车床的丝杠和中、小滑板的丝杆等。
国家标准规定梯形螺纹牙型角为。
17.梯形螺纹代号用字母______及______×导程(螺距)与旋向表示。
18.粗车梯形螺纹时,通常用来保留精车余量,粗车时牙顶宽不得小于mm,确保每边留有0.15~0.30mm左右的余量。
19.测量中径,普通螺纹中径通常用______测量,梯形螺纹一般用三针测量法或法测量。
二、选择题(每小题1分,共15分)1.普通螺纹的公称直径是指螺纹的()。
A. 大径B. 小径C. 中径D. 外螺纹底径2.()的螺纹不是右旋螺纹。
A. 顺时针旋转时旋入B. 逆时针旋转时旋入C. 逆时针旋转时旋出D. 把螺纹垂直放置时右侧的牙高与左侧3.车右旋螺纹时,车刀左侧切削刃的工作后角比其刃磨后角()。
2010-2011学年下学期《车工工艺》期末试卷(A)(班级:机电22、23班)班级姓名学号成绩题号―二三四五六七八总分得分一、填空题(每空0.5分,共计15分)1、车床床身是车床的大型基础部件,它有两条精度很高的V形导轨和矩形导轨。
2、按其作用,车削运动可分为主运动和进给运动两种。
3、车削时,工件上形成了代加工表面、过度表面和已加工表面三个表面。
4、90度车刀又称为偏刀,主要用来车削工件的外圆、台阶和端面。
5、45度车刀有一个前面、一个主后面、两个副后面、一条主切削刃。
6、为了测量车刀的角度,假象的三个基准坐标平面是基面、切削平面和正交平面,这三者之间的关系是相互垂直。
7、加工一般材料大量使用的刀具材料有高速钢和硬质合金。
8、车削时常用的切削液有水溶性和油溶性两大类。
其中乳化液属于水溶性切削液,油溶性切削液主要起润滑作用。
9、75度车刀的刀尖角e「大于90度,刀尖强度好,适用于粗车轴类工件的外圆和对加工余量较大的铸件外圆进行强力车削,75度左车刀还适用于车削铸锻件的大端面。
10、麻花钻的横刃加长会使轴向的进给力增大。
二、选择题(每空2分,共计30分)1、车床A接受非杠或丝杠传递的运动。
A、溜板箱B、主轴箱C、交换齿轮箱D、进给箱2、刀具上与工件上过度表面相对的刀面称为B 。
A、前面B、主后面C、副后面D、待加工表面3、在基面内测量的基本角度是D 。
A、刀尖角B、刃倾角C、主后角D、主偏角4、副偏角是在测量的角度。
A、基面B、副切削平面C、副正交平面D、切削平面5、为保证成形工件截面精度,成形刀应取C的前角。
A、较大B、较小C、零度D、负值6、刃倾角是D与基面的夹角。
A、前面B、切削平面C、后面D、主切削刃7、精加工用的成形刀,刃倾角匚最好取C值。
A、负B、正C、零D、任意8、高速钢刀具材料可耐£°C左右的高温。
A、250B、300C、600D、1009、断续切削塑性金属,精加工时选用的刀具材料代号是C 。
平湖市技工学校2011学年第一学期《车工工艺学》期末试卷班级_________ 学号_____ 姓名___________ 成绩_______一、填空题:(20%,每空格0.5分)1、常用的标准工具圆锥有______________________和______________________。
2、车圆锥面时,一般先保证________________,然后精车控制________________。
3、成形刀有___________成形刀、___________成形刀和___________成形刀三种。
4、车圆锥面的方法主要有:_______________________、_____________________、_____________________、_____________________和____________________。
5、用仿形法车成形面主要有____________仿形法和______________仿形法两种。
6、螺纹大径是指与外螺纹_____或内螺纹_____相切的假想圆柱或圆锥的直径。
7、低速车削螺纹时,用__________车刀;高速车削螺纹时,用___________车刀。
8、米制圆锥的号码是指________________,而锥度固定不变,即C=__________。
9、三角形螺纹可分为__________螺纹、___________螺纹、__________螺纹三种。
10、常见的管螺纹有____________管螺纹、____________管螺纹、_____________管螺纹、_____________螺纹等四种,其中________________管螺纹应用最多。
11、常用的圆锥角度和锥度的检验方法有:______________________________、______________________________、______________________________等。
(车工工艺期末试题)新安职高2011—2012学年第二学期期末考试题二班级数控机制专业《车工工艺与技能训练》(出题人:田家庭)一、填空题:(1×40=40分)1、在车削过程中,车刀的进给运动可分为_____ _____和_______ ___两种。
2、切削用量三要素包括____________、______________和______________。
3、当车床运转500小时后,需进行一级保养,保养内容为。
4、确定车刀角度的帮助平面有_________、_________和_________。
5、车削时工件有三个不断变化的表面、、。
6、常用的车刀材料有___________和____________两类。
7、车刀磨损的三个阶段是、、。
8、常见的磨刀砂轮有___________和____________两种。
9、卡盘的三个卡爪是同步运动的,能自动定心,一般不需找正。
10、选用切削液时,粗加工时应选用以作用为主的。
11、切削液分为____________和___________两大类;在切削过程中有__________、__________、和_________作用。
12、中心孔的外形有__________、__________、__________和__________四种。
13、切屑的类型有:、、、。
14、一般标准麻花钻的顶角为,横刃斜角为。
15、滚花的花纹有_________纹和_________纹两种,花纹的粗细用_________表示。
二、选择题:(2×10=20分)1、车外圆时,________是主运动。
A、工件的旋转运动B、横向进给C、纵向进给2、进给量的单位是_________。
A、r/minB、mmC、m/minD、mm/r3、工件上经刀具切削后产生的表面叫_______。
A、待加工表面B、过渡表面 C 、已加工表面4、切削平面、基面和主截面三者之间的关系总是的。
平湖市技工学校2011学年第一学期《车工工艺学》期末试卷班级学号姓名成绩一、填空题:(20%,每空格0.5分)1、常用的标准工具圆锥有和。
2、车圆锥面时,一般先保证,然后精车控制。
3、成形刀有成形刀、成形刀和成形刀三种。
4、车圆锥面的方法主要有:、、、和。
5、用仿形法车成形面主要有_仿形法和仿形法两种。
6、螺纹大径是指与外螺纹或内螺纹相切的假想圆柱或圆锥的直径。
7、低速车削螺纹时,用车刀;高速车削螺纹时,用车刀。
8、米制圆锥的号码是指,而锥度固定不变,即_。
9、三角形螺纹可分为螺纹、螺纹、螺纹三种。
10、常见的管螺纹有_管螺纹、_管螺纹、管螺纹、螺纹等四种,其中管螺纹应用最多。
11、常用的圆锥角度和锥度的检验方法有:、、等。
12、低速车削三角形螺纹的进刀方法有、和,其中适用于车削P<2.5的三角形螺纹。
13、根据轴类工件的形状、大小、加工精度和数量的不同,常用-装夹、装夹、装夹和装夹。
14、装夹端面直槽刀时,注意使其主切削刃工件轴线。
二、判断题:(7.5%,每小题0.5分)1、圆锥半角与锥度属于同一参数。
()2、工件的圆锥角为20°时,车削时小滑板也应转20°。
()3、偏移尾座法也可以加工整锥体或内圆锥。
()4、采用数控车床进行车削时,应尽量少用或不用成形刀。
()5、成形刀的后角和前角较大,以保证车刀的楔角较小,切削刃锋利。
()6、内螺纹的大径也就是内螺纹的底径。
()7、高速车削螺纹,实际螺纹牙型角会扩大。
()8、螺纹精车刀的背前角应取得较大,才能达到理想的效果。
()9、英制螺纹的公称直径是指内螺纹大径,用表示。
()10、成形刀的刃倾角宜取正值。
()11、矩形螺纹是国家标准螺纹。
()12、用成形刀车削成形面时,可采用反切法进行车削。
()13、盲孔车刀的副偏角应比通孔车刀大些。
()14、使用高速钢切断刀进给量要选大些,硬质合金切断刀进给量要选小些。
()15、当刀尖位于主切削刃的最高点时,刃倾角为正值。
()三、选择题:(20%,每小题1分)1、用转动小滑板法车圆锥时,若最大圆锥直径靠近主轴,小滑板应( )A、顺时针转动2α B、逆时针转动2αC、顺时针转动αD、逆时针转动α2、对于标准圆锥或配合精度要求较高的圆锥工件,一般可以使用( )检验。
A、角度样板B、正弦规C、涂色法D、游标万能角度尺3、普通螺纹的公称直径是指螺纹的( )。
A、大径B、中径C、小径D、外螺纹底径4、螺纹车刀的背前角大于0°时,则车出螺纹的螺纹牙型是( )。
A、直线B、任意C、抛物线D、曲线5、铰削铸铁时,可使用( )做为切削液。
A、煤油B、水C、水溶性切削液D、油溶性切削液6、车圆锥时,若车刀刀尖未对准工件轴线,圆锥会出现( )。
A、圆度误差B、双曲线误差C、直线度误差D、垂直度误差7、在同一螺旋线上,大径上的螺纹升角 ( )中径上的螺纹升角。
A、小于B、大于C、等于D、不小于8、用刀尖角55°的三角形螺纹车刀,可以车削( )螺纹、55°密封管螺纹。
A、米制锥B、普通C、小D、英制9、 ( )螺纹是左旋螺纹。
A、顺时针旋转时旋出B、逆时针旋转时旋出C、顺时针旋转时旋入D、逆时针旋转时旋入10、高速钢梯形螺纹粗车刀的刀头宽度应( )牙槽底宽。
A、略小于B、略大于C、等于D、不小于11、车床交换齿轮箱内的交换齿轮心轴的润滑是用( )润滑。
A、浇油B、润滑脂C、弹子油杯D、油泵循环12、高速切削普通螺纹时,硬质合金三角形外螺纹车刀的刀尖角应选择()A、55°B、60°C、0359'︒ D、0360'︒13、如果工件材料是钢料,则螺纹车刀切削部分的材料,选用()较合适。
A、P10或高速钢B、K10或高速钢C、M10或K30D、P10或M1014、用圆锥套规检验外圆锥时,若工件小端的显示剂被抹去,说明圆锥角()。
A、小了B、大了C、不变D、双曲线误差15、刀具上与工件已加工表面相对的刀面称为()A、前面B、主后面C、副后面D、待加工表面16、在主正交平面内测量的基本角度是( )。
A、主偏角B、主后角C、刀尖角D、刃倾角17、粗车刀必须适应粗车时( )的特点。
A 、吃刀深,转速低B 、进给快,转速高C 、吃刀小,进给快D 、吃刀深,进给快 18、工件被切断处直径为mm 36φ,则切断刀主切削刃宽度应刃磨在( )的范围内。
A 、1~1.6B 、2~2.6C 、3~3.6D 、4~4.619、切断外径为mm 40φ,孔径为mm 18φ的空心工件,则切断刀刀头长度应刃磨在( )的范围内。
A 、13~14B 、16~17C 、25~26D 、25~2820、测量套类工件形状精度常用的方法是用( )来测量。
A 、百分表B 、千分表C 、内测千分尺D 、内径千分表四、名词解释:(9%,每小题1.5分) 1、导程2、圆锥角3、背吃刀量4、G1A5、P R 16、M16×1-6H五、简答题:(14%)1、常用的螺纹牙型有哪几种?(5%)2、简述6140型车床主要组成部分。
(9%)六、识图(8.5%)1、用转动小滑板法车锥齿轮坯,把车削各锥面时小滑板的转动角度和转动方向填入表格中。
(3%,每小空0.5分)车削的圆锥面小滑板应转动的方向小滑板应旋转的角度(2α)A面B面C面2、如下图所示的普通螺纹的牙型上,标注出牙型角、牙型半角、螺距、大径、中径、小径、螺纹升角和牙型高度。
(5.5%)七、计算题(21%)1、需要车削M36×2的螺母两件,工件材料的一件为200,另一件为45钢,分别求出车削内螺纹前的孔径尺寸(4%)2、有一带圆锥的轴类工件,已知最大圆锥直径mmD35=,最小圆锥直径mmd30=,圆锥部分长度mmL50=,工件总长L0=120,求锥度C 和圆锥半角2α(近似计算)及尾座偏移量S。
(6%)3、在丝杠螺距为12的6140型车床上,车导程为4,8的螺纹,判断是否产生乱牙?(4%)4、如下图所示带圆锥的单球手柄,求:(1)车圆锥时小滑板应转过的角度(近似法)(2%)(2)车圆球时球状部分长度值L(5%)平湖市技工学校2011学年第一学期《车工工艺学》期末试卷答案一、填空题:(20%,每空格0.5分)1、莫氏圆锥米制圆锥2、圆锥角度线性尺寸3、整体式棱形圆轮4、转动小滑板法偏移尾座法仿形法宽刃刀车削法铰内圆锥面法5、尾座靠模靠模板6、牙顶牙底7、高速钢硬质合金8、最大圆锥直径 1:209、普通小英制10、 55°非密封 55°密封 60°密封米制锥55°非密封11、用游标万能角度尺测量用角度样板检验用正弦规测量12、直进法斜进法左右切削法直进法13、三爪自定心卡盘四爪单动卡盘一夹一顶两顶尖14、垂直于二、判断题:(7.5%,每小题0.5分)1、√2、×3、×4、√5、×6、√7、√8、×9、√ 10、×11、× 12、√ 13、× 14、× 15、√三、选择题:(20%,每小题1分)1、B2、C3、A4、D5、A6、B7、A8、D9、D 10、A11、B 12、C 13、D 14、A 15、C16、B 17、D 18、C 19、A 20、D四、名词解释:(9%,每小题1.5分)1、导程同一条螺旋线上相邻两牙在中径线上对应两点间的轴向距离2、圆锥角在通过圆锥轴线的截面内两条素线之间的夹角3、背吃刀量工件已加工表面和待加工表面间的垂直距离4、G1A55°非密封管螺纹1尺寸代号A 外螺纹公差等级代号5、PR1PR圆柱内螺纹1尺寸代号左旋6、M16×1-6H细牙普通螺纹 16公称直径 1螺距6中径、顶径公差带代号 五、简答题:(14%)1、常用的螺纹牙型有哪几种?(5%)三角形螺纹 梯形螺纹 锯齿形螺纹 矩形螺纹 圆形螺纹2、简述6140型车床主要组成部分。
(9%)(1)床身 (2)主轴箱 (3)交换齿轮箱 (4)进给箱 (5)留板箱(6)刀架部分(7)尾座 (8)床脚 (9)冷却装置六、识图(8.5%)1、用转动小滑板法车锥齿轮坯,把车削各锥面时小滑板的转动角度和转动方向填入表格中。
(3%,每小空0.5分)车削的圆锥面小滑板应转动的方向小滑板应旋转的角度(2α)A 面 顺时针 60°B 面 逆时针 4334'︒C 面顺时针60°2、如下图所示的普通螺纹的牙型上,标注出牙型角、牙型半角、螺距、大径、中径、小径、螺纹升角和牙型高度。
(5.5%)七、计算题(21%) 1、解 ∵mm d 36=,mm p 2= 200∈脆性金属∴D 孔mm P D 9.33205.13605.1=⨯-=-= (2%) ∵45钢∈塑性金属∴D 孔mm P D 34236=-=-= (2%)2、解:=-=-=503035L d D C 1:10(2%) 2125287.21017.287.282'''︒=︒=⨯︒=⨯︒=C α(2%)mm CL S 6210112020=⨯=⨯=(2%)3、解:⑴车削mm P h4=的螺纹时,gs s h s g n n p p p np ====31124(2%)即丝杠转一转时,工件转了3转,不会产生乱牙⑵车削mm P h 4=的螺纹时,gs s h s g n n p p p np ====5.11128(2%)即丝杠转一转时,工件转了1.5转,会产生乱牙4、解:⑴6621435.12017.287.282'''︒=︒=⨯︒=⨯︒=C α(2%) ⑵∵mm CL d D 304020128=⨯+=+=(2%) ∴()()mm d D D L 4530505021212222=-+=-+=(3%)。