液压阀图标符号
- 格式:docx
- 大小:20.50 KB
- 文档页数:7
流体传动与控制常用液压图形符号表 1常用液压图形符号(摘自 GB/T786.1-1993详细符号(控制压力关闭阀)三位四通电磁阀简化符号液控单向阀液压单向阀详细符号(控制压力打开阀)简化符号(弹簧可省略)三位四通电液阀简化符号(内控外泄)三位六通手动阀三位五通电磁阀双液控单向阀三位四通电液阀外控内泄(带手动应急控制装置)详细符号梭阀或门型简化符号三位四通比例阀三位四通比例阀二位四通比例阀节流型,中位正遮盖中位负遮盖常断二位二通电磁阀常通四通伺服换向阀二位三通电磁阀四通电液伺服阀二位三通电磁球阀二位四通电磁阀(5)流量控制阀二级带电反馈三级名称符号说明名称符号说明详细符号可调节流阀简化符号调速阀不可调节流阀一般符号调速阀简化符号旁通型调速阀简化符号温度补偿型调速阀简化符号节流阀单向节流阀单向调速阀简化符号双单向节流阀分流阀截止阀同步阀单向分流阀滚轮控制节流阀(减速阀)调速阀调速阀详细符号集流阀分流集流阀(6)油箱名称管端在液面上通大气式管端在液面下带空气过滤器油箱局部泄油或回油加压油箱或密闭油箱(7)流体调节器名称符号说明名称符号说明符号说明名称管端在油箱底部符号说明三条油路过滤器一般符号空气过滤器带污染指示器的过滤器磁性过滤过滤器器冷却器一般符号温度调节器带旁通阀的过滤器冷却器带冷却剂管路的冷却器双筒过滤器 p1:进油 p2:回油加热器一般符号(8)检测器、指示器名称压力指示器符号说明名称检流计(液流指示器)符号说明压力表(计)压力检测器电接点压力表(压力显控器)压差控制表流量检测器流量计累计流量计温度计液位计转速仪转矩仪(9)其它辅助元器件名称符号说明名称符号说明详细符号压力继电器(压力开关)压差开关一般符号传感器一般符号传感器详细符号行程开关一般符号压力传感器温度传感器联轴器联轴器弹性联轴器一般符号放大器(10)管路、管路接口和接头名称管路符号说明压力管路回油管路两管路相交连接可表示泄油管路管路名称交叉管路符号说明两管路交叉不连接管路连接管路柔性管路单向放气装置(测压接头)单通路旋控制管路不带单向阀的快换快换接头接头带单向阀的快换接头旋转接头转接头三通路旋转接头。
液压泵单向定量液压单向旋转、单动、定双向定量液压单向变量液压单向旋转,单动,变双向变量液压液压马一般符单向定量液压单向流动,单向旋转双向定量液压单向变量液压双向变量液压摆动马双向摆动,定定量液-变量液-双向流动,双转,变排量,液压整体式传动装置单活塞单活塞(带弹简化符柱塞缸伸缩缸单活塞简化符双活塞直线运动的杆旋转运箭头可动的轴定位装锁定装弹跳机顶杆式可变行程控制弹簧控滚轮式两个方向操作单向滚人力控按钮式拉钮式拉手柄式单向踏双向踏加压或卸压控差动控内部压力控制外部压力控制溢流阀先导型溢流阀先导型电磁溢直动式比例溢先导比例溢流卸荷溢(平衡阀)双向溢减压阀先导型减压阀溢流减单向阀简化符液控单双液控单向阀或门型二位二通电磁二位三通电磁二位三通电磁二位四通电磁可调节不可调一般符节流阀单向节双单向节流阀截止阀滚轮控制节流阀(减速阀)调速阀管端在液面上管端在液面下带空气过滤器过滤器带污染指示器的过滤磁性过带旁通阀的过双筒过压力指示器)压力表(计)电接点压力表(压力压差控(压力开关)联轴器弹性联连接管控制管不带单向阀的快换接带单向阀的快换接头。
液压泵单向定量液压单向旋转、单动、定双向定量液压单向变量液压单向旋转,单动,变双向变量液压液压马一般符单向定量液压单向流动,单向旋转双向定量液压单向变量液压双向变量液压摆动马双向摆动,定定量液-变量液-双向流动,双转,变排量,液压整体式传动装置单活塞单活塞(带弹简化符柱塞缸伸缩缸单活塞简化符双活塞直线运动的杆旋转运箭头可动的轴定位装锁定装弹跳机顶杆式可变行程控制弹簧控滚轮式两个方向操作单向滚人力控按钮式拉钮式拉手柄式单向踏双向踏加压或卸压控差动控内部压力控制外部压力控制溢流阀先导型溢流阀先导型电磁溢直动式比例溢先导比例溢流卸荷溢(平衡阀)双向溢减压阀先导型减压阀溢流减单向阀简化符液控单双液控单向阀或门型二位二通电磁二位三通电磁二位三通电磁二位四通电磁可调节不可调一般符节流阀单向节双单向节流阀截止阀滚轮控制节流阀(减速阀)调速阀管端在液面上管端在液面下带空气过滤器过滤器带污染指示器的过滤磁性过带旁通阀的过双筒过压力指示器)压力表(计)电接点压力表(压力压差控(压力开关)联轴器弹性联连接管控制管不带单向阀的快换接带单向阀的快换接头。
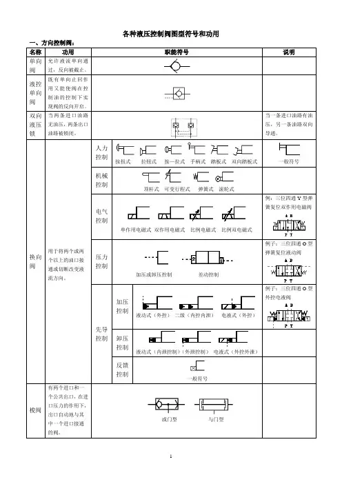
各种液压控制阀图型符号和功用一、方向控制阀:名称功用职能符号说明单向阀允许液流单向通过,反向被截止。
液控单向阀既有单向止回作用又能使阀在控制油的控制下实现阀的反向开启。
双向液压锁当两条进口油路无油压,两条出口油路被锁闭。
当一条进口油路有油压,另一条油路双向导通。
换向阀用于将两个或两个以上的油口接通或切断改变液流方向。
人力控制按扭式拉钮式按—拉式手柄式踏板式双向踏板式一般符号机械控制顶杆式可变行程式弹簧式滚轮式电气控制单作用电磁式双作用电磁式比例电磁式比例双电磁式例:三位四通Y型弹簧复位双作用电磁阀压力控制加压或卸压控制差动控制例子:三位四通O型弹簧复位液动阀先导控制加压控制液动式(外控)二级(内控内泄)电液式(外控)例子:三位四通O型外控电液阀卸压控制液动式(内泄控制)(外泄控制)电液式(外控外泄)反馈控制一般符号梭阀有两个进口和一个公共出口,在进口压力的作用下,出口自动地与其中一个进口接通的阀。
或门型与门型二、压力控制阀:名称功用职能符号说明溢流阀控制阀的进口压力的压力阀。
直动型溢流阀先导型溢流阀先导型电磁溢流阀卸荷溢流阀一般符号减压阀使流经阀的油液节流降压,以便从系统中分出油压较低的支路。
直动型减压阀先导型减压阀定比减压阀定差减压阀一般符号顺序阀用油压信号控制油路接通或隔断的阀,常用来自动控制油缸或油马达的动作顺序。
直动型直控顺序阀直动型外控顺序阀先导型顺序阀单向顺序阀(平衡阀)一般符号卸荷阀使油泵或油路卸荷(卸压),减小功率消耗。
顺序阀和先导型溢流阀都可以作为卸荷阀使用。
名称功用职能符号说明节流阀靠改变阀的开度来改变通流面积,从而控制流量,借以控制执行机构的运动速度。
不可调节流阀可调节流阀单向节流阀油压差、油温、油的状况、节流口堵塞影响流量的稳定性。
调速阀(普通型调速阀)提供稳定的流量使执行元件运动速度稳定。
普通型调速阀温度补偿型调速阀轻载时功率损耗比溢流节流阀大,油液发热程度较大。
溢流节流阀提供稳定的流量使执行元件运动速度稳定。
1.溢流阀图型符号2.减压阀图型符号溢流阀一般符号或直动型溢流阀减压阀一般符号或直动型减压阀先导型溢流阀先导型减压阀先导型电磁溢流阀(常闭)溢流减压阀直动式比例溢流阀先导型比例电磁式溢流减压阀先导比例溢流阀定比减压阀减压比1/3卸荷溢流阀p2>p1时卸荷定差减压阀双向溢流阀直动式,外部泄油3.顺序阀图形符号4.卸荷阀图形符号顺序阀一般符号或直动型顺序阀卸荷阀一般符号或直动型卸荷阀先导型顺序阀先导型电磁卸荷阀p1>p2单向顺序阀(平衡阀)1.单项阀图型符号2.液控单向阀图型符号单向阀详细符号减压阀一般符号或直动型减压阀单向阀简化符号(弹簧可省略)先导型减压阀先导型电磁溢流阀(常闭)溢流减压阀直动式比例溢流阀先导型比例电磁式溢流减压阀先导比例溢流阀定比减压阀减压比1/3卸荷溢流阀p2>p1时卸荷定差减压阀双向溢流阀直动式,外部泄油1.单项阀图型符号2.液控单向阀图型符号单向阀详细符号减压阀一般符号或直动型减压阀单向阀简化符号(弹簧可省略)先导型减压阀先导型电磁溢流阀(常闭)溢流减压阀直动式比例溢流阀先导型比例电磁式溢流减压阀先导比例溢流阀定比减压阀减压比1/3卸荷溢流阀p2>p1时卸荷定差减压阀双向溢流阀直动式,外部泄油(注:文档可能无法思考全面,请浏览后下载,供参考。
)。
1.溢流阀图型符号2.减压阀图型符号名称符号说明名称符号说明溢流阀一般符号或直动型溢流阀减压阀一般符号或直动型减压阀先导型溢流阀先导型减压阀先导型电磁溢流阀(常闭)溢流减压阀直动式比例溢流阀先导型比例电磁式溢流减压阀先导比例溢流阀定比减压阀减压比1/3一 压力控制二 方向控制卸荷溢流阀p 2>p 1时卸荷定差减压阀双向溢流阀直动式,外部泄油3.顺序阀图形符号4.卸荷阀图形符号名称符 号说明 名称 符 号 说 明 顺序阀一般符号或直动型顺序阀卸荷阀一般符号或直动型卸荷阀先导型顺序阀先导型电磁卸荷阀p 1>p 2单向顺序阀(平衡阀)1.单项阀图型符号2.液控单向阀图型符号名称符号说明名称符号说明单向阀详细符号减压阀一般符号或直动型减压阀单向阀简化符号(弹簧可省略)先导型减压阀先导型电磁溢流阀(常闭)溢流减压阀直动式比例溢流阀先导型比例电磁式溢流减压阀先导比例溢流阀定比减压阀减压比1/3一 压力控制卸荷溢流阀p 2>p 1时卸荷定差减压阀双向溢流阀直动式,外部泄油1.溢流阀图型符号2.减压阀图型符号名称符 号说明名称 符 号 说 明 溢流阀一般符号或直动型溢流阀 减压阀一般符号或直动型减压阀先导型溢流阀先导型减压阀先导型电磁溢流阀(常闭)溢流减压阀直动式比例溢流阀先导型比例一 压力控制电磁式溢流减压阀先导比例溢流阀定比减压阀减压比1/3卸荷溢流阀p 2>p 1时卸荷定差减压阀双向溢流阀直动式,外部泄油1.溢流阀图型符号2.减压阀图型符号名称符 号说明名称 符 号 说 明 溢流阀一般符号或直动型溢流阀减压阀一般符号或直动型减压阀先导型溢流阀先导型减压阀先导型电磁溢流阀(常闭)溢流减压阀直动式比例溢流阀先导型比例电磁式溢流减压阀先导比例溢流阀定比减压阀减压比1/3卸荷溢流阀p2>p1时卸荷定差减压阀双向溢流阀直动式,外部泄油一压力控制名称符号说明名称符号说明溢流阀一般符号或直动型溢流阀减压阀一般符号或直动型减压阀先导型溢流阀先导型减压阀先导型电磁溢流阀(常闭)溢流减压阀直动式比例溢流阀先导型比例电磁式溢流减压阀先导比例溢流阀定比减压阀减压比1/3卸荷溢流阀p2>p1时卸荷定差减压阀一 压力控制双向溢流阀直动式,外部泄油1.溢流阀图型符号2.减压阀图型符号名称符 号说明名称 符 号 说 明 溢流阀一般符号或直动型溢流阀 减压阀一般符号或直动型减压阀先导型溢流阀先导型减压阀先导型电磁溢流阀(常闭)溢流减压阀直动式比例溢流阀先导型比例电磁式溢流减一 压力控制压阀先导比例溢流阀定比减压阀减压比1/3卸荷溢流阀p 2>p 1时卸荷定差减压阀双向溢流阀直动式,外部泄油1.溢流阀图型符号2.减压阀图型符号名称符 号说明名称 符 号 说 明 溢流阀一般符号或直动型溢流阀 减压阀一般符号或直动型减压阀先导型溢流阀先导型减压阀先导型电磁溢流阀(常闭)溢流减压阀直动式比例溢流阀先导型比例电磁式溢流减压阀先导比例溢流阀定比减压阀减压比1/3卸荷溢流阀p2>p1时卸荷定差减压阀双向溢流阀直动式,外部泄油一压力控制。
1。
溢流阀图型符号 2.减压阀图型符号名称符号说明名称符号说明溢流阀一般符号或直动型溢流阀减压阀一般符号或直动型减压阀先导型溢流阀先导型减压阀先导型电磁溢流阀(常闭)溢流减压阀直动式比例溢流阀先导型比例电磁式溢流减压阀先导比例溢流阀定比减压阀减压比1/3卸荷溢流阀p2〉p1时卸荷定差减压阀3.顺序阀图形符号4。
卸荷阀图形符号名称符号说明名称符号说明顺序阀一般符号或直动型顺序阀卸荷阀一般符号或直动型卸荷阀先导型顺序阀先导型电磁卸荷阀p1〉p2单向顺序阀(平衡阀)1.单项阀图型符号 2。
液控单向阀图型符号名称符号说明名称符号说明单向阀详细符号减压阀一般符号或直动型减压阀单向阀简化符号(弹簧可省略)先导型减压阀先导型电磁溢流阀(常闭)溢流减压阀双向溢流阀直动式,外部泄油直动式比例溢流阀先导型比例电磁式溢流减压阀先导比例溢流阀定比减压阀减压比1/3卸荷溢流阀p2〉p1时卸荷定差减压阀双向溢流阀直动式,外部泄油1.单项阀图型符号2。
液控单向阀图型符号名称符号说明名称符号说明单向阀详细符号减压阀一般符号或直动型减压阀单向阀简化符号(弹簧可省略)先导型减压阀先导型电磁溢流阀(常闭)溢流减压阀直动式比例溢流阀先导型比例电磁式溢流减压阀先导比例溢流阀定比减压阀减压比1/3卸荷溢流阀p2〉p1时卸荷定差减压阀双向溢流阀直动式,外部泄油。
液压图形符号大全1、液压泵图形符号
2、液压马达图形符号
3、单作用缸图形符号
4、双作用缸图形符号
5、压力转换器图形符号
6、蓄能器图形符号
7、辅助气瓶图形符号
8、气罐图形符号
9、能量源图形符号
10、机械控制件图形符号
11、机械控制方法图形符号
12、人力控制方法图形符号
13、直接压力控制方法图形符号
14、先导压力控制方法图形符号
15、电气控制方法图形符号
16、反馈控制方法图形符号
17、溢流阀图形符号
18、减压阀图形符号
19、顺序阀图形符号
20、卸荷阀图形符号
21、制动阀图形符号
22、单向阀图形符号
23、液控单向阀图形符号
24、梭阀图形符号
25、换向阀图形符号
26、节流阀图形符号
27、调速阀图形符号
28、同步阀图形符号
29、通大气式油箱图形符号
30、加压油箱或密闭油箱图形符号
31、压力继电器图形符号
32、行程开关图形符号
33、联轴器图形符号
34、压差开关图形符号
35、传感器图形符号
36、放大器图形符号
37、管路图形符号
38、快速接头图形符号
39、旋转接头图形符号
40、过滤器图形符号
41、空气过滤器图形符号
42、温度调节器图形符号
43、冷却器图形符号
44、加热器图形符号
45、压力检测器图形符号
46、流量检测器图形符号
47、液位计图形符号
48、温度计图形符号
49、转速仪图形符号
50、转矩仪图形符号。
液压阀符号
液压阀是液压系统中常用的一种调节和控制元件,可以把在液压系统中产生的液压能量转换成机械能量,从而达到控制作业或操纵工作机构的作用。
它的符号主要包括:液压电磁阀符号、液压球阀符号、液压梯形阀符号、液压排放阀符号等。
1、液压电磁阀符号:一般由流体模块、油箱模块、液压阀符号、控制电磁线圈及指示灯构成,主要是控制液压元件的电磁活动,使液压系统中的液压元件保持所要求的液压和流量。
液压电磁阀符号:控制线圈(压力控制线圈)为多菱形;油箱模块为矩形;控制电磁线圈为圆形;指示灯为三角形。
2、液压球阀符号:液压球阀是一种可控制和调节动作的液压元件,常用于液压系统的排放、手动调节和自动调节等控制,可以控制流体在管路中的流量和液压。
液压球阀符号:球阀模块为三角形;排放渠为三角箭头;回流渠为反三角箭头;管夹具为鱼骨形。
液压阀,是液压系统中调节和控制元件中重要的一项,它有多种种类,各自的符号也不尽相同,因此,做为机械设计工程师,要思考清楚具体选择使用哪一种液压阀,以及消除歧义,确保正确施工,提高学习水平和了解液压阀符号的能力,就显得尤为重要。
液压泵单向定量液压单向旋转、单动、定双向定量液压单向变量液压单向旋转,单动,变双向变量液压液压马一般符单向定量液压单向流动,单向旋转双向定量液压单向变量液压双向变量液压摆动马双向摆动,定定量液-变量液-双向流动,双转,变排量,液压整体式传动装置单活塞单活塞(带弹简化符柱塞缸伸缩缸单活塞简化符双活塞直线运动的杆旋转运箭头可动的轴定位装锁定装弹跳机顶杆式可变行程控制弹簧控滚轮式两个方向操作单向滚人力控按钮式拉钮式拉手柄式单向踏双向踏加压或卸压控差动控内部压力控制外部压力控制溢流阀先导型溢流阀先导型电磁溢直动式比例溢先导比例溢流卸荷溢(平衡阀)双向溢减压阀先导型减压阀溢流减单向阀简化符液控单双液控单向阀或门型二位二通电磁二位三通电磁二位三通电磁二位四通电磁可调节不可调一般符节流阀单向节双单向节流阀截止阀滚轮控制节流阀(减速阀)调速阀管端在液面上管端在液面下带空气过滤器过滤器带污染指示器的过滤磁性过带旁通阀的过双筒过压力指示器)压力表(计)电接点压力表(压力压差控(压力开关)联轴器弹性联连接管控制管不带单向阀的快换接带单向阀的快换接头。