终末病历质控记录表
- 格式:doc
- 大小:18.00 KB
- 文档页数:2
情及诊疗情况进行简要总结的记录。
交班记录应当在交班前由交班医师书写完成;接班记录应当由接班医师于接班后24小时内完成无交接班记录
在会诊结束后即刻完成会诊记录。
会诊记录内容包括会诊意见、会诊医师所在的科别或者医疗机构名称、会诊时间及会诊医师签名
病程记录
(240
分)
记录应当简要载明患者病情及诊疗情况、申请会诊的理由和目的,申请会诊医师签名等。
常规会诊意见记录应当由会诊医师在会诊
上级医务人员有审核修改下级医务人员书写的病历的责任。
凡是修改时,应当注明修改日期,修改人员签名,并保持原记录清楚、可辨。
医疗机构打印病历应当统一纸张、字
应医务人员签名。
实习医务人员、试用期医务人员书写的病历,应当经过在本医疗机构注册的经治医师审阅、修改并签名。
进修医。
终末病历质量评分标准说明和格式评分标准说明一、此表用于病历终末质量评分:1、先用单项否决的方法进行筛选,如病历中存在单项否决所列项目之一者,为不合格病历,不再进行病历质量评分。
2、选合格病历按照评估标准进行质量评分。
3、对每一书写项目的扣分采取累加的计分办法.最高不得超过本书写项目的总分值。
如:病程记录部分总分值40分,在病程记录部分扣分累计最高应为40分,不得超过该分数。
4、总分值为100分,≥90分为甲级病历;>70分又<90分为乙级病历;<70分为丙级病历(包括三个“单项否决”的不合格病历)。
二、各项说明:单项否决:将法律、法规及卫生行政管理部门相关规定中对病历书写提出明确要求的内容为单项否决的项目,也是病历书写的最基本要求,各级医师必须做到。
单项否决仅作为对一份不合格病历处理的规则之一,仅限于对行业内部的管理。
第一条病案首页医疗信息未填写(空白首页) 系病案首页中大部分是临床医师所填写的内容,应在病人出院前由住院医师准确、完整地填写,出院病历不应有空白首页出现。
第二条传染病漏报住院医师在接收传染病患者后应按规定上报传染病报告卡,并在病案首页中详细写。
第三条血型书写错误住院医师应将患者住院期间检查血型的结果准确填写在首页血型一栏中,不得有误。
第四条无入院记录入院记录内容包括:患者一般情况、主诉、现病史、既往史、个人史、家族史、体格检查、辅助检查(指患者入院前作的检查)及初步诊断和书写医师签字等,须在患者入院24小时内由住院医师完成。
第五条由实习医师或试用期医学毕业生书写的入院记录视为缺入院记录。
第六条入院记录未在24小时内完成。
入院记录须在患者入院24小时内完成,超过此时限医师未完成病历书写应为不合格病历。
第七条无主诉第八条无现病史无体格检查第十条首次病程记录未在患者入院后8小时内完成,超过此时限医师未完成记录视为不合格病历。
第十一条患者入院48小时内无主治医师首次查房记录。
患者入院48小时内须有主治医师(或主治医师以上的医师)首次查房记录。
附件二:
医院本院科别:七病区住院病历质量评价用表病案号:1319349
副主任医师:主治医师:住院医师:
续表
续表
续表
★评价结果计分说明:
一、《住院病历质量评价用表》适用于医疗机构的终末病历和运行病历质量评价。
二、终末病历评价总分100分,“a”级≥90分,“b”级80-89分,“c”级70-79分,“d”级≤69分。
三、运行病历总分85分(扣首页5分、出院小结10分),评价后换算成100分再评病历等级,等级标准同终末病历。
四、表中所列单项否决项共计21项,直接扣10分。
五、每一书写项目内扣分采取累加的计分办法,扣分最多不超过本项目的标准分值(单项否决项扣分不计在内)。
六、对病历中严重不符合规范,而本表未能涉及的可说明理由直接扣分。
住院病历质量质量控制标准
科别: 姓名: 住院号: 病历书写者:考核人:入院诊断:
、家族史齐全。
以上疗等
记录应当由手术者书写,特殊情况下症及风险、患者签名,医师签名等
、材手术名称、术中或术后可能出现的并发症、手术风险、患者签名、医
说明
适用范围:适用于对医疗机构的病历质量评价,包括对病历的环节质量评价及终末质量评价。
操作程序
1、医疗、护理文书质量各设百分制进行评价。
2、用于病历的环节质量评价时,按评分标准找出病历中存在的缺陷,不评定病历等级
3、用于病历的终末质量时:
(1)首先用单项否定法进行筛选(单项否决共计14条,评分表上以*号注明,单列附后);病历中存在单项否决所列缺陷之一者,为乙级病历:存在三项单项否决所列缺陷或缺入院记录者,为丙级病历:存在单项否决所列缺陷的病历不再进行病历质量评分。
(2)经筛选病历按照评分标准进行质量评分。
(3)对每一书写项目内扣分采取累加的记分方法,最高不超过本书写项目的标准分值。
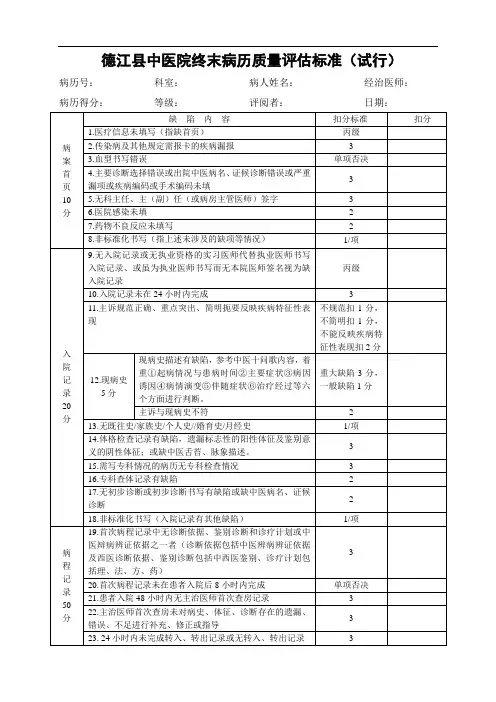
德江县中医院终末病历质量评估标准(试行)病历号:科室:病人姓名:经治医师:病历得分:等级:评阅者:日期:说明:1.本评价标准分六部分,实行量化百分制,其中“病案首页10分”“入院记录20分”“病程记录50分”“出院记录10分”“辅助检查及医嘱5分”“书写基本要求5分”2.此评价标准应结合本专业实际应填则填,与本科无关项目不扣分,每项扣分扣完为止,不倒扣分。
3.其中单项否决项13项,丙级病历9项。
4.病历等级划分:总分100分,≥90分为甲级病历,≥75<90分为乙级病历,<75分为丙级病历,出现一项单项否决扣5分,出现2项为乙级病历,总分调整为90分,三项及以上为丙级病历,总分调整为75分。
5.每份病历大于98分不予罚款,98分以下每扣1分按50元罚款,乙级病历罚款600元/份,丙级病历罚款2000元/份。
(乙级病历及丙级病历,如与科级质控评分不符,处罚科主任每份病历50元)6.优秀病历奖励:每月按甲级病历平均分计算,得分前三名者给予奖励,奖金按当月罚款金额酌情核算。
7.优秀病案展评评选程序:每月病案质量第1名的优秀病案,一年累计后经院病案管理委员会最终评定,分内外科各一名,进行全院展览、奖励。
《中医院终末病历质量评估标准》说明一、目的:用于规范病历书写质量评估工作,提高病历书写质量,从而提高医疗质量、保证医疗安全。
二、《评估标准》的制定原则:(一)维护病历作为法律凭证的诚信和严肃性,确保法律、法规及卫生行政管理部门有关规定的落实。
(二)突出三级医师职责,加强各级医师对病历书写的责任。
(三)适用于数字化管理,可以进行计算机网络传输,能够与医院信息管理系统连接。
(四)符合病历书写质量监控医师的工作习惯和工作程序,具有可操作性。
三、操作程序:(一)医疗记录设百分制进行评价。
(二)用于病历环节质量评估时,按评分标准找出病历书写中存在的缺陷和问题,不进行评分。
(三)用于病历终末质量评估时:1、先用单项否决的方法进行筛选,如病历中存在单项否决所列项目之一者,为不合格病历,不再进行病历质量评分。
住院病历质量评价标准
一、病历评价总分100分,甲级病历>90分,乙级病历76—90分,丙级病历(含单项否决)≤75分
二、单项否决项目
1、涂改、伪造病历内容或拷贝导致的严重错误
2、病历内容有矛盾或与护理记录内容不一致
3、首页主要信息未填写
4、缺患方签名的知情同意书(含死亡通知书、委托他人代签的无委托书及
他人的身份证明)
5、无入院记录或入院记录未在24小时内完成或非执业医师书写
6、缺首次病程记录或未在患者入院8小时内完成
7、无上级医师首次查房记录或未在患者入院48小时内完成
8、疑难或危重病例一周无科主任或主(副主)任查房记录
9、无输血病程记录
10、无有创检查(治疗)操作记录或未在操作结束后24小时内完成
11、无会诊意见或未在发出申请后48小时内完成
12、抢救记录、抢救医嘱未在抢救结束后6小时内完成
13、无死亡抢救记录(放弃抢救除外)
14、放弃抢救无患者法定代理人签署意见并签名的医疗文书
15、无交接班记录、转科记录、阶段小结,或未在规定时间内完成
16、交班与接班、转出与转入记录内容雷同
17、缺病重护理记录单
18、病情较重或手术难度较大(择期中等以上)的手术无术前讨论
19、无手术记录或未在24小时内完成或无手术者签字
20、无麻醉记录
21、缺手术安全核查记录
22、缺手术清点记录
23、缺出院(死亡)记录或死亡病例讨论记录或未在规定时间内完成
24、无抢救记录或放弃抢救无患方签署的医疗文书
25、缺对诊断治疗有重要价值的辅助检查报告单。
病历终末质量质控制度
一、病案管理委员会每月到病案室抽查全院每月出院病历终末质量。
检查病历终末质量既有利于我院病历质量管理工作水平的提高,也有利于规范科室的病历书写工作,有效地避免各种医疗纠纷的发生。
二、病案管理委员会负责检查并评定住院病历的等级,将存在问题登记到“病案质控记录本”上,并及时通知责任人。
科室医师在接到通知后在3个工作日内完善,病历完善后交于病案管理委员会二次检查合格后方可归档。
三、各科室病历质量监控小组定期或不定期抽查出院病历,对自查中存在问题,科室定期召开讨论会,针对存在问题制定整改措施,不断改进病案质量。
四、病历质量按医院相关管理规定进行奖惩,并与科室评先及个人评优、晋职、晋升挂钩。
医院病历终末质量质控制度
1.病案管理委员会每月到病案室抽查全院每月出院病历终末质量。
检查病历终末质量既有利于我院病历质量管理工作水平的提高,也有利于规范科室的病历书写工作,有效地避免各种医疗纠纷的发生。
2.病案管理委员会负责检查并评定住院病历的等级,将存在问题登记到“病案质控记录本”上,并及时通知责任人。
科室医师在接到通知后在3个工作日内完善,病历完善后交于病案管理委员会二次检查合格后方可归档。
3.各科室病历质量监控小组定期或不定期抽查出院病历,对自查中存在问题,科室定期召开讨论会,针对存在问题制定整改措施,不断改进病案质量。
4.病历质量按医院相关管理制度进行奖惩,并与科室评先及个人评优、晋职、晋升挂钩。
德江县中医院终末病历质量评估标准(试行)病历号:科室:病人姓名:经治医师:病历得分:等级:评阅者:日期:病案首页10 分缺陷内容扣分标准扣分1.医疗信息未填写(指缺首页)丙级2.传染病及其他规定需报卡的疾病漏报 33.血型书写错误单项否决4.主要诊断选择错误或出院中医病名、证候诊断错误或严重漏项或疾病编码或手术编码未填35.无科主任、主(副)任(或病房主管医师)签字 36.医院感染未填 27.药物不良反应未填写 28.非标准化书写(指上述未涉及的缺项等情况)1/项入院记录20 分9.无入院记录或无执业资格的实习医师代替执业医师书写入院记录、或虽为执业医师书写而无本院医师签名视为缺入院记录丙级10.入院记录未在24小时内完成 311.主诉规范正确、重点突出、简明扼要反映疾病特征性表现不规范扣1分,不简明扣1分,不能反映疾病特征性表现扣2分12.现病史5分现病史描述有缺陷,参考中医十问歌内容,着重①起病情况与患病时间②主要症状③病因诱因④病情演变⑤伴随症状⑥治疗经过等六个方面进行判断。
重大缺陷3分,一般缺陷1分主诉与现病史不符 213.无既往史/家族史/个人史//婚育史/月经史1/项14.体格检查记录有缺陷,遗漏标志性的阳性体征及鉴别意义的阴性体征;或缺中医舌苔、脉象描述。
315.需写专科情况的病历无专科检查情况 316.专科查体记录有缺陷 217.无初步诊断或初步诊断书写有缺陷或缺中医病名、证候诊断218.非标准化书写(入院记录有其他缺陷)1/项病程记录50 分19.首次病程记录中无诊断依据、鉴别诊断和诊疗计划或中医辩病辨证依据之一者(诊断依据包括中医辨病辨证依据及西医诊断依据、鉴别诊断包括中西医鉴别、诊疗计划包括理、法、方、药)320.首次病程记录未在患者入院后8小时内完成单项否决21.患者入院48小时内无主治医师首次查房记录 322.主治医师首次查房未对病史、体征、诊断存在的遗漏、错误、不足进行补充、修正或指导323. 24小时内未完成转入、转出记录或无转入、转出记录 324.对危重症者不按规定书写病程记录(病危至少1次/天,病重至少1次/2天,病情稳定至少1次/3天,入院与手术后应连续3天1次/天)425无科主任或主(副主)任医师查房记录或无查房医师审核签名无查房单项否决。