罐车装车前后检查表
- 格式:docx
- 大小:17.34 KB
- 文档页数:1
危险化学品装车安全检查记录表日期/时间:货物名称:车牌号:装车前装车后检查项目结果检查项目结果1.车辆必须接受检查,佩戴好防火帽,经允许后方可驶入厂区。
1. 装卸过程中根据包装上储运图标志的要求,轻拿轻放,谨慎操作,放置在车厢内的桶装物料是否平稳。
2.车辆进入厂区按规定地点停靠,引擎和电器全关;车辆接地线是否符合规范要求;不得占用、堵塞消防通道。
2.检查袋(桶)装物料品名、数量、标签是否一致无误,运输车辆是否超装、超载。
3.装卸点配备消防器材等应急器材。
3.车辆准备好相应的灭火器材。
4. 确认运输危险化学品名称、数量等标签与传递单内容一致。
核查新货物有安全技术说明书和安全标签(已经备案的除外)。
4.作业人员及司乘人员在作业过程中是否坚守岗位,不得擅离现场,不得睡岗,不得从事与装车作业无关的事情。
5. 检查叉车安全状况良好,叉车吊钩牢固。
5. 作业时发生跑、冒、滴、漏现象时,操作人员是否立即对现场进行清理、洗消。
6. 查看装车物料:袋装包装完好,无破损,无洒漏;桶装物料桶盖是否盖紧、是否渗漏、是否变形。
6. 夏季时,作业区地面温度高,是否采取随时洒水降温,减少静电危害措施。
7. 现场严禁烟火,货车驾驶员、作业人员不准携带不防爆通讯设施进入装卸区。
7. 现场严禁烟火,不得使用不防爆的照明设施观察液位或使用不防爆的用电设施。
页脚内容8.检查核对危化品车辆资质、人员证件。
运输单位:《道路运输经营许可证》编号驾驶员姓名/身份证号码押运员姓名/身份证号码8.操作人员要自始至终坚守装车现场,装车完毕后,检查各有关阀门是否关严,桶装物料是否堆放牢固,防护措施是否恰当,有不同理化性质及相互发生化学反应的物料不能混装混卸。
9. 操作人员正确穿戴合格的劳动防护用品;叉车司机必须持证上岗;车辆驾驶员(或押运员)和操作人员是否同时在场监护。
9. 作业完成后叉车放指定位置停好;车辆防火帽为公司的防火帽在离开时要拆下放指定位置。
A)入门查核表□A) 基本项目: 日期: 时间: “货运车辆进出登记表” 编号No.司机姓名: 司机姓名: 物流供应商:运输公司名称:车年检标识: 有效 无效车辆类型: 卡 车箱 式 货 车集 装 罐 罐 车车牌号:车辆装载容器合格检验证: 有 无司机驾驶证: 有 无(有效期: 有效 无效 )车辆及罐体与行驶证照片一致: 是 否送/交货单文件号:车辆额定载重:送/交货单上数量:进场目的:提货 送货物流供应商 非物流供应商 注意:装货或装料时请确认所装货/料是否是危险化学品联系部门:B) 入门前:司机身体状态/外表 好 停* 不适用备注 无明显疲倦(缺少睡眠)无任何不被允许的人员/动物在车上 无任何药物, 酒精的作用影响个人防护设备 (PPE)安全帽/安全鞋/安全手套/防护眼镜 工作服车辆送货车捆扎完好, 随车捆扎及覆盖工具(如雨篷, 捆扎绳)齐全储罐/阀门/连接器无泄漏 备有灭火器且在使用期限内 安全带功能完好 车身及底盘状态良好前轮转向轴的整体胎纹大于3.2 mm 后轮驱动轴的整体胎纹大于2.0 mm前轮转向轴未使用翻新胎车窗玻璃, 灯光装置及后视镜正常工作且无破损燃料箱有盖且无滴漏在目视检查中车身无侵蚀/损害 车上无香烟/火柴/打火机/武器车上配备泄漏处理应急器材**---------------------------------------------------------------------------------------------------------------------------------------非38C)出门前: 核查人: 出门时间:车辆好停不适用备注货物已完全固定且无超载/超尺寸/超长, 飞翼车或集装箱门锁扣全部紧固罐/货车外部无产品残留且无滴漏随车附带MSDS/送货单(交货单)等文件车辆捆扎完整, 随车捆扎/覆盖工具(如雨篷, 捆扎绳)齐全离开现场时无其他物品于驾驶室内货物出门单内容与实际装载相符归还暂时保管物品司机签字:备注: * 若任何项目核查结果为“停”而车辆因特殊情况需进入的, 应得到部门经理的许可与确认。
储运体系管理及标准化
6、检查日期:2014 年7.检查标准:《装卸作业安全操作规程》
车牌号:(主车)沪 (挂车)沪
说明:一、
1.车辆技术状况检查内容:检查点检表;车辆制动、转向、电器电路、电源、车厢、车辆外观等系统;
2.安全装备配置:标志灯(顶灯);火星熄灭器;静电带;灭火器;吸附棉等;随车工属具;
3.货物保护:雨布;绳索;网罩;紧绳器;厢体锁扣;飞翼厢门保险扣;飞翼开启关闭位置正确;
4.个人防护用品:安全帽;防护眼镜;防护服;防护鞋;洗眼液;医药箱;
5.温度适配:指装载车辆车厢温度必须符合或低于货物安全储存温度;
6.车厢清洁、消毒:清洁,指车厢必须清扫,干净无杂物,厢车顶无漏水;消毒,指装载前车厢必须通风,厢内无异味;装载过剧毒品货物后,车厢必须经专业单位清洗消毒。
7.货物码垛:下重上轻,下大上小等等;重量左右平衡;高位码垛货物应使用缠绕膜;说明:二、
1.检查情况记录1.
2.3填写:检查符合要求、正常的,打√;
2.货物分类:填写危险品的分类大项,如
3.0,
4.0等。
3.车厢温度:按温度表显示温度填写;
装车前后安全抽查记录表
1、检查目的:安全操作规程落实情况
2、依据:《装卸作业安全操作规程》
3、范围:车辆运输科车辆
4、检查方式:抽查
5、检查人员:潘许林8.检查方法:目视、询问与查看。
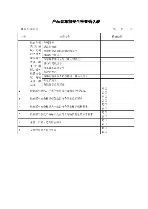
槽车充装核验检查登记表企业名称:年月日装卸前检查运输单位道路运输经营许可证编号车辆资质情况主车牌号道路运输证编号液化气体罐车使用证编号挂车牌号车辆及罐体是否与行驶证照片一致是□否□道路运输证核定载重(吨)最大重装量(m³;常压或承压)压力容器(罐体)检测有效期驾驶员及押运人员资质情况驾驶员姓名驾驶证编号身份证编号道路运输驾驶员从业资格证编号押运员姓名道路危险货物运输操作证编号身份证编号车辆安全配置情况三角顶灯有□无□矩形标牌有□无□导静电带有□无□毒爆腐标志有□无□*安全阀有□无□*压力表有□无□*液位计有□无□*防波板有□无□*速断阀有□无□应急器材有□无□GPS安装情况是□否□GPS使用情况良好□无使用□装车情况装运产品储槽纯度装车数量(吨)系固情况罐体是否变形、挂霜槽车磅前液位槽车纯度槽车压力(Kpa)防拉断装置完好□否□装车准备手刹刹车是□否□放置滑块、警示牌、接液桶是□否□储槽液位mm储槽压力(Kpa)连接软管清洁,无杂质是□否□周边无隐患,槽车司机或随行人员有一名人员现场监护是□否□静电接地连接是□否□缠绕电工绝缘胶布是□否□装卸过程检查车辆是否熄火是□否□车钥匙交操作人员是□否□系固情况压力是否准确是□否□静电接地有效连接是□否□液位是否灵敏是□否□测满阀是否打开是□否□连接附件是否泄露是□否□充电设备是否完好运行是□否□装卸后检查关闭相关阀门是□否□储槽压力(Kpa)拆除软管是□否□静电连接断开是□否□止滑块、警示牌放回原处是□否□储槽纯度安全附件是否完好是□否□槽车压力(Kpa)槽车液位充装数量(吨)是否超装是□否□槽车纯度是否阀门关闭设施停运是□否□连接装置是否分离是□否□槽车是否有结霜现象是□否□密封面、阀门、接管等是否泄露是□否□发货单位查验人(签字):充装或装车人(签字):核准人(签字):驾驶员(签字):押运员(签字):说明:表中带*号标志的为承压罐车必检项。
危险化学品装卸安全检查表(总3页)
--本页仅作为文档封面,使用时请直接删除即可--
--内页可以根据需求调整合适字体及大小--
危险货物装卸安全检查表(罐车)
车辆单位:车牌号:装卸时间作业种类:装车□卸车□装卸货物种类:检查人:
危险货物装卸安全检查表(罐车)
车辆单位:车牌号:装卸时间作业种类:装车□卸车□装卸货物种类:检查人:
危险货物装卸安全检查表(罐车)
车辆单位:车牌号:装卸时间作业种类:装车□卸车□装卸货物种类:检查人:
危险货物装卸安全检查表(罐车)
车辆单位:车牌号:装卸时间作业种类:装车□卸车□装卸货物种类:检查人:。
装车前后安全检查记录安全科年装车前后安全检查记录表AQ-JL-09-008-01 装车前装车过程装车完毕检查项目结果检查项目结果检查项目结果1.车辆按指定区域停好,引擎和电器全关。
1.检查管道畅通后,启动电机,如储罐液位较高,开阀后注意让物料自流入车罐,再启动电机。
1.规范停泵,待充装到规定数量时,根据不同的物料,停泵。
2.提单品种、罐号、鹤位正确,提单数没超过罐车安全容量。
2.管线无泄漏。
2.大约确认数量是否与应装数量基本吻合。
3.询问司机罐车前次灌装物料与现品种是否相同,罐车各底部阀门已关严,无泄漏,检查排气阀是否关上。
3.槽车无泄漏。
3.打开排气阀排气,静止2分钟后缓慢提出鹤管,收回发车台固定好。
提升过程避免与罐体发生碰撞。
4.静电接地连接在罐车正确位置。
4.人员不得离开装车现场。
4.在车罐内取样保存。
5.缓慢将鹤管从注油孔插入车罐内,避免碰撞,管口距罐底10-20cm。
5.装车流速控制。
5.关好罐车孔封盖,封好封条。
6.罐车一泵一罐,储罐、工艺管线已通,开、关阀正确。
6.叉车叉臂下严禁站人 6.拆除静电接地线。
7.检查叉车是否正常。
7.叉车吊钩钩桶是否牢固7.指引罐车安全离开装车台位,跟踪其过磅情况。
8.所用吊钩、钢索、线夹是否牢固。
8.推桶车车胎气压是否正常8.将提货单返回财务,财务确认数量误差率小于千分之三后放行车辆。
9.待装桶装物料与应装桶装物料品名、数量、标签、MSDS是否一致无误。
9.车厢与车槽是否吻合,连接板是否完好。
9.再次检查桶装物料品名、数量、标签、MSDS是否一致10.检查桶是否盖紧、是否渗漏、是否变形。
10.车厢内异物是否清除。
10.定磅桶装物料确认桶数,未定磅桶装物料跟踪其过磅,并签收好过磅单,确认重量。
11.检查核对车辆、人员证件。
11.放置在车厢内的桶装物料是否平稳。
装车日期:产品名称:装车数量:库管员签名:车牌号:司机签名:装车前后安全检查记录表AQ-JL-09-008-01 装车前装车过程装车完毕检查项目结果检查项目结果检查项目结果1.车辆按指定区域停好,引擎和电器全关。
1、公司司机必须遵守《中华人民共和国道路交通法》,及有关交通管理的规章规则,遵守公司各项规章制度,安全行车。
2、司机应爱惜公司车辆,平时注意车辆保养,经常检查车辆的主要机件,确保车辆正常行驶。
出车前,要例行检查车辆的水、电、油及其他性能是否正常,发现不正常时,要立即加补或调整.出车回来,要检查存油量,发现存油不足一格时,应立即加油,不得出车时才临时去加油。
3、司机发现所驾车辆有故障时要立即检修。
不会检修的,应立即报告负责人,并提出具体的维修意见(包括维修项目和大致需要的经费等)。
未经批准,不许私自将车辆送厂维修,违者费用不予报销. 4、出车在外或停放车辆,一定要注意选取停放地点和位置,不能在不准停车的路段或危险地段停车.司机离开车辆时,要锁好保险锁,防止车辆被盗。
出车归来车辆停放车在指定位置,钥匙及行驶证交给办公室。
不准私自用车。
5、司机对自己所开车辆的各种证件的有效性应经常检查,出车时一定保证证件齐全,不准开疲劳车,不准酒后驾车。
6、司机酒后驾车或私自用车造成的一切违章或交通事故后果均由司机本人承担,并给予行政处罚.7、司机驾车一定要遵守交通规则,文明开车,不准危险驾车(包括高速、追尾、争道、赛车等)。
对于旁人包括公司领导的指令,司机认为不能做到的,可以提出异议,请求变更指令.行车途中如发生交通事故,能适用快速处理的,应采用快速处理方式解决;如必须现场处理,应当立即报警待处,不得逃离现场。
如因违反交通规则而发生事故的,司机应承担全部后果和责任.8、司机因违章或证件不全被罚款的不予报销。
违章造成事故的由当事司机承担责任和后果。
9、司机因违章或酒驾发生的交通事故,由保险公司承担相应的赔偿款,如果赔偿金额超过实际赔偿金额,超过部分由司机承担;司机如按规行驶及停车发生的交通事故,赔偿款由保险公司承担,如果赔偿金额超过实际赔偿金额,超过部分由公司承担。
10、一年以内累计发生三次以上交通事故或因为交通事故给公司造成公司十万元以上经济损失的, 司机必须自动离职,否则公司有权解除其劳动合同关系.责任人签字:年月日。
深圳光汇石油海运有限公司油罐车出车前检查表编号:HLYS-YS25日期月日机动车号挂车牌号司机班次一.整车状况1 刹车□ 6 底阀□11 机油□16 车辆有无碰损□2 冷却水□7 API □12 雨刮器□17 漆面是否完好□3 燃油□8 气控开关□13 电气喇叭□18 仪表指示□4 灯光□9 油品指示器□14 后视镜□19 清洁□5 车下有无漏液□10 拖挂联接□15 倒车喇叭□20 撑脚收起□二、罐车状况1 车罐连接状况□3有无变形刮伤□ 5 号牌完好□2 阀门状态□4备用软管□三、安全状况1 安全带状况□ 5 警示标识□9 阻车块□2 静电导引装置□ 6 灭火器□排气管阻火器□3 安全警示筒□7 危险标志牌□反光背心□4 急救箱□8 防爆电筒□地线夹□四、工具1 油管□ 4 变径接头□8 3—25阴端□2 油管盖□ 5 不锈钢滤网□3—25阳端□3 油管塞□ 6 3—3阴端接头□吸油棉□3试水试油膏□7 随车工具□五、灯光1 车头大灯□ 4 刹车灯□7 仪表灯□2 车头转向灯□ 5 倒车灯□8 室内工作灯□3 车尾转向灯□ 6 防雾灯□9 危险三角灯□六、轮胎1 备胎□ 3 花纹深度□ 5 轮胎石子清理□2 气压□ 4 胎体磨损□ 6 轮毂螺母□本人声明:本人已按公司规定的程序及要求全面检查了车辆并就发现的问题提交了维修工作单,本人对因检查疏忽而造成的损失承担责任!检查人:审核:维修工作单号码:注:√完好▲存在问题但不影响下次出车●需要立即维修后方可下次出车ⅹ下次不能出车《深圳光汇石油海运有限公司油罐车出车前检查表》(HLYS-YS25)填表说明及要求1.本表由司机在油罐车出车进行检查时填写。
2.本表每次出车填写一份,如有重要异常事项应向车队长或部门经理报告。
3.车号:填写车号。
4.日期:填写检查日期。
5.车辆状况:填写机油、燃油、刹车等基本状况。
6.罐车状况:填写车罐连接等情况。
7.安全状况:填写安全带,警示标志等情况。