能耗、单耗-各行业-国家标准模型统计
- 格式:xls
- 大小:31.50 KB
- 文档页数:9
能耗指标的计算:节能量(吨标煤)计算公式:1、按产值能耗计算:万元工业总产值综合能耗=(上年度万元工业总产值综合能耗-本年度万元工业总产值综合能耗)×本年度工业总产值2、按工业增加值能耗计算:万元增加值综合能耗=(上年度万元增加值综合能耗-本年度万元增加值综合能耗)×本年度工业增加值3、按产品单耗计算:吨产品综合能耗=(上年度吨产品综合能耗-本年度吨产品综合能耗)×本年度产品产量4、重点用能企业能耗、水耗统计汇总表时注意:重复用水量=(总取水量-消耗水量)×总循环次数;计算单位:立方米5、节能量的计算:企业去年总产量(如是56000吨),综合能耗(如是22400吨);今年总产量(如是78000吨),综合能耗(如是29640吨),节能量是多少?本年度企业节能量=(去年企业综合能耗/去年企业总产量-本年度企业综合能耗/本年度企业总产量)×本年度企业总产量如:(22400/56000-29640/78000)x78000=1560吨(正数为节能)本年度企业节能量=(本年度企业综合能耗/本年度企业总产量-去年企业综合能耗/去年企业总产量)×本年度企业总产量如:(29640/78000-22400/56000)x78000=-1560吨(负数为节能)各种能源与标准煤的参考折标系数说明:1、以上除电力项目外,其余能源项目均为按燃料自身当量热值折算标准量。
2、标准煤的低位发热量为29271kJ(千焦)/kg(即7000千卡/公斤)。
说明:以上数据来源于原国家经委、国家统计局《1986年重点工业、交通运输企业能源统计报表制度》以上数据也来源于《中国能源统计年鉴2005》,但该书中“电力”的等价系数“按当年火电发电标准煤耗计算”。
其他产品折标准煤系数1kg 10.0MPa级蒸汽 = 0.131429 kg标煤1kg 3.5MPa级蒸汽 = 0.125714 kg标煤1kg 1.0MPa级蒸汽 = 0.108571 kg标煤1kg 0.3MPa级蒸汽 = 0.094286 kg标煤1kg 小于0.3MPa级蒸汽 = 0.078571 kg标煤1 吨新鲜水 = 0.2429 kg标煤1 吨循环水 = 0.1429 kg标煤1 吨软化水 = 0.3571 kg标煤1 吨除盐水 = 3.2857 kg标煤1 吨除氧水 =13.1429 kg标煤1 吨凝汽式蒸汽轮机凝结水 = 5.2143 kg标煤1 吨加热设备凝结水 = 10.9286 kg标煤说明:以上数据引自《国家统计局标准》和《炼油厂能量消耗计算方法》。
能耗指标的计算:节能量(吨标煤)计算公式:1、按产值能耗计算:万元工业总产值综合能耗 =(上年度万元工业总产值综合能耗-本年度万元工业总产值综合能耗)×本年度工业总产值2、按工业增加值能耗计算:万元增加值综合能耗 =(上年度万元增加值综合能耗-本年度万元增加值综合能耗)×本年度工业增加值3、按产品单耗计算:吨产品综合能耗 =(上年度吨产品综合能耗-本年度吨产品综合能耗)×本年度产品产量4、重点用能企业能耗、水耗统计汇总表时注意:重复用水量=(总取水量 -消耗水量)×总循环次数;计算单位:立方米5、节能量的计算:企业去年总产量(如是56000 吨),综合能耗(如是22400 吨);今年总产量(如是78000 吨),综合能耗(如是29640 吨),节能量是多少?本年度企业节能量=(去年企业综合能耗/去年企业总产量 -本年度企业综合能耗 /本年度企业总产量)×本年度企业总产量如: (22400/56000-29640/78000)x78000=1560吨(正数为节能)本年度企业节能量=(本年度企业综合能耗 /本年度企业总产量 -去年企业综合能耗 /去年企业总产量)×本年度企业总产量如: (29640/78000-22400/56000)x78000=-1560吨(负数为节能)各种能源与标准煤的参考折标系数名称参考折标系数(吨标煤)原煤(吨)0. 7143洗精煤(吨)0. 9000其他洗煤(吨)0. 2850型煤(吨)0. 6000焦碳(吨)0. 9714其他焦化产品(吨)1. 3000焦炉煤气(万立方米)6. 1430高炉煤气(万立方米)1. 2860其他煤气(万立方米)3. 5701天然气(万立方米)13. 300原油(吨)1. 4286汽油(吨)1. 4714煤油(吨)1. 4714柴油(吨)1. 4571燃料油(吨)1. 4286液化石油气(吨)1. 7143炼厂干气(吨)1. 5714其他石油制品(吨)1. 2000热力(百万千焦)0. 0341电力(万千瓦时)(当量值) 1.229(等价值) 4 .0400( 自备电厂电力折标系数采用本厂实际发电煤耗折算 )说明: 1、以上除电力项目外,其余能源项目均为按燃料自身当量热值折算标准量。
能源行业能源消耗评估标准一、引言能源消耗评估是一项重要的工作,它有助于衡量各行业的能源使用效率,并为能源规划和管理提供科学依据。
本文将介绍能源行业能源消耗评估的标准和规程,以指导能源行业的发展。
二、能源消耗评估的目的和意义能源消耗评估的目的是通过评估不同行业的能源消耗水平,找出存在的问题,并提出合理的改进方案,以提高能源利用效率。
这有助于推动清洁能源的发展,减少对传统能源的依赖,保护环境,实现可持续发展。
三、能源消耗评估的指标体系1. 能源消耗总量评估指标通过衡量能源消耗总量,比较不同行业、不同地区之间的差异,评估各行业的能源使用效率。
该指标可以反映一个行业的整体能源消耗水平。
2. 能源消耗强度评估指标能源消耗强度指能源消耗和国内生产总值之间的比值,它反映了单位产值所需的能源消耗水平。
通过计算能源消耗强度指标,可以评估不同行业的能源使用效率,发现能源消耗高的行业,采取相应的措施。
3. 能源消耗结构评估指标能源消耗结构指不同能源在总能源消耗量中所占的比例,如煤炭、石油、天然气、水力等。
评估能源消耗结构,有助于发现过度依赖某一种能源的行业,提倡多元化能源的使用。
四、能源消耗评估的方法和技术1. 统计数据分析法通过收集和分析历史能源消耗数据,可以了解一个行业的能源消耗趋势和规律,发现问题和改进方向。
这可以借助统计学和数据分析技术,对数据进行有效的处理和解读。
2. 能源消耗模型建立方法建立能源消耗模型,可以模拟不同情景下的能源消耗情况。
这可以通过建立数学模型,结合行业特点和能源消耗指标来实现。
模型的建立需要充分考虑行业的特点和实际情况,确保评估结果的准确性。
3. 现场调研和抽样调查法通过对实际工厂和企业的现场调研,直接了解其能源消耗情况和存在的问题。
抽样调查法可以在一定范围内进行样本调查,从而推断整个行业的能源消耗情况。
五、能源消耗评估的应用范围能源消耗评估的应用范围广泛,涵盖各个能源行业,如电力、石油化工、煤炭等。
能耗指标的计算:节能量(吨标煤)计算公式:1、按产值能耗计算:万元工业总产值综合能耗=(上年度万元工业总产值综合能耗-本年度万元工业总产值综合能耗)×本年度工业总产值2、按工业增加值能耗计算:万元增加值综合能耗=(上年度万元增加值综合能耗-本年度万元增加值综合能耗)×本年度工业增加值3、按产品单耗计算:吨产品综合能耗=(上年度吨产品综合能耗-本年度吨产品综合能耗)×本年度产品产量4、重点用能企业能耗、水耗统计汇总表时注意:重复用水量=(总取水量-消耗水量)×总循环次数;计算单位:立方米5、节能量的计算:企业去年总产量(如是56000吨),综合能耗(如是22400吨);今年总产量(如是78000吨),综合能耗(如是29640吨),节能量是多少?本年度企业节能量=(去年企业综合能耗/去年企业总产量-本年度企业综合能耗/本年度企业总产量)×本年度企业总产量如:(22400/56000-29640/78000)x78000=1560吨(正数为节能)本年度企业节能量=(本年度企业综合能耗/本年度企业总产量-去年企业综合能耗/去年企业总产量)×本年度企业总产量如:(29640/78000-22400/56000)x78000=-1560吨(负数为节能)各种能源与标准煤的参考折标系数说明:1、以上除电力项目外,其余能源项目均为按燃料自身当量热值折算标准量。
2、标准煤的低位发热量为29271kJ(千焦)/kg(即7000千卡/公斤)。
说明:以上数据来源于原国家经委、国家统计局《1986年重点工业、交通运输企业能源统计报表制度》以上数据也来源于《中国能源统计年鉴2005》,但该书中“电力”的等价系数“按当年火电发电标准煤耗计算”。
其他产品折标准煤系数1kg 10.0MPa级蒸汽 = 0.131429 kg标煤1kg 3.5MPa级蒸汽 = 0.125714 kg标煤1kg 1.0MPa级蒸汽 = 0.108571 kg标煤1kg 0.3MPa级蒸汽 = 0.094286 kg标煤1kg 小于0.3MPa级蒸汽 = 0.078571 kg标煤1 吨新鲜水 = 0.2429 kg标煤1 吨循环水 = 0.1429 kg标煤1 吨软化水 = 0.3571 kg标煤1 吨除盐水 = 3.2857 kg标煤1 吨除氧水 =13.1429 kg标煤1 吨凝汽式蒸汽轮机凝结水 = 5.2143 kg标煤1 吨加热设备凝结水 = 10.9286 kg标煤说明:以上数据引自《国家统计局标准》和《炼油厂能量消耗计算方法》。
能源行业能源消耗指标随着社会的进步和发展,能源问题日益凸显。
能源消耗是一个关系到国家经济发展和社会可持续发展的重要指标。
为了提高能源利用效率、减少能源浪费,各行业都应制定相应的规范、规程和标准,以引导和规范能源消耗行为。
本文将从工业、建筑、交通、农业和生活五个行业的角度,论述各行业的能源消耗指标。
一、工业行业的能源消耗指标工业是能源消耗的主要领域,对节能减排的要求更加迫切。
针对不同行业的特点、工艺和设备情况,工业行业应根据国家相关政策,制定科学合理的能源消耗指标。
1. 钢铁行业钢铁行业是能源消耗大户,特别是高炉炼铁工艺的能源消耗占比较高。
为了提高钢铁行业的能源利用效率,可以制定以下能源消耗指标:(1)钢铁企业能源消耗总量控制指标:根据企业规模、工艺流程和产品质量要求,制定相应的能源消耗总量控制指标,引导企业在生产过程中控制能源消耗。
(2)单位产品能耗指标:根据钢铁产品的品种和规格,确定单位产品能耗指标,促进企业提高能源利用效率,降低单位产品能耗。
2. 化工行业化工行业是能源消耗和排放较大的行业,对于降低化工生产过程中的能源消耗是一个重要课题。
可以制定以下能源消耗指标:(1)单位产值能耗指标:针对不同的化工产品,制定单位产值能耗指标,鼓励企业用先进的工艺技术和设备,降低能源消耗。
(2)产品能源综合利用率指标:引导企业在生产过程中提高产品能源综合利用率,降低产品的能源消耗水平。
二、建筑行业的能源消耗指标建筑行业是能源消耗的重要领域,建筑能耗占全社会能源消耗的比重较高。
为了推动建筑行业向绿色、低碳和可持续方向发展,可以制定以下能源消耗指标:1. 建筑能耗限额指标建筑能耗限额指标是根据建筑的类型和用途,制定相应的能耗限额,要求建筑达到或低于限额。
这可以通过建筑节能设计和智能化控制系统来实现。
2. 建筑节能评价指标建筑节能评价指标考虑建筑结构、保温、通风、采光等方面的节能要求,评估建筑的节能性能。
根据评价结果,为建筑行业制定相应的节能改造和提升措施。
能源行业能源利用效率评估标准一、概述能源是推动社会发展和经济增长的核心要素之一。
然而,过度的能源消耗对环境和可持续发展造成了巨大的压力。
因此,制定能源利用效率评估标准至关重要,以衡量能源的利用效率并提出改进措施,以实现更加可持续和高效的能源利用。
二、能源利用效率评估指标体系为了准确评估能源利用效率,需要建立一个全面而科学的指标体系。
以下提出一些基本的能源利用效率评估指标。
1. 总能耗总能耗是衡量一个行业或一个国家对能源的总需求量。
通过统计数据,可以计算出单位时间内的总能耗。
总能耗的增加通常反映着经济活动的规模和水平。
2. 能源消耗强度能源消耗强度是衡量单位产值所需要的能源量。
通过将总能耗与产值进行对比,可以评估一个行业或一个国家的能源利用效率。
能源消耗强度的降低表明能源利用效率的提高。
3. 单位产品能耗单位产品能耗是特定产品制造过程中所需的能源量。
通过将总能耗与产量、销售量或服务数量进行对比,可以计算单位产品能耗。
这可以帮助企业和政府监控和改进特定产品的能源利用效率。
4. 新能源比例新能源比例是指新能源在总能源中的占比。
新能源包括可再生能源、清洁能源等。
通过提高新能源比例,可以减少对传统化石燃料的依赖,实现能源的可持续利用。
5. 能源利用结构能源利用结构是指不同能源在总能源中的占比。
不同能源具有不同的能源利用效率。
通过合理调整能源利用结构,可以提高整体能源利用效率。
三、能源利用效率评估方法为了准确评估能源利用效率,需要确立科学的评估方法。
1. 数据统计和分析收集和分析能源消耗、产量、产值等数据,通过计算各项指标,以了解能源利用效率的现状和变化趋势。
2. 基准制定制定能源利用效率的基准,将能源消耗与基准进行对比,评估能源利用效率的偏离程度。
3. 国际对标与国际先进水平进行对比,了解自身能源利用效率的差距,借鉴和学习其他国家和地区先进的经验和做法。
4. 效率改进方案根据评估结果,提出相应的改进方案。
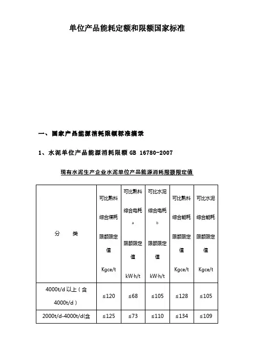
单位产品能耗定额和限额国家标准一、国家产品能源消耗限额标准摘录1、水泥单位产品能源消耗限额GB 16780-2007现有水泥生产企业水泥单位产品能源消耗限额限定值新建水泥生产企业水泥单位产品能源消耗限额准入值2、铜冶炼企业单位产品能源消耗限额GB21248-2007铜冶炼企业单位产品能源消耗限额限定值铜冶炼企业单位产品能源消耗限额准入值3、锌冶炼企业单位产品能源消耗限额GB21249-2007锌冶炼企业单位产品能源消耗限额限定值锌冶炼企业单位产品能源消耗限额准入值4、铅冶炼企业单位产品能源消耗限额GB21250-2007铅冶炼企业单位产品能源消耗限额限定值铅冶炼企业单位产品能源消耗限额准入值5、镍冶炼企业单位产品能源消耗限额GB21251-2007镍冶炼企业单位产品能源消耗限额限定值镍冶炼企业单位产品能源消耗限额准入值6、建筑卫生陶瓷单位产品能源消耗限额GB21252-2007产品能源消耗限额限定值建筑卫生陶瓷单位建筑卫生陶瓷单位产品能源消耗限额准入值7、粗钢生产要紧工序单位产品能源消耗限额GB21256-2007现有粗钢生产要紧工序单位产品能源消耗限额限定值新建粗钢生产要紧工序单位产品能源消耗限额准入值电力折标准煤系数当量值条件下[0.1229 kgce/(kW·h)]粗钢生产工序能耗限额参考值8、烧碱单位产品能源消耗限额GB21257-2007烧碱装置单位产品能源消耗限额限定值新建装置烧碱单位产品能源消耗限额准入值9、常规煤发电机组单位产品能源消耗限额GB21258-2007单位产品能耗限额限定值基础值新建机组单位产品能耗限额准入值※请参考《燃烧成分修正系数》、《当地气温修正系数》、《冷却方式修正系数》、《机组负荷修正系数》、《机组启停调峰修正系数》、《烟气脱硫修正系数》10、平板玻璃单位产品能源消耗限额GB21340-2008现有平板玻璃生产企业单位产品能耗限额限定值新建平板玻璃生产企业单位产品能耗限额准入值11、铁合金单位产品能源消耗限额GB21341-2008现有铁合金生产企业单位产品能耗限额限定值新建铁合金生产企业单位产品能耗限额准入值12、焦碳单位产品能源消耗限额GB21342-2008电力折标准煤系数为当量值时焦碳单位产品能耗限额参考值13、电石单位产品能源消耗限额GB21343-2008电石单位产品能源消耗限额14、合成氨单位产品能源消耗限额GB21344-2008合成氨生产企业单位产品能源消耗限额15、黄磷单位产品能源消耗限额GB21345-2008现有黄磷装置单位产品能耗限额限定值新建黄磷装置单位产品能耗限额准入值16、电解铝企业单位产品能源消耗限额GB21346-2008电解铝企业单位产品能源消耗限额17、镁冶炼企业单位产品能源消耗限额GB21347-2008镁冶炼企业单位产品能源消耗限额18、锡冶炼企业单位产品能源消耗限额GB21348-2008现有锡冶炼企业单位产品能源消耗限额限定值新建锡冶炼企业单位产品能源消耗限额准入值19、锑冶炼企业单位产品能源消耗限额GB21349-2008以硫化锑、硫氧混合锑精矿为原料的锑冶炼企业单位产品综合能耗限额限定值以硫化锑、硫氧混合锑精矿为原料的锑冶炼企业单位产品综合能耗限额准入值以脆硫铅锑精矿为原料的锑冶炼企业单位产品综合能耗限额限定值以脆硫铅锑精矿为原料的锑冶炼企业单位产品综合能耗限额准入值20、铜及铜合金管材单位产品能源消耗限额GB21350-2008现有铜及铜合金管材加工企业单位产品能耗限额限定值新建铜及铜合金管材加工企业单位产品能耗限额准入值21、铝合金建筑型材单位产品能源消耗限额GB21351-2008铝合金建筑型材生产企业单位产品能耗限额限定值新建铝合金建筑型材生产企业单位产品能耗限额准入值22、炭素单位产品能源消耗限额GB21370-2008石墨电极、炭电极与炭块单位产品综合能耗限额限定值石墨电极、炭电极与炭块单位产品综合能耗限额准入值炭素生产中焙烧与石墨化工序单位产品综合能耗限额限定值炭素生产中焙烧与石墨化工序单位产品综合能耗限额准入值23、铝电解用石墨质阴极炭块单位产品能源消耗限额 GB25324-2010现有铝电解用阴极炭块企业单位产品能耗限额限定值新建铝电解用阴极炭块企业单位产品能耗限额准入值24、铝电解用预焙阳极单位产品能源消耗限额GB-25325-2010现有铝电解用预焙阳极企业单位产品工序综合能耗限额限定值新建铝电解用预焙阳极企业单位产品工序综合能耗限额准入值25、铝及铝合金轧、拉制管、棒材单位产品能源消耗限额 GB 25326-2010现有轧、拉制管材与轧、拉制棒材生产企业单位产品能耗限额限定值新建轧、拉制管材与轧、拉制棒材生产企业单位产品能耗限额准入值26、氧化铝企业单位产品能源消耗限额 GB 25327-2010 (2012年3月1日实施)现有氧化铝企业单位产品能耗限额限定值新建氧化铝企业单位产品能耗限额准入值27、再生铅单位产品能源消耗限额 GB 25323-2010现有再生铅冶炼企业单位产品能耗限额限定值新建再生铅冶炼企业单位产品能耗限额准入值二、江苏省产品能源消耗限额标准摘录1、水泥单位产品能源消耗限额DB32/1364-2009现有水泥企业水泥单位产品能源消耗限额限定值新建水泥生产企业水泥单位产品能源消耗限额准入值2、烧碱单位产品能源消耗限额DB32/1369-2009现有烧碱装置单位产品能源消耗限额3、合成氨单位产品能源消耗限额DB32/1592-2010现有合成氨生产企业单位产品能源消耗限额4、吨钢可比能耗与电炉钢冶炼电耗限额DB32/1603-2010电炉钢冶炼电耗及吨钢可比能耗限额指标三、江苏省要紧耗能产品单位能耗定额与限额(苏经贸环资[2005]825号文件)。
能源消耗统计指标能源消耗统计指标是衡量各行业能源利用效率的重要工具。
通过对各行业的能源消耗情况进行统计分析,可以为制定能源管理政策和改进能源利用提供科学依据。
本文将从各个行业的角度出发,探讨能源消耗统计指标的应用和意义。
一、能源消耗统计指标在工业领域的应用1. 生产能耗率:生产能耗率是衡量企业生产过程中所消耗的能源与实际产品产量之间的比值。
通过确定生产能耗率,企业可以评估能源利用的效率,进而采取相应的措施降低能源消耗水平,提高生产效率。
2. 能源强度:能源强度是指单位国内生产总值所对应的能源消耗量。
衡量能源强度的大小可以反映国家或地区的能源利用效率。
通过对能源强度的统计,政府可以对不同行业的能源利用情况进行比较和评估,从而有针对性地制定能源管理政策。
3. 能源消耗结构:能源消耗结构是指不同能源在总能源消耗中所占的比例。
各行业不同的能源消耗结构反映了能源利用的差异性。
通过对能源消耗结构的统计分析,可以发现存在的问题,为能源结构调整提供科学依据。
二、能源消耗统计指标在建筑领域的应用1. 建筑能耗指数:建筑能耗指数是指建筑单位面积能源消耗量。
通过统计不同建筑的能耗指数,可以评估建筑节能水平,为未来的建筑设计和改造提供参考。
2. 采暖能耗比:采暖能耗比是指冬季采暖期间单位建筑面积采暖所消耗的能源量。
衡量采暖能耗比的大小可以反映建筑的保温性能和采暖系统的高效性。
通过采暖能耗比的统计,可以发现低效建筑和采暖系统,为节能改造提供目标和方向。
3. 建筑用能结构:建筑用能结构是指建筑中不同用途的能源消耗比例。
通过统计建筑用能结构,可以了解各个功能区域的能源消耗情况,为优化建筑设计和能源管理提供依据。
三、能源消耗统计指标在交通运输领域的应用1. 能源消耗效率:能源消耗效率是指交通运输过程中所消耗的能源与运输任务之间的比值。
通过对能源消耗效率的统计分析,可以评估不同交通工具和交通方式的能源利用效率,为交通运输的能源管理和规划提供参考。
工业企业单位产品能源消耗指标计算方法(按统计局的统计口径计算)【选煤电力单耗】(千瓦时/吨)=100×选煤生产过程耗电量(万千瓦时)/入选原煤量(吨)分子项:选煤生产过程耗电量按电业部门结算的电量计算,不包括选煤厂向外转供电量,以及与选煤生产无直接关系的各种用电量(如居民生活用电、基建工程用电、文化福利设施用电等)。
分母项:入选原煤量指从入厂毛煤中拣出的不计原煤产量的大块(一般指50毫米以上)矸石后进入选煤过程,进行加工处理的原煤量。
无机碱制造(2612)【单位烧碱生产综合能耗】(千克标准煤/吨)=1000×液体烧碱综合能源消耗量(吨标准煤)/液体烧碱产量(折100%)(吨)分子项:烧碱综合能源消耗量是指用于烧碱生产的各种能源折标准煤后的总和。
包括烧碱生产工艺系统耗能量和为烧碱生产服务的辅助系统和附属生产系统耗能量。
烧碱生产系统耗能量的统计范围,从原料投入开始,包括盐水制备、整流、电解、蒸发、蒸煮至成品烧碱包装入库为止的所有工艺用的电解用交流电、动力用电、蒸汽、油、煤等实际消耗量。
烧碱生产的辅助和附属系统耗能量的统计范围包括:电槽修理、阳极组装、石棉绒回收、炭极加工、以及车间检修、车间分析、车间办公室、休息室、更衣室等各种耗能量。
分母项:烧碱产量折成100%计算。
氢氧化钠(烧碱)(折100%)包括由盐水电解法或由纯碱(或天然碱)苛化法生产的液体氢氧化钠。
也包括氢气干燥和本企业其他产品自用的合格烧碱。
不同方法生产的各种烧碱,经检验符合国家标准(GB209-93),方可统计产量。
产量中不包括在使用烧碱过程中回收的烧碱和生产烧碱过程中自用的电解碱液、浓缩碱液、回收盐液中的含碱量。
企业填报烧碱产量,应将不同的生产方法(水银法、隔膜法、离子膜法、苛化法)生产的液碱折成100%计算产量。
【单位烧碱生产耗交流电】(千瓦小时/吨)=100×交流电消耗量(万千瓦时)/液体烧碱(100%)产量(吨)分子项:交流电消耗量以电业局安装的直流耗交流电度表为准。
工业企业单位产品能源消耗指标计算方法(按统计局的统计口径计算)【选煤电力单耗】(千瓦时/吨)=100×选煤生产过程耗电量(万千瓦时)/入选原煤量(吨)分子项:选煤生产过程耗电量按电业部门结算的电量计算,不包括选煤厂向外转供电量,以及与选煤生产无直接关系的各种用电量(如居民生活用电、基建工程用电、文化福利设施用电等)。
分母项:入选原煤量指从入厂毛煤中拣出的不计原煤产量的大块(一般指50毫米以上)矸石后进入选煤过程,进行加工处理的原煤量。
无机碱制造(2612)【单位烧碱生产综合能耗】(千克标准煤/吨)=1000×液体烧碱综合能源消耗量(吨标准煤)/液体烧碱产量(折100%)(吨)分子项:烧碱综合能源消耗量是指用于烧碱生产的各种能源折标准煤后的总和。
包括烧碱生产工艺系统耗能量和为烧碱生产服务的辅助系统和附属生产系统耗能量。
烧碱生产系统耗能量的统计范围,从原料投入开始,包括盐水制备、整流、电解、蒸发、蒸煮至成品烧碱包装入库为止的所有工艺用的电解用交流电、动力用电、蒸汽、油、煤等实际消耗量。
烧碱生产的辅助和附属系统耗能量的统计范围包括:电槽修理、阳极组装、石棉绒回收、炭极加工、以及车间检修、车间分析、车间办公室、休息室、更衣室等各种耗能量。
分母项:烧碱产量折成100%计算。
氢氧化钠(烧碱)(折100%)包括由盐水电解法或由纯碱(或天然碱)苛化法生产的液体氢氧化钠。
也包括氢气干燥和本企业其他产品自用的合格烧碱。
不同方法生产的各种烧碱,经检验符合国家标准(GB209-93),方可统计产量。
产量中不包括在使用烧碱过程中回收的烧碱和生产烧碱过程中自用的电解碱液、浓缩碱液、回收盐液中的含碱量。
企业填报烧碱产量,应将不同的生产方法(水银法、隔膜法、离子膜法、苛化法)生产的液碱折成100%计算产量。
【单位烧碱生产耗交流电】(千瓦小时/吨)=100×交流电消耗量(万千瓦时)/液体烧碱(100%)产量(吨)分子项:交流电消耗量以电业局安装的直流耗交流电度表为准。
能耗指标的计算:节能量(吨标煤)计算公式:1、按产值能耗计算:万元工业总产值综合能耗=(上年度万元工业总产值综合能耗-本年度万元工业总产值综合能耗)×本年度工业总产值2、按工业增加值能耗计算:万元增加值综合能耗=(上年度万元增加值综合能耗-本年度万元增加值综合能耗)×本年度工业增加值3、按产品单耗计算:吨产品综合能耗=(上年度吨产品综合能耗-本年度吨产品综合能耗)×本年度产品产量4、重点用能企业能耗、水耗统计汇总表时注意:重复用水量=(总取水量-消耗水量)×总循环次数;计算单位:立方米5、节能量的计算:企业去年总产量(如是56000吨),综合能耗(如是22400吨);今年总产量(如是78000吨),综合能耗(如是29640吨),节能量是多少?本年度企业节能量=(去年企业综合能耗/去年企业总产量-本年度企业综合能耗/本年度企业总产量)×本年度企业总产量如:(22400/56000-29640/78000)x78000=1560吨(正数为节能)本年度企业节能量=(本年度企业综合能耗/本年度企业总产量-去年企业综合能耗/去年企业总产量)×本年度企业总产量如:(29640/78000-22400/56000)x78000=-1560吨(负数为节能)各种能源与标准煤的参考折标系数说明:1、以上除电力项目外,其余能源项目均为按燃料自身当量热值折算标准量。
2、标准煤的低位发热量为29271kJ(千焦)/kg(即7000千卡/公斤)。
各种能源参考热值及折标准煤系数表说明:以上数据来源于原国家经委、国家统计局《1986年重点工业、交通运输企业能源统计报表制度》以上数据也来源于《中国能源统计年鉴2005》,但该书中“电力”的等价系数“按当年火电发电标准煤耗计算”。
其他产品折标准煤系数1kg 10.0MPa级蒸汽 = 0.131429 kg标煤1kg 3.5MPa级蒸汽 = 0.125714 kg标煤1kg 1.0MPa级蒸汽 = 0.108571 kg标煤1kg 0.3MPa级蒸汽 = 0.094286 kg标煤1kg 小于0.3MPa级蒸汽 = 0.078571 kg标煤1 吨新鲜水 = 0.2429 kg标煤1 吨循环水 = 0.1429 kg标煤1 吨软化水 = 0.3571 kg标煤1 吨除盐水 = 3.2857 kg标煤1 吨除氧水 =13.1429 kg标煤1 吨凝汽式蒸汽轮机凝结水 = 5.2143 kg标煤1 吨加热设备凝结水 = 10.9286 kg标煤说明:以上数据引自《国家统计局标准》和《炼油厂能量消耗计算方法》。
能耗指标体系的分类钢铁企业能耗指标主要有吨钢综合能耗、吨钢可比能耗、主要产品的工序能耗、主要产品的实物单耗(如炼铁焦比、炼焦煤耗等)以及产值能耗、增加值能耗等等。
能源分析评价指标中,包括企业内部能源加工转换指标和企业损失指标。
按钢铁企业能耗经济技术指标体系可分为:(1)企业级能源技术经济指标:如吨钢综合能耗、万元产值能耗、吨钢耗新水、吨钢电耗、损失率等。
(2)工序级能源技术经济指标:如炼钢工序能耗、炼铁工序能耗等。
(3)耗能设备级能源技术经济指标:加热炉燃耗、高炉焦比、制氧机电耗等。
按钢铁企业能效对标指南中能耗指标体系可分为:(1)综合性指标:如企业级能源消耗总量、工序级能源消耗总量、各类能源介质消耗总量、企业能源亏损量等指标。
(2)单耗性指标:如吨钢综合能耗、企业吨钢可比能耗、工序单位产品能耗。
(3)经济性指标:万元产值能耗、万元增加值能耗等。
2.能耗指标的范围及计算钢铁制造流程是由多个不同的生产工序组成的,前一道工序的产品为下一道工序的原料,这是钢铁工业的特点,由于其复杂性,因此,统计范围和指标定义必须规范,以便于对标,找出节能潜力,提升企业效益。
(1)吨钢综合能耗范围及计算综合能耗是规定的耗能体系在一段时间内实际消耗的各种能源实物量按规定的计算方法和单位分别折算为标准煤后的总和。
吨钢综合能耗(comprehensive energy consumption ):吨钢综合能耗是企业生产每吨粗钢所综合消耗的各种能源自耗总量;也就是每生产一吨钢,企业消耗的净能源量。
其计算公式为:吨钢综合能耗=企业钢产量企业自耗能源量(吨标准煤/吨钢,千克标准煤/吨;tce/t ,kgce/t )式中,企业自耗能源量即报告期内企业自耗的全部能源量。
统计上报按企业全部耗能量。
企业自耗能源量= 企业购入能源量 ± 库存能源增减量 - 外销能源量= 企业各部位耗能量之和 + 企业能源亏损量作为行业对标,吨钢综合能耗的统计范围可按照企业生产流程的主体生产工序(包括原料储存、焦化、烧结、球团、炼铁、炼钢、连铸、轧钢、自备电厂、制氧等动力厂)、厂内运输、燃料加工及输送、企业亏损等消耗能源总量,不包括矿石的采、选工序,也不包含炭素、耐火材料、机修、石灰、精制及铁合金等非钢生产工序的能源消耗量。