设备基础计算书
- 格式:docx
- 大小:11.26 KB
- 文档页数:2
解放军第八五医院新建病房综合楼工程TC6515型塔式起重机基础施工方案施工单位:中夏建设集团编制单位:上海颐东机械施工工程有限公司日期:2010.11.22版次:专家评审后修改版塔式起重机安拆施工方案审批表TC6515塔吊基础的计算书1工程概况解放军第八五医院新建病房综合楼工程位于上海市长宁区1328号。
因工程建设需要欲安装一台TC6515塔机。
本塔机最大独立高度为60米,初始安装高度50米。
塔机的基础为混凝土承台+格构柱+灌注桩的形式。
塔机混凝土承台尺寸为6500×6500×1400,承台面标高为-2.4米,混凝土型号不低于C35,配筋为纵横各不小于35根直径25的螺纹钢;格构柱截面尺寸为430×430,主肢为L180×180×18,缀板400×20×10@600,最大悬高9.35米,格构柱插入承台尺寸为600,插入灌注桩尺寸为3000;灌注桩为4根¢800的灌注桩,桩间距为4300,混凝土型号为C35,桩长33.85米,桩底标高为-45.6米。
2编制依据2.1《建筑施工塔式起重机安装、使用、拆卸安全技术规范》JGJ196-20102.2《钢结构设计规范》GB50017-20032.3《建筑桩基技术规范》JGJ94-20082.4《塔式起重机混凝土基础工程技术规范》JGJ/T187-20092.5《混凝土结构设计规范》GB50010-20023施工注意事项3.1钻孔灌注桩强度等级为C35,(按《建筑机械使用安全规程JGJ33-2001中4.4.2条规定》,其施工时严格按照规范要求施工,超灌部分在地下室底板范围内,地下室施工时,需将钢构柱内的砼凿除干净后,在各格构柱的角钢上焊接钢板止水片。
3.2钢格构柱与灌注桩的搭接长度为3m,要求与钢筋笼主筋焊接,在下钢筋笼时,应严格控制四根钢格构柱的方向成正方形布置,以保证其外围槽钢加固杆的焊接。
TC6515塔吊桩基础的计算书最终解放军第八五医院新建病房综合楼工程TC6515型塔式起重机基础施工方案施工单位:中夏建设集团编制单位:上海颐东机械施工工程有限公司日期:2010.11.22版次:专家评审后修改版塔式起重机安拆施工方案审批表工程名称解放军第八五医院新建病房综合楼工程工程地点上海市长宁区使用单位中夏建设集团塔吊型号TC6515 生产厂家长沙中联统一编号塔式起重机基本技术参数标准节数量起重臂长度附墙数量安装方式整机功率40 60 4 附着70Kw编制年月日审核安全质量部年月日技术部年月日设备物资部年月日审批总师室年月日TC6515塔吊基础的计算书1工程概况解放军第八五医院新建病房综合楼工程位于上海市长宁区1328号。
因工程建设需要欲安装一台TC6515塔机。
本塔机最大独立高度为60米,初始安装高度50米。
塔机的基础为混凝土承台+格构柱+灌注桩的形式。
塔机混凝土承台尺寸为6500×6500×1400,承台面标高为-2.4米,混凝土型号不低于C35,配筋为纵横各不小于35根直径25的螺纹钢;格构柱截面尺寸为430×430,主肢为L180×180×18,缀板400×20×10@600,最大悬高9.35米,格构柱插入承台尺寸为600,插入灌注桩尺寸为3000;灌注桩为4根¢800的灌注桩,桩间距为4300,混凝土型号为C35,桩长33.85米,桩底标高为-45.6米。
2编制依据2.1《建筑施工塔式起重机安装、使用、拆卸安全技术规范》JGJ196-20102.2《钢结构设计规范》GB50017-20032.3《建筑桩基技术规范》JGJ94-20082.4《塔式起重机混凝土基础工程技术规范》JGJ/T187-20092.5《混凝土结构设计规范》GB50010-20023施工注意事项3.1钻孔灌注桩强度等级为C35,(按《建筑机械使用安全规程JGJ33-2001中4.4.2条规定》,其施工时严格按照规范要求施工,超灌部分在地下室底板范围内,地下室施工时,需将钢构柱内的砼凿除干净后,在各格构柱的角钢上焊接钢板止水片。
自平衡架桥机计算书一、引言随着我国基础设施建设的不断推进,桥梁建设成为了重中之重。
自平衡架桥机作为一种新型桥梁施工设备,以其高效、安全、环保等特点在桥梁建设中发挥着重要作用。
本文将从工作原理、性能参数、操作与控制、应用领域、发展现状与展望等方面对自平衡架桥机进行详细介绍。
二、自平衡架桥机的工作原理1.概述自平衡架桥机是一种采用自行走、自行平衡的架桥设备,能够在狭窄的施工现场完成桥梁的架设任务。
其主要部件包括主机、平衡系统、行走系统、操控系统等。
2.主要部件及其功能(1)主机:承担桥梁架设任务,通过液压系统驱动两侧行走轮实现自行走功能。
(2)平衡系统:保证架桥机在行驶过程中保持稳定,防止侧翻。
(3)行走系统:实现架桥机在不同场地的快速移动。
(4)操控系统:控制架桥机的行驶、架设、刹车等动作。
三、自平衡架桥机的性能参数1.技术指标自平衡架桥机的技术指标包括:最大架设高度、最大跨度、载荷能力、行驶速度等。
2.参数解析(1)最大架设高度:表示架桥机能够架设的桥梁最高高度。
(2)最大跨度:表示架桥机能够架设的桥梁最大跨度。
(3)载荷能力:表示架桥机在行驶过程中能够承受的最大荷载。
(4)行驶速度:表示架桥机在平坦路面的行驶速度。
四、自平衡架桥机的操作与控制1.操作流程(1)开机前检查:检查架桥机各部件是否完好,液压系统是否正常。
(2)开机:按下启动按钮,启动架桥机。
(3)行驶:根据现场情况,通过操控系统控制架桥机行驶。
(4)架设:到达预定位置后,通过操控系统控制架桥机进行架设。
(5)完成架设:架设完成后,按下停止按钮,关闭架桥机。
2.安全措施(1)操作人员须持证上岗,熟悉架桥机的操作与控制。
(2)作业现场应设立安全警戒线,禁止非作业人员进入。
(3)定期检查架桥机各部件,发现问题及时排除。
五、自平衡架桥机的应用领域1.适用场景自平衡架桥机适用于高速铁路、高速公路、城市轨道交通等桥梁建设领域。
2.优势体现(1)高效:自平衡架桥机能够实现快速架设,提高施工效率。
设备基础计算书1.计算依据《动力机器基础设计规范》(GB50040-96)《建筑地基基础设计规范》(GB50007-2002)《混凝土结构设计规范》(GB50010-2010)《重载地面、轨道及特殊楼地面》(06J305)《动力机器基础设计手册》(中国建筑工业出版社)2.工程概况设备静载按G1=10t/m2=100KN/m2;地基承载力特征值fa=180kPa;采用C30混凝土,设备基础高度250mm,钢筋采用I级钢(HPB300)根据所提资料计算160T冲床设备基础的承载力计算,设备基础根据设备脚架尺寸每边向外扩300mm进行计算。
160T冲床设备基础示意图如下图所示设备基础示意图3.计算过程3.1 设备基础正截面受压承载力计算(根据GB50010-2010中6.2.15)0.9*fc*A=0.9*14.3*1000000*A=12.87*106AN=1.35*G1*A =1.35*105*A<0.9*fcA即设备基础正截面受压满足要求3.2设备基础正截面受弯承载力计算(仅计算长度方向,取土重度gma=20kN/m3,混凝土保护层厚度取30mm)pk=G1+G2=1.0*105 +25*1000*0.25=106.25kPa单位宽度基地净反力p=1.35*( G1+G2-gma*h)=1.35*(106.25*103-20*103*0.25)=136.7KN/m计算可得最大正弯矩为M=32.02kN.m,支座最大负弯矩为M=-14.78kN.m 根据(GB50010-2010中6.2.10)计算可得基础底面计算配筋面积As1=565mm2基础顶面计算配筋面积As2=258mm2根据(GB50010-2010)取最小配筋率ρmin= 0. 2%最小配筋面积为Asmin=0.2%*1000*250=500 mm2基础顶部和底部可配12200(As=565mm2)3.3地脚螺栓抗倾覆验算(每个设备基础共四个地脚螺栓孔)取每个地脚的上拔力设计值q1=0.1* 1.35*(G1+G2)* A=0.1*1.35*106.25*2.585*1.9=70.45kN倾覆力矩MS=q1*1.655=116.6kN.m有设备基础的大小可知抗倾覆力矩MR=1.35*(G1+G2)*0.5*2.585=185.4 kN.m>MS由此可知抗倾覆满足要求3.4地基承载力验算(根据GB50040-96中3.2.1)pk=G1+G2=1.0*105 +25*1000*0.25=106.25kPa<0.8fa=144kPapkmax= G1+G2+M/Wpkmin= G1+G2-M/W每个地脚的上拔力标准值q1k=0.1*(G1+G2)* A=0.1*106.25*2.585*1.9=52.2kN|Mxk|=q1k*1.655=52.2*1.655=86.4kN.m|Myk|=q1k*1.18=52.2*1.18=61.6kN.mWy=1/6*2.585*1.9*1.9=1.56m3Wx=1/6*1.9*2.585*2.585=2.12 m3|Mxk|/Wx=40.8kPa|Myk|/Wy=39.5kPa取M/W=40.8kPa由此可得pkmax=147.05kPa <1.2fa=216kPapkmin=65.45kPa满足地基承载力要求4.地面做法(详见CAD图纸)。
附件一1 预制梁场龙门吊计算书1.1工程概况1.1.1工程简介本项目预制梁板形式多样,分别为预制箱梁、空心板及T梁,其中最重的是30m 组合箱梁中的边梁,一片重达105t。
预制梁场拟采用两台起吊能力为100t的龙门吊用于预制梁的出槽,其龙门吊轨道之间跨距为36.7m。
1.1.2地质情况预制梁场基底为粉质粘土。
查《路桥施工计算手册》中碎石土的变形模量E0=29~65MPa,粉质粘土16~39MPa,考虑最不利工况,统一取粉质粘土的变形莫量E0=16 MPa。
临建用地经现场动力触探测得实际地基承载力大于160kpa。
1.2基础设计及受力分析1.2.1龙门吊轨道基础设计龙门吊轨道基础采用倒T型C30混凝土条形基础,基础底部宽80cm,上部宽40cm。
每隔10m设置一道2cm宽的沉降缝。
基础底部采用8根Φ16钢筋作为纵向受拉主筋,顶部放置4根Φ12钢筋作为抗负弯矩主筋,每隔40cm设置一道环形箍筋。
,箍筋采用HPB235Φ10mm光圆钢筋,箍筋间距为40cm,具体尺寸如图1.2.1-1、1.2.1-2所示。
图1.2.1-1 龙门吊轨道基础设计图图1.2.2-2 龙门吊轨道基础配筋图1.2.2受力分析梁场龙门吊属于室外作业,当风力较大或降雨时候应停止施工。
当起吊最重梁板(105t)且梁板位于最靠近轨道位置台座的时候为最不利工况。
图1.2-1 最不利工况所处位置单个龙门吊自重按G1=70T估算,梁板最重G2=105t。
起吊最重梁板时单个天车所受集中荷载为P,龙门吊自重均布荷载为q。
P=G1/2=105×9.8/2=514.5KN (1-1)q=G2/L=70×9.8/42=16.3KN/m (1-2)当处于最不利工况时单个龙门吊受力简图如下:`图1.2-3 龙门吊受力示意图龙门吊竖向受力平衡可得到:N1+N2=q×L+P (1-3)取龙门吊左侧支腿为支点,力矩平衡得到:N2×L=q×L×0.5L+P×3.5 (1-4)由公式(1-3)(1-4)可求得N1=869.4KN,N2=331.1KN龙门吊单边支腿按两个车轮考虑,两个车轮之间距离为6m,对受力较大支腿进行分析,受力简图如下所示:图1.2-4 支腿单车轮受力示意图受力较大的单边支腿竖向受力平衡可得N1=N+N (1-5)由公式(1-5)得出在最不利工况下,龙门吊单个车轮所受最大竖向应力为N=434.7KN1.3建模计算1.3.1力学模型简化对龙门吊轨道基础进行力学简化,基础内力计算按弹性地基梁计算,用有限元软件Midas Civil2015进行模拟计算。
解放军第八五医院新建病房综合楼工程TC6515型塔式起重机基础施工方案施工单位:中夏建设集团编制单位:颐东机械施工工程日期:2010.11.22版次:专家评审后修改版塔式起重机安拆施工方案审批表TC6515塔吊基础的计算书1工程概况解放军第八五医院新建病房综合楼工程位于市长宁区1328号。
因工程建设需要欲安装一台TC6515塔机。
本塔机最大独立高度为60米,初始安装高度50米。
塔机的基础为混凝土承台+格构柱+灌注桩的形式。
塔机混凝土承台尺寸为6500×6500×1400,承台面标高为-2.4米,混凝土型号不低于C35,配筋为纵横各不小于35根直径25的螺纹钢;格构柱截面尺寸为430×430,主肢为L180×180×18,缀板400×20×10@600,最大悬高9.35米,格构柱插入承台尺寸为600,插入灌注桩尺寸为3000;灌注桩为4根¢800的灌注桩,桩间距为4300,混凝土型号为C35,桩长33.85米,桩底标高为-45.6米。
2编制依据2.1《建筑施工塔式起重机安装、使用、拆卸安全技术规》JGJ196-20102.2《钢结构设计规》GB50017-20032.3《建筑桩基技术规》JGJ94-20082.4《塔式起重机混凝土基础工程技术规》JGJ/T187-20092.5《混凝土结构设计规》GB50010-20023施工注意事项3.1钻孔灌注桩强度等级为C35,(按《建筑机械使用安全规程JGJ33-2001中4.4.2条规定》,其施工时严格按照规要求施工,超灌部分在地下室底板围,地下室施工时,需将钢构柱的砼凿除干净后,在各格构柱的角钢上焊接钢板止水片。
3.2钢格构柱与灌注桩的搭接长度为3m,要求与钢筋笼主筋焊接,在下钢筋笼时,应严格控制四根钢格构柱的方向成正方形布置,以保证其外围槽钢加固杆的焊接。
3.3格构柱的主肢全长为11.55米,使用整长为12米的角钢焊接而成,不允许中间对接。
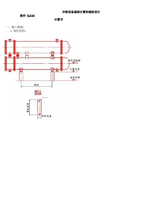
冷换设备基础计算机辅助设计软件 ExCAD计算书一、输入数据:1.委托资料:换热器总重:18000 k g管束重:7700 k g充水重:7200 k g保温材料重1000 k g平台梯子重:800 k g管道自重6000 k g管道充水重0 k g管道保温材料重0 k g管道介质重0 k g换热器内介质重6500 k g跨度3800 m m地面标高0 m支墩标高 1.3 m下层换热器标高 2.076 m两台换热器间距0 m m滑板长度1020 m m滑板宽度190 m m滑板厚度8 m m螺栓数量 2 个螺栓直径20 m m2.结构数据:基底标高:-1.2 m地基承载力设计值:180 k N/m2操作平台可变荷载:0 k N混凝土标号:C20钢筋等级:HRB335设备与基础支撑面上的摩擦系数:0.3二、计算结果:1.基础形式基础型式:分离式基础mm 底板长度:2100.00mm 底板宽度:1100.00mm 底板厚度:400.00mm 支墩长度:1100.00mm 支墩宽度:300.00kN/m2修正后的地基承载力特征值:222.002.地基载力计算:(荷载标准组合)正常生产kN 垂直力:227.67kN·m 弯矩:121.13kN/m2基础最大反力:266.38kN/m2基础最小反力:0.00停产检修(N最大):垂直力:210.89kNkN·m 弯矩:96.25基础最大反力:215.32kN/m2kN/m2基础最小反力:0.00停产检修(N最小):kN 垂直力:179.44kN·m 弯矩:96.25kN/m2基础最大反力:211.74基础最小反力:0.00kN/m23.基础底板计算:(荷载基本组合)正常生产垂直力:206.67kNkN·m 弯矩:145.35kN·m 底板最大弯矩:55.01kN/m 底板最大剪力:178.46停产检修(N最大):kN 垂直力:184.97kN·m 弯矩:105.88kN·m 底板最大弯矩:43.00kN/m 底板最大剪力:140.16停产检修(N最小):kN 垂直力:148.23kN·m 弯矩:105.88kN·m 底板最大弯矩:40.71kN/m 底板最大剪力:127.75底板配筋底板纵向受力钢筋:800.00mm2/m4.支墩计算:正常生产kN 垂直力:214.59kN·m 弯矩:122.09停产检修(N最大):垂直力:192.89kNkN·m 弯矩:88.94停产检修(N最小)kN 垂直力:154.83kN·m 弯矩:88.94支墩配筋mm2/m 垂直受力钢筋:660.00a)施工图c)概算冷换设备基础计算机辅助设计软件EXCAD定额标准:河南省序号定额代号项目名称工程量单位定额造价1 1-42 人工挖土方39.312 m39.3841 368.912 1-54 回填土35.480 m3 6.8064 241.493 1-57 运土方 3.832 m39.1136 34.924 5-14 混凝土垫层0.598 m326.3158 15.745 5-7 混凝土基础 3.234 m336.4241 117.806 合计778.85≥12mm钢筋24.428 k g<12mm钢筋120.968 k g钢板11.783 k g地脚螺栓13.180 k gd)三维模型卧式容器基础e)施工图球形储罐基础计算机辅助设计软件(SpCAD)计算书一、设备数据F2324设备编号罐外径Do 15780 m m保温厚度0 m m罐中心高H 9600 m拉杆顶到罐中心距离2500 m m罐体自重260000 k g充水水重2026300 k g保温结构重0 k g平台梯子重20000 k g支柱根数12 根柱中心圆直径Φ15700 度支柱布置方位角α15柱底脚板直径d 980内中心圆直径Φ1 15000 m m基外中心圆直径Φ2 16500 m m础数量 2螺直径24 m m栓露头长 h1 165 m m丝扣长 h2 165 m m介质重1021255 k g管道及附加重10000 k g地平标高 A 0 m m基础标高 B 1.2 m m支柱与建北向夹角β15二、土建数据基本风压值0.35 k N/m2地面粗糙度类别 B抗震设防烈度6度(0.05g) 设计地震分组第二组场地类别 2地基承载力特征值180 k N/m2地基土类别粉砂、细砂(不包括很湿与饱和时的稍密状态)岩土的名称和性状中密、稍密的碎石土,中密和稍密的砾、粗、中砂,密实和中密的细、粉砂,150≤fak<300的粘性土和粉土基础底面标高-2 m基础形式环形基础混凝土标号C20 钢筋等级HRB335箍筋等级HPB235基础以上地基土自重20 k N 基础以下地基土自重18 k N三、计算结果1.几何尺寸基础底板外环半径8950mm 基础底板内环半径6750mm底板外缘高度600mm 底板内缘高度800mm环梁宽度1200mm 环梁高度1000mm柱墩截面宽度1100mm 柱墩截面高度度1100mm 2.荷载组合项目标准组合基本组合准永久组合正常操作液压试验地震作用正常操作液压试验地震作用正常操作基础底面垂直力13548.2 23598.6 13548.2 16257.8 26292.0 16257.8 13548.2基础底面弯距559.1 231.6 4094.7 782.8 231.6 5886.1 0.03.地基反力修正后的地基承载力270 k N/m2基础土自重标准值4340.424 k N正常操作液压试验地震作用基础底面最大压力(kN/m2) 166.3 258.1 175.6 基础底面最小压力(kN/m2) 163.4 256.9 154.1 基础底面平均压力(kN/m2) 164.9 257.5 164.94.基础荷载效应基础底板顶面径向弯距0.000kN.m基础底板底面径向弯距-30.652kN.m基础底板顶面环向弯距731.968kN.m基础底板底面环向弯距-15.326kN.m基础底板最大剪力121.445kN5.环梁最大荷载效应环梁跨中弯距378.677kN.m 环梁最大剪力1098.175 kN 环梁支座弯距757.355kN.m 环梁最大扭矩39.514kN.m 6.支柱荷载效应项目最大竖向荷载最小竖向荷载N Vx Vy N Vx Vy 正常生产(kN) 1323.3 0.0 2.9 1299.2 0.0 2.9液压试验(kN) 2152.4 0.0 1.2 2142.5 0.0 1.2地震作用(kN) 1393.3 0.0 19.8 1229.2 0.0 19.8 7.配筋数据底板下层环向配筋1600mm2底板上层环向钢筋3483mm2底板下层经向配筋1600mm2底板上层径向钢筋0 mm2环梁抗弯3923mm2环梁抗剪1 mm2柱纵向钢筋2420mm28.地基沉降量第1层土压缩模量12.000MPa 第1层土厚度20 m m 第2层土压缩模量19.000MPa 第2层土厚度20 m m 地基最终沉降量67.353mm地基最终沉降差0.000mm沉降倾斜角0.000度b)施工图c)概算球型储罐基础计算机辅助设计软件SpCAD定额标准:河南序号定额代号项目名称工程量单位定额造价1 1-42 人工挖土方559.323 m39.3841 5248.742 1-54 回填土432.048 m3 6.8064 2940.693 1-57 运土方127.275 m39.1136 1159.934 5-14 混凝土垫层11.838 m326.3158 311.515 5-7 混凝土基础115.437 m336.4241 4204.706 合计13865.58≥12mm钢筋7580.272 k g<12mm钢筋0.000 k g地脚螺栓 5.194 k gd)三维模型<1.落地式塔形设备基础 计算结果圆筒(柱)式塔形设备基础计算机辅助设计软件(CcCAD) 一、原始数据 1.设备数据 设备编号 T101设备自重14000 kg 底座环内径d1 1200 mm 螺栓中心圆直径d2 1590 m m 底座环外径d 3 1730 m m 露头长48mm附 塔 管 道自重 4000kg保温重600kg充水水重2500kg介质重2000kg操作介质重 3000kg地平标高 A0 m 基础标高 B 0.2 m 平台平均间距 2000 m m 裙座高度 6189 m m 塔身段数: 1 基本风压标准值0.35 k N /平方米 基底标高 -1.2 m 1 1-42 人工挖土方41.821 m 3 9.3841 392.45 2 1-54回填土 29.373 m 3 6.8064 199.923 1-57运土方 12.448 m 3 9.1136 113.454 5-14 混凝土垫层 1.385 m 3 26.3158 36.465 5-7 混凝土基础11.062 m 3 36.4241 402.94<12m m 钢筋 629.151k g钢板 14.115kg地脚螺栓4. 791kg三维模型圆形管式加热炉基础计算机辅助设计软件(CpCAD)计算书设备编号:F101一、设备数据1.设备荷载荷载类型整体单柱脚中间柱垂直力水平力弯矩垂直力水平力弯矩垂直力垂直荷载 2400.00 0.00 0.00 300.00 0.00 0.00 127.00 风荷载—152.00 2780.00 239.00 22.00 27.00 0.00 地震作用—105.00 2069.00 178.00 15.00 19.00 0.002.柱脚数据柱脚中心圆半径:2915 地脚螺栓数量: 4柱脚标高:0.1 地脚螺栓直径: 30柱脚宽度:550 地脚螺栓间距: 450柱脚数量:8 地脚螺栓露头长度:385地脚螺栓丝扣长度:1003.中心柱数据中心柱标高:0.1 地脚螺栓数量: 4中心柱半径:400 地脚螺栓露头长度:100地脚螺栓布置半径:140 地脚螺栓丝扣长度:85地脚螺栓直径:244.其他数据地面标高:0二、结构数据柱脚基础底标高:-1.8 中心柱基础底标高:-1.8地基承载力标准值:240地基土类别:粉砂、细砂(不包括很湿与饱和时的稍密状态)岩土名称和性状:稍密的细、粉砂,100≤fak<150的粘性土和粉土,新近沉积的粘性土和粉土三、计算结果1.几何尺寸:柱脚基础长度:1900 中心柱底板直径:—柱脚基础宽度:1250 中心柱底板高度:—柱脚基础高度:800 中心柱直径:600柱墩宽度:7502.荷载标准组合:荷载作用位置正常生产地震作用F M VG F M V G基础底板底面540.41 79.60 —85.50 527.21 61.26 —85.50 中心柱底板底面153.25 ——18.10 153.25 ——18.103.地基承载力计算项目柱脚基础中心柱基础正常生产地震作用正常生产地震作用基础最大反力355.02 339.44 290.06 290.06基础最小反力172.06 176.53 ——基础平均反力263.54 257.98 ——基础与地基接触长度1900.00 1900.00 ——4.荷载基本组合:项目正常生产地震作用F M VG F M V G基础底板底面696.29 68.80 —85.50 615.51 64.37 —85.50 中心柱底板底面153.25 ——18.10 153.25 ——18.10 柱墩底面721.60 30.80 73.00 —640.82 21.91 58.55 —5.荷载效应及配筋:构件M V N 受力钢筋箍筋柱脚基础底板正常生产61.51 211.02 —1600.00 —地震作用53.39 183.34 —柱墩正常生产73.00 30.80 721.60 1125.00 构造配筋地震作用58.55 21.91 640.82中心柱正常生产——153.25 构造配筋构造配筋地震作用——153.25b)施工图c)概算管式加热炉基础计算机辅助设计软件CpCAD定额标准:河南省序号定额代号项目名称工程量单位定额造价1 1-42 人工挖土方216.230 m39.3841 2029.122 1-54 回填土193.204 m3 6.8064 1315.033 1-57 运土方23.026 m39.1136 209.854 5-14 混凝土垫层 2.515 m326.3158 66.175 5-7 混凝土基础20.511 m336.4241 747.106 合计4367.26≥12mm钢筋kg<12mm钢筋720.971 kg钢板321.890 kg地脚螺栓243.659 kgd)三维模型。
桁车轨道基础计算书一、 基本参数桁架起重设备采用2*10T 的桁车,最大起重总量为5T 。
桁架间距为20m,桁吊净高为6.5m ,下拉柱采用H500*下立柱为H500x250x8x16型钢,上立柱为HN346x174x6x9型钢,轨道承重横梁为H500x300x8x16型钢,横梁为HN346(局部550-346)x174x6x9,分配梁为16#C 型钢@1250mm ,顶棚采用0.326mm 厚压型瓦。
在厂家加工制作,试拼无误后运至现场,由专业安装队伍负责安装。
龙门吊基础为浅埋钢筋混凝土条形基础,混凝土标号为30C ,纵向钢筋材质为335HRB ,顶部纵向钢筋为8根直径Φ12,底部纵向钢筋为9根直径Φ16。
桁架基础的截面尺寸见下图:桁架基础截面图1e桁车结构图2(1)相邻基础的轨道(8m)作用在立柱传递到基础的力:P2=105*8*9.8*0.5=4116N=4.116KN(2)横梁(HN346x174x6x9)作用在立柱基础力:P2=41.8*20*9.8*0.5=3686N=4.573KN(3桁车自重约为20t,根据现场实际情况最大起重重量约为5t,故该桁车对基础的最大轮压为:P3=20*9.8/4+5*9.8/2=73.5 KN(4)立柱自重作用:P4=92.2*8*6.5*9.8+41.8*2.5*9.8=6897.24N=6.897KN作用在条形基础的力P4 = P1+ P2+P3+P4=89.086KN为简化计算,将龙门吊一端轮压处的受力简化如下图所示:基础受力图2二、轨道验算1、轨道基础底面承载力验算按轴心荷载作用时计算轨道单个轮轴处底面压力(取条形基础长度2m范围进行计算)。
上部存放预制梁传至基础顶面的竖向力值:FK=P=89.086KN基础自重(取2m范围内的基础自重):GK=1.75*25=43.75KN其中1.75m为条形基础2m范围内的混凝土方量。
基础底面积:A=2*2=4m2故:相应于作用的标准组合时,基础底面处的平均压力值:P k =(P+GK)/A=(89.086+43.75)/4=33.21 KP<45 KP2、轨道梁截面抗弯承载力计算桁车基础截面弯矩为:M边=0.5*89.086/(2*2)*0.72 =5.46KN.m此时截面形式为翼缘位于受拉区的倒T型受弯截面,可按矩形双筋截面计算承载力。
施工升降机基础计算书1、设备基本参数施工升降机型号:SCD200/200,架设高度:60m,标准节高度:1.508m,外笼重:1600kg,吊笼重:1600kg×2=3200kg,对重重量:1200kg×2=2400kg,吊笼载重量:2000kg×2=4000kg,导轨架重(共需40节标准节,标准节重165kg):165kg×40=6600kg,其他配件总重量:200kg,2、荷载计算P k=(3200.00+1600.00+4800.00+4000.00+13200.00+200.00)10/1000=270.00kN 考虑动载、自重误差及风载对基础的影响,取系数n=2.1P=2.1×270.00=567.00kN3、地基承载力验算G k=25×4.60×4.00×0.30=138.00kN承台自重设计值 G=138.00×1.2=165.60kN作用在地基上的竖向力设计值F=567.00+165.60=732.60kN基础下地基土为3:7灰土夯实,地基承载力设计值为100kPa。
地基承载力调整系数为k c=0.4。
基础下地基承载力为p= 100.00×4.60×4.00×0.40=736.00kN > F=732.60kN 该基础符合施工升降机的要求。
4、基础承台验算基础承台砼强度等级为C30,其轴心抗压强度f c=14.3N/mm2,轴心抗拉强度f t=1.43N/mm2,底面长l=4.6m,宽b=4m,底面积S=4.6×4=18.4m2,承台高h=0.3m。
导轨架长c=0.65m,宽a=0.65m。
1)承台底面积验算轴心受压基础基底面积应满足S=18.4≥(Pk+Gk)/fc=(270+138)/14.3=0.029m2。
(满足要求)2)承台抗冲切验算由于导轨架直接与基础相连,故只考虑导轨架对基础的冲切作用。
化工设备设计计算书一、引言二、设计基础1.设计要求:明确化工设备的设计要求,包括工艺参数、工作条件、设计寿命等。
2.材料选择:根据工作条件和工艺要求,选择适合的材料,包括密封材料、耐腐蚀材料等。
3.设计标准:根据国家或行业标准,确定设计的基本参数和规范。
三、设备计算1.设备尺寸计算:根据工艺要求和流体特性,计算设备的长度、直径等尺寸。
2.设备强度计算:根据设计要求和材料特性,计算设备的强度,包括壁厚、承载能力等。
3.传热计算:根据热平衡原理和传热特性,计算设备的传热情况,包括传热面积、换热系数等。
4.流体力学计算:根据流体力学原理,计算设备内流体的压力、速度、阻力等参数。
四、设备结构设计1.设备布局设计:确定设备的整体布局和安装位置,考虑流程连续性和设备之间的连接。
2.设备连接设计:设计设备之间的连接方式和密封形式,确保设备之间的流体不泄漏。
3.设备支撑设计:根据设备重量和工作条件,设计设备的支撑结构,确保设备牢固稳定。
五、设备图纸1.工艺流程图:绘制设备的工艺流程图,明确流体的流动路径和工艺参数。
2.设备总图:绘制设备的总体结构图,包括设备尺寸、连接方式和支撑结构等。
3.零部件图纸:绘制设备的各个零部件图纸,包括尺寸、工艺要求和材料等。
六、安全考虑在设备设计过程中,要考虑设备的安全性,并采取相应的安全措施,包括以下方面:1.材料的选择:选择耐腐蚀、耐高温等特殊材料,确保设备的安全性。
2.设备结构的设计:设计合理的支撑结构和连接方式,确保设备不产生漏气、漏液等安全隐患。
3.设备运行的安全性:考虑设备的工作条件、工艺参数等因素,防止设备因操作不当而引起的事故。
七、设备选型在考虑以上因素的基础上,结合实际情况和经济成本,选取合适的化工设备,包括设备类型、型号、规格等。
八、结论通过本文档中介绍的化工设备设计和计算过程,可以得出合理可靠的化工设备设计,满足工艺要求和安全要求,并具备经济效益。
总结以上,化工设备设计计算书是化工设备设计和计算过程中的重要文档,其内容要求完整且详细,包括设计基础、设备计算、设备结构设计、设备图纸、安全考虑和设备选型等。
新建贵阳至南宁铁路广西段站前工程GNZQ-06标4#拌和站设备基础计算书2017年12月. 武汉新建贵阳至南宁铁路广西段站前工程GNZQ-06标4#拌和站设备基础计算书设计:复核:设计负责人:院总工程师:2017年12月. 武汉目录一、工程概况 (1)二、计算依据 (1)三、结构计算 (1)3.1荷载取值 (2)3.2 150t粉仓基础计算 (2)3.2.1基础承载力计算 (2)3.2.2基础结构强度计算 (4)3.2.3抗倾覆稳定性计算 (5)3.3 200t粉仓基础计算 (5)3.3.1基础承载力计算 (5)3.3.2基础结构强度计算 (6)3.3.3抗倾覆稳定性计算 (6)3.4 拌合楼基础计算 (7)3.4.1基础承载力计算 (7)3.4.2基础结构强度计算 (8)3.4.3抗倾覆稳定性计算 (9)四、结论及建议 (9)一、工程概况贵南高铁GNZQ-6标中铁十一局项目经理部4#拌和站选址于位置位于大兴镇江仰村下茶屯,紧挨下茶村道,在线路DK354+640左侧160m处。
拌合站选址区域属基本农田,覆土较薄,约1~3m。
区内属于低山连片峰丛洼地地貌,地形起伏大。
地表覆土一般较薄,基岩大面积裸露。
地层主要为二叠系下统栖霞组灰岩、石炭系上统灰岩、石炭系中统灰岩、岩质坚硬。
通过现对现场地质情况调查,采用轻型触探对地基承载力进场检测,现场检测3处,分别为230kPa、220kPa、230kPa。
拌合站站选用2台HZS120拌合机,每台水泥罐配置4个200T水泥罐和2个150T 水泥罐,200T水泥罐直径3600mm,支腿中心距2550×2550mm,150T水泥罐直径3200mm,支腿中心距2260mm×2260mm,罐体9节,每节1.5m,总长13.5m,支腿依据卸料高度5.2m算,支腿长为8m,仓顶加1.2m护栏,总高度23m。
受中铁十一局集团有限公司贵南高铁GNZQ-6标项目经理部的委托,我院对拌和站内的主要设备基础(粉仓基础,拌合楼基础)进行检算。
编号:2012-GA-02荆岳铁路公安长江大桥工程江陵岸码头吊机计算单计算:复核:项目负责:副部长:部长:一、设计说明码头吊机位于施工栈桥前端的起重平台下游侧,作为材料和临时结构上下河的主要起重设备。
吊机为安庆长江大桥70t架梁吊机改制,底盘前后横梁变短,基础设置8根直径820mm,厚8mm的钢管桩,每2根桩为一个支点,桩顶配1根3.2m长的2H588作为分配梁。
码头吊机基础布置图如下:图1-1:吊机结构总图二、计算荷载1、吊机施工荷载:自重230t,考虑需要的最大起吊重量70t,吊幅21m,。
2、水流力计算考虑起重平台群桩的遮流作用,码头吊机位置冲刷深度取设计图纸提供的冲刷深度的一半,取5m ,则码头吊机处水文资料如下:表2-1:码头吊机处水文资料钢管桩嵌固点由栈桥计算(2012-GA-01)知,桩入土深度为8.5m 。
钢管桩迎水面积为229.250.8224()A m =⨯=水流力计算依据《公路桥涵设计通用规范》4.3.8条,水流力标准值22w V F KA gγ=,K=0.8,2240.8219.7()A m =⨯=, 2.65()V m s =,55.3w F kN =。
流水压力合力点取水面以下0.3倍水深处,距离结构顶0.329.258.775()m ⨯= 第二三四根钢管桩水流力按《港口工程荷载规范》取遮流系数0.4675,225.8w F kN = ,312.1w F kN =,4 5.6w F kN =三、计算结果3.1、吊机工作状态验算1、吊机基础布置图如图图3-1:吊机施工工况2、吊机施工分两种工况:工况一:吊机垂直或平行辅助墩平台起吊:吊机所需最大起吊为70t,此时吊幅21m,每两根桩为一个支点,上面布置分配梁F1,计算得:前支点受压:后支点受拉:工况二:吊机与辅助墩平台成45°角时起吊:吊机所需最大起吊为70t,此时吊幅21m,每两根桩为一个支点,上面布置分配梁F1,计算得:前支点受压:中支点受压:后支点受拉:由计算结果得,取最不利工况二计算。
路灯基础计算书范文1.引言路灯是城市中常见的一种照明设施,能够提供给行人和车辆足够的光照以确保道路安全。
计算路灯的基础是设计和安装一套合适的照明系统,以确保在夜间给予道路合适的照明。
本计算书将介绍路灯照明系统的基本原理和计算方法。
2.路灯照明系统设计要素一个完整的路灯照明系统包括以下要素:-光源:路灯使用不同类型的灯泡,如高压钠灯、LED灯等。
每种灯泡具有不同的照明效果和能效。
-支架:路灯的支架用于安装和固定灯泡,通常有不同的高度和角度可供选择。
-光具:路灯的光具用于控制和分配灯光,将光源发出的光线投射在指定区域内。
-控制:路灯的控制设备包括电源开关、感应器等,用于控制灯光的开关和亮度。
3.路灯照明计算方法设计一个合适的路灯照明系统需要进行以下几项计算:-光源选择:根据道路的类型和要求,选择合适的光源。
不同类型的灯泡具有不同的照明效果和能效,需要根据需要进行评估和选择。
-灯具布点:确定路灯的布点位置,通常根据道路的类型、长度和交通状况进行布点。
路灯的布点要尽量满足道路照明的需求,并考虑最佳观感效果。
- 照明计算:根据道路的宽度、长度和照明要求,计算出每个路灯需要的照明强度(单位:勒克斯Lux)和整个照明系统的总功率。
照明计算可以根据道路类型和国家标准进行。
-光束角度调整:根据路灯的支架高度和角度,调整光源的发光角度,以确保光线覆盖到指定区域,并减少光污染。
-控制系统设计:根据道路的使用情况和需求,选择合适的控制设备,并进行布线和编程,以实现灯光的自动开关和亮度调节。
4.示例计算假设需要设计一套照明系统用于照明一条长度为1000米,宽度为10米的城市道路。
根据国家标准,道路要求照明强度为30勒克斯。
选择高压钠灯作为光源,每盏灯泡功率为250瓦。
根据光束角度的要求,选择3.5米高的支架,使发光角度为120度。
计算出每个灯泡需要的照明强度为:30勒克斯*10平方米=300勒克斯1000米/10米=100盏灯泡每个灯泡需要的照明强度=300勒克斯/100=3勒克斯整个照明系统的总功率为:5.结论通过详细的照明系统计算,我们可以设计出合适的路灯布点和光束角度,以确保道路获得足够的照明强度,提供行人和车辆安全的夜间通行条件。
基本计算资料:采用现行国家有关规范<<石油化工塔型设备基础设计规范>>,(SH 3030-1997)<<建筑结构荷载规范>>(GB50009-2001)<<建筑地基基础设计规范>>(GB50007-2002)<<建筑抗震设计规范>>(GB50011-2001)<<高耸结构设计规范>>(GBJ135-90)<<构筑物抗震设计规范>>(GB50191-93)<<化工设备基础设计规定>>参考手册:〈〈高塔基础设计手册〉〉以塔401为例:计算如下:一、塔设备内径:D1=2.2m, 外径:D2=2.224m塔设备高度:30m基本风压:0.5kN/ m2㎡㎡地震烈度:7度,设计地震基本加速度:0.15g。
基础置于砾石层上,地基承载力特征值:f a=400kPa。
二、荷载空塔自重:22吨,生产时操作重:31吨充水水重:110吨,平台梯子重:7吨(含管道、保温等)三、周期计算:δ1<=30,当h2/D2=302/2.224=404.7<700T1=0.35+0.85x10-3x h2/D2 =0.694s四、风荷载计算:w k=βz u s u z u r(1+u e)(D2+2δ2)w0u s=0.6, u r=1.1, u e=0.23, δ2=0.3w k=0.6x1.1x1.23βz u z w0 D2=0.812βz u z w0 (D2+2δ2)离地面高度H(m) 10 20 30u z 1.0 1.25 1.42u z w00.5 0.625 0.71βz 1.35 1.82 2.23w k 1.55 2.6 3.6注:βz是按高耸结构设计规范计算作用在基础顶面的剪力:Q=[1.55+(1.55+2.6)/2+(2.6+3.6)/2]x10=67kN作用在基础顶面的弯矩:M=[1.55x5+1.55x15+2.6x25+0.5x16.7x1.05+0.5x26.7x1]x10=1180kN.m五、地震作用计算:G eq=31x10=310kNa1=(T g/T1) 0.9xa max=(0.35/0.694) 0.9x0.12=0.065F EK=a1xG eq=0.065x310=20.15kN作用在基础顶面的剪力:Q=F EK=20.15kN作用在基础顶面的弯矩:M=Qx2h/3=20.15x2x30/3=806 kN.m六、基础设计〈一〉、正常操作情况下的荷载标准组合假设基础直径5.2m,基础埋深3.0m,基础高出地面0.3m。
设备基础计算书
1.计算依据
《动力机器基础设计规范》 (GB50040-96)
《建筑地基基础设计规范》 (GB50007-2002)
《混凝土结构设计规范》 (GB50010-2010)
《重载地面、轨道及特殊楼地面》(06J305)
《动力机器基础设计手册》 (中国建筑工业出版社)
2.工程概况
设备静载按G1=10t/m2=100KN/m2;
地基承载力特征值fa=180kPa;
采用C30混凝土,设备基础高度250mm,钢筋采用I级钢(HPB300)
根据所提资料计算160T冲床设备基础的承载力计算,设备基础根据设备脚架尺寸每边向外扩300mm进行计算。
160T冲床设备基础示意图如下图所示
设备基础示意图
3.计算过程
设备基础正截面受压承载力计算()
*fc*A=**1000000*A=*106A
N=*G1*A =*105*A<*fcA
即设备基础正截面受压满足要求
3.2设备基础正截面受弯承载力计算
(仅计算长度方向,取土重度gma=20kN/m3,混凝土保护层厚度取30mm)
pk=G1+G2=*105 +25*1000*=
单位宽度基地净反力
p=*( G1+G2-gma*h)=**103-20*103*=m
计算可得最大正弯矩为M=,支座最大负弯矩为M=根据()计算可得
基础底面计算配筋面积As1=565mm2
基础顶面计算配筋面积As2=258mm2
根据(GB50010-2010)取最小配筋率ρmin= 0. 2%
最小配筋面积为Asmin=%*1000*250=500 mm2
基础顶部和底部可配12200(As=565mm2)
3.3地脚螺栓抗倾覆验算(每个设备基础共四个地脚螺栓孔)
取每个地脚的上拔力设计值
q1=* *(G1+G2)* A=****=
倾覆力矩MS=q1*=有设备基础的大小可知抗倾覆力矩
MR=*(G1+G2)**= >MS
由此可知抗倾覆满足要求
地基承载力验算(根据GB50040-96中 +25*1000*=<=144kPa
pkmax= G1+G2+M/W
pkmin= G1+G2-M/W
每个地脚的上拔力标准值
q1k=*(G1+G2)* A=***=
|Mxk|=q1k*=*= m3
|Mxk|/Wx=
|Myk|/Wy=
取M/W=
由此可得pkmax= <=216kPa
pkmin=
满足地基承载力要求
4.地面做法(详见CAD图纸)。