船舶制造过程(1)
- 格式:ppt
- 大小:2.45 MB
- 文档页数:22
船舶建造过程船舶建造这个术语指为客户生产如船舶,离岸工程结构,水上机械设备等产品的工业。
通常,产品要根据定单建造并按照买家的具体要求定制。
即使要建造一系列类似的船,这项规则同样适用。
整个建造过程会根据客户的要求进行调整,但大体上会涉及几个具体阶段,概括为:船东需求开发初步/概念设计合同设计投标/签约细节设计和规划建造船舶建造过程的第一步是客户对产品需求的构想。
举例来说,航运航线要预见到每年在日本和加州之间要运输250000辆汽车对运输方式的需求,某个州的交通部门每天也要通过内陆水道的10多条航道载运150000名乘客,且其平均每条航线30多班次。
石油公司需要每年从加勒比海向美国东北部运输一千万吨原油。
美国海军一得到任务命令就需要一艘船运送供给给在世界任何地方战斗的部队以支持。
另外,航线所有人也要预见到中美两国之间集装箱贸易的增长,其性质和数量都不可估量。
一艘新船的用途各异,但是最终产品应能反映船东的需求和使用目的。
一旦船东确定了对新船的要求并定义了其运作要求,下一步就是对这艘船的基本特征进行初步定义。
该初步/概念设计阶段可以由船东雇员内部完成,或由船东雇佣的设计师,或由一家或几家船厂的员工完成。
在美国的作法是由一名设计师做初步设计。
与此不同,美国海军内部拥有一个非常大的初步设计部门。
如果是对某些特别类型的船具有相当多经验的船东也可能直接与船厂接触。
其目的是开发出一种满足要求的设计,同时利用其建造经验和能力以降低建造时间和成本。
本阶段的终端产品即是对该船的总体定义,包括尺寸,船形,总布置,动力,机械布置,任务系统定义(如载货量,装卸设备,战斗系统或宜居性),可变重量的承载力(如原油,水,船员和供给)以及对主要系统的初步定义(如结构,管道,电路,机械和取暖,通风与冷却装置)。
投标或合同所需要的信息以初步设计阶段所定义的,即对要建造的船舶的一般描述为基础,但还需要准备更多细节的信息。
要获得这些信息需要进行合同设计,这些信息必须包含足够的细节使得对该造船项目感兴趣的船厂能够对所需成本和时间进行评估。
船体组立生产流程及要点作者:郭先银魏建国王俊孙国良来源:《中国科技博览》2013年第24期摘要:造船业是为水上交通、海洋开发和国防建设等行业提供技术装备的现代综合性产业,也是劳动、资金、技术密集型产业,对机电、钢铁、化工、航运、海洋资源勘采等上、下游产业发展具有较强带动作用,对促进劳动力就业、发展出口贸易和保障海防安全意义重大。
关键词:组立工艺流程作业标准中图分类号:U671.99造船大体可以分为船体、舾装、电装、机装等几大领域,其中船体部分又包含以下几个部分,钢材管理、钢板切割、小中组、大组、先行舾装、涂装、PE、搭载和下水。
其中组立是将钢板材料转变成船体模块的过程,也就是将钢板组装成分段的过程,根据分段的线形情况分为平组和曲组,分段从钢板变成分段又包括小组、中组和大组各生产流程。
小组、中组、大组是船舶制造的一种生产管理模式,是船体分段装配的一个生产阶段。
是现代造船业为了加快造船速度,提高造船品质,形成规模生产而采用的生产管理方法。
就是在固定的场地加工船舶最简单的船体结构构件。
小组是将两个或两个以上的零件组成构件的生产过程。
如拼装T型材、肋板上安装加强材、加强筋开孔等。
中组立是在固定的场地将船舶小组立和小组立加零件组成一个较大组合件的生产过程。
如:拼装成油柜等构件。
大组是船体分段装配的一个生产阶段。
就是将零件和部件组成分段的生产过程。
如:机舱分段和货仓分段。
一般系列船舶的小组、中组和大平组都是流水线作业,这样对于劳动密集的船舶制造业来说可以提高生产效率,避免重复制作胎架和平台,曲组由于受平台限制,无法形成流水线,但要固定工作场地,施工队也可以培养专业的、熟练的员工,降低生产成本。
人员搭配小组、中组、大组生产以班组为单位。
小组中组通常为一个班组制作,它包括一个班长、五个师傅和十个学徒组成,它分为七个铆工、五个电焊工和三个打磨工。
大组一个班组的成员有一个班长、三个师傅和十二个徒弟组成,它分为八个铆工、四个电焊工和三个打磨。
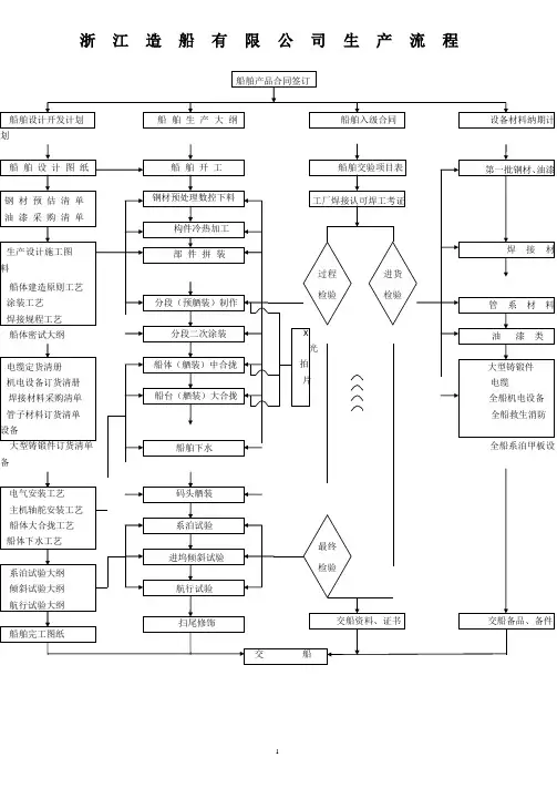
修造船行业执法指南第一章行业概况1.1生产工艺(一)造船工艺目前,船舶制造主要采用分段建造工艺,具体生产过程为:将外购钢材进行切割、加工成型后,进入分段制作和预舾装;然后进行分段除锈、分段涂装作业,分段涂装作业完成后在室外场地进行分段大合拢并进行机电设备、管系和电缆等的预舾装;最后在船台进行总合拢和完工涂装;船舶在舾装码头完成机电设备等的最后安装后进行试航,试航期间对船上各部件进行测试,试航合格的船舶即可交付,分段造船工艺流程详见图1-1。
图1-1 分段造船工艺流程图(二)修船工艺船舶修理的主要生产工艺为将待修船舶使用钢索拉至船坞(船台)或乘潮进坞,待修船舶固定后,用高压水对船体外壳进行冲洗,然后进行机舱内残油和舱底废水清除、船体割补施焊、除锈、涂装和相关的电气工程,修船工艺流程详见图1-2。
图1-2 修船工艺流程图1.2生产设施、设备船舶修造企业主要生产设施有船坞、船台、舾装码头;主要生产设备有起重机、龙门吊、牵引系统、水泵、压载泵、电焊机、喷枪、超高压水枪。
1.3原辅材料目前船舶修造企业以钢材为主要原材料,辅助用料包括油漆、稀释剂、焊条、天然气、氧气、二氧化碳、矿砂等。
1.4环评审批及排污许可要求根据《建设项目环境影响评价分类管理名录》(2021 年版),修造船行业归类“三十四、铁路、船舶、航空航天和其他运输设备制造业”中的“船舶及相关装置制造”项目类。
按要求“造船、拆船、修船厂;有电镀工艺的;年用溶剂型涂料(含稀释剂)10 吨及以上的企业”需做环境影响报告书;“其他(仅组装的除外;木船建造和维修除外;年用非溶剂型低VOCs 含量涂料10 吨以下的除外)”需做环境影响评价报告表。
根据《固定污染源排污许可分类管理名录》(2019 年版),修造船行业归类“三十二、铁路、船舶、航空航天和其他运输设备制造”中的“船舶及相关装置制造373”项目。
按照要求:纳入重点排污单位名录的排污单位,按重点管理要求管理;除重点管理以外的年使用10 吨及以上溶剂型涂料或者胶粘剂(含稀释剂、固化剂、清洗溶剂)的排污单位,按简化管理要求管理;其它排污单位,按照登记管理要求管理。
第一章船舶修造工艺的特点:1,实践性强2,中合性强3,空间概念强4,灵活性大船舶建造可分为3种类型的生产作业:船体建造,船舶舾装,船舶涂装船体建造:是将船用钢材制成船舶壳体的生产过程。
船舶舾装:是将各种船用设备、仪器、装置和设施等安装到船上的生产过程。
船舶涂装:是对全船进行除锈、涂漆的生产过程。
船体建造3个步骤:(1)将原材料制成船体零件;(2)将零件组装成部件或进而再组装成分段和总段;(4)将零、部件或分、总段总装成船体。
钢质船舶焊接船体常规的建造工艺程序仍然是:1,船舶放样;2,船体钢材预处理和号料;3,船体结构加工4,船体装配5,船舶焊接6,火工矫正7,密性试验8,船舶舾装9,船舶涂装10,船舶下水11,船舶实验12,交船与验收造船生产要素:资金、人员、材料、船厂设备、厂址条件第二章船体放样是船体建造工艺中第一道施工工序。
3项主要内容:船体形线放样、船体构件展开、放样资料提供。
格子线的检验:1)用粉线拉出对角线,来观察对角点是否与粉线重合,其误差应不超过±1mm。
2)测量对角线长相等舷侧边平线:横剖线在舷侧边切点的连线船底底平线:横剖线在船底的切点的连线型线的修正原则:(1)型线自身光顺无拐点(2)投影符合一致性(3)每组型线间距疏密有序光顺的曲线(曲面):凡是不存在不应有的凹凸现象的曲线船体理论表面试一种左右对称的非规则曲面,组成这个非规则曲面的许多空间的点都存在在于某些特定的面内(如横剖面、纵剖面、水线面内)首柱放样的任务是完成下述3项工作:(1)修改和确定首圆弧半径,绘制个水线、甲板边线、甲板折角线和舷墙顶线等的首圆弧。
(2)绘制首柱板与外板的接缝线。
(3)绘制与首柱相交的横剖线盒肋骨线的根部型线。
根部型线:船上绝大部分构件都是依附船体表面的*军舰首→尾民用尾→首船舶放样主要作用:(1)暴露和修正初步设计是的型线误差;(2)补充和完善详细设计时的结构细节;(3)检验和纠正生产设计时的施工缺陷船舶放样工艺方法:(1)实尺放样;(2)数学放样首柱按制造方法分有:铸造首柱、锻造首柱、焊接首柱、混合首柱。
船体整体建造施工工艺A、船体建造程序一、准备工作:1、清理打扫水泥船台;2、船台中心部位涂带状红漆;3、用激光经纬仪在红漆带上打(画)出中心线并作为永久标记;4、同时测量并计算出该船台实际倾斜度。
二、排墩1、在中心线位置排放中心墩;2、确定墩位前后倾斜度(一般不超过);3、墩距不超过2m;4、确定艏艉中心线,做上记号及标杆,以便以后测量船的直线度,测定轴中心的正确度,即舵筒中心的正确度用;5、做好中心各墩的高度。
三、样台及放样样台可用角铁上铺铁板,也可直接铺放在平整地面上,拼好并到好油漆,按型值放样,放样必须准确,否则装配合会有难度。
四、下料在船台墩排好,材料进场后,内底板以下构件及扶强材开始下料,如实肋板、水密补板、边纵桁、舭肘桁等,下料样板尺寸要准,划线明确准确,切割力求光顺、平整、无毛刺,较长平直部位,尽量用半自动机切割,并归堆待用。
做好记录。
五、上K桁板在中心墩排好,测量倾斜度后开始上K桁板,船中先上向首、尾铺开,在上K珩板时,板的对接缝不要在墩子上,K桁板对接缝采用刨边机或半自动切割开坡口后焊前打磨,并要用507焊条。
也要注意对接外板缝不能在舱壁或肋部位,最佳位置在距舱壁或肋骨100—150mm以内。
在装K桁板同时,着手下双层底内的构件,如实肋板、纵桁材,节点肘板,支撑,衬板等。
在装K桁板同时,未装肋板之前,把船肿两边底板A、B、C行板,预先在船台到位,并纵向拼好板缝用自动焊焊好(横向不要焊),此时拍片检查施焊情况。
拼板时焊缝两端安装好引、熄弧极。
六、xx,划K板上的中纵桁安装线K板安装完成后,可上中纵桁,中纵桁下料后,四边坡口,打磨(自动割刀开坡口),用507拼装,与K板必须垂直并固定。
在上主龙筋前除划好主龙筋安装线外,还需划好肋位线,在划肋位线时,一般每道肋位放大1mm~1.5mm,防止焊接收缩面造成船总长缩短。
上中纵桁,按K桁板上的肋距线划肋位线垂直线,K桁斑上肋位线与主龙筋肋位线都是从船中向艏艉进行。
船舶装配工艺流程船舶装配工艺流程船体装配的流程摘要:早期的造船是将船体各构件用铆钉连接起来的,而现代的钢质船舶改为焊接,采用了分段和总段建造法,既扩大了船体建造作业面,又能采用半自动和自动焊机,依靠一整套工艺装备,为成批造船和实行生产流水线提供了条件。
关键词:装配流程舾装试验正文:通过对船体装配工艺的了解,船体装配工艺流程在各个船厂都已经形成了一套独立的体系,并且各个船厂都有所不同。
我个人对船体装配工艺流程的了解大致如下:首先是船体放样,即把设计型线图按一定比例绘制在放样间的地板上面,也可以通过数学方法编成程序输入电子计算机进行数学放样。
然后进行船体钢材预处理和号料。
船体构件加工,即对号料后的钢材进行边缘加工和成型加工。
船体装配,即把船体构件组合成整个船体的过程,部件装配,分段装配,总段装配,最后是船台大合拢。
船体焊接,即运用焊接技术并且采用合理的焊接程序,将已经装妥的船体部件,分段,整个船体的各种焊缝,按照设计要求连接起来,从而使各种船体结构合成一个整体,还要通过超声波探伤和X光探伤检测。
密性试验,即气压试验,煤油试验,冲水试验,泵水试验和冲油试验。
船舶下水,即重力式下水,漂浮式下水和机械化下水,将船从建造区域移到水中的过程。
船舶舾装,船舶舾装的主要内容是船舶各种机械设备和管系的安装,电气安装,木工作业,绝缘作业,涂装作业,居住区域内舾装等。
过去除少数舾装工作在船台上进行外,大多数是在船舶下水后移泊到码头进行,把船台上的舾装工作提前到分段或总段装配时进行,即要扩到预舾装的数量。
船舶舾装是一项相当复杂的工作,不仅仅需要各个专业工种的相互配合,而且需要生产的合理组织与安排,以便最大限度的缩短造船总周期。
船舶试验,即系泊试验,倾斜试验,航行试验。
系泊试验是当系泊与码头的船舶在船体工程和舾装工程基本完成,并取得船东和验船部门的同意后,根据设计图纸和试航规程要求,对该船的主机,辅机以及各种设备和系统进行试验,其目的是检查船舶完整性和可靠性。
船舶建造工艺流程简要介绍一、船舶建造工艺流程层次上的划分为:1、生产大节点:开工——上船台〔铺底〕——下水〔出坞〕——航海试验——完工交船生产大节点在工艺流程中是某工艺阶段的开工期〔或上一个节点的完工期〕,工艺阶段一般说是两个节点间的施工期。
生产大节点的期限是编制和执行生产方案的基点,框定了船舶建造各工艺阶段的节拍和生产周期;节点的完成日也是船东向船厂分期付款的交割日。
2、工艺阶段:钢材予处理——号料加工——零、部件装配——分段装焊——船台装焊〔合拢〕——拉线镗孔——船舶下水——发电机动车——主机动车——系泊试验——航海试验——完工交船3、以上工艺阶段还可以进一步进展分解。
4、是以上工艺阶段是按船舶建造形象进度划分的,造船工艺流程是并行工程,即船体建造与舾装作业是并行分道组织,涂装作业安排在分道生产线的两个小阶段之间,船体与舾装分道生产线在各阶段接续地汇入壳舾涂一体化生产流程。
二、船舶建造的前期筹划船舶设计建造是一项复杂的系统工程,在开工前船厂必须组织前期筹划,一是要扫清技术障碍;二是要解决施工难点。
1、必须吃透“技术说明书〞〔设计规格书〕。
技术说明书是船东提出并经双方技术谈判,以相应国际规X及公约为约束的船舶设计建造的技术要求。
船厂在新船型特别是高附加值船舶的承接中必须慎重对待:必须搞清重要设备运行的采用标准情况、关键技术的工艺条件要求,特别是要排查出技术说明书中暗藏的技术障碍〔不排除某些船东存有恶意意图〕,2、对设计工作的组织。
船舶设计工作分三阶段组织进展——初步设计、详细设计、生产设计。
初步设计:是从收到船东技术任务书或询价开场,进展船舶总体方案的设计。
提供出设计规格说明书、总布置图、舯剖面图、机舱布置图、主要设备厂商表等。
详细设计:在初步设计根底上,通过对各个具体技术专业工程,进展系统原理设计计算,绘制关键图纸,解决设计中的技术问题,最终确定船舶全部技术性能、船体构造、重要材料设备选型和订货要求等。
船体建造流程(6 )船台(船坞)总装和船舶下水6 船台(船坞)总装。
船舶总装主要指的是船体总装,即在船体结构经过预装配形成的分段或总段之后在船台(船坞)完成整个船体装配(也有下水之后再吊装上建的)的工艺阶段。
船台(船坞)总装也可称之为大合拢、搭载,它对保证船舶建造质量,缩短船舶建造周期有着很大的影响。
一般而言,由于军舰的设备较多,其船台(船坞)周期相比民船会长很多。
一个船厂的船台(船坞)数量是有限的,船台(船坞)周期越短,船厂造出的船就越多,因此船台(船坞)周期是表明一个船厂先进性的很重要的指标。
一个很明显的例子就是印度的国产航母蓝天卫士号,目前已经两次下水,而且第二次下水的船舶完整性还是很差,这表明船台(船坞)周期拖期太长了(否则不会给别的船腾地方),说明印度的船舶制造业距离世界先进水平还是有较大差距的。
目前日韩的船台船坞)周期较短,相对而言,我国的产品船台周期会较长一些。
船台(船坞)应具有坚实的地基,并设置靠近水域的地方,以便于船舶下水。
常见的船台(船坞)类型有:纵向倾斜船台。
纵向倾斜船台是一种船台平面与水平面呈一定角度,倾斜度通常取1/24-1/14. 纵向倾斜船台的地基由钢筋混凝土结构构成,沿船台两侧设置平行的起重机轨道,配备起重能力较大的龙门吊。
这种船台的优点是投资小;占地面积小,利用率高;维护费用低,船舶建造与下水在同一位置,建造场地比较紧凑,一般不需移船,因而不设专门的移船装置。
缺点是装配、检验不便(有斜度);起重高度要求高;劳动条件差;下水对水域宽度有一定要求。
纵向倾斜船台通常与纵向涂油、钢珠滑道结合使用。
沪东的8万吨纵向倾斜船台(沪东有拥有360米X 92米干船坞一座,配备二台700 吨龙门吊;12 万吨级和8 万吨级船台各1 座,2 万吨级船台2 座)水平船台。
水平船台就是船台基面与水平面平行的船台,地基上铺设供船台小车移动的钢轨。
水平船台可以分为室内和室外两种。
优点是装配、检验方便;下水安全;分(总)段可利用船台小车移位;能并列多个船位,可以双向使用,能下水也能上排。
船体组立生产流程及要点摘要:造船业是为水上交通、海洋开发和国防建设等行业提供技术装备的现代综合性产业,也是劳动、资金、技术密集型产业,对机电、钢铁、化工、航运、海洋资源勘采等上、下游产业发展具有较强带动作用,对促进劳动力就业、发展出口贸易和保障海防安全意义重大。
关键词:组立工艺流程作业标准中图分类号:u671.99造船大体可以分为船体、舾装、电装、机装等几大领域,其中船体部分又包含以下几个部分,钢材管理、钢板切割、小中组、大组、先行舾装、涂装、pe、搭载和下水。
其中组立是将钢板材料转变成船体模块的过程,也就是将钢板组装成分段的过程,根据分段的线形情况分为平组和曲组,分段从钢板变成分段又包括小组、中组和大组各生产流程。
小组、中组、大组是船舶制造的一种生产管理模式,是船体分段装配的一个生产阶段。
是现代造船业为了加快造船速度,提高造船品质,形成规模生产而采用的生产管理方法。
就是在固定的场地加工船舶最简单的船体结构构件。
小组是将两个或两个以上的零件组成构件的生产过程。
如拼装t型材、肋板上安装加强材、加强筋开孔等。
中组立是在固定的场地将船舶小组立和小组立加零件组成一个较大组合件的生产过程。
如:拼装成油柜等构件。
大组是船体分段装配的一个生产阶段。
就是将零件和部件组成分段的生产过程。
如:机舱分段和货仓分段。
一般系列船舶的小组、中组和大平组都是流水线作业,这样对于劳动密集的船舶制造业来说可以提高生产效率,避免重复制作胎架和平台,曲组由于受平台限制,无法形成流水线,但要固定工作场地,施工队也可以培养专业的、熟练的员工,降低生产成本。
人员搭配小组、中组、大组生产以班组为单位。
小组中组通常为一个班组制作,它包括一个班长、五个师傅和十个学徒组成,它分为七个铆工、五个电焊工和三个打磨工。
大组一个班组的成员有一个班长、三个师傅和十二个徒弟组成,它分为八个铆工、四个电焊工和三个打磨。
工图纸资料船体组立图纸有零件明细表、产品完工图、制作工艺、焊接工艺等。
第一章船体装配基础知识第一节现代造船工艺流程现代造船工艺流程:1、船体建造的主要过程船体建造是船舶建造的主要部分,它具体包括船体放样、零件号料、构件加工、部件装焊、分段装焊、总段装焊和船体搭载以及密性试验等过程。
(1)船体放样船体放样包括船体肋骨型线的光顺,对设计图中可能产生的误差进行反复修正,并在光顺后的船体型线图上绘出各种结构线,进而确定各种船体构架的实际形状和尺寸以及制定检测手段(如制作样板、样箱)为后续工序提供施工依据。
最早的放样是实尺放样(1:1),其次是比例放样(1:N),随着计算机技术的发现与应用,放样有了质的飞跃,出现了数学放样,从而实现了放样自动化、无纸化。
(2)零件号料零件号料就是将放样中的信息反映到原材料上去,如零件的尺寸、后续工序所需的简明标记、符号和数据等。
号料的方法随着放样方法的发展而发展,与实尺放样对应的号料方法为手工号料,与比例放样的号料方法的投影号料,随着数学放样的出现,号料工作就非常简单和自动化了。
(3)构件加工构件加工是将原材料变成船体的第一步,它包括钢材预处理、构件边缘加工和构件成形加工。
从钢料堆场取出的钢材,因受扎制、搬运和存放中的种种因素的影响,钢材表面常附有氧化皮,铁锈或产生局部凹凸不平翘曲、扭曲等变形。
在号料之前,需要对钢板进行校平、除锈、喷涂车间防护底漆和烘干等作业。
现在上述作业一般在钢材预处理流水线上进行。
船体构件边缘加工包括三个内容:一是根据号料所给的信息运用切割或剪切的方法得到船体构件,二是根据焊接的技术要求对船体构件进行焊接工艺坡口加工,三是根据设计规范要求对自由边和人孔内周边进行打磨。
船体零件成形加工就是采用机械冷弯或水火热弯等方法将平直的原材料加工成船体制作所要求的空间形状。
(4)船体装焊船体装焊就是将加工后的船体构件分为部件装焊、分段装焊、总组装焊和船体搭载几个步骤组装成一座整体的过程。
它包括装配和焊接两个过程。
(5)密性试验和强度试验船体密性试验的目的是检验装焊结束后的船体舱室是否达到必要的油密或水密,强度试验是检验船体结构是否具备必要的强度。
纯电动动力船舶研发生产方案一、实施背景随着全球气候变化和环境污染的日益严重,各国政府和企业纷纷致力于推动绿色能源的应用和发展。
中国作为全球最大的船舶制造国,船舶工业面临着产业结构改革和升级的压力。
在此背景下,本方案旨在推动纯电动动力船舶的研发和生产,以适应市场需求,提高产业竞争力,同时实现环保和可持续发展。
二、工作原理纯电动动力船舶,顾名思义,是以电池为动力源,通过电池提供电力来驱动船舶行驶。
本方案所研发的纯电动动力船舶主要采用锂离子电池作为主要储能设备,借助电动机实现动力输出。
在船舶行驶过程中,电池放电驱动电动机运转,再由电动机带动船舶的螺旋桨或者喷水推进器工作,实现船舶的前进。
三、实施计划步骤1.需求分析:进行市场调研,明确纯电动动力船舶的市场需求和客户群体。
2.方案设计:根据需求分析结果,进行船舶外观设计、内部布局设计、电力系统设计等。
3.研发阶段:进行技术研发,包括电池技术、电动机技术、控制系统技术等。
4.试验阶段:制造样船,进行实际水域测试,收集数据并优化设计方案。
5.生产阶段:根据试验阶段反馈进行批量生产。
6.销售与售后:投放市场,提供售后服务和技术支持。
四、适用范围本方案所研发的纯电动动力船舶适用于内河、湖泊、近海等各类水域环境。
根据不同需求,可应用于旅游观光船、渡轮、工作船等各个领域。
五、创新要点1.绿色能源:纯电动动力船舶使用电池作为动力源,可大幅减少燃油消耗和排放,实现零污染、零排放。
2.高效率:纯电动动力船舶采用电动机直接驱动,具有高效率和低噪音的特点。
3.智能化:通过先进的电池管理系统和电机控制系统,实现智能化管理和远程监控。
4.模块化设计:针对不同需求和应用场景,可进行模块化设计,方便进行定制和扩展。
5.回收能源:在船舶行驶过程中,可利用动能回收系统将部分能量回收并存储在电池中,提高能源利用效率。
六、预期效果1.环保效果:减少燃油消耗和排放,对环境无污染。
2.经济效果:降低运营成本,提高经济效益。