级配碎石压实度自动计算表m
- 格式:xls
- 大小:98.50 KB
- 文档页数:2
#NAME?#NAME? #NAME?#NAME?砂总质量150筒直径最佳含水量12.5最佳含水量8.1最佳含水量10.3最佳含水量6.90.9520.98≥0.95最佳含水量5.6最佳含水量8.3压实度范围0.9520.989≥0.95最佳含水量7.1最佳含水量12.5最佳含水量7.8最佳含水量8最佳含水量12.5最佳含水量7.5最佳含水量7砂总质量150筒直径砂总质量150筒直径190.07#NAME?#NAME?183.64#NAME?#NAME?190.07#NAME?#NAME?183.64#NAME?#NAME?190.07#NAME?#NAME? 183.64#NAME?#NAME? #REF!#REF!#REF!#REF!#NAME?砂总质量150筒直径#REF!砂总质量150筒直径砂总质量150筒直径砂总质量150筒直径砂总质量150筒直径筒直径砂总质量150筒直径550008500筒直径砂总质量150筒直径1799712筒直径砂总质量150筒直径282702670筒直径砂总质量150筒直径16890试验试验≥0.94≥0.93≥0.96≥0.97 0.9450.9320.9650.972≥0.94≥0.93≥0.96≥0.970.9680.950.990.996试验试验试验试验试验试验试验试验试验试验砂总质量200筒直径20000砂总质量200筒直径1453砂总质量200筒直径砂总质量300筒直径55000砂总质量300筒直径17992850砂总质量300筒直径砂总质量150筒直径8500砂总质量150筒直径7122720砂总质量150筒直径760730复核≥0.940.946≥0.940.978≥0.930.936≥0.930.956≥0.960.966≥0.960.995≥0.950.956≥0.950.975复核≥0.940.943≥0.940.975≥0.930.932≥0.930.95≥0.960.965≥0.960.99≥0.950.952≥0.950.98复核≥0.940.943≥0.940.975≥0.930.932≥0.930.959≥0.960.965≥0.960.999≥0.950.952≥0.950.989。
工程名称:铁岭市新城区至三江口公路(二期)工程第二合同段 分项工程名称:级配碎石垫层 检测日期:2015年7月1日施工单位:北京市政建设集团有限责任公司 起 讫 桩 号:K103+400至K103+600左幅
砂密度γ(g/cm3): 1.391 灌砂桶内径(mm): 150
工程名称:铁岭市新城区至三江口公路(二期)工程第二合同段 分项工程名称:路基填土第十层 检测日期:2015年5月9日施工单位:北京市政建设集团有限责任公司 起 讫 桩 号:K106+000至K106+630左幅
砂密度γ(g/cm3): 1.391 灌砂桶内径(mm): 150
工程名称:铁岭市新城区至三江口公路(二期)工程第二合同段 分项工程名称:路基填土第十层 检测日期:2015年5月9日施工单位:北京市政建设集团有限责任公司 起 讫 桩 号:K106+000至K106+630左幅
砂密度γ(g/cm3): 1.391 灌砂桶内径(mm): 150
工程名称:铁岭市新城区至三江口公路(二期)工程第二合同段 分项工程名称:路基填土第十层 检测日期:2015年5月9日施工单位:北京市政建设集团有限责任公司 起 讫 桩 号:K106+000至K106+630左幅
砂密度γ(g/cm3): 1.391 灌砂桶内径(mm): 150
#REF!#REF!。
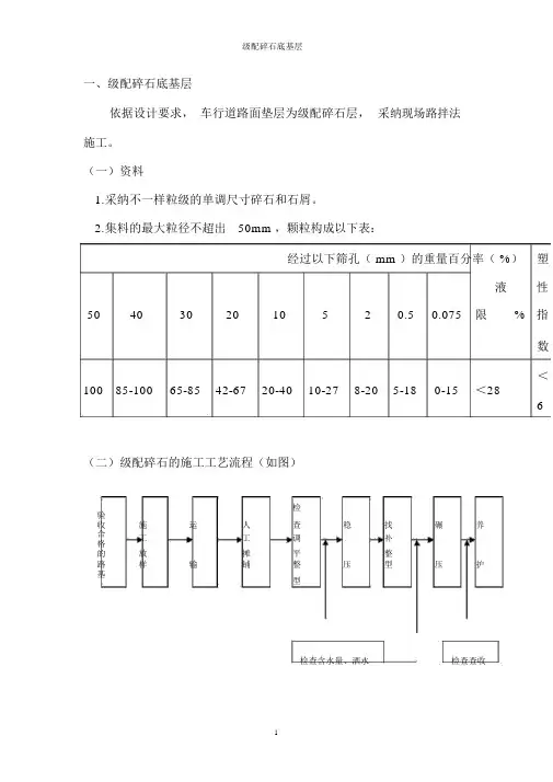
一、级配碎石底基层依据设计要求,车行道路面垫层为级配碎石层,采纳现场路拌法施工。
(一)资料1.采纳不一样粒级的单调尺寸碎石和石屑。
2.集料的最大粒径不超出50mm ,颗粒构成以下表:经过以下筛孔( mm )的重量百分率( %)塑液性5040302010520.5 0.075限%指数<100 85-100 65-85 42-67 20-40 10-27 8-20 5-18 0-15<286(二)级配碎石的施工工艺流程(如图)检验施人查找收运稳碾养合工工调补格的放摊平整路样输铺整压型压护基型检查含水量、洒水检查查收(三)施工程序1.查收合格的路基后,向监理单位报送“垫层动工报告单” ,经监理工程师赞同后才进行施工。
2.施工放样(1)在路基上恢复中线。
直线段每 10m 设一桩,平曲线段每 5m 设一桩,并在双侧路肩边沿外 0.5m 设指示桩。
(2)进行水平丈量。
在双侧指示桩上用显然标志标出垫层边沿的设计高。
3.运输(1)依据垫层的宽度、厚度及预约的干压实密度按确立的配合比计算级配碎石、黏土、砂的数目,并计算每车料的堆放距离。
(2)集料装车时,控制每车料的数目基真相等。
(3)集料由远到近按计算的距离卸置于路基上,严格控制卸料距离,防止料不够或过多。
(4)集料堆每隔必定距离留一缺口。
4.摊铺、整型(1)采纳人工分幅摊铺,摊铺前对路床中线纵横高程、宽度进行复核丈量,表面洁净,无杂物。
(2)按施工设计的段落数目上料,先铺碎石,再铺黏土,最后铺砂。
顺序摊铺,创建各工序连续作业条件。
(3)垫层按一层摊铺,加乘松铺系数( 1.3-1.35 )作为松铺厚度,垫层摊铺厚度为 13cm — 13.5cm 。
施工中频频检测虚厚高程及横断面使之切合设计要求,边线整齐。
5.碾压(1)摊铺长度到 60m 左右立刻洒水碾压,含水量控制达到规范要求。
(2)开始上碾稳压用轻碾,不开振动。
由路双侧向路中心逐次倒轴碾压,边沿处先碾压 3 遍,碾压全过程随时洒水,保持在最正确含水量的状况下碾压。
级配碎石(碎砾石)基层1、引用文件《城镇道路工程施工与质量验收规范》CJJ 1—20082、施工准备2.1作业条件级配碎石(碎砾石)的下承层通过各项指标验收,其表面平整、坚实,压实度、平整度、纵断高程、中线偏差、宽度、横坡度、边坡等各项指标必须符合有关规定。
运输、摊铺、碾压等设备及施工人员已就位;拌合击摊铺设备已调试运转良好。
施工现场运输道路畅通。
级配碎石(碎砾石)已检验、试验合格。
施工方案编制、审核、审批已完成。
施工前进行100~200m试验路段施工,采用计划用于主体工程的材料、配合比、压实设备和施工工艺进行实地铺筑试验,确定在不同压实条件下达到设计压实度时的松铺厚度、压实系数、压实机械设备组合、最少压实遍数和施工工艺流程等。
2.2材料及机具2.2.1材料1)轧制级配碎石的材料可谓各种类型的岩石(软质岩石除外)、砾石。
轧制碎石的砾石粒径应为碎石最大粒径的3倍以上,碎石中不应有黏土块、植物根叶、腐殖质等有害物质。
2)碎石中针片状颗粒的总含量应不超过20%。
3)级配碎石及级配碎砾石的颗粒组成及技术指标应满足表1.2.1-1的规定。
同时级配曲线宜为圆滑曲线。
表1.2.1-1级配碎石及级配碎砾石的颗粒范围及技术指标注:①潮湿多雨地区塑性指数宜小于6,其他地区塑性指数宜小于9。
②对于无塑性的混合料,小于0.075mm的颗粒含量组成接近高限。
③底基层所列为未筛分碎石颗粒组成范围。
4)级配碎石或级配碎砾石的压碎值应满足表1.2.1-2的规定。
表1.2.1-2 级配碎石及级配碎砾石压碎值5)碎石或碎砾石应为多棱角块体,软弱颗粒含量应小于5%;扁平细长碎石含量应小于20%。
2.2.2机具主要机械:装载机、推土机、摊铺机、平地机、压路机、水车、运输卡车等。
小型机具及检测设备:蛙夯或冲击夯、手推车;水准仪、全站仪、3m直尺、平整度仪、灌砂桶等。
一般机具:测墩、3mm或5mm直径钢丝绳、倒链、铝合金导梁等。
3、操作工艺3.1工艺流程准备下承层→施工放样→级配碎石(碎砾石)材料拌合→运输→摊铺(平地机布料、整平或摊铺机摊铺)→碾压→接缝处理→养护3.2 准备下承层下承层应平整、坚实,具有路拱。
级配碎石压实度取样标准及数量1. 前言嘿,大家好!今天我们来聊聊一个看似有点儿枯燥的话题——级配碎石压实度取样标准及数量。
别急,虽然听上去像是建筑工地上的“老干妈”,但其实这背后有着不少有趣的事儿,咱们慢慢说。
要知道,压实度这玩意儿,可是决定我们道路质量的重要因素,咱们可不能掉以轻心。
2. 级配碎石到底是个啥?2.1 级配碎石的定义首先,咱们得弄明白级配碎石是啥。
简单来说,就是把不同粒径的石料按一定比例混合在一起,就像做沙拉那样,既要有大块的,又得有小颗粒的,才能保证最后的“口感”好。
这玩意儿,听着不咋高大上,但一旦用到路面上,那可是真刀真枪的工程了。
2.2 为啥压实度这么重要?那么,压实度又是个啥呢?其实就是看这些石料压实之后的密实程度。
就像咱们在沙滩上踩的每一步,沙子会被压得越来越紧,压实度越高,路面就越稳。
反之,如果压实得不好,路面就可能出现坑洼,甚至还会影响到车辆的行驶安全,简直让人心惊胆战啊。
3. 取样标准与数量3.1 取样标准接下来,我们就得聊聊怎么取样。
这个可不是随便抓一把就完事的,得有标准。
一般来说,取样得遵循一定的规律,通常是根据施工现场的实际情况和设计要求来定。
要记住,取样就像抓鱼,得选对地方!如果你在不合适的地方取样,结果可就差得远了。
3.2 取样数量至于数量嘛,很多人可能觉得“多多益善”,但实际上,取样也不能过于频繁。
一般来说,施工段落每隔一定长度,或者是每个分层都得取样。
这样能保证数据的代表性,就像喝水,不能光喝一口,要喝得均匀,才能解渴呀!通常情况下,每200到300平米取一个样本,具体还得看项目的具体要求。
4. 实际操作中的小技巧4.1 确保取样设备齐全说到取样,大家最关心的自然是设备。
务必准备好所有的取样工具,比如取样器、秤、以及各种量具。
没有这些,“大干一场”的计划可就泡汤了。
可以想象,如果没有合适的工具,就像你去做饭却发现没有锅,真是哭笑不得。
4.2 定期校验设备设备使用久了,难免会出问题。
围墙的级配碎石粒径及压实度标准《围墙的级配碎石粒径及压实度标准》前言嘿,朋友们!咱们今天来聊聊围墙建设里一个很重要的事儿——级配碎石的粒径和压实度标准。
你看啊,围墙在我们的生活里到处都是,不管是住宅小院的围墙,还是工厂、学校的围墙,它们可不光是为了圈出一块地儿,还得结实、稳固呢。
这其中,级配碎石在围墙基础部分起着相当关键的作用。
就像盖房子打地基一样,这级配碎石要是没弄好,围墙可能就会摇摇晃晃,甚至倒下来,那可就麻烦大了。
所以啊,了解级配碎石粒径及压实度标准是很有必要的。
适用范围这个标准适用的场景可不少呢。
首先,对于咱们常见的砖砌围墙来说,在围墙基础底部铺设级配碎石,可以增加基础的稳定性。
比如说,在农村自己盖房子,围个小院的那种砖砌围墙,基础下面用符合标准的级配碎石,能让围墙经受住风吹雨打,几十年都稳稳当当的。
其次,在一些工业厂区的围墙建设中也同样适用。
工业厂区的围墙往往比较高大,承受的外力也更多,像可能会有大型车辆经过时产生的震动之类的。
这时候,合适的级配碎石粒径和压实度就能保证围墙基础不会因为这些外力而出现下沉或者裂缝。
还有啊,学校、公园等公共场所的围墙也在这个标准的适用范围内。
这些地方人员比较密集,如果围墙因为基础不稳固而出现问题,那可是很危险的。
所以,不管是哪种类型的围墙,只要涉及到使用级配碎石来做基础部分的,都得遵循这个粒径和压实度标准。
术语定义1. 级配碎石- 简单来说呢,级配碎石就是由不同粒径的碎石按照一定的比例混合而成的材料。
你可以想象一下,就像咱们做饭的时候,把不同大小的豆子或者米粒混合在一起一样。
这些不同粒径的碎石组合在一起,能让整个材料在填充到围墙基础里的时候,达到比较好的密实程度。
大粒径的碎石就像骨架一样撑起空间,小粒径的碎石就填充在大粒径碎石的空隙里,这样就使得基础更加稳固。
2. 粒径- 粒径就是指碎石颗粒的大小。
这个大小可不是随便定的,不同的粒径在级配碎石里有不同的作用。