船舶型线生成光顺系统SLINE与计算流体力学软件FLUENT的数据接口实现
- 格式:pdf
- 大小:295.09 KB
- 文档页数:4
船舶CAD/CFD一体化设计过程集成技术研究冯佰威刘祖源常海超程细得聂剑宁摘要传统的船型设计中,CFD大多用来检验CAD的设计结果,而不是用来驱动产品设计。
两者基本上处于“孤岛”状态,没有实现有机的集成。
为使CFD更好的服务于船舶总体设计,实现船舶CAD/CFD的一体化优化设计,需要针对现有的计算软件和设计模式,利用集成优化平台进行流程集成及数据集成。
本文采用集成优化平台iSIGHT初步实现了船舶三维建模软件、CFD计算分析软件之间的数据集成和过程集成,从而为基于CFD的多性能协同优化研究打下了基础。
关键词:CAD CFD 一体化设计数据集成过程集成中图分类号:U661.4 文献标识码:AThe research of process integration of the integratedoptimization of the ship CAD / CFDFeng Baiwei Liu Zuyuan Zhan Chengsheng Chang Haichao Cheng Xide(Wuhan University of Technology Traffic school Hu Bei Wuhan 430063)AbstractIn traditional ship design, CFD is mostly used to test the design results of CAD, rather than be used to drive product design. Basically, they are in condition of "isolated island", did not achieve the organic integration. In order to make CFD serve the overall design of the ship better, to realize the integrated optimization of the ship CAD / CFD, we need to make use of the integrated platform to carry out the process integration and data integration, according to the existing software and design patterns. In this paper, data and process integration are preliminarily implemented between ship CAD software and CFD computational analysis software through ISIGHT, which lay the foundation for the research of the multi-performance collaborative optimization based on CFD.Key Words:CAD CFD integration design data integration process integrationCLC number:U661.4 Document code:A引言随着计算机辅助设计技术(Comuputer Aided Design---CAD)的广泛应用和船舶计算流体力学(Computaional Fluid Dynamics---CFD)的迅速发展,船舶设计能力和水平都得到极大提高。
fluent介绍第1章绪论FLUENT是世界领先的CFD软件,在流体建模中被广泛应用。
由于它一直以来以用户界面友好而著称,所以对初学者来说非常容易上手。
FLUENT的软件设计基于CFD软件群的思想,从用户需求角度出发,针对各种复杂流动的物理现象,采用不同的离散格式和数值方法,以期在特定的领域内使计算速度、稳定性和精度等方面达到最佳组合,从而高效率地解决各个领域的复杂流动计算问题。
本章简要介绍CFD 的基本概念及原理,并阐述FLUENT的基本特点及分析思路。
CFD软件简介。
FLUENT的功能和特点。
FLUENT 6.3流体分析过程。
1.1 CFD软件简介1.1.1 CFD概述CFD是计算流体动力学的简写(Computational Fluid Dynamics),其基本的定义是通过计算机进行数值计算和图像显示,分析包含流体流动和热传导等相关物理现象的系统。
CFD进行流动和传热现象分析的基本思想是用一系列有限个离散点上的变量值的集合来代替将空间域上连续的物理量的场,如速度场和压力场;然后,按照一定的方式建立这些离散点上场变量之间关系的代数方程组,通过求解代数方程组获得场变量的近似值。
CFD可以看成在流动基本方程(质量守恒方程、动量守恒方程、能量守恒方程)控制下对流动的数值模拟。
通过这种数值模拟,得到复杂问题基本物理量(如速度、压力、温度、浓度等)在流场内各个位置的分布,以及这些物理量随时间的变化情况,确定旋涡分布特性、空化特性及脱流区等。
还可据此算出相关的其他物理量,如旋转式流体机械的转矩、水力损失和效率等。
此外,与CAD联合,还可进行结构优化设计等。
CFD具有适应性强、应用面广的优点。
由于流动问题的控制方程一般是非线性的,自变量多,计算域的几何形状和边界条件复杂,很难求得解析解,只有用CFD方法才有可能找出满足工程需要的数值解;而且,可利用计算机进行各种数值试验,例如,选择不同流动参数进行物理方程中各项有效性和敏感性试验,从而进行方案比较。
HD-SHM 2000船体建造系统船体型线交互三向光顺系统使用说明书编制:陆剑华审核:陶自强沪东造船厂计算机研究所CAD/CAM室一九九九年六月目录一、系统简介 (4)二、三向光顺的数学模型 (4)三、系统功能 (4)四、系统操作 (5)五、操作过程 (7)1 进入本系统 (7)2 主菜单 (9)3 型线显示控制 (9)4 光顺前处理 (11)4.1 光顺修改情况 (12)5 交互光顺子菜单 (12)6 单根型线的交互光顺 (13)6.1 修改一个型值点 (15)6.2 编辑型值点数据 (16)6.3 删除一个型值点 (17)6.4 恢复删除的型值点 (19)6.5 插值与网格线的交点 (20)6.6 增加一个控制点 (20)6.7 修改控制点类型 (20)6.8 自动粗光顺整根型线 (21)6.9 自动精光顺整根型线 (21)6.10 复原整根型线 (21)6.11 显示所有型值点信息 (21)7 插值整根型线 (22)8 定义或删除型线 (24)8.1 设置或修改船型信息 (24)8.2 增加新的型线或定义新甲板或定义新空间线或定义新肋骨间距 (24)8.3 删除已经定义了的型线 (25)8.4 修改甲板线、肋骨线或空间线的定义 (25)9 编辑型值表 (25)10 生成甲板线 (27)11 插值水线纵剖线交点 (28)12 肋骨线转站线 (28)13 站线自动三向光顺 (29)14 肋骨自动光顺 (30)15 生成肋骨型值表 (30)16 删除甲板以上的肋骨型值 (31)17 肋骨三向检查 (31)18 输出文件子菜单 (32)19 生成三向型线样条文件 (32)20 打印型值表 (32)21 生成肋骨样条文件 (33)22 打印加密的肋骨型值表 (33)23 存船体型值表 (34)六、型值表填表细节 (34)1 各型值表介绍 (34)1.1 站线水线、站线纵剖、肋骨水线、肋骨纵剖、纵剖水线交点表及它们的多值点表 (34)1.2 水线控制信息表 (34)1.3 纵剖控制信息表 (35)1.4 站线控制信息表 (35)1.5 甲板线型值表 (35)1.6 空间线型值表 (36)2 特殊型线的填表方法 (36)2.1 水线圆头的圆心线和切点线 (36)2.2 底平升高线 (36)2.3 艉封板线 (36)2.4 封闭剖面线 (37)七、新版本新概念 (37)1 控制点的控制类型(1.4版) (37)2 空间线类型(1.4版) (37)3 多根甲板中心线(2000版) (37)一、系统简介该系统是面向图形的交互三向光顺系统,它继承了自动三向光顺系统的所有功能,并增加了丰富的交互功能,是船体型线及至其他曲面光顺的良好工具。
计算流体力学在船舶流场计算中的应用研究随着船舶行业的快速发展,如何减少船舶的阻力和提高航速已成为船舶设计中的重要问题。
计算流体力学(CFD)是研究流体运动规律和流场现象的一种先进的数值模拟方法。
它以计算机为工具,将流体物理过程数值化分析,并通过数值模拟实验来预测流体力学问题的性质和变化。
本文将阐述计算流体力学在船舶流场计算中的应用研究。
1. CFD技术在船舶流场计算中的应用CFD技术应用在船舶流场计算中可以大大缩短航行试验和模型试验的时间,减少试验成本。
同时,CFD技术还可以提高试验数据的准确性,并且还可以研究更为复杂的流场现象。
CFD技术在船舶流场计算中的应用主要包括以下几个方面:1.1 船舶流阻力计算船舶的流阻力是影响航行速度和动力性能的主要因素之一。
通过CFD技术,可以分析流场内的速度场、压力场等重要参数,进而计算出船舶的流阻力。
因此,CFD技术在船舶流阻力计算中的应用可以提高船舶的航行效率,降低燃油耗费。
1.2 船舶流场分析CFD技术可以对复杂的流场进行数值模拟,包括涡流、湍流、激波等复杂现象。
通过对船舶流场的数值模拟,可以研究船舶在不同航行状态下的流场特性,如涡流结构、波浪、空气强化效应等。
此外,CFD技术还可以为船舶的气动、水动力学性能提供更深入的分析。
1.3 船体形状优化通过CFD技术模拟不同的船体形状,可以计算出相应的流场特性。
从而可以进一步优化船体形状,减少阻力,提高速度。
CFD技术在船体形状优化方面的应用可以加速设计过程,同时减少试验成本。
2. CFD技术在船舶流场计算中的挑战虽然CFD技术在船舶流场计算中具有重要的应用价值,但同时也存在一些挑战。
2.1 模型精度问题CFD技术需要对模型进行分段,对每个分段内的流体问题进行求解。
然而,在每个分段内,模型的几何形状、流动边界条件等均会影响到计算结果的精度。
因此,如何准确地建立模型,对模拟产生的误差进行判断和修正,是CFD技术在船舶流场计算中面临的重要问题。
船舶水动力集成设计系统设计与实现newmakerSHIDS(SHIP HYDRODYNAMICS INTEGRATED DESIGN SYSTEM)是中国船舶科学研究中心开发的船舶水动力性能集成设计系统。
以大方形系数低速船(以大型、超大型油轮为主)和中等方形系数中高速船(以大中型集装箱船为主)为研究对象,以船型和性能数据库为依托,对航行性能进行预报、评估和优化计算,由快速性、耐波性和操纵性综合观点确定满足用户要求的最合适的船型尺度和形状细节,从而能快速地设计出综合性能优良的船型。
如何将SHIDS系统集成于ANSYS Workbench平台中,充分利用Workbench平台易用、数据交换方便、扩展性强等特点,使SHIDS系统更加实用是设计实现的关键问题。
1. SHIDS系统框架及模块整个系统包含概念设计模块,船型生成、静水力、阻力预报、自航因子预报、操纵性预报、耐波性预报6个计算模块,线性预览、结果图形查看、文档查看、报表生成、项目管理等辅助功能模块及一个CFD计算接口。
图1 SHIDS系统框架2. ANSYS Workbench框架及二次开发方法Workbench框架提供了一个集成环境,允许用户同时运行多个应用程序,并且能实现工程数据和参数在各应用程序间的共享。
Workbench框架本身并不包含任何工程应用程序。
框架支持用户化开发,用户可以将自己或第三方的独立的应用程序整合到Workbench中,且与Workbench的版本无关。
图2 Workbench框架的基本构造解决方案Workbench用户开发工具允许用户针对某一产品或流程要求而建立起一套独特的工作流程或控制。
SDK是Workbench架构下集成其它外部程序的主要接口,脚本和XML提供了在Workbench环境下创建流程控制(Workbench仿真向导)的主要工具。
主界面Workbench界面中的菜单、工具栏都是以XML的形式组织的。
窗口设计的方法是首先将视图按照需要分割成不同的部分,然后在分割的视图区域中加载不同的内容,比如3D图形控件、树形结构、网页、文本文件等。
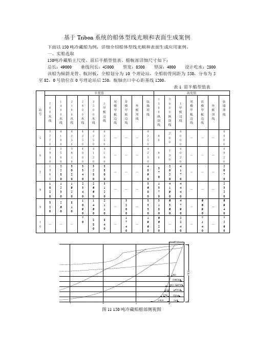
基于Tribon系统的船体型线光顺和表面生成案例下面以150吨冷藏船为例,详细介绍船体型线光顺和表面生成应用案例。
一、实船选取150吨冷藏船主尺度、前后半艏型值表、艏艉部详细尺寸如下:总长:49000 垂线间长:45000 型宽:8500 型深:4000 设计吃水:2800 该船为倾斜龙骨、艉封板,全船划分为10个理论站,全船肋骨间距为550,分布为-5至82,0号肋位在0号理论站后250,艉轴出口中心距基线1200。
表2 后半艏型值表图2 150吨冷藏船艉部侧视图图3 150吨冷藏船艏部水线图图4 150吨冷藏船艏部横剖面图图5 150吨冷藏船艏肋骨型线图图6 150吨冷藏船艉部水线图图7 150吨冷藏船艉部横剖面图图8 150吨冷藏船艉部肋骨型线图图9 150吨冷藏船水线图图10 150吨冷藏船侧视图图11 150吨冷藏船横剖面图Lines系统的功能是根据船体型值建立和光顺船体型线,生成船体表面曲面,供Tribon 系统船体曲面建模等其它模块使用。
Lines系统根据船体型值建立和光顺船体型线的过程是,首先生成轮廓线等边界曲线,再生成各站处的横剖面曲线,对横剖面线曲线进行光顺,根据光顺后的横剖面曲线插值水线和纵剖线,如果存在不光顺,则修改和光顺横剖面曲线,再插值水线和纵剖线,直至三个方向的剖面线均光顺为止。
根据光顺后的船体型线即可生成船体表面曲面。
一、创建一个Lines文件要建立一条船的型线,首先要创建一个Lines文件,Tribon系统中有类型为Lines的文件,用于保存一条船的船型相关数据,创建一个Lines文件的方法如下。
选择开始→程序→Tribon M3→Lines,启动Lines,进入Lines工作界面,如图4-1所示。
在下拉菜单File中选择New新建一个*.Lines文件,例如取名为150TLCC,如图4-2所示,然后点击New按钮保存。
图4-1 Lines工作界面图4-2 新建一个*.Lines文件对话框Lines文件创建后,以后每次使用只需打开和保存修改后的文件。
计算流体力学在船舶模拟中的应用在现代化的船舶设计与建造中,计算流体力学(Computational Fluid Dynamics, CFD)成为船舶设计与模拟中不可或缺的技术手段。
有些人对CFD并不陌生,但是,对从事CFD已久的人们来说,CFD技术的发展速度如此之快,以至于需要不断更新和学习新技术才能在竞争激烈的市场中保持一席之地。
接下来,本文将从以下几个方面探讨CFD在船舶模拟中的应用,包括CFD技术在船舶建模、CFD技术在船舶水动力学问题的数值模拟、CFD技术在船舶结构和材料设计中的应用以及CFD技术在船舶操纵和稳性问题的数值模拟。
1. CFD技术在船舶建模中的应用船舶CFD建模是CFD技术在船舶模拟中必不可少的一环。
CFD建模按照其精度和模型分别划分为几个等级,主要包括:物理模型、数学模型、计算模型和网格模型。
建立船舶CFD数值模型时,需要根据船体几何实体,采用三维有限体积法、有限元法等数学方法建立数学模型,同时需要考虑不同长度尺度下模型的精度与实际需求的匹配。
然后,使用CFD数值计算软件对船舶流场进行计算,同时改进计算精度,过程中还需注意模板设置、计算区域选择、边界条件和孔径参数等问题。
最终,通过CFD计算结果与实验测量结果进行验证,检验模型的可靠性。
2. CFD技术在船舶水动力学问题中的数值模拟CFD技术在船舶水动力学问题的数值模拟中起着举足轻重的作用。
船舶运动的水动力学问题主要包括船体运动、液面质心、倾覆、气泡噪声、抗风性能和垂直阻力等问题。
在进行船舶水动力学的数值模拟时,需要考虑悠长波、波浪、自由面等自然界的复杂问题,并用数学模型把这些因素考虑进来。
通过CFD技术,完成对流场、压力场、涡量等重要参数的计算,预测和优化船体流态和水力特性。
3. CFD技术在船舶结构和材料设计中的应用CFD技术在船舶结构和材料设计方面的应用,主要集中在模拟船体结构在极端环境下的受力情况,例如瞬时载荷和碰撞等。
FLUENT与Patran的接口实现及其在船舶力学中的应用吴龙周 冷文浩(中国船舶科学研究中心 无锡116信箱信息技术室, 214082)摘 要:本文结合当前FLUENT和Patran软件的特点,并针对船舶力学计算、流固耦合分析等的需要,阐述了两者接口开发的重要性。
文章还对FLUENT和Patran接口的功能、开发过程做了详细的介绍,并给出了应用的算例说明,对接口在船舶力学中的应用做了有启发性的展望。
关键词:FLUENT Patran 前后处理系统PCL 二次开发1 引 言1.1 FLUENT和Patran软件各自的优势FLUENT是专业的流体计算软件,具有强大的流场计算功能。
作为最通用的CFD软件包,用来模拟从不可压缩到高度可压缩范围内的复杂流动。
由于采用了多种求解方法和多重网格加速收敛技术,因而FLUENT能达到最佳的收敛速度和求解精度。
灵活的非结构化网格和基于解的自适应网格技术及成熟的物理模型,使FLUENT在转捩与湍流、传热与相变、化学反应与燃烧、多相流、旋转机械、动/变形网格、噪声、材料加工、燃料电池等方面有广泛应用。
FLUENT在流场计算领域的强大,得到了业界的充分肯定。
MSC.PATRAN最早由美国宇航局(NASA)倡导开发的, 是工业领域最著名的并行框架式有限元前后处理及分析系统,其开放式、多功能的体系结构可将工程设计、工程分析、结果评估、用户化身和交互图形界面集于一身,构成一个完整CAE集成环境。
其突出特点是: z实用性MSC.PATRAN的用户界面既容易使用又方便记忆。
这就意味着当有经验的使用者正专著于他们的问题而不是如何使用软件时, 那些新用户也可以很快成为熟练的使用者。
z完全的分析集成将世界先导的不同类型的分析软件和技术集成MSC.PATRAN一个公共的环境中共用一个模型, 为用户提供了其他任何软件所无可比拟的灵活性, 使用户能够在最短的时间内根据多种类型的仿真结果对产品的整体设计给出正确的判断, 提出相应的改进建议。
计算流体力学在船舶设计中的应用研究随着科技的不断发展,计算流体力学(Computational Fluid Dynamics, CFD)在船舶设计中的应用越来越广泛。
CFD是研究流体运动过程的数值计算方法,可以通过计算模拟流体力学的各种过程,对船舶的设计和性能进行优化。
一、CFD在船舶设计中的应用1. 流场分析CFD可以模拟船舶在运动过程中的流场情况,包括水流、气流等。
根据模拟得到的流场分析结果,可以进一步了解船舶的流阻、流场分布等特性。
在设计船舶时,可以通过调整船体的形状和尺寸来减少流阻,提高船速和燃油经济性。
2. 吸力分析在船舶的设计过程中,吸力是一个重要的指标,它关系到船舶在运动中所产生的液体动力。
通过CFD模拟,可以对船舶在行驶过程中所产生的吸力进行分析和评估,及时发现和解决吸力问题,提高船舶的耐力和安全性。
3. 推进器设计CFD也可以应用于推进器的设计和优化。
针对不同类型、不同运动状态的船舶,通过CFD模拟,可以得到不同推进器下的流场分析结果,进而优化推进器的设计。
这对提高船速和减少燃油消耗等方面具有重要意义。
4. 海浪性能分析海浪对于船舶的性能有着重要的影响,在船舶设计时需要充分考虑海浪的影响。
通过CFD模拟,可以模拟不同海况下船舶的运动性能,包括船体姿态变化、载荷情况、速度变化等。
这对于船舶的安全性、稳定性和可靠性有着重要的意义。
二、CFD在船舶设计中的优势1. 节省时间和成本CFD可以在计算机上进行数值模拟,避免了传统的模型试验过程,不仅节省了时间和成本,而且能够快速有效地得到各种设计方案的流场分析结果。
2. 提高设计水平和质量通过CFD模拟,设计师能够更加准确有效地评估不同设计方案的流场特性和性能表现,从而有针对性地调整船体的形状和尺寸,提高整个设计的水平和质量。
同时,也能够规避一些不可预测的因素和意外情况,减少风险。
3. 精度高、模型复杂度高CFD模拟具有较高的精度和可靠性,在模拟复杂流场和流体运动过程时表现出良好的性能。
利用fluent对全机的数值模拟●绪言很高兴能站在这儿给大家说说我最近的工作。
从今年7月份开始,我利用fluent作为工具,开始着手歼-8教练机的全机模拟。
下面我将谈到工作中遇到的一些问题和我的解决方法,肯请大家指正。
●网格的工具,机器配置gambit,双奔3◎866mhz,2G内存●数据处理原始数据文件是文本文件,给出了所有节点的笛卡儿座标,考虑用gambit 里的journel功能进行批处理生成节点,简单的小程序可以实现文本文件到journel脚本的转换。
总的节点数目约250万。
●做网格的基本思路网格生成的基本顺序是点联线,线围面,面围体,然后切分网格,其中每个过程都有很多方法可供选择,在这次工作中用的最多的方法分别是用nurbs 方法联线,用net surface(U-V)方法围面,用sti t ch方法围体现在进行到具体的gambit处理部分,我简单说说在工作中遇到的问题和处理方法:●尾翼和机体交线过于复杂交线过于复杂给围面带来了困难,同时也给将来的网格生成带来潜在的隐患,所以要进行合理的简化,重新作出一条简单的交线。
飞机尾部和尾翼分别略去这条edge后围面后求交依然得不到理想的结果,原因是尾部形状在这儿有个弯度,两个面直接求交并不理想。
我的处理方法是引进了第三个面。
过这两点连一直线,水平往外平移得到一个矩形,和尾翼面相交得到这条线,认为它就是交线。
●机翼与机体分离从这个图可以看到,从所得数据绘出得机翼并没有插入得机身里面,必须人为得把机翼往里延伸才能得到封闭的体。
处理方法是把这条edge拷贝一份,并适当放大后往里平移,然后uv围面,现在这两个面是相交的了,可以顺利找到两个面的交线,切完后机身是这个面,而机翼则去掉这条临时拷贝出的edge,换成交线重新围出。
●围机翼时候U-V方法失败在围机翼的面的时候有几个小问题,第一是在这个地方有个比较大的拐角,为了保持几何特征是分成两个面来围了,还有个问题是在翅膀靠里的这个面围成的时候,uv方法总是报错,后来去掉里边的某一个edge就通过了,由于这几个edge变化比较平稳,去掉其中一个几乎没有什么影响。
船舶设计中的计算流体力学应用在现代船舶设计领域,计算流体力学(Computational Fluid Dynamics,简称 CFD)已经成为一项不可或缺的重要工具。
它的应用为船舶设计带来了革命性的变化,极大地提高了设计效率和质量,降低了研发成本,并使得船舶的性能得到了显著提升。
计算流体力学是一门通过数值计算和模拟来解决流体流动问题的学科。
在船舶设计中,它主要用于分析船舶在水中的流动特性,包括阻力、推进效率、稳性、操纵性等方面。
通过建立船舶的数学模型,并利用高性能计算机进行数值模拟,可以得到船舶周围流场的详细信息,从而为设计优化提供有力的依据。
在船舶阻力的研究中,CFD 发挥着至关重要的作用。
船舶在水中航行时所受到的阻力主要包括摩擦阻力、兴波阻力和粘压阻力。
传统的阻力计算方法往往基于经验公式和模型试验,存在一定的局限性和误差。
而 CFD 可以准确地模拟船舶周围的流场,计算出各种阻力成分的分布和大小。
通过对不同船型和参数的模拟比较,可以快速找到最优的设计方案,以降低船舶的阻力,提高航行效率。
例如,在设计船舶的首部形状时,CFD 可以帮助分析不同的首型对兴波阻力的影响。
尖瘦的首部通常有利于减小兴波阻力,但可能会影响船舶的载货能力和稳性。
通过 CFD 模拟,可以在保证其他性能的前提下,找到兴波阻力最小的首部形状。
同样,在设计船舶的尾部形状时,CFD 可以优化螺旋桨的进流条件,提高推进效率,减少尾流中的能量损失。
除了阻力研究,CFD 在船舶推进系统的设计中也有着广泛的应用。
螺旋桨是船舶推进系统的核心部件,其性能直接影响着船舶的动力和经济性。
传统的螺旋桨设计方法主要依赖于经验和试验,需要制作多个物理模型进行测试,成本高且周期长。
而利用 CFD 技术,可以对螺旋桨的水动力性能进行精确模拟,包括推力、扭矩、效率等参数。
通过优化螺旋桨的叶片形状、螺距分布和叶数等参数,可以提高螺旋桨的效率,降低噪声和振动。
此外,CFD 还可以用于船舶的稳性和操纵性研究。
船舶CFD的发展和应用1引言船舶的水动力性能(快速性、适航性、操纵性)是由绕船的流场特性而决定,从理论上讲通过求解描述流场特性的流体动力学方程就能对相应的水动力性能做出预报。
然而,由于自由面的存在、船体几何形状复杂(特别是船尾)、附体较多,导致自由面水波、流体分离、旋涡等现象的出现,使得流场中的流动结构很复杂,即使有了描述流动过程的微分方程式也不可能得到解析解,因此,长期以来船模试验便成了研究船舶周围流场特性的一个必不可少的手段。
然而,船模试验不仅周期长、费用高、很难得到详细的局部流场信息,同时因为尺度效应,船模实际上并不能真实地再现实船的流动情况,存在很大的局限性。
新的水动力性能预报手段的引入己十分必要。
自1821年开始,纳维(Navier)等人考虑将分子问的作用力加入到欧拉方程中。
1845年,斯托克斯(Stokes)将这个分子间的作用力用粘性系数μ表示,并正式完成了Navier-Stokes方程,最终建立了粘性流体力学的基本方程,奠定了近代粘性流体力学的基础。
但是,由于方程式的非线性,解此方程,在数学上会碰到很大的困难瞳3。
随着人们对流动的深入了解、计算方法的发展及计算机水平的提高,求解粘性流动问题经历了由简到繁,由易到难的过程。
计算流体动力学兴起于20世纪70年代。
当时Fromm和Harlow发表了一篇名为“流体力学中的计算机实验”的文章,法国人Macagno则发表了一篇名为“流体力学模拟的某些新的方面”的文章。
随后几年里陆续出现了多种专门研究计算流体动力学及计算方法的杂志。
从此计算流体动力学进入了快速发展阶段。
在船舶性能研究领域,船舶CFD(Ship CFD,或者Naval Hydrodynamics)与计算流体动力学几乎同时起步,它以计算机为工具,通过数值求解船舶绕流场的控制方程,模拟船体运动,得到流场中的速度场和压力场,实现对船体水动力性能的研究。
第一篇关于船体粘性绕流数值计算的文章是Spalding教授的博士研究生Abdelmeguid的毕业论文—A method of predicting three—dimensional turbulent flows around ship’s hull。
船舶水动力性能的CFD模拟与优化设计船舶水动力性能是研究船舶在水中运动的重要领域之一。
为了提高船舶的航行速度、操纵性和能效,工程师们利用计算流体力学(CFD)模拟技术开展了大量的研究与优化设计工作。
本文将介绍船舶水动力性能的CFD模拟与优化设计方法,并探讨其在船舶工程领域中的应用。
1. 模型构建船舶的水动力性能主要包括波浪阻力、湍流阻力、粘性阻力和激波阻力等。
在进行CFD模拟前,首先需要构建船舶的几何模型。
根据不同的船舶类型和设计需求,可以选择不同的建模方法,如传统的离散几何模型或参数化设计模型。
通过建模软件,将船舶的几何形状转化为计算机可识别的几何信息,为后续的模拟分析做准备。
2. 网格划分在进行CFD模拟时,网格划分是非常重要的步骤。
网格的划分质量将直接影响模拟结果的准确性和计算效率。
通常情况下,船舶的复杂几何形状需要采用结构化或非结构化网格划分方法。
结构化网格适用于简单几何形状,而非结构化网格则适用于复杂几何形状。
通过优化网格划分,可以更准确地模拟和预测船舶在水中的运动行为。
3. 流场模拟在进行CFD模拟时,需要建立适当的物理模型和数值模型。
根据船舶运动的特性,可以选择合适的流体方程和边界条件。
在求解过程中,采用合适的数值方法和稳定性算法,以保证模拟结果的准确性和稳定性。
通过CFD模拟可以获取船舶在不同操作条件和流场环境下的运动特性,如阻力、流线和压力分布等。
4. 优化设计基于CFD模拟结果,可以进行船舶水动力性能的优化设计。
通过调整船体形状、推进系统和尾流控制等参数,可以改善船舶的流线型和水动力性能。
优化设计的目标往往是降低阻力、提高速度和操纵性,以及减少燃油消耗和排放。
通过多次CFD模拟和参数优化,可以找到最优设计方案,从而提高船舶的性能和效益。
5. 应用实例船舶水动力性能的CFD模拟与优化设计已经在实际工程中得到广泛应用。
例如,在船舶船型设计阶段,工程师们利用CFD模拟技术对不同船型进行了性能比较和优化设计;在推进系统设计阶段,CFD模拟可以帮助确定最佳螺旋桨参数和布局方案;在船舶舵系统设计阶段,CFD模拟可以预测船舶的转向性能和操纵稳定性。
船舶设计中的计算流体力学模拟研究近年来,随着计算机技术的迅猛发展和CFD(Computational Fluid Dynamics计算流体力学)技术的日益成熟,船舶设计中的CFD模拟研究变得越来越重要。
因为这可以帮助设计者更好地理解船舶的流体动力学特征,从而优化船体形状和推进器设备,以提高船舶的性能和安全性。
本文将介绍船舶设计中的CFD模拟研究的基本概念、方法和应用。
一、基本概念CFD技术是通过数值方法模拟流体运动和相互作用来研究流体动力学的科学和技术领域。
在船舶设计中,CFD模拟通常用于研究水动力和气动力性能,包括流阻力、气动阻力、推力效率、操纵性能、稳性和抗风浪能力等。
CFD模拟可以让设计者更好地预测船舶的性能,并且可以避免昂贵的物理试验和实验室测试。
二、CFD模拟方法在船舶设计中,CFD模拟通常包括以下步骤:1.建模建模是CFD模拟的第一步。
船舶的形状和结构可以通过计算机辅助设计软件(如CAD软件)进行建模,然后将其导入CFD 软件中进行模拟。
2.网格生成网格生成是CFD模拟的第二步。
通过数值方法将建模后的船舶形状离散化成一个个小的控制体积单元(如三角形、四面体等),并将这些单元组成三维网格。
这个过程决定了CFD模拟的准确性和效率。
3.流体物理参数设定在进行CFD模拟前,需要设定模拟的流体物理参数,如流体密度、黏度、温度、湍流模型等。
这些参数对于模拟结果的准确性和可靠性有着决定性的影响,不可轻视。
4.求解在设定好流体物理参数后,需要运用CFD软件对流体力学和相互作用进行模拟求解。
CFD软件采用数值方法求解Navier-Stokes方程组或二维/三维欧拉方程组,从而得出模拟结果。
5.后处理CFD模拟的最后一步是对求解结果进行后处理和分析,包括流线图、力学分析、流量流向分析、压力分布等,以评估船舶的性能和特点。
这些结果可以为设计者提供有价值的信息。
三、应用案例1.流体力学性能研究通过CFD模拟,可以研究船舶的流体力学性能,如水阻力、气动阻力、推力效率等。
fluent计算流体力学计算流体力学(Computational Fluid Dynamics,简称CFD)是一种数学建模和数值解算方法,用于研究流体运动和传热过程。
Fluent是一款广泛使用的CFD软件,它具有强大的求解器和用户友好的界面,被广泛应用于航空航天、汽车、能源等领域的工程设计和优化。
本文将探讨Fluent计算流体力学的基本原理、应用领域和优势。
一、基本原理Fluent计算流体力学的基本原理是根据流体运动的基本方程(连续性方程、动量方程和能量方程),结合适当的边界条件和材料参数,利用数值离散和迭代求解方法,计算流动场、温度场和压力场等物理量的分布。
通过在计算机上进行模拟实验,可以有效预测和分析各种复杂流动现象,如湍流、多相流和传热等。
二、应用领域Fluent计算流体力学在各个工程领域都有广泛的应用。
航空航天领域中,可以用于飞机机翼气动性能的优化设计、发动机内部流场的模拟和燃烧过程的研究等。
汽车行业中,可以应用于汽车外形优化、发动机冷却系统的设计和车内流场的模拟等。
能源领域中,可以用于核能反应堆的热工水力分析、风力发电机组的性能评估和燃料电池的流动场模拟等。
此外,Fluent还可以应用于化工、生物医学、建筑等领域的流体力学问题研究。
三、优势Fluent计算流体力学具有以下几个显著的优势:1. 精确性:Fluent采用高精度的数值算法和网格生成技术,能够精确地模拟和计算各种复杂的流动现象。
它可以提供准确的预测和分析结果,从而帮助工程师做出正确的决策。
2. 高效性:Fluent具有强大的求解器和并行计算能力,能够快速而高效地进行数值计算。
它可以在较短的时间内得到结果,大大提高了工程分析的效率。
3. 可视化:Fluent提供丰富的后处理功能,可以将计算结果以直观的方式呈现出来。
用户可以通过动画、图表、剖面分布等方式来观察和分析流动现象,更好地理解流体力学问题。
4. 用户友好性:Fluent具有直观的用户界面和完善的操作指引,使得用户能够轻松上手,快速完成模型建立、网格划分和求解过程。
计算流体力学在船舶线型优化中的应用对于计算流体力学来说,其是一门集计算数学、船舶流体力学以及计算机科学于一体的学科,以下是搜集的一篇探究计算流体力学的,供大家阅读参考。
在本文中,将以某船舶计算流体力学为例,在对传统实验流体力学试验计算结果基础上对改型以及船原型性能间的差异,并对CFD在船型优化中的优势进行一定分析。
在我国船舶计算流体力学以及计算机技术不断发展的情况,通过数值理论方式对船舶性能进行分析已经成为了重要、且较为新型的研究手段。
对于计算流体力学来说,其是一门集计算数学、船舶流体力学以及计算机科学于一体的学科,在现今船舶操纵性能、阻力性能以及推进性能积极研究的环境下,成为了对船舶性能进行研究、预报的重要工具。
作为一种对船型优化的新手段,其目前在我国内外得到了较多的应用,已经具有了较为成熟的 ___特点,且已经形成了较多的软件类型,应用在船舶升沉、流场以及船舶阻力计算当中。
虽然CFD理论方式在定量精度方面还存在着一定的不足,但依然能够为我们带来重要的提示,为我们线型阻力性能的评价以及比较具有重要的帮助。
对于RAPID软件来说,其是 ___船舶运输科学研究所从荷兰引进的CFD软件,对于该软件来说,其对非线性势流问题进行了较好的解决,即通过一系列线性问题的应用对非线性、完全稳定的问题解决方案进行得出。
在每一次迭代当中,问题都能够在同距自由液面一定距离位置通过等源网格方式的应用进行解决,并以同DAWSON较为类似的方式对自由液面条件进行处理,能够对船体周围稳定的波系、兴波阻力以及非粘性流进行计算。
同时,其也通过基于raised-panel方式的迭代应用对非线性的势流问题进行解决。
通过该软件的.应用,能够有效对兴波阻力以及波浪的形成情况进行减小。
在计算结构当中,其以可视化的方式对船体表面压力场分布、流线方向、船波系特性以及速度场分布等进行了显示,且在压力分布当中也对粘性流改善方向进行了指出。
通过计算获得的升沉、兴波阻力、波系等数据的应用,设计人员则能够更好的对其设计方案进行评估以及改进,对减少船舶阻力线型的改进方向进行判断。