初级钳工实际操作试题范文
- 格式:docx
- 大小:11.51 KB
- 文档页数:2
完整版)钳工技师实做试题钳工技师实际操作试题:方形组合试题要求:1.零件1(凸方形)和零件2(凹方形)在配合位置进行透光检查,配合间隙不得大于0.06mm。
2.零件1(凸方形)和零件2(凹方形)在装配位置的平面应该贴合,0.06mm的塞尺不能插入。
3.两个圆锥销应该紧密配合,其两端露出部分应符合一般装配技术要求。
考试场地:机械车间考试形式和时间:现场操作,时间为360分钟。
配合图:装配图:评分标准:考核项目:尺寸精度考核要求:28-0.03配分:15(两处)评分标准:超差无分考核项目:尺寸精度考核要求:33±0.02(两处)配分:8±0.10(四处)评分标准:超差无分考核项目:尺寸精度考核要求:68±0.02(两处)配分:6评分标准:超差无分考核项目:表面粗糙度考核要求:Ra 1.6(22处)配分:0.015评分标准:Ra值大1级无分考核项目:形位公差考核要求:AB 4(两处)、÷0.03AB 12(两处)、⊥0.03ABC 4(四处)配分:技术要求1 4、技术要求2 8、技术要求3 6评分标准:超差无分考核项目:组合尺寸精度考核要求:48±0.04、51±0.04、68±0.04(两处)配分:15评分标准:超差无分考核项目:安全文明考核要求:有关规定配分:4评分标准:违反有关规定,酌情扣总分1~50分评分表:题目:方形组合考生:配分:考试日期:用时(分钟):检测结果:评分标准:尺寸精度:超差无分表面粗糙度:Ra值大1级无分形位公差:超差无分组合尺寸精度:超差无分安全文明:不符合装配要求无分技术要求2和技术要求3需要满足的精度分别为48±0.04和51±0.04.此外,还需要考虑组合的问题。
在生产过程中,必须遵守安全文明的要求,以确保生产过程的安全性和文明性。
如果违反了相关规定,将会被酌情扣除1-50分的总分。
工具钳工(初级)实操模拟考试1、【判断题】注射机操作过程中应注意观察压力油的温度,液压油的理想工作温度应保持在45~50℃之间,一般在35~60℃范围内比较合适。
(√)2、【判断题】设备,工具的管理是车间生产管理的主要内容之一。
(×)3、【判断题】T4145坐标镗床保证坐标精度为0.04mm。
(×)4、【判断题】对于宽度不大的旋转体,可以认为其偏心重量是位于同一回转平面内的,我们把这样的不平衡旋转体称为静不平衡的旋转体。
(√)5、【判断题】新铣床验收中发现有几何精度误差,操作工作应负责进行修复。
(×)6、【判断题】调整X62W型铣床主轴轴承间隙时,应先松开紧固螺钉,用扳手勾住调节螺母,然后将主轴顺时针旋转至转不动后,再使主轴反转一个角度,以获得所需间隙。
(√)7、【判断题】使用手电钻时必须戴绝缘手套,换钻头时须拔下插头。
(√)8、【判断题】型模多推杆装配时,可将推杆与推杆孔进行选配,并将推杆孔入口处及推杆顶端倒成小圆角。
(√)9、【判断题】铰削铸铁件时,加煤油可造成孔径缩小。
(×)10、【判断题】圆柱度公差带形状是一个圆柱。
(×)11、【判断题】齿轮传动的传动比是主动齿轮与从动齿轮角速度(或转速)的比值。
(√)12、【判断题】检验砂轮主轴轴线与头架主轴轴线的等高度时,头架应在热态下检验。
(√)13、【判断题】切削时,切削速度越快,刀具磨损就越厉害。
(×)14、【判断题】镗床在作空载运转试验时,对温升没有要求。
(×)15、【判断题】杠杆千分尺同杠杆卡规类似,只能用于相对测量。
(×)16、【判断题】知识产权是一种财产权。
(×)17、【判断题】万能渐开线检查仪测量时,当测头移过的距离恰好与被测齿轮转过Ф角时的基圆展开弧长相适应时,测头必有理论渐开线位置(√)18、【判断题】在万能卧式铣床上用先对刀,后转动工作台的方法加工螺旋槽工件,影响槽的位置精度的主要因素是工作台回转中心对主轴旋转中心及工作台中央T形槽偏差过大。
钳工初级技能试题及答案一、选择题(每题2分,共20分)1. 钳工常用的测量工具不包括以下哪一项?A. 游标卡尺B. 千分尺C. 螺旋测微器D. 电子秤答案:D2. 钳工在进行工件加工时,以下哪项操作是错误的?A. 使用锉刀进行平面修整B. 用锤子敲打工件C. 使用锯条进行切割D. 使用砂纸进行抛光答案:B3. 钳工在安装工件时,常用的夹具是?A. 台虎钳B. 手摇钻C. 车床D. 铣床答案:A4. 下列哪种材料不适合用钳工方法加工?A. 钢B. 铝C. 塑料D. 玻璃5. 钳工在进行螺纹加工时,常用的工具是?A. 车刀B. 铰刀C. 丝锥D. 铣刀答案:C6. 钳工在进行孔加工时,通常使用哪种工具?A. 锉刀B. 锯条C. 钻头D. 铣刀答案:C7. 钳工在进行平面加工时,使用的工具是?A. 车刀B. 铣刀C. 锉刀D. 丝锥答案:C8. 钳工在进行工件定位时,通常使用哪种工具?A. 台虎钳B. 手摇钻C. 车床D. 铣床答案:A9. 钳工在进行工件的弯曲加工时,常用的工具是?B. 锯条C. 弯管器D. 车床答案:C10. 钳工在进行工件的焊接时,通常使用哪种设备?A. 电焊机B. 车床C. 铣床D. 钻床答案:A二、判断题(每题2分,共20分)1. 钳工在加工过程中,不需要使用任何测量工具。
(×)2. 钳工在进行工件加工时,必须确保工件的定位准确。
(√)3. 钳工在进行螺纹加工时,可以使用车床进行加工。
(×)4. 钳工在进行工件的切割时,可以使用砂纸进行切割。
(×)5. 钳工在进行工件的抛光时,可以使用锉刀进行抛光。
(×)6. 钳工在进行工件的安装时,可以使用台虎钳进行固定。
(√)7. 钳工在进行工件的弯曲加工时,可以使用车床进行弯曲。
(×)8. 钳工在进行工件的焊接时,可以使用电焊机进行焊接。
(√)9. 钳工在进行工件的钻孔时,可以使用锉刀进行钻孔。
初级钳工实际操作技能题库1. 考核题目:平面划线1.1 技术条件按照给定的图纸,在板料上划线。
1.2 设备、材料、工具:钢板、划规、划针、样冲、手锤1.3 考核时间:1小时《按照给定图纸在板料上划线》考核评分表姓名:准考证号:考核开始时间:考核终止时间:考评组长:考评员:考核日期:年月日2. 考核题目:錾削方法1.1 技术条件正确论述平面錾削、錾油槽、切断板料方法1.2 设备、材料、工具:錾子、手锤1.3 考核时间:0.5小时《论述錾削方法》考核评分表姓名:准考证号:考核开始时间:考评组长:考评员:考核日期:年月日3. 考核题目:锉削平键1.1 技术条件按图纸要求锉削平键至规定尺寸精度1.2 设备、材料、工具:锉刀、手锤、大布、毛刷、卡尺、角尺1.3 考核时间:1小时《锉削平键》考核评分表姓名:准考证号:考核开始时间:考评组长:考评员:考核日期:年月日1.1 技术条件叙述锯割棒料、管料、薄板料、锯槽的方法1.2 设备、材料、工具:手锯、虎钳1.3 考核时间:1小时《锯割方法》考核评分表姓名:准考证号:考核开始时间:考评组长:考评员:考核日期:年月日1.1 技术条件叙述标准麻花钻的刃磨、装夹和钻孔方法1.2 设备、材料、工具:钻头、虎钳、砂轮机、钻床1.3 考核时间:1小时《钻削方法》考核评分表姓名:准考证号:考核开始时间:考评组长:考评员:考核日期:年月日6. 考核题目:攻丝和套丝1.1 技术条件手动攻套丝方法1.2 设备、材料、工具:M12-16丝锥绞手、圆板牙架各一副(带丝锥板牙),活动扳手一支、平口起子1把1.3 考核时间:1小时《攻套丝方法》考核评分表姓名:准考证号:考核开始时间:考评组长:考评员:考核日期:年月日7. 考核题目:螺纹、螺栓连接装配1.1 技术条件叙述螺纹、螺栓连接装配方法1.2 设备、材料、工具:活络扳手1.3 考核时间:1小时《螺纹、螺栓连接装配》考核评分表姓名:准考证号:考核开始时间:考评组长:考评员:考核日期:年月日8. 考核题目:键连接和销连接装配1.1 技术条件叙述键连接和销连接的装配方法1.2 设备、材料、工具:活络扳手、手锤、大布、机油1.3 考核时间:1小时《键连接和销连接装配》考核评分表姓名:准考证号:考核开始时间:考评组长:考评员:考核日期:年月日9. 考核题目:轴承装配1.1 技术条件叙述轴承密封、游隙调整、装配方法1.2 设备、材料、工具:滚动轴承、手锤、铜棒等1.3 考核时间:1小时《轴承的装配》考核评分表姓名:准考证号:考核开始时间:考评组长:考评员:考核日期:年月日10. 考核题目:联轴节的装配(凸缘连轴节、十字沟槽连轴节)1.1 技术条件和要求现场模拟联轴器的装配方法1.2 设备、材料、工具:直尺、活络扳手1.3 考核时间:1小时《联轴节的装配》考核评分表姓名:准考证号:考核开始时间:考评组长:考评员:考核日期:年月日1.2 设备、材料、工具:手锤1.3 考核时间:1小时《管道连接的装配》考核评分表姓名:准考证号:考核开始时间:考评组长:考评员:考核日期:年月日1.2 设备、材料、工具:活络扳手、钳工起子1.3 考核时间:1小时《三角带传动的装配》考核评分表姓名:准考证号:考核开始时间:考评组长:考评员:考核日期:年月日。
初级钳工理论试题一、填空题1、三视图的投影规律为:(长对正)、(高平齐)、(宽相等)。
2、外螺纹的大径用(粗实)线来画。
3、千分尺螺旋部分的螺距为(0.5 )㎜。
4、精度为0、02㎜的游标卡尺,当零线对齐时,游标上的(50 )格与主尺上(49 )格对齐。
5、轴承外圈与轴承座采用(基轴制)配合内孔与轴采用(基孔制)配合。
6、在装配过程中,优先选用(基孔制)配合。
7、在齿轮传动中的惰轮,不改变(传动比),只改变(传动方向)。
8、平带传动的使用特点(结构)简单,适用于两轴(距离)较大的场合。
9、螺旋传动可方便的把主动件的(回转)运动转化为从动件的(直线)往复运动。
10、高速钢是(合金)钢。
11、铸铁的含碳量比钢含碳量(高)。
12、划线后尺寸公差要求达到(0.4 )㎜13、量具的种类很多,根据其用途和特点,可分为(万能量具)、(专用量具)和(标准量具)三种。
14、游标卡尺的尺身每一格为1㎜,游标共有50格,当两量爪并拢时,游标的50格正好与尺身的49格对齐,则该游标卡尺的读数精度为(0.02 )㎜。
15、在同一尺寸段里,标准公差值随公差等级的降低而(增大)(如IT6降至IT9 )。
16、齿轮传动按起结构特点可分为(平行轴传动)和(相交轴传动)、(交错轴传动)。
17、带传动中常用的带有(V带)和(平带)。
18、写出下列钢的代号:碳8钢是(T8);65锰是(65Mn)。
19、钳工常用的锯条长度是(300)㎜。
20、锉削精度可达(0.1)㎜。
21、基本的锉削方法有(顺向锉)、(交差锉)、(推锉)三种。
22、游标卡尺由刀口形的内、外(量爪)和深度尺组成。
23、游标卡尺按其读数值可分为0、1mm 、( 0.02mm )、0、05mm 。
24、千分尺的固定套筒上刻有间隔为0、5mm的刻线,微分筒圆周上均匀刻有50格。
因此,微分筒每转一格时,测微螺杆就移动(0.01 )mm。
26、形位公差分为形状公差和位置公差。
27、配合代号中,分子代号为H的均为基孔制,分母代号为h的均为基轴制。
初级钳工实际操作试题编号:得分:试题名称:L形镶配件一、图形及技术要求:图中有公差的尺寸为镶配件的基准尺寸。
1、件I、件II的毛坯由厚度为10mm的钢板气割而成(必须将气割渣清除干净),件I的毛坯尺寸为40mm×40mm;件II的毛坯尺寸为50mm×50mm。
2、由考试者将件I、件II用锯工锯成相应形状的出坯。
3、以件II的L形面为基准,将件I作为配作件,通过锉配的方式达到技术要求:配合间隔≦0.04mm,用0.05mm塞尺不入。
(件I端面配合间隙不作为考核范畴)4、定额时间240分钟(包括准备时间),超时扣分。
三、评分标准1.评分原则:在规定时间内完成,不加分也不扣分,每超3分钟扣1分,总超时30分钟收件,停止作业。
2.评分标准:检验员签字:评分员签字:日期:日期:第一编第一章一、刑事诉讼的特征:1.刑事诉讼是一种国家活动,是国家机关行使国家刑罚权的活动.2.刑事诉讼具有特定的任务,即通过刑事诉讼揭露犯罪,证实犯罪,追究犯罪人的刑事责任,惩罚犯罪人,保障无辜的人不受刑事追究.(刑事诉讼中国家权利的动用具有主动性、普遍性和深刻性的特点)3.刑事诉讼是在当事人和其他诉讼参与人的参加下进行的,尤其是当事人是刑事诉讼不可缺少的诉讼主体.4.刑事诉讼是依照法定的诉讼程序进行的.二、刑事诉讼法的概念 (p8~9)三、侦查权、检察权和审判权由专门机关依法行使的原则【简答题】法条(3)+主要内容第4条: 国家安全机关依照法律规定,办理危害国家安全的刑事案件,行使与公安机关相同的职权。
第290条: 军队保卫部门对军队内部发生的刑事案件行使侦查权。
对罪犯在监狱内犯罪的案件由监狱进行侦查。
军队保卫部门、监狱办理刑事案件,适用本法的有关规定。
四、以事实为依据,以法律为准绳原则-是处于核心地位的原则第6条人民法院、人民检察院和公安机关进行刑事诉讼,必须依靠群众,必须以事实为根据,以法律为准绳。
对于一切公民,在适用法律上一律平等,在法律面前,不允许有任何特权。
钳工操作技能考核题库钳工训练训练一:制作限位块如图1所示加工限位块。
图1 限位块1.备料:按备料图纸备料.2.工量具划线平台、方箱、游标高度尺、样冲、手锤、千分尺、游标卡尺、万能角度尺、锉刀、弓锯、刀口角尺、台钻、钻头、丝锥等。
3.根据所备材料首先选择两基准面。
4.划线步骤:(1)准备好划线所用的工量具,并对工件进行清理。
(2)划线:首先根据图1分别划出各已知水平位置线和垂直位置线,再画出左下角及右上角的倾斜线;然后用样冲在φ10mm及M8螺纹孔的圆心上冲眼,为钻孔做好准备。
5.钻孔和攻丝:在φ10mm及M8螺纹孔的圆心处钻孔,并在φ8孔处进行攻丝。
6.锯:根据图纸及划线,将多余之处锯掉,注意留出锉削余量。
7.锉:根据图纸及划线进行锉削,锉的过程中注意尺寸的测量和检验。
8.检验:对加工的限位块进行整体检验,至符合标准为止。
9.考核标准限位块考核标准如表l所示.训练二:制作凸形块如图2所示加工凸形块。
其余图2 凸形块1.备料:按备料图纸备料。
2.工量具划线平台、方箱、游标高度尺、样冲、手锤、千分尺、游标卡尺、万能角度尺、锉刀、弓锯、刀口角尺、台钻、钻头、丝锥等。
3.根据所备材料首先选择两基准面.4.划线步骤:(1)准备好划线所用的工量具,并对工件表面进行清理.(2)划线:首先根据图2分别划出各已知水平位置线和垂直位置线,然后用样冲在φ10mm及M8螺纹孔的圆心上冲眼,为钻孔做准备.5.钻孔和攻丝:在φ10mm及M8螺纹孔的圆心处钻孔,并在φ8mm孔处进行攻丝。
6.锯:根据图纸及划线将余量过大之处锯掉,注意留出锉削余量。
7.锉:根据图纸及划线进行锉削,锉的过程中注意尺寸的测量和检验。
8.检验:对加工的凸形块进行整体检验,至符合标准为止。
9.考核标准凸形块考核标准如表2所示。
附件:。
机修钳工(初级工)职业技能鉴定实操考核技术答辩题一、公共知识部分:1、何谓装配时的工艺规程?答:规定装配全部部件和整个产品的工艺过程以及所使用的设备和工具、夹具、量具等的技术文件,称为装配工艺规程。
2、修配法装配有哪些特点?答:⑴使零件的加工精度要求降低.⑵不需要高精度的加工设备,节省机械加工时间.⑶装配工作复杂化,装配时间增加,适于单件、小批生产或成批生产精度高的产品.3、零件在装配过程中的清理和清洗工作包括哪三方面?答:⑴装配前,要清除零件上残余的型砂、铁锈、切屑、研磨剂、油污等。
⑵装配后,必须清除装配中因配做钻孔、攻螺纹等补充加工所产生的切屑。
⑶试运转后,必须清洗因摩擦而产生的金属微粒和污物。
4、过盈连接的装配方法有哪些?答:压入配合法;热胀配合法;冷缩配合法;液压套合法;爆炸压合法。
5、整体式滑动轴承装配应按哪些步骤进行?答:压入轴套;将轴套定位;修整轴套孔;检验轴套的圆度误差及尺寸;检验轴套孔中心线对轴套端面的垂直度等。
6、试述紧键连接的装配要求?答:⑴紧键的斜度一定要与轮毂槽的斜度一致,否则套件会发生歪斜。
⑵紧键与槽的两侧应留有一定的间隙.⑶对于钩头斜键,不能使钩头紧贴套件的端面,必须留出一定的距离,以便拆卸。
7、试述圆柱销连接的装配技术要求?答:⑴保证销与销孔正确配合。
⑵保证销孔中心重合。
通常两孔应同时钻铰,并使孔壁表面粗糙度在Ra3。
2μm以下.⑶装配时,在销子上涂以机油,用铜棒垫在销子端面上,把销子打入孔中。
8、试述圆锥销连接的装配技术要求?答:⑴保证销与销孔的锥度正确,其贴合斑点应大于70%。
⑵保证销与销孔有足够的过盈量。
通常可用试装法测定,以销子能自由插入孔中的长度约占销子总长度的80%~85%为宜。
⑶用锤子敲入后,销子大小端微露出被连接件的表面(通常为销端的倒角)。
9、机械设备的修理一般包括哪些过程?答:机械设备修理的工作过程一般包括:修前准备;拆卸;修复或更换零件、部件;装配、调整和试运转、验收等步骤。
钳工实践操作测试 ——电机对中找正 注 意 事 项 1. 考试时间:60分钟。
2. 请首先按要求在试卷的标封处填写您的姓名、所在部门的名称。
3. 请仔细阅读测试要求,电机实物在工厂磁偶间; 4. 不要在试卷上乱写乱画,不要在标封区填写无关内容
一、 要求: 1. 工具(10分) 1) 正确选用工具,正确使用工具; 2) 不正确使用工具,1分/次; 3) 损伤工具:5分/次; 2. 安全(10分) 1) 劳保用品穿戴齐全(2分) 2) 遵守钳工工具安全操作规程(2分) 3) 无轻微事故、无未遂事故,无习惯性违章现象(6分) 3. 操作流程及方法(10分) 1) 操作流程规范(4分); 2) 方法合理(6分); 4. 完成质量(70分)
1) 在轴向端面、径向圆柱面允许跳动±毫米; 2) 在允差之内,跳动量每减少毫米,加1分; 3) 在允差之外,每超差毫米减2分,超差毫米以上,每毫米减4分; 4) 完成时间,每缩短10分钟加1分; 5) 用十字坐标法记录检测数据(10分)
: 电机地脚螺栓拧紧扭矩级):M8=23 Nm ;M10=44 Nm;M12=75 Nm;M14=120 Nm 从小电机侧向大电机侧观看百分表: a) 对中找正前(数据值及方位) b) 对中找正后(数据值及方位)
考 答
题
不
准 超 过
此 线。
钳工实操考试试题(5篇)第一篇:钳工实操考试试题千金药业钳工实操考试试题考试班级:考试时间:120分钟锉削平面1,并达到精度要求(30分)(使用工具有台斧钳、粗锉刀、精锉刀、角规、长方体工件)1、錾削平面使其达到尺寸要求(25分)(材料准备:台斧钳、铁锤、錾子、角规,直径为25mmX30mm的圆形棒料)毛坯图样:零件图样:2、使用游标卡尺(30分)(材料准备:游标卡尺、圆形棒料、长方体工件、螺母)分别测量外圆、内孔、长度3、安全文明生产(15分)钳工评分标准1、锉削评分标准:(1)锉削姿势:站立姿5分、锉刀的握法5分、动作操作5分(共15分)(2)尺寸精度15分(偏差0.02扣1分)2、錾削评分标准(25分)(1)錾削姿势:站立姿5分、锉刀的握法5分、动作操作5分(共15分)(2)尺寸精度10分(每偏差0.05扣2分)(3)有违规操作视情节扣分(例如用铁锤敲打釜钳的扣8分)3、游标卡尺(30分)测量三处:外圆、内孔、长度,每处分值为10分,读数每偏差0.02mm扣1分,偏差大于0.3mm,将取消该分值4、安全文明生产(15分)有下列行为的:严重违规操作、扰乱考场纪律、在考场内打闹等与考试无关的事,经监考员警告不改的,将取消该项考试成绩,停止该项目考试,离开考场。
第二篇:钳工实操下一站体验时光匆匆,转瞬间,为期一个月的钳工实操结束叻!我的体会是用八个字概括“虽然辛苦,但很充实”在还没实操之前,刚听到我们班轮到要钳工实操叻,我们都很开心!因为不用每天早早起床值日、也不用去食堂排队、更不用上早自习晚自习…由于实操的日子渐渐逼近!我们也很好奇,去向师兄师姐们打听有关实训。
有的说苦大于乐,有的说乐大于苦!这样的答案,不由得我们对钳工实训更迷惘叻!虽然说实训不用早起值日等,我们都很开心,但快乐的背后是要付出代价的!当经过钳工专业的老师一个星期的诉说钳工操作规程与安全时,我们开始有些紧张叻!在想锯子能把工件(一块铁)锯叻吗?能做出形状来么?等等的不解…实话说钳工实操是很枯燥、无味,也许一个动作,就要一整天的在工件上来来回回的做!当然,要是没有端正好心态、在做工件时没FeeL,是做不出一个好的作品!开始我的心情系满满疑问,经过一个月的钳工实操,让我认识到了钳工们的不易!同时也系为了对学生牢固树立吃苦耐劳、坚苦奋斗精神,在实训中不怕苦,不怕累,勤学苦练,扎扎实实地掌握操作技能。
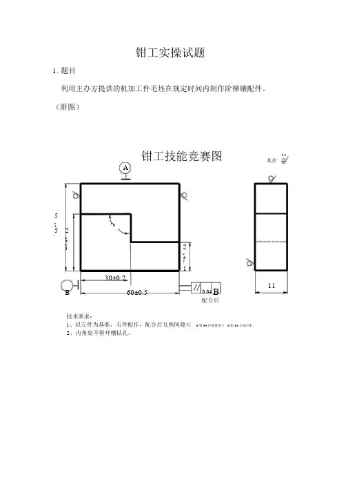
钳工实操试题1.题目利用主办方提供的机加工件毛坯在规定时间内制作阶梯镶配件。
(附图)钳工技能竞赛图A5.090 °±254 .±023.±5130±0.2B60±0.50.04 B配合后技术要求:1、以左件为基准,右件配作,配合后互换间隙≤0错.04位毫量米≤,0.配04合毫后米。
2、内角处不得开槽钻孔。
3.2其余112.评分标准:钳工技能竞赛评分表单位姓名考件名称直角配件总得分时间240min 实际操min超过时间min考核起定额作时间定额止时间序考核考核内容及要求配检测评分标准号项目分结果1锉15± 0.02mm(2 处 )10每超差0.02mm 扣 1 分2削30± 0.02mm(2 处 )10每超差0.02mm 扣 1 分330± 0.5m(2 处 )10不符合要求不得分锯4割15± 0.5mm(2 处 )10不符合要求不得分需錾削 2mm 左右厚度,完成后通知监考人员,监考5錾45± 0.5m(1 处 ) A 面20人现场根据錾削量、平整削情况给以评定,每超差0.10 mm 扣 2分,扣分不超过 10 分。
6间隙≤ 0.04mm(5 处 )25每超差0.01mm 扣 2 分 ,超差 0.02mm 以上不得分配每超差 0.01mm 扣 2 分, 超7错位量≤ 0.04mm5差 0.02mm 以上不得分860± 0.05mm5每超差0.05mm 扣 1 分9合对 B 面的平行度 0.045每超差 0.01mm 扣 2 分, 超差 0.02mm 以上不得分安安全每违反一项规定从总分中全按有关规定扣除 2分 ;发生重大事故者生产文取消考核资格明文明每违反一项规定从总分中生按有关规定生产扣除 2 分产未注公差按 IT14 要求每超差一处扣 2 分其它项目考件局部无缺陷酌情扣 1 一 5 分扣得备注分分可先錾削后再做配合扣分不超过10分从总分中扣除裁判组长:裁判员:日期:注: 每提前半小时交卷者加 2 分,以此类推 .加分最多不超过 10 分.2.实际操作竞赛要求及赛场纪律2.1.1 参赛板件材料由赛场指挥组提供,选手不得自带材料进入赛场内。
注意事项1.本试卷总分为100分,考试时间为4小时。
2.请首先按要求在试卷.上填写您的场次、工位号等信息,不要在试卷,上乱写乱画。
3. 参赛选手如果对试卷内容有疑问,应当先举手示意,等待裁判人员前来处理。
4.选手在竞赛过程中应遵守竞赛规则和安全操作规程,如有违反按照相关规定处理。
5.扰乱赛场秩序,干扰裁判的正常工作扣10分,情节严重者,经执委会批准,由裁判长宣布,取消参赛资格。
6.不准携带移动存储器材,不准携带手机等通讯工具,违者取消竞赛资格。
7.试题中“过程检测与记录”表中所列项目需裁判确认的部分,参赛选手须先举手示意,由裁判签字确认后有效。
8.试车时必须得到裁判的允许后,才能通电试运行;未试运行,试车项不得分。
9.在测量过程中,如裁判发现选手测量方法或选用量具不合理、不正确,可判定该项目未完成并不得分。
10.记录附表中数据用黑色水笔填写,表中数据文字涂改后无效;未经裁判核实的数据都是无效数值,该项目不得分。
11.选手应合理安排装调工作的顺序和时间。
计并礼坛图1.计算机绘图要求:(1)设置合适的绘图环境,其中尺寸标注及标题栏文字高度为3. 5mm; 按图1所示尺寸及样式绘制图框、标题栏并标注尺寸;(2)按1: 1比例绘制赛场提供的测绘模型;(3)完成相关尺寸标注及技术要求注写;(4)所有须绘制的图形应放在第一要求的图框中,所用时间包含在竞赛时间4个小时之内;(5)绘制图形如图2所示模型;2.图纸保存及上传要求:(1)在D盘里建立以场次、工位号为名称文件夹(例如第一场01号选手,文件夹名称为1-01)(2)在CAD界面选择打印按钮,在弹出的打印界面里:打印机名称选择DWGTo PDF, 打印样式表选择monochrome. ctb, 选择合适的图纸尺寸、打印范围及图形方向(3)点击打印按钮,以场次、工位号为命名的文件保存在D盘新建的文件夹里;(4)选手点击桌面右下角的“”图标,选择“提交作业”选项;(5)单击提交作业对话框中“目录”选项;(6) 在浏览文件夹对话框中左键双击D盘,选中选手建立的准备提交的考试文件夹((1)项文件)。
机修钳工(初级)实操考试1、【判断题】螺旋传动的优点是结构简单,承载能力大。
(√)2、【判断题】钻孔时,操作者应戴上手套工作。
(×)3、【判断题】工件应在夹紧后定位。
(×)4、【判断题】液压系统的泄露是由于液压油中混油空气。
(×)5、【判断题】螺纹精度由螺纹分差的旋合长度组成。
(√)6、【判断题】普通螺纹标注中,中等旋合长度用字母N表示。
(√)7、【判断题】铣床上用的是片式摩擦离合器。
(×)8、【判断题】Ⅱ类工具可以提供接地保护。
(×)9、【判断题】保护好搬运及吊装装置,凡属未清洗过的滑动面严禁移动,以防损伤设备。
(√)10、【判断题】平面位置放线时,较长的基础可用经纬仪或吊线的方法,确定中心点,然后划出平面位置基准线。
(√)11、【判断题】手动夹紧机构要有自锁作用,原始作用力去除后工件仍保持夹紧状态。
(√)12、【判断题】合理选择和使用砂轮,采用优化的磨削用量,使大量切削液可以防止轧辊修磨时的缺陷,提高砂轮的寿命。
(√)13、【判断题】显示剂的使用,粗刮时调得稠些,涂在工件表面应薄而均匀。
(×)14、【判断题】垫铁放置方法还有座浆法;机组各组垫铁位置确定后,用扁铲对其进行加工,以避免产生孔洞。
(√)15、【判断题】铰链磨损是开式链传动的主要失效形式。
(√)16、【判断题】机床切削精度检查实质是对机床的几何精度和测量精度在切削和加工条件下的一项综合考核。
(×)17、【单选题】车床端面精车时试件的直径规定为( )。
(A )A、200mmB、250mmC、300mmD、350mm18、【单选题】圆柱形和( )研具主要用于研磨工件的内外圆柱和内外圆锥面。
(B )A、圆形B、圆锥形C、正方形D、方体19、【单选题】以下选项中,最可能造成砂轮机无法正常启动的选项是:( )。
(A )A、砂轮机的外部电源有故障B、砂轮主轴径向跳动量较大C、砂轮主轴轴向跳动量较大D、砂轮机的平衡没有调好20、【单选题】铣床的一级保养不包括:( )。
初级钳工考试题库第一章:钳工基础知识1. 什么是钳工?钳工是一种机械基础工种,主要负责金属制品的加工、修理和维护。
他们使用各种手工和机械设备来进行切削、折弯、钻孔等操作。
2. 钳工的工作职责包括哪些?钳工的工作职责主要包括:- 阅读和理解图纸和工艺文件。
- 使用手工工具和机械设备进行加工和修理。
- 检查和测量加工零件的尺寸精度。
- 进行设备维护和保养。
3. 钳工的工作需要哪些技能?钳工需要具备以下技能:- 熟悉机械制造的基本原理和工艺。
- 熟练使用各种手工工具和机械设备。
- 具备良好的数学和测量技能。
- 具备良好的沟通和团队合作能力。
第二章:常见加工工艺1. 切削切削是钳工最常用的加工工艺之一。
它通过切割、铣削、车削等方法将金属材料切削成所需形状和尺寸。
2. 钻孔钻孔是钳工加工中常见的工艺,它通过旋转的钻头在工件上钻出孔洞。
3. 折弯折弯是将金属材料弯曲成所需形状和角度的工艺。
钳工常使用折弯机和模具来完成这一过程。
4. 焊接焊接是将两个或多个金属材料通过熔化后重新结合在一起的工艺。
它常用于制作金属构件和拼接零件。
5. 螺纹加工螺纹加工是在金属材料上切割出螺纹的工艺。
螺纹用于连接和固定零件。
第三章:钳工安全知识1. 钳工工作中存在哪些安全风险?钳工工作中存在以下安全风险:- 刀具和机械设备的伤害风险。
- 高温和电焊过程中的火灾风险。
- 噪音和粉尘对员工健康的危害。
2. 如何减少钳工安全风险?减少钳工安全风险的方法包括:- 使用个人防护装备,如安全眼镜和耳塞。
- 遵循正确的操作程序和使用工具。
- 定期维护和检查机械设备,确保其安全性。
- 做好工作场所的通风和防火措施。
第四章:钳工实操技能1. 使用手工工具钳工常使用各种手工工具,包括螺丝刀、扳手、钳子等。
掌握正确的使用方法和保养技巧是钳工实操的重要一环。
2. 机械设备操作钳工还需要掌握各种机械设备的操作技巧,包括钻床、车床、折弯机等。
准确操作设备有助于提高工作效率和质量。
初级钳工实际操作试题编号:得分:
试题名称:L形镶配件
一、图形及技术要求:图中有公差的尺寸为镶配件的基准尺寸。
1、件I、件II的毛坯由厚度为10mm的钢板气割而成(必须将气割渣清除干净),件I的毛坯尺寸为40mm×40mm;件II的毛坯尺寸为50mm×50mm。
2、由考试者将件I、件II用锯工锯成相应形状的出坯。
3、以件II的L形面为基准,将件I作为配作件,通过锉配的方式达到技术要求:
配合间隔≦,用塞尺不入。
(件I端面配合间隙不作为考核范畴)
4、定额时间240分钟(包括准备时间),超时扣分。
三、评分标准
1.评分原则:
在规定时间内完成,不加分也不扣分,每超3分钟扣1分,总超时30分钟收件,停止作业。
2.评分标准:
检验员签字:评分员签字:日期:日期:。