参考:机泵类设备安装工程检验批表格(5)
- 格式:doc
- 大小:223.57 KB
- 文档页数:7
设备安装检验批表格SY4201-2016
《施工质量验收规范》――
工程划分及检验批质量验收记录
一
设备安装工程
第1部分:机泵类设备
附表1 机泵类设备工程项目划分
附表2 机泵类子分部工程质量控制资料核查记录
泵安装工程检验批质量验收记录
(SY4201.1-2016)
压缩机安装工程检验批质量验收记录(SY4201.1-2016)
燃气轮机安装工程检验批质量验收记录
(SY4201.1-2016)
电动机安装工程检验批质量验收记录 (SY4201.1-2016)
风机安装工程检验批质量验收记录
(SY4201.1-2016)
抽油机安装工程检验批质量验收记录 (SY4201.1-2016)
搅拌器安装工程检验批质量验收记录
(SY4201.1-2016)
《施工质量验收规范》――
工程划分及检验批质量验收记录一
设备安装工程。
水泵安装检验批施工质量验收表1. 项目信息
- 项目名称:[项目名称]
- 施工单位:[施工单位]
- 施工地点:[施工地点]
- 施工日期:[施工日期]
- 监理单位:[监理单位]
2. 检验批信息
2.1 检验批编号:[检验批编号]
2.2 设备信息
3. 施工质量验收内容
3.1 安装验收
- [安装项1]:[验收结果]
- [安装项2]:[验收结果]
- [安装项3]:[验收结果]
3.2 电气连接验收
- [电气连接项1]:[验收结果]
- [电气连接项2]:[验收结果]
- [电气连接项3]:[验收结果]
3.3 运行试验
- [运行试验项1]:[验收结果]
- [运行试验项2]:[验收结果]
- [运行试验项3]:[验收结果]
4. 验收结论
根据以上施工质量验收内容的检查结果,经评定验收合格。
5. 验收人员
- 施工单位代表:[施工单位代表姓名]
- 监理单位代表:[监理单位代表姓名]
6. 验收日期
- 年月日
以上内容作为水泵安装检验批施工质量验收表,供各方参考。
如有任何异议,请及时提出。
水泵安装检验批验收记录表完整优秀版
1. 项目名称:{项目名称}
2. 施工单位:{施工单位}
3. 施工地点:{施工地点}
4. 验收人员:
- 主要负责人:{主要负责人名称}
- 协助人员:{协助人员名称}
5. 验收日期:{验收日期}
6. 验收内容:
7. 验收结论:
本次水泵安装经过全面的检验和验收,各项项目均符合设计要
求和施工标准。
在施工过程中,施工单位严格按照要求进行施工,
质量得到有效控制,各项安全措施也得到了妥善安排和落实。
经过
调试,水泵工作正常,无异常现象。
因此,认定本次水泵安装完成,验收合格。
8. 验收人员签字:
主要负责人签字:___________________
日期:___________________
协助人员签字:___________________
日期:___________________。
《施工质量验收规范》――工程划分及检验批质量验收记录一设备安装工程第1部分:机泵类设备附表1 机泵类设备工程项目划分附表2 机泵类子分部工程质量控制资料核查记录泵安装工程检验批质量验收记录(SY4201.1-2016)压缩机安装工程检验批质量验收记录(SY4201.1-2016)燃气轮机安装工程检验批质量验收记录(SY4201.1-2016)电动机安装工程检验批质量验收记录(SY4201.1-2016)风机安装工程检验批质量验收记录(SY4201.1-2016)抽油机安装工程检验批质量验收记录(SY4201.1-2016)搅拌器安装工程检验批质量验收记录(SY4201.1-2016)《施工质量验收规范》――工程划分及检验批质量验收记录一设备安装工程第2部分:塔类设备附表1 塔类设备安装工程划分附表2 塔类子分部工程质量控制资料核查记录塔体安装检验批质量验收记录(SY4201.2-2016)塔体分段组焊检验批质量验收记录(SY4201.2-2016)塔内件安装检验批质量验收记录(SY4201.2-2016)一设备安装工程第3部分:容器类设备附表1 容器类设备安装工程划分附表2 塔类子分部工程质量控制资料核查记录容器安装工程检验批质量验收记录附件安装工程检验批质量验收记录(SY4201.3-2016)撬装设备安装工程检验批质量验收记录(SY4201.3-2016)一设备安装工程第4部分:炉类设备附表1 炉类设备安装工程划分附表2 炉类子分部工程质量控制资料核查记录锅炉本体安装工程检验批质量验收记录(SY4201.4-2016)辅机、附件安装工程检验批质量验收记录(SY4201.4-2016)调试和试运检验批质量验收记录(SY4201.4-2016)加热炉安装工程检验批质量验收记录(SY4201.4-2016)附件安装工程检验批质量验收记录(SY4201.4-2016)。
机泵类设备安装工程检验批
设备安装工程
第1部分:机泵类设备
注水泵安装工程检验批质量验收记录
(SY4201.1-2007)
表1.1
输油泵组安装工程检验批质量验收记录
(SY4201.1-2007)
表1.2
(SY4201.1-2007)
表1.3
(SY4201.1-2007)
表1.4
(SY4201.1-2007)
表1.5
(SY4201.1-2007)
表1.6
螺杆泵安装工程检验批质量验收记录
(SY4201.1-2007)
表1.7
压缩机安装工程检验批质量验收记录
(SY4201.1-2007)
表1.8
风机安装工程检验批质量验收记录
(SY4201.1-2007)
表1.9
游梁式抽油机安装工程检验批质量验收记录
(SY4201.1-2007)
表1.10
燃气轮机机体安装工程检验批质量验收记录
(SY4201.1-2007)
表1.11
燃气轮机试运转检验批质量验收记录
(SY4201.1-2007)
表1.12
附录C
(规范性附录)
分部(子分部)工程质量控制资料核查记录
机泵类设备分部(子分部)工程质量控制资料应按表C.1进行核查。
圆筒形小型贮罐安装检验批质量评定表
沉降槽安装工程槽体制作安装工程检验批质量评定表
贮罐安装分项检验批评定表
皮带电子秤安装工程检验批质量评定表
泵安装工程检验批质量评定表
布袋收尘器分项检验批质量评定表
锅炉安装工程检验批质量验收记录(共2页)
续表
圆盘给料机安装工程检验批质量评定表
电磁振动给料机安装工程检验批质量评定表
清理机安装工程检验批质量评定表
残极抛丸清理机安装工程检验批质量评定表
磷铁环清理滚筒安装工程检验批质量评定表
电解质清理机安装工程检验批质量评定表
冷却塔安装工程检验批质量评定表
固定式皮带输送机安装工程检验批质量评定表
输送机组安装工程检验批质量评定表
鄂式破碎机安装工程检验批质量评定表
反击式破碎机安装工程检验批质量评定表
锤式破碎机安装工程检验批质量评定表
除尘设备安装工程检验批质量评定表
旋涡除尘设备安装工程检验批质量评定表
斗式提升机安装工程检验批质量评定表
螺旋输送机安装工程检验批质量评定表
桥式起重机安装工程检验批质量评定表
电动单梁悬挂起重机安装工程检验批质量评定表。
(SY4201.1-2007)
表1.3
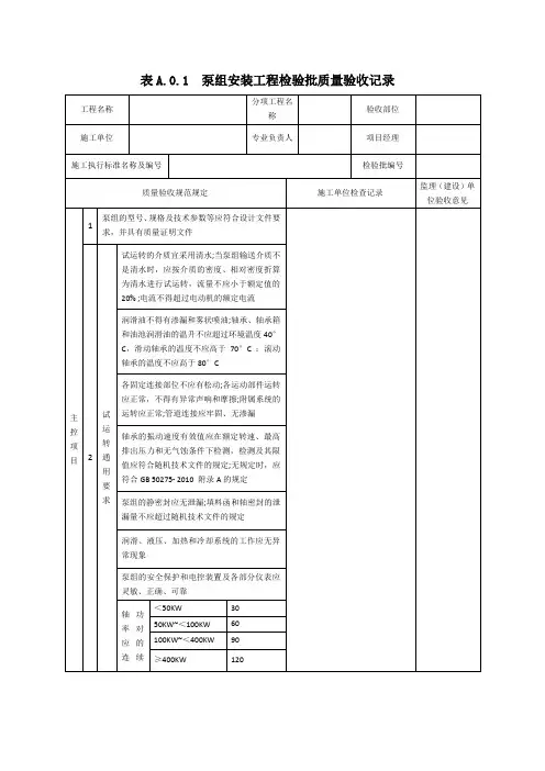
工程名称
天然气液化项目工业安装工程
XXX单位工程XXX分部(子分部)工程
分项工程离心泵安装验收部位
施工单位建设集团有限公司专业负责人项目经理
执行标准石油天然气建设工程施工质量验收规范设备安装工程第1部分机泵类设备
SY4201.1-2007
检验批号质量验收规范规定施工单位检查评定记录
监理/建设单位
验收记录
主控项目型号规格、性能参
数、尺寸及外观质量
6.2.1
基础验收及承重面
预留垫铁高度
6.2.2
地脚螺栓、螺母、垫
片、材质和规格
6.2.3,6.2.4 垫铁材质、规格及安
放位置和距离
6.2.5,6.2.6 地脚螺栓安放及预
留孔灌浆
6.2.4,6.2.7 泵体找正 6.2.8
泵试运转 6.2.9
一般项目安装时基础
混凝土强度
6.3.1
地脚螺栓安装/灌浆 6.3.2,6.3.3
垫铁安放及泵调平 6.3.4,6.3.7
联合底座安装
及无垫铁安装
6.3.5,6.3.6
电机底座上垫板与
机爪接触面
6.3.13
泵
调
平
找
正
允
许
偏
差
安装基准线
允许偏差
纵横中心5mm
标高±5mm
泵体水平度
允许偏差
整体
安装
纵向≤0.10‰
横向≤0.20‰
无底座
纵向≤0.05‰
横向≤0.05‰试运转 6.3.15
施工单位检查评定结果
项目专业质量检查员:年月日监理(建设)单位
验收结论
监理工程师(建设单位项目代表):年月日
(SY4201.1-2007)
表1.5
工程名称
天然气液化项目工业安装工程
XXX单位工程XXX分部(子分部)工程
分项工程轴流泵安装验收部位
施工单位建设集团有限公司专业负责人项目经理
执行标准石油天然气建设工程施工质量验收规范设备安装工程第1部分机泵类设备
SY4201.1-2007
检验批号质量验收规范规定施工单位检查评定记录
监理/建设单位
验收记录
主控项目设备型号、规格、性能、参数、
尺寸、外观质量
6.2.1
基础混凝土验收及承重面预
留垫铁高度
6.2.2
地脚螺栓、螺母、垫片、材质
和规格
6.2.3,6.2.4 垫铁材质、规格及安放位置和
距离
6.2.5,6.2.6 地脚螺栓安放及预留孔灌浆 6.2.4,6.2.7 泵找正 6.2.8
泵试运 6.2.9
一般项目泵安装时基础
混凝土强度
6.3.1
地脚螺栓安装及灌浆 6.3.2,6.3.3
垫铁安放及泵调平 6.3.4,6.3.7
泵调平找正 6.3.11,6.3.12
泵
调
平
找
正
允
许
偏
差
安装基准线
允许偏差
纵横
中心5mm
标高±5mm
泵体及驱动
装置水平度
允许偏差
整体
安装
单层基础≤0.20‰
双层基础≤0.05‰
无底座
泵座法兰面≤0.05‰
联轴器面和
中间轴端面
≤0.03‰
施工单位检查评定结果
项目专业质量检查员:年月日
监理(建设)单位
验收结论
监理工程师(建设单位项目代表):年月日
(SY4201.1-2007)
表1.6
工程名称
天然气液化项目工业安装工程
XXX单位工程XXX分部(子分部)工程
分项工程齿轮泵安装验收部位
施工单位建设集团有限公司专业负责人项目经理
执行标准石油天然气建设工程施工质量验收规范设备安装工程第1部分机泵类设备
SY4201.1-2007
检验批号
质量验收规范规定施工单位检查评定记录
监理/建设单位
验收记录
主控项目泵设备型号、规格、性能、
参数、尺寸、外观质量
6.2.1
基础混凝土验收及承重
面预留垫铁高度
6.2.2
地脚螺栓、螺母、垫片、
材质和规格
6.2.3,6.2.4
垫铁材质、规格及安放位
置和距离
6.2.5,6.2.6
地脚螺栓安放及预留孔
灌浆
6.2.4,6.2.7 泵体找正 6.2.8
泵试运转 6.2.9
一般项目
泵安装基础
混凝土强度
6.3.1
地脚螺栓安装及灌浆 6.3.2,6.3.3
垫铁安放及泵体调平 6.3.4,6.3.7
底座
泵体
安装基准线
允许偏差
纵横
中心
5mm
标高±5mm
施工单位检查评定结果
项目专业质量检查员:年月日
监理(建设)单位
验收结论
监理工程师(建设单位项目代表):年月日
(SY4201.1-2007)
表1.7
工程名称
天然气液化项目工业安装工程
XXX单位工程XXX分部(子分部)工程
分项工程螺杆泵安装验收部位
施工单位建设集团有限公司专业负责人项目经理
执行标准石油天然气建设工程施工质量验收规范设备安装工程第1部分机泵类设备
SY4201.1-2007
检验批号质量验收规范规定施工单位检查评定记录
监理/建设单位
验收记录
主控项目型号、规格、性能、参
数、尺寸、外观质量
6.2.1
基础混凝土验收及承
重面预留垫铁高度
6.2.2
地脚螺栓、螺母、垫片、
材质和规格
6.2.3,6.2.4 垫铁材质/规格、安放位
置及距离
6.2.5,6.2.6 地脚螺栓安放及预留
孔灌浆
6.2.4,6.2.7 泵找正 6.2.8
泵试运 6.2.9
一般项目泵安装时基础
混凝土强度
6.3.1
地脚螺栓安装及灌浆 6.3.2,6.3.3
垫铁安放及泵调平 6.3.4,6.3.7
采用联合底座安装
及无垫铁安装
6.3.5,6.3.6
电机底座垫板与机爪
间隙
6.3.13
试运转 6.3.15
底座
泵体
安装基准线
允许偏差
纵横中心线5mm
标高±5mm
泵体水平度
允许偏差
整体
安装
纵向≤0.10‰
横向≤0.20‰
无底座
纵向≤0.05‰
横向≤0.05‰
施工单位检查评定结果
项目专业质量检查员:年月日监理(建设)单位
验收结论
监理工程师(建设单位项目代表):年月日
(SY4201.1-2007)
表1.8
工程名称
天然气液化项目工业安装工程
XXX单位工程XXX分部(子分部)工程
分项工程压缩机安装验收部位
施工单位建设集团有限公司专业负责人项目经理
执行标准石油天然气建设工程施工质量验收规范设备安装工程第1部分机泵类设备
SY4201.1-2007
检验批号
质量验收规范规定施工单位检查评定记录
监理/建设单位
验收记录
主控项目出厂合格证和技术文件7.2.1 设备基础验收7.2.2 管道吹扫及清洗7.2.3 循环油系统试运行7.2.4
无负荷试运转7.2.5
负荷试运转7.2.6
一般项目
地脚螺栓安装7.3.1
垫铁安装7.3.2
无垫铁安装7.3.3
压缩机安装7.3.4
施工单位检查评定结果
项目专业质量检查员:年月日监理(建设)单位
验收结论
监理工程师(建设单位项目代表):年月日
风机安装工程检验批质量验收记录
(SY4201.1-2007)
表1.9
工程名称
天然气液化项目工业安装工程
XXX单位工程XXX分部(子分部)工程
分项工程风机安装验收部位
施工单位建设集团有限公司专业负责人项目经理
执行标准
石油天然气建设工程施工质量验收规范设备安装工程第1部分机泵类设备
SY4201.1-2007
检验批号
质量验收规范规定施工单位检查评定记录
监理/建设单位
验收记录
主控项目型号、规格及随机资料8.2.1 基础复查8.2.2
风机试运转8.2.3
一般项目
地脚螺栓安装8.3.1
垫铁安装8.3.2
风机与电机连接8.3.3
联轴器安装8.3.4
风机安装允许偏差8.3.5
施工单位检查评定结果
项目专业质量检查员:年月日监理(建设)单位
验收结论
监理工程师(建设单位项目代表):年月日
表C.1
分部(子分部)工程质量控制资料核查记录
工程名称
天然气液化项目工业安装工程
XXX单位工程XXX分部(子分部)工程
施工单位建设集团有限公司
项目序号资料名称份数核查意见核查人
机泵类设备安装图纸会审、设计变更、洽商记录
设备、材料、配件出厂合格证、有关文件及进厂检验报告
设备开箱检查记录
隐蔽工程记录
施工记录
试运转记录
分项工程质量验收记录。