二级减速器设计说明书
- 格式:docx
- 大小:672.71 KB
- 文档页数:31
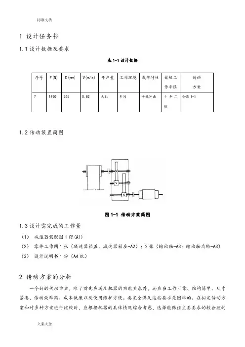
1 设计任务书1.1设计数据及要求表1-1设计数据序号 F(N) D(mm) V(m/s) 年产量 工作环境 载荷特性最短工作年限传动 方案719202650.82大批车间平稳冲击十年二班如图1-11.2传动装置简图图1-1 传动方案简图1.3设计需完成的工作量(1) 减速器装配图1张(A1)(2) 零件工作图1张(减速器箱盖、减速器箱座-A2);2张(输出轴-A3;输出轴齿轮-A3) (3) 设计说明书1份(A4纸)2 传动方案的分析一个好的传动方案,除了首先应满足机器的功能要求外,还应当工作可靠、结构简单、尺寸紧凑、传动效率高、成本低廉以及使用维护方便。
要完全满足这些要求是困难的。
在拟定传动方案和对多种方案进行比较时,应根据机器的具体情况综合考虑,选择能保证主要要求的较合理的传动方案。
现以《课程设计》P3的图2-1所示带式输送机的四种传动方案为例进行分析。
方案a 制造成本低,但宽度尺寸大,带的寿命短,而且不宜在恶劣环境中工作。
方案b 结构紧凑,环境适应性好,但传动效率低,不适于连续长期工作,且制造成本高。
方案c 工作可靠、传动效率高、维护方便、环境适应性好,但宽度较大。
方案d 具有方案c 的优点,而且尺寸较小,但制造成本较高。
上诉四种方案各有特点,应当根据带式输送机具体工作条件和要求选定。
若该设备是在一般环境中连续工作,对结构尺寸也无特别要求,则方案c a 、均为可选方案。
对于方案c 若将电动机布置在减速器另一侧,其宽度尺寸得以缩小。
故选c 方案,并将其电动机布置在减速器另一侧。
3 电动机的选择3.1电动机类型和结构型式工业上一般用三相交流电动机,无特殊要求一般选用三相交流异步电动机。
最常用的电动机是Y 系列笼型三相异步交流电动机。
其效率高、工作可靠、结构简单、维护方便、价格低,适用于不易燃、不易爆,无腐蚀性气体和无特殊要求的场合。
此处根据用途选用Y 系列三相异步电动机3.2选择电动机容量3.2.1工作机所需功率w P 卷筒3轴所需功率:1000Fv P W ==100082.01920⨯=574.1 kw 卷筒轴转速:min /13.5914.326582.0100060100060r D v n w =⨯⨯⨯=⨯=π3.2.2电动机的输出功率d P考虑传动装置的功率耗损,电动机输出功率为ηwd P P =传动装置的总效率:4332221ηηηηη⋅⋅⋅= 滚筒效率滚动轴承效率齿轮传动效率联轴器效率--------4321ηηηη 取 96.099.097.099.04321====ηηηη所以86.096.099.097.099.0322=⨯⨯⨯=η 所以83.186.0574.1===ηwd P P kw 3.2.3确定电动机额定功率ed P根据计算出的功率d P 可选定电动机的额定功率ed P 。
二级减速器同轴式设计说明书一、引言本文将对二级减速器同轴式设计进行详细的说明和探讨。
首先介绍了二级减速器的基本概念及作用,其次讨论了同轴式设计的优势和应用领域。
在设计说明部分,分别从结构设计、选材和加工工艺等方面进行了详细的介绍。
最后总结了二级减速器同轴式设计的主要特点和注意事项。
二、二级减速器的基本概念与作用二级减速器是一种传动装置,常用于机械设备中,用于降低输入轴的转速并增加输出轴的扭矩。
它由两个或多个齿轮组成,通过齿轮的啮合来实现转速的转换。
二级减速器具有体积小、扭矩大、传动效率高的特点,广泛应用于各种机械设备中。
三、同轴式设计的优势与应用领域1. 优势同轴式设计指的是将减速器的输入轴和输出轴放在同一轴线上,通过齿轮的传动来实现速度和扭矩的转换。
同轴式设计具有以下优势: - 结构紧凑:通过将输入轴和输出轴放在同一轴线上,减少了传动装置的空间占用,使得整体结构更加紧凑。
- 传动效率高:同轴式设计可以减少传动中的摩擦损失,提高传动效率,从而提高整体设备的工作效率。
- 安装方便:同轴式设计的减速器可以直接安装在设备的输出轴上,无需通过传动带或联轴器连接,简化了设备的安装过程。
2. 应用领域由于同轴式设计具有上述优势,因此广泛应用于以下领域: - 机床行业:同轴式设计的减速器常用于机床的进给系统中,用于控制工件的进给速度和切削速度。
- 纺织行业:纺织设备中的织布机、织机等常采用同轴式减速器,实现纱线和织布的传动。
- 包装行业:在包装机械中,同轴式减速器被广泛应用于输送带、卷绕机等传动装置中。
四、设计说明1. 结构设计为了保证二级减速器的同轴性,需要合理设计各个部件的结构。
一般而言,同轴式减速器由输入轴、输出轴、中间轴和齿轮等组成。
其中输入轴和输出轴处于同一轴线上,中间轴通过齿轮传动与输入轴和输出轴相连。
在结构设计上,需要考虑以下几个方面: - 轴承的选择与安装:为了保证减速器的运转稳定性,需要选择合适的轴承,并通过合理的安装来保证轴承的准确定位。
二级减速器课程设计说明书一、设计任务设计一个用于特定工作条件的二级减速器,给定的输入功率、转速和输出转速要求,以及工作环境和使用寿命等限制条件。
二、传动方案的拟定经过对各种传动形式的比较和分析,最终选择了展开式二级圆柱齿轮减速器。
这种方案结构简单,尺寸紧凑,能够满足设计要求。
三、电动机的选择1、计算工作机所需功率根据给定的工作条件和任务要求,计算出工作机所需的功率。
2、确定电动机的类型和型号综合考虑功率、转速、工作环境等因素,选择合适的电动机类型和型号。
四、传动比的计算1、总传动比的计算根据电动机的转速和工作机的转速要求,计算出总传动比。
2、各级传动比的分配合理分配各级传动比,以保证减速器的结构紧凑和传动性能良好。
五、齿轮的设计计算1、高速级齿轮的设计计算根据传动比、功率、转速等参数,进行高速级齿轮的模数、齿数、齿宽等参数的设计计算。
2、低速级齿轮的设计计算同理,完成低速级齿轮的相关设计计算。
六、轴的设计计算1、高速轴的设计计算考虑扭矩、弯矩等因素,确定高速轴的直径、长度、轴肩尺寸等。
2、中间轴的设计计算进行中间轴的结构设计和强度校核。
3、低速轴的设计计算完成低速轴的设计计算,确保其能够承受工作中的载荷。
七、滚动轴承的选择与计算根据轴的受力情况和转速,选择合适的滚动轴承,并进行寿命计算。
八、键的选择与校核对连接齿轮和轴的键进行选择和强度校核,以确保连接的可靠性。
九、箱体结构的设计考虑减速器的安装、润滑、密封等要求,设计合理的箱体结构。
包括箱体的壁厚、加强筋、油标、放油螺塞等的设计。
十、润滑与密封1、润滑方式的选择根据齿轮和轴承的转速、载荷等因素,选择合适的润滑方式。
2、密封方式的选择为防止润滑油泄漏和外界灰尘进入,选择合适的密封方式。
十一、设计总结通过本次二级减速器的课程设计,对机械传动系统的设计过程有了更深入的理解和掌握。
在设计过程中,充分考虑了各种因素对减速器性能的影响,通过计算和校核确保了设计的合理性和可靠性。
二级减速器课程设计说明书一、引言二级减速器是一种用于降低机械设备速度和提高输出转矩的重要装置。
本课程设计说明书旨在介绍二级减速器的设计原理、结构和工作原理,并提供详细的步骤和指导,帮助学生完成二级减速器的课程设计。
二、设计背景在工程设计中,常常需要将高速运动的电机转速降低,同时增加输出扭矩以满足特定的工作需求。
二级减速器作为一种常用的传动装置,可以有效地实现这一目标。
由于二级减速器的设计和制造需要综合考虑多个因素,包括负载要求、轴承和齿轮的选择等,因此,本课程设计旨在增强学生对二级减速器设计的理解和应用。
三、设计目标本课程设计的目标是设计一台满足以下要求的二级减速器:1. 输入转速:500 rpm2. 输出转速:50 rpm3. 额定输出扭矩:1000 Nm4. 功率损失小于5%5. 整机尺寸紧凑,便于安装和维护四、设计过程1. 步骤一:确定输入和输出参数在设计二级减速器之前,首先需要明确输入和输出的转速和扭矩要求。
根据设计目标,确定输入转速为500 rpm,输出转速为50 rpm,额定输出扭矩为1000 Nm。
2. 步骤二:选择传动比根据输入和输出参数,计算所需的传动比。
传动比可以通过输出转速除以输入转速来计算。
在本案例中,传动比为50/500=0.1。
3. 步骤三:选择齿轮参数根据传动比,选择合适的齿轮组合。
需要考虑齿轮的模数、齿数、齿轮材料等因素。
同时,还需进行齿轮强度和齿面接触疲劳寿命的校核,确保设计的齿轮组合符合强度和寿命要求。
4. 步骤四:结构设计根据齿轮的选择,进行减速器结构的设计。
需要确定减速器的轴承类型、轴承尺寸、轴承布局等。
同时,还需进行结构强度校核,确保减速器在工作状态下能够承受额定扭矩和载荷。
5. 步骤五:优化设计对设计结果进行优化,考虑减速器整机的尺寸、重量和功率损失。
优化设计可以通过修改齿轮组合、调整传动比等方式来实现。
最终的设计结果应满足课程设计的要求,并在实际应用中具有较好的性能和可靠性。
机械设计课程设计计算说明书设计题目:设计带式输送机中的传动装置专业年级:学号:学生姓名:指导教师:机械工程系完成时间年月日机械设计课程设计任务书学生姓名:学号:专业:任务起止时间:201年月日至年月日设计题目:设计带式输送机中的传动装置一、传动方案如图1所示:1—输送胶带;2—传动滚筒;3—两级圆柱齿轮减速器;4—V带传动;5—电动机图1 带式输送机减速装置方案二、原始数据表2-1滚筒直径d /mm 800 传送带运行速度v /(m/s) 1.8运输带上牵引力F /N 2200每日工作时数T /h24传动工作年限 5 单向连续平稳转动,常温空载启动三、设计任务:1.减速器装配图1张(A0图纸)2.低速轴零件图1张(A3图纸)3.低速轴齿轮零件图1张(A3图纸)4.设计说明书1份在三周内完成并通过答辩参考资料:《机械设计》《课程设计指导书》《机械设计手册》《工程力学》《机械制图》指导教师签字:F目录一、电机的选择 (1)1.1 选择电机的类型和结构形式: (1)1.2 电机容量的选择 (1)1.3 电机转速确定 (1)二、传动装置的运动和动力参数计算 (2)2.1 分配传动比及计算各轴转速 (2)2.2 传动装置的运动和动力参数计算 (2)三、V带传动设计 (4)3.1 确定计算功率 (4)3.2 选择普通V带型号 (4)3.3 确定带轮基准直径并验算带速 (4)3.4 确定V带中心距和基础长度 (4)3.5 验算小带轮包角 (5)3.6 计算V带根数Z (5)3.7 计算压轴力 (5)四、设计减速器内传动零件(直齿圆柱齿轮) (5)4.1 高速级齿轮传动设计计算 (5)4.2 低速级齿轮传动设计计算 (7)4.3 传动齿轮的主要参数 (9)五、轴的结构设计计算 (9)5.1 高速轴的计算(1轴) (9)5.2 中间轴的计算(2轴) (12)5.3 低速轴的计算(3轴) (13)六、轴的强度校核 (16)6.1 高速轴校核 (16)6.2 中间轴校核 (18)6.3 低速轴校核 (20)七、校核轴承寿命 (22)7.1 高速轴 (22)7.2 中间轴 (23)7.3 低速轴 (23)八、键连接的选择和计算 (23)九、箱体的设计 (24)十、心得体会................................................................................ 错误!未定义书签。
机械设计课程设计二级减速器设计说明书一、设计任务设计一个二级减速器,用于将电动机的高转速降低到所需的工作转速。
减速器的技术参数如下:输入轴转速:1400rpm输出轴转速:300rpm减速比:4.67工作条件:连续工作,轻载,室内使用。
二、设计说明书1.总体结构二级减速器主要由输入轴、两个中间轴、两个齿轮、输出轴和箱体等组成。
输入轴通过两个中间轴上的齿轮与输出轴上的齿轮相啮合,从而实现减速。
2.零件设计(1)齿轮设计根据减速比和转速要求,计算出齿轮的模数、齿数、压力角等参数。
选择合适的齿轮材料和热处理方式,保证齿轮的强度和使用寿命。
同时,要进行轮齿接触疲劳强度和弯曲疲劳强度的校核。
(2)轴的设计根据齿轮和轴承的类型、尺寸,计算出轴的直径和长度。
采用适当的支撑方式和轴承类型,保证轴的刚度和稳定性。
同时,要进行轴的疲劳强度校核。
(3)箱体的设计箱体是减速器的支撑和固定部件,应具有足够的强度和刚度。
根据减速器的尺寸和安装要求,设计出合适的箱体结构。
同时,要考虑到箱体的散热性能和重量等因素。
3.装配图设计根据零件设计结果,绘制出减速器的装配图。
装配图应包括所有零件的尺寸、配合关系、安装要求等详细信息。
同时,要考虑到维护和修理的方便性。
4.设计总结本设计说明书详细介绍了二级减速器的设计过程,包括总体结构、零件设计和装配图设计等部分。
整个设计过程严格遵循了机械设计的基本原理和规范,保证了减速器的性能和使用寿命。
通过本课程设计,提高了机械设计能力、工程实践能力和创新思维能力。
二级减速器设计说明书
二级减速器设计说明书
二级减速器是结合了一级减速器和二级减速器来实现较低的转速和较大的扭矩传递,广泛应用于各种电器、机械设备中。
本文将对二级减速器设计过程进行介绍,以便于更多人了解其原理及实现方式。
第一步:分析减速器的工作原理
减速器的主要作用是将较快的转速降低至较低的转速,在减速器内通过齿轮传动、摩擦轮及滑动轴等部件,能够实现得到较低的转速,同时能够较大扭矩的传递。
第二步:选择适合的齿轮形式
选择齿轮的形式是影响减速器转效的重要一环。
目前常用的有齿轮齿条、齿轮锥齿轮、洗涤及蜗轮蜗杆等,以及它们之间的组合。
合理选择齿轮形式,可以较好地实现高效率的减速比和较大扭矩的传递。
第三步:变速器保养和检测
操作人员应当定期进行检修,以保证设备可靠性和寿命,如果发现不正常情况应及时进行维护和检测。
一般常见的检测内容包括:拆洗检查、定位检查、螺栓检查、动爪检查、紧固位置检查等。
第四步:选择合适的传动油脂
传动部件与彼此之间的接触是以油脂的形式来实现的,以此来降低摩擦系数,确保滑动时能够有足够的润滑,选择合适的油脂能够有效地保护部件,并延长其使用寿命。
第五步:安装及调试
安装的时候应确保设备的完整性,检查各部件的安装是否正确,在调试时需要根据设备的使用要求进行操作,如果发现问题需及时进行处理。
以上就是关于二级减速器的设计过程及相关内容的介绍。
如果想要减速器能够得到较好的控制效果,就需要仔细针对具体的使用要求进行设计,从而保证减速器能够达到规定的技术要求。
一、课程设计的项目和任务项目:减速器设计任务:设计带式运输机上的两级圆柱齿轮减速器(1人/组)1——电动机2——V带传动3——减速器4——联轴器5——卷筒6——运输带工作条件:连续单向运转,载荷较平稳,空载起动,使用期限为10年,小批量生产,单班制工作,运输带速度允许误差为±5% 。
原始数据:工作轴输入转矩T (N·m) 850输送带速度V(m/s) 1.35卷筒直径D(mm)380 二、设计工作量减速器装配图1张(A1或A0);零件工作图3张(齿轮、轴、箱体零件各一);设计计算说明书1份。
三、设计过程1、传动方案的分析与拟定1)外传动机构为V带传动。
2)减速器为二级圆柱齿轮减速器。
3) 方案简图如下图:1——电动机2——V带传动3——减速器4——联轴器5——卷筒6——运输带4)该方案的优缺点:该工作机有轻微振动,由于V带有缓冲吸振能力,采用V带传动能减小振动带来的影响,并且该工作机属于小功率、载荷变化不大,可以采用V带这种简单的结构,并且价格便宜,标准化程度高,大幅降低了成本。
减速器部分二级圆柱齿轮减速,这是二级减速器中应用最广泛的一种。
原动机部分为Y系列三相交流异步电动机。
总体来讲,该传动方案满足工作机的性能要求,适应工作条件、工作可靠,此外还结构简单、尺寸紧凑、成本低传动效率高。
2、电动机的选择 1)选择电动机的类型按工作要求和工作条件选用Y 系列三相笼型异步电动机,全封闭自扇冷式 结构,电压380V 。
2)选择电动机的容量工作机的有效功率为 从电动机到工作机传送带间的总效率为5423421ηηηηηη⋅⋅⋅⋅=∑由《机械设计基础课程设计》表9-1可知:1η:卷筒传动效率 0.962η:滚动轴承效率 0.99(球轴承)3η:齿轮传动效率 0.98 (7级精度一般齿轮传动)4η:联轴器传动效率 0.99 5η:V 带传动效率 0.95所以电动机所需工作功率为 kw P P wd25.7833.004.6===∑η3)确定电动机转速二级圆柱齿轮减速器传动比60~8=i ,V 带传动比4~20=i ,总传动比 范围为240~16=∑i 而工作机卷筒轴的转速为min /rad 6819.06035.160≈⨯⨯==ππD v n w 所以电动机转速的可选范围为:min)16320~1088(min 68)240~16('r r n i n w d =⨯==∑综合考虑电动机和传动装置的尺寸、质量及价格等因素,为使传动装置结构紧凑,w n T P wW k 04.69550=⋅=决定选用同步转速为1500minr ,型号为Y132M-4的电动机。
⼆级减速器课程设计说明书⼀、设计任务书1、设计题⽬:带式输送机传动装置中的⼆级圆柱齿轮减速器2、技术参数:注:运输带与卷筒以及卷筒与轴承间的摩擦阻⼒已在F中考虑。
3、⼯作条件:单向运转,有轻微振动,经常满载空载起动,单班制⼯作,使⽤年限10年,输送带速度允许误差为⼟5%。
⼆、传动⽅案的分析及说明根据要求及已知条件,对于传动⽅案的设计选择V带传动和⼆级闭式圆柱齿轮传动。
V带传动布置于⾼速级,能发挥它传动平稳、缓冲吸振和过载保护的优点。
⼆级闭式圆柱齿轮传动能适应在繁重及恶劣的条件下长期⼯作,且维护⽅便。
V带传动和⼆级闭式圆柱齿轮传动相结合,能承受较⼤的载荷且传动平稳,能实现⼀定的传动⽐,满⾜设计要求。
传动⽅案运动简图:编号带的有效拉⼒F(N)带速v(m/s)卷筒直径D(mm)8 1250 1.3 240三、电动机的选择1、选择电动机类型根据⼯作要求和⼯作条件选⽤Y系列(IP44)封闭式笼型三相异步电动机,电压380V。
2、由已知条件,带的有效拉⼒F=1250N,带速v=1.3m/s,电动机所需⼯作功率为:P d=P wηkW⼯作机所需功率为:P w=Fv1000kW=1.62kW根据机械设计⼿册126页表10-1确定各部分效率:V带传动η1=0.96,滚动轴承传动效率(⼀对)η2=0.99,闭式齿轮传动效率η3=0.97,联轴器效率η4=0.99,带⼊得η=0.96x0.993x0.972x0.99=0.868所需电动机功率为:P d=Fv1000xη=1.40kW因为冲击载荷轻微,电动机的额定功率P ed略⼤于P d即可,由机械设计⼿册216页表10-78,Y系列电动机技术参数数据,选电动机的额定功率P ed=1.5kW。
3、确定电动机的转速滚筒轴⼯作转速:n w=60x1000v/πD=60x1000x1.3/πx240=103.5r/min通常,V带传动的传动⽐i1=2~4 ;⼆级圆柱齿轮减速器的传动⽐为i2=8~40,则总传动⽐的范围为i=16~160,故电动机转速的可选范围为n d=i·n w=1656~16560 r/min符合这⼀范围的同步转速有1000r/min,1500r/min,3000r/min。
二级减速器说明书详细版二级减速器说明书详细版1:引言1.1 目的本文档旨在提供有关二级减速器的详细信息,包括结构、原理、安装注意事项、操作指南和维护保养等内容。
1.2 范围本文档适用于所有型号的二级减速器,包括设计、制造和使用。
2:术语和定义2.1 二级减速器二级减速器是一种机械传动装置,用于减小输入轴的转速并增加输出轴的扭矩。
2.2 输入轴输入轴是减速器的旋转部件,负责接收来自外力的能量输入。
2.3 输出轴输出轴是减速器的旋转部件,负责输出转速降低但扭矩增加后的能量。
3:结构和原理3.1 结构二级减速器由输入轴、输出轴、齿轮组件、轴承、润滑装置等部件组成。
3.2 原理通过输入轴上的齿轮与输出轴上的齿轮咬合,实现输入轴的转速降低和输出轴扭矩的增加。
4:安装注意事项4.1 环境要求安装二级减速器的环境应保持通风良好、干燥,并远离高温、潮湿和腐蚀介质。
4.2 安装位置二级减速器应安装在水平位置,并保证与相连设备的联轴器端面对正。
4.3 安装方法根据实际情况选用合适的安装方法,如法兰连接、轴承支座安装等,并确保安装牢固可靠。
5:操作指南5.1 启动与停止根据实际需要,使用启动开关启动二级减速器,使用停止开关停止二级减速器。
5.2 运行参数调整根据实际情况和要求,可以调整输入轴转速、输出轴转矩等运行参数,但需遵守相关安全规范。
6:维护保养6.1 润滑定期对二级减速器的润滑部件进行润滑油更换和添加,保证润滑系统的正常工作。
6.2 清洁定期清除二级减速器表面的尘埃和杂物,保持机械设备的清洁和整洁。
附件:1:二级减速器结构图2:二级减速器安装示意图3:二级减速器维护保养记录表法律名词及注释:1:版权:指对作品享有的非经济权利和经济权利。
2:知识产权:指人们在创造性活动中得到的与知识有关的权益。
目录第一章设计任务书…………………………………………………………§1设计任务………………………………………………………………………第二章传动系统方案的总体设计…………………………………§1 电动机的选择……………………………………………………………§2 传动比的分配…………………………………………………………………§3 传动装置的运动和动力参数计算………………………………………第三章高速级斜齿圆柱齿轮传动§1 选定齿轮类型、精度、等级材料………………………………………§2 初计算传动的主要尺寸…………………………………………………§3 确定传动尺寸………………………………………………………………第四章低速级直齿圆柱齿轮的设计…………………………………§1 选定齿轮类型、精度、等级材料……………………………………§2 按齿面接触强度设计…………………………………………………§3 修正计算……………………………………………………………………§4 几何尺寸计算…………………………………………………………第五章圆柱齿轮上的受力分析§ 1高速级齿轮传动的作用力…………………………………………………§ 2低速级齿轮传动的作用力…………………………………………………第六章中间轴设计方案§1 选择轴的材料………………………………………………………………§2 初算轴径§ 2初算轴径…………………………………………………§3 结构设计………………………………………………………………………§4 键连接………………………………………………………………………§5 轴的受力分析………………………………………………………………§6 校核轴的强度………………………………………………………………§7 校核键的连接………………………………………………………………§8 校核轴承寿命…………………………………………………………………第七章高速轴设计方案§1 选择轴的材料……………………………………………………………§2 初选最小轴径………………………………………………………………§3 结构设计………………………………………………………………………§4 轴的受力分析………………………………………………………………§5 校核轴的强度………………………………………………………………§6 校核轴承寿命…………………………………………………………………第八章低速轴设计方案§1 选择轴的材料…………………………………………………………………§2 计算轴径……………………………………………………………………§3 结构设计……………………………………………………………………§4 键连接………………………………………………………………………§5 轴的受力分析……………………………………………………………………§6 校核轴的强度……………………………………………………………………§7 校核键的连接……………………………………………………………………§8 校核轴承寿命……………………………………………………………………第九章减速器铸造箱体的结构尺寸§1 减速器铸造箱体的结构尺寸……………………………………………………参考文献…………………………………………………………………………………第一章设计任务书§1设计任务书一、设计题目:设计带式输送机的传动系统,采用两级圆柱齿轮减速器的齿轮传动。
二级减速器同轴式设计说明书二级减速器同轴式设计说明书:一、产品概述:二级减速器同轴式,是一种高效、可靠、节能的减速器,采用同轴式设计,结构紧凑,耐用性强,适用于各种机械设备的传动系统。
二、产品特点:1.同轴式设计,使得机器结构更加紧凑,运转更加平稳。
2.高效率:传动效率高,能够达到90%以上。
3.大扭矩:扭矩输出平稳,可适用于各种重载应用。
4.低噪音:低振动、低噪音标准设计,适合于高档机器的应用。
5.长寿命:采用优质合金钢材,经过精密加工和热处理,保证了产品的耐用性和寿命。
三、产品结构:二级减速器同轴式采用齿轮传动的方式,主要由主传动装置、副传动装置、箱体等组成。
其中,主传动装置由主轴带动主齿轮转动,而副传动装置则由主齿轮带动副齿轮转动,形成二级减速传动系统。
四、使用说明:1.安装前必须清洁产品表面,并检查各部件是否完好。
2.产品安装时必须保证同心度,确保传动效率和精度。
3.使用前必须按照产品使用说明进行润滑。
4.产品使用中有异常情况时,应立即停机检查并排除故障。
五、维护保养:1.使用一段时间后,应对产品进行清洗和润滑维护。
2.每隔一段时间(视使用频率而定)对产品进行加注润滑油。
3.定期检查各部件,确保机器运转平稳,如发现异常情况及时处理。
六、注意事项:1.不得随意拆卸产品,以免影响传动效率。
2.不得在产品运转过程中进行任何制动控制。
3.故障排除时,应由专业人士进行操作。
七、产品细节展示:(以下可提供产品图纸,详细介绍各部位细节设计)以上为二级减速器同轴式设计说明书,如有疑问,请随时联系我们!。
二级减速器课程设计说明书一、设计任务本次课程设计的任务是设计一个用于特定工作条件的二级减速器。
该减速器需要将输入的转速降低到指定的输出转速,并传递一定的扭矩。
二、设计要求1、确定传动方案,包括齿轮类型、轴的布置等。
2、完成零部件的设计计算,如齿轮、轴、轴承等。
3、绘制装配图和零件图。
三、传动方案的确定1、考虑到传动比、效率和结构紧凑性等因素,选择了展开式二级圆柱齿轮减速器。
2、第一级为斜齿圆柱齿轮传动,第二级为直齿圆柱齿轮传动。
3、电机通过联轴器与高速轴相连,低速轴通过联轴器输出动力。
四、电机的选择1、根据工作机的功率要求和工作条件,初选电机型号。
2、计算电机的转速,以确定传动比的分配。
五、传动比的分配1、综合考虑齿轮的强度、尺寸和润滑等因素,合理分配各级传动比。
2、计算实际总传动比,并与理论传动比进行比较。
六、齿轮的设计计算1、第一级斜齿圆柱齿轮确定齿轮的材料、精度等级。
按齿面接触强度进行初步设计计算。
按齿根弯曲强度进行校核计算。
确定齿轮的主要参数,如模数、齿数、螺旋角等。
2、第二级直齿圆柱齿轮同样按照上述步骤进行设计和校核计算。
七、轴的设计计算1、高速轴初步估算轴的直径。
进行轴的结构设计,确定轴上各段的长度和直径。
进行强度校核计算,包括弯扭合成强度和疲劳强度校核。
2、中间轴和低速轴重复上述步骤进行设计和校核。
八、轴承的选择与校核1、根据轴的受力情况,选择合适类型的轴承。
2、计算轴承的寿命,确保其满足使用要求。
九、键的选择与校核1、选择合适尺寸的键,用于连接轴与齿轮等零件。
2、对键进行强度校核。
十、箱体及附件的设计1、设计箱体的结构和尺寸,保证足够的强度和刚度。
2、选择合适的密封方式、通气器、油标等附件。
十一、装配图的绘制1、按照机械制图标准,绘制减速器的装配图。
2、清晰表达各零部件的装配关系和结构形状。
十二、零件图的绘制1、选取重要的零件,如齿轮、轴等,绘制零件图。
2、标注尺寸、公差、表面粗糙度等技术要求。
二级减速器设计计算说明书一、引言二级减速器是一种常见的机械传动装置,广泛应用于各种机械设备中。
本文将详细介绍二级减速器的设计计算过程,包括设计原理、参数计算和选型等内容,以帮助读者更好地理解和应用二级减速器。
二、设计原理二级减速器主要由两个齿轮组成,分别为驱动齿轮和从动齿轮。
通过齿轮之间的啮合,实现输入轴和输出轴的转速转换和扭矩放大。
其中,驱动齿轮与输入轴连接,从动齿轮与输出轴连接。
根据齿轮的模数、齿数和齿轮材料等参数,可以确定二级减速器的传动比和承载能力。
三、参数计算1. 传动比计算:传动比是指输出轴转速与输入轴转速的比值。
根据设计要求和实际应用情况,可以确定传动比的范围。
一般情况下,传动比为2~10之间。
传动比的计算公式为:传动比= 从动齿轮齿数 / 驱动齿轮齿数。
2. 齿轮模数计算:齿轮模数是指齿轮齿数和齿轮直径的比值。
根据传动比和齿轮材料的选择,可以确定齿轮模数的范围。
一般情况下,齿轮模数为0.5~10之间。
齿轮模数的计算公式为:齿轮模数= 齿轮齿数 / 齿轮直径。
3. 承载能力计算:齿轮的承载能力是指齿轮在传动过程中所能承受的最大载荷。
根据齿轮材料和减速器的工作条件,可以确定齿轮的承载能力。
承载能力的计算公式为:承载能力 = 齿轮模数 * 齿轮面宽 * 齿轮材料强度。
四、选型根据上述参数计算结果,可以确定二级减速器的具体型号和规格。
在选型时,需要考虑以下几点:1. 传动比的选择:根据实际应用需求和传动比的范围,选择合适的传动比值,以满足输出扭矩和转速的要求。
2. 齿轮模数的选择:根据实际应用情况和齿轮材料的选择,确定合适的齿轮模数范围,以保证减速器的传动效率和承载能力。
3. 齿轮材料的选择:根据减速器的工作环境和负载要求,选择合适的齿轮材料,以保证减速器的耐磨性和强度。
4. 减速器结构的选择:根据实际应用需求和减速器的空间布置,选择合适的减速器结构,以满足安装和使用的要求。
五、结论本文通过对二级减速器的设计计算过程进行详细介绍,包括设计原理、参数计算和选型等内容。
目录1 引言 (2)2 传动装置的总体设计 (3)2.1电动机的选择 (2)2.1.1电动机类型的选择 (2)2.1.2电动机功率的确定 (2)2.1.3确定电动机转速 (3)2.2总传动比的计算和分配各级传动比 (3)2.3传动装置的运动和动力参数计算 (3)3 传动零件的设计计算 (4)3.1第一级齿轮传动的设计计算 (4)3.2第二级齿轮传动的设计计算 (8)4 箱体尺寸计算与说明 (12)5 装配草图的设计 (13)5.1初估轴径 (13)5.2初选联轴器 (14)5.3初选轴承 (14)5.4润滑及密封 (15)6 轴的设计计算及校核 (15)6.1中间轴的设计计算及校核 (15)6.2低速轴的设计计算及校核 (17)7 滚动轴承的选择和计算 (19)7.1高速轴轴承的计算 (19)7.2中间轴轴承的计算 (20)7.3低速轴轴承的计算 (22)8 键连接的选择和计算 (22)8.1 高速轴与联轴器键联接的选择和计算 (22)8.2 中间轴与小齿轮键联接的选择和计算 (22)8.3 中间轴与大齿轮键联接的选择和计算 (23)8.4 低速轴与齿轮键联接的选择和计算 (23)8.5 低速轴与联轴器键联接的选择和计算 (23)9 减速器附件的选择及说明 (23)9.1减速器附件的选择 (23)9.2减速器说明 (24)10 结论 (24)参考文献 (24)带式运输机传动装置的设计王刚西南大学工程技术学院2009级机械设计制造及其自动化2班1 引言机械设计课程是培养学生机械设计能力的技术基础课。
机械设计课程设计是机械设计课程的重要实践教学环节,其基本目的是:1)通过课程设计,综合运用机械设计课程和其他先修课程的理论和实际知识,培养分析和解决实际问题的能力,掌握机械设计的一般规律,树立正确的设计思想;2)学会从机器功能的要求出发,合理选择执行机构和传动机构的类型,制定传动方案,合理选择标准部件的类型和型号,正确计算零件的工作能力,确定其尺寸、形状、结构及材料,并考虑制造工艺、使用、维护、经济和安全等问题,培养机械设计能力;3)通过课程设计,学习运用标准、规范、手册、图册和查阅科技文献资料以及计算机应用等,培养机械设计的基本技能和获取有关信息的能力。
《机械设计》课程设计设计题目:带式输送机传动装置的设计
内装:1、设计计算说明书一份
2、减速器装配图一张
3、轴零件图一张
4、齿轮零件图一张
目录
一课程设计任务书
二设计要求
三设计步骤
1. 传动装置总体设计方案
2. 电动机的选择
3. 确定传动装置的总传动比和分配传动比
4. 计算传动装置的运动和动力参数
5. 设计V带和带轮
6. 齿轮的设计
7. 滚动轴承和传动轴的设计
8. 键联接设计
9. 箱体结构的设计
10.润滑密封设计
11.联轴器设计
四设计小结
五参考资料
传动装置总体设计方案传动装置总体设计方案
课程设计题目:
设计带式运输机传动装置(简图如下)
1——V带传动 2——运输带 3——单级斜齿圆柱齿轮减速器4——联轴器 5——电动机 6——卷筒
已知条件
1)工作条件:三班制,连续单向运转,载荷较平稳,室内工作,有粉尘。
2)使用期限:10年,大修期3年。
3)生产批量:10台
4)生产条件:中等规模机械厂,可加工7-8级精度的齿轮。
5)动力来源:电力,三相交流(220/380V)
设计要求
1.减速器装配图一张。
2.绘制轴、齿轮零件图各一张。
3.设计说明书一份。
设计步骤设计步骤
本组设计数据:
运输带工作拉力F/N 2200 。
运输带工作速度v/(m/s) 1.2 。
卷筒直径D/mm 240 。
1)外传动机构为V带传动。
251
1≈=m
d z 大齿轮齿数,取1032=z 。
这样设计出的齿轮传动,既满足了齿
面接触疲劳强度,又满足了齿根弯曲疲劳强度,并做到结构紧凑,避免浪费。
(5).结构设计及绘制齿轮零件图
首先考虑大齿轮,因齿轮齿顶圆直径大于160mm ,而又小
于500mm ,故以选用腹板式结构为宜。
绘制大齿轮零件图如下。
其次考虑小齿轮,由于小齿轮齿顶圆直径较小,若采用齿轮结构,
不宜与轴进行安装,故采用齿轮轴结构,其零件图见滚动轴承和
传动轴的设计部分。
mm
m 2=251
=z
1032=z
滚
动轴承和传动轴的设计
(一).轴的设计
Ⅰ.输出轴上的功率I I I P 、转速I I I n 和转矩I I I T 由
上
可
知
kw
P 56.2=I I I ,
min
2.87r n =I I I ,
mm N T ⋅⨯=I I I 51082.2
Ⅱ.求作用在齿轮上的力
因已知低速大齿轮的分度圆直径 mm mm z m d 37.21248.14cos 103
2cos 22=︒
⨯=
=
β
Ⅳ.轴的结构设计
(1).根据轴向定位的要求确定轴的各段直径和长度
1).为了满足半联轴器的轴向定位要求,Ⅰ-Ⅱ段右端需制出一轴肩,故取Ⅱ-Ⅲ段的直径mm d 42=-ⅢⅡ;左端用轴端挡圈定位。
半联轴器与轴配合的毂孔长度mm L 60=I ,为了保证轴端挡圈只压在半联轴器上而不压在轴的端面上,故Ⅰ-Ⅱ段的长度应比I L 小mm 3~2,现取mm l 58=-ⅡⅠ
2).初步选择滚动轴承。
因轴承同时受有径向力和轴向力的作用,故选用深沟球轴承。
按照工作要求并根据mm d 42=-ⅢⅡ,查手册表6-1选取轴承代号为7009AC 的角接触球轴承,其尺寸为mm mm mm B D d 167545⨯⨯=⨯⨯,故mm d d 45==--ⅦⅥⅣⅢ;而mm l 30=-ⅦⅥ。
3). 取安装齿轮处的轴端Ⅳ-Ⅴ的直径mm d 48=-ⅤⅣ;齿轮的左端与左轴承之间采用套筒定位。
已知齿轮轮毂的跨度为55mm ,为了使套筒端面可靠地压紧齿轮,此轴端应略短于轮毂宽度,故取mm l 53=-ⅤⅣ。
齿轮的右端采用轴肩定位,轴肩高度
d h 07.0>,故取mm h 4=,则轴环处的直径mm d 56=-ⅥⅤ。
轴环宽度h b 4.1≥,取mm l 10=-ⅥⅤ。
4).轴承端盖的总宽度为mm 10(由减速器及轴承端盖的结构设计而定)。
根据轴承端盖的装拆及便于对轴承添加润滑脂的要求,取端盖的外端面与半联轴器右端面间的距离mm l 30=,
Ⅵ.按弯扭合成应力校核轴的强度
进行校核时,通常只校核轴上承受最大弯矩和扭矩的截面(即危险截面C )的强度。
根据上表数据,以及轴单向旋转,扭转切应力为脉动循环变应力,取6.0=α,轴的计算应力
MPa W
T M ca 98.11)(2
21=+=
ασ
前已选定轴的材料为45钢,调质处理,由《机械设计》表11.2查得MPa 60][1=-σ
载 荷 水平面H 垂直面V
支反力
F N F N F NH NH 1369,136921==
N
F N F NV NV 303,133021-==
弯矩M mm N M H ⋅=61057
,
13514,5931821mm N M mm N M V V ⋅-=⋅=总弯矩 mm N M ⋅=851271 ,mm N M ⋅=625352
扭矩T mm N T ⋅=282000
故得综合系数为
51.311
=-+
=
σ
σ
σ
σβεk K
83.211
=-+
=
τ
τ
τ
τβεk K
所以轴在截面Ⅳ右侧的安全系数为 5.241
=+=
-m
a K S σϕσσσσσ
44.81
=+=
-m
a K S τϕτττττ
5.198.72
2
=>>=+=
S S S S S S ca τ
στσ
故该轴在截面Ⅳ右侧的强度也是足够的。
Ⅷ.绘制轴的工作图,如下:
(二).齿轮轴的设计
Ⅰ.输出轴上的功率I I P 、转速I I n 和转矩I I T 由
上
可
知
kw
P 67.2=I I ,
m in
5.357r n =I I ,
mm N T ⋅⨯=I I 41015.7
Ⅱ.求作用在齿轮上的力
因已知低速小齿轮的分度圆直径 mm mm z m d n 55.5148.14cos 25
2cos 11=︒
⨯==
β 而 N d T F t 277421
==
I I
N F F t
r 1041cos tan ==β
α
=a
F 716.4N
Ⅲ.初步确定轴的最小直径
材料为45钢,调质处理。
根据《机械设计》表15-3,取C=120,于是 mm n P C d 46.233
min ==Ⅱ
Ⅱ
,由于键槽的影响,故mm d d 6.2405.1'
min min ==
输出轴的最小直径显然是安装带轮处的直径ⅡⅠ-d ,取
mm d 25=-ⅡⅠ,根据带轮结构和尺寸,取mm l 35=-ⅡⅠ。
Ⅳ.齿轮轴的结构设计
(1).根据轴向定位的要求确定轴的各段直径和长度
1).为了满足带轮的轴向定位要求,Ⅰ-Ⅱ段右端需制出一轴肩,故取Ⅱ-Ⅲ段的直径mm d 30=-ⅢⅡ;。