轴线翻身法评分标准
- 格式:doc
- 大小:41.00 KB
- 文档页数:2
轴线翻身法操作评分标准姓名科室日期评分监考人压疮分期及护理措施1、淤血红润期:又称为Ⅰ期压疮,受压部位出现暂时性血液循环障碍,局部皮肤表现为红、肿、热、痛、麻木或有触痛,接触压力30分钟后,皮肤颜色不能回复正常。
护理措施:1、增加翻身次数避免局部过度受压。
2、增加营养,给予高蛋白、高维生素饮食。
3、避免摩擦力和剪切力。
4、避免潮湿和排泄物刺激。
5、不按摩受压皮肤。
6、使用压疮保护工具:如气垫床、压疮垫(气垫圈)。
2、炎症浸润期:又称Ⅱ期压疮,如红肿部位继续受压,血液循环得不到改善,静脉回流受阻,局部静脉淤血;表现为局部红肿向外浸润、扩大、变硬,皮肤颜色转紫红色,压之不退色,表面常有水泡形成,具有疼痛感。
护理措施:1、增加翻身次数避免局部过度受压。
2、增加营养,给予高蛋白、高维生素饮食。
3、避免摩擦力和剪切力。
4、避免潮湿和排泄物刺激。
5、不按摩受压皮肤。
6、使用压疮保护工具:如气垫床、压疮垫(气垫圈)。
7、减少对小水泡的摩擦,防破裂。
8、用无菌注射器抽出大水泡内的液体,消毒皮肤,保持干燥。
3、浅度溃疡期:表皮水泡破溃,可显露出潮湿红润的创面,有黄色渗出液流出,感染后表面有脓液覆盖致使浅层组织坏死,溃疡形成,疼痛加剧。
护理措施:1、增加翻身次数避免局部过度受压。
2、增加营养,给予高蛋白、高维生素饮食。
3、避免摩擦力和剪切力。
4、避免潮湿和排泄物刺激。
5、不按摩受压皮肤。
6、使用压疮保护工具:如气垫床、压疮垫(气垫圈)。
7、减少对小水泡的摩擦,防破裂。
8、用无菌注射器抽出大水泡内的液体,消毒皮肤,保持干燥。
9、用生理盐水棉球清洁创面后使用,龙血竭粉剂或凡士林纱条或人工膜愈合剂促进创面愈合,预防感染。
10在无感染情况下,伤口没有过多潮湿或渗出时可应用吹氧等,尽量保持干燥、减少渗出。
11、创面有感染时,在用生理盐水棉球清洁后,再用碘伏消毒,应用局部抗菌药物治疗。
4、坏死溃疡期:坏死组织发黑,脓性分泌物增多,有臭味,感染向周围及深部组织扩展,浸入真皮下层和肌肉层,可深达骨骼,严重者可引起脓毒血症或败血症,危及生命。
轴线翻身技术操作操作规范、评分、流程轴线翻身技术是体操运动中一项非常重要的技术,尤其在脚踝瘫痪运动员的康复训练中应用非常广泛。
本文将重点介绍轴线翻身技术的操作规范、评分和流程。
一、轴线翻身技术的操作规范轴线翻身技术是一项涉及肌肉、柔韧性和平衡等多个方面的高难度技术,因此其操作规范非常重要。
对于轴线翻身技术的操作规范,需要注意以下几点:1. 姿势正确:轴线翻身技术的起始姿势应该是站立姿势,两腿间距与肩同宽,双手抬起到头顶上方的位置。
2. 推动动作:随后,身体应该自然后仰,臀部向后推,这样能够促进身体的翻转。
3. 抬腿、翻转:当头部接近地面时,需要将双腿自然地向上抬起,并自然向前倾斜,进行自然翻转,在翻转到正面向下的角度时,快速将手臂伸出,撑住地面。
4. 抬头、坐起:在成功完成轴线翻身技术后,需要尽快将头部抬起、双脚着地,然后保持平稳的状态并慢慢坐起。
二、轴线翻身技术的评分在进行轴线翻身训练时,必须依据一定的标准进行评分和判定。
下面是轴线翻身技术的评分标准:1. 手臂支撑:手臂的支撑需要保持牢固、稳定,不应该出现抖动。
2. 坐起:完成轴线翻身技术后,坐起需要稳定平衡、呼吸顺畅。
3. 身体协调:完成轴线翻身技术需要身体各部分协调运动,不能出现拖沓或僵硬的情况。
4. 时间控制:完成轴线翻身技术需要在规定时间内掌握细节,不应该出现时间不合理或超时等情况。
三、轴线翻身技术的流程在进行轴线翻身训练时,需要掌握以下流程:1. 正确的起始姿势:在轴线翻身技术中,起始姿势非常关键,只有姿势正确才能够获得足够的力量和稳定性。
2. 推动动作:随后进行推动动作,这个动作需要做好前期准备并把握好力量,力量分布均匀,不能突然用力或松弛。
3. 抬腿、翻转:要将双腿自然向上抬起,并且自然前倾斜,避免产生阻力,从而进行良好的自然翻转。
4. 抬头、坐起:在成功完成轴线翻身技术后,需要尽快将头部抬起、双脚着地,然后保持平稳的状态并慢慢坐起。
轴线翻身法评分体系背景介绍轴线翻身是一项常用于体育馆和健身房的运动。
它是一项技术要求较高的动作,需要综合考虑动作流畅度、稳定性和可控性等因素。
因此,设计一套合理的评分体系对于指导和考核运动员的轴线翻身技术具有重要意义。
评分体系本评分体系共设5个等级,分别为A、B、C、D、E级,评分标准如下:A级1. 轴线翻身动作流畅,衔接自然,没有明显瑕疵;2. 姿势优美、标准,动作完成后站立稳定,不需额外调整姿势。
B级1. 轴线翻身动作较为流畅,衔接基本自然,可能存在细微瑕疵;2. 姿势基本符合标准,动作完成后需要微调姿势才能保持站立稳定。
C级1. 轴线翻身动作存在明显的不流畅或突兀,可能会产生停顿、动作分叉等现象;2. 姿势存在不标准或不稳定的情况,需要大幅度调整才能保持站立稳定。
D级1. 轴线翻身动作存在明显的缺陷,不流畅、不稳定、不可控等;2. 姿势存在多处不标准的情况,需要大幅度调整才能保持站立稳定。
E级1. 轴线翻身无法完成或动作过程中出现严重失误;2. 姿势存在多处严重错误,无法调整使其符合标准。
评分细则为了保证评分的公正、准确,评分员应按照以下细则进行评分:1. 评分员应随时关注运动员的轴线翻身动作,对于每个动作应该及时给出评分;2. 评分员应该寻找合适的位置和角度观察,确保自己能够准确判断运动员的姿势和动作的流畅程度;3. 评分员应该尽可能保持客观公正,不受外界干扰或运动员个人风格影响;4. 对于不同级别的动作评分时,评分员应严格按照评分标准和细则执行,避免主观臆断;5. 对于评分疑问或争议,应该及时与主管裁判或评审团沟通,以便得出更准确的评分结果。
结束语本评分体系旨在帮助评分员准确、公正地评判轴线翻身运动员的技术水平。
同时,也希望运动员能够认真参考评分标准,努力提高自己的技术水平,取得更好的成绩。
轴线翻身法
(一)工作目标
1. 协助颅骨牵引、脊柱损伤、脊柱手术、髋关节术后的患者在床上翻身。
2. 预防脊柱再损伤及关节脱位。
3. 防止压疮,增加患者的舒适度。
(二)工作规范
1. 翻转患者时,应注意保持脊柱平直,以维持脊柱的正常生理弯曲,避免由于躯干扭曲,加重脊柱骨折、脊髓损伤和关节脱位。
翻身角度不可超过60 ℃,避免由于脊柱负重增大而引起关节突骨折。
2. 患者有颈椎损伤时,勿扭曲或旋转患者的头部,以免加重神经损伤引起呼吸肌麻痹而死亡。
3. 翻身时注意为患者保暖并防止坠床。
4. 准确记录翻身时间。
(三)结果标准
1. 护士操作规范。
2. 患者无压疮发生。
3. 患者无二次损伤。
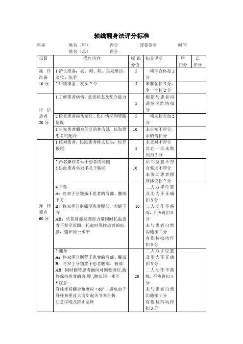
轴线翻身法技术操作考核评分标准
监考教师______考核日期______
理论提问:
一、轴线翻身的目的?
1.协助颅骨牵引、脊椎损伤、脊椎手术、髋关节术后的患者在床上翻身.
2.预防脊椎再损伤及关节脱位.
3.预防压疮,增加患者舒适感.
二、轴线翻身的注意事项?
1.翻转患者时,应注意保持脊椎平直,以维持脊柱的正确生理弯度,避免由于躯干扭曲,加重脊柱骨折、脊椎损伤和关节脱位。
翻身角度不可超过60度,避免由于脊柱负重增大而引起关节突骨折。
2.患者有颈椎损伤时,勿扭曲或旋转病人的头部,以免加重神经损伤引起呼吸机麻痹而死亡。
3.为手术后患者翻身时,应检查敷料有无脱落,如分泌物浸润敷料,应先更换再翻身。
4.颈椎和颅骨牵引的患者,翻身时不放松牵引。
5.石膏固定或伤口较大的患者,翻身后应将患处放于适当的位置,防止受压。
6.翻身时注意为患者保暖并防止坠床,避免拖拉,保护局部皮肤。
7.准确记录翻身时间。