001-东风8B型内燃机车检修总体要求
- 格式:doc
- 大小:27.50 KB
- 文档页数:2
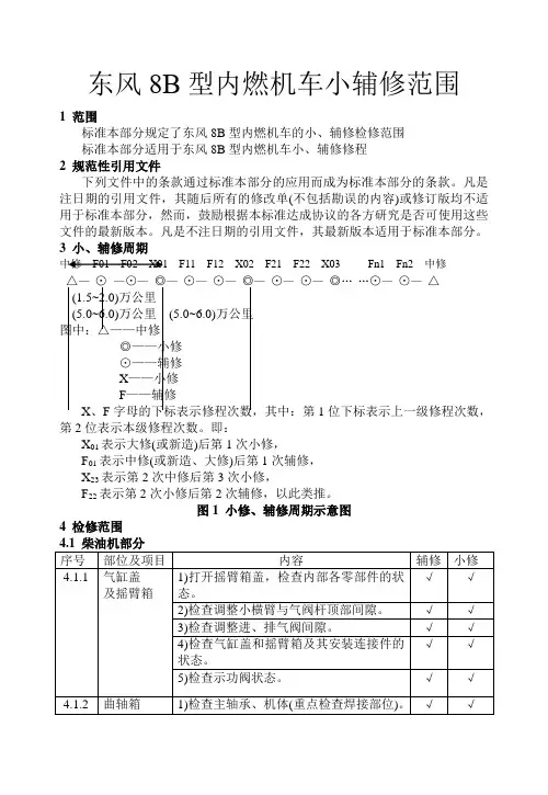
东风8B型内燃机车小辅修范围
1 范围
标准本部分规定了东风8B型内燃机车的小、辅修检修范围
标准本部分适用于东风8B型内燃机车小、辅修修程
2 规范性引用文件
下列文件中的条款通过标准本部分的应用而成为标准本部分的条款。
凡是注日期的引用文件,其随后所有的修改单(不包括勘误的内容)或修订版均不适用于标准本部分,然而,鼓励根据本标准达成协议的各方研究是否可使用这些文件的最新版本。
凡是不注日期的引用文件,其最新版本适用于标准本部分。
3 小、辅修周期
中修F01 F02 X01 F11 F12 X02 F21 F22 X03 Fn1 Fn2 中修△—⊙—⊙—◎—⊙—⊙—◎—⊙—⊙—◎……⊙—⊙—△
(1.5~2.0)万公里
(5.0~6.0)万公里(5.0~6.0)万公里
图中:△——中修
◎——小修
⊙——辅修
X——小修
F——辅修
X、F字母的下标表示修程次数,其中:第1位下标表示上一级修程次数,第2位表示本级修程次数。
即:
X01表示大修(或新造)后第1次小修,
F01表示中修(或新造、大修)后第1次辅修,
X23表示第2次中修后第3次小修,
F22表示第2次小修后第2次辅修,以此类推。
图1 小修、辅修周期示意图
4 检修范围。
东风8B型机车检修和运用中微机系统故障判断与处理吴雄勇发布时间:2021-09-02T08:42:49.983Z 来源:《中国科技人才》2021年第17期作者:吴雄勇刘涛[导读] DF8B型内燃机车作为我国铁路主型重载货物列车的牵引机车,随着科学技术的进步,机车电气控制设备不断更新和完善,特别是微机控制系统的运用具有功能齐全、控制效果好、功能易于扩展等特点,极大提高了机车的性能,而且降低了运行费用。
中车戚墅堰机车有限公司江苏常州 213011摘要:DF8B型内燃机车作为我国铁路主型重载货物列车的牵引机车,随着科学技术的进步,机车电气控制设备不断更新和完善,特别是微机控制系统的运用具有功能齐全、控制效果好、功能易于扩展等特点,极大提高了机车的性能,而且降低了运行费用。
本文通过对DF8B机车运用中典型微机故障进行分析,并提供了判断和处理方法,为广大机车检修试验人员提供参考。
关键词:DF8B;微机控制;故障分析;处理方法概述:微机柜设置在机车电器间与机械间靠电器间右侧墙壁上,微机系统控制通过五只插件插头接口对外进行输入、输出信号控制。
用于微机系统系统在机车上的控制有多种类型,本文主要介绍用于DF8B型内燃机车的ZY5000-2这种型号的微机故障判断与处理的方法。
微机系统检修及运用中的注意事项:1.在连接或卸下本微机柜之前必须断开如下开关(1)蓄电池闸刀和微机电源开关(2)机控开关2K2.更换插件时必须采取如下措施:(1)严禁带电插拔任何插件;(2)在拔出插件之前,手先摸一下接地外壳;(3)拆下插件需放在静电屏蔽袋内。
3.必须戴上接地手镯才能触摸元器件。
4.非专业或未经培训的人员严禁打开机箱。
5.机车在进行绝缘耐压试验时必须将微机柜5只插头脱开,以防止强电侵入微机柜造成微机柜不可恢复的故障。
一、DF8B微机系统检修中的故障处理方法如下:1.如总控开关合闸后,微机控制柜不工作,则可通过电源插件面板上的插孔进行检查。
内燃机车检修安全技术规则
内燃机车检修是指对内燃机车辆进行维修、保养、故障排除等工作,确保其安全运行。
内燃机车检修安全技术规则(二)
1. 装备和工具的安全使用:检修人员应使用符合要求的工具和装备,并按照操作规程正确使用,避免造成人员伤害和机车损坏。
2. 安全防护措施:检修人员在进行检修工作时,应按照规定佩戴个人防护装备,如安全帽、护目镜、耳塞等,确保自身的安全。
3. 电气安全:在对内燃机车进行检修时,应断开电源,确保安全操作,防止电击事故发生。
4. 火灾防护:对于进行检修的车辆,应清除周围的可燃物,保持工作区域的整洁,并确保消防设备的畅通和可靠性。
5. 检修区域安全:检修区域应设置明显的警示标志,并保持清洁和良好的照明条件,防止地面滑倒和其他常见的事故发生。
6. 安全操作规程:对于内燃机车的检修工作,应按照专业的操作规程和步骤进行,杜绝不安全行为,保证操作的安全性。
7. 安全培训和资质认证:检修人员应接受必要的培训,具备相关的技术知识和技能,并持有相应的资质证书,确保其能够安全从事检修工作。
8. 安全管理和监督:相关单位应建立健全的安全管理制度,加强对内燃机车检修工作的监督和检查,确保检修工作的安全性和质量。
以上是内燃机车检修安全技术规则的一些主要内容,通过遵守这些规则可以有效预防事故的发生,保障内燃机车的安全运行。
东风8B型内燃机车大修规程(试行)中华人民共和国铁道部目录1 总则 12 大修管理 23 柴油机 34 辅助及预热装置 155 车体及转向架 196 制动及空气系统 237 电机 268 电器及电气线路 379 辅助传动装置 4310 齿轮及轴承 4511 机车总装、负载试验及试运 4612 大修限度表使用说明及大修限度表 5113 大修零件探伤范围 661总则1.1 机车大修必须贯彻为铁路运输服务的方针。
机车大修的任务在于恢复机车的基本性能,以保证铁路运输的需要。
1.2 机车大修和段修是机车修理中互相衔接的两个组成部分,机车大修要为段修打好基础。
机车大修必须贯彻“质量第一”和“预防为主”的方针,必须按规定进行检查和修理。
机车修理单位对大修机车质量应负全部责任。
1.3 机车大修要坚持统一管理和入厂修理为主的方针。
在计划预防修的前提下,逐步实施基本修加状态修。
并逐步改革机车大修管理模式,改变目前整车入厂单一修理模式为整车入厂修、主要部件换件修、分等级修等多种模式。
要积极推行配件标准化、系列化、通用化和修理新工艺,以达到不断提高机车大修质量,提高劳动生产效率,缩短机车在修停时,降低修理成本。
1.4 机车大修周期由铁道部决定。
根据当前机车生产、运用及检修水平,东风8B型内燃机车检修周期结构和大修里程规定为:检修周期结构:大修(新造)——中修———中修———大修:大修里程:(80万±10万)km;凡需延期或提前入厂做大修的机车,由铁路局提出申请,报铁道部核备。
1.5 本规程系东风8B型内燃机车大修和验收的依据。
机车大修中遇有与本规程和其他有关技术标准中均无明确规定的技术问题时,由机车修理工厂和铁道部驻厂机车验收室共同协商解决,并报铁道部核备。
如双方意见不一致时由工厂总工程师签署处理意见并抄送铁道部驻厂机车验收室后可先出车,并将不同意见报铁道部。
出车后若在质量保证期内发生质量问题,由总工程师负责。
例谈东风8B型内燃机车故障摘要:针对东风8B型内燃机车属于当前在铁路运输中运用较为广泛的以柴油为主的机车车型,而对于机车整体的运行质量以及运用率的考核极大程度是会受机车的故障频次所影响的,因此必须要对机车故障进行有效分析,并制定完善的检修对策,由此减少故障问题对东方8B型内燃机车运行带来影响。
因此,本文以东风8B型内燃机车的排气总管发红故障以及冷却水系统故障为案例进行分析,明确故障成因,并提出有效的检修对策,为确保东风8B型内燃机车良好运作提供有利依据。
关键词:DF8B;排气总管发红故障;冷却水系统故障;一、东风8B型内燃机车的排气总管发红故障问题与检修(一)故障问题东风8B型内燃机车(以下简称DF8B)的排气总管出现发红故障,主要是因柴油机排气温度过高,并超过了设计标准许可的温度升至最大的限度值,这样会给发动机运作和行车带来较大的安全隐患。
其故障问题一般容易在夏季出现,如果发生该故障问题,就要及时的扣车进行排查处理,这样会对机车使用率带来影响,如果带来途停问题,那么更会对整个区间的使用安全以及整条线路调度使用等带来影响,甚至会降低运输的指标,或是带来一定的经济损失等。
而导致DF8B 排气总管发红故障的成因有以下几点:首先,DF8B柴油机内空气流失,难以满足其运行需求,较为明显的表现主要有通道泄漏问题、增压器出现故障以及空气滤清器发生堵塞等问题,这样会导致难以对进入到气缸的燃油与空气做充分的雾化处理,导致DF8B柴油机燃烧的效果不理想。
如果不能对该问题进行及时处理,将会导致其排气温度不断升高,甚至会高于标准温度的最大限值,最后导致DF8B的排气总管出现发红的故障。
宋仁德中铁一局集团新运工程有限公司其次,由于气门关闭不够严实、燃烧室出现漏气等因素带来影响,导致发动机燃烧室的空气的压力不断下降,会喷入到燃烧室燃油和空气的混合会出现阻碍,在其应用中会导致燃烧进一步恶化,这样也会引发排气总管出现发红的故障。
内燃机车检修安全技术规则一、工作场所的防护与工业卫生1、所有厂房与线路应符合下述要求:① 各种工作场所应有良好的通道,并须经常保持整洁、畅通。
部件、材料、工具等须排列整齐,不得防碍通道;② 在线路两侧存放的物品、工具、材料等,须与线路保持一定的间隔,不得少于1.5米;③ 库内停留的机车,应拧紧手制动机,并应设防溜的止轮器,各尽头线终端,应有良好的车档;④ 与生产所需要所设的垅、井、池等,应设有围栏或盖板,并禁止将油垢、渣浆之类倾泄于地沟人行道上。
⑤ 检修地沟,落轮坑等处应设置宽度砂于400mm、厚50mm材质坚实的渡板,并应指定专人保管;⑥ 地沟、水井、水池盖,应以水泥或钢板制成,如用木质盖板,其材质和厚度亦应同与上述标准;⑦ 厂房及库内设置的楼梯及高空作业场所,应完整坚固,并须备有拉杆或扶手;⑧ 对规定设置消防设备:如水龙带、消防栓、灭火器必须指定专人保管,并配合有关部门实行定期检查。
2、各种机械设备应符合下述要求:① 各种机械、设备的设置,应保持相互间或与建筑物间一定的间隔和良好的工作环境;② 机械、设备的危险部分,特别是机械上外露的转动部分,必须安设防护装置(加防护网、罩、板、栅栏等);③ 各种动力机械的防护装置,不得低于一米;动力转动装置的必要场所,亦应实行防护。
电动机械或电气设备的金属外壳或其它不带电的金属部分,都必须有保护性接地。
3、工作厂房的通风、排烟、防尘及工作场所的排水应符合下述要求:① 工作厂房应保有足够的自然通风及必要的局部通风、排烟设备,特别在产生高热、粉尘、有害气体、强光的工作厂房作业时,与其它工作厂房应尽量实行隔离,并须安设良好的排烟防潮或通风换气装置;② 室内外下水道应保持经常畅通;库内线路两旁地面不得积水;③ 厂房内外的地面、地沟、灰坑和落轮坑应完整平坦,检修地沟底应有排水沟或设有足够的排水设备,并应经常保持清洁;④ 各排水管的口径及排水设备,应保证在最大工作量时能及时排出污水。
东风8B内燃机车主轴承故障与维护研究发布时间:2022-09-16T02:38:35.030Z 来源:《科技新时代》2022年第4期2月作者:孟卫华柳机付政宇刘功云[导读] 东风8B型内燃机车是目前广泛应用在铁路运输领域中的一种柴油机车车型。
本文针对该车型柴油机孟卫华柳机付政宇刘功云中国铁路南宁局集团有限公司 545000摘要东风8B型内燃机车是目前广泛应用在铁路运输领域中的一种柴油机车车型。
本文针对该车型柴油机主轴承失效故障频发的问题,从轴承的结构和原理方面切入,分析了液体动压滑动轴承失效的主要形式,同时提出了日常维护建议与措施。
关键词:东风8B型;内燃机车;故障分析;检修引言在内燃机车维修中,柴油机的质量稳定性直接关系到内燃机车的整体性能与可靠性,进而成为影响铁路运输秩序和生产秩序的因素之一。
内燃机车柴油机故障种类繁多,既有性能故障,也有机械故障,诸如油锤、水锤、增压器烧损、柴油机冒黑烟、曲轴箱压力偏高和轴承故障等等,其中主轴承非正常失效故障系制约机车正常使用的典型故障之一。
东风8B型内燃机车是在原东风8型内燃机车基础上进行提升轴重的设计升级产品。
为降低东风8B型内燃机车主轴承故障频率,应注重对主轴承故障检修,确保整车完好率及出勤率。
1主轴承故障阐述作为内燃机车柴油机的主要摩擦副之一,主轴承主要由轴承座、轴颈和轴瓦等构成,具备承载和传递能量的功能,其工作可靠性对柴油机运行安全可靠有着至关重要的影响。
在东风8B型内燃机正常运转情况下,主轴承的轴瓦和曲轴轴颈会被稳定油膜完全隔开,处于液体摩擦的状态。
这时,主轴承的磨耗是极小的。
但是,在内燃机车的实际运用中,主轴承要承受交变性和周期性载荷的作用,它的承载油膜不可能保持均匀恒定。
在构成主轴承的三大部件(机体、曲轴和轴瓦)超限或者损伤以及柴油机运用不当的情形下,如曲轴轴颈几何尺寸超限或表面粗糙度大、机体变形、轴瓦质量不良和柴油机过载、飞车等,主轴承的油膜均会遭到破坏,主轴承便会随之处于边界润滑和半液体润滑之间。
精心整理东风8B型内燃机车常见故障处理一、合4K不打燃油1、断4K甩车判断3K到4K以前共用电路是否故障。
2、RBC不吸合时处理4ZJ反542#-544#间及8ZJ反544#-556#间,人为闭合RBC。
3、RBC吸合时,检查RBC主触头,检查2、3DZ。
二、闭5K不发电######5K。
故2、线圈故障时,人工闭合。
3、短接X11:21-X12:12应急处理。
八、卸载灯灭无压无流1、检查11DZ;2、WZK由励磁一转励磁二;3、使用励磁二时,检查CF皮带及7ZJ反624#-681#间联锁及2GLC主触头。
4、励磁一及励磁二均无压无流时,WZK转励磁二,检查LLC主触头是否虚接,虚接时短接LLC主触头的458#--459#,仍无压无流时,断11DZ,短接X15:7到备用电阻上端,备用电阻下端短接到10:16,X10:17--X16任一根线,然后闭5K,8K,起动列车时防止冲动,缓提手柄维持运行。
如有24伏电源时(X15:9或X10;22)时短接至X10:16,X16:17—X16;任一根线。
九、提手柄1位上载2位卸载1、检查处理LLC528#-529#联锁。
2、2ZJ吸合WJ误动作时,短接2ZJ反533#-534#间联锁。
十、运行中接地红灯亮1、瞬间接地时恢复DJ;2、DK置负端位恢复DJ;3、可关闭故障显示屏关闭23DZ;4、若EXP故障造成微机显示不正常或不显示时,可甩掉EXP、WZK转励磁二运行。
十五、运行中发生空转时1、利用微机显示屏检查1-6D电流分配是否均匀,相差较大,为机车发生空转,应降低机车功率;2、传感器故障或微机空转误动作时,将空转保护开关置断开位或改用励磁II维持运行。
十六、运行中“辅发过压”灯亮1、断5K,待“辅发过压”灯灭后重新闭合5K即可。
2、无效时,可断5K,转换辅机插“A、B”组重新闭合5K。
3、闭8K使用固定发电。
十七、甩缸的方法1、必须使柴油机在基本转速或停机时进行。
Q/BT 265.1—2003 东风8B型内燃机车检修总体要求1 范围本标准规定了东风8B型内燃机车检修工艺流程、技术要求及质量标准。
本标准适用于北京铁路局段修修程。
2 规范性引用文件下列文件中的条款通过Q/BT 265的本部分的引用而成为本部分的条款。
凡是注日期的引用文件,其随后所有的修改单(不包括勘误的内容)或修定版均不适用于本部分,然而,鼓励根据本部分达成协议的各方研究是否可使用这些文件的最新版本。
凡是不注日期的引用文件,其最新版本适用于本部分。
GB/T 1.1—2000 标准化工作导则铁道部铁运[1999]79号文件附件《内燃、电力机车段修管理规程》铁道部铁运[2001]78号文件附件《东风8B型内燃机车段修技术规程》3 总体要求3.1 质量要求机车主要部件检查修理,维护其可靠使用的质量状态。
本标准中的检修方法、技术要求、尺寸限度等若有不完善之处,在不违背段修规程、保证质量的前提下,可参照设计资料及其它有关文件处理。
3.2 安全要求3.2.1工具、工装、设备齐全,状态良好,符合规定安全要求。
3.2.2拆卸各部件时避免磕碰,部件吊装时应系牢、吊稳、放平、不得落地。
3.3 清洁要求3.3.1一级清洁度:部件经过清洁后,用不脱纤维的绸布或白布擦拭,检查应无明显的尘埃和油污。
3.3.2二级清洁度:部件经清洁后,用3~5倍放大镜观察无明显油污和尘埃。
3.3.3三级清洁度:部件经过清洁或清扫后,目视检查无明显油污和尘埃。
3.4 探伤要求部件的探伤作业按有关专项工艺执行。
3.5 检修工艺项目本标准共涉及118个子标准,归为10个部分:中修总体要求、机车分解、柴油机、柴油机辅助部件、电气、传动、制动、机车组装、水阻试验、机车试运。
1Q/BT 265.1—20032 附加说明:本章节主要起草人:杨贵秋、张吉联。
东风8B型内燃机车常见故障处理一、合4K不打燃油1、断4K甩车判断3K到4K以前共用电路是否故障。
2、RBC不吸合时处理4ZJ反542-544间及8ZJ反544,556间,人为闭合RBC。
3、RBC吸合时,检查RBC主触头,检查2、3DZ。
二、闭5K不发电FLC不吸合时、处理QC反722-660 、9ZJ反660,723、GFC反7231,553间线路。
2、FLC吸合时检查1DZ,1DZ正常时断5K,切换辅机”A、B”组插件后闭5K。
3、FLK由微机位转换至智能位;4、检查1、2RD保险烧损时应及时更换。
5、闭合5K、8K使用固定发电。
三、闭6K不打风1、1,2YC不吸合,6K虚接使用另一端6K,:按2QA,1YC、2YC 吸合,为3YJ故障故障,不能修复时,用2QA打风,注意风压。
1YC、2YC不吸合时人为闭合。
2、1YC、2YC吸合,检查确认辅助发电机发电是否正常。
4、5RD熔断,及时更换保险片。
检查1YC、2YC主触头是否虚接,接线是否松脱,(检查时应断5K)四、不换向1、按电空阀人工换向。
2、检查1-6C间反联锁,虚接时可短接。
3、检查换向器是否到位,不到位时用专用工具人工换向。
五、 LLC不吸合1、检查排除保护电器动作。
2、应急时人工闭合LLC。
3、短接X11:21,LLC线圈534,。
1/6页六、 1-6C不吸合1、短接处理LLC520-525间正联锁。
2、甩掉故障电机。
七、 LC不吸合1、甩1-6C不良联锁及检查7ZJ反617-618间联锁。
2、线圈故障时,人工闭合。
3、短接X11:21-X12:12应急处理。
八、卸载灯灭无压无流1、检查11DZ;2、WZK由励磁一转励磁二;3、使用励磁二时,检查CF皮带及7ZJ反624-681间联锁及2GLC 主触头。
4、励磁一及励磁二均无压无流时,WZK转励磁二,检查LLC主触头是否虚接,虚接时短接LLC主触头的458#--459#,仍无压无流时,断11DZ,短接X15:7到备用电阻上端,备用电阻下端短接到10:16,X10:17--X16任一根线,然后闭5K,8K,起动列车时防止冲动,缓提手柄维持运行。
东风8B型内燃机车大修规程(试行)中华人民共和国铁道部目录1 总则 12 大修管理 23 柴油机 34 辅助及预热装置 155 车体及转向架 196 制动及空气系统 237 电机 268 电器及电气线路 379 辅助传动装置 4310 齿轮及轴承 4511 机车总装、负载试验及试运 4612 大修限度表使用说明及大修限度表 5113 大修零件探伤范围 661总则1.1 机车大修必须贯彻为铁路运输服务的方针。
机车大修的任务在于恢复机车的基本性能,以保证铁路运输的需要。
1.2 机车大修和段修是机车修理中互相衔接的两个组成部分,机车大修要为段修打好基础。
机车大修必须贯彻“质量第一”和“预防为主”的方针,必须按规定进行检查和修理。
机车修理单位对大修机车质量应负全部责任。
1.3 机车大修要坚持统一管理和入厂修理为主的方针。
在计划预防修的前提下,逐步实施基本修加状态修。
并逐步改革机车大修管理模式,改变目前整车入厂单一修理模式为整车入厂修、主要部件换件修、分等级修等多种模式。
要积极推行配件标准化、系列化、通用化和修理新工艺,以达到不断提高机车大修质量,提高劳动生产效率,缩短机车在修停时,降低修理成本。
1.4 机车大修周期由铁道部决定。
根据当前机车生产、运用及检修水平,东风8B型内燃机车检修周期结构和大修里程规定为:检修周期结构:大修(新造)——中修———中修———大修:大修里程:(80万±10万)km;凡需延期或提前入厂做大修的机车,由铁路局提出申请,报铁道部核备。
1.5 本规程系东风8B型内燃机车大修和验收的依据。
机车大修中遇有与本规程和其他有关技术标准中均无明确规定的技术问题时,由机车修理工厂和铁道部驻厂机车验收室共同协商解决,并报铁道部核备。
如双方意见不一致时由工厂总工程师签署处理意见并抄送铁道部驻厂机车验收室后可先出车,并将不同意见报铁道部。
出车后若在质量保证期内发生质量问题,由总工程师负责。
图书基本信息书名:<<东风8B型内燃机车>>13位ISBN编号:978711303504410位ISBN编号:7113035043出版时间:1999-11出版时间:中国铁道出版社作者:戚墅堰机车车辆厂 编页数:278版权说明:本站所提供下载的PDF图书仅提供预览和简介,请支持正版图书。
更多资源请访问:前言继东风型货运内燃机车之后,戚墅堰机车车辆厂(以下简称戚厂)在1990年和1992年相继研制成功东风型和东风。
型准高速客运内燃机车。
1994年广深线准高速客运开通以后,我国铁路既有干线客运又两次提速,货运相应提速势在必行。
根据“1995年铁路科学技术发展计划”,为了满足繁忙干线货运重载提速的需要及客运提速后提高客货运输综合能力,于1997年戚厂研制成功3680kW(5000马力)25t轴重的东风。
型重载货运内燃机车,并于1998年通过铁道部科技成果鉴定,由戚厂和资阳内燃机车厂批量生产。
东风型内燃机车装用16V280ZJA型柴油机,是东风型和东风型内燃机车的系列产品,也是东风型内燃机车的换代产品。
为了满足运用部门对机车使用、维护、保养和检修的需要,戚厂组织编写了《东风。
n型内燃机车》一书,对东风型内燃机车的性能,主要技术参数,各系统的组成,各部件的原理、结构、技术要求、装配与调整,运用与维护保养以及常见故障的判断处理等作了全面介绍。
此前,戚厂于1996年编写出版了《16V280柴油机》一书,对16V280ZJA型柴油机作了详细说明,可与本书配套,故对柴油机部分不再作详细介绍。
本书主要供运用、检修人员参考,也可供大专院校师生学习参考。
在编写本书时,永济电机厂、大连内燃机车研究所、株洲电力机车研究所、四方机车车辆厂等单位,提供了有关技术资料,在此表示感谢。
本书共11章。
第一章由严怀编写;第三章由葛来薰编写;第七章第一节由羊正仪编写,第二节由李斌编写,第三节及第九节由于志敏编写,第四节由汪浩浩编写,第五节由李化编写,第六节及第十一节由吴祝君编写,第七节由卞云航和吴裕庆编写,第八节由刁月华编写,第十节由吴宏军编写,全章由汪浩浩校对;第九章由李化编写;第十章由吴祝君编写;其余各章由何克强编写。
作者: 谢猛[1]
作者机构: [1]中铁十五局集团轨道交通运营公司,河南洛阳471002
出版物刊名: 设备管理与维修
页码: 70-72页
年卷期: 2021年 第18期
主题词: 东风8B型;内燃机车;故障分析;检修
摘要:东风8B型内燃机车是目前广泛应用在铁路运输领域中的一种柴油机车车型,对机车整体运行质量和运用率的考核很大程度上会受到机车故障频次的影响,其中车载发动机发生故障造成的影响最多.因此应依据发动机故障状态检查问题,掌握引发故障的具体原因,并对故障进行专业化检修,确保东风8B型内燃机车稳定运行,满足铁路运输各项工作需求.。
Q/BT 265.1—2003 东风8B型内燃机车检修总体要求
1 范围
本标准规定了东风8B型内燃机车检修工艺流程、技术要求及质量标准。
本标准适用于北京铁路局段修修程。
2 规范性引用文件
下列文件中的条款通过Q/BT 265的本部分的引用而成为本部分的条款。
凡是注日期的引用文件,其随后所有的修改单(不包括勘误的内容)或修定版均不适用于本部分,然而,鼓励根据本部分达成协议的各方研究是否可使用这些文件的最新版本。
凡是不注日期的引用文件,其最新版本适用于本部分。
GB/T 1.1—2000 标准化工作导则
铁道部铁运[1999]79号文件附件《内燃、电力机车段修管理规程》
铁道部铁运[2001]78号文件附件《东风8B型内燃机车段修技术规程》
3 总体要求
3.1 质量要求
机车主要部件检查修理,维护其可靠使用的质量状态。
本标准中的检修方法、技术要求、尺寸限度等若有不完善之处,在不违背段修规程、保证质量的前提下,可参照设计资料及其它有关文件处理。
3.2 安全要求
3.2.1工具、工装、设备齐全,状态良好,符合规定安全要求。
3.2.2拆卸各部件时避免磕碰,部件吊装时应系牢、吊稳、放平、不得落地。
3.3 清洁要求
3.3.1一级清洁度:部件经过清洁后,用不脱纤维的绸布或白布擦拭,检查应无明显的尘埃和油污。
3.3.2二级清洁度:部件经清洁后,用3~5倍放大镜观察无明显油污和尘埃。
3.3.3三级清洁度:部件经过清洁或清扫后,目视检查无明显油污和尘埃。
3.4 探伤要求
部件的探伤作业按有关专项工艺执行。
3.5 检修工艺项目
本标准共涉及118个子标准,归为10个部分:中修总体要求、机车分解、柴油机、柴油机辅助部件、电气、传动、制动、机车组装、水阻试验、机车试运。
1
Q/BT 265.1—2003
2 附加说明:
本章节主要起草人:杨贵秋、张吉联。