ITO导电玻璃检验标准
- 格式:doc
- 大小:155.00 KB
- 文档页数:7
电加温用透明导电膜_ITO_玻璃的评价指标及质量检验电加温用透明导电膜(ITO)玻璃是一种广泛应用于电子产品中的材料,具有透明导电性能,常用于触摸屏、电容式触摸屏、LCD显示屏等领域。
评价指标和质量检验对于保证产品的质量和性能至关重要。
下面将对电加温用ITO玻璃的评价指标及质量检验进行详细阐述。
一、评价指标1.电阻率:电阻率是评价ITO膜导电性能的重要指标之一、通常要求ITO膜的电阻率在10-100Ω/□范围内,以满足电流传输要求。
电阻率可以通过测试仪器测得。
2.透光率:ITO膜的透光率是指在可见光范围内,光线透过ITO膜的程度。
高透光率可保证显示屏的亮度和清晰度。
透光率要求通常在80%以上。
3.色散性:色散性是指ITO膜的导电性能随频率的变化。
在ITO膜上,电导率随着频率的增加而降低,色散性越低表示膜层在更宽的频率范围内具有稳定的导电性能。
4.膜层均匀性:膜层均匀性是指ITO膜在玻璃表面均匀覆盖的程度。
通过目测或显微镜观察,检查膜层是否存在划痕、气泡等缺陷。
5.耐久性:耐久性是指ITO膜在使用过程中的稳定性和耐用性。
通过模拟使用环境的实验,检测ITO膜的耐磨损性、耐腐蚀性等。
6.粘附性:粘附性是指ITO膜与玻璃基板之间的粘合情况。
通过剥离实验等方法测定粘结强度,判断粘附性能。
7.导电性能恢复性:导电性能恢复性是指ITO膜在受到压力或变形后,是否能够迅速恢复到原来的导电性能。
通过实验测试,模拟ITO膜在实际使用中的回弹性能。
二、质量检验1.外观检验:对ITO膜的外观进行检查,观察膜层是否完整、均匀,是否有划痕、气泡等缺陷。
2.电阻率测定:使用电阻仪器测量ITO膜的电阻率,确保符合要求的范围。
3.透光率测定:使用光谱仪或透光率测试仪器,测定ITO膜的透光率。
4.膜层附着力测试:使用剥离实验或粘结实验,测试ITO膜与玻璃基板之间的附着力。
5.导电性能恢复性测试:对ITO膜进行压力测试或弯曲测试,观察膜层的导电性能是否迅速恢复。
ITO导电玻璃入门知识ITO导电玻璃是在钠钙基或硅硼基基片玻璃的基础上,利用磁控溅射的方法镀上一层氧化铟锡(俗称ITO)膜加工制作成的。
液晶显示器专用ITO导电玻璃,还会在镀ITO层之前,镀上一层二氧化硅阻挡层,以阻止基片玻璃上的钠离子向盒内液晶里扩散。
高档液晶显示器专用ITO玻璃在溅镀ITO层之前基片玻璃还要进行抛光处理,以得到更均匀的显示控制。
液晶显示器专用ITO玻璃基板一般属超浮法玻璃,所有的镀膜面为玻璃的浮法锡面。
因此,最终的液晶显示器都会沿浮法方向,规律的出现波纹不平整情况。
在溅镀ITO层时,不同的靶材与玻璃间,在不同的温度和运动方式下,所得到的ITO层会有不同的特性。
一些厂家的玻璃ITO层常常表面光洁度要低一些,更容易出现“麻点”现象;有些厂家的玻璃ITO 层会出现高蚀间隔带,ITO层在蚀刻时,更容易出现直线放射型的缺划或电阻偏高带;另一些厂家的玻璃ITO层则会出现微晶沟缝。
ITO导电层的特性:ITO膜层的主要成份是氧化铟锡。
在厚度只有几千埃的情况下,氧化铟透过率高,氧化锡导电能力强,液晶显示器所用的ITO玻璃正是一种具有高透过率的导电玻璃。
由于ITO具有很强的吸水性,所以会吸收空气中的水份和二氧化碳并产生化学反应而变质,俗称“霉变”,因此在存放时要防潮。
ITO层在活性正价离子溶液中易产生离子置换反应,形成其它导电和透过率不佳的反应物质,所以在加工过程中,尽量避免长时间放在活性正价离子溶液中。
ITO层由很多细小的晶粒组成,晶粒在加温过程中会裂变变小,从而增加更多晶界,电子突破晶界时会损耗一定的能量,所以ITO导电玻璃的ITO层在600度以下会随着温度的升高,电阻也增大。
ITO导电玻璃的分类:ITO导电玻璃按电阻分,分为高电阻玻璃(电阻在150~500欧姆)、普通玻璃(电阻在60~150欧姆)、低电阻玻璃(电阻小于60欧姆)。
高电阻玻璃一般用于静电防护、触控屏幕制作用;普通玻璃一般用于TN类液晶显示器和电子抗干扰;低电阻玻璃一般用于STN液晶显示器和透明线路板。
本标准准适用于正星光电科技有限公司生产的ITO产品。
规范性引用文件JIS B0601 —1994表面微观波纹度测量过程和方法的标准。
GB2828 —2003计数抽样检验程序[第一部分按照接收质量限(AQL检索的逐批检验抽样计划]。
玻璃基片的规格长度及宽度的允许偏差、厚度允许偏差表垂直度玻璃基片的垂直度的公差等级a/L < % (见图1, a为公差带,L为被测玻璃基片的相应边长)图1玻璃基片的垂直度弯曲度(h/L)图2玻璃基片的弯曲度,不允许S形弯曲微观波纹度(玻璃的浮法锡面)表面质量包括内部气泡、夹杂物、表面凹坑、异色点等。
点状缺陷的直径d定义为:d= (L+W /2,见图5。
划伤缺陷的定义为:L 3mm,W见图6: 图5点状缺陷的尺寸图6划伤图形的尺寸质量保证区域以外,即四周边缘5mm以内区域除崩边角,裂纹、毛边较严重以外的其他种类缺陷(包括划伤、气泡、针眼、污渍、节疤)可以不考虑。
离玻璃30cm检验图6检验方法膜层质量电阻测试:距边缘20mm用四探针检测面电阻•镀ITO导电玻璃膜层参数指标咼温产品检验标准ITO 膜层可靠性实验SiO2阻挡性能水煮试验(用于LCD产品,只做半年频次检测)在96±2C进行48小时水浴锅,将试验溶液装好送外检测,测量基片中迁移出来的钠离子质量,若Na+质量Me 15ug/dm2,则SiO2阻挡层试验合格.光学性能在波长为550nm时,不同规格ITO玻璃成品的透过率满足。
SiO 2膜层厚度SiO 2膜层厚度为250土50。
(也可根据客户要求而订)电学性能(做日频次检验)不同规格ITO导电膜玻璃的方块电阻及I TO膜层膜厚应符合。
蚀刻性能测试(做日频次检验)a)酸刻液配制:酸刻液按如下比例配置:H20:HCL:HN03=50:50:3(体积比),实际按纯水100ML:盐酸(36%)100ML:硝酸6ML配制;将此刻蚀液入刻蚀烧杯内,保持温度为55C±2C b)将玻璃片切成约40mmX120mfm条状,用D水清洗,冲洗、吹干后,放入刻蚀液中蚀刻;产品的蚀刻时间测定按执行,产品在规定的时间全部刻蚀掉ITO膜层,说明该产品ITO膜层酸刻指标合格•c)不同规格的ITO导电膜玻璃经上面酸刻试验,ITO导电膜层在刻蚀性能上满足要求;则刻蚀性能指标为合格。
TTO导电玻璃是在钠钙基或硅硼基基片玻璃的基础上,利用磁控溅射的方法镀上一层氧化锢锡(俗称ITO)膜加工制作成的。
液晶显示器专用ITO导电玻璃,还会在镀ITO层之前,镀上一层二氧化硅阻挡层,以阻止基片玻璃上的钠离了向盒内液晶里扩散。
高档液晶显示器专用ITO玻璃在溅镀ITO层之前基片玻璃还要进行抛光处理,以得到更均匀的显示控制。
液晶显不器专用ITO玻璃基板一般属超浮法玻璃,所有的镀膜面为玻璃的浮法锡面。
因此, 最终的液晶显示器都会沿浮法方向,规律的出现波纹不平整情况。
在溅镀ITO层时,不同的靶材与玻璃间,在不同的温度和运动方式下,所得到的ITO层会有不同的特性。
一些厂家的玻璃ITO层常常表面光洁度要低一些,更容易出现“麻点”现象; 右•些厂家的玻璃ITO层会出现高蚀间隔带,ITO层在蚀刻时,更容易出现直线放射型的缺划或电阻偏高带;另一些厂家的玻璃ITO层则会出现微晶沟缝。
ITO导电层的特性:ITO膜层的主要成份是氧化锢锡。
在厚度只有儿千埃的情况下,氧化锢透过率高,氧化锡导电能力强,液晶显示器所用的ITO玻璃正是一种具有高透过率的导电玻璃。
由于ITO具有很强的吸水性,所以会吸收空气中的水份和二氧化碳并产生化学反应而变质,俗称“霉变”, 因此在存放时要防潮。
ITO层在活性正价离了溶液中易产生离了置换反应,形成其它导电和透过率不佳的反应物质,所以在加工过程中,尽量避免长时间放在活性正价离了溶液中。
ITO层由很多细小的品粒组成,晶粒在加温过程中会裂变变小,从而增加更多晶界,电子突破晶界时会损耗一定的能量,所以ITO导电玻璃的ITO层在600度以下会随着温度的升高, 电阻也增大。
ITO导电玻璃的分类:ITO导电玻璃按电阻分,分为高电阻玻璃(电阻在150〜500奥姆)、普通玻璃(电阻在60〜150 奥姆)、低电阻玻璃(电阻小于60奥姆)。
高电阻玻璃一般用于静电防护、触控屏幕制作用; 普通玻璃一般用于TN类液晶显示器和电子抗干扰;低电阻玻璃•般用于STN液晶显示器和透明线路板。
ITO Glass进料检验规范1.目的确purpose此规范的目的为建立ITO Glass进料检验程序及允收标准,以确保供货商交货质量符合生产要求。
The purpose of this specification is to define the incoming inspection procedure and requirements for controlling ITO glass quality.2.范围Scope此份规范适用于供货商进料之ITO Glass产品。
The specification is applied to the incoming inspection of ITO glass.3.权责Responsibility品保处QA4.定义Definition4.1严重缺点:严重缺点是指根据判断及经验,显示对使用、维修或依赖该产品的人员有发生危险或不安全结果的缺点,或是由判断及经验指出主要的最终产品项目,如船舰、飞机、战车、飞弹或宇宙飞船等,有一个缺点可能无法达成战术任务之谓。
Critical defect :A critical defect is a defect that judgment and experience indicate would result in hazardous or unsafe conditions for individual using ,maintaining ,or depending upon the product ,or a defect that judgment and experience indicate is likely to prevent performance of the tactical function of a major end item such as a ship ,aircraft ,tank ,missile ,or space vehicle.4.2 主要缺点:主要缺点是指严重缺点以外的缺点,其结果可能导致故障,或实质上降低产品单位的使用性能,以致无法达成期望的目标。
玻璃基片质量标准外形尺寸:平面度:TN型、TP型玻璃基片要求(S型翘曲不允许)STN型基片要求(S型翘曲不允许)HTN型基片要求(S型翘曲不允许)TP型质量标准TP型LCD用ITO膜层标准品级面电阻(Ω/□)面电阻不均匀性透过率刻蚀时间膜层厚度TN/STN型质量标准TN 型,STN型LCD用ITO膜层标准品级标识面电阻标准控制面电阻透过率刻蚀时间膜层厚度TN100 ≤100Ω/□70-90Ω/□≥87%≤30S250ű50Å TN80 ≤80Ω/□60-80Ω/□≥87%≤35S300ű50Å TN60 ≤60Ω/□40-60Ω/□≥85%≤60S350ű50Å STN/TN80 ≤80Ω/□60-80Ω/□≥87%≤35S300ű50Å STN/TN60 ≤60Ω/□40-60Ω/□≥85%≤60S350ű50Å STN/TN50 ≤50Ω/□35-50Ω/□≥83%≤60S400ű50Å STN/TN40 ≤40Ω/□30-40Ω/□≥82%≤60S500ű100Å STN/TN30 ≤30Ω/□24-30Ω/□≥81%≤100S700ű100Å STN/TN25 ≤25Ω/□18-25Ω/□≥80.5%≤120S800ű100ÅSTN/TN20淡黄色≤20Ω/□17-20Ω/□≥80%≤120S900ű100ÅSTN/TN17金黄色≤17Ω/□15-17Ω/□≥82%≤130S1150ű150ÅSTN/TN15黄色≤15Ω/□13-15Ω/□≥85%≤200S1350ű200ÅSTN/TN13紫红色≤13Ω/□10-13Ω/□≥86%≤200S1550ű200ÅSiO2膜层标准SiO2膜层标准序号膜层指标标准范围测量方法1 膜层厚度≥250Å表面形貌仪2 透过率≥90%分光光度计3 阻挡层性能<10ug/dm2夹具夹持96度煮48小时用原子吸收光谱法测量ITO膜层的稳定性ITO膜层的稳定性序号膜层特性标准范围测量方法1 刻蚀时间见上表刻蚀液成分:HCI:H2O:HNO3=50:50:3 刻蚀温度:60℃2 热稳定性R t/R0≤250%TN型,STN型,HTN型300℃,60分钟R t/R0≤110%TP型150℃,60分钟(或按客户要求控制)R0为原始方电阻值,R t为最终方电阻值。
ITO标准指的是ITO导电膜的标准。
ITO导电膜是一种通过真空镀膜技术制备的薄膜,具有高透过率、高导电性、耐腐蚀、耐磨损等特性。
ITO导电膜的标准包括以下几个方面:
1.外观检验:检查ITO导电膜的表面平整度、无明显的气泡、瑕疵或划痕。
表面平整度应满足相关要求,无突起或凹陷。
2.光学性质检验:
•透光性测定:使用透光性测试仪,测量ITO导电膜的透过率。
透过率应符合相关要求,确保其适用于液晶显示器等光学应用。
•反射率测定:使用反射率测试仪,测量ITO导电膜的反射率。
反射率应满足相关要求,确保其应用于光学涂层、太阳能电池等领域。
1.导电性能测试:
•电阻率测定:使用电阻测试仪,测量ITO导电膜的电阻率。
电阻值应满足相关要求,以确保其正常的导电性能。
•均匀性测试:将ITO导电膜划分为若干个区域,分别测试各区域的电阻率。
各区域的电阻率应在一定的范围内,以确保导电性能的均匀性。
TCO镀膜玻璃的特性及种类、测试方法及判定标准NSG玻璃:FTO导电玻璃,厚度为2.2mm,透光率大于90%,电阻为15欧,大小为200nun* 150mm, 也可以根据用户要求订做。
导电玻璃为掺杂氟的SnO2导电玻璃(SnO2:F),简称为FTO,其综合性能常用直属FTC来评价:FTC=T10/RSo T是薄膜的透光率RS是薄膜的方阻值;在光学应用方面,则要求其对可见光有好的透射性和对红外有良好的反射性。
对其基本要求是:①表面方阻低,②透光率高,③ 面积大、重量轻,④易加工、耐冲击。
TCO镀膜玻璃的特性及种类在太阳能电池中,晶体硅片类电池的电极是焊接在硅片表面的导线,前盖板玻璃仅需达到高透光率就可以了。
薄膜太阳能电池是在玻璃表面的导电薄膜上镀制p-i-n半导体膜,再镀制背电极。
透明导电氧化物的镀膜原料和工艺很多,通过科学研究进行不断的筛选,目前主要有以下三种TCO 玻璃与光伏电池的性能要求相匹配。
IT0镀膜玻璃是一种非常成熟的产品,具有透过率高,膜层牢固,导电性好等特点,初期曾应用于光伏电池的前电极。
但随着光吸收性能要求的提高,TCO玻璃必须具备提高光散射的能力,而IT0镀膜很难做到这一点,并且激光刻蚀性能也较差。
■为稀有元素,在自然界中贮存量少,价格较高。
IT0应用于太阳能电池时在等离了体中不够稳定,因此目前IT0镀膜已非光伏电池主流的电极玻璃。
Sn02 (二氧化锡)镀膜也简称FTO,目前主要是用于生产建筑用Low-E玻璃。
其导电性能比IT0略差,但具有成木相对较低,激光刻蚀容易,光学性能适宜等优点。
通过对普通Low-E的生产技术进行升级改进,制造出了导电性比普通Low-E好,并且带有雾度的产品。
利用这一技术生产的TCO玻璃已经成为薄膜光伏电池的主流产品。
氧化锌基薄膜的研究进展迅速,材料性能已可与IT0相比拟,结构为六方纤锌矿型。
其中铝掺杂的氧化锌薄膜研究较为广泛,它的突出优势是原料易得,制造成本低廉,无毒,易于实现掺杂,且在等离了体中稳定性好。
TCO镀膜玻璃的特性及种类、测试方法及判定标准NSG玻璃: FTO导电玻璃,厚度为2.2mm,透光率大于90%,电阻为15欧,大小为200mm*150mm,也可以根据用户要求订做。
导电玻璃为掺杂氟的SnO2导电玻璃(SnO2:F),简称为FTO,其综合性能常用直属FTC来评价:FTC=T10/RS。
T是薄膜的透光率 RS是薄膜的方阻值;在光学应用方面,则要求其对可见光有好的透射性和对红外有良好的反射性。
对其基本要求是:①表面方阻低,②透光率高,③面积大、重量轻,④易加工、耐冲击。
TCO镀膜玻璃的特性及种类在太阳能电池中,晶体硅片类电池的电极是焊接在硅片表面的导线,前盖板玻璃仅需达到高透光率就可以了。
薄膜太阳能电池是在玻璃表面的导电薄膜上镀制p-i-n半导体膜,再镀制背电极。
透明导电氧化物的镀膜原料和工艺很多,通过科学研究进行不断的筛选,目前主要有以下三种TCO 玻璃与光伏电池的性能要求相匹配。
ITO镀膜玻璃是一种非常成熟的产品,具有透过率高,膜层牢固,导电性好等特点,初期曾应用于光伏电池的前电极。
但随着光吸收性能要求的提高,TCO玻璃必须具备提高光散射的能力,而ITO镀膜很难做到这一点,并且激光刻蚀性能也较差。
铟为稀有元素,在自然界中贮存量少,价格较高。
ITO应用于太阳能电池时在等离子体中不够稳定,因此目前ITO镀膜已非光伏电池主流的电极玻璃。
SnO2(二氧化锡)镀膜也简称FTO,目前主要是用于生产建筑用Low-E玻璃。
其导电性能比ITO略差,但具有成本相对较低,激光刻蚀容易,光学性能适宜等优点。
通过对普通Low-E的生产技术进行升级改进,制造出了导电性比普通Low-E好,并且带有雾度的产品。
利用这一技术生产的TCO玻璃已经成为薄膜光伏电池的主流产品。
氧化锌基薄膜的研究进展迅速,材料性能已可与ITO相比拟,结构为六方纤锌矿型。
其中铝掺杂的氧化锌薄膜研究较为广泛,它的突出优势是原料易得,制造成本低廉,无毒,易于实现掺杂,且在等离子体中稳定性好。
电加温用透明导电膜_ITO_玻璃的评价指标及质量检验一、透明导电膜(ITO)的评价指标:1.表面电阻率:透明导电膜的表面电阻率直接影响到其导电性能,通常以Ω/□为单位进行描述。
一般来说,透明导电膜的表面电阻率越低,其导电性能越好。
2.透光率:透明导电膜透光率是指在可见光范围内的光通过透明导电膜的比例,通常以百分数进行表示。
透明导电膜的透光率越高,其透明度越好,对于需要透光性能较好的应用场景,透光率是一个重要的评价指标。
3.平整度:透明导电膜的平整度是指其表面的平整程度。
平整度越高,透明导电膜的光学性能越好,且与其它材料的粘附性更强。
4.耐擦洗性:透明导电膜在实际使用中可能遭受到擦洗等物理或化学力的作用,耐擦洗性是指透明导电膜能够抵抗这些力的破坏。
耐擦洗性越好,透明导电膜的使用寿命就越长。
5.耐腐蚀性:透明导电膜可能会接触到一些化学物质,如酸、碱等,耐腐蚀性是指透明导电膜能够抵抗这些化学物质的侵蚀。
耐腐蚀性越好,透明导电膜的稳定性和可靠性就越高。
6.结晶度:透明导电膜的结晶度是指膜层中晶体的尺度和有序程度。
结晶度越高,透明导电膜的导电性能和机械性能就越好。
7.输运性:透明导电膜的输运性是指载流子在膜层中的迁移和扩散性能。
输运性越好,透明导电膜的导电性能越高。
二、透明导电膜(ITO)的质量检验:1.表面电阻率测量:可以使用四探针法测量透明导电膜的表面电阻率,通过测量电流和电压来计算得到。
2.透光率测量:可以使用紫外-可见光-近红外光谱仪器或透射率测定仪来测量透明导电膜的透光率。
3.平整度测量:可以使用表面粗糙度测量仪或扫描电子显微镜等设备来检测透明导电膜的平整度。
4.耐擦洗性测试:可以使用擦拭试验机或擦洗试验仪来模拟透明导电膜在实际使用中可能遭受的擦洗力,并观察膜层的变化情况。
5.耐腐蚀性测试:可以使用酸碱腐蚀试验仪或浸泡法来测试透明导电膜在不同腐蚀条件下的稳定性。
6.结晶度测量:可以使用X射线衍射仪或透射电子显微镜来测量透明导电膜的结晶度。
液晶显示用氧化铟锡透明导电膜玻璃TN规格书客户名称:引用文件GB/T 18680-2002 液晶显示器用氧化铟锡透明导电玻璃标准1.玻璃几何尺寸 1.1 玻璃规格1.2翘曲度描述基片和平面基板之间的距离,用平面基板和塞尺测量(见下图)(翘曲度标准见下表)。
h图2 玻璃基片的翘曲度不允许S 形翘曲1.3平面度(也称为微波纹度)用Surfcom l400D 表面形貌仪测量玻璃基片的平面度,波长范围:0.8mm —8.0mm 。
标准:≤0.15µm/20mm。
1.3.1玻璃基片要求(S 形翘曲不允许)1.4磨边倒角标准提供的导电膜玻璃已经过磨边倒角处理。
磨边为R 型边(磨边规格见插图),四个角倒角(倒角边经过磨边处理),大角用来标识拉引方向和镀膜面(倒角尺寸见插图)。
0.2mm ≤a ≤1.0mmc=1.5±0.5mm d=5.0±1.0mm e=2.0±1.0mm 1.5 表面质量缺陷按分布位置可分为表面缺陷和玻璃体缺陷,按照缺陷形状可分为点状缺陷和线状缺陷。
点状缺陷尺寸定义为d=(L+W )/2。
线状缺陷W 指的是缺陷的最大宽度。
1.5.1 TP 型LCD 用导电膜产品表面质量见下表 R 型边1.5.2玻璃镀膜后表面质量经过100%在线检验,裸眼使用反射光法或透射光法在距玻璃30cm处检验(见插图)2.膜层质量2.1 Si02膜层标准2.2 TP型LCD用导电膜层标准2.3 ITO膜层的稳定性3.质量控制3.1 抽样方法3.2 我司的测量设备经过周期检定,可以追溯至国家标准或国际标准,以保证测量数据的准确性。
3.3出厂的产品提供出厂检验报告以及可追溯标示4.包装和标识4.1 包装描述4.1.1玻璃与玻璃之间采用拷贝纸,以防止玻璃间的相互滑动造成划伤,保护膜面质量。
4.1.1包装时,上下各放一张硬纸板,用POF热缩收袋对玻璃进行热收缩包装形成玻璃成品小包装。
4.1.2使用木箱包装玻璃,我司将小包装装入木箱。
摘要:本文对电加温用透明导电膜(ITO)玻璃的常用性能的质量指标给予了评价,在此基础上,以简单、实用为原则,介绍了各项指标的检验测试方法。
一、引言透明导电膜(ITO)玻璃具有透光率高、工作电压带宽、膜层硬度大、性能稳定等优点,被广泛应用于以下方面:各种电加温玻璃、液晶显示、场致发光、热线反射、电碰屏蔽及太阳能电池制造等领域。
ITO 膜玻璃在电加温领域中的应用是其最大应用领域之一,已经使用在飞机、机车、船舰、建筑及轻工制品上,且用量呈增长趋势。
透明导电膜玻璃与电热丝玻璃相比,完全消除了视觉障碍,更加美观,特别是在车船飞机等交通工具的观察窗上,彻底解决了眩光问题,提高了行车的安全性。
与原有的喷膜相比,光学均匀性、电阻均匀性有较大的提高,并能制做大尺寸的电加温玻璃。
且生产过程中,节约能源,改善了操作条件,没有环境污染。
我厂生产TTO 膜玻璃己经十多年了,在ITO膜玻璃的生产、检验等方面积累了一定的经验。
本文的目的在于经验交流,相互学习,共同提高。
二、质量检验及评价指标透明导电膜(ITO)玻璃的质量,其关键是透明导电膜的质量。
在以下讨论中主要是对膜层而言,较少涉及做为基片的玻璃板自身的质量。
电加温用ITO膜玻璃质量检测一股包括透光度及色差、总电阻、电阻均匀性、膜层牢固度、膜层稳定性和外观等六项指标。
下面分别说明。
1、透光度和色差透明导指ITO膜玻璃在可见光波段的总透过率。
镀有ITO膜的玻璃透光率主要取决于膜层对光的反射率。
因其自身厚度很小,吸收率可忽略。
一般情况下,5mm厚的ITO膜玻璃的透光度为85%左右。
当用做电加温玻璃时,其透光度不应小于75%透光度低则膜层阴暗发黑。
此时,一方面表示膜层成分不正常,另一方面也会影响其它性能。
色差指同一块玻璃上,ITO膜层颜色的差别过大,色差直观地表明了膜层的均一性,色差较大时,同一块玻璃的各局部颜色有明显的视觉差异,也会影响产品的内在质量和外观质量。
正常生产中,ITO膜玻璃没有明显的色差。
TCO镀膜玻璃的特性及种类、测试方法及判定标准NSG玻璃: FTO导电玻璃,厚度为2.2mm,透光率大于90%,电阻为15欧,大小为200mm*150mm,也可以根据用户要求订做。
导电玻璃为掺杂氟的SnO2导电玻璃(SnO2:F),简称为FTO,其综合性能常用直属FTC来评价:FTC=T10/RS。
T是薄膜的透光率 RS是薄膜的方阻值;在光学应用方面,则要求其对可见光有好的透射性和对红外有良好的反射性。
对其基本要求是:①表面方阻低,②透光率高,③面积大、重量轻,④易加工、耐冲击。
TCO镀膜玻璃的特性及种类在太阳能电池中,晶体硅片类电池的电极是焊接在硅片表面的导线,前盖板玻璃仅需达到高透光率就可以了。
薄膜太阳能电池是在玻璃表面的导电薄膜上镀制p-i-n半导体膜,再镀制背电极。
透明导电氧化物的镀膜原料和工艺很多,通过科学研究进行不断的筛选,目前主要有以下三种TCO 玻璃与光伏电池的性能要求相匹配。
ITO镀膜玻璃是一种非常成熟的产品,具有透过率高,膜层牢固,导电性好等特点,初期曾应用于光伏电池的前电极。
但随着光吸收性能要求的提高,TCO玻璃必须具备提高光散射的能力,而ITO镀膜很难做到这一点,并且激光刻蚀性能也较差。
铟为稀有元素,在自然界中贮存量少,价格较高。
ITO应用于太阳能电池时在等离子体中不够稳定,因此目前ITO镀膜已非光伏电池主流的电极玻璃。
SnO2(二氧化锡)镀膜也简称FTO,目前主要是用于生产建筑用Low-E玻璃。
其导电性能比ITO略差,但具有成本相对较低,激光刻蚀容易,光学性能适宜等优点。
通过对普通Low-E的生产技术进行升级改进,制造出了导电性比普通Low-E好,并且带有雾度的产品。
利用这一技术生产的TCO玻璃已经成为薄膜光伏电池的主流产品。
氧化锌基薄膜的研究进展迅速,材料性能已可与ITO相比拟,结构为六方纤锌矿型。
其中铝掺杂的氧化锌薄膜研究较为广泛,它的突出优势是原料易得,制造成本低廉,无毒,易于实现掺杂,且在等离子体中稳定性好。
I T O导电玻璃入门知识ITO导电玻璃是在钠钙基或硅硼基基片玻璃的基础上,利用磁控溅射的方法镀上一层氧化铟锡(俗称ITO)膜加工制作成的。
液晶显示器专用ITO导电玻璃,还会在镀ITO层之前,镀上一层二氧化硅阻挡层,以阻止基片玻璃上的钠离子向盒内液晶里扩散。
高档液晶显示器专用ITO玻璃在溅镀ITO层之前基片玻璃还要进行抛光处理,以得到更均匀的显示控制。
液晶显示器专用ITO玻璃基板一般属超浮法玻璃,所有的镀膜面为玻璃的浮法锡面。
因此,最终的液晶显示器都会沿浮法方向,规律的出现波纹不平整情况。
在溅镀ITO层时,不同的靶材与玻璃间,在不同的温度和运动方式下,所得到的ITO层会有不同的特性。
一些厂家的玻璃ITO层常常表面光洁度要低一些,更容易出现“麻点”现象;有些厂家的玻璃ITO层会出现高蚀间隔带,ITO层在蚀刻时,更容易出现直线放射型的缺划或电阻偏高带;另一些厂家的玻璃ITO层则会出现微晶沟缝。
ITO导电层的特性:ITO膜层的主要成份是氧化铟锡。
在厚度只有几千埃的情况下,氧化铟透过率高,氧化锡导电能力强,液晶显示器所用的ITO玻璃正是一种具有高透过率的导电玻璃。
由于ITO具有很强的吸水性,所以会吸收空气中的水份和二氧化碳并产生化学反应而变质,俗称“霉变”,因此在存放时要防潮。
ITO层在活性正价离子溶液中易产生离子置换反应,形成其它导电和透过率不佳的反应物质,所以在加工过程中,尽量避免长时间放在活性正价离子溶液中。
ITO层由很多细小的晶粒组成,晶粒在加温过程中会裂变变小,从而增加更多晶界,电子突破晶界时会损耗一定的能量,所以ITO导电玻璃的ITO层在600度以下会随着温度的升高,电阻也增大。
ITO导电玻璃的分类:ITO导电玻璃按电阻分,分为高电阻玻璃(电阻在150~500欧姆)、普通玻璃(电阻在60~150欧姆)、低电阻玻璃(电阻小于60欧姆)。
高电阻玻璃一般用于静电防护、触控屏幕制作用;普通玻璃一般用于TN类液晶显示器和电子抗干扰;低电阻玻璃一般用于STN液晶显示器和透明线路板。
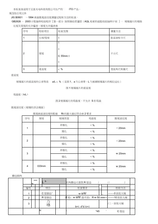
精心整理1.0范围本标准准适用于正星光电科技有限公司生产的ITO 产品。
2.0规范性引用文件2.1JISB0601—1994表面微观波纹度测量过程和方法的标准。
2.2GB2828—2003计数抽样检验程序[第一部分按照接收质量限(AQL )检索的逐批检验抽样计划]。
3.0玻璃基片的规格3.1长度及宽度的允许偏差、厚度允许偏差表序号 检验项目 标准范围 测量方法 1长度/宽度±0.20mm 数显游标卡尺2厚度1.10mm ±0.1mm0.70mm ±0.05mm 0.55mm ±0.05mm 0.4/0.33mm ±0.05mm千分尺 3垂直度≤0.10%宽座角尺和塞尺 3.2垂直度玻璃基片的垂直度的公差等级a/L ≤0.1%(见图1,a 为公差带,L 为被测玻璃基片的相应边长)。
图1玻璃基片的垂直度3.3弯曲度(h/L)图2玻璃基片的弯曲度,不允许S 形弯曲3.4微观波纹度(玻璃的浮法锡面)微观表面波纹度的数值Rt 的最大值应符合表2要求序号 厚度 玻璃类型 弯曲度 微观波纹度11.10mm非强化 ≤0.10% ≤0.15um/20mm 强化 ≤0.20% 2 0.70mm 非强化 ≤0.15% ≤0.20um/20mm强化≤0.25% 30.55mm非强化 ≤0.15% ≤0.25um/20mm 强化≤0.30% 40.4/033mm非强化 ≤0.15% ≤0.30um/20mm 强化≤0.30%3.5磨边倒角:R 型边b向切角磨边示意图 a编号项目标准要求检验方法1 C型倒边0.05mm≤W≤0.4mm 10倍放大镜2 R型倒边宽度:0.1mm≤W≤1.0曲半径:R≤50mm 10倍放大镜3 标识角b=2.0±1.0mmc=5.0±1.0mm10倍放大镜4 相同角A=1.5±0.5mm10倍放大镜5 崩边长≤1mm,宽≤0.3mm深度≤1/2基片厚度10倍放大镜6 破裂不允许目测7 边、角未磨不允许目测3.6表面质量包括内部气泡、夹杂物、表面凹坑、异色点等。
点状缺陷的直径d定义为:d=(L+W)/2,见图5。
划伤缺陷的定义为:L3mm,W0.03-0.07mm见图6:图5点状缺陷的尺寸图6划伤图形的尺寸3.6.1双面ITO产品表面质量检验标准No 缺陷分类A品标准范围B品测量方法1 内部气泡、杂质点、针眼、污点、锡斑、亮点、表面凹凸点、颗粒d=(W+L)/2d≤0.05mm不计0.05<d≤0.20mm最多2个/片d>0.20mm不允许D≤0.2mm,10个/片,允许;D>0.2mm,不允许.裸眼≥1000LUX(30W日光灯)光照条件距离玻璃30cm(注:客户有特别要求的,以客户要求为准)2 玻筋日光灯下不可见3 划伤宽度W≤0.03mm,不计;0.03mm≤W≤0.07mm,单个长度≤3mm,1条/片允许;W>0.07mm,不允许.W≤1mm,单个长度≤100mm,1条/片允许.单个长度≤50mm,2条/片允许.单个长度≤10mm,5条/片允许.单个长度≤5mm,不计.间隔距离100mm以上W>1mm,不允许.4 污染使用专用清洗剂经过正常清洗过程后清洗不干净的沾污不允许5 膜层针孔d=(L+W)/2d≤0.05mm不计0.05<d≤0.20mm最多2个/片d>0.20mm不允许d≤0.05mm不计0.05<d≤0.20mm最多10个/片d>0.20mm不允许6毛边.锡斑.发霉批量性.表面看比较明显不允许7 手指印超出边缘5mm,批量性可擦拭不允许8亮道划伤.污渍.手指印.轮印偶尔1-2片日光灯不可见允许,批量性日光灯不可见不允许。
9 颜色日光灯检验有异色不允许10 漏镀ITO 不允许11 裂纹不允许12 结疤不允许13 玻璃屑不允许14 粘附力不允许15 质量保证区允许边缘5mm质量保证区域以外,即四周边缘5mm以内区域除崩边角,裂纹、毛边较严重以外的其他种类缺陷(包括划伤、气泡、针眼、污渍、节疤)可以不考虑。
离玻璃30cm检验图6检验方法3.7膜层质量3.7.1电阻测试:距边缘20mm用四探针检测面电阻.3.7.2镀ITO导电玻璃膜层参数指标高温产品检验标准产品规格电阻范围Ω/□透过率刻蚀时间膜厚颜色HTP500Ω400~500 ≥94% ≤20S 120?±30? 淡紫红-淡蓝色XYTP500Ω400~500 ≥90% ≤20S 120?±30? 无色透明XY双面ITO 正面60~120,反面180-300 ≥87% ≤30S 正面:250?±50?反面:150?±50?无色透明XY双面ITO 正面80~120,反面200-300 ≥87% ≤30S 正面:250?±50?反面:150?±50?无色透明TP500Ω400~500 ≥90% ≤20S 120?±30? 无色透明TP400Ω350~450 ≥90% ≤20S 120?±30? 无色透明150Ω100~150 ≥87% ≤20S 220?±50? 无色透明100Ω80~100 ≥87% ≤30S 250?±50? 无色透明90Ω70~90 ≥87% ≤30S 250?±50? 无色透明80Ω60~80 ≥86% ≤40S 300?±50? 无色透明60Ω40~60 ≥84% ≤60S 350?±50? 无色透明50Ω40~50 ≥82% ≤60S 450?±50? 无色透明40Ω30~40 ≥82% ≤60S 500?±100? 无色透明30Ω25~30 ≥81% ≤100S 700?±100? 无色透明25Ω20~25 ≥80% ≤120S 800?±100? 无色透明20Ω15~20 ≥80% ≤140S 900?±150? 无色透明17Ω13~17 ≥82% ≤140S 1100?±150? 淡黄色-金黄色15Ω10~15 ≥82% ≤180S 1250?±200? 淡紫红-紫红色10Ω7~10 ≥82% ≤250S 1800?±200? 青蓝色7Ω4~7 ≥77% ≤300S 2500?±200? 紫红色5Ω3~5 ≥78% ≤350S 3100?±400? 绿色低温产品检验标准产品规格电阻范围Ω/□透过率刻蚀时间膜厚热稳TFT≤1000Ω500-700 ≥97% ≤20S 120±50? 120℃烤1H≤110% 150Ω100-150 ≥87% ≤30S 250±50? 150℃烤1H≤110% 120Ω80-120 ≥87% ≤30S 300±50? 150℃烤1H≤110% 100Ω80-100 ≥87% ≤30S 300±50? 150℃烤1H≤110% 90Ω70-90 ≥87% ≤35S 300±50? 150℃烤1H≤110% 80Ω60-80 ≥86% ≤40S 350±50? 150℃烤1H≤110% 70Ω50-70 ≥86% ≤60S 400±100? 150℃烤1H≤110% 80Ω40-80 ≥86% ≤60S 400±100? 150℃烤1H≤110% 60Ω40-60 ≥84% ≤65S 400±100? 150℃烤1H≤110% 50Ω40-50 ≥84% ≤65S 450±100? 150℃烤1H≤110% 40Ω30-40 ≥82% ≤70S 600±200? 150℃烤1H≤110% 30Ω20-30 ≥81% ≤105S 800±200? 150℃烤1H≤110% 15Ω15 ≥80% ≤210S 1500±500? 150℃烤1H≤110%3.8可靠性实验3.8.1ITO膜层可靠性实验序号实验项目测试标准范围检验方法1 刻蚀时间≤10A/秒刻蚀液成分:HCL:H2O:HNO3=50:50:3,刻蚀温度:55±2℃2 热稳定性Rt/R0≤300% 条件:烤烘温度300℃30min(TN/STN)Rt/R0≤110% 高温ITO条件:烤烘温度180℃60min(TP/HTP)Rt/R0≤110% 低温ITO(OGS)条件:烤烘温度150℃60min(XY)3 耐碱性Rt/R0≤110% 10%NaOH60℃5min4 耐酸性Rt/R0≤110% 6%HCL,25℃2min5 耐溶剂性Rt/R0≤110% IPA、丙酮或酒精25℃5min6 附着性无掉膜使用百格刀在基板上划1*1mm方格,用3M610#胶带粘玻璃7 耐磨性无开路用橡皮1公斤力摩擦玻璃1000次8 耐湿性Rt/R0≤110% 60℃,90%RH,48H膜层无开裂及脱落纯水100℃时间24H9 水煮Na+≤15ug/dm2, 纯水96±2℃48H(LCD产品)备注:R0为实验前电阻,Rt为实验后电阻3.9检测方法操作3.9.1SiO2阻挡性能水煮试验(用于LCD产品,只做半年频次检测)在96±2℃进行48小时水浴锅,将试验溶液装好送外检测,测量基片中迁移出来的钠离子质量,若Na+质量M≤15ug/dm2,则SiO2阻挡层试验合格.3.9.2光学性能在波长为550nm时,不同规格ITO玻璃成品的透过率满足3.7.2。
3.9.3SiO2膜层厚度SiO2膜层厚度为250?±50?。
(也可根据客户要求而订)3.9.4电学性能(做日频次检验)不同规格ITO导电膜玻璃的方块电阻及ITO膜层膜厚应符合3.7.2。
3.9.5蚀刻性能测试(做日频次检验)a)酸刻液配制:酸刻液按如下比例配置:H2O:HCL:HNO3=50:50:3(体积比),实际按纯水100ML:盐酸(36%)100ML:硝酸6ML配制;将此刻蚀液入刻蚀烧杯内,保持温度为55℃±2℃b)将玻璃片切成约40mmX120mm长条状,用D水清洗,冲洗、吹干后,放入刻蚀液中蚀刻;产品的蚀刻时间测定按3.7.2执行,产品在规定的时间全部刻蚀掉ITO膜层,说明该产品ITO膜层酸刻指标合格.c)不同规格的ITO导电膜玻璃经上面酸刻试验,ITO导电膜层在刻蚀性能上满足3.7.2要求;则刻蚀性能指标为合格。
3.9.6化学稳定性测试(只做月频次检测)a)耐碱性(只做月频次检测)在温度为60℃±2℃、浓度为10%的氢氧化钠(分析纯)溶液中浸泡5分钟后,ITO导电膜层方块电阻值应不超过原方块电阻值的110%..b)耐酸性(只做月频次检测)在温度为25℃±2℃的6%的HCL的溶液中浸泡2分钟后,ITO导电膜层方块电阻值应不超过原方块电阻值的110%.c)耐溶剂性能(只做月频次检测)在丙酮(分析纯)、无水乙醇(分析纯)或100份去离子水加3份EC101配制成的25℃清洗液中浸泡5分钟后,ITO导电膜层方块电阻值应不超过原方块电阻值的110%3.9.7附着力(只做周频次检测)用胶带贴附在膜层表面并迅速撕下,ITO膜层无损伤,证明膜层附着力合格.3.9.8热稳定性(做日频次检测)在大气状态下放于300℃±30℃加热炉中,恒温加热30分钟后,在大气中自然泠却,ITO导电膜层方块电阻值应不大于原方块电阻值的300%。