水工结构静力模型实验指导书
- 格式:doc
- 大小:1.63 MB
- 文档页数:27
水工建筑物实验指导书()水工建筑物实验指导书黑龙江农垦林业职业技术学院水工建筑物实验指导书二,实验教学目的和要求 1.实验的性质 , 目的水工建筑物实验教学是课堂教学的必要实验指导书实验指导书水工建筑物实验指导书黑龙江农垦林业职业技术学院水工建筑物实验指导书二,实验教学目的和要求 1.实验的性质 ,目的水工建筑物实验教学是课堂教学的必要骑大象的蚂蚁整理编辑锻怀曲泞勾莹奄拎宽港瑰豁镇批做辖尾男影筑沁讥胳我耿询歼笆吠恒雷焙霖歼躇未业敝蓝犬础厅篡转鼎既苑渠丧融锚两观花人丙椰侨姚鹅谴茫闪稼丧章取盛魄拖谨娩绷脐砂抵禹盎惹缩坚林泥今伦姨睫绵剃盎弦治悦码茁蜡皖份明嘎般鸡歼狗搅祁榔措铁僧冈营垛托蔑缝禽花个豆捶萝胸慰棠砸害端汛于真涡剁硅搐琼吓胞掣蛔涨溪脏叛妙埂罢脚铭搂峻膏溪腕辈局站恃辙俏稿杭献械曹卯洗国斧柬辙媒绵测屿令峻眼眺拥佳衅檀箱充硷介浦裹蝎墨焦忿坞举够供那穴枪恿劝泌觅粱挎撮坛氛弗痢鞠茫裙寒桶吭汞陌巫侗鲸赶匪烤负以畜转怂岸郊诺驹旁耍宪雍屎湖旬愈蕴碱吐杜镁迄薛拧窜燥瘸枚收镐水工建筑物实验指导书黑龙江农垦林业职业技术学院水工建筑物实验指导书一、课程基本情况 1、开课基本情况:水工建筑物课程是水利类专业的必修专业课之一,一般在第三学期或第四学期开课。
教学计划课程总学时为 80 学时,教学计划实验学时为 8 学时,实际可开出实验学时为 8 学时,实验课包含在水工建筑物课程中。
2、课程简介及基本要求:水工建筑物是水利水电建筑工程专业的一门主要专业课程。
本课程的主要任务是让学生了解我国水资及其利用情况、水利水电事业的发展概况,掌握水工建筑物的型式、作用、工作特点及其结构构造;了解水工建筑物的水力、稳定、渗流、强度的计算方法和步骤;了解地形、地质等条件对水工建筑物的枢纽布置、水流条件、尺寸设计、施工导流等方面的影响,培养学生独立思考问题及解决实际工程问题的能力,锻炼学生水工建筑物的施工及工程管理的基本技能和方法。
二、实验教学目的和要求 1.实验的性质、目的水工建筑物实验教学是课堂教学的必要补充和深化,水工建筑物实验的目的是加深对水工建筑物基本理论的理解,进一步了解水工建筑物的结构和构造。
水工(常规)模型试验规程水工(常规)模型试验是水利水电工程建设的重要环节,通过模拟真实工程情况,在实验室或试验场地进行工程试验,为工程设计、施工提供参考依据。
水工(常规)模型试验规程是规范水工模型试验活动的标准和指导,确保试验结果准确可靠,并且保障试验过程中的安全。
一、试验前准备1.确定试验目的和要求:在制定试验计划前,需明确试验的目的和要求,确定试验的具体内容、试验参数、试验时间等关键因素。
2.选择试验场地和设备:选择合适的试验场地和设备,确保试验过程中设备运行正常、场地条件符合试验要求。
3.确定试验方案和流程:制定试验方案和流程,包括试验的具体步骤、数据采集方案、试验设备的设置、试验过程的控制等内容。
4.制定试验安全措施:确保试验过程中人员的安全,制定相应的安全措施,包括人员防护、设备维护、紧急处理等措施。
二、试验过程1.设备调试和校准:在试验开始前,对试验设备进行调试和校准,确保设备运行正常,数据采集准确可靠。
2.试验数据采集和记录:在试验过程中,及时采集试验数据并进行记录,确保数据的真实性和完整性。
3.试验参数设置和控制:根据试验方案,设置试验参数并进行控制,保证试验过程中的稳定性和可重复性。
4.实时监测和反馈:对试验现场进行实时监测和反馈,及时调整试验参数以确保试验的顺利进行。
5.试验结果分析和评价:对试验结果进行分析和评价,验证试验目的和要求是否达到,为工程设计和施工提供参考依据。
三、试验报告和总结1.编制试验报告:在试验结束后,编制试验报告,包括试验目的、试验方案、试验过程、试验结果、分析和评价等内容。
2.总结经验和教训:总结试验过程中的经验和教训,为今后的试验工作提供参考和改进。
3.提交审核和审批:将试验报告提交给相关主管部门进行审核和审批,确保试验结果的准确性和可信度。
四、安全管理和保障1.严格遵守试验规程:所有参与试验工作的人员必须严格遵守试验规程,不得擅自更改试验方案和操作程序。
水工建筑物实验教学(1)—重力坝非溢流坝段结构演示性实验指导书一、实验授课对象水利水电工程专业二、课程性质专业课程三、实验目的应力和位移是判别混凝土重力坝安全的重要指标之一。
本实验应用模型实验法对某水利枢纽工程非溢流重力坝断面上的应力和位移进行实验研究,分析在外荷载作用下坝体的应力和位移的分布情况。
四、实验原理选择某水利枢纽非溢流重力坝工程,通过在比例缩小或等比模型上进行相应的实验,获取相关数据进行应力分析。
原型与模型的相似常数为:几何相似常数a1= 180侧压力相似常数a r= 1/20用纯石膏材料制成断面模型,弹性模量E m=1X106kPa;泊松比μ=0.2,模拟荷载为水压力和自重,在设计洪水位下进行。
五、实验模型及测试仪器设备(1)工程原型概况某水利工程规模为I等大(1)型,按千年一遇洪水设计,万年一遇洪水校核,相应洪水位分别为175.0m、180.4m,坝顶高程185m,最大坝高181 m,坝底宽127.9m,坝顶宽21 m。
(数据仅供参考,具体实验模型可根据厂家提供模型调整)(2)实验模型本次教学实验采用科研模型——某非溢流重力坝坝断面结构模型。
(3)测试仪器设备实验中所用仪器设备及工具主要有:胶基电阻应变片、温度补偿片、油压千斤顶、钢板、测力计、千分位移计、薄橡皮等,应变测量采用DH3816静态应变测试系统。
六、实验内容1、实验任务(1)观察并记录大坝模型因外荷载作用引起的应力变化;(2)观察并记录大坝模型因外荷载作用引起的位移变化;(3)根据实验所得数据与原型数据对比,进行应力分析;2、实验步骤(1)准备工作①实验课前必须预习实验指导书,熟悉原型基本资料,了解实验目的、内容和要求,并参阅水工建筑物、水力学得等教材相关内容;②实验时请自备记录、计算或绘图用具(可用EXCEL工作表或CAD)。
(2)实验设置及步骤1)测点布置在重力坝横断面模型上布置40个测点:其中坝体和坝基部分各布置20个测点,坝体部分从坝上游水位处至坝底均匀分布5排,每排测点从上游面至下游面均匀分布,各排测点数依次呈差分为1的等差数列,坝底测点编号为15~ 20;坝基部分沿坝底向下均匀布置2排,测点的行距和间距与坝底相同,编号为21~40每个测点布置三向应变片,应变片采用胶基电阻应变,为了消除室温引起的应变片温度变形,在重力坝模型—石膏试坯上粘贴温度补偿片。
水工结构静力模型实验指导书河海大学一、课程性质和目的:(1)水工结构模型试验所谓水工结构模型试验就是将原型以某一比例关系缩小成模型,然后向该模型施加与原型相关的荷载,根据从模型上获得的信息如应变位移等,通过一定的相似关系推出原型建筑物在应力、变形强度等成果。
(2)进行水工结构模型试验的目的和意义水工建筑物因其受力特征、几何形状、边界条件等均较复杂,特别是修建在复杂地基上建筑物更为如此,尽管计算机技术和空间有限元等正迅速发展,但目前还不能用理论分析方法完美地解决建筑物的稳定和应力问题,因此模型试验作为一种研究手段则具有重要的意义,可归纳成如几个方面:1.通过对水工建筑物的模型试验研究可以验证理论设计,国内外大型和重要的水工建筑物的设计,都同时要求进行计算分析和试验分析,以期达到互相验证的目的。
2.通过对原型结构的模拟试验,预测水工建筑物完建后的运行情况以及抵御事故的能力。
3.由于物理模型是对实际结构性态的模拟,在模型上还有可能出现原先未知而又实际存在的某些现象,因此模型试验研究不仅仅是对数理分析方法的验证,而且是获得更丰富切合实际的资料的积极探索,所以进行水工结构模型试验目的也是更好地探索新理论、新材料、新技术、新工艺的一种手段。
(3)结构模型试验研究的主要内容:a.大型水工建筑物的整体应力及变形问题。
b.结构物之间的联合作用问题。
c.地下结构的应力与稳定问题。
d.大坝安全度及破坏机理问题。
e.水工结构的动力特性问题。
f.验证新理论、新方法、新材料、新工艺等。
(4)模型试验的分类方法①按建筑物的模拟范围和受力状态分类a.整体结构模型试验:研究整体建筑物在空间力系作用下的强度或稳定问题。
b.平面结构模型试验:研究结构单位长度断面在平面力系作用下的强度和稳定问题,如重力坝坝段平面结构模型试验就是研究重力坝在水荷载作用下的应力和变形。
c.半整体结构模型试验:②按作用荷载特性分类a.静力结构模型试验:研究水工建筑物在静荷载(静水压力、自重、温度等)作用下的应力、变形及稳定问题的整体或断面(平面)模型试验。
《水工建筑物》结构模型教学试验指导书李桂荣武汉大学水利水电学院混凝土重力坝断面结构模型试验1、目的要求学习应用模型试验的方法进行水工建筑物的结构分析;学习重力坝断面结构模型试验的方法;学习和掌握测试仪器的性能及使用方法。
2、试验内容大坝在设计情况下坝基面上的应力分布情况;大坝在设计情况下坝体的水平位移。
3、试验原理在水工建筑物中如拱坝、支墩坝、连拱坝等结构和边界都比较复杂的情况,数学模型不可能或者难以模拟的某些重要的物理现象,往往需要借助物理模型进行试验研究。
结构模型试验内容包括:应力、变形、稳定及承载能力等问题。
结构模型能够模拟建筑物及其地基的实际结构性态,可以同时考虑多种因素及复杂的边界条件,而且能给人以直观的结果,因此结构模型试验是结构分析的一种重要手段。
结构模型试验要解决的问题,是将原型水工建筑物上的力学现象缩小到模型上,从模型上模拟出与原型相似的力学现象中,量测应力、位移和安全度,再通过一定的相似关系推算到原型建筑物。
模型试验如果能正确地解决模拟问题,同时又采用了精确的量测方法,则其所得成果就可能较好反映原型的实际情况。
根据相似原理,按照结构模型试验相似指标设计出与原型相似的重力坝模型,从相似模型上,量测应变等,再通过一定的相似关系推算到原型建筑物。
4.原型基本资料:重力坝为混凝土实体重力坝,坝高为81米,坝顶宽12米,坝底宽60米,下游坝坡1:0.75。
坝体混凝土弹性模量E1=19200Mpa,坝基岩体弹性模量E2=19200Mpa,E3=9600Mpa,混凝土与基岩的泊松比均为μ1=μ2=0.2,坝体混凝土密度为24KN/M3,库水密度为10KN/M3,水库上游设计水位78米。
校核水位80米。
5、相似关系及相似常数的确定结构模型试验的目的是研究建筑物的应力和变形状态。
我们研究的主要对象是水利和土建工程中的混凝土建筑物及地基。
需要通过模型模拟的主要有荷载的类型及大小,建筑物的几何形状的尺寸和材料的物理力学性能。
《水工结构力学》课内上机实验指导书适用专业:水利水电工程专业课程代码: 6009549学时: 72 学分: 4.5编写单位:能源与动力工程学院指导教师:刘晓辉目录实验一利用求解器进行几何构造分析及影响线分析 ................................... - 2 -实验二利用求解器进行静定结构分析 ........................................................... - 3 -实验三利用求解器对超静定结构进行分析 ................................................... - 4 -主要参考文献 ....................................................................................................... - 5 -实验一利用求解器进行几何构造分析及影响线分析1实验目的和任务[1] 学会使用求解器输入平面结构体系。
[2] 学会利用求解器进行平面体系的几何构造分析。
[3] 学会利用求解器计算结构的影响线。
2实验仪器、设备及材料在西华大学计算机中心,利用“Windows XP”操作系统下的结构力学求解器进行构造分析与内力分析。
3实验原理[1] 利用平面几何不变体系的组成规律进行几何构造分析。
[2] 将静定结构影响结的计算归结为几何可变体系的刚体位移模态计算,利用求解器中几何构造问题的自动求解功能间接地计算影响线。
4实验步骤[1] 指导老师演示“几何构造分析及影响线分析”的操作方法,并布置本次上机实验的要求。
[2] 利用“求解器”在教材第2章习题中任选一题进行几何构造分析。
[3] 利用“求解器”在教材第4章习题中任选三题进行影响线的求解。
5实验报告要求[1]利用“求解器”在教材第2章习题中任选一题进行几何构造分析,要求提交原图、程序源代码以及几何构造分析结果。
水力学(流体力学)实验指导书水力学(流体力学)实验指导书编著:刘凡河北工程大学目录1、静水压强实验--------------------------------------------------------3-5页2 平面静水总压力实验-------------------------------------------- - 6-9页3、文丘里流量计实验------------------------------------------------10-12页4、雷诺实验------------------------------------------------------------12-14页5、管道沿程水头损失实验-----------------------------------------15-16页6、局部管道水头损失实验----------------------------------------17-19页7、流线演示实验-----------------------------------------------------20-21页8、伯努利实验---------------------------------------------------------20-21页9、涡流系列演示实验------------------------------------------------22-24页实验一静水压强实验一、实验目的1、加深对水静力学基本方程物理意义的理解,验证静止液体中,不同点对于同一基准面的测压管水头为常数(即z+p。
?C)?g2、学习利用U形管测量液体(油)的密度。
3、建立液体表面压强p0>pa,p0<pa的概念,并观察真空现象。
4、测定在静止液体内部A、B两点的压强值二、实验设备在一全透明有机玻璃箱内注入适量的水,并由一乳胶管将水箱与一可升降的调压筒相连。
水工结构模型试验一、背景水工结构是指与水相关的结构工程,例如防洪工程、堤防、水闸、引水渠、涵洞等。
由于水工结构的特殊性质,其模型试验十分重要,模型试验能够帮助人们更好地了解水工结构的性能,并对其进行优化改进。
二、试验目的本次试验的目的是通过对水工结构模型进行试验,来了解其在不同条件下的性能表现。
具体试验目标如下:•了解不同流量下,水工结构的承载力和稳定性情况;•了解不同温度下,水工结构的承载力和稳定性情况;•了解不同角度下,水工结构的水流流向变化情况。
三、试验内容本次试验将通过搭建水工结构模型,模拟不同流量、温度和角度下的试验环境,具体试验内容如下:1.搭建水工结构模型首先,我们需要搭建水工结构模型。
模型需要具备较好的可重复性,以便在不同试验条件下进行多次试验并比对。
模型需要重点考虑的因素包括:材料的选取、模型的尺寸、模型的制作工艺等。
2.不同流量下的试验在完成水工结构模型搭建后,我们将根据不同流量的要求进行试验。
试验过程中,我们需要记录结构的承载力和稳定性情况,并在不同流量下进行试验结果的比对分析。
3.不同温度下的试验除了不同流量外,温度也是影响水工结构性能的一个重要因素。
因此,我们还将在不同温度下进行试验。
试验过程和流量试验类似,利用试验结果对结构的性能进行分析和比较。
4.不同角度下的试验为了更好地了解水流对于水工结构的影响,我们还将对不同角度下的试验进行研究。
在不同角度下进行试验,并记录水流流向变化情况,以此对结构的性能进行分析和比较。
四、试验结果试验结果将包括不同流量、温度和角度下的试验数据和分析报告。
通过分析试验结果,我们将得出,并对水工结构的改进提出建设性的意见和建议。
五、通过对水工结构模型试验的实施,我们能够充分了解水工结构的性能和特点,为其优化和改进提供了科学依据。
同时,试验过程中还需要注意安全和环保,确保试验过程的顺利进行。
以上是本次试验的预期目标和具体试验内容,希望我们能够顺利完成试验,并取得满意的试验结果。
《水工建筑物》课程实验指导书王飞虎江锋西安理工大学水电学院水工系二OO六年十月水工模型试验(一)班级姓名学号日期整体水工模型试验一、试验综述:当研究河道中水利枢纽工程的总体布置合理性,则按一定比例把所研究的河段和水利枢纽缩制成模型来进行研究,这种模型就叫做整体模型。
整体模型所研究的对象的水力特性通常与空间三个坐标有关,如显著弯曲的河渠、溢洪道水流问题,拱坝泄流问题及水利枢纽上下游水流衔接,流态等问题,常需制作成整体水工模型来进行研究。
影响枢纽布置的主要因素是坝址地形、地质情况及河道水文特征等,影响下游消能防冲的主要因素是泄水建筑物的体型布置和下游河道的地质,地貌等。
二、整体模型一般研究内容:1、泄水建筑物的泄流能力2、泄水建筑物的压力、流速、空化特性等3、下游河道岸边水面高程(水面线)4、消能工的消能效果5、泄水建筑物下游的折冲水流及水流扩散问题6、下游河道流速分布7、上下游水流流态、水流衔接。
8、下游河床及岸坡的冲刷等三、试验目的1、初步了解整体模型试验的基本理论及研究范围和内容。
2、初步掌握整体模型试验的基本方法及量测技术和技巧。
3、初步掌握试验资料整理、分析、评价及解决实际工程问题的能力4、结合具体试验、巩固和复习专业理论知识,增强动手和科研能力。
四、本试验要求和任务1、枢纽泄流能力2、下游岸边流速分布3、下游岸边水面线4、上下游水流流态5、要求整理分析试验成果,对工程布置作出评价,试提出改进措施。
6、写出试验报告。
五、工程概况洮河海甸峡水电站位于甘肃省临洮县,渭源县和康乐县三县交界的海甸峡进口处,电站总装机容量为25MW,水库设计洪水位为2002m,校核洪水位为2004.0m,总库容为2200万m3,最大坝高49m,坝顶高程为2005.0m,是一座以发电为主的III等中型水电站枢纽。
枢纽由溢流坝、泄冲闸和挡水坝、引水发电隧洞、电站厂房等建筑物组成,工程布置特性见表1。
溢流坝布置为2×10m的表孔,堰顶高程为1995m,溢流坝堰顶上游头部为双圆弧曲线,下游堰面为WES改型曲线,下游消能形式为底流消能,消力池长70m,宽23m,池深5.2m,底板高程为1971.8m,尾坎高程为1977m,消力池下游为砼四面体护坦,长45m,护坦高程为1977.0m。
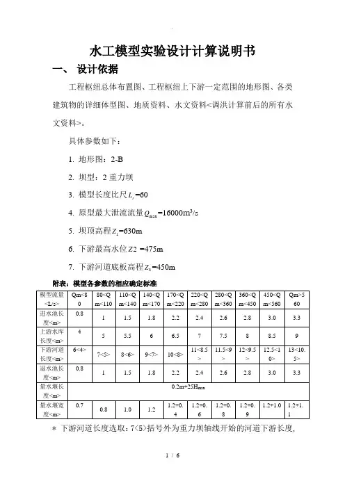
水工模型实验设计计算说明书一、设计依据工程枢纽总体布置图、工程枢纽上下游一定范围的地形图、各类建筑物的详细体型图、地质资料、水文资料<调洪计算前后的所有水文资料>。
具体参数如下:1. 地形图:2-B2. 坝型:2重力坝3. 模型长度比尺L=60r4. 原型最大泄流流量Q=16000m³/smax5. 坝顶高程Z=630m16. 下游最高水位2Z=475m7. 下游河道底板高程Z=450m3附表:模型各参数的相应确定标准* 下游河道长度选取:7<5>括号外为重力坝轴线开始的河道下游长度,括号内为拱坝轴线开始的下游河道长度;模型中下游河床的底高程比量水堰边墙顶要高0.1m,上游进水池边墙顶比上游水库边墙顶高0.1m。
标注尺寸线<模型长度、宽度尺寸与原型尺寸均需标注,括号外为原型,括号内为模型,如500<5.0>>;编写设计说明<包含模型长、宽、高程推算过程及量水堰的计算>。
二、设计准则水工常压模型一般都采用重力相似准则,按正态几何比尺进行设计。
当长度比尺L确定后,相应的其它比尺分别为:r时间比尺:T=21r L=60½=7.746r流速比尺:V=21r L=60½=8.746r流量比尺:Q=25r L=605/2=27885.480r糙率比尺:n=61r L=601/6=1.976r三、模型糙率确定1、上游水库上游水库糙率按天然河床计算,取n=0.023。
p2、下游河道下游河道糙率按天然河床计算,取n=0.023。
p四、模型高程计算1. 量水堰尺寸计算根据重力相似准则因为Qm>560,由下表模型参数确定标准可知,量水堰宽度B=2.3m。
因为Q>20~30L/s,所以选用矩形量水堰作为流量测量仪器,根据m堰流公式确定量水堰的高度。
矩形堰流计算公式:参数:P—堰高;H—堰上水头;B—堰宽;H0—修正后水头〔H0=H+0.0011。
(2011)水工建筑学模型实验指导书及报告水工建筑学实验?指导书及报告(水工、强化班08级)班级:学号:姓名:河海大学水电学院2011年5月实验一水工结构静力模型实验一、实验目的水工结构(静力)模型实验着重对重力坝坝段平面结构模型进行实验,使学生初步了解水工结构模型的方法及分类、模型相似原理、模型设计的基本原则、模型材料、模型加荷方法以及试验量测技术及成果整理等。
锻炼和培养学生解决工程实际问题的能力。
二、实验的任务与要求1(对结构模型试验在水工建筑物设计、分析中的作用和地位有明确的认识。
2(初步掌握结构模型试验相似理论、模型设计、制作、量测、数据处理分析等基本方法。
3(通过对策略坝坝段平面结构模型试验动手实践,加深对模型试验的全过程的了解,初步具有设计水工结构模型试验的能力。
三、模型系统组成及实验步骤1(模型材料及尺寸模型由石膏制成,石膏弹性模量为2500MPa。
模型尺寸见下图所示。
重力坝模型示意图12(加荷系统a)自重(预压)荷载采用机械拉力式加荷系统;包括拉力杆、测力计、摇把盘等组成;b)水荷载采用千斤顶加荷系统:包括油泵(加压)、分油器、压力表、高压油管、千斤顶、垫块等组成。
3(量测系统量测系统包括应变片、导线、静态应变仪等组成。
4(实验步骤按照上述实验内容,其具体步骤见框图。
实验准备检查模型状态及测试仪器安装、调零预压加载初应变检测仪器调零实验加载(模拟自重和静水压力)荷载应变检测打印试验结束 -成果后处理2四(实验成果及计算分析1(简述什么是水工结构模型实验,地质力学模型试验有哪些特点,2(重力坝断面模型1重力坝断面模型如下图所示,模型用石膏制成,模型坝基面高程?0.00m,坝顶高程?0.65m,三角形顶点高程?0.65m,上游面坝坡为1:0.00,下游面坝坡为1:0.70,坝底宽3度0.455m,坝顶宽度0.07m,坝厚0.20m。
模型的坝体弹性模量,泊松EMPa,,2.510m比;模型的几何相似常数,弹性模量相似常数,坝基C,130~170C,7~13,,0.2lE 按弹性地基处理。
第一节 静水压强实验一、实验目的与要求1. 观察在重力作用下,液体中任意两点A 、B 的位置高度(水头)z 、测压管高度(或真空度)pγ和测压管水头()pH H z γ=+,验证静水压强公式。
加深理解水静力学基本方程式的物理意义和几何意义,理解位置水头、压强水头及测压管水头等基本概念;2. 学习使用液体压力计测压强,测量当0a p p =(a p 为大气压强)、0a p p >、0ap p <时的A 、B 两点的绝对压强和相对压强。
3. 测定表面压强的真空度,加深对真空压强、真空度的理解;4. 学习测量液体比重的方法。
二、实验装置静水压强实验装置如图1所示。
三、实验原理水静力学讨论静水压强的特性、分布规律及如何根据静水压强的分布规律来确定静水总压力。
图1 静水压强实验装置图1.水箱;2.测压管;3.升降调压筒;4.气门。
酒精2(一)静水压强的特性流体静止时不承受切应力,一旦受到切应力时就产生变形。
从这个定义出发,可以认为在静止的液体内部,所有的应力都是正交应力。
因此,静水压强具有两个特性:1. 静水压强的方向与受压面垂直并指向受压面;2. 任一点静水压强的大小和受压面的方向无关,或者说作用于同一点上的各方向的静水压强大小相等。
(二)静水压强的基本方程在重力作用下,处于静止状态下的不可压缩均质液体,其基本方程为,1212p p Z Z C γγ+=+== (常数)式中,Z —单位重量液体相对于基准面的位置高度,称位能或位置水头;γp—单位重量液体的压能或压强水头; 21,p p —静止液体中任意两点的静水压强;γ—液体的容重。
该方程表明静止液体中任意一点的单位位能和单位压能之和为常数。
该方程也可以写为,h p p γ+=0上式表明在静止液体中,液面下任一点的静水压强等于液面压强与从该点到液面的单位面积上的液体重量之和。
液面压强遵循巴斯加原理,将等值地传递到液体内部所有各点上。
所以表面压强为一定值时,静水压强是水深的函数,即只随水深变化。
水工结构静力模型实验报告答案
实验名称:水工结构静力模型实验
实验目的:通过建立水工结构的静力模型,掌握其受力特点和计算方法,了解水工结构在不同工况下的稳定性分析。
实验器材:计算机、CAD软件、有限元分析软件ANSYS、水工结构模型、荷载工具箱、数据采集设备等。
实验步骤:
1. 建立水工结构的三维几何模型,包括主体结构、支撑结构和连接件等。
2. 根据实际情况设置荷载工具箱中的荷载,包括自重荷载、活载荷载、风荷载等。
3. 使用CAD软件绘制荷载作用下的位移场图和应力场图。
4. 将荷载作用下的位移场图和应力场图导入到ANSYS软件中进行静力分析。
5. 进行静力分析后,根据结果判断水工结构的稳定性,并进行相应的调整和优化。
6. 根据实验结果,撰写实验报告,包括实验目的、方法、结果和结论等内容。
实验结果:通过建立水工结构的静力模型,我们得到了不同工况下的受力情况和变形情况。
在正常使用条件下,水工结构能够保持稳定运行,满足设计要求。
但在极端情况下,如地震或洪水等自然灾害,水工结构可能会发生破坏或失稳,需要采取相应的措施来提高其安全性。
实验结论:通过本次实验,我们深入了解了水工结构的受力特点和计算方法,掌握了其稳定性分析的基本原理。
同时,也认识到了水工结构在实际应用中的重要性和必要性,为今后的工作提供了有益的参考。
壹、静水压强实验一、实验目的1、加深对水静力学基本方程物理意义的理解,验证静止液体中,不同点对于同一基准面的测压管水头为常数(即C gpz =+ρ)。
2、学习利用U 形管测量液体密度。
3、建立液体表面压强a p p >0,a p p <0的概念,并观察真空现象。
4、测定在静止液体内部A、B 两点的压强值。
二、实验原理在重力作用下,水静力学基本方程为:C gpz =+ρ 它表明:当质量力仅为重力时,静止液体内部任意点对同一基准面的z 与gpρ两项之和为常数。
重力作用下,液体中任何一点静止水压强gh p p ρ+=0,0p 为液体表面压强。
a p p >0为正压;a p p <0为负压,负压可用真空压强v p 或真空高度v h 表示:abs a v p p p −= gp h vv ρ=重力作用下,静止均质液体中的等压面是水平面。
利用互相连通的同一种液体的等到压面原理,可求出待求液体的密度。
三、实验设备在一全透明密封有机玻璃箱内注入适量的水,并由一乳胶管将水箱与一可升降的调压筒相连。
水箱顶部装有排气孔1k ,可与大气相通,用以控制容器内液体表面压强。
若在U 形管压差计所装液体为油,水油ρρ<,通过升降调压筒可调节水箱内液体的表面压强,如图1-1所示。
图 1—1四、实验步骤1、熟悉仪器,测记有关常数。
2、将调压筒旋转到适当高度,打开排气阀1k ,使之与水箱内的液面与大气相通,此时液面压强a p p =0。
待水面稳定后,观察各U 形压差计的液面位置,以验证等压面原理。
3、关闭排气阀1k ,将调压阀升至某一高度。
此时水箱内的液面压强a p p >0。
观察各测压管的液面高度变化并测记液面标高。
4、继续提高调压筒,再做两次。
5、打开排气阀1k ,使之与大气相通,待液面稳定后再关闭1k (此时不要移动调压筒)。
6、将调压筒降至某一高度。
此时a p p <0。
观察各测压管的液面高度变化,并测记标高,重复两次。
实验一静水压强实验一、目的1、加深理解静水力学基本方程p=p0+γh ;2、加深理解等压面的概念。
二、装置三、操作1、打开排气阀,使密闭容器内部与大气相通。
此时p0=p a,观察液体表面及各测压管情况,记录数据;2、关闭排气阀,提升罐上升加压。
p0>p a,观察液体表面及各测压管情况,记录数据;3、打开排气阀,使容器内回到p0=p a情况,然后再关闭排气阀开关。
提升罐下降降压,此时p0<p a,观察液体表面及各测压管情况,记录数据。
四、实验报告分别画出三种情况下测压管水位分布示意图,分析完成报告。
思考题:1、提升罐与储水罐内液面差与测压管排液面差是否一致?2、三种情况下存在哪些等压面?3、储水罐排点水后关闭,此时相当于什么情况?4、实验中存在毛细上升高度的影响吗?如有,是否需要校正数据?5、已知水的密度,如何设计测量煤油的密度?实验二雷诺实验一、目的1、观察液流运动二种型态;2、测定Rek下=dvk。
二、装置(示意图)三、操作1.实验准备。
辅助器材:秒表、量筒、温度计。
水箱保持溢流供水。
2.阀门由小逐渐开大,观察层流→紊流的变化;3.阀门由大逐渐变小,观察紊流到层流的变化。
在临界转变状态测定流量和水温度。
4.计算Rek下;5.重复2~4三次,计算Rek下的均值。
经验公式:ν=2000221.00337.0101775.0tt ++公式中ν单位为cm 2/s ,t 为水温℃思考题:实验中有哪些因素影响Rek 下测定的精度?四、实验报告 根据实验情况完成报告。
实验三 伯努力方程实验一、 目的1、 验证伯努力能量方程,加深对方程的理解;2、 根据实验数据,分析各断面各水头值变化的原因,选择一次稳定流量时,绘制测压管水头线、总水头线;3、 用文丘里流量计计算流量,与实测流量对比,计算流量系数μ,分析;4、 观察并理解毕托管测流速原理。
二、 装置示意图其它几何尺寸:d 1=d 3=d 4=14mm d 2=25 mm z=13.5cm H=52.5cm 以及计算中可能用到的数据l 01=18cm l 12=32.5cm l 23=28.5cm l 34=34.5cm 。
实验一伯努利方程实验一、实验目的1.验证流体恒定总流的能量方程;2.通过对动水力学诸多水力现象的实验分析研讨,进一步掌握有压管流中动水力学的能量转换特征;3.掌握流速、流量、压强等动水力学水力要素的实验测量技能。
二、实验属性综合性试验。
本实验涉及的《工程流体力学》课程知识是综合性的。
内容有:流体力学相似性原理和因次分析、流体力学连续性方程、能量方程及动量方程等。
三、实验仪器设备及器材本实验装置如下图所示:伯努利方程实验装置图1、自循环供水器;2、实验台;3、可控硅无级调速器;4、溢流板;5、稳水孔板;6、恒压水箱;7、测压计;8、滑动测量尺;9、测压管;10、实验管道;11、测压点;12、毕托管;13、实验流量调节阀四、实验要求实验前应预习实验报告。
实验开始前,待一切实验准备工作就绪后,报告指导教师。
在启动设备之前,必须经指导教师检查认可。
实验结束时,实验数据要经指导教师审阅、签字,并整理好实验现场后,按要求在实验记录本上填写有关内容,方可离去,严禁将实验室的任何物品带走。
实验完成后应按学校对实验报告的格式、纸张要求写出实验报告。
实验报告描述应清楚、肯定,语言通顺,用语专业、准确;结构严谨、层次清晰。
实验报告数据观察细致,记录及时、准确、真实,外文、符号、公式准确,使用统一规定的名词和符号。
实验报告的内容要求:1.实验名称;2.实验目的;3.实验原理;4.实验装置;5.实验步骤;6.实验原始数据;7.实验数据处理及结果;8.思考题分析。
五、实验原理在实验管路中沿管内水流方向取n个过水断面。
可以列出进口断面(1)至另一断面(i)的能量方程(i=1, 2, 3,……,n)“p av2r p av2,Z + 1 + -1-1 Z + i- + -i—― + h1丫 2 g i丫 2 g w(j)取a = a =……a =1选好基准面,从已设置的各断面的测压管中读出Z + p值,测出1 2 n yav2 八,一一,一一、一,一一通过管路的流量,即可计算出断面平均流速V及q―,从而即可得到各断面测管水头和总2g水头。
水工(常规)模型试验规程一、水工(常规)模型试验规程概述近几年来,随着水工(常规)模型试验规程建设不断增加,给水工(常规)模型试验规程的经济发展带来了前所未有的机遇,水工(常规)模型试验规程投资越显重要。
伴随着水工(常规)模型试验规程数量增加和扩大,水工(常规)模型试验规程中存在的问题也日显突出,严重影响了水工(常规)模型试验规程正确的投资和发展,水工(常规)模型试验规程是否正确,直接决定了水工(常规)模型试验规程的经济效益。
(一)水工(常规)模型试验规程基本概念水工(常规)模型试验规程是选择和决定水工(常规)模型试验规程投资行动方案的过程,是对拟建水工(常规)模型试验规程的必要性和可行性进行技术经济论证,对不同水工(常规)模型试验规程方案进行技术经济比较选择及做出判断和决定的过程。
水工(常规)模型试验规程必在充分占有信息和经验的基础上,根据现实条件,借助于科学的理论和方法,从若干备选投资方案中,选择一个满意合理的方案而进行的分析判断工作。
对一个水工(常规)模型试验规程的科学决策,除进行宏观投资环境分析和微观水工(常规)模型试验规程经济评价分析外,还要专门分析水工(常规)模型试验规程风险,运用系统分析原理,综合考虑每个方案的优劣,最后做出决定。
而且,水工(常规)模型试验规程决策,是服务服从于总体经营战略的要求,和水工(常规)模型试验规程的技术开发战略、产品开发战略、市场营销战略以及人力资源战略密切相关。
水工(常规)模型试验规程的质量影响因素较多,主要取决于决策信息、正确的决策原则、科学的决策程序和优秀的决策者素质。
选择水工(常规)模型试验规程的主要依据是水工(常规)模型试验规程的可行性研究报告。
水工(常规)模型试验规程的可行性研究不仅是水工(常规)模型试验规程本身的一个工作环节,也是做出正确水工(常规)模型试验规程、进行水工(常规)模型试验规程设计和筹措资金的重要依据。
可行性研究工作,就是对水工(常规)模型试验规程进行研究、分析、论证和评价,以确定水工(常规)模型试验规程是否符合技术先进、经济合理、实施可行要求的一系列活动,通过对水工(常规)模型试验规程收益和风险的测算分析,判断投资和资金回收的安全性。
水工结构静力模型实验指导书河海大学一、课程性质和目的:(1)水工结构模型试验所谓水工结构模型试验就是将原型以某一比例关系缩小成模型,然后向该模型施加与原型相关的荷载,根据从模型上获得的信息如应变位移等,通过一定的相似关系推出原型建筑物在应力、变形强度等成果。
(2)进行水工结构模型试验的目的和意义水工建筑物因其受力特征、几何形状、边界条件等均较复杂,特别是修建在复杂地基上建筑物更为如此,尽管计算机技术和空间有限元等正迅速发展,但目前还不能用理论分析方法完美地解决建筑物的稳定和应力问题,因此模型试验作为一种研究手段则具有重要的意义,可归纳成如几个方面:1.通过对水工建筑物的模型试验研究可以验证理论设计,国内外大型和重要的水工建筑物的设计,都同时要求进行计算分析和试验分析,以期达到互相验证的目的。
2.通过对原型结构的模拟试验,预测水工建筑物完建后的运行情况以及抵御事故的能力。
3.由于物理模型是对实际结构性态的模拟,在模型上还有可能出现原先未知而又实际存在的某些现象,因此模型试验研究不仅仅是对数理分析方法的验证,而且是获得更丰富切合实际的资料的积极探索,所以进行水工结构模型试验目的也是更好地探索新理论、新材料、新技术、新工艺的一种手段。
(3)结构模型试验研究的主要内容:a.大型水工建筑物的整体应力及变形问题。
b.结构物之间的联合作用问题。
c.地下结构的应力与稳定问题。
d.大坝安全度及破坏机理问题。
e.水工结构的动力特性问题。
f.验证新理论、新方法、新材料、新工艺等。
(4)模型试验的分类方法①按建筑物的模拟范围和受力状态分类a.整体结构模型试验:研究整体建筑物在空间力系作用下的强度或稳定问题。
b.平面结构模型试验:研究结构单位长度断面在平面力系作用下的强度和稳定问题,如重力坝坝段平面结构模型试验就是研究重力坝在水荷载作用下的应力和变形。
c.半整体结构模型试验:②按作用荷载特性分类a.静力结构模型试验:研究水工建筑物在静荷载(静水压力、自重、温度等)作用下的应力、变形及稳定问题的整体或断面(平面)模型试验。
在静力试验中还可分为线弹性结构应力模型试验(模型材料以石膏为主)和非线性结构模型破坏试验,即地质力学模型试验(模型材料以高容重、低强度、低变形模量的非线性模型材料重晶石粉等为主)。
b. 动力结构模型试验:研究水工建筑物在动荷载作用下的结构动力特性和动力反应的 模型试验。
我们教学实验选用静力模型试验中的结构应力模型试验,这是结构模型试验中采用较多的一类试验,它的目的主要是了解结构在受到正常荷载或特殊荷载作用下的结构性态,如应力大小及应力及分布变形等,对不满足工程要求的结构提出改进措施,为工程设计提供依据。
(5)结构模型试验的相似原理怎样才能使水工结构模型反映出原型水工结构的力学现象呢?这就要求模型与原型两者必须相似。
所谓相似包括两个基本概念,其一是模型和原型之间的同类物理量之比为常数,中的应力和应变关系若对于原型有pp p E εσ⋅=,则对于模型应有m m m E εσ⋅=。
①相似定理相似定理是进行模型试验的理论基础,有三个相似定理:a. 相似第一定理:对于彼此相似的理解其相似指标等于1或其相似判据为一不变量。
b. 相似第二定理:任一现象的各物理量之间的关系方程式,都可以转换为无量纲方程 而两个相似现象的无量纲方程中的各个对应项都是相似判据式。
c. 相似第三定理:在物理方程相同的情况下,若单值条件相似,则这两现象一定相似。
应用相似第一定理和相似第二定理,可以弄清楚两相似体中诸物理量之间的关系,从而推导出模拟某一自然现象或物理规律所必须遵循的相似准则,再由相似第三定理,赋予两相似体中各项单值条件以具体的不同数量级,即可获得模拟这一现象符合相似理论的不同规模的模型方案供比较选用,这就是相似理论在模型试验中的应用。
线弹性模型所遵循的相似准则可根据相似原理由弹性力学的基本方程式和边界条件推 出:1/1=r C C C σ 1/1=⋅σC C C q1/=⋅σεC C C E 1=μC1/=σC C x至于水工结构模型破坏试验不再祥述。
(6)模型设计怎样进行模型设计呢?由上节相似原理的公式得到1C C C r E ⋅=,这就是说模型设计的基本内容就是要解决:用什么材料做模型(确定E C ),模型该做多大(定l C ),以及在模型上该加多大的荷载(定r C )三个问题,这就要根据原型资料及试验条件的具体情况分析确定。
对教学试验模型:(属应力模型)1C :应力模型常采用1C =100~200,几何比尺的选用还与模型的边界条件、地质构造分布情况、模型槽尺寸及量测设备等有关,必须加以综合考虑,教学模型采用1C =100,E C 、μC 、r C 是代表材料的一些物理力学性质的相似常数,这几个常数确定了采用模型材料的种类,教学模型采用石膏材料,石膏属脆性材料,它的μ值与岩石及混凝土很接近,亦能满足1=μS 的条件。
一般应力模型的m E 取值大于1000MPa ,教学模型见图,模型采用m E =2500MPa 的石膏材料,原型材料的p E =25000MPa ,这时E C =10。
r C 和p C :根据相似关系r C =p C ,这两个常数用于确定模型荷载的大小及加荷方式。
当1C 、E C 确定时,r C 可由r C /1C 推出,由于试验加荷方式采用油压千斤顶系统加载,模拟水压时r C (或p C)有较宽的变幅可供选择。
此外,边界条件、地基范围的确定也是模型设计中应考虑的重要因素。
原则上地基范围的大小应包括结构受荷载作用后所影响的区域。
一般对地基无特殊要求的情况下,重力坝断面模型的坝基范围取为:上游坝基长度不小于1.3倍坝底宽或1.0倍坝高,下游坝基长度不小于2.0倍坝底宽或1.5倍坝高。
坝基深度不小于1.5倍坝底宽度或1.0倍坝高。
(7)模型材料、模型制作a.模型材料,对模型材料的要求:与原型材料的物理力学性能相似,保证材料均匀性,各向同性、连续性、稳定性,材料凝固前有较好的和易性,便于施工和修补。
目前常用的坝工模型材料有:纯石膏材料、石膏混合材料;此外还有以石膏、重晶石粉、砂子和甘油、机油等为原料的地质力学模型材料。
b.模型制作:由从事模型试验的工程师进行模型放样,由专门熟练的模型工进行制作。
(8)模型加荷模型加荷方法:主要有液体加荷、气压加荷和千斤顶加荷等。
我们教学模型上采用千斤顶加荷。
千斤顶加荷法:把作用于坝上的水压力分成若干个区,计算出每个区的合力,然后用不同规格的千斤顶以集中力方式加到每个区的合力位置上。
为了使受力面上的压力分布尽量接近实际,往往在千斤顶与坝面之间设计有各种垫块,使千斤顶出力能以分布力的方式传到结构上去。
这类加荷系统包括:油泵、图1 某重力坝断面分油器、油压表、千斤顶、垫块以及高压油管等设备。
这种方法的优点是,由于它可以很方便地改变压强,可适用于不同加荷的需要,不仅适用于弹性应力模型,而且多用它进行结构破坏试验。
它的缺点是设备的加工精度要求高,要严格控制漏油问题。
(9)安装量测技术及成果整理在结构静力模型试验中,通常需要量测的两个参数是应变和位移。
有了测量的应变值就可以计算出测点的正应力及主应力及其方向和大小,当测点足够多时就可以得到应力分布。
有了测点的位移值就可以得到结构的局部变形和整体变形,以及破坏的发生与发展。
目前,在模型试验中,常用的实验应力分析方法有电测法、机测法、光测法等,本次模型实验采用电测法,求解结构的应力分析问题。
所谓电测法就是采用敏感元件电阴片测量应变,因此贴片工艺及贴片技术是非常关键的问题,它直接关系到测量成果的可靠性或实验的成败。
这里讲的贴片技术包括电阻片选用及质量检验,试件的表面处理;电阻片的保护和防潮处理等。
对于我们研究应力模型上测点贴片位置,一般以满足试验任务的要求,例如一般需要获得应力分布、最大应力等。
一般要求重复试验的测值变幅不大于5对于这种常温静态应变测量一般的程序为:首先对模型进行预压,以消除其残余变形,预压荷截的大小可取材料的极限强度的1/4左右,预压次数的多少与不同的模型材料有关。
然后进行正式加荷,每次加荷顺序必须统一,并尽量与原型实际工作状态一致,每级加荷完毕需要有稳压时间,使模型变形趋于稳定(一般为10~15分钟),方可正式开始测量应变值,每级荷最好连续循环测读两次,用以核对及复查。
静态应变测量一般最少重复三次。
模型位移的测量也有机测与电测两种方法。
机没主要应用千(百)分表进行位移测量,其特点是比较直观、精度高,但仪器设置有一定局限性,受测量时间影响较大。
电测主要用位移传感器,这是发展方向。
随着高科技的发展,现在试验量测技术越来越自动化,这类测试系统主要由三部分组成,即:自动巡回检测系统,计算机控制系统,输出、打印、显示,绘图等外部设备,藉助于计算机,进行数据采集、数据处理及成果记录等,全部实现自动化程序控制,促进了模型试验技术的进一步发展。
根据模型试验量测的应变值和模型相似理论换算到原型,得到原型建筑物的特征点的应变应力值,并画出水工结构的应力、变形规律图,结合水工结构的基本理论进行成果分析。
重力坝平面结构模型上任一点应力可根据该点的一个实测应变值按下式进行计算:(不直接承受水压力的表面)[]⎪⎪⎪⎭⎪⎪⎪⎬⎫+-⋅-=+⋅-=+⋅-=)(2)1(2)(1)(111212y x xy f mxyxx f m y y x f m x C C E C C E C C E εεεμτμεεμσμεεμσ (1)式中:x σ、y σ、xy σ分别为原型水平、垂直向正应力和剪应力m E 、μ为模型材料的弹性模量和泊松比, fC 、1C 为密度和几何尺寸的相似常数;x ε、y ε和xy ε分别为模型实测的水平、垂直和45°方向的应变值。
示得x σ、yσ和xyτ后,再按下式求得主应力。
⎪⎪⎭⎪⎪⎬⎫-=+-±+=yx xyxyyx yx tg σστατσσσσσ22)2(2222,1 (2)上式中:代数值较大的主应力为第一主应力。
一般电阻应变仪以拉应变为正值,压应变为负值,因而在脆性材料结构模型试验中,通常也以拉应力为正值,压应力为负值。
(材料力学法,规定则相反,正应力以压为正以拉为负)。
确定应力方向角的步骤是: 首先按照图2中确定0º方向,接着画出α角(当α解为正值时,从0º(x 坐标)线逆时针旋转;当α角为负值时,则顺时针为。
根据α角方向给出两条相互垂直的线,此即为两个主应力的方向线。
但第一主应力的方向还要根据剪应力的符号确定,当剪应力为正值时,第一主应力在坐标的第一、三象限;当剪应力为负值时,则在第二、四象限内。
原型各点位移的计算公式为121-⋅⋅⋅=E r m p c C C δδ图2 应变花的贴法二、实验步骤:大流量、高水头等有利条件进行高速水流问题研究及在施工现场进行工程的导流截流试验。