脱机运算器实验
- 格式:ppt
- 大小:570.50 KB
- 文档页数:20
科技学院综合实验报告( 20 -- 20 年度第一学期)名称:计算机组成原理综合实验题目:运算器实验院系:信息工程系班级:学号:学生姓名:指导教师:设计周数: 1成绩:日期:年月一、目的与要求(1)熟悉与深入理解4位的运算器芯片Am2901的功能和内部组成,运行中要求使用的控制信号及其各自的控制作用;(2)熟悉与深入理解用4片4位的运算器芯片构成16位的运算器部件的具体方案,各数据位信号、各控制位信号的连接关系;(3)熟悉与深入理解用2片GAL20V8芯片解决ALU最低位的进位输入信号和最高、最低位的移位输入信号、实现4位的标志位寄存器的方案,理解为什么这些功能不能在运算器芯片之内实现而要到芯片之外另外处理。
(4)明确教学计算机的运算器部件,使用总计23位的控制信号就完全确定了它的全部运算与处理功能,脱机运算器实验中可以通过24位的微型开关中的23位提供这些控制信号,教学计算机正常执行指令时,这些控制信号必须改由控制器部件来提供。
在两种方式下,每一位(组)的控制功能是完全相同的。
二、实验正文1.实验内容1.1脱机运算器和联机运算器的区别和联系区别:脱机运算器只能通过数据开关拨入参加运算的数据,通过微型开关提供操作运算器运行所必需的控制信号,通过信号指示灯观察运算结果,操作简单,实验结果清晰易理解。
在计原16系统中,运算器最低位的进位输入信号Cin和左右移位输入信号RAM0、Q0、RAM15、Q15是由MACH芯片内部的SHIFT线路提供的。
16个开关拨入的数据经开关门电路送到内部总线,内部总线与运算器的输入端D15~D0已经连接。
联机运算器与计算机主机保持正常的连接关系,可以通过指令提供参加运算的数据,通过控制器提供操作运算器运行所必需的控制信号,通过信号指示灯或者通过运行监控程序观察运算结果,操作略显复杂,涉及到目前尚未讲解到的如何让控制器提供运算器实验所要求的控制信号的办法,有一定难度。
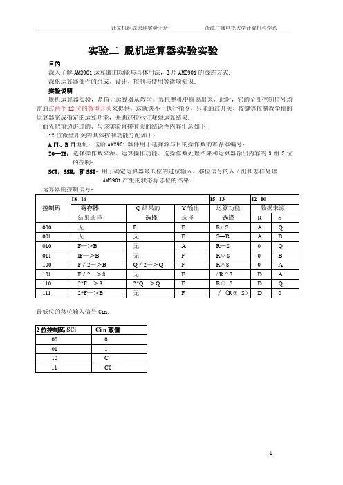
联系:两种运算器运算是都是由操作运算器运行所必须的控制信号,并通过指示灯观察运行结果1.2脱机运算器实验微型开关各字段的控制功能I2~I0表示数据来源,I5~I3表示运算功能,I8~I6表示结果处理。
南京工程学院计算机工程学院计算机组成与结构实验报告书实验学生班级 K网络工程121实验学生姓名王云峰学号 240121525实验地点信息楼A115实验二运算器实验同组同学李翔240121515(合作小组朱赛杰240121533)实验日期 11月27日实验仪器号 TEC-XP+14S022一、实验目的1.加深对Am2901运算器内部组成的了解, 掌握四片Am2901芯片间的连接关系, 以及它与有关外部逻辑电路的连接关系。
2.准确把握该运算器的控制与使用, 即掌握其运算与操作功能, 以及正确地为其提供全部控制信号及有关数据的手段与技术。
3.初步了解运算器在计算机整机中的作用。
二、实验内容1.脱机方式下运算器的控制及运行设计控制信号序列,在脱机方式实现给定程序段的功能。
记录按压START 前后的ALU的运算结果和状态标志。
2.联机方式下运算器的控制及运行在联机方式下,汇编并单步执行给定程序段,查看并记录每条指令执行后的运行结果。
使用指令的单步骤执行方式,观察与运算器相关的控制信号的状态。
三、实验步骤与结果脱机的运算器实验,在教学实验中实现如下7项操作功能:预期功能实现方案R0 ←1234 数据开关拨1234,B地址给0,D+0,结果送B口选的R0R9 ←789F 数据开关拨789F,B地址给9,D+0,结果送B口选的R9 R9 ←R9-R0 B地址9,A地址给0,最低位进位给1,B-A,结果送B 口选的R9R0 ←R0+1 B地址给0,最低位进位给1,B+0,结果送B口选的R0 R10←R0 B地址给A,A地址给0,A+0,结果送B口选的R10逻辑右移在有了预期功能和实现方案之后,要解决的具体问题,就是依据教学计算机的简明操作卡中的有关表格中规定的内容,找出实现每一操作功能要用到的控制码。
请把表2-3中各组控制信号的正确的取值填写在相应位置,然后把运行结果的状态信息填入表2-4。
思考题:执行R0+1时,为什么输出Y15-Y0为1234,而不是1235?左右移位时,是通用寄存器本身移位,还是它与Q寄存器联合移位是怎么区分的?最高、最低位的移位输入信号是怎么给出的?C在移位中有什么作用?联机的运算器实验,改用教学计算机的指令实现上述脱机运算器实验完成的功能。
实验一.脱机运算器部件实验一、教学计算机的通电启动和关闭操作1.教学计算机系统通电启动的操作步骤:(1) 准备一台串行接口运行正常的PC机;(2) 将TH-union计原16放在实验台上,打开实验箱的盖子,确定电源处于断开状态;(3) 将黑色的电源线一端接220V交流电源,另一端插在计原16实验箱的电源插座;(4) 取出通讯线,将通讯线的9芯插头接在计原16实验箱后板上左侧位置的串口插座,另一端接到PC机的串口上;(5) 将计原16实验系统左下方的五个黑色的功能控制开关置于00010的位置(连续、内存读指令、微程序、联机、16位),开关拨向上方表示“1”,拨向下方表示“0”;(6) 接通电源,船形开关和5V电源指示灯亮。
(7) 在PC机上运行PCEC16.EXE文件,根据使用的PC机的串口情况选“1”或“2”,其它的设置一般不用改动,直接回车即可。
(具体步骤附后)(8) 按一下“RESET”按键,再按一下“START”按键,PC机屏幕上显示:TH-union CRT MONITORVersion 1.0 April 2001Computer Architectur Lab., Tsinghua UniversityProgrammed by He Jia>这个版权信息显示出来之后,表示教学机已经进入正常运行状态,等待输入监控命令。
实验注意事项:1.连接电源线和通讯线前TH-union计原16实验系统的电源开关一定要处于断开状态,否则可能损坏教学计算机系统的或PC机的串行接口电路;2.五个黑色控制开关的功能示意图如下:开关位置,自左向右共5个,分别控制1 2 3 4 5向上拨:单步手工拨指令组合逻辑运算器联机 8位向上拨:连续读内存指令微程序运算器脱机 16位几种常用的工作方式,(开关向上拨表示为1,向下拨表示0)工作方式功能开关状态连续运行程序、硬连线控制器、联机、16位机 00110连续运行程序、微程序控制器、联机、16位机 00010单步、手拨指令、硬连线控制器、联机、16位机 11110单步、手拨指令、微程序控制器、联机、16位机 11010单步、脱机运算器实验、16位机 100002.关闭教学计算机系统在需要关闭教学计算机系统时,应首先通过安装在机箱右侧板上的开关关闭交流电源,教学机上的全部指示灯都会熄灭。
脱机运算器实验报告理论课教师姓名:高金山实验指导教师:坐位号:54 姓名:孔锐学号:16281132实验目的:1、深入了解AM2901运算器的功能与具体用法;2、深化运算器部件的组成、设计、控制与使用等知识实验内容:运算器实验(2)实验步骤将教学机左下方的5个拨动开关置为1XX00(单步、16位、脱机);先按一下“RESET”按键,再按一下“START”按键,进行初始化。
接下来,按下表所列的操作在机器上进行运算器脱机实验,将结果填入表中:实验结果分析:在做实验分析之前,先把与该实验相关的有关总结性内容展示如下:1、脱机运算器实验,是指让运算器从数学计算机整机中脱离出来,此时,他的全部控制与操作均需通过两个12位的卫星开关来完成,这就谈不上执行指令,只能通过开关,案件控制数学机的运算器完成指定的运算功能,并通过指示灯观察运算器结果。
(1)12位的微型开关的具体控制功能分配如下:A口,B口地址送给AM2901器件用于选择源与目的操作数的寄存器编号:I8-I0:选择操作数来源,运算操作数功能,选择操作数处理结果和运算器输出内容的3组3位的控制码:SCI、SSH和SST:用于确定运算器最低位的进位输入,移位信号的入\出和怎样处理AM2901产生的状态标志位的结果。
(2)开关位置说明:(3)做脱机运算器实验时,要用到提供24位控制信号的微动开关和提供16位数据的拨动开关,微动开关有三个一个可以提供12位的控制信号三个开关分别标有SW1-micro-switch、SW2-micro-switch和SW3-micro-switch。
他们所对应的控制信号见下表;数据开关是黑色的,左边的标有SWH的是高8位;右边的标有SWL的是低8位(4)开关检测红色微动开关是该实验系统中使用寿命最短的器件,开关好坏的检测方法比较简单,用户将五个控制机器工作方式的开关置于“1XX00”。
二、结果分析,先给出各个表:由上表可知,所做的实验则是对数据的存放,自加,移位,不同存储器之间的相加相减等,实验中,各个数据的均为16进制显示,有4个4位LED灯显示信号,分析:此指令要完成的目的是将FFFF赋给R0.B口对应R0,且地址为0000;只有R0一个值,所以A口不用。
实验一 脱机运算器实验一、实验目的1、深入了解位片结构运算器AM2901的功能与用法;2、学习4片AM2901组成一个16位运算器的级连方式,深化运算器部件的组成、设计、控制和使用等方面的知识。
二、实验原理运算器是计算机中执行各种算术和逻辑运算操作的部件。
基本操作包括加、减、乘、除四则算术运算,与、或、非、异或等逻辑运算,以及传送、移位、比较等操作。
运算器的组成除了ALU 单元外,还包括必要的寄存器和移位器等部件。
寄存器用于存放操作数和运算结果,以节省访问存储器的时间;移位器实现数据的移位功能,以扩展ALU 的运算功能,增加数据传送的灵活性。
AM2901是一个4位运算器,主要由ALU 、输入多路选择器、输出选择器、寄存器组和移位器等组成,如图1-1所示。
图1-1 AM2901芯片的内部组成结构1)算术逻辑ALUALU 为4位算术逻辑单元,共有8种运算功能,由输入端I 5I 4I 3的编码值决定执行哪一种功能。
2)通用寄存器组AM2901内部有一个通用寄存器组,共有16个4位的寄存器。
寄存器组有A 和B 两个端口,其中端口A 只有读出数据功能,端口B 具有读出和写入两种功能。
即数据可以从A 口和B 口输出,但只能从B 口输入。
3)Q 寄存器Q 寄存器为4位,在乘除运算中可用来存放乘数或商,故又称为乘商寄存器。
Q 寄存器本身具有移位功能,可对数据进行左移一位或右移一位的处理。
4)ALU 输入多路选择器AM2901具有两个输入多路选择器R 和S ,为ALU 提供两个操作数。
R 可选择来自数据线的数据D (来自外部)或寄存器组端口A 的数据;S 可从寄存器组端口A 、B 和Q 寄存器3个来源选取数据。
两个操作数的组合由控制信号I 2I 1I 0的编码确定。
5)移位器4位,用于对ALU 的输出实现直送、左移或右移处理。
6)输出选择器选择AM2901输出数据Y 的来源。
输出数据Y 有两个来源:一个是ALU 的运算结果F ,另一个是直接来自寄存器组端口A 。
实验报告实验人:学号:08 日期:2010-05-18 院(系):软件学院专业(班级):0实验题目:TEC-2实验计算机运算器实验一. 实验目的1.了解和掌握Am2901运算器的组成结构的工作原理;2.认识和掌握TEC-2机计算器的组成和工作原理;3.认识和掌握TEC-2机运算器相关控制信号的含义和使用方法;4.了解和掌握运算器的进位时间的测试方法,及进一步掌握双踪示波器的使用方法;二. 实验原理1).综述TEC-2实验计算机是为计算机组成原理的教学与实验而研制的实验计算机。
有两种方式实验:高级方式实验-联机实验,初级方式实验-脱机实验。
本实验即是采用脱机实验的方法,对运算器的原理和功能进行探究。
首先,运算器部件是计算机五大功能部件中的数据加工部件。
运算器的首要功能是完成对数据的算术和逻辑运算,由其内部的应该被称为算术与逻辑运算部件(ALU)来实现,它在给出运算结果的同时,还给出运算结果的标志,如溢出与否,进位否,结果为零否和符号正负等,这些标志都保存在一个状态寄存器中。
运算器的得二项功能,是暂存将参加运算的数据和中间结果,由其内部的一个寄存器来承担。
因为这些寄存器可被汇编程序直接方位与使用,因此将它们成为通用寄存器,以区别那些计算机内部设置的,不能为汇编程序员访问的专用寄存器。
为了用硬件线路完成程序指令运算,运算器内一般还有一个能自行左右移位的专用寄存器,称为乘商寄存器。
TEC-2实验即得运算器核心部分是Am2901。
Am2901芯片是一个4位的位片结构的完整的运算器部件。
对运算器的控制与操作,指的是如何让运算器完成所预期的操作功能。
这是通过正确的向其提供控制信号。
包括选哪个(哪些)数据参加运算,执行何种运算功能,对运算结果(值和特征)如何保存与送出等;同时,要解决正确运算器提供参加运算数据的种种问题,包括从外部向运算器送入数据,正确给出ALU最低的进位信号,运算器左右移位操作中的移位输入信号等。
脱机运算器实验的心得体会脱机运算器实验的心得体会在进行脱机运算器实验的这段时间里,我深刻体会到了计算科学的重要性和计算机的强大能力。
脱机运算器实验帮助我更好地理解了计算机原理和运算逻辑,并加深了对计算机科学的兴趣和热情。
首先,在实验中我学会了如何构建一个简单的脱机运算器。
通过搭建电路和对各个部件进行连接,我成功地实现了一个可以进行基本运算的计算器。
这个过程让我体会到了计算机的组成原理和工作原理,深入了解了计算机内部的硬件结构和运行机制。
其次,通过实验,我对计算机中的逻辑电路有了更深入的了解。
在构建计算器的过程中,我使用了与门、或门和非门等逻辑门电路,实现了运算器的基本逻辑功能。
对于逻辑电路的设计和实现,我进一步理解了计算机内部的数据传输和处理过程,提高了自己的逻辑思维能力。
另外,通过实验,我也更加明确地认识到了计算机的运算速度和存储能力的重要性。
在实验过程中,我发现自己设计的计算器在处理较大的数字时速度明显变慢,并且容易出现溢出和错误的情况。
这让我意识到了计算机性能的关键所在,加深了我对计算机性能优化和存储管理的理解。
此外,在脱机运算器实验中,我还学到了如何进行错误调试和故障排除。
在实验过程中,我经常会遇到电路连接不正确、元器件损坏或者程序设计错误等问题,这些问题使得计算器无法正常工作。
为了解决这些问题,我学习了使用万用表和逻辑分析仪等工具进行故障排查,锻炼了自己的问题解决能力。
最后,通过脱机运算器实验,我也体会到了团队合作的重要性。
在实验中,我与同学们一起合作,共同探索和解决问题。
通过彼此的交流和协作,我们不仅更好地理解了实验原理和过程,还提高了自己的团队合作意识和能力。
这对于今后的学习和工作都具有重要的意义。
总结起来,脱机运算器实验是我在计算机科学领域的一次宝贵经历。
通过实验,我不仅加深了对计算机原理和逻辑的理解,还提高了自己的实践能力和问题解决能力。
我相信,这次实验对我今后的学习和研究都会产生积极的影响,并为我未来的发展奠定坚实的基础。
实验二脱机运算器实验实验目的深入了解AM2901运算器的功能与具体用法,2片AM2901的级连方式:深化运算器部件的组成、设计、控制与使用等诸项知识.实验说明脱机运算器实验,是指让运算器从教学计算机整机中脱离出来,此时,它的全部控制信号均需通过两个12位的微型开关来提供,这就谈不上执行指令,只能通过开关、按键等控制教学机的运算器完成指定的运算功能,并通过指示订观察运算结果.下面先把前边讲过的、与该实验直接有关的结论性内容汇总如下.12位微型开关的具体控制功能分配如下:A口、B口地址:送给AM2901器件用于选择源与目的操作数的寄存器编号;I0—I8:选择操作数来源、运算操作功能、选操作数处理结果和运算器输出内容的3组3位的控制:SCI,SSH,和SST:用于确定运算器最低位的进位输入、移位信号的入/出和怎样处理AM2901产生的状态标志位的结果.最低位的移位输入信号Cin:状态寄存器的接收与保持最高、最低位的移位输入信号的形成逻辑注:表中的X表示不必处理、不必过问该位的取值;当通用寄存器本身移位时,Q寄存器不受影响;乘除运算要求实现通用寄存器与Q寄存器联合移位、没有Q寄存器单独移位功能.实验内容1.选择运算器要完成的一项运算功能,包括数据来源,运算功能,结果保存等;2.将实验台上两个红色的微型开关左边的短路子的任意一个或两个短接:将三个控制开关置成1XX(即处于单步状态);先同时按下“RESET”和“STEP”按键,松开后再按一下“STEP”按键,进行初始化.3.通过两个12位的红色微型开关向运算器提供控制信号,必要时通过8位数据开关向运算器提供数据.4,每按一次“STEP”键,结束一步操作,通过指示灯观察运算结果及状态标志。
观察ALU的运算结果应在按STEP键之前,观察标志寄存器结果在按STEP键之后。
5。
接下来,按下表所列的操作在八位机上进行运算器脱机实验,其中Dl取值为01H,D2取值为10H,将结果填入表中:实验要求1.实验之前认真预习,写出预习报告,包括操作步骤,实验过程所用数据和运行结果等,否则实验效率会很低,所学到的内容也会大受影响;2.实验过程当中,要仔细进行,防止损坏设备,分析可能遇到的各种现象,判断结果是否正确,记录运行结果;3.实验之后,认真写出实验作业报告,包括对遇到的各种现象的分折,实验步骤和实验结果,自己在这次实验的心得体会与收获等.参考答案。
大连理工大学实验预习报告学院(系):电子信息与电气工程学部专业:计算机科学与技术班级:1101姓名:郝宽宽学号:201181394指导教师签字:成绩:实验一:脱机运算器实验一、实验目的和要求(1)理解运算器芯片Am2901的功能和内部组成,运行中使用的控制信号及各自的控制作用;(2)理解4片Am2901构成16位运算器的具体方案,各数据位信号、各控制位信号的连接关系;(3)使用24位微型开关中的23位控制信号确定运算与处理功能。
二、实验原理、逻辑框图和实验设备实验原理:①运算器脱离与计算机主机的连接;②数据开关拨入参加运算的数据;③微型开关提供操作运算器运行必须控制信号;信号指示灯观察运算结果,信号亮表示高电平1,信号灯灭表示低电平0;④最低位的进位输入信号Cin和左右移位输入信号RAM0、Q0、RAM15、Q15由MACH内部SHIFT线路提供。
Am2901内部组成逻辑框图:4片Am2901构成16位运算器逻辑框图:实验设备:清华大学 TEC-XP 实验箱的MACH 部分三、实验内容(1)实现如下6项操作功能:R0 ← 1234,R9 ← 789F ,R9 ← R9-R0 ,R0 ← R0+1 ,R10← R0 ,R9 ← R9^R0 。
(2)找出上述实现每一操作功能要用到的控制码。
填写表中各组控制信号正确值,然后填入运行结果的状态信息表。
四、实验步骤(1)将教学机左下方的 5 个拨动开关置为1XX00(单步、16 位、脱机);先按一下“RESET ”按键,再按一下“START ”按键,进行初始化。
(2)按实验内容(1)的操作在机器上进行运算器脱机实验,输入时需要转换通过两个12 位的红色微型开关向运算器提供控制信号,通过16位数据开关向运算器提供数据,通过指示灯观察运算结果及状态标志。
(3)二进制数据由拨动开关SW 给出的(注:实验所给数据为十六进制数,需要转化为二进制输入)。
按“START ”按键之前,ALU 输出的是计算结果,A 、B 口数据锁存是在时钟的下降沿,通用寄存器的接收是在低电平,要想寄存器接收ALU 计算结果必须按一次“START ”。
基础汇编语言程序设计实验【实验目的】1.了解教学计算机的指令格式、指令编码、选择的寻址方式和每一条指令的具体功能,为进一步学习运算器组成和控制器设计打好基础。
2.了解汇编语言的语句与机器语言的指令之间的对应关系,了解伪指令在汇编过程中的作用。
3.学习教学机监控程序的功能、监控命令的使用方法,体会软件系统在计算机组成中的地位和作用。
【实验内容】1.学习联机使用TH-UNION+教学实验系统和仿真终端软件PCEC.2.使用监控程序的R命令显示/修改寄存器内容、D命令显示存储器内容、E命令修改存储器内容。
3.使用A命令写一小段汇编程序,U命令反汇编刚输入的程序,用G命令连续运行该程序,用T、P命令单步运行并观察程序单步执行情况;【实验内容】1.用R命令查看寄存器内容或修改寄存器的内容1)在命令行提示符状态下输入:R↙;显示寄存器的内容注:寄存器的内容在运行程序或执行命令后会发生变化。
2)在命令行提示符状态下输入:R R0↙;修改寄存器R0的内容,被修改的寄存器与所赋值之间可以无空格,也可有一个或数个空格2.用D命令显示存储器内容在命令行提示符状态下输入:D 2000↙3. 用E命令修改存储器内容在命令行提示符状态下输入:E 2000↙4.用D命令显示这几个单元的内容D 2000↙可以看到这六个地址单元的内容变为0000 1111 2222 3333 4444 5555。
5. 用A命令键入一段汇编源程序,主要是向累加器送入数据和进行运算,执行程序并观察运行结果。
1)在命令行提示符状态下输入:A 2000↙;表示该程序从2000H(内存RAM区的起始地址)地址开始2)用U命令反汇编刚输入的程序在命令行提示符状态下输入:U 2000↙在相应的地址会得到输入的指令及其操作码3)用G命令运行前面键入的源程序G 2000↙4)用P或T命令,单步执行这段程序,观察指令执行结果在命令行提示符状态下输入:T 2000↙<12020:MVRD R2,00OA2022:MVRD R0,00302024:OUT 802025:DEC R22026:JRZ 202E2027:PUSH R02028:IN 812029:SHR R0202A:JRNC 2028202B:POP R0202C:INC R0202D:JR 2024202E:RET202F:↙<2(2100) MVRD R2,001AMVRD R0,0041(2104) OUT 80DEC R2JRZ 210EPUSH R0(2108)IN 81SHR R0JRNC 2108POP R0INC R0JR 2104(210E)RET【实验结果】<1屏幕上输出'0'到'9'十个数字符<2屏幕上显示“A”~“Z”26个英文字母【实验过程中遇到的问题以及解决办法】在验证例3的实验时,输入语句“JC 2053”,执行时系统一直提示有错误,无法进行运算查表得知语句中没有JC ,只有JRC,所以修改语句即可解决。
脱机运算器实验报告脱机运算器实验报告近年来,随着计算机技术的飞速发展,我们对于计算的依赖越来越深。
然而,在某些特定的情况下,计算机的在线运算并不是最佳的选择。
例如,在一些特殊环境中,如太空探索、深海勘探等,计算机的在线运算面临着网络延迟、带宽限制等问题。
为了解决这一问题,我们进行了一项关于脱机运算器的实验。
实验目的:本实验旨在探索脱机运算器的原理和应用,以及评估其在特定环境下的性能。
实验设备:我们采用了一台由硬件实现的脱机运算器作为实验设备。
该设备由处理器、存储器、输入输出接口等组成,可以在无需网络连接的情况下进行运算。
实验步骤:1. 设计算法:我们首先设计了一个简单的算法,用于测试脱机运算器的性能。
该算法包括了加法、减法、乘法和除法等基本运算。
2. 编程实现:根据设计的算法,我们使用汇编语言编写了相应的程序,并将其加载到脱机运算器的存储器中。
3. 运行实验:我们对脱机运算器进行了一系列的运算实验。
通过输入指令,脱机运算器可以按照程序中的算法进行运算,并将结果输出到显示屏或存储器中。
实验结果:通过实验,我们得出了以下结论:1. 脱机运算器可以在无需网络连接的情况下进行高效的运算。
与在线运算相比,脱机运算器不受网络延迟和带宽限制的影响,具有更高的运算速度和稳定性。
2. 脱机运算器的存储能力有限。
由于设备体积和成本的限制,脱机运算器的存储器容量相对较小。
因此,在进行复杂的运算时,可能需要对数据进行分块处理或采用其他优化策略。
3. 脱机运算器在特殊环境下的应用潜力巨大。
由于其独立于网络的特性,脱机运算器可以应用于太空探索、深海勘探等领域,为科学研究和工程实践提供强大的计算支持。
讨论与展望:脱机运算器作为一种新兴的计算设备,具有广阔的应用前景。
未来,我们可以进一步改进脱机运算器的性能和功能,以满足更多领域的需求。
例如,可以增加存储器容量、优化算法设计、提高能耗效率等。
此外,脱机运算器的安全性也是一个重要的问题。
脱机运算器实验实验目的深入了解AM2901运算器的功能与具体用法,4片AM2901的级连方式,深化运算器部件的组成、设计、控制与使用等诸项知识。
实验说明脱机运算器实验,是指让运算器从教学计算机整机中脱离出来,此时,它的全部控制与操作均需通过两个12位的微型开关来完成,这就谈不上执行指令,只能通过开关、按键控制教学机的运算器完成指定的运算功能,并通过指示灯观察运算结果。
下面先把与该实验直接有关的结论性内容汇总如下。
12位微型开关的具体控制功能分配如下所述:A口、B口地址:送给AM2901器件用于选择源与目的操作数的寄存器编号;I8~I0:选择操作数来源、运算操作功能、选择操作数处理结果和运算器输出内容的3组3位的控制码;SCi、SSH和SST:用于确定运算器最低位的进位输入、移位信号的入/出和怎样处理AM2901产生的状态标志位的结果。
实验内容1.将教学机左下方的5个拨动开关置为1XX00(单步、16位、脱机);先按一下“RESET”按键,再按一下“START”按键,进行初始化。
2.接下来,按下页表格所列的操作在十六位机上进行运算器脱机实验,将结果填入表中。
其中D1取为0101H(H表示十六进制),D2取为1010H。
通过两个12位的红色微型开关向运算器提供控制信号,通过16位数据开关向运算器提供数据,通过指示灯观察运算结果及状态标志。
运算I8-I0 SST SSH Sci B A压START前压START后ALU输出CZVS ALU输出CZVS*D1+0->R0 011000111 001 00 00 0000 不用0101H 0000 0101H 0000 *D2+0->R1 011000111 001 00 00 0001 不用1010H 0000 1010H 0000 R0+R1->R0 011000001 001 00 0,0 0000 0001 1111H 0000 2121H 0000 R0-R1->R0 011001001 001 00 01 0000 0001 0101H 0000 F0F1H 0001 R1-R0->R1 011001001 001 00 01 0001 0000 0F0FH 0000 0E0EH 1000 R0∨R1->R0 011011001 001 00 00 0001 0000 0F0FH 1000 OFOFH 1010 R0∧R1->RO 011100001 001 00 00 0000 0001 0101H 1010 0101H 1010 R0≯R1->R0 011110001 001 00 00 0000 0001 0E0EH 1000 0101H 1000 R0≯R1->R0 011111001 001 00 00 0000 0001 FEFEH 1001 0E0EH 0000 2*R0->R0 111000011 001 00 00 0000 不用FEFEH 0001 FDFDH 0001 R0/2->R0 101000011 001 00 00 0000 不用FDFCH 0001 7EFEH 0000实验总结:通过本次试验我深入了解AM2901运算器的功能与具体用法,4片AM2901的级连方式,深化运算器部件的组成、设计、控制与使用等诸项知识。