国家安全生产监督管理总局2014年第13号公告与安监总局40号令有关标准的疑惑
- 格式:doc
- 大小:21.50 KB
- 文档页数:4
国家安全监管总局解读《危险化学品重大危险源监督管理暂行规定》新制定的《危险化学品重大危险源监督管理暂行规定》(以下简称《暂行规定》)已经2011年7月月22日国家安全监管总局局长办公会议审议通过,并于8月5日以国家安全监管总局令第40号公布,自2011年12月1日起施行。
一、制定《暂行规定》的必要性20世纪70年代以来,随着石油化工行业迅猛发展,相继发生了意大利塞维索工厂环己烷泄漏、墨西哥城液化石油气爆炸、印度博帕尔农药厂异氰酸甲酯泄漏等与危险化学品有关的恶性重特大工业事故,引起国际社会的高度关注,防范重特大工业事故成为各国特别是发达国家危险化学品安全管理工作的重要任务。
发达国家和有关国际组织从立法、管理、技术、制度等多个角度反思本国危险化学品安全管理工作,研究制定防范措施,提出了“重大危害”、“重大危害设施(国内通常称为重大危险源)”等概念。
各国预防重大事故的实践表明:为了有效预防重大工业事故的发生,降低事故造成的损失,必须建立重大危险源监管制度和监管机制。
我国颁布的《安全生产法》和《危险化学品安全管理条例》也从法律、法规层面对重大危险源的监督和管理提出了明确要求。
近年来,我国采取了一系列措施,强化危险化学品安全监管,全国危险化学品安全生产形势呈现稳定好转的发展态势。
但由于危险化学品安全生产基础薄弱、企业安全管理水平不高、监管力量不足等原因,危险化学品重特大事故还时有发生,危险化学品领域的安全生产形势依然严峻。
如2006年7月28日江苏省盐城市射阳县氟源化工有限公司反应釜爆炸,造成22人死亡,29人受伤。
2008年8月26日广西维尼纶集团有限责任公司化工装臵爆炸,造成21人死亡,60人受伤。
2009年7月15日河南省洛阳市偃师市谷县镇的河南洛染股份有限公司硝化车间爆炸事故,造成7人死亡、9人受伤。
2010年7月16日辽宁省大连保税区中石油国际储运有限公司原油罐区输油管道爆炸火灾事故,造成原油大量泄漏。
国家安全生产监督管理总局公告2014年第13号――危险化学品生产、储存装置个人可接受风险标准和社会可接受风险
标准(试行)
【法规类别】劳动安全与劳动保护化学危险品管理
【发文字号】国家安全生产监督管理总局公告2014年第13号
【发布部门】国家安全生产监督管理总局(原国家安全生产监督管理局)
【发布日期】2014.05.07
【实施日期】2014.05.07
【时效性】现行有效
【效力级别】部门规范性文件
国家安全生产监督管理总局公告
(2014年第13号)
《危险化学品生产、储存装置个人可接受风险标准和社会可接受风险标准(试行)》已经2014年4月22日国家安全生产监督管理总局局长办公会议审议通过,现予以公布。
国家安全监管总局
2014年5月7日危险化学品生产、储存装置个人可接受风险标准和社会可接受风险标准(试行)
一、适用范围
《危险化学品生产、储存装置个人可接受风险标准和社会可接受风险标准(试行)》(以下简称《可接受风险标准》)用于确定陆上危险化学品企业新建、改建、扩建和在役生产、储存装置的外部安全防护距离。
二、个人可接受风险标准
我国个人可接受风险标准值表。
国家安全生产监督管理总局发布第40号令发布日期:2011-09-08浏览量:330【字体:大中小】2011年7月22日国家安全生产监督管理总局局长办公会议审议通过《危险化学品重大危险源监督管理暂行规定,自2011年12月1日起施行。
转发如下:危险化学品重大危险源监督管理暂行规定第一章总则第一条为了加强危险化学品重大危险源的安全监督管理,防止和减少危险化学品事故的发生,保障人民群众生命财产安全,根据《中华人民共和国安全生产法》和《危险化学品安全管理条例》等有关法律、行政法规,制定本规定。
第二条从事危险化学品生产、储存、使用和经营的单位(以下统称危险化学品单位)的危险化学品重大危险源的辨识、评估、登记建档、备案、核销及其监督管理,适用本规定。
城镇燃气、用于国防科研生产的危险化学品重大危险源以及港区内危险化学品重大危险源的安全监督管理,不适用本规定。
第三条本规定所称危险化学品重大危险源(以下简称重大危险源),是指按照《危险化学品重大危险源辨识》(GB18218)标准辨识确定,生产、储存、使用或者搬运危险化学品的数量等于或者超过临界量的单元(包括场所和设施)。
第四条危险化学品单位是本单位重大危险源安全管理的责任主体,其主要负责人对本单位的重大危险源安全管理工作负责,并保证重大危险源安全生产所必需的安全投入。
第五条重大危险源的安全监督管理实行属地监管与分级管理相结合的原则。
县级以上地方人民政府安全生产监督管理部门按照有关法律、法规、标准和本规定,对本辖区内的重大危险源实施安全监督管理。
第六条国家鼓励危险化学品单位采用有利于提高重大危险源安全保障水平的先进适用的工艺、技术、设备以及自动控制系统,推进安全生产监督管理部门重大危险源安全监管的信息化建设。
第二章辨识与评估第七条危险化学品单位应当按照《危险化学品重大危险源辨识》标准,对本单位的危险化学品生产、经营、储存和使用装置、设施或者场所进行重大危险源辨识,并记录辨识过程与结果。
国家安全生产监督管理总局令第40 号《危险化学品重大危险源监督管理暂行规定》已经2011年7月22日国家安全生产监督管理总局局长办公会议审议通过,现予公布,自2011年12月1日起施行。
国家安全生产监督管理总局局长 xx xx二○一一年八月五日危险化学品重大危险源监督管理暂行规定第一章总则第一条为了加强危险化学品重大危险源的安全监督管理,防止和减少危险化学品事故的发生,保障人民群众生命财产安全,根据《中华人民共和国安全生产法》和《危险化学品安全管理条例》等有关法律、行政法规,制定本规定。
第二条从事危险化学品生产、储存、使用和经营的单位(以下统称危险化学品单位)的危险化学品重大危险源的辨识、评估、登记建档、备案、核销及其监督管理,适用本规定。
xx燃气、用于国防科研生产的危险化学品重大危险源以及港区内危险化学品重大危险源的安全监督管理,不适用本规定。
第三条本规定所称危险化学品重大危险源(以下简称重大危险源),是指按照《危险化学品重大危险源辨识》(GB18218)标准辨识确定,生产、储存、使用或者搬运危险化学品的数量等于或者超过临界量的单元(包括场所和设施)。
第四条危险化学品单位是本单位重大危险源安全管理的责任主体,其主要负责人对本单位的重大危险源安全管理工作负责,并保证重大危险源安全生产所必需的安全投入。
第五条重大危险源的安全监督管理实行属地监管与分级管理相结合的原则。
县级以上地方人民政府安全生产监督管理部门按照有关法律、法规、标准和本规定,对本辖区内的重大危险源实施安全监督管理。
第六条国家鼓励危险化学品单位采用有利于提高重大危险源安全保障水平的先进适用的工艺、技术、设备以及自动控制系统,推进安全生产监督管理部门重大危险源安全监管的信息化建设。
第二章辨识与评估第七条危险化学品单位应当按照《危险化学品重大危险源辨识》标准,对本单位的危险化学品生产、经营、储存和使用装置、设施或者场所进行重大危险源辨识,并记录辨识过程与结果。
国家安全生产监督管理总局公告2014年第13号《危险化学品生产、储存装置个人可接受风险标准和社会可接受风险标准(试行)》已经2014年4月22日国家安全生产监督管理总局局长办公会议审议通过,现予以公布。
国家安全监管总局2014年5月7日《危险化学品生产、储存装置个人可接受风险标准和社会可接受风险标准(试行)》危险化学品生产、储存装置个人可接受风险标准和社会可接受风险标准(试行)一、适用范围《危险化学品生产、储存装置个人可接受风险标准和社会可接受风险标准(试行)》(以下简称《可接受风险标准》)用于确定陆上危险化学品企业新建、改建、扩建和在役生产、储存装置的外部安全防护距离。
二、个人可接受风险标准我国个人可接受风险标准值表三、社会可接受风险标准11010010001x10-91x10-81x10-71x10-61x10-51x10-41x10-31x10-21x10-1我国社会可接受风险标准图附录:1.相关术语2.危险化学品生产、储存装置外部安全防护距离推荐方法死亡人数N (人)累积频率F (次/年)不可接受区尽可能降低区可接受区附录1相关术语定量风险评价:是对某一装置或作业活动中发生事故频率和后果进行定量分析,并与可接受风险标准比较的系统方法。
风险:是指发生特定危害事件的可能性以及发生事件后果严重性的结合。
个人风险:是指因危险化学品生产、储存装置各种潜在的火灾、爆炸、有毒气体泄漏事故造成区域内某一固定位置人员的个体死亡概率,即单位时间内(通常为一年)的个体死亡率。
通常用个人风险等值线表示。
社会风险:是对个人风险的补充,指在个人风险确定的基础上,考虑到危险源周边区域的人口密度,以免发生群死群伤事故的概率超过社会公众的可接受范围。
通常用累积频率和死亡人数之间的关系曲线(F-N曲线)表示。
防护目标:指在发生危险化学品事故时,易造成群死群伤的危险化学品单位周边的人员密集场所或敏感场所,包括居民区、村镇、商业中心、公园、学校、医院、影剧院、体育场(馆)、养老院、车站等。
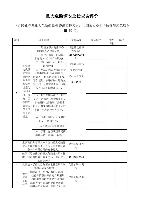
重大危险源安全检查表评价《危险化学品重大危险源监督管理暂行规定》(国家安全生产监督管理总局令第40号)序号评价内容依据标准实际情况检查结果备注1 存数量构成重大危险源的危险化学品储存设施与下列场所、设施、区域的距离是否符合国家有关规定:(一)居住区以及商业中心、公园等人员密集场所;《建筑设计防火规范》GB50016-2006《》《危险化学品安全管理条例》国务院令第591号(二)学校、医院、影剧院、体育场(馆)等公共设施;(三)饮用水源、水厂以及水源保护区;(四)车站、码头(依法经许可从事危险化学品装卸作业的除外)、机场以及通信干线、通信枢纽、铁路线路、道路交通干线、水路交通干线、地铁风亭以及地铁站出入口;(五)基本农田保护区、基本草原、畜禽遗传资源保护区、畜禽规模化养殖场(养殖小区)、渔业水域以及种子、种畜禽、水产苗种生产基地;(六)河流、湖泊、风景名胜区、自然保护区;(七)军事禁区、军事管理区;(八)法律、行政法规规定的其他场所、设施、区域。
2 主要负责人是否对本单位的重大危险源安全管理工作负责,并保证重大危险源安全生产所必需的安全投入。
安监总局40号令3 按照《危险化学品重大危险源辨识》标准,对本单位的危险化学品,进行重大危险源辨识GB18218-20094 是否建立了重大危险源安全管理规章制度和安全操作规程安监总局40号令5 安全监测监控体系配备温度、压力、液位、流量、组份等信息的不间建立断采集和监测系统以及可燃气体和有毒有害气体泄漏检测报警装置,并具备信息远传、连续记录、事安监总局40号令故预警、信息存储等功能;一级或者二级重大危险源,具备紧急停车功能。
记录的电子数据的保存时间不少于30天;重大危险源的化工生产装置装备满足安全生产要求的自动化控制系统;一级或者二级重大危险源,装备紧急停车系统;安监总局40号令对重大危险源中的毒性气体、剧毒液体和易燃气体等重点设施,设置紧急切断装置;毒性气体的设施,设置泄漏物紧急处置装置。
危险化学品重大危险源监督管理暂行规定及解读目录危险化学品重大危险源监督管理暂行规定........................................................... - 2 - 第一章总则............................................................................................ - 2 - 第二章辨识与评估........................................................................................ - 2 - 第三章安全管理............................................................................................ - 3 - 第四章监督检查............................................................................................ - 5 - 第五章法律责任............................................................................................ - 6 - 第六章附则............................................................................................ - 7 - 危险化学品重大危险源分级方法.................................................................... - 8 - 可容许风险标准.............................................................................................. - 11 - 国家安全监管总局解读《危险化学品重大危险源监督管理暂行规定》......... - 14 -一、制定《暂行规定》的必要性.................................................................. - 14 -二、《暂行规定》的主要内容........................................................................ - 14 -三、《暂行规定》中需要重点说明的几个问题............................................ - 14 -四、贯彻实施《暂行规定》的意义.............................................................. - 17 -国家安全生产监督管理总局令第40号《危险化学品重大危险源监督管理暂行规定》已经2011年7月22日国家安全生产监督管理总局局长办公会议审议通过,现予公布,自2011年12月1日起施行。
国家安全生产监督管理总局令第40号《危险化学品重大危险源监督管理暂行规定》已经2011年7月22日国家安全生产监督管理总局局长办公会议审议通过,现予公布,自2011年12月1日起施行。
国家安全生产监督管理总局局长骆琳二○一一年八月五日危险化学品重大危险源监督管理暂行规定第一章总则第一条为了加强危险化学品重大危险源的安全监督管理,防止和减少危险化学品事故的发生,保障人民群众生命财产安全,根据《中华人民共和国安全生产法》和《危险化学品安全管理条例》等有关法律、行政法规,制定本规定。
第二条从事危险化学品生产、储存、使用和经营的单位(以下统称危险化学品单位)的危险化学品重大危险源的辨识、评估、登记建档、备案、核销及其监督管理,适用本规定。
城镇燃气、用于国防科研生产的危险化学品重大危险源以及港区内危险化学品重大危险源的安全监督管理,不适用本规定。
第三条本规定所称危险化学品重大危险源(以下简称重大危险源),是指按照《危险化学品重大危险源辨识》(GB18218)标准辨识确定,生产、储存、使用或者搬运危险化学品的数量等于或者超过临界量的单元(包括场所和设施)。
第四条危险化学品单位是本单位重大危险源安全管理的责任主体,其主要负责人对本单位的重大危险源安全管理工作负责,并保证重大危险源安全生产所必需的安全投入。
第五条重大危险源的安全监督管理实行属地监管与分级管理相结合的原则。
县级以上地方人民政府安全生产监督管理部门按照有关法律、法规、标准和本规定,对本辖区内的重大危险源实施安全监督管理。
第六条国家鼓励危险化学品单位采用有利于提高重大危险源安全保障水平的先进适用的工艺、技术、设备以及自动控制系统,推进安全生产监督管理部门重大危险源安全监管的信息化建设。
第二章辨识与评估第七条危险化学品单位应当按照《危险化学品重大危险源辨识》标准,对本单位的危险化学品生产、经营、储存和使用装置、设施或者场所进行重大危险源辨识,并记录辨识过程与结果。
国家安全生产监督管理总局令第40号《危险化学品重大危险源监督管理暂行规定》已经2011年7月22日国家安全生产监督管理总局局长办公会议审议通过,现予公布,自2011年12月1日起施行。
国家安全生产监督管理总局局长骆琳二○一一年八月五日危险化学品重大危险源监督管理暂行规定第一章总则第一条为了加强危险化学品重大危险源的安全监督管理,防止和减少危险化学品事故的发生,保障人民群众生命财产安全,根据《中华人民共和国安全生产法》和《危险化学品安全管理条例》等有关法律、行政法规,制定本规定。
第二条从事危险化学品生产、储存、使用和经营的单位(以下统称危险化学品单位)的危险化学品重大危险源的辨识、评估、登记建档、备案、核销及其监督管理,适用本规定。
城镇燃气、用于国防科研生产的危险化学品重大危险源以及港区内危险化学品重大危险源的安全监督管理,不适用本规定。
第三条本规定所称危险化学品重大危险源(以下简称重大危险源),是指按照《危险化学品重大危险源辨识》(GB18218)标准辨识确定,生产、储存、使用或者搬运危险化学品的数量等于或者超过临界量的单元(包括场所和设施)。
第四条危险化学品单位是本单位重大危险源安全管理的责任主体,其主要负责人对本单位的重大危险源安全管理工作负责,并保证重大危险源安全生产所必需的安全投入。
第五条重大危险源的安全监督管理实行属地监管与分级管理相结合的原则。
县级以上地方人民政府安全生产监督管理部门按照有关法律、法规、标准和本规定,对本辖区内的重大危险源实施安全监督管理。
第六条国家鼓励危险化学品单位采用有利于提高重大危险源安全保障水平的先进适用的工艺、技术、设备以及自动控制系统,推进安全生产监督管理部门重大危险源安全监管的信息化建设。
第二章辨识与评估第七条危险化学品单位应当按照《危险化学品重大危险源辨识》标准,对本单位的危险化学品生产、经营、储存和使用装置、设施或者场所进行重大危险源辨识,并记录辨识过程与结果。
国家安全监管总局关于印发转变作风强化工作落实若干规定的通知安监总办〔2014〕40号各省、自治区、直辖市及新疆生产建设兵团安全生产监督管理局,各省级煤矿安全监察局,总局和煤矿安监局机关各司局、应急指挥中心,各直属事业单位、社团组织:现将《国家安全监管总局关于转变作风强化工作落实的若干规定》印发给你们,请紧密结合实际,认真贯彻执行。
国家安全监管总局2014年5月19日国家安全监管总局关于转变作风强化工作落实的若干规定为严格落实中央八项规定精神,进一步转变作风,强化工作落实,切实解决查出隐患一罚了之、停产整顿一停了之、事故查处挂牌督办一挂了之、有关会议一开了之、事故通报一发了之等“五个了之”现象,增强安全监管监察工作执行力,提高工作效能,制定本规定。
一、查出隐患必须督办治理到位,防止一罚了之(一)规范隐患整改指令下达方式。
认真处置现场检查发现的每一项隐患。
不能立即整改的,要下达整改指令,明确隐患名称、治理目标及整改建议、时限等内容,由被检查企业或单位(以下统称企业)负责人签收,并抄送企业所在地县级以上地方人民政府有关行业管理部门。
(二)严格执行重大隐患整改挂牌督办制度。
对检查发现的重大隐患,要进行挂牌督办,挂牌督办通知书要抄送企业所在地县级以上人民政府和相关行业管理部门。
涉及中央企业和省属企业的,其挂牌督办通知书要抄送企业所在地省级安委会办公室。
遇到重大问题,要及时向省级人民政府及有关部门报告。
(三)严格实行隐患整改闭环管理。
下达整改指令的部门(单位)要督促企业严格按照隐患整改指令,认真制定整改方案,逐项落实整改责任、资金、措施、时限和预案,并按整改时限要求报告整改落实情况。
对已经完成整改的重大隐患,挂牌督办部门(单位)应及时销号,并向抄送的部门(机构)、地方人民政府报告。
(四)实行隐患整改责任追究制度。
对拒不签收隐患整改指令或拒不整改隐患的企业及其主要负责人,要依法依规严厉追究责任,并纳入“黑名单”向社会公布。
关于国家安全生产监督管理总局公告2014年第13号《危险化学品生产、储存装置个人可接受风险标准和社会可接受风险标准(试行)》中的“我国个人可接受风险标准值表”与国家安全生产监督管理总局令第40号《危险化学品重大危险源监督管理暂时规定》附件2可容许风险标准中的“表1可容许个人风险标准”在安全评价执行过程中存在的有关疑惑在国家安全生产监督管理总局2014年第13号公告《危险化学品生产、储存装置个人可接受风险标准和社会可接受风险标准(试行)》解读中明确指出:“本次将定量风险评价应用于外部安全防护距离的确定,是在《化工企业定量风险评价导则》(AQ/T 3046-2013)公布以后,对国家安全生产监督管理总局40号令第九条有关规定的扩展延伸”,那么在《危险化学品生产、储存装置个人可接受风险标准和社会可接受风险标准(试行)》中规定的我国个人可接受风险标准值表(以下简称个人可接受风险标准)规定的“防护目标”是否可以认为是对安监总局40号令附件2《可容许风险标准》中“表1可容许个人风险标准中”(以下简称可容许个人风险标准)“危险化学品单位周边重要目标和敏感场所类别”的补充和延伸解释?由于二者存在不一致之处,在具体的安全评价(评估)执行过程中有关评价单位之间包括评审专家在内存在诸多分歧,影响到标准的宣贯执行,为便于理解,首先列出上述两个标准对比如下:我国个人可接受风险标准值表(安监总局2014年第13号公告 2014年5月7日)可容许个人风险标准(安监总局令第40号附件2可容许风险标准,2011年12月1日起施行)从上表可以看出,二者在外部防护对象定义(分别为防护目标与危险化学品单位周边重要目标和敏感场所类别举例)及标准等级与数值上(如三级风险与二级风险、人口数量确定等)有诸多不同之处,执行中存在疑惑,具体表现为:1、《个人可接受风险标准》对于新建装置人员个体容许死亡概率≤3×10-7中规定的“高敏感场所”举例比《可容许个人风险标准》增加了“监狱”,该增加项是否适用于《可容许个人风险标准》中个体容许死亡概率<3×10-7中关于“高敏感场所”的举例规定?《个人可接受风险标准》“重要目标”举例增加了“军事禁区”,没有“党政机关”,请问:“党政机关”是否适用于《个人可接受风险标准》,军事禁区是否适用于《可容许个人风险标准》?在《个人可接受风险标准》中“特殊高密度场所”规定(人数≥100人)而且举例除“大型体育场、大型交通枢纽”外,另外增加了“露天市场、居民区、宾馆、度假村、办公场所、商场、饭店、娱乐场所”,请问:(人数≥100人)之规定以及举例中的几个增加项是否适用于《可容许个人风险标准》,如果不适用,在40号令执行时人数规模有无其它参考规定?2、在《个人可接受风险标准》中对于新建装置人员个体容许死亡(概率≤3×10-6)规定的“居住类高密度场所”和“公众聚集类高密度场所”列举的内容与《可容许个人风险标准》中关于人员个体容许死亡概率<1×10-6中规定的“居住类高密度场所”和“公众聚集类高密度场所”完全一致,但是《个人可接受风险标准》中规定了人口规模(30人≤人数<100人),请问该人数规定是否适用《可容许个人风险标准》,还是另有人数规模规定?3、《危险化学品生产、储存装置个人可接受风险标准和社会可接受风险标准(试行)》解读中指出“与40号令第九条规定相比,采用定量风险评价法确定外部安全防护距离的装置范围更广,依据的个人可接受风险标准更适用于危险性稍低于40号令第九条所列的装置。
国家安全生产监督管理总局令第40号《危险化学品重大危险源监督管理暂行规定》已经2011年7月22日国家安全生产监督管理总局局长办公会议审议通过,现予公布,自2011年12月1日起施行。
国家安全生产监督管理总局局长骆琳二○一一年八月五日危险化学品重大危险源监督管理暂行规定第一章总则第一条为了加强危险化学品重大危险源的安全监督管理,防止和减少危险化学品事故的发生,保障人民群众生命财产安全,根据《中华人民共和国安全生产法》和《危险化学品安全管理条例》等有关法律、行政法规,制定本规定。
第二条从事危险化学品生产、储存、使用和经营的单位(以下统称危险化学品单位)的危险化学品重大危险源的辨识、评估、登记建档、备案、核销及其监督管理,适用本规定。
城镇燃气、用于国防科研生产的危险化学品重大危险源以及港区内危险化学品重大危险源的安全监督管理,不适用本规定。
第三条本规定所称危险化学品重大危险源(以下简称重大危险源),是指按照《危险化学品重大危险源辨识》(GB18218)标准辨识确定,生产、储存、使用或者搬运危险化学品的数量等于或者超过临界量的单元(包括场所和设施)。
第四条危险化学品单位是本单位重大危险源安全管理的责任主体,其主要负责人对本单位的重大危险源安全管理工作负责,并保证重大危险源安全生产所必需的安全投入。
第五条重大危险源的安全监督管理实行属地监管与分级管理相结合的原则。
县级以上地方人民政府安全生产监督管理部门按照有关法律、法规、标准和本规定,对本辖区内的重大危险源实施安全监督管理。
第六条国家鼓励危险化学品单位采用有利于提高重大危险源安全保障水平的先进适用的工艺、技术、设备以及自动控制系统,推进安全生产监督管理部门重大危险源安全监管的信息化建设。
第二章辨识与评估第七条危险化学品单位应当按照《危险化学品重大危险源辨识》标准,对本单位的危险化学品生产、经营、储存和使用装置、设施或者场所进行重大危险源辨识,并记录辨识过程与结果。
国家安全生产监督管理总局令第40号《危险化学品重大危险源监督管理暂行规定》已经2011年7月22日国家安全生产监督管理总局局长办公会议审议通过,现予公布,自2011年12月1日起施行。
国家安全生产监督管理总局局长骆琳二○一一年八月五日危险化学品重大危险源监督管理暂行规定第一章总则第一条为了加强危险化学品重大危险源的安全监督管理,防止和减少危险化学品事故的发生,保障人民群众生命财产安全,根据《中华人民共和国安全生产法》和《危险化学品安全管理条例》等有关法律、行政法规,制定本规定。
第二条从事危险化学品生产、储存、使用和经营的单位(以下统称危险化学品单位)的危险化学品重大危险源的辨识、评估、登记建档、备案、核销及其监督管理,适用本规定。
城镇燃气、用于国防科研生产的危险化学品重大危险源以及港区内危险化学品重大危险源的安全监督管理,不适用本规定。
第三条本规定所称危险化学品重大危险源(以下简称重大危险源),是指按照《危险化学品重大危险源辨识》(GB18218)标准辨识确定,生产、储存、使用或者搬运危险化学品的数量等于或者超过临界量的单元(包括场所和设施)。
第四条危险化学品单位是本单位重大危险源安全管理的责任主体,其主要负责人对本单位的重大危险源安全管理工作负责,并保证重大危险源安全生产所必需的安全投入。
第五条重大危险源的安全监督管理实行属地监管与分级管理相结合的原则。
县级以上地方人民政府安全生产监督管理部门按照有关法律、法规、标准和本规定,对本辖区内的重大危险源实施安全监督管理。
第六条国家鼓励危险化学品单位采用有利于提高重大危险源安全保障水平的先进适用的工艺、技术、设备以及自动控制系统,推进安全生产监督管理部门重大危险源安全监管的信息化建设。
第二章辨识与评估第七条危险化学品单位应当按照《危险化学品重大危险源辨识》标准,对本单位的危险化学品生产、经营、储存和使用装置、设施或者场所进行重大危险源辨识,并记录辨识过程与结果。
国家安全生产监督管理总局令第40号《危险化学品重大危险源监督管理暂行规定》已经2011年7月22日国家安全生产监督管理总局局长办公会议审议通过,现予公布,自2011年12月1日起施行。
国家安全生产监督管理总局局长骆琳二○一一年八月五日危险化学品重大危险源监督管理暂行规定第一章总则第一条为了加强危险化学品重大危险源的安全监督管理,防止和减少危险化学品事故的发生,保障人民群众生命财产安全,根据《中华人民共和国安全生产法》和《危险化学品安全管理条例》等有关法律、行政法规,制定本规定。
第二条从事危险化学品生产、储存、使用和经营的单位(以下统称危险化学品单位)的危险化学品重大危险源的辨识、评估、登记建档、备案、核销及其监督管理,适用本规定。
城镇燃气、用于国防科研生产的危险化学品重大危险源以及港区内危险化学品重大危险源的安全监督管理,不适用本规定。
第三条本规定所称危险化学品重大危险源(以下简称重大危险源),是指按照《危险化学品重大危险源辨识》(GB18218)标准辨识确定,生产、储存、使用或者搬运危险化学品的数量等于或者超过临界量的单元(包括场所和设施)。
第四条危险化学品单位是本单位重大危险源安全管理的责任主体,其主要负责人对本单位的重大危险源安全管理工作负责,并保证重大危险源安全生产所必需的安全投入。
第五条重大危险源的安全监督管理实行属地监管与分级管理相结合的原则。
县级以上地方人民政府安全生产监督管理部门按照有关法律、法规、标准和本规定,对本辖区内的重大危险源实施安全监督管理。
第六条国家鼓励危险化学品单位采用有利于提高重大危险源安全保障水平的先进适用的工艺、技术、设备以及自动控制系统,推进安全生产监督管理部门重大危险源安全监管的信息化建设。
第二章辨识与评估第七条危险化学品单位应当按照《危险化学品重大危险源辨识》标准,对本单位的危险化学品生产、经营、储存和使用装置、设施或者场所进行重大危险源辨识,并记录辨识过程与结果。
国家安全生产监督管理总局令第40号《危险化学品重大危险源监督管理暂行规定》已经2011年7月22日国家安全生产监督管理总局局长办公会议审议通过,现予公布,自2011年12月1日起施行。
国家安全生产监督管理总局局长骆琳二○一一年八月五日危险化学品重大危险源监督管理暂行规定(国家安全监管总局令第40号公布,根据总局令第79号修正)第一章总则第一条为了加强危险化学品重大危险源的安全监督管理,防止和减少危险化学品事故的发生,保障人民群众生命财产安全,根据《中华人民共和国安全生产法》和《危险化学品安全管理条例》等有关法律、行政法规,制定本规定。
第二条从事危险化学品生产、储存、使用和经营的单位(以下统称危险化学品单位)的危险化学品重大危险源的辨识、评估、登记建档、备案、核销及其监督管理,适用本规定。
城镇燃气、用于国防科研生产的危险化学品重大危险源以及港区内危险化学品重大危险源的安全监督管理,不适用本规定。
第三条本规定所称危险化学品重大危险源(以下简称重大危险源),是指按照《危险化学品重大危险源辨识》(GB18218)标准辨识确定,生产、储存、使用或者搬运危险化学品的数量等于或者超过临界量的单元(包括场所和设施)。
第四条危险化学品单位是本单位重大危险源安全管理的责任主体,其主要负责人对本单位的重大危险源安全管理工作负责,并保证重大危险源安全生产所必需的安全投入。
第五条重大危险源的安全监督管理实行属地监管与分级管理相结合的原则。
县级以上地方人民政府安全生产监督管理部门按照有关法律、法规、标准和本规定,对本辖区内的重大危险源实施安全监督管理。
第六条国家鼓励危险化学品单位采用有利于提高重大危险源安全保障水平的先进适用的工艺、技术、设备以及自动控制系统,推进安全生产监督管理部门重大危险源安全监管的信息化建设。
第二章辨识与评估第七条危险化学品单位应当按照《危险化学品重大危险源辨识》标准,对本单位的危险化学品生产、经营、储存和使用装置、设施或者场所进行重大危险源辨识,并记录辨识过程与结果。
关于国家安全生产监督管理总局公告2014年第13号《危险化学品生产、储存装置个人可接受风险标准和社会可接受风险标准(试行)》中的“我国个人可接受风险标准值表”与国家安全生产监督管理总局令第40号《危险化学品重大危险源监督管理暂时规定》附件2可容许风险标准中的“表1可容许个人风险标准”在安全评价执行过程中存在的有关疑惑
在国家安全生产监督管理总局2014年第13号公告《危险化学品生产、储存装置个人可接受风险标准和社会可接受风险标准(试行)》解读中明确指出:“本次将定量风险评价应用于外部安全防护距离的确定,是在《化工企业定量风险评价导则》(AQ/T 3046-2013)公布以后,对国家安全生产监督管理总局40号令第九条有关规定的扩展延伸”,那么在《危险化学品生产、储存装置个人可接受风险标准和社会可接受风险标准(试行)》中规定的我国个人可接受风险标准值表(以下简称个人可接受风险标准)规定的“防护目标”是否可以认为是对安监总局40号令附件2《可容许风险标准》中“表1可容许个人风险标准中”(以下简称可容许个人风险标准)“危险化学品单位周边重要目标和敏感场所类别”的补充和延伸解释?
由于二者存在不一致之处,在具体的安全评价(评估)执行过程中有关评价单位之间包括评审专家在内存在诸多分歧,影响到标准的宣贯执行,为便于理解,首先列出上述两个标准对比如下:
我国个人可接受风险标准值表
(安监总局2014年第13号公告 2014年5月7日)
可容许个人风险标准
(安监总局令第40号附件2可容许风险标准,2011年12月1日起施行)
从上表可以看出,二者在外部防护对象定义(分别为防护目标与危险化学品单位周边重要目标和敏感场所类别举例)及标准等级与数值上(如三级风险与二级风险、人口数量确定等)有诸多不同之处,执行中存在疑惑,具体表现为:
1、《个人可接受风险标准》对于新建装置人员个体容许死亡概率≤3×10-7中规定的“高敏感场所”举例比《可容许个人风险标准》增加了“监狱”,该增加项是否适用于《可容许个人风险标准》中个体容许死亡概率<3×10-7中关于“高敏感场所”的举例规定?《个人可接受风险标准》“重要目标”举例增加了“军事禁区”,没有“党政机关”,请问:“党政机关”是否适用于《个人可接受风险标准》,军事禁区是否适用于《可容许个人风险标准》?在《个人可接受风险标准》中“特殊高密度场所”规定(人数≥100人)而且举例除“大型体育场、大型交通枢纽”外,另外增加了“露天市场、居民区、宾馆、度假村、办公场所、商场、饭店、娱乐场所”,请问:(人数≥100人)之规定以及举例中的几个增加项是否适用于《可容许个人风险标准》,如果不适用,在40号令执行时人数规模有无其它参考规定?
2、在《个人可接受风险标准》中对于新建装置人员个体容许死亡(概率
≤3×10-6)规定的“居住类高密度场所”和“公众聚集类高密度场所”列举的内容与《可容许个人风险标准》中关于人员个体容许死亡概率<1×10-6中规定的“居住类高密度场所”和“公众聚集类高密度场所”完全一致,但是《个人可接受风险标准》中规定了人口规模(30人≤人数<100人),请问该人数规定是否适用《可容许个人风险标准》,还是另有人数规模规定?
3、《危险化学品生产、储存装置个人可接受风险标准和社会可接受风险标准(试行)》解读中指出“与40号令第九条规定相比,采用定量风险评价法确定外部安全防护距离的装置范围更广,依据的个人可接受风险标准更适用于危险性稍低于40号令第九条所列的装置。
因此当危化装置符合40号令第九条规定的情形,
需按照40号令中规定的风险标准执行”,那么可否认为当危险化学品生产、储存装置满足40号令第九条规定时,新建装置个人可接受二级风险标准执行容许死亡概率<1×10-6替代执行≤3×10-6?同时,“低密度人员场所”(人数<30人)个人可接受风险标准仍然执行容许死亡概率≤1×10-5,还是该级标准不再执行。
4、如果进行定量风险评价后确定的外部安全防护距离范围内存在上述防护对象(如办公场所、宾馆、居民区或居住区等),在危化装置难以调整位置的情况下,防护对象是否必须搬迁,还是可以采取其它措施降低风险后保留?
以上疑惑,敬请明示。