保温装饰一体板技术参数
- 格式:docx
- 大小:18.03 KB
- 文档页数:4
保温装饰一体板技术参数WX保温装饰一体板技术参数一系统基本构造
二复合板的物理力学性能
三复合板外观质量
四系统的主要性能指标
五复合板涂层的物理化学性能
六复合板几何尺寸偏差
七粘结剂性能
八挤塑板聚苯板厚度选用表
注:1、保温材料厚度按要求的墙体传热系数K值选定万兴保温装饰一体板,如所要求的K值未列表中时,则应选取与该K值相邻的较小K值确定材料厚度。
2、基层墙体灰砂砖、DM砖和KP1砖时,不论保温材料厚薄,其墙体的热惰性指标D值均大于3。
基层墙体为钢筋混凝土墙或混凝土空心砌块墙,当K=1、D<2.5时,应按照《民用建筑热工设计规范》GB50176-93第5.1.1条验算隔热要求。
3、计算厚度不足10mm者,均按10mm列入,表中厚度栏内的“――”表示该墙体可不设保温层。
4、保温材料厚度的最小限值定为20mm,计算结果不足者,可按20mm选用或选用其他类型的外墙外保温系统。
5、表中所列挤塑板的厚度为挤塑板的净厚度,不包括面板厚度。
九复合板外墙外保温装饰一体化系统安装尺寸偏差。
饰面一体化外墙外保温系统技术标准1、标准依据JG/T 287-2013 《保温装饰板外墙外保温系统材料》JGJ/T 350-2015 《保温防火复合板应用技术规程》GB/T 14683 《硅酮建筑密封胶》GB/T 29906-2013 《模塑聚苯板薄抹灰外墙外保温系统材料》JG/T 483-2015 《岩棉薄抹灰外墙外保温系统材料》JG/T 366-2012 《外墙保温用锚栓》JC/T 564.1-2008 《纤维增强硅酸钙板第1部分:无石棉硅酸钙板》JC/T 412.1-2006 《无石棉纤维水泥板第1部分:无石棉纤维水泥板》2、技术指标要求饰面一体化外墙外保温系统由保温装饰板、粘结砂浆、锚固件、嵌缝材料和密封胶组成,置于建筑物外墙外侧、实现保温装饰一体化的功能。
2.1饰面一体化外墙外保温系统技术指标:按保温装饰板单位面积质量分为I型、II型。
I型:﹤20 kg/m3;II型:20 kg/m3—30 kg/m3。
注a:当采用无机保温材料或系统有透气构造时不检验水蒸气透过性能。
2.2 保温装饰板技术指标2.2.1外观:保温装饰板外观颜色均匀一致、无破损。
2.2.2 保温装饰板技术指标如下:同时所用保温材料须符合相应规范要求:模塑聚苯板(EPS)应符合GB/T 29906-2013 《模塑聚苯板薄抹灰外墙外保温系统》中5.3要求岩棉应符合JG/T 483-2015 《岩棉薄抹灰外墙外保温系统材料》中5.2.1要求。
2.2.3 装饰面技术指标:项目指标耐酸性,48h无异常耐碱性,96h无异常耐盐雾,500h无损伤耐老化,1000h合格耐污染性%≤10附着力,级≤1注:耐污染性、附着力仅限于平涂饰面2.2.4 尺寸容许偏差:2.3装饰板基板主要技术指标:2.4 粘结砂浆技术指标:2.5锚固件及锚栓主要技术指标:2.6 硅酮建筑密封胶(耐候胶)技术指标:。
一、保温装饰一体板产品技术参数根据JGT 287-2013 《保温装饰外墙外保温系统材料》,并结合项目实际情况,本项目保温一体板产品应符合下列技术要求:名称行业内专用名称为:保温装饰一体板一、保温芯材(一)岩棉:1、表观密度≥135kg/m³2、垂直于板面方向的抗拉强度≥0.15MPa3、憎水率≥98%4、纤维分布:垂直于墙面(即竖丝岩棉)5、导热系数≤0.046W/(M·K)◆石墨聚苯板参数1、表观密度≥20kg/m32、抗拉强度≥0.10MPa3、导热系数:≤0.033W(m.k)二、无机面板参数1、密度:1.4g/cm³<密度≤1.7g/cm³2、吸水率<28%,含水率<12%3、厚度≥8mm4、抗冻性:经25次冻融循环,不得出现破裂分层三、饰面装饰层参数1、耐酸性48h无异常,耐碱性96h无异常,耐盐雾500h无损伤2、耐人工气候老化性应达2000h不起泡、不剥落、无裂纹,粉化0级,变色0级四、粘结砂浆参数1、与水泥砂浆拉伸粘结强度:原强度≥0.6MPa,耐水强度≥0.4MPa2、与保温装饰板(Ⅰ型)拉伸粘结强度:原强度≥0.1MPa,耐水强度≥0.1MPa3、与保温装饰板(Ⅱ型)拉伸粘结强度:原强度≥0.15MPa,耐水强度≥0.15MPa4、可操作时间≥1.5h五、锚固件参数应选择“干”字型锚固件,具体要求如下:1、应使用板面开槽锚固方式2、扣件材质应为铝合金或不锈钢制品3、拉拔力标准值≥0.6kN4、悬挂力≥0.1kN六、耐候密封胶参数1、表干时间:≤3h2、弹性恢复率:≥80%3、拉伸模量:23℃时,>0.4MPa;-20℃时,>0.6MPa4、质量损失率≤10%二、一体板安装要求根据GB50411 《建筑节能工程施工质量验收规范》项目一体板安装需注意以下几点:一、关于粘贴1、保温一体板与基层墙体间有效粘结面积≥50%,门窗洞口及挑出部分、建筑物阳角处、应采用全面积粘贴;2、宜采用点框法粘贴保温装饰板,粘结层厚度不宜超过 15mm;二、关于锚固1、锚固件应使用“干”字型锚固件,使用板面开槽方式安装;2、锚固件之间最大间距不得大于 500mm,且一侧不少于 2 个锚固件。
保温装饰一体板技术参数1. 厚度:保温装饰一体板的厚度通常为50mm至200mm之间。
根据建筑物的具体要求和设计规范,可以选择不同的厚度来满足保温效果的要求。
2. 密度:保温装饰一体板的密度是指其单位体积内的质量。
一般来说,保温装饰一体板的密度越大,其保温性能越好。
常见的保温装饰一体板的密度范围为80kg/m³至200kg/m³之间。
3.火焰延时:保温装饰一体板的火焰延时是指材料在火源作用下能够持续燃烧的时间。
一般来说,保温装饰一体板的火焰延时应符合国家相关标准的要求,通常为不超过10秒。
4.热导率:保温装饰一体板的热导率是指单位温降下单位面积上的导热量。
这个参数越小,表示材料的保温性能越好。
一般来说,保温装饰一体板的热导率应在0.03W/(m·K)以下。
5.抗压强度:保温装饰一体板的抗压强度是指材料在压力作用下可以承受的最大应力。
常见的保温装饰一体板的抗压强度为0.2MPa至0.6MPa之间。
6.吸水率:保温装饰一体板的吸水率是指材料在常温下吸收水分的能力。
一般来说,保温装饰一体板的吸水率应小于5%。
过高的吸水率会导致材料变形、脱落等问题。
7.声传播:保温装饰一体板的声传播性能是指在声波作用下,材料对声音传播的阻力。
通过合理选择保温装饰一体板可以有效地改善建筑物的隔音效果。
8.环保性:保温装饰一体板的环保性是指材料在生产、使用和回收过程中对环境的影响程度。
它包括材料的无毒性、无放射性、可回收性等因素。
选择环保性能好的保温装饰一体板可以有效地减少对环境的污染。
以上是保温装饰一体板的一些常见技术参数。
不同的项目和需求可能会有一些差异,因此在选择和使用保温装饰一体板时,应根据具体情况进行合理的选择。
同时,也要遵守国家相关标准和规范,确保施工和使用的质量和安全性。
保温装饰一体板技术参数保温装饰一体板是一种集保温、装饰于一体的建筑材料,是近年来广泛应用于建筑墙体、屋面、地面等部位的一种新型建筑材料。
它由表层装饰材料、保温层材料和基层材料组成,具有保温效果好、施工简便、美观耐用等特点。
本文将详细介绍保温装饰一体板的技术参数。
一、板材规格及厚度保温装饰一体板主要有两种规格,常用规格为600mm×600mm和1200mm×600mm,也可根据实际需要定制其他规格。
板材的厚度一般为50mm、75mm、100mm等,也可按需要定制其他厚度,保温板厚度直接影响着保温效果。
二、板芯材料1.聚苯乙烯泡沫板聚苯乙烯泡沫板是一种常见的保温材料,具有良好的保温性能和较低的导热系数。
其抗压强度较高,韧性好,施工简单方便。
但聚苯乙烯泡沫板易燃,需要在施工过程中注意避免火源接触。
2.硅酸盐板硅酸盐板具有良好的耐火性能和较高的保温性能,不燃烧、不熔化、不变形,在火灾发生时能够保护建筑物的结构安全。
硅酸盐板的施工要求较高,需要采用特定的粘结剂进行固定。
3.岩棉板岩棉板是一种具有优良保温性能和吸音隔音效果的板芯材料。
它具有较高的耐火性能,不燃烧、不熔化。
岩棉板的施工需要注意防止异物、水分等进入板材内部,以免影响保温效果。
三、保温层材料四、表层装饰材料五、施工工艺保温装饰一体板的施工工艺一般包括板材的剪切、粘贴、封边处理等步骤。
在施工过程中需注意保温板的水平和垂直度,保证整体效果的美观和施工质量。
施工过程中还需注意板材与墙体的粘合强度,以及板材交接处的处理等。
六、技术标准综上所述,保温装饰一体板的技术参数包括板材规格及厚度、板芯材料、保温层材料、表层装饰材料、施工工艺和技术标准等。
这些参数直接影响着保温装饰一体板的保温效果、施工质量和使用寿命。
在实际应用中,需要根据具体项目需求选择合适的技术参数,以确保施工质量和使用效果的达到要求。
TM保温装饰一体板规格TM保温装饰一体板规格 (1)目录 (2)1.范围 (2)2.规范性引用文件 (2)3.术语和定义 (3)3.1 TM外墙外保温一体板 (3)4.产品标记 (3)4.1 产品标记 (3)4.1.1 标记方法 (3)4.1.2 标记示例 (3)5.技术要求 (3)5.1 规格尺寸和允许偏差 (3)5.1.1 规格尺寸 (3)5.1.2 尺寸允许偏差 (4)5.2 装饰面外观质量 (4)5.3 物理性能指标 (4)6. 试验方法 (5)6.1 外观质量 (5)6.1.1 量具 (5)6.1.2 检验方法 (5)6.2 规格尺寸和尺寸偏差 (5)6.2.1 量具 (5)6.2.2 检验方法 (5)6.3 物理力学性能 (6)6.3.1 表观密度 (6)6.3.2 绝热性能 (6)6.3.3 抗折性能 (7)6.3.4 剥离强度 (7)6.3.5 风压变形性 (7)7. 检验规则 (7)7.1 出厂检验 (7)7.1.1 出厂检验的检验项目 (7)7.1.2 组批 (7)7.1.3 抽样 (7)7.2 型式检验 (8)7.2.1 有下列情况之一时,应进行型式检验。
(8)7.2.2型式检验的检验项目 (8)7.2.3抽样 (8)8. 产品的标志、标签、使用说明书 (8)8.1 标志 (8)8.2 检验合格证 (8)8.3 使用说明书 (9)9. 包装、运输和贮存 (9)9.1 产品需用木筐架箱进行包装: (9)9.2 产品外包装箱上应标明: (9)9.3产品应按类别、规格分别堆放,避免受重压,库房应保持干燥通风 (10)目录1.范围本标准规定了本公司生产的外墙外保温装饰一体板的分类、规格、技术要求、试验方法、检验规则、标志、包装、运输和贮存等。
本标准适用于本公司生产的保温装饰一体板系列产品。
2.规范性引用文件下列文件中的条款通过本标准的引用而成为本标准的条款。
凡是注日期的引用文件,其随后所有的修改单(不包括勘误的内容)或修订版均不适用于本标准,然而,鼓励根据本标准达成协议的各方研究是否可使用这些文件的最新版本。
保温装饰一体板施工规范保温装饰一体板是一种具有高光泽度和高耐候性的氟碳漆饰面板材,规格为2440*1220*46mm(长*宽*厚)。
它能够保证保温装饰一体板的稳定性和自洁性,使其能够与建筑同寿命。
保温装饰板外墙外保温系统由防水找平层、粘结层、保温装饰板和嵌缝材料构成。
在施工时,需要先在基层墙体上做防水找平层,然后采用粘锚结合方式将保温装饰板固定在基层上,并用嵌缝材料封填板缝。
保温装饰板系统性能指标应符合表G1的要求,其中包括耐候性、抗风压值、吸水量、抗冲击强度、耐冻融性能、不透水性和热阻等指标。
同时,保温装饰板尺寸允许偏差应符合表G2的要求,保温装饰板性能应符合表G3的要求。
保温装饰一体板具有优良的性能指标,可以在建筑外墙外保温系统中发挥重要作用。
在施工时,需要注意系统基本构造和材料性能要求,以确保系统的稳定性和可靠性。
为确保施工质量,必须不断强化全体施工人员的质量意识,并坚持谁施工谁负责的原则。
在施工前,各上岗人员必须明确操作工艺及质量标准。
为此,监理应建立一套质量管理体系,包括自检、互检和交接检的“三检制”,使质量检验工作在一个完整的体系内独立运行。
班组设有质量科和专职检验员,负责日常的质量检验工作;公司设有检验小组,专门负责项工程的终检工作。
在保温装饰板外墙保温工程施工质量控制和质量验收方面,应遵守《硬泡聚氨酯保温防水工程技术规范》GB,《建筑节能工程施工质量验收规范》GB及国家相关标准的规定。
保温装饰板系统应在基层墙体质量验收合格后施工,施工过程中要及时进行质量检查、隐蔽工程验收、检验批验收,施工完成后应进行墙体节能工程验收。
保温装饰板外保温工程采用的外保温成套技术和材料,应由系统供应方配套提供,并由供应商出具产品合格证和出厂检验报告,型式检验报告中应包含安全性和耐候性检验。
施工过程中应采取防潮、防火等措施。
在保温装饰板外保温工程的隐蔽工程验收方面,应对保温装饰板附着的基层及其表面处理、保温装饰板的粘贴、金属固定件的安装、墙体热桥部位的处理、分格缝的处理、保温装饰板的规格、型号和保温材料的厚度等部位或内容进行验收,并有详细的文字记录和必要的图像资料。
当今世界,由于对节约能源与保护环境的需要不断提高,建筑围护结构的保温也在日益加强,其中又以外墙式保温的发展最为迅速。
在太阳辐射时,虽然保温材料因热惰性小而引起外表面温度很快升高,但是由于保温材料的热阻很大,其与结构墙体接触的另一面,温度并不很高,即大幅度消减了室外温度变化波,就使得墙体的得热量远小于直接暴露在太阳辐射中的得热量,其外侧的保温材料由于热惰性小,其温度可以随着室外气温的降低而快速下降。
故而外墙外保温可以满足《规范》的夏季隔热要求,即在市内自然通风情况下,其内表面最高温度不超过室外计算温度的最高值(详见《规范》第5.1.1条)。
将高热阻的保温材料加在室外侧,则不仅可以降低外墙内表面温度――满足夏季隔热要求,还由于室内墙体材料的热惰性较大,可以在启、停空调时稳定室内温度,同时基本消除“热桥”的影响,也使墙体潮湿情况得到改善。
毫无疑问,外墙外保温对我国南方和北方的建筑节能都是极为有利的系统。
前段时间,由EOTA(欧洲技术标准审批组织)发布一个新的外墙保温标准,名称为《带抹灰层的墙体外保温复合体系指南》,这个新标准是欧洲带抹灰层的外墙外保温体系的技术总结;该标准涉及范围涵盖了各种不同的保保材料,包括聚苯乙烯、岩棉、玻璃棉等等,该新标准对墙外保温明确提出了6项简练而明确的基本要求:(1)机械阻力与稳定性;(2)着火时的安全;(3)卫生、健康与环境;(4)使用安全;(5)噪声防护;(6)能源经济与热量保持。
其中,噪声防护对外墙保温并不很重要,因为此项要求应通过包括该体系在内的整个墙体、以及窗户和其它孔洞来满足。
除上述6条以外,还有一条,即"耐久性和可用性",也就是说,前述各项要求在该体系的寿命期内,在有关各种影响作用下均应得到满足。
然后按此要求,从整个体系、保温产品、锚固件、边角件、抹灰层和加强材料等方面,就其检验方法和使用合理性提出了评估与判定的详尽细致的规定.饰面层采用氟涂料涂层:30多年的应用实践证明,氟碳涂料具有非常卓越的超长耐久性;同时具有免维护自洁功能、优异的耐酸、碱、盐等介质的腐蚀性能;对氧、潮气和腐蚀离子的渗透具有强烈的抵抗作用,氟碳涂料不受大多数化学药品的侵蚀,包括耐海水及盐雾腐蚀;即使在最恶劣的海洋气候、工业区、酸雨严重的环境下也无需担心涂膜会发生劣化,显示出稳定的性能。
外墙保温材料技术要求1、产品质量要求应符合以下标准相关要求:《外墙外保温工程技术标准》JGJ144-2019《LJS叠合板现浇混凝土复合保温系统应用技术导则》《复合外模板现浇混凝土保温系统建筑构造》L17J1042、技术要求:(1)XPS板导热系数W0.030W/(m・K),表观密度28.5kg/m3,传热系数修正值1.30,垂直于版面方向的抗拉强度三0.10MPa;尺寸稳定性<1.0%;吸水率<1.5%;燃烧性能等级不低于A级(2)复合外模板保温系统性能指标应满足L17J104表1的规定;(3)复合外模板的外观质量要求:产品表面平整,颜色均匀,不应有明显影响使用的课件缺陷,如裂纹、变形等。
(4)复合外模板的性能指标应符合L17J104表2的规定;(5)XPS板主要性能指标因够满足L17J104表3的规定;(6)复合外模板尺寸偏差应符合L17J104表5的规定;规格尺寸见L17J104表4;(7)复合外模板保温系统的保温砂浆性能指标应符合L17J104表6要求。
1、《外墙外保温工程技术标准》JGJ144-2019(1)耐候性检验应按本标准附录A的规定进行;(2)外保温系统经耐候性试验后,不得出现空鼓、剥落或脱落、开裂等破坏,不得产生裂缝出现渗水;外保温系统拉伸粘结强度应符合表4.0.2规定,且破坏部位应位于保温层内;(3)外保温系统其它性能应符合本规范表4.0.3的规定。
(4)XPS板导热系数<0.030W/(m・K),表观密度28.5kg/m3,垂直于版面方向的抗拉强度20.10MPa;尺寸稳定性<1.0%;吸水率<1.5%;燃烧性能等级不低于A级2、《建筑设计防火规范》GB50016-2014&3建筑外墙采用保温材料与两侧墙体构成无空腔复合保温结构体时.该结构休的购火极限应符合木规范的有关规定;半保温材料的燃烧性能为B L・氏级吋’保温材料两侧的墙体应采用不燃材料且厚度均不应小于SOmm.4、《LJS叠合板现浇混凝土复合保温系统应用技术导则》5、《非承重砌块自保温体系应用技术规程》DBJ/T14-079-20113、《FS外模板现浇混凝土复合保温系统应用技术规程》DB37/T5067-2016(1)FS外模板现浇混凝土复合保温系统性能要求■L1.22)产品表面平整,颜色均匀,不应有明显影响使用的可见缺陷,如裂纹、变形等(3)FS外模板的尺寸允许偏差应符合DB37/T5067-2016表4.2.4的规定(4)FS复合外模板的主要性能指标应符合表4.2.5的规定5)燃烧性能A级CF板技术标准1、《装配式CF蒸压瓷粉加气混凝土墙板自保温系统构造》L17ZJ1102、《装配式CF蒸压瓷粉加气混凝土墙板应用技术导则》JD14-026-2017材料技术要求1、CF内墙板的基本构造应符合《装配式CF蒸压瓷粉加气混凝土墙板应用技术导则》3.1.1-3、3.1.1-4的要求;2、板长L■/.,k I1>/cmT1a2图3.1.1-3CF 内墙板基本构造平面示意图1-钢筋2-CF 内墙板图3.1.1-4CF 内墙板基本构造立面示意图】-钢筋2-钢筋网笼连接片(防厨防锈)CF 墙板的力学性能指标应符合《装配式CF 蒸压瓷粉加气混凝土墙板应用技术导则》表 3.1.2-1、3.1.2-2、3.1.2-3的要求;A^/Wo^ 片冬舄、跖L)co6fO严該&S 严密&4rr表3,1.2-2抗压"抗拉强度标准值单位:N/rnm2表3.1.2-3抗压、抗拉强度设计值单位:劝阳,3、CF墙板的基本物理性能指标应符合《装配式CF蒸压瓷粉加气混凝土墙板应用技术导则》表3.1.3的要求;续表3.1.3注:墙板热阻为含水率区-12強吋实测值,修止系数1■讥4、CF墙板的外观质量应符合《装配式CF蒸压瓷粉加气混凝土墙板应用技术导则》表3.1.5的要求;表3.15外观缺陷限值和外观质量2若板材经修补•则外观质量为修补后的要求。
保温装饰一体化系统施工工法之阿布丰王创作方泰保温装饰一体化系统施工工法吉林省方泰建筑资料有限公司 1 目 录 前言 …………………………………………………………… 2 1. 工法特点…………………………………………………………2 2. 适用范围………………………………………………………… 2 3. 系统分类……………………………………………………………2 4. 工艺原理及构造设计要求 ………………………………………3 5. 施工工艺规定及操纵要点 ………………………………………8 6 系统构造节点 ……………………………………………………17 7 质量尺度及验收 …………………………………………………26 8.系统及资料性能参数……………………………………………31 9. 平安措施………………………………………………………… 34 10. 环保措施…………………………………………………………34 2 方泰板业保温装饰一体化系统施工工法 传统的保温技术由于资料、施工等方面的原因,造成许多的保温工程存在开裂、渗水等 现象,严重的还会造成脱落等;另外,在传统保温层上无法进行比较高档的装饰,像金属漆、氟碳漆、石材等;即使个此外项目做了金属漆等产品,其平整度、色差、外观等均不尽人意, 而且还容易出现开裂等现象。
保温装饰一体化系统集保温性、装饰性和墙体的呵护性为一体, 整体保温装饰效果极佳,不但克服了传统墙体保温系统易开裂、保温性差、施工困难、装饰 性差等缺点,还具有极好的抗开裂、防水、抗脱落、耐候性、耐老化性和高防火等特点,极 大地提高了保温系统的使用寿命,是新型建筑保温节能装饰资料。
1. 工法特点 1.1 采取完整的技术系统,施工前针对建筑物特点进行整体设计,彰显建筑独特风格。
1.2 工厂化加工裁切成型,施工现场只需按图纸装置,与传统保温施工相比,具有施工 简单、容易操纵、施工周期短等特点。
1.3 整个保温系统由分歧规格的保温装饰板组成,板与板之间的缝隙采取耐候性硅酮弹 性密封胶进行密封处理,从而有效防止了由于各种变形应力造成的墙面裂缝的发生。
当今世界,由于对节约能源与保护环境的需要不断提高,建筑围护结构的保温也在日益加强,其中又以外墙式保温的发展最为迅速。
在太阳辐射时,虽然保温材料因热惰性小而引起外表面温度很快升高,但是由于保温材料的热阻很大,其与结构墙体接触的另一面,温度并不很高,即大幅度消减了室外温度变化波,就使得墙体的得热量远小于直接暴露在太阳辐射中的得热量,其外侧的保温材料由于热惰性小,其温度可以随着室外气温的降低而快速下降。
故而外墙外保温可以满足《规范》的夏季隔热要求,即在市内自然通风情况下,其内表面最高温度不超过室外计算温度的最高值(详见《规范》第5.1.1条)。
将高热阻的保温材料加在室外侧,则不仅可以降低外墙内表面温度――满足夏季隔热要求,还由于室内墙体材料的热惰性较大,可以在启、停空调时稳定室内温度,同时基本消除“热桥”的影响,也使墙体潮湿情况得到改善。
毫无疑问,外墙外保温对我国南方和北方的建筑节能都是极为有利的系统。
前段时间,由EOTA(欧洲技术标准审批组织)发布一个新的外墙保温标准,名称为《带抹灰层的墙体外保温复合体系指南》,这个新标准是欧洲带抹灰层的外墙外保温体系的技术总结;该标准涉及范围涵盖了各种不同的保保材料,包括聚苯乙烯、岩棉、玻璃棉等等,该新标准对墙外保温明确提出了6项简练而明确的基本要求:(1)机械阻力与稳定性;(2)着火时的安全;(3)卫生、健康与环境;(4)使用安全;(5)噪声防护;(6)能源经济与热量保持。
其中,噪声防护对外墙保温并不很重要,因为此项要求应通过包括该体系在内的整个墙体、以及窗户和其它孔洞来满足。
除上述6条以外,还有一条,即"耐久性和可用性",也就是说,前述各项要求在该体系的寿命期内,在有关各种影响作用下均应得到满足。
然后按此要求,从整个体系、保温产品、锚固件、边角件、抹灰层和加强材料等方面,就其检验方法和使用合理性提出了评估与判定的详尽细致的规定.饰面层采用氟涂料涂层:30多年的应用实践证明,氟碳涂料具有非常卓越的超长耐久性;同时具有免维护自洁功能、优异的耐酸、碱、盐等介质的腐蚀性能;对氧、潮气和腐蚀离子的渗透具有强烈的抵抗作用,氟碳涂料不受大多数化学药品的侵蚀,包括耐海水及盐雾腐蚀;即使在最恶劣的海洋气候、工业区、酸雨严重的环境下也无需担心涂膜会发生劣化,显示出稳定的性能。
方泰保温装饰一体化系统施工工法省方泰建筑材料目录前言 (2)1. 工法特点 (2)2. 适用围 (2)3. 系统分类 (2)4. 工艺原理及构造设计要求 (3)5. 施工工艺规定及操作要点 (8)6 系统构造节点 (17)7 质量标准及验收 (26)8.系统及材料性能参数 (31)9. 安全措施 (34)10. 环保措施 (34)方泰板业保温装饰一体化系统施工工法前言方泰板业保温装饰一体化系统包括方泰保温装饰一体化成品板系统(简称“成品板系统”)和外墙保温装饰板系统(简称“外墙板系统”)。
是将经工厂预制好的带有保温和装饰功能的保温装饰一体化板通过粘贴加锚固的形式固定于建筑物墙体表面,直接形成集保温、装饰、防护等各种功能于一体的外墙保温装饰形式。
传统的保温技术由于材料、施工等方面的原因,造成许多的保温工程存在开裂、渗水等现象,严重的还会造成脱落等;另外,在传统保温层上无法进行比较高档的装饰,像金属漆、氟碳漆、石材等;即使个别的项目做了金属漆等产品,其平整度、色差、外观等均不尽人意,而且还容易出现开裂等现象。
保温装饰一体化系统集保温性、装饰性和墙体的保护性为一体,整体保温装饰效果极佳,不仅克服了传统墙体保温系统易开裂、保温性差、施工困难、装饰性差等缺点,还具有极好的抗开裂、防水、抗脱落、耐候性、耐老化性和高防火等特点,极提高了保温系统的使用寿命,是新型建筑保温节能装饰材料。
1. 工法特点1.1 采用完整的技术系统,施工前针对建筑物特点进行整体设计,彰显建筑独特风格。
1.2 工厂化加工裁切成型,施工现场只需按图纸安装,与传统保温施工相比,具有施工简单、容易操作、施工周期短等特点。
1.3 整个保温系统由不同规格的保温装饰板组成,板与板之间的缝隙采用耐候性硅酮弹性密封胶进行密封处理,从而有效避免了由于各种变形应力造成的墙面裂缝的产生。
1.4 成套技术的耐火等级为A或B1级,完全适用于防火等级较高的建筑物使用。
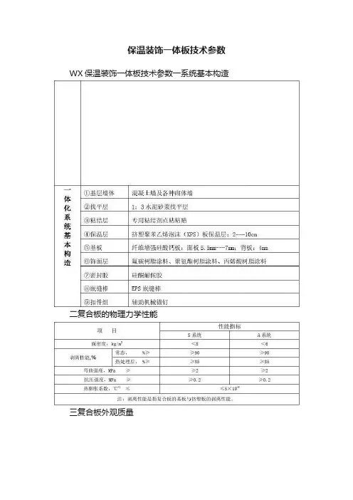
W X^温装饰一体板技术参数系统基本构造
二复合板的物理力学性能
质量
五复合板涂层的物理化学性能
六Array复合板几何尺寸
偏
差
七粘结剂性能
苯板厚度选用表
八
挤塑
板聚
注:1、保温材料厚度按要求的墙体传热系数K值选定万兴保温装饰一体板,如所要求的K值未列表中时,则应选取与该K值相邻的较小K值确定材料厚度。
2、基层墙体灰砂砖、DM砖和KP1砖时,不论保温材料厚薄,其墙体的热惰性指标
D值均大于3。
基层墙体为钢筋混凝土墙或混凝土空心砌块墙,当K=1、 D V 2.5时,应按照《民用建筑热工设计规范》GB50176 —93第5.1.1条验算隔热要求。
3、计算厚度不足10mm者,均按10mm列入,表中厚度栏内的“一一”表示该墙体可不设保温层。
4、保温材料厚度的最小限值定为20mm,计算结果不足者,可按20mm选用或选用其他类型的外墙外保温系统。
5、表中所列挤塑板的厚度为挤塑板的净厚度,不包括面板厚度。
九复合板外墙外保温装饰一体化系统安装尺寸偏差。
铝板保温一体板参数铝板保温一体板是一种集保温、隔热、防潮、防火等多种功能于一体的建筑材料。
它以铝板为面层,内部填充有保温材料,通过特殊的工艺加工而成。
下面将从保温性能、防火性能和施工方便性等方面介绍铝板保温一体板的优势。
铝板保温一体板的保温性能优异。
它内部填充的保温材料能够有效隔绝室内外温差,减少能量的传导。
保温材料常用的有聚苯乙烯泡沫、岩棉、聚氨酯等,它们具有良好的保温性能,能够有效地降低建筑物的能耗。
铝板作为面层,具有较高的导热系数,能够快速将热量传递到保温材料,提高保温效果。
铝板保温一体板具有良好的防火性能。
铝板本身是一种不燃材料,具有良好的耐高温性能。
在火灾发生时,铝板能够有效阻止火势蔓延,并保护内部的保温材料不受热源的影响。
此外,保温材料中常添加阻燃剂,能够提高整体的防火性能,有效保护建筑物的安全。
铝板保温一体板施工方便快捷。
它采用工厂化生产,可以根据建筑的实际情况进行定制,尺寸精准,减少了现场的浪费和加工工序。
铝板保温一体板重量轻,安装简便,可以大大提高施工效率。
在施工过程中,只需将铝板保温一体板直接安装在墙体上,不需要进行繁琐的工艺处理,节省了时间和人力成本。
铝板保温一体板还具有良好的装饰性能。
铝板作为面层,具有较好的表面平整度和质感,可以根据建筑的设计要求进行不同的表面处理,如喷涂、氧化、贴膜等,使建筑物更具美观性。
同时,铝板保温一体板的颜色种类繁多,可以满足不同建筑风格和个性化需求。
总结起来,铝板保温一体板以其优异的保温性能、防火性能和施工方便性受到了广泛的应用。
在建筑领域,铝板保温一体板已成为一种理想的外墙保温材料。
它能够提高建筑物的能效,保护建筑物的安全,同时还能够满足建筑师对美观性的要求。
铝板保温一体板的优势将会在未来的建筑领域中得到更广泛的应用。
岩棉保温板技术参数
1.导热系数:岩棉保温板的导热系数是衡量保温材料保温性能的重要
指标。
一般情况下,岩棉保温板的导热系数在0.035-0.040W/(m·K)之间。
导热系数越低,保温性能越好。
2.抗压强度:岩棉保温板还具有一定的抗压强度,可以承受建筑物外
部荷载的作用。
一般情况下,岩棉保温板的抗压强度在40-120kPa之间。
3.特殊性能:岩棉保温板具有较好的隔音性能,可以有效地减少外界
噪音的传递。
此外,岩棉保温板还具有良好的防潮、抗霉、防腐蚀等特性,能够有效地提高建筑物的使用寿命。
4. 厚度选择:根据不同的保温要求,岩棉保温板的厚度可以选择在
20-100mm之间。
一般情况下,保温要求越高,岩棉保温板的厚度也会相
对增加。
5. 尺寸规格:岩棉保温板的常见尺寸为1200*600mm或1200*1200mm,也可以根据需要定制不同的尺寸规格。
6.可燃性:岩棉保温板的可燃性是保温材料中一个非常关键的指标。
优质的岩棉保温板具有良好的防火性能,可以达到不燃或难燃的标准,能
够有效地保护建筑物的安全。
7.使用寿命:岩棉保温板的使用寿命一般在15-20年左右,具体的使
用寿命还会受到施工质量、环境条件等因素的影响。
需要注意的是,以上技术参数和说明只是岩棉保温板的一般情况,具
体的产品参数还需要参考具体厂家提供的技术规格表。
此外,在使用岩棉
保温板进行建筑保温时,还需要根据具体建筑物的结构和保温要求进行合理选择和使用。
保温装潢一体化零碎施工工法之杨若古兰创作方泰保温装潢一体化零碎 施工工法 吉林省方泰建筑材料无限公司 1 目 录 前言 …………………………………………………………… 2 1. 工法特点…………………………………………………………2 2. 适用范围………………………………………………………… 2 3. 零碎分类……………………………………………………………2 4. 工艺道理及构造设计请求 ………………………………………3 5. 施工工艺规定及操纵要点 ………………………………………8 6 零碎构造节点 ……………………………………………………17 7 质量尺度及验收 …………………………………………………26 8.零碎及材料功能参数……………………………………………31 9. 平安措施………………………………………………………… 34 10. 环保措施…………………………………………………………34 2 方泰板业保温装潢一体化零碎施工工法 传统的保温技术因为材料、施工等方面的缘由,形成很多的保温工程存在开裂、渗水等 景象,严重的还会形成零落等;另外,在传统保温层上没法进行比较高档的装潢,像金属漆、 氟碳漆、石材等;即使个此外项目做了金属漆等产品,其平整度、色差、外观等均不尽人意, 而且还容易出现开裂等景象.保温装潢一体化零碎集保温性、装潢性和墙体的呵护性为一体, 全体保温装潢后果极佳,不但克服了传统墙体保温零碎易开裂、保温性差、施工困难、装潢 性差等缺点,还具有极好的抗开裂、防水、抗零落、耐候性、耐老化性和高防火等特点,极 大地提高了保温零碎的使用寿命,是新型建筑保温节能装潢材料. 1. 工法特点 1.1 采取完好的技术零碎,施工前针对建筑物特点进行全体设计,彰显建筑独特风格. 1.2 工厂化加工裁切成型,施工现场只需按图纸安装,与传统保温施工比拟,具有施工 简单、容易操纵、施工周期短等特点. 1.3 全部保温零碎由分歧规格的保温装潢板构成,板与板之间的缝隙采取耐候性硅酮弹 性密封胶进行密封处理,从而无效防止了因为各种变形应力形成的墙面裂缝的发生. 1.4 成套技术的耐火等级为A 或B1级,完好适用于防火等级较高的建筑物使用. 1.5饰面材料采取耐候性氟碳漆,饰面层耐久年限可达 20年之久,保温层的耐久性可达25年之久. 1.6本工法最大程度的利用了零碎中各材料功能, 具备多层憎水,抗风压耐老化,抗冻胀等功能,确保零碎全寿命. 1.7 本工法采取粘贴加锚固的方式进行施工,平安可靠. 2. 适用范围 2.1 本工法适用于新建、扩建和改建的各类居住建筑、公共建筑和工业建筑外墙的保温 节能,也适用于既有建筑的节能改造. 2.2 本工法适用的基层墙体可为混凝土空心砌块、灰砂砖、黏土多孔砖等砌体墙和现浇 钢筋混凝土墙. 3. 零碎分类 3 方泰板业保温装潢一体化零碎包含方泰保温装潢一体化成品板零碎(简称“成品板系统”)和外墙保温装潢板零碎(简称“外墙板零碎”).是将经工厂预制好的带有保暖和装潢 功能的保温装潢一体化板通过粘贴加锚固的方式固定于建筑物墙体概况,直接构成集保温、前 言 成品板零碎、按保温材料品种的分歧可分为E 型、X 型、A 型,也可无保温材料,单独 做装潢单板进行使用. E 型:保温材料为EPS 板; X 型:保温材料为XPS 板; A 型:保温材料为无机类材料,如岩棉、泡沫玻璃等;外墙板:保温材料为TPS 真金防火保温板 成品板零碎按保温装潢板结构的分歧可分为Ⅰ型、Ⅱ型,外墙板零碎的结构型式为Ⅰ型. Ⅰ型:保温装潢板复合结构为单面复合型; Ⅱ型:保温装潢板复合结构为双面复合型(保温材料反面有打孔底板); 4. 工艺道理及构造设计请求 通过公用粘结砂浆、锚固件将保温装潢板通过粘贴或粘贴加锚固等方式固定于建筑物墙 体概况,直接构成集保温、装潢、防护等各种功能于一体的墙体保温装潢方式. 该工法中所涉及到的次要产品有成品板(或外墙板)、公用粘结砂浆、锚固件、嵌缝泡 沫材料、嵌缝胶等. 基本构造见表1、图4.1.1、图4.1.2: 表4.1 零碎基本构造 施工方式 零碎基本构造 构造示意图 粘贴 +锚固 基层墙体 粘结剂 ② 保温装潢板 锚固件 嵌缝泡沫材料⑤ 嵌缝胶 ⑥ 法 ① ③ ④ 4.2.1 粘锚零碎的适用范围和构造做法应符合以下请求: 4 图4.1.1.零碎面板锚固型构造示意图(外墙板零碎公用) 图4.1.2.零碎保温芯锚型构造示意图 1 粘锚零碎适用于混凝土和各种砌体墙,保温装潢板及成品配套件应采取粘结与锚固相 结合的方法与基层墙体连接固定. 2 保温装潢板与基层墙体的粘结方法和粘贴面积应符合表4.2.1的请求. 表4.2.1-1 保温装潢板零碎粘贴请求 成品配套件及防火 部位及产品 粘贴面积 基本规定(立面、大面墙体) ≥45% 转角、窗洞等部位 ≥70% 隔离带 ≥70% 点框法或点粘法 粘贴方法 3 点粘法 满粘法 满粘法 (外墙板零碎宜用点框法) 首先把调配均匀的公用粘结剂均匀地点涂在保温装潢板的反面.每个涂点的直径> 200mm ,高度不该低于实际黏贴厚度的1.5倍,每平方米不得少于10个涂点,见图4.2.1-2. 用手将板推压至墙面上,然后将吸盘吸附在板的概况,手握吸盘揉动保温装潢板,并调整 保温装潢板的地位,使全体板面坚持平整,对齐分格缝. > 公用粘接砂浆 保温装潢一体板 图4.2.1-2 点粘法砂浆堆积示意图 质量请求: a.全体平面的平整度<3mm/2米直尺,板缝高低差<1mm. b.包管每平方米之内的粘结点不得少于10个,每个涂点直径不得小于200mm,厚度为实 际黏贴厚度的1.5倍以上,粘贴的面积不得小于板面的45%. c.地位请求横平竖直,排列划一. 4点框法( 外墙板零碎宜用点框法) 把调配均匀的公用粘结剂用抹刀在每块保温装潢板四周边上涂上宽度不小于 80mm ,厚 度为实际黏贴厚度的1.5倍以上,并鄙人口处用抹刀刮出约80mm 的缺口,然后再在保温装 饰板同一侧中部均匀刮上若干个粘结点,每个涂点的直径>150mm ,高度不该低于实际黏贴5 厚度的1.5倍,粘结点应安插均匀,见图4.2.1-3.涂好后立即将保温装潢板用手将板推压 至墙面上,然后将吸盘吸附在板的概况,手握吸盘揉动保温装潢板,并调整保温装潢板的位 置,使全体板面坚持平整,对齐分格缝. 质量请求: a.全体平面的平整度<3mm/2米直尺,板缝高低差<1mm. b.粘贴的面积不得小于板面的45%. c.地位请求横平竖直,排列划一. d .保温装潢板缝处不克不及溢出有粘结砂浆. > 公用粘接砂浆 保温装潢一体板 5条粘法工艺说明 a .将公用粘结剂满涂在保温装潢板的粘贴面上,砂浆堆积的高度应为实际粘贴厚度的 1.5倍以上; b .采取约50~70mm 的腻子刀将砂浆刮成条状,如图4.2.1-4;包管砂浆条状方向与墙体 上隔离带的方向分歧,砂浆距成品板的上下边约30~50mm ,条状砂浆间的距离为40~60mm , 砂浆的宽度为80~100mm ;高度为实际黏贴厚度的1.5倍以上. c .立即将刮好砂浆的保温装潢板粘贴到墙体的响应部位,其实不竭揉动使平整度和板缝 达到请求;四周挤出的砂浆刮掉. d .粘贴面积不得少于板面面积的70%.6 公用粘结砂浆 保温装潢一体板 6锚固件应符合零碎安装工艺的请求,且应设在保温装潢板的侧边,每块保温保温装潢 板的锚固点不得少于4个,每平米不得少于8个.根据选用产品及设计请求,面板锚固型应 将扣件拔出在面板安装槽内,扣入深度不得少于8mm ,后端用锚栓固定在基层墙体中,如构 锚固件对每块保温装潢板的设置应符合以下规定(如图4.2.1-5): 1)锚固件的技术功能应符合本工法及产品相干技术规程中的请求. 2)保温装潢板水平方向边长为 300㎜~600 ㎜时,应在板顶和板底两头部位各设置 1 只;边长800㎜~1200㎜时,应在板顶和板底部位各均匀设置 2只;相邻板的锚固件安装 时,应将槽对齐. 3)保温装潢板垂直方向边长为300㎜~600㎜时,应在板两侧的两头部位各设置1只; 边长800㎜~1200㎜时,应各均匀设置2只. 4) 采取满粘工艺的部位如女儿墙、窗洞口、转角等,每块板很多于2个扣件. 5)边长不在上述尺寸范围的其他规格板,锚固件的设置可在接近上述请求的准绳下由设计. 确定. 图4.2.1-5 单块保温装潢板的扣件安插示意图(以600x1200板为例) 6)最底层板安装时,应按请求设置在保温装潢板底边作安装公用托架,如图4.2.1-6,其余 地位按本工法4.2.1中规定设置扣件.7 图4.2.1-6 墙面扣件安插示意图 7粘锚零碎的锚固件锚固方式选择,锚固件按照进入墙体的分歧可分为膨胀式和打结式, 其选择应根据实际工程的基层墙体来进行确定,具体见表4.2.1-7的请求. 适用基层 普通混凝土 安装方式 膨胀式 承载机理 摩擦承载 锚固深度 ≥25m m 烧结普通砖、蒸压灰砂砖、蒸压粉煤灰砖 砌体和轻骨料混凝土 膨胀式 摩擦承载 ≥50m m ≥50m m 烧结多孔砖、蒸压灰砂空心砖、烧结空心 砖砌体 摩擦或/机械锁 定承载 膨胀式或打结式 普通混凝土小型空心砌块、轻集料混凝土 小型空心砌块和烧结空心砌块 蒸压加气混凝土 打结式 膨胀式 机械锁定承载 摩擦承载 ≥50m m ≥50m m 4.2.2 粘锚零碎在外墙外保温零碎的次要节点构造做法应符合附录A 的请求,同时也应满足 以下请求. 1外墙底层及其他易受撞击部位方泰保温装潢板应有必定的强度,以避免碰撞破坏,其 功能目标应符合相干规范及产品尺度请求. 2 外墙勒脚部位应确保水不会渗入保温层及基层,保温装潢板底部应设置托架并封 堵,其底边距室外埠面的高度为50㎜~100mm ,具体做法和高度值由设计确定. 3 板与板之间的接缝处及墙体变形缝处应做好保暖和防水处理,其功能请求应符合相 关规范及产品尺度请求.板与板之间缝宽度应根据设计请求,其填缝材料和具体构造做法由设计确定.墙体变形缝的宽度大于50 mm 时,其构造做法应另行单项设计. 4女儿墙应采取保温装潢板包覆,且应为顶部与双侧保温,其内侧外保温的高度可由设计确定.女儿墙顶部宜设置金属成品压顶,节点构造应由设计确定.8 5 管道穿越保温装潢板时,宜采取预埋套管,套管与基层墙体应有牢固可靠连接;穿 越保温装潢板的管道、构件均应做密封柔性连接处理,缝隙采取耐候胶封堵,须要时外衣装饰扣件,且应牢固可靠 6 凸窗非透明的顶板上放置空调机或设备时,其保温材料宜选择不异导热系数的高密 度保温材料代替. 7外墙面上须要吊挂管道、空调机等重物时,其支架的埋件必须固定于基墙的主体结构内. 8 粘锚零碎该当考虑排水和透汽措施,此构造措施不得降低墙体的保温隔热后果. 4.2.3 粘锚零碎对门窗框外侧洞口四周的正面(包含窗上口和窗台部位)和凸窗非透明的 顶板、侧板和底板实施外保温.门窗框外侧洞口四周正面部位的外保温可采纳以下做法: 1 可在洞口外侧与正面应采取满粘方式,粘贴面积为70%. 2 可在洞口四周如采取外墙成品配套件粘贴,粘结方式采取满粘法,粘贴面积不小于 每块板面积的70%. 3 门窗外侧洞口四周正面的保温材料厚度应视门窗构造和节能设计请求确定,普通可 取20㎜. 4 门窗洞口四周正面外保温零碎与门窗框边沿接口处应采取绝热嵌缝条和耐候密封 胶密封.门窗框外侧边沿接口处应设置可靠的滴水措施. 5外墙大阳角转角处成品板采纳点加条粘法,靠近阳角处条粘宽度很多于15cm. 4.2.4 粘锚零碎分歧部位的构造节点,可在符合本规程的构造请求下,参照国家建筑尺度 设计图集《外墙外保温建筑构造》10J121和企业的尺度构造图集中的相干做法. 4.2.5 保温装潢板胶缝和耐候密封胶的设计请求: 1 保温装潢板的板缝设计宽度宜控制在5~12mm ,注胶完成面的宽度宜控制在8~15 mm.耐候密封胶厚度不宜小于3.5mm ,厚度不宜小于宽度的0.5倍,最大厚度不宜超出10mm. 2 胶缝底面该当包管密封胶能够较好填入,并与二侧基材有充分接触填,且胶缝可维 持精确的外形.经常使用填缝材料宜选用闭孔的聚乙烯圆棒(PE 棒),圆棒直径宜为保温装潢板 板缝宽的1.1~1.3倍. 3 耐候密封胶该当根据保温装潢板的板块位移计算量来选择分歧级此外耐候密封胶4 耐候密封胶的色彩按照建筑后果图的设计风格进行选用,普通经常使用色彩宜为灰色或 黑色也可按照设计请求选用与保温装潢板饰面类似的色彩. 4.2.6 采取阻燃等级为B1级的保温材料的保温装潢板,用于外墙外保温时应根据当局的相 关防火规范和规定,设置防火构造措施. 5. 施工工艺规定及操纵要点 5.1 普通规定 5.1.1 工程施工前,应根据设计和本规程的请求和响应的技术尺度编制用于外保温工程 第 9 页 共 33 页 的保温装潢一体化零碎专项施工方案,并对施工人员进行针对工程的技术交底和专业的技术 培训. 5.1.2 工程施工应按照经审查合格的设计文件和经审批的用于工程项目的保温装潢一体化零碎专项施工方案进行在施工过程中不得随意更改墙体节能设计,如确需变动时,设计变 更文件必须经原批准单位确认. 5.1.3 施工现场采取材料、构造做法和工艺与事后建造的样板墙所采取的材料、构造做法和工艺必须不异,经建设、设计、施工、监理各方确认后,方可进行大面积施工. 5.1.4 保温装潢一体化零碎的施工应具备以下条件: 1外墙外保温工程的施工应在基层墙体和门窗洞口的施工质量验收合格后进行.洞口尺 寸、地位应符合设计请求和质量请求,门窗框或辅框应安装终了.外墙面上的雨水管卡、预 埋铁件、设备穿墙管道等应提前安装终了,上述部位及窗口应预留出响应的厚度. 2保温层施工前应进行基层处理.基层应坚实、平整,概况应清洁,无油污、脱模剂浮 尘等妨碍粘结的附着物.凸起、空鼓、疏松和起皮部位应剔除并找平,找平材料应与基层粘 结牢固.既有建筑的基层及其处理应符合《既有公共建筑节能改造技术规程》DB37/T 847 和《既有居住建筑节能改造技术规程》DB37/T 848的相干请求. 3施工用吊篮和双排脚手架搭设应牢固可靠,符合相干规范、规程请求.脚手架竖、横 杆与墙面、墙角距离应适度,脚手板铺设与安装分格相适应.吊篮使用前必须试运转检查并做好交接手续. 4 须要的施工机具和劳保用品已筹办齐全. 5.1.5 材料进入施工现场后,应在监理工程师监督下进场验收,并按见证取样送检的请求,建造现场养护试件用于复验. 5.1.6 保温装潢板安装前应根据施工图和下料工艺图复核尺寸,并设置安装水平和垂直控 制线.保温装潢板安装过程中发生的尺寸累计误差应在二道控制线之间予以清除. 5.1.7 工程施工各道工序之间应进行交接检验,上道工序合格后方可进行下道工序,并做 荫蔽工程记录,须要时应保存有影象材料5.1.8 砂浆类材料应按照产品说明书的请求配制,计量精确,配制好的材料应在规定时间内用完,严禁过时使用. 5.1.9 配件类材料(锚固件、扣件、绝热填缝条、耐候密封胶、成品线条等)应按照产品说明书和设计的请求安装与使用,地位精确,固定牢靠. 5.1.10 施工期间及竣工后24h 内,其施工环境温度不该低于5℃,冬季施工应避阳光直接 暴晒,在5级以上大风天气和雷雨天不得施工.旱季施工期间应做好防雨措施. 5.1.11 对粘锚零碎,应在施工过程中按见证取样送检的请求建造粘结剂的现场养护试件, 用于拉伸粘结强度的复验. 5.1.12 一体化零碎施工现场应按有关规定,采纳可靠的防火平安措施,实现平安文明施工. 5.1.13 一体化零碎竣工后应做好成品呵护并及时组织竣工验收. 10 5.2 次要施工设备与机具 5.2.1 各类功课设备、机具、工具应齐备,并经检验合格、平安、可靠,各种计量器具应 经过具有响应天资的单位进行检定或校核并在无效期内. 5.2.2 次要施工设备及施工工具:垂直运输机械、手推车、电动吊篮或脚手架、手提式电 动搅拌器、切割工具、角磨机、折边机、抹灰工具、冲击钻、电锤、手锤、经纬仪及放线工 具、主动安平标注仪、塑料软管、螺丝刀、美工刀、拉线、弹线墨盒、2 m 铝合金靠尺、塞 尺、钢尺、注胶枪、平安带、平安帽等. 5.2.4 施工设备与机具的安装应平稳牢固,具备可靠的平安措施,安装后应进行签字验收 做好记录5.2.5 各种功课设备、机具、工具操纵时,操纵人员必须认真履行操纵规程、平安规定,做到合理精确使用和定期调养保护. 5.3 材料加工 5.3.1 现场切割加工的材料宜在清洁、干燥、通风的房间内进行,加工场合的地面应平整,场地面积不宜小于200 m.场地内应有通畅的排水设施,地面不得有积水. 25.3.2 加工场合安插请求如下: 1 按加工量、工作时间、材料品种计算所需加工场地的面积. 2 加工场地应有须要的辅助用房的面积,如材料库、成品库、工具库、办公室,加工 场地宜安插在材料堆场的附近. 3 设备和辅助设备在加工场地应按加工程序和直线流通的准绳安插,宜做到流水作 业,提高设备使用效力. 4 加工场地内的环境温度应控制在5~35℃之间,绝对湿度宜控制在35~80%之间. 5加工过程有粉尘发生时,必须设置强制除尘排风安装,做到有组织排放,其室内污 染物和排放尺度应达到行业相干尺度请求. 5.3.3 材料加工的电源等级和负荷容量必须满足加工设备的请求.配电箱的配置和设置应满足使用请求和平安防护请求. 5.3.4 施工设备与机具的安装应平稳牢固,平安措施到位,禁绝带故障工作. 5.3.5 现场材料加工应选择响应等级的设备,切割、折边等设备的加工精度应符合产品标 准的规定.使用切割、折边等设备的操纵人员必须进行培训合格后方可上岗操纵. 5.3.6 板材线条加工必须按照工艺备料单的请求进行.备料单的下料尺寸应与墙面实际安装尺寸复核,加工切割尺寸精度应控制在±1mm误差范围内.每一批次的材料加工前必须进 行试下料,其质量和尺寸精度符合请求后,方可批量加工. 5.3.7 成品配套件切割时,必须复核图纸及现场拼装方式.切割尺寸比较大的线条须要用 多次切割时,必须在线条上弹出切割线,按照切割线地位进行多次切割,包管加工尺寸精度. 11 5.3.8 保温装潢板下料切割时,根据设计请求如选用面板锚固型产品时,则须要进行现场开 槽加工,利用公用的开槽设备,按照设计请求的地位,在板侧进行开槽加工,槽深规定不小 于10mm ,宽度为2mm ,长度为60~80mm. 5.3.9 保温装潢板和成品配套件切割加工终了后,应先用细砂纸进行切割面倒角细磨处 理.切割面不得形成装潢层起毛边、毛刺和破坏面板. 5.3.10 现场加工切割好的板材应按照设计请求进行倒角、界面加强等处理. 1材料概况处理时应干燥、清洁、强度符合请求. 2如果采取单复合结构时,应在保温装潢板粘结面即反面保温板上应涂刷粘结界面剂. 在保温板概况的处理剂表干后,再上墙批刮公用粘结砂浆. 3粘结界面剂必须在板材加工切割后立即涂抹,平放晾置1.0 h 后即可上墙使用. 4 涉及到现场拼接方式做阳角的工艺,须按设计请求用公用设备在板的对接边进行倒角 处理,倒角边长为约4mm 为准. 5.3.11 现场加工好的材料应分门别类贴好标签,并分别堆放好.保温装潢板水平堆放时应将面板光泽面相向,板块堆高数量不宜超出10块;竖向堆放时单层堆放宜倾斜15°,留意 不得损伤装潢面,未安装完成前不得撕去呵护膜. 5.3.12 加工好的材料检查:每一批次的前5块产品全数检查,批量加工生产后的按5% 的比例抽检. 5.4 粘锚零碎施工工艺 5.4.1 粘锚零碎的施工流程应符合图 8.4.1的规定: 施工筹办 基层处理验收交接 基层墙面测量放线,弹放基准控制线、分格线 精确切割板(开槽处理)和成品配套件 (选用 I 型结构的板材时,应 在保温反面涂刷粘结界面剂) 确定首层板托架地位 配公用粘结砂浆 粘贴保温装潢板及成品配套 安装公用锚固件 细部构造处理 填嵌缝材料,打耐候密封胶 12 安装透气阀、排水管(选用) 清理、清洁、揭膜 全体验收 图8.4.1 保温装潢板粘锚零碎施工流程图 5.4.2 新建建筑采取保温装潢一体化零碎的施工应具备以下条件: 1墙体的水泥砂浆找平层平整度应达到《建筑装潢装修工程质量验收规范》GB50210中 普通抹灰(普通抹灰)的验收尺度. 2 门窗洞口处应经过验收,洞口尺寸地位达到设计和质量请求.门窗框或附框应安装完 毕,门窗边框与墙体连接应预留出保温装潢板的安装厚度,缝隙应分层填充紧密. 3 外墙面上的雨水管卡、预留铁件、设备穿墙管道等应安装终了,并事先与保温装潢板 安装调和配合 4基层墙面应坚实平整,水泥砂浆找平层与基层墙体粘结牢固,且施工前应经过清理. 5 在基层墙体做拉拔实验,基层墙体拉拔强度不该低于 0.4MPa ,成品板或外墙板现场 拉拔试验不低于保温装潢板本人强度,且保温层破坏,如果基层墙体破坏,则基层墙体须要 处理符合请求后,再进行粘贴施工. 6 如基层(混凝土墙及填充墙等)不抹灰,必须经过公司技术部分认证,出专项处理方 案后才可确定是否适用保温装潢一体化零碎. 5.4.3 既有建筑采取保温装潢一体化零碎的施工应具备以下条件: 1 保温装潢一体化零碎在施工前需对外墙原有饰面进行检查并进行基层处理. 2 基层应坚实、平整,概况应清洁,无油污、脱模剂、浮尘等妨碍粘结的附着物. 3瓷砖面、马赛克等面层应进步前辈行打毛处理,清理干净后,再涂刷公用界面砂浆很多于 二遍,压实拉毛其实不得漏涂.公用界面砂浆按分量比配置,搅拌均匀成糊状,稠度范围为 120~150 mm. 涂料基层面、原有保温材料粘贴部位必须全部革除,并流露出水泥基层,清理干净后, 再开始下道工序. 5建筑的基层及其处理还应符合当地主管部分公布的节能规程中对墙体的相干请求. 请求外,外墙基层的垂直度和平整度应符合表 5.4.4中的规定. 表5.4.4 墙体基层的答应尺寸偏差 墙体结构 项 目 允 许 偏 差 (mm ) 2m 直尺和楔形塞尺检查 2m 托线板检查 实心墙砌体 概况平整度(2 m 长度) 4 4 基层 墙面垂直度(每层) 13 立面总高度垂直度 阴阳角垂直H/1000且≤30 经纬仪或吊线检查 2m 托线板检查 4 阴阳角方正 4 直角检测尺检查 板厚+15≤下口≤板厚+30 门窗框与门窗洞口边距板厚+5≤侧口≤板厚+20 直尺检查 板厚+5≤上口≤板厚+20 门窗洞口侧边收口偏差 墙5 8 直尺检查 ≤5m 层 面 垂 直 度 高 >5m 全高 10 经纬仪或吊线检查 钢筋混凝土 墙基层 H/1000且≤30 概况平整度(2 m 长度) 预留洞口中间线地位 5 15 5 2m 直尺和楔形塞尺检查 经纬仪或吊线检查 ≤ 3 m 垂直度 > 3 m 经纬仪或吊线检查 10 8 填充墙砌体 概况平整度(2 m 长度) 2m 直尺和楔形塞尺检查 经纬仪或吊线检查 2m 托线板检查 基层 轴线位移 10 ±5 20 门窗洞口高、宽 外墙上、下窗口偏移 经纬仪或吊线检查 5.4.5 基层墙面测量放线: 1结合建筑物设计图纸及现场实际控制点弹出垂直控制线、水平控制线,由控制线处开始测量门窗、线条、墙体等的实际尺寸. 2根据实际测量数据结合施工图并确定保温装潢板和成品配套件的分格方案和下料尺 寸,下料尺寸要做到统一、精确,严酷按照本工法中规定履行. 3 按照施工分格设计方案,弹出每块板、每根装潢线条的安装控制线,确定接缝宽度, 并建造统一塞尺.4根据实际弹线情况,结合施工分格设计方案,出具绝对应每块板的实际尺寸和具体构 造配件清单5.4.6 公用粘结砂浆备制 1 应按公用粘结砂浆的配比请求配置.在砂浆搅拌机中搅拌或在便捷式胶桶顶用电 动搅拌器搅拌3~5min ,静置约5min 后,再次拌匀后使用,公用粘结砂浆稠度控制在70~100 mm. 2 搅拌好的公用粘结砂浆应在 2.0 h 内使用完,严禁将已超出使用时间公用粘结砂 浆予以二次搅拌再用. 14 1首层保温装潢板施工前,应按设计或施工放线地位用冲击钻或电锤对基层墙体钻孔 后,用锚固件预装可调托架件,钻孔深度应大于无效锚固深度10㎜. 2可调托架件根据水平基准线的地位,先用可调节孔固定锚栓,后拉水平通线进行调准, 使可调托架件板面均处于同一水平面上,最初用安装孔固定死锚栓. 3 可调托架件的扣头根据水平控制线调整伸缩距离后紧固响应螺钉.托架应包管托住面 板厚度1/3以上. 5.4.8 粘贴保温装潢板 1 保温装潢板应从水平控制线地位开始,自下而上,按预定的排板地位沿水平方向 横向铺贴;横向施工应恪守先阳角后阴角,先包管特殊结构(如门、窗的对称性和均匀性), 再大面积施工. 2 保温装潢板安装宜带线施工,线与墙的挂线间距按完成面控制,线长度宜控制在 7~10 m ,线两头采取辅助点控制. 3 保温装潢板按照设计请求可选择点框法、点粘和条粘法粘贴,粘贴工艺和质量要 求应满足本工法第 4.2.1规定.每块保温装潢板粘贴完成后,公用粘结砂浆的面积与板面 4 保温装潢板粘贴的平整度、垂直度应符合请求.每贴完一块,应及时清除挤出的 砂浆;板与板之间的缝隙要均匀分歧且达到设计请求. 5 保温装潢板安装时,凡基准线均应占线施工.粘结第二块或第二层保温装潢板(板 缝之间)必须安装垫块且装卸方便.垫块宜采取硬质材料建造,垫块厚度按板缝宽度建造. 垫块安插:每边很多于二个,间距不大于600 mm. 6 上墙粘贴时,用手将板推压至墙面上,然后将吸盘吸附在板的概况,手握吸盘揉 动保温装潢板,并调整保温装潢板的地位,使全体板面坚持平整,对齐分格缝. 7 随时用2 m 靠尺和线锤检查,如偏差小,应在公用粘结砂浆初凝前轻微校订;如 偏差大,应扒下从头安装. 1 所有转角和门窗洞口和其他构造做法均应根据施工图的请求进行,有成品配套件 优先施工,以包管全体的细部处理后果. 2所有成品配套件和各部位节点施工均应带线施工,垂直度和平整度和线条直线 度均应满足质量请求.粘贴好后必须采纳可靠的支持,防止发生虚粘景象. 3 保温装潢板的轮廓线转角处拼接式外,也可采取成品阳角线条或者其他做法,具体 做法可根据施工图的请求完成,现场拼接时应严酷按照本工法中5.3的规定请求,进行打磨 毛刺的工艺. 4如采取现场施工工艺的窗洞口的施工时,上沿口线必须做出外斜度流水坡度或滴水 线,下沿口线必须做出外斜度滴水坡度.如选用成品配套件进行窗洞口施工时,应严酷按照 配套件使用规范进行,严禁混淆使用. 15 窗洞口施工时,应严酷按照先上后下,再左后右的施工顺序进行施工,以包管各块板的粘贴平安性、波动性. 6型弧度部位施工时,应现场实测放样,然后下料用保温装潢板施工,也可采取成品 配套件、线条进行拼装.异型弧度部位应做到尺寸精确、平滑美观、平安可靠. 7装成品配套件时,拼装缝应尽量与大面保温装潢一体化零碎坚持分歧,也可采取均 匀等长拼接的方式进行安装,但必须包管外立面全体后果. 8顶部位施工时,应进行现场实测放样,应在粘贴好后并立即在板面打上外置压紧扣件后方能施工下一块保温装潢板. 9 女儿墙如采取成品配套件施工时,应选用有下水坡度的窗下口配套件,留意将成品 件转角的那端与下水坡度方向相顺,进行粘贴安装. 10 所有细部构造处理的工艺应符合相干的国家尺度、行业规范和本规程中的规定. 5.4.10 安装锚固件 4.1.2所示安装机械锚固件.锚固件应先从直边中部按请求间距安装,须要时再外加外压件 调整板缝的高低差.应根据板面的平整度来调节力的大小,防止形成板面的海浪外形.粘结 保温装潢板及成品配套件时严禁用硬物敲击板面. 2锚固件数量应符合所提供的施工图的请求及零碎相干利用规程规定;若无明确请求, 锚固件数量应符合以下规定:每平米不得少于8个. 3 扣件应按施工图的请求安装,如选用面板锚固方式的扣件安装时,扣件应置入板槽 内,受力于面板且良好接触,严禁扣件直接受力于保温芯材.如选用保温芯锚方式的锚固方式时,用将扣件拔出保温材料与面板结合层之间,扣件感化于保温芯材上. 4 膨胀管和锚钉的安装件按施工图的请求安装.采取M8的钻头从扣件的安装孔中穿过, 在墙体上钻好孔后,将膨胀管套在金属螺钉上从扣件的安装孔内穿过,伸入钻好的墙体孔 内拧紧锚钉,应确保膨胀锚栓尾部回拧使之与基层充分锚固.钻孔时不克不及损伤保温装潢板 及成品配套件. 5.4.11 板缝填封处理 注:打胶之前必须进行锚固件荫蔽验收,检查锚固件的数量及螺钉的拧固情况和有没有松 动的板块等. 1 保温装潢板板的板缝处理应在安装 24 h 后进行,打胶不得在风雨天进行.打胶前必 须把胶缝处的呵护膜撕开. 2按照施工图纸的请求,选用合格的绝热嵌缝条填缝,普通为板缝宽度的1.2~1.5倍, 填缝应紧密,嵌缝条与板面深度为4~6 mm 为好.嵌缝条应完好、清洁,概况不得有破损、 净化;施工时嵌缝条应均匀嵌入板缝,不得生拉硬扯,防止嵌缝条发生回缩景象.3用专门清洁剂将施胶板面清洗干净,根据分格宽度的请求弹出分格线再沿线贴上纸胶 16 带;分格缝宽度(密封胶完成面)宜控制在6mm ~15 mm. 4再用耐候密封胶勾缝,密封胶色彩按专项方案请求,密封胶最薄处不该小于3.5㎜, 填缝应丰满、密实、连续、均匀、无气泡.挤注耐候密封胶应由专业技术人员施工;挤注前 宜在板缝两侧饰面层上粘贴纸胶带;挤注过程中,枪嘴应伸人缝隙内约 4 mm 以上,均匀缓 慢挪动,连续进行. 5打密封胶时,可采取平胶缝,覆盖板缝两边保温装潢板概况1~2 mm.挤注耐候密封 胶后应顺一个方向立即进行胶缝的修刮平整,不成来回来去挪动,施胶终了后将纸胶带拉掉 即可.纸胶带粘贴在板面上的时间不得超出2小时,以避免形成板面漆膜的破坏. 6 打胶功课时的基材概况温度宜大于0℃,施胶时基材概况必须干燥;基材概况温度大于50℃时不得进行打胶功课. 5.4.12 安装零碎透气阀、排水安装(可根据设计请求,选用) 1按专项设计方案请求设置排水安装,排水管的次要感化是排出墙体和保温装潢一体化 零碎间的水分,设置部位在勒脚,排水管的设置宜为每10m 一个,其材质为不锈钢,内径为 10mm.安装在板与地面的交接缝中,并做好四严密封处理. 2按专项设计方案请求安装零碎透气阀,透气阀应在密封胶凝固前安装在板缝间.透气 阀为PVC 塑料制成,其感化是排除保温装潢板与墙体间的水蒸气.克服了水蒸气对胶粘剂性能、保温材料保温后果的影响,并防止密封胶起鼓.透气阀的设置约为 1个/30m ,满粘部 2位不作此请求. 5.4.13 清理、去呵护膜1待所有工艺全部完成后,撕去板面呵护膜,如板面失慎留有密封胶,应及时用布沾专用清洁剂清除,再用清水布清除一遍2 撕板面呵护膜时,留意用力均匀,缓慢撕去呵护膜,然后用干净柔软的毛巾擦除装潢 面层的遗留物. 3 严禁用硬度超出板面的工具剔除板面净化物,防止损坏保温装潢板面1去呵护膜、清洁概况后,再检查板面平整度、垂直度和阴阳角方正.对不符合请求的 应及时更换,符合请求的应做好成品呵护. 2 屋顶、露台、首层等部位,容易让人接触碰撞到保温装潢板的地方,宜在工程交付时 撕去呵护膜3 采取脚手架施工时应确保脚手架波动牢固,不得碰撞已安装完成的保温装潢板.裁撤 脚手架时可同时撕去呵护膜,保温装潢板概况清理干净. 4施工完的保温装潢板及成品配套件就留意成品呵护,严禁蹬踏、重物撞击.如有损坏, 应将整块板或者成品配套件剔除重装. 6 零碎构造节点 17 图A.0.1 拼接阳角构造示意图 图A.0.2 成品阳角构造示意图 图A.0.3 成品线条阳角构造示意图 18 室内 图A.0.4 阴角构造示意图 图A.0.5 勒脚构造示意图 19 室内 室内 图A.0.6 伸缩缝构造示意图 20 图A.0.7 窗上下口成品线条构造示意图 图A.0.8 窗口正面构造示意图 21 图A.0.9 窗上下口成品线条构造示意图 窗口正面成品线条构造示意图 22 图A.0.11 管道穿墙构造示意图 注:预埋件由建筑施工确定 空调机隔板构造示意图 23 水 汽 水 汽 图A.0.13 零碎单向透气构造示意图 图A.0.14 零碎排水构造示意图 24 图A.0.15 挑檐构造示意图 图A.0.16 女儿墙构造示意图 25 室内 1-1 1-1 1-1 图A.0.18 外置落水管安装示意图 26 图A.0.17 室外设备支架后置示意图 7 质量尺度及验收 7.1 普通规定 7.1.1 利用方泰保温装潢一体化零碎工程的质量验收应符合《建筑工程施工质量验收统一 尺度》GB50300、《建筑装潢装修工程质量验收规范》GB50210、《外墙外保温工程技术规程》 JGJ144、《建筑节能工程施工质量验收规范》GB50411、《金属与石材幕墙工程技术规范》JGJ133 的相干请求和本规程的请求. 7.1.2 方泰保温装潢一体化零碎工程的质量验收应包含施工过程中的质量检查、荫蔽工程 验收和检验批验收,施工完成后应进行墙体节能保温分项工程验收. 7.1.3 方泰保温装潢一体化零碎工程验收的检验批划分应符合以下规定: 1 采取不异材料、工艺和施工做法的墙面,每500~1000m 的面积划分为一个检验批, 2缺乏500 m 2 检验批的划分也可根据与施工流程相分歧且方便施工与验收的准绳,由施工单位与 2也为一个检验批. 7.1.5 利用方泰保温装潢一体化零碎的工程应对以下部位或内容进行荫蔽工程验收,并应 有具体的文字记录和须要的图像材料: 1 保温装潢一体化零碎附着的基层墙体(包含水泥砂浆找平层)及其概况处理. 2 保温装潢板及成品配套件的粘结与固定. 3 锚固件、连接件、热桥和预埋件的设置. 4 板缝的构造与密封处理. 5 门窗洞口、变形缝、凸窗四周、女儿墙等构造节点. 7.1.6 本零碎用于墙体节能装潢工程的竣工验收应提供以下材料,并纳入竣工技术档案: 1 建筑节能装潢工程设计文件、图纸会审纪要、设计变动文件和技术核定手续. 2 建筑节能装潢工程设计文件审查通过文件. 3 经审批通过的建筑节能装潢工程的专项施工方案. 4 墙体节能装潢工程使用材料、成品、半成品、设备及配件的产品合格证、检验陈述 和进场复验陈述. 5 墙体节能装潢工程的荫蔽工程验收记录. 6 检验批、分项工程验收记录. 7 监理单位过程质量控制材料及建筑节能监理评估陈述. 27 监理(建设)单位共同商定,但一个检验批的面积不得大于3000m. 27.1.4 检验批质量验收合格,应符合以下规定: 检验批应按主控项目和普通项目验收. 2 主控项目应全部合格. 3 普通项目应合格;当采取计数检验时,至多应有80%以上的检查点合格,且其余检查 点不得有严重缺陷. 4 应具有完好的施工操纵根据和质量检查记录 8 其它须要的材料,包含样板墙(间)的工程技术档案材料. 7.2 主控项目 7.2.1 墙体节能装潢工程施工前应按照设计和施工方案的请求对基层墙体进行处理,处理 后的基层应符合施工方案的请求. 检验方法:对照设计和施工方案观察检查;检查荫蔽工程验收的记录. 检查数量:全数检查. 7.2.2 零碎和各构成材料与构件的品种、规格应符合设计和本规程请求检验方法:观察、尺量检查;核查质量证实文件. 检查数量:按进场批次,每批随机抽取3个试样进行检查;质量证实文件应按照其出厂 检验批进行核查. 7.2.3 保温装潢板中保温芯材的表观密度、导热系数、紧缩强度、燃烧功能和粘结砂浆 的粘结强度,应符合设计请求和本规程的规定. 检验方法:核查质量证实文件和进场复验(保温芯材的燃烧功能除外)陈述. 检查数量:同一品种材料的现场复验数量按单位工程建筑面积确定,并符合如下规定: 1 建筑面积小于6000㎡的工程,复试很多于1次;建筑面积在6000㎡~12000㎡的 工程,复试很多于2次;建筑面积在12000㎡~20000㎡的工程,复试很多于3次;建筑面 积在20000㎡以上的,每添加10000㎡,添加复试很多于1次. 2 对小别墅等单位工程建筑面积小于500㎡且在同一小区同时施工时,保温面积小于 4000㎡时,至多复试1次;超出4000㎡时,每添加4000㎡,添加复试很多于1次. 3 对于单位工程建筑面积较大、建筑核心护以幕墙为主、墙体保温面积绝对较小的工 程,保温面积小于4000㎡时,至多复试1次;超出4000㎡时,每添加3000㎡,添加复试 很多于1次. 7.2.4 保温装潢板中保温芯材(保温板)的厚度应符合设计请求检验方法:对保温装潢板采纳剖开或裁撤封边材料后尺量检验. 检查数量:每个检验批抽查很多于3块(处). 7.2.5 保温装潢一体化零碎工程的构造做法应符合设计和本规程对零碎的构造请求保 温装潢板与主体结构的连接方法应符合设计请求,与主体结构的连接必须牢固. 检验方法:对照设计和施工方案观察检查,检查施工记录和荫蔽工程验收记录.检查数量:每个检验批抽查很多于3处. 7.2.6 外墙上门窗洞口四周的正面和凸窗非透明的顶板、侧板和底板应按设计和本规程 的请求采纳节能保温措施. 检验方法:检查专项施工方案、施工记录、荫蔽工程验收记录. 检查数量:每个检验批抽查很多于3处. 7.2.7 保温装潢板的锚固件在基层墙体中无效锚固深度和锚固件拉拔力应符合设计和本规 28 程请求. 检验方法:检查施工记录和荫蔽工程验收记录;对锚固件进行现场拉拔力试验. 检查数量:每个检验批抽查很多于3块(处). 7.2.8 保温装潢板的板缝处理、构造节点及嵌缝做法应符合设计请求,板缝不得渗漏. 检验方法:对照设计观察检查,检查荫蔽工程验收记录. 检查数量:每个检验批抽查很多于3块(处). 7.3 普通项目 7.3.1 进场保温装潢板与构件的外观和包装应完好无破损,符合设计请求和产品尺度的规 定. 检验方法:观察检查. 检查数量:全数检查. 7.3.2保温装潢一体化零碎完成面层的答应偏差和检查方法应符合表7.3.2的请求. 表7.3.2 保温装潢一体化零碎完成面层的答应偏差和检查方法 项 目 概况平整度 答应偏差(mm ) 检查方法 2m 靠尺和塞尺检查 经纬仪或吊线检查 直尺检查 4 总高度垂直度 接缝宽差 H/1000且≤30 2 2 相邻面板之间高低差 分格条(缝)平直 阴阳角方正 2m 靠尺和塞尺 5m 通直线,直尺检查 直角检测尺检查 2m 托线板检查 经纬仪或吊线检查 经纬仪检查 3 4 阴阳角垂直 4 上下窗口摆布偏移 同层窗口上下偏移 20 20 7.3.3 保温装潢一体化零碎工程的外观检查应平整、洁净、无倾斜和裂缝. 1在距建筑物保温装潢面正前方5m 外,目测角度90°±20°内观测,色泽应均匀分歧, 无发花景象. 2分格缝横平竖直,宽窄分歧,保温装潢板面无折边胶缝采取凸缝和平缝的预制保温保 温装潢板面,边沿应覆盖1 mm ~ 2mm 密封胶,并达到密封请求. 3进场的预制保温保温装潢板与配件的外观和包装应完好无破损,符合设计请求和产品 尺度的规定. 4 沉降缝处理应内设金属支架,面板采取同色材料并符合设计请求. 检验方法:观察;检查荫蔽验收纪录. 29 7.4 验收 7.4.1 外墙外保温工程质量验收合格,应符合以下规定: 1 检验批应按主控项目和普通项目验收. 2 主控项目应全部合格. 3 普通项目应合格;当采取计数检验时,至多应有 80 %以上的检查点合格,且其余检 查点不得有严重缺陷. 4 分项工程质量控制材料应完好. 5 外墙节能构造现场实体检验结果应符合设计请求. 6 外保温零碎的设计文件、图纸会审记录、设计变动和洽商记录. 7无效期内的外墙外保温零碎的型式检验陈述. 8次要构成材料的产品合格证、出厂检验陈述、进场复验陈述和进场核查记录. 9 节能保温装潢工程的施工技术方案、施工技术交底. 10 围护结构节能构造现场实体检验记录. 11 荫蔽工程验收记录和相干图像材料. 12 其他对工程质量有影响的次要技术材料. 7.5 破损部位修补方式 5.5.1 在修补前应先将须要的部位进行粉饰,防止被净化或破坏. 5.5.2 按照破损板的尺寸大小从头裁切一张新板. 5.5.3将破损部位的保温装潢板整块板四周的密封胶用刀片划开,将破损的保温装潢板 整块取出,墙面清理干净,相邻部位保温装潢板上的密封胶清理干净. 5.5.4将裁切好的新板抹好公用粘结砂浆后贴在墙面上,调整平整度和板缝大小,安装 锚固件. 5.5.5 待粘结砂浆固化(至多24h )后进行填充密封条,并进行密封胶的施工. 5.5.6 清理板面,修补完成. 8.零碎及材料功能参数 8.2 方泰板业保温装潢一体化零碎 8.2.1 一体化零碎功能请求 方泰板业保温装潢一体化零碎的功能目标应符合表8.2.1的请求. 表8.2.1 方泰板业保温装潢一体化零碎的功能目标 试 验 项 目 性 能 指 标 抗风压值不小于工程项目的风荷载设计值 提供热阻值 抗风压 a2. 热阻,m K / W 单点锚固力,kN 耐候性 外观 30 E 型 抗拉强度,MPa X 型、A 型、外墙 板零碎 ≥0.10, 破坏界面在保温材料上 ≥0.15,破坏界面在保温材料上 建筑物其他层用 抗冲击性,J 建筑物首层用 ≥3 ≥10 a可由设计或供需双方协商确定. 8.2.2 方泰板业保温装潢板 方泰板业保温装潢板的功能目标包含尺寸答应偏差,保温装潢板的功能目标,饰面层的 的请求,饰面层的功能目标应符合表8.2.4的请求. 表8.2.2 方泰板业保温装潢板的尺寸答应偏差 单位为毫米 检 验 项 目 ≥1200 答应偏差 板边长 <1200 板 厚 度 对角线差 板边平直 a≥1800 <1800 Ⅰ型 Ⅱ型 板面平整度 a板厚度为保温材料的厚度. 表8.2.3 方泰板业保温装潢板的功能目标 功能目标 检 验 项 目 E 型 X 类,A 型,外墙板零碎 ≤40 单位面积质量,kg/m 2≤20 色彩均匀分歧,符合标样请求 色彩及外观 外观划一、平直、无净化、无破损 用于建筑物首层10J 冲击合格 其他层3J 冲击合格 a抗冲击性 耐冻融性 不透水性 概况无裂纹、空鼓、起泡、剥离景象 试样防护层内侧无水渗透 吸水量,g/m 阻燃等级 2≤500 E 型、X 型、外墙板零碎不低于B1级;A 型A 级 保温材料导热系数,W/(m.K) 原强度,MPa 符合相干尺度请求 ≥0.10,破坏界面在保温材料上 ≥0.15,破坏界面在保温材料上 ≥0.15,破坏界面在保温材料上 ≥0.15,破坏界面在保温材料上 ≥0.15,破坏界面在保温材料上 浸水后, 抗拉强度 冻融后,MPa ≥0.10,破坏界面在保温材料上 ≥0.10,破坏界面在保温材料上 ≥0.10,破坏界面在保温材料上 热老化后,MPa a b符合该功能目标的E 型、Q 型保温装潢板的单位面积质量目标请求可放宽到≤25 kg/m; 2G 为测试用试样的自重. 31 保温装潢一体化零碎表8.2.4 方泰板业保温装潢板饰面层功能目标 检 验 项 目 性 能 指 标 无异常 耐酸性,48h 耐碱性,96h 耐水性,96h 耐盐雾,500h 无异常 无异常 无损伤 耐人工老化, ≥1500h 粉化≤1级,变色≤2级 耐沾污性,% ≤10 ≤1 附出力,级 注:耐沾污性、附出力仅限平涂饰面. 8.3 公用粘结砂浆 公用粘结砂浆的功能目标应符合表5的请求. 表5 公用粘结砂浆的功能目标 试 验 项 目 性 能 指 标 原强度 耐水 拉伸粘接强度,MPa (与水泥砂浆) 原强度 耐水 拉伸粘接强度,MPa (与保温装潢板) X 型、A 型、外墙 可操纵时间,h 8.4 锚固件 金属螺钉应采取不锈钢或经过概况防腐处理的金属制成,膨胀套管应采取聚酰胺 (polyamide6、polyamide6.6)、聚乙烯 (polyethylene)或聚丙烯 (polypropylene)等材 料制成,严禁采取回收的再生材料;扣件采取不锈钢、铝合金或经概况进行防腐处理的金属 材料制成.锚固件无效锚固深度不该小于25mm.其技术功能目标应符合表8.4的请求. 表8.4 锚固件技术功能目标 试验项目技术目标试验方法 技术目标 试验方法 单个锚固件抗拉承载力尺度值,kN (破坏部位不得位于扣件处) JG 149 单个锚固件吊挂力,kN 单个锚固件对零碎传热添加值,W/(m2.K) 8.5 辅助材料 在保温装潢一体化零碎中所采取的除上述产品外的其他材料应分别符合响应 32 施工工法 国家或行业尺度的请求. 9.平安措施 9.1 进入施工现场的功课人员,必须首先介入平安教育培训,考试合格方可上岗功课, 未经培训或考试分歧格者,不得上岗功课. 9.2 进入施工现场的人员必须戴好平安帽,并系好帽带;按照功课请求精确穿戴个人防 护用品;在2m 以上(含2m )没有可靠平安防护设施高处施工时,必须戴好平安带;高处作业时,不得穿硬底和带钉易滑的鞋进行施工. 9.3 在施工现场行走要留意平安,不得攀登脚手架、井架、外用电梯,禁止乘坐非乘人 的垂直运输设备. 9.4 高空功课时,应检查脚手架是否牢固,特别是大风及雨后功课;操纵前应检查脚手 架隔离是否牢固. 9.5 在保温装潢板堆放处及施工处附近不得进行电、气焊功课. 9.6 使用电动搅拌器、电锤等手持电动工具,必须装有漏电呵护器,功课前应试机检查, 功课时应戴绝缘手套. 9.7 在架子上工作,工具和材料要放置稳妥,禁绝随便乱仍. 9.8 对脚手板不牢固的地方和跷头板等应及时处理,并铺有必定的宽度9.9 严酷控制脚手架施工荷载. 9.10 禁绝随意裁撤、斩断脚手架软硬拉结,禁绝随意裁撤脚手架上的平安设施. 10.环保措施 10.1本零碎所采取的相干干粉砂浆产品均为聚合物改性水泥基无机非金属材料,无毒、 无挥发、无净化、是一种环保型的新型建筑材料. 10.2本零碎采取的保温装潢板为无机树脂板或铝板与聚苯乙烯泡沫(EPS 板或XPS 板等) 复合而成,复合过程中采取的胶粘剂为无溶剂型,其化学功能波动,无无害物资挥发,施工 中不发生无害气体,其废料可回收利用,是可回收的环保产品. 10.3施工现场废渣、废板和污水应及时处理干净.不得在施工现场焚烧保温板废弃物, 应及时回收处理.建筑垃圾、废渣应在指定地点堆放. 10.4 应恪守施工现场文明施工管理规定,施工现场物料堆放有序便于操纵,严酷恪守 国家有关环保的法律规定,优化施工现场的容貌. 第 33 页 共 33 页。
山东地平线建筑节能科技有限公司保温装饰一体板产品说明氟碳漆饰面保温装饰一体板:1、板材规格:2440*1220*46mm(长*宽*厚)2、系统基本构造:3、结构说明:拉丝板饰面保温装饰一体板由保温层(含挤塑板,苯板,聚氨酯,岩棉等)高密度无机树脂板和氟碳漆饰面涂层三部分组成:○1我公司氟碳漆采用全自动喷涂工艺,具有高光泽度、高耐候性的氟碳罩光,具有优良的自洁性与产品稳定性;○2饰面基层采用高密度硅酸钙板,板材平整度高,耐候性强;○3采用B2级挤塑保温板;○4能保证保温装饰一体板真正达到与建筑同寿命。
保温装饰板外墙外保温系统施工工法一、施工工法1系统基本构造2保温装饰板外墙外保温系统由防水找平层、粘结层、保温装饰板和嵌缝材料构成。
施工时,先在基层墙体上做防水找平层,采用以粘为主、粘锚结合方式将保温装饰板固定在基层上,并用嵌缝材料封填板缝。
3系统及材料性能要求2.1 系统性能指标保温装饰板系统性能指标应符合表G1的要求。
2.2 保温装饰板性能指标2.2.1 保温装饰板尺寸允许偏差应符合表G2的要求。
注:本尺寸允许偏差为1200*600的标准板2.2.2 保温装饰板性能应符合表G3的要求。
2.3 胶粘剂性能指标见表G4。
2.4 辅助固定件性能指标见表G52.5 涂料饰面时采用塑料膨胀锚栓,锚栓胀管外径为8mm,需配套使用ST5.5螺钉,且钉头外径宜为8mm,长度不得小于60mm。
其性能指标见表G6.2.6硅酮耐候密封胶的性能指标见表G7.3 工法特点3.1 保温装饰板系统,只需在现场粘贴保温装饰板、锚固、嵌缝、打密封胶即可,具有施工工艺简单、施工程序较少、质量可靠性高等特点。
提高了施工速度,缩短了施工周期。
3.2 保温装饰板系统采用“承托+粘贴+锚固”的固定方式,以粘接为主锚固为辅,保障了系统的安全性。
3.3 本工法对保温装饰板外保温工程的深化设计,是根据测量的建筑外立面实际尺寸,采用电脑精确化排板分格设计,然后利用拼板软件对板材进行优化组合,提高保温装饰板的利用率。
WX 保温装饰一体板技术参数
一 系统基本构造
二 复合板的物理力学性能
复合板外观
质量
主
性
指
五复合板涂层的物理化学性能
六Array复
合
板
几
何
尺
寸
偏
差
七粘结剂性能
挤塑
板聚
苯板厚度选用表
求的K值未列表中时,则应选取与该K值相邻的较小K值确定材料厚度。
2、基层墙体灰砂砖、DM砖和KP1砖时,不论保温材料厚薄,其墙体的热惰性指标D值均大于3。
基层墙体为钢筋混凝土墙或混凝土空心砌块墙,当K=1、D<2.5时,应按照《民用建筑热工设计规范》GB50176-93第5.1.1条验算隔热要求。
3、计算厚度不足10mm者,均按10mm列入,表中厚度栏内的“――”表示该墙体可不设保温层。
4、保温材料厚度的最小限值定为20mm,计算结果不足者,可按20mm选用或选用其他类型的外墙外保温系统。
5、表中所列挤塑板的厚度为挤塑板的净厚度,不包括面板厚度。
九复合板外墙外保温装饰一体化系统安装尺寸偏差。