产品质量特性重要度分级表
- 格式:doc
- 大小:76.50 KB
- 文档页数:5
产品质量特性分级1范围适用于相应产品质量特性重要度分级的规范。
2产品质量特性重要度分级2.1XGN68-12箱型固定式金属封闭开关设备,如表1.表1序号代号名称或部位特性内容级别备注A级B级C级1OCT536001技术条件第5.2条表1主回路1min工频耐压42kV√2OCT536001技术条件第5.2条表1二次回路1min工频耐压2kV√3OCT536001技术条件第5.2条表1外壳防护等级达到IP2X√4OCT536001技术条件第5.2条表1主回路电阻≤200μΩ√53CT677001~002主开关定位基准188√66CT084002柜体装配810√76CT084002柜体装配500√85CT362001联锁装配“五防”闭锁应灵活,通过验证应可靠√95CT363005撞击器联锁装配撞击器动作应使负荷开关三相分闸√2.2SCB10-RL-30-2500/10立体卷铁心树脂绝缘干式变压器,如表2.表2序号代号名称特性内容级别备注关键特性重要特性一般特性16TM.602.1883.1~2高低压线圈√影响产品的性能6TM.602.1882.1~228TM.770.1883.1~2绝缘筒H、F级√绝缘材料性能8TM.770.1882.1~235TM.271.1883.15TM.271.1882.1压钉全部镀锌√防生锈5TM.271.001.1G48TM.472.002.3G吊拌14√若强度不够,易发生安全事故607555TM.511.1883.1~2接线片镀锡√影响材料性能5TM.511.1882.1~265TM.071.1883.1~2上、下夹片酸洗、磷化后涂漆√影响部件性能及产品外观5TM.071.1882.1~275TM.640.1883铁芯850√影响装配尺寸及空载性能538311.55TM.640.1882φ230880473263φ21388TM.511.1883.1~75TM.511.1883.1~2铜排外形尺寸√影响产品性能及外观8TM.511.1882.1~75TM.511.1882.1~298TM.090.1883.3~13绝缘压块F级、尺寸√影响器身装配尺寸8TM.090.1882.3~13_________________________________。
产品质量特性重要度分
级表
Document number:BGCG-0857-BTDO-0089-2022
设计文件
质量特性重要度分级
DSA300-100-002
编制
审核
批准
株洲时代工业装备有限公司
1 范围
本产品质量特性重要度分级表适用于受电弓零部件的分级
2 引用标准
本产品质量特性重要汇总表通过引用下列标准而编制.
JB/T5058-91 机械工业产品质量特性重要性分级导册
Q/TX01-025-2000 产品质量特性重要度分级同册
3 分级原则;
产品质量特性重要度分级以按产品适应性要求的影响及经济程度为依据
产品质量特性重要等级按关键特性, 符合为(A);重要特性, 符号为(B); 一般特性, 符号为(C),共分为三级。
由设计者在产品图样或所编制的设计文件上标注。
特性符号按规定采用号字体,通常应标注在特性右侧。
一般特性可不标注。
4 产品质量特性重要度分级汇总表。
J Q/JSZS 江苏宗申三轮摩托车制造有限公司企业标准Q/JSZS J0204—2011代替 Q/ ZSSJ 02.02-2010产品质量特性重要度分级规则2011-09-26发布2011-09-26实施前言Q/JSZS J0204-2011《产品质量特性重要度分级规则》是对Q/ZSSJ 0204-2010《产品质量特性重要度分级》的修订和代替。
——修订了标准的名称;——修订了标准的适用范围;——新增了有关术语和定义内容;——新增了电动车产品零部件的重要度分级内容;——新增了图样、技术文件尺寸重要度分级内容;本标准由技研中心标准认证部提出。
本标准由技研中心标准认证部归口。
本标准起草单位:技研中心标准认证部。
本标准主要修订人:詹玉喜、吴宝根、赵荣广本标准所代替的标准历次发布情况为:Q/ ZSJ 0202-2007;Q/ZSSJ 0204-2010本标准于2011年09月 修订;产品质量特性重要度分级规则1 范围本标准规定了正三轮摩托车、电动摩托车及电动轻便摩托车产品质量特性重要度分级的规则。
本标准适用于正三轮摩托车、电动摩托车及电动轻便摩托车(以下简称“产品”)对零部件质量特性重要度的分级,标注。
2 规范性引用文件下列文件对于本文件的应用是必不可少的。
凡是注日期的引用文件,仅所注日期的版本适用于本文件。
凡是不注日期的引用文件,其最新版本(包括所有的修改单)适用于本文件。
JB/T 5058 机械工业产品质量特性重要度分级导则3 术语和定义3.1 产品质量特性产品质量特性由产品规格、性能和结构所决定,并影响产品的适用性,是设计传给工艺、制造和检验的技术要求和信息。
它包含有功能、寿命、互换性、尺寸、公差与配合、环境污染、人身安全及执行政府有关法规和标准情况等。
3.2 产品质量特性重要度影响产品适用性的重要程度。
4 分级原则以对产品适用性要求的影响和经济损失程度为依据。
5 重要度等级5.1 重要度等级分为:关键特性、重要特性和一般特性。
河北御捷车业有限公司ZY/QY-04产品质量特性重要度分级规则共14页版本:A编制审核批准发文号:实施日期:二〇一四年月日1目的对产品质量特性重要度分级、标识工作进行规范,把设计意图准确传达给采购、工艺、制造、检验等部门,以便加强对关键、重要工序的过程控制。
2 范围适用于公司所有产品及零部件的质量特性重要度分级(以下简称重要度分级)。
3 术语和定义3.1产品及零部件质量特性产品及零部件质量特性由产品及零部件的规格、性能和结构所决定,并影响产品的适用性,是设计传递给工艺、制造和检验的技术要求和信息,它包含尺寸、公差与配合、功能、寿命、互换性、环境污染、人身安全及执行政府有关法规和标准的情况等。
3.2产品及零部件质量特性重要度产品及零部件质量特性重要度是指产品及零部件某质量特性影响产品适用性的重要程度。
4 职责与权限新产品设计阶段,汽车研究院对新产品及零部件进行质量特性重要度分级,通过新产品试制、试验,在设计改进时进一步修正和完善,并将重要度级别符号直接标注在产品图样或设计文件的相应位置上。
5 工作流程/内容5.1 分级原则及重要度等级5.1.1重要度分级以对产品适用性要求的影响和经济损失程度为依据。
5.1.2 重要度等级分为:关键特性、重要特性和一般特性。
5.1.2.1关键特性如发生故障,会发生人身安全事故,丧失产品主要功能,严重影响产品使用性能和寿命,对环境产生违反法规的污染,以及必然会引起使用单位申诉的特性。
5.1.2.2 重要特性如出现故障,会影响产品使用性能和寿命,使用单位可能提出申诉的特性。
5.1.2.3 一般特性如出现故障,对产品使用性能和寿命影响不大,不至于引起使用单位申诉的特性。
5.2 重要度分级内容重要度分级内容应包括:a) 安全、环保要求;b) 性能、结构的使用要求;c) 可靠性、使用寿命及互换性要求;d) 材料性能及处理规定;e) 焊接及铸、锻规定;f) 尺寸、公差与配合、形状和位置公差及表面粗糙度等要求;g) 外形、外观质量要求;h) 润滑油、燃油清洁度要求;i) 涂敷、包装、防护及储运要求。
设计文件
质量特性重要度分级
DSA300-100-002
编制
审核
批准
株洲时代工业装备有限公司
1 范围
本产品质量特性重要度分级表适用于受电弓零部件的分级
2 引用标准
本产品质量特性重要汇总表通过引用下列标准而编制.
JB/T5058-91 机械工业产品质量特性重要性分级导册
Q/TX01-025-2000 产品质量特性重要度分级同册
3 分级原则;
产品质量特性重要度分级以按产品适应性要求的影响及经济程度为依据
产品质量特性重要等级按关键特性, 符合为(A);重要特性, 符号为(B); 一般特性, 符号为(C),共分为三级。
由设计者在产品图样或所编制的设计文件上标注。
特性符号按规定采用号字体,通常应标注在特性右侧。
一般特性可不标注。
4 产品质量特性重要度分级汇总表。
产品质量特性重要度分级
表
Lele was written in 2021
设计文件
质量特性重要度分级
DSA300-100-002
编制
审核
批准
株洲时代工业装备有限公司
1 范围
本产品质量特性重要度分级表适用于受电弓零部件的分级
2 引用标准
本产品质量特性重要汇总表通过引用下列标准而编制.
JB/T5058-91 机械工业产品质量特性重要性分级导册
Q/TX01-025-2000 产品质量特性重要度分级同册
3 分级原则;
产品质量特性重要度分级以按产品适应性要求的影响及经济程度为依据
产品质量特性重要等级按关键特性, 符合为(A);重要特性, 符号为(B); 一般特性, 符号为(C),共分为三级。
由设计者在产品图样或所编制的设计文件上标注。
特性符号按规定采用号字体,通常应标注在特性右侧。
一般特性可不标注。
4 产品质量特性重要度分级汇总表。
ICSQ/SXC 上海万象汽车制造有限公司企业标准Q/SXC J201.123—2010目次前言 (II)1 范围 (1)2 规范性引用文件 (1)3 术语和定义 (1)4 总则 (1)5 重要度等级 (1)5.1 关键特性 (2)5.2 重要特性 (2)5.3 一般特性 (2)6 重要度分级的主要内容 (2)7 重要度分级级别符号及其含义 (2)8 重要度分级级别符号的标注方法 (2)8.1 尺寸、公差与配合、形状和位置公差及表面粗糙度特性的标注 (2)8.2 图纸上技术要求特性的标注 (3)8.3 材料特性标注 (3)8.4 质量特性重要度分级表 (3)8.5 部件重要度的分级 (3)附录A(规范性附录) 部件重要度的分级 (4)前言本标准代替Q/SXC 1203-2005《客车产品零部件分级和控制要求》。
本标准和Q/SXC 1203-2005《客车产品零部件分级和控制要求》相比,除编辑性修改外主要技术变化如下:——变更了分级原则,由原来按部件重要度分A、B、C三类等级变更为关键特性、重要特性和一般特性;——增加了规范性引用文件、术语和定义和总则;——增加了重要度分级的主要内容;——增加了重要度分级级别符号及其含义;——增加了重要度分级级别符号的标注方法。
本标准在编写格式、结构和表述规则上,符合GB/T 1.1-2009《标准化工作导则 第1部分:标准的结构和编写》的规定。
本标准由上海万象汽车制造有限公司提出。
本标准由上海万象汽车制造有限公司技术开发部归口。
本标准起草部门:上海万象汽车制造有限公司技术开发部。
本标准主要起草人:宦晓丽本标准所代替标准的历次版本发布情况为:——Q/SXC 1203-2005。
质量特性重要度分级1 范围本标准规定了客车产品的质量特性重要度分级的术语和定义、等级、主要内容、符号及其含义、标注方法以及分级表。
本标准适用于上海万象汽车制造有限公司自主开发的客车产品质量特性重要度分级。
产品质量特性分类一定义1 不合格单位产品质量特性不符合规定,称为不合格。
一般按质量特性的重要性或按质量特性不符合的严重程度将不合格分为:①A类不合格:单位产品的极重要质量特性不符合规定,或单位产品的质量特性极严重不符合规定。
②B类不合格:单位产品的重要质量特性不符合规定,或单位产品的质量特性严重不符合规定。
③C类不合格:单位产品的一般质量特性不符合规定,或单位产品的质量特性轻微不符合规定。
2 不合格品有一个或一个以上不合格的单位产品,称为不合格品。
按不合格的类型可分为:①A类不合格品:有1个或1个以上A类不合格,也可能有B类和(或)C类不合格的单位产品。
②B类不合格品:有1个或1个以上B类不合格,也可能有C类不合格,但没有A类不合格的单位产品。
③C类不合格品:有1个或1个以上C类不合格,但没有B类和A类不合格的单位产品。
二产品特性分类表*注:如铝合金线作为加强芯时,则抗拉强度为A类不合格。
2漆包圆绕组线3聚氯乙烯绝缘控制电缆41kV~35kV挤包绝缘电力电缆51kV、10kV、35kV架空绝缘电缆述职报告尊敬的各位领导,各位同仁:大家好!本人被组织任聘为。
副校长已有五年,主抓德育教育工作,分管学校后勤、德育、艺体、安全、卫生、综合治理等工作。
身为副校长,我努力学习党的教育方针,学习邓小平教育理论。
用全新的教育教学理念武装自己,努力提高自身教育理论素养。
我在党的组织生活中,学习党建理论;在政治学习中学习党的路线、方针、政策、法规;在业务学习中,学习人文文化,加强自身政治理论,道德修养,培养高层次的道德感、责任感。
工作几年来,我以强烈的事业心、责任心力抓好德育工作,确保学校教育教学工作运作正常。
我的工作原则是倡导培养“勤奋乐干,善于思索,不断创新”三种优秀品质。
以奖励机制为主,及时勉励,激发老师团队精神,从而完成教育教学任务。
其出发点是一切为了学生,为了学校的生存、发展而不辍劳作。
下面我就德育工作管理谈谈自己的做法,将一年工作总结如下:一、加强学习,联系实际,提高认识教师是一门终身学习的职业。
1目的把产品质量特性等技术要求和信息准确而有效地从设计部门传递给工艺、制造和检验部门。
2范围本标准对研究本院产品质量特性的分级内容、分级等级及其符号、在图样上的标注方法等做出规定。
适用于研究本院产品重要度分级的管理。
3定义产品质量特性:由产品的规格、性能和结构所决定,并影响产品的适用性,是设计传递给工艺、制造和检验等的技术要求和信息。
4分级内容、等级及标注方法4.1 分级内容4.1.1安全、环保要求;4.1.2性能、结构的使用要求;4.1.3可靠性、使用寿命及互换性要求;4.1.4材料性能及处理规定;4.1.5焊接及铸、锻规定;4.1.6尺寸、公差与配合、形状和位置公差及表面粗糙度等要求;4.1.7外形、外观要求;4.1.8清洁度要求;4.1.9涂敷、包装、防护及储运要求等。
4.2 分级等级重要度等级分为关键特性、重要特性和一般特性。
4.2.1关键特性如发生故障,会发生人身安全事故、丧失产品主要功能、严重影响产品使用性能和降低产品寿命、对环境产生违反法规的污染,以及必然会引起使用单位申诉的特性。
4.2.2重要特性如发生故障,会影响产品使用性能和寿命,使用单位可能提出申诉的特性。
4.2.3一般特性如发生故障,对产品的使用性能及寿命影响不大及不致引起使用单位申诉的特性。
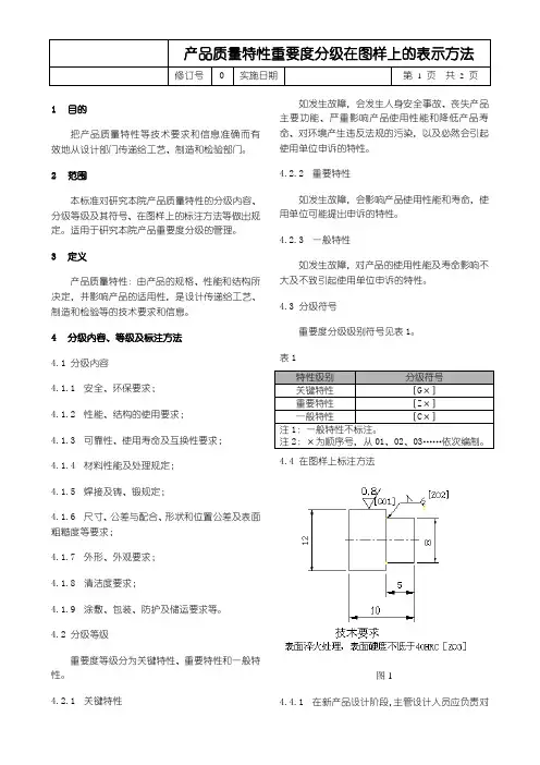
4.3 分级符号重要度分级级别符号见表1。
表14.4 在图样上标注方法图14.4.1在新产品设计阶段,主管设计人员应负责对产品的零部件特性分级,分级符号在特性的右侧,若特性的右侧不便标注时,允许分级符号标注在特性的尺寸线下面,见示例图1。
4.4.2分级符号字体为仿宋字,字高由特性字高决定,如果特性字高为3.5mm,分级符号字高为3.5mm;如果特性字高为5mm,分级符号字高则为5mm。
5相关文件产品特性重要度分级标准》6附加说明本制度由技术中心起草,并负责解释和归口管理。
产品质量特性重要度分级规则一、范围1.1 本工作指引规定了产品质量特性重要度分级的定义、原则、内容、要求及编制设计文件《产品质量特性重要度分级汇总表》的方法。
1.2 本工作指引适用于公司开发设计产品的质量特性重要度分级。
二、规范性引用文件下列文件中的条款通过本工作指引的引用而成为本工作指引的条款。
凡是注日期的引用文件,其随后所有的修改单(不包括勘误的内容)或修订版均不适用于本标准,然而,鼓励根据本工作指引达成协议的各方研究是否可使用这些文件的最新版本。
凡是不注日期的引用文件,其最新版本适用于本工作指引。
2.1 JB/T5058 机械工业产品质量特性重要度分级导则;2.2 WI-M-002-00产品图样及设计文件编号方法。
三、术语和定义下列术语和定义适用于本工作指引3.1产品质量特性产品质量特性由产品的规格、型号、性能和结构所决定,直接影响产品的适用性,它包含有尺寸、公差与配合、功能、寿命、互换性、环境污染、人身安全及执行国家有关法规和标准情况等,是设计传递给工艺、制造和检验等的技术要求和信息。
3.2产品质量特性重要度质量特性影响产品适用性的重要程度。
四、总则4.1 新产品设计阶段,设计部门应对产品进行重要度分级,通过新产品试制,在设计改进时进一步修正和完善。
4.2 重要度分级,可按规定的级别符号直接标注在图样上及设计文件上,也可单独编制整机及其组成部件重要度分级文件。
五、重要度分级原则及重要度等级5.1 产品质量特性重要度分级原则产品质量特性重要度分级以按对产品适用性要求的影响程度和经济损失程度为依据。
5.2 产品质量特性重要度等级分为关键特性、重要特性和一般特性。
5.2.1 关键特性如发生故障,会发生人身安全事故、丧失产品主要功能、严重影响产品使用性能和降低产品使用寿命、对环境产生违反法规的污染,以及必然会引起用户申诉的特性。
5.2.2 重要特性如发生故障,会影响产品使用性能和寿命,使用单位可能提出申诉的特性。
设计文件质量特性重要度分级
DSA300-100-002
编制
审核
批准
株洲时代工业装备XXX
1 范围
本产品质量特性重要度分级表适用于受电弓零部件的分级
2 引用标准
本产品质量特性重要汇总表通过引用下列标准而编制.
JB/T5058-91 机械工业产品质量特性重要性分级导册
Q/TX01-025-2000 产品质量特性重要度分级同册
3 分级原则;
3.1 产品质量特性重要度分级以按产品适应性要求的影响及经济程度为依据
3.2 产品质量特性重要等级按关键特性, 符合为(A);重要特性, 符号为(B); 一般特性, 符号为(C),共分为三级。
由设计者在产品图样或所编制的设计文件上标注。
特性符号按规定采用3.5号字体,通常应标注在特性右侧。
一般特性可不标注。
4 产品质量特性重要度分级汇总表。
1 目的对产品零部件质量特性重要度分级进行规定2范围适用于本企业产品零部件质量特性重要度分级3 职责3.1 技术部负责重要度分级规定和重要度分级表3.2 技术部部长负责审核重要度分级规定3.3 技术部设计人员根据重要度分级表编制关键过程、特殊过程明细表、确定质量控制点4 流程图无5 内容5.1 产品质量特性由产品的规格、性能和结构所决定,并影响产品的适用性,使设计传递给工艺、制造和检验等的技术要求和信息。
它包含有尺寸、公差与配合、功能、寿命、互换性、环境污染、人生安全及执行国家有关法规和标准情况等。
5.2 产品质量特性重要度指影响产品适用性的重要程度。
5.3 新产品设计阶段,技术部对本产品进行重要度分级,通过新产品试制,在设计改进时进一步修正和完善。
5.4 重要度分级采用编制整车及其总成部件重要度分级文件。
5.5 分级原则及重要度等级5.5.1 重要度分级采用以按对产品适用性要求、安全性要求的影响及经济损失为依据。
5.5.2 重要度分级分为关键特性、重要特性和一般特性1)关键特性指一切影响到车辆安全性、车辆专用特性、严重影响到可靠性及使用性,与国家环保法规有关的以及会导致使用单位必然提出申诉的特性(用符号A表示)2)重要特性指一切会影响到车辆可靠性、使用性以及可能会导致使用单位提出申诉的特性(用符号B表示)3)一般特性指符合产品质量特性定义,但对产品的使用性、可靠性影响不大以及不会导致使用单位提出申诉的特性(用符号C表示)5.6 重要度分级内容包括1)安全、环保要求2)性能、结构的使用要求3)可靠性、使用寿命及互换性要求4)材料性能及处理规定5)焊接规定6)尺寸、公差和配合、形状和位置公差及表面粗糙度等级要求7)外形、外观要求8)包装、防护及贮存运输等要求6 相关文件及记录6.1 相关文件无6.2 记录ZL-0603-001《产品零部件质量特性重要度分级表》。
产品质量特性重要度分级1 范围本标准规定了产品质量特性重要度分级的分级原则、重要度等级、内容及标注方法。
本标准适用于产品质量特性重要度分级和重要度分级级别符号在产品图样及技术文件上的标注。
2 规范性引用文件QJ/ML 0002—A 产品图样及技术文件编号方法QJ/ML 0100—A 产品图样及设计文件的完整性及审批程序QJ/ML 0101—A 产品图样及设计文件格式3 术语和定义下列术语和定义适用于本标准。
3.1产品质量特性由产品的规格、性能和结构所决定,并影响产品的适用性,是设计传递给工艺、制造和检验等的技术要求和信息。
它包括由尺寸、公差与配合、功能、寿命、互换性、环境污染、人身安全以及执行政府有关法规和标准情况等。
3.2产品质量重要度影响产品适用性的重要程度。
3.3关键特性如发生故障,会发生人身事故、丧失产品主要功能、严重影响产品使用性能和降低产品寿命,对环境产生违反法规的污染,以及必然会引起使用单位申诉的特性。
级别符号〔A〕.3.4重要特性如发生故障,会影响产品使用性能和寿命,使用单位可能提出申诉的特性。
级别符号〔B〕.3.5一般特性如发生故障,对产品使用性能及寿命影响不大,使用单位不致引起申诉的特性。
级别符号〔C〕,不标注。
4 分级原则及重要度分级4.1 重要度分级应按对产品适用性要求的影响及经济损失程度为依据。
4.2 同一产品一般单独进行分级。
同类产品相同的内容(如安全环保、性能、结构、可靠性、寿命、清洁度等)可制定统一的重要度分级通则。
4.3除编写重要度分级表外,还应将级别符号直接标注在产品图样或技术文件上。
5 重要度分级内容重要度分级内容一般包括:——安全环保要求;——性能、结构、使用要求;——可靠性、寿命、互换性要求;——材料性能及处理规定;——焊接及铸、锻规定;——尺寸、公差与配合、形状和位置公差及表面粗糙度要求;——外形、外观要求;——清洁度要求;——涂镀、包装、防护及储运等要求。
河北御捷车业有限公司ZY/QY-04产品质量特性重要度分级规则共14页版本:A编制审核批准对产品质量特性重要度分级、标识工作进行规范,把设计意图准确传达给采购、工艺、制造、检验等部门,以便加强对关键、重要工序的过程控制。
2范围适用于公司所有产品及零部件的质量特性重要度分级(以下简称重要度分级)。
3术语和定义3.1产品及零部件质量特性产品及零部件质量特性由产品及零部件的规格、性能和结构所决定,并影响产品的适用性,是设计传递给工艺、制造和检验的技术要求和信息,它包含尺寸、公差与配合、功能、寿命、互换性、环境污染、人身安全及执行政府有关法规和标准的情况等。
3.2度。
4职责与权限如发生故障,会发生人身安全事故,丧失产品主要功能,严重影响产品使用性能和寿命,对环境产生违反法规的污染,以及必然会引起使用单位申诉的特性。
5.1.2.2重要特性如出现故障,会影响产品使用性能和寿命,使用单位可能提出申诉的特性。
5.1.2.3一般特性如出现故障,对产品使用性能和寿命影响不大,不至于引起使用单位申诉的特性。
5.2重要度分级内容重要度分级内容应包括:a)安全、环保要求;b)性能、结构的使用要求;c)可靠性、使用寿命及互换性要求;d)材料性能及处理规定;e)焊接及铸、锻规定;f)尺寸、公差与配合、形状和位置公差及表面粗糙度等要求;g)外形、外观质量要求;h)润滑油、燃油清洁度要求;i)涂敷、包装、防护及储运要求。
5.3判定准则5.3.1关重零部件a)只标注关键特性或重要特性符号的零部件称为关键零部件或重要零部件;b)c)d)5.3.2关键过程A);B);5.4.3电动车关重零部件特性分级表(附录C);5.4.4图样尺寸重要度等级表(附录D)6相关文件无7相关记录无附录A(规范性附录)重要度级别符号与标注方法A.1级别符号重要度级别符号见表A.1表A.1重要度级别符号附录B(资料性附录)(资料性附录)(资料性附录)图样尺寸重要度分级表。
产品质量特性重要度管理制度 (1)质量特殊特性管理办法 (10)质量特殊特性管理办法 (13)产品质量特性重要度管理制度1.主题内容:本制度规定了产品质量特性重要度的等级、名称、划分原则及特性划分。
2.适用范围:本制度仅适用于产品质量的评定。
3.产品质量特性重要度分级程序及责任部门。
3.1产品质量特性重要度等级分级由生技科负责,依据国内外有关标准用户的要求及使用条件和环境进行划分。
3.2产品质量的重要度分级完成后,生技科长审核后交总经理批准。
3.3产品质量的重要度分级及名称3.3.1特性重要度分为三个等级,即:(1)关键特性:A级;(2)主要特性:B级;(3)次要特性:C级。
4.特性重要度等级划分区别实用文档4.1关键特性:A级直接影响电线电缆适用性、安全性、可靠性的质量特性,如电线电缆电性能及部分物理机械性能等。
4.2重要特性:B级间接影响电线电缆适用性、安全性、可靠性的质量特性,直接影响产品的使用寿命,如电线电缆产品的结构尺寸及部分物理机械性能。
4.3次要特性:C级间接影响产品的寿命,直接影响产品经济性和竞争性的质量特性,如电线电缆产品的偏芯及外观等。
4.4主要产品质量特性重要度分级表详见附录:附录1圆线同心绞架空导线产品检验项目和质量特性分类实用文档实用文档附录2架空绝缘电缆产品检验项目和质量特性分类实用文档实用文档续前表:实用文档附录3挤包绝缘电力电缆产品检验项目和质量特性分类实用文档实用文档附录3挤包绝缘电力电缆产品检验项目和质量特性分类实用文档质量特殊特性管理办法FR-QC-21-A11、目的本办法规定了公司产品质量特殊特性识别(以下简称重要度分级)的原则、内容、要求、职责及表示方法。
2、范围适用于公司产品开发时对产品特殊特性和过程特殊特性的识别。
3、职责实用文档技术部负责产品质量特殊特性的识别以及制定《关键工序-特殊特性值清单》。
4、术语4.1产品质量特殊特性:是顾客对产品的要求、用途、规格、性能和结构的决定,并影响产品的实用性,是产品设计和开发传递给过程设计和开发、加工制造、工艺参数、功能、寿命、互换性、环境污染、人身安全及执行国家有关法规和标准等情况的要求。