职业技能鉴定国家题库
- 格式:doc
- 大小:57.50 KB
- 文档页数:10
第一套一.选择题(第1~80题,选择正确的答案,将相应的字母填入题内的括号中。
每题1.0分,满分80分)1.在直流电路中,基尔霍夫第二定律的正确表达是(B )。
(A)(B)(C)(D)2.如果一直线电流的方向由北向南,在它的上方放一个可以自由转动的小磁针,则小磁针的N极偏向(A )。
(A)西方(B)东方(C)南方(D)北方3.根据电磁定律e=N×(△Φ/△t)求出的感应电动势,是在△t这段时间内的(A )。
(A)平均值(B)瞬时值(C)有效值(D)最大值4.与自感系数无关的是线圈的(D )。
(A)几何形状(B)匝数(C)磁介质(D)电阻5.变压器的铁芯采用绝缘硅钢片叠压而成,其主要目的是(D )。
(A)减小磁阻和杂散损耗(B)减小磁阻和铜耗(C)减小磁阻和电阻(D)减小磁阻和铁耗6.在500匝的线圈中通入0.4安的电流,产生0.8韦的磁通,则该电流产生的磁势为(B )安匝。
7.使用JSS—4A型晶体三极管测试仪时,在电源开关未接通前,将(C )。
(A)“VC调节”旋至最大,“IC调节”旋至最小(B)“VC调节”旋至最小,“IC调节”旋至最大(C)“VC调节”旋至最小,“IC调节”旋至最小(D)“VC调节”旋至最大,“IC调节”旋至最大8.JT—1型晶体管图示仪输出集电极电压的峰值是(B )伏。
(A)100 (B)200 (C)500 (D)10009.使用示波器观察信号波形时,一般将被测信号接入(D )端钮。
(A)“Y轴输入” (B)“X轴输入”(C)“Y轴输入”与“X轴输入” (D)“Y轴输入”与“接地”10.示波器中的扫描发生器实际上是一个(B )振荡器。
(A)正弦波(B)多谐(C)电容三点式(D)电感三点式11.使用SBT—5型同步示波器观察宽度为50微秒、重复频率为5000赫兹的矩形脉冲,当扫描时间置于10微秒档(扫描微调置于校正)时,屏幕上呈现(A)。
(A)约5厘米宽的单个脉冲(B)约10厘米宽的单个脉冲(C)约5厘米宽的两个脉冲(D)约10厘米宽的两个脉冲12.SBT—5型同步示波器中采用了(B )扫描。
1.(C )是质量常使用的法定计量单位。
A、牛顿B、吨C、千克D、斤2.含有0.02mol/L氯离子的MgCL2溶液,MgCL2浓度为(C )。
A、0.002mol/LB、0.04mol/LC、0.01mol/LD、0.005mol/L3.往AgCL沉淀中加入浓氨水,沉淀消失,这是因为(D )。
A、盐效应B、同离子效应C、酸效应D、配位效应4.在含有AgCL沉淀的溶液中,加入NH3·H2O,则AgCL沉淀(C )。
A、增多B、转化C、溶解D、不变5.对于2Cu2++Sn2+→←2Cu+Sn4+反应,增加[CU2+]的浓度、反应的方向是(C )。
A、右→左B、不变C、左→右D、左右同时进行6.属于原子晶体的是(C )。
A、CO2 B、NaCL C、SiO2 D、NaOH 7.电离方程式正确的是(B )。
A、H2S→←2H+ + S2-B、H2CO3 →←H+ + HCO3-C、NaHCO3→←Na+ + H+ + Co32-D、HCLO = H+ + CLO-8.Ph =5的盐酸溶液和ph=12的氢氧化钠溶液等体积混合时ph是(D )。
A、5.3B、7C、10.8D、11.79.300C时25克碘化钾饱和溶液蒸干,得到15克KI固体,则300C时,碘化钾的溶解度是(D )。
A、60克B、90克C、120克D、150克10.200mlNa2SO4溶液正好与250ml 2mol/L Ba(NO3)2溶液反应,则Na2SO4溶液的摩尔浓度为(D )。
A、2mol/L B、1.25mol/L C、1mol/L D、2.5mol/L11.不能用无色试剂瓶来储存配好的标准溶液是(D )。
A、H2SO4B、NaOHC、Na2CO3D、AgNO312.对同一样品分析,采取一种相同的分析方法,每次测得的结果依次是31.27%、31.26%、31.28%,其第1次测定结果的相对偏差是(B )。
A、0.03%B、0.00%C、0.06%D、--0.01% 13.当煤中水份含量在5%至10%之间时,规定平行测得结果的允许绝对偏差不大于0.3%,对某一煤试样进行3次平行测定,其结果分别为7.17%、7.31%及7.72%,应弃去的是(A)。
职业技能鉴定国家题库中式烹调师中级理论知识试卷一、单项选择题1.普通丝瓜,瓜条细长,瓜的表面比较粗糙,色青绿,果实( ),瓜肉较厚,质地柔软。
A 、后端肥大 B 、中间肥大 C 、先端肥大 D 、通体肥大 5.污染粮豆食物的黄曲霉毒素在( )温度下加压可被破坏。
A 、100℃B 、150℃C 、230℃D 、280℃ 6.酱菜是将蔬菜经过( )和晾晒脱水加工处理,然后酱制而成的一类产品。
A 、盐腌B 、酱腌C 、酱油腌D 、盐水腌 7.内部因素主要有动物组织中多种活性酶的分解作用,及植物组织自身的( )。
A 、氧化作用B 、化合作用C 、降解作用D 、呼吸作用 8.为防止粮谷发霉变热,应将成品粮的含水量降致( )。
A 、1~5.5%B 、6~12%C 、13~13.5%D 、10~15% 9.正常黄油的乳脂含量应为( )。
A 、90%B 、85%C 、80%D 、75% 10.腌菜是以食盐腌制为基础,后再改制为其他各种风味的( )。
A 、菜肴B 、小菜C 、咸菜D 、产品11.酱油腌制品要求色泽正常,具有本制品特有的香气咸淡,香甜适口,色泽搭配美观,( )。
A 、有油斑杂质 B 、无油斑杂质 C 、有白色渗出,无杂质 D 、无霉斑杂质12.普通丝瓜,瓜条细长,瓜的表面( ),色青绿,果实的先端肥大,瓜肉较厚,质地柔软。
A 、比较光滑 B 、比较粗糙 C 、比较光滑 D 、非常粗糙 13.花色冷盘在服务形式上常置于筵席的中间,故称( )A 、主盘B 、看盘C 、中心盘D 、食用盘 17.红皮蒜多为( ),外皮呈紫红色,蒜瓣大,瓣数少,辣味浓,品质佳。
A 、大瓣蒜B 、大头蒜C 、独头蒜D 、小瓣蒜 18.摊制法的用油量( )。
A 、少于熘法B 、少于炒法C 、少于煎法D 、少于贴法 19.油炸豆泡要色泽金黄,呈方圆形,柔软而有弹性,气味清香,不裂口,( )。
A 、实心,不含油B 、空心,含油C 、含油,心实D 、不含油,无死心 20.藻类植物是自然界中的( ),大小及形态结构差异很大。
职业技能鉴定国家题库统一试卷一、选择题(第1~80题。
选择正确的答案,将相应的字母填入题内的括号中。
每题1.0分。
满分80分):1.汽油机负荷特性指化油器调整适当,点火提前角保持最佳位置( )一定情况下则得的.(A)转速(B)转矩(c) 负荷(D)载荷2.柴油机转速特性指有效功率Pe有效转矩Me每小时燃油消耗量Gt和()Ge随曲轴转速n变化的规律。
(A)燃油消耗率(B)每小时耗油量(c) 每百公里耗油量(D) 每百吨公里耗油量3.柴油机负荷特性指在转速…·定时测得( )Gt和燃油消耗率Ge随喷油泵调节拉杆位置(负荷)变化的规律(A)每小时耗油量(B)燃油消耗率(c)每百公里牦油量(D)每百吨公里耗油量4.滚动阻力是车轮滚动时()在接触区域上受到径向力和切向力的作用,产生变形造成的。
(A)车轮与轮胎(B)轮胎和胎压(c)轮胎与地面(D)地面与车速5.汽车制动性能评价指标一般用( )、制动减速度、制动力和制动时间。
(A)制动距离(B) 一般制动距离(c)紧急制动距离(D)平均制动距离6.汽车制动跑偏:指汽车行驶时不能按直线方向( )。
(A) 减速停车(B) 自动停车(c)迅速停车(D)紧急停车7。
离合器液压操纵机构基本结构有离合器踏板、离合器主缸、储液室、油管、离合器()、分离义、分离轴承等。
(A)动力缸(B) 助力器(c) 工作缸(D)辅助缸8.液力变矩器工作原理:是在泵轮液体循环流动过程中,固定的导轮给()…·个反作用力矩,其力矩大小与作用方向都能随涡轮的转速而变化,从而使涡轮输出的转矩大于泵轮输入的转矩。
(A)泵轮(B)涡轮(c)导轮(D) 叶轮9.人一机系统加上时间因素,可以说是()。
(A)人一机处理系统(B) 人一机调节系统(c) 人一机操纵系统(D)人一机控制系统10.一般情况下动视力比静视力低()。
(A)5~10%(B)10~20%(C)20~30% (D)30~40%11.在交通环境中,决定行人行动的主要因素是()。
u i 职业技能鉴定国家题库汽车修理工高级理论学问复习卷 C一、单项选择(第 1 题~第 120 题。
选择一个正确的答案,将相应的字母填入题内的括号中。
每题 0.5 分,总分值 60 分。
) 1. 职业道德是一种( )的约束机制。
A 、强制性B 、非强制性C 、随便性D 、自发性2. 职工对企业诚恳守信应当做到的是()。
A 、忠诚所属企业,无论何种状况都始终把企业利益放在第一位B 、维护企业信誉,树立质量意识和效劳意识C 、保守企业任何隐秘,不对外谈论企业之事D 、完本钱职工作即可,谋划企业进展由有见识的人来做 3. 1kWh 电可供一只“220V 、25W ”的灯泡正常发光的时间是( )h 。
A 、20B 、25C 、40D 、45 4. 在纯电感元件沟通电路中,电压和电流的相位差Φ =Φ -Φ 是()。
A 、0°B 、45°C 、90°D 、180°5. “”符号代表〔 〕。
A 、二极管B 、三极管C 、稳压管D 、电阻6. 硅管的正向电压为( )V 。
A 、0.5B 、0.2C 、0.3D 、0.4 7. 如发动机转速上升时,常常发生烧坏用电设备状况,可能缘由是()的故障。
A 、转子总成 B 、定子总成 C 、整流器 D 、电压调整器 8. ()的功用是将蓄电池的电能转变为机械能,产生转矩,启动发动机。
A 、启动系B 、充电系C 、点火系D 、灯系9. 为了防止水分的分散,需要对汽车风窗玻璃加热,承受()。
A 、电动刮水器B 、风窗玻璃洗涤装置C 、电动天线D 、风窗除霜装置 10. 在汽车空调装置中,冷凝器安装在( )。
A 、发动机散热器前B 、驾驶室内C 、后行李箱内D 、发动机散热器后11. 在汽车安全气囊装置中,( )由火药和电雷管组成。
A 、点火器B 、气囊C 、传感器D 、ECU 12. 搬动( )时,不行歪斜,以免烧伤皮肤。
A 、蓄电池B 、发电机C 、分电器D 、点火线圈 13. 进展钻孔操作时( )戴手套。
职业技能鉴定国家题库 育婴员高级理论知识试卷 注 意 事 项 1、本试卷依据2001年颁布的《育婴员》国家职业标准命制, 考试时间:90分钟。
2、请在试卷标封处填写姓名、准考证号和所在单位的名称。
3、请仔细阅读答题要求,在规定位置填写答案。
一、单项选择(第1题~第160题,每题0.5分,共80分。
) 1、职业道德是指( ),在工作或劳动过程中,应该遵循的与其职业活动紧密联系的道德规范的总和。
A 、从事社会工作的人 B 、从事公益活动的人 C 、从事义务劳动的人 D 、从事一定职业的人 2、社会主义职业道德是以协调个人、集体和个人关系为核心的,离开( ),这三者之间的矛盾是无法协调的。
A 、个人 B 、集体和个人 C 、集体主义 D 、集体 3、职业道德的内容表现为某一职业所形成的特有的( )和习惯。
A 、职业表现、职业特征、职业特色 B 、职业心理、职业品质、职业传统 C 、职业心理、职业表现、职业特征 D 、职业品质、职业传统、职业特征 4、关注婴幼儿的发育状况,可以了解到( )。
A 、营养状态 B 、生活环境 C 、卫生状态 D 、教养的水平 5、育婴员的工作不仅要善于与孩子沟通,还要指导家长,将科学育儿的理念和方法用( )的语言传递给家长,提高家长科学育儿的水平和能力。
A 、专业 B 、儿童化 C 、简明扼要 D 、通俗易懂 6、婴幼儿头占身长( )。
A 、1/4 B 、1/2 C 、1/8 D 、1/6 7、机体柔嫩,生理调节和适应能力不成熟,平均每天睡眠长达20小时。
易发生窒息、溶血、感染等死亡率高,是( )的特点。
A 、新生儿期 B 、婴儿期 C 、幼儿期 D 、学龄前期 8、婴幼儿各系统发育快慢与不同年龄( )有关。
A 、生长速度 B 、生理功能 C 、心理发育 D 、营养9、年龄阶段性是指在婴幼儿心理发展的全过程中,表现出一些在( )不同的年龄阶段特点。
A 、形式上B 、数量上C 、质量上D 、内容上考 生 答 题 不准超过 此 线10、新生儿凭借完好的感觉器官最先发展起各种感觉。
职业技能鉴定国家题库统一试卷A.站姿和坐姿 B.走资和坐姿高级母婴护理员理论知识考试试卷(A)C.站姿和其他体态礼仪 D.站、坐、走资和其他体态礼仪注意事项5、母婴护理师的服务理念的中心是()1、考试时间:120分钟 A.客户 B.婴儿 C.家庭 D.孕产妇2、请在试卷的标封填写姓名、准考证号、所在单位的名称。
6、对于母婴护理师的交往礼仪要注意哪几个方面()3、请仔细阅读各答题的回答要求,在规定的位置填写您的答案。
A.用餐礼仪、职业礼仪 B.沟通礼仪、职业礼仪7、母婴护理师的服务对象是()A.孕妇和婴儿B.产妇和婴儿C.孕产妇和新生儿D.孕产妇和婴儿一、单项选择题(第1题一共100题。
选择一个正确的答案,将相应8、职业道德的总和是()的字母填入体内的括号中,每题0.5分,满分80分) A.道德准则、道德情操B道德情操、道德品质、道德准则1、育婴师和母婴护理师的共同点是() C.道德情操、道德准则D.道德责任、道德情操、道德品质A.对新生儿和产妇的护理 B.孕产妇和婴儿的护理9、母婴护理师的仪表可以反映和体现她的()B.对新生儿进行照看和护理D.对产妇的护理 A.文化修养、职业道德B.职业操守、文化修养2、母婴护理师职业定义是() C.审美品位、道德品质D.审美品位、文化修养A.运用相关知识和技能B.运用相关语言和技能10、作为一名合格的母婴护理师的整体仪表的要求有()C.运用相关肢体语言D.运用相关非肢体语言 A.头发干净盘起 B.注意手部卫生3、职业道德观念的核心() C.A、B和D都正确D.注意着装,穿平底鞋,不戴首饰A.爱岗敬业、尽职尽责、遵纪守法11、母婴护理师要懂得的居家礼仪有()B.诚实守信、尊老爱幼、文明执业 A.接待客人、手持物品或接替他人物品C.尊老爱幼、尽职尽责、文明职业、 B.接打电话、接待客人、手持或接替他人物品D.A和B正确12、母婴护理师与客户之间最重要要学会()4、对于母婴护理师的体态礼仪要注意哪几个方面() A.理解B.信任C.沟通D倾听13、新生儿生理性黄疸在什么时候出现()26、新生儿脐带脱落时间一般在出生后()A.2—3天B.3—4天C.1—2天D.4—5天 A.1—2周 B.2—3周 C.3—4 D.4—5周14、非语言沟通表现在()27、发生火情后要掌握()原则A.体态和眼睛语言B.服饰和体态语言A、先救人、再报警、后救物C.体态和服饰语言D.眼睛和服饰语言B、先报警、再救人、后救物15、婴儿前囟闭合的时间为()C、先救物、再救人、后报警A.10—16个月B.11—18个月 D、先报警、再救物、后救人C.12—18个月 C.13—18个月 28、妊娠早期是指()16、属于高龄孕妇的年龄是() A.妊娠第12周末 B.妊娠12周末及以前A.35岁 B.34岁 C.36岁D33岁 C .妊娠13周末及以前D.妊娠第13周末17、描述胎儿的发育以______周为一孕龄单位。
职业技能鉴定国家题库一、单项选择题(第1题~第160题,每题0.5分,共80分)1、职业道德是一种( B )的约束机制。
A、强制性B、非强制性C、随意性D、自发性2、市场经济条件下,职业道德最终将对企业起到( B )的作用。
A、决策科学化B、提高竞争力C、决定经济效益D、决定前途与命运3、下列选项中属于企业文化功能的是( A )A、整合功能B、技术培训功能C、科学研究功能D、社交功能4、职业道德对企业起到( D )的作用,A、增强员工独立意识B、模糊企业上级与员工关系C、使员工规规矩矩做事情D、增强企业凝聚力5、下列选项中,关于职业道德与人生事业成功的关系的正确论述是( A )A、职业道德是人生事业成功的重要条件B、职业道德水平高的人可定能够取得事业的成功C、缺乏职业道德的人更容易获得事业的成功D、人生事业成功与否与职业道德无关6、下列说法中,不符合语言规范具体要求的是( D )A、语言自然,不呆板B、用尊称,不用忌语C、语速适中,不快不慢D、多使用幽默语言,调节气氛7、职业纪律是从事这一职业的员工应该共同遵守的行为准则,它包括的内容有( D )A、交往规则B、操作程序C、群众观念D、外事纪律8、市场经济条件下,不符合爱岗敬业要求的是( D )的观念。
A、树立职业理想B、强化职业责任C、干一行爱一行D、多转行多跳槽9、下面关于严格执行安全操作规程的描述,错误的是( B )A、每位员工都必须严格执行安全操作规程B、单位的领导不需要严格执行安全操作规程C、严格执行安全操作规程是维持企业正常生产的根本保证D、不同行业安全操作规程的具体内容是不同的10、在日常工作中,对待不同对象,态度应真诚热情、( C )A、尊卑有别B、女士优先C、一视同仁D、外宾优先11、电位是相对量,随参考点的改变而改变,二电压是( C ),不随参考点的改变而改变。
A、衡量B、变量C、绝对量D、相对量12、若干电阻( A )后的等效电阻比每个电阻值大。
职业技能鉴定国家题库一、单项选择(第1题~第160题。
选择一个正确的答案,将相应的字母填入题内的括号中。
每题分,满分80分。
)1. 职业道德通过(),起着增强企业凝聚力的作用。
[单选题] *A、协调员工之间的关系(正确答案)B、增加职工福利C、为员创造发展空间D、调节企业与社会的关系2. 对待职业和岗位,()并不是爱岗敬业所要求的。
[单选题] *A、树立职业理想B、干一行爱一行专一行C、遵守企业的规章制度D、一职定终身,不改行(正确答案)3. ()是企业诚实守信的内在要求。
[单选题] *A、注重环境效益(正确答案)B、增加职工福利C、注重经济效益D、开展员工培训4. 下列事项中属于办事公道的是()。
[单选题] *A、顾全大局,一切听从上级B、大公无私,拒绝亲戚求助C、知人善任,努力培养知己D、原则至上,不计个人得失(正确答案)5. 职业纪律是企业的行为规范,职业纪律具有()的特点。
[单选题] *A、明确的规定性(正确答案)B、高度的强制性C、普适性D、自愿性6. 企业生产经营活动中,促进员工之间平等尊重的措施是()。
[单选题] *A、互利互惠,加强协作B、加强交流,平等对话(正确答案)C、只要合作,不要竞争D、人心叵测,谨慎行事7. ()是婴儿生理方面发生变化的表现。
[单选题] *A、认知、情感和社会交往的提高B、推理和社会交往能力不断提高C、身高、体重、器官的增长(正确答案)D、思维、大脑、胸围不断提高8. 婴儿心理发生变化的方面有()。
[单选题] *A、言语词汇、记忆力、认知、推理和社会交往能力不断提高。
(正确答案)B、身高、体重、器官的增长C、头围、臀围、胸围发生变化D、思维、大脑、胸围发生变化9. ()是婴儿发展中新特征获得的表现。
[单选题] *A、动作技能、前庭平衡发生变化B、身高、体重、器官的增长C、头围、臀围、胸围发生变化D、好奇、好问及生理上出现恒牙等(正确答案)10. 下列对婴儿发展的主要特点描述不正确的选项是()。
理论知识题库开发指南理论知识考试是职业技能鉴定两大鉴定考核方式之一。
按照职业技能鉴定命题基本理论和国家题库开发技术规程,理论知识考试命题主要有以下两个工作环节:----依据国家职业标准,参考有关职业资格培训教程,确定《理论知识鉴定要素细目表》;--——按照《理论知识鉴定要素细目表》和试题编制要求,编制理论知识试题.以上每一个工作环节皆有明确的阶段成果,经审定后,这些阶段成果皆是下一个工作环节的基础。
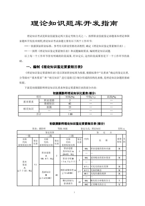
一、编制《理论知识鉴定要素细目表》《理论知识鉴定要素细目表》是以国家职业标准为依据,根据标准中“比重表”确定的鉴定比重,分等级对“基本要求”和“相关知识”进行逐级(层)细分形成的结构化表格,是理论知识命题的基础依据。
下面是初级摄影师理论知识比重表和鉴定要素细目表的部分内容:初级摄影师理论知识鉴定要素细目表(部分)(一)《理论知识鉴定要素细目表》主要内容从上例可以看出,《理论知识鉴定要素细目表》主要包括两个方面的内容:一是层次结构,即将理论知识鉴定要素按国家职业标准逐级细化后,组成具有多层次结构的表格;二是特征参数,即各层次鉴定要素的代码、重要程度指标、鉴定比重等参数指标。
(二)《理论知识鉴定要素细目表》编写基本步骤和要求《理论知识鉴定要素细目表》按职业、分等级进行编制,即一个职业每一个等级编制一套细目表。
1.根据国家职业标准中“基本要求”和“工作要求”中相关知识的内容,分别确定《理论知识鉴定要素细目表》各级“鉴定范围”。
●理论知识鉴定范围一级:是理论知识鉴定的总体要素。
名称与国家职业标准对应,一般分为“基本要求”和“相关知识";代码分别用“A”“B”表示;鉴定比重按国家职业标准确定;重要程度比例是它所包含的“鉴定范围二级”的重要程度比例的累计值。
根据国家职业标准,“基本要求”为初、中、高三个等级必须掌握的内容,原则上,“基本要求”部分的试题三个等级相同。
●理论知识鉴定范围二级:是对“鉴定范围一级”的分解,一般对应国家职业标准中的“基本要求”和“工作要求”中的有关内容,将从业人员所应掌握的理论知识按所隶属的职业活动范围领域进行划分。
职业技能鉴定国家题库一、单项选择题(第1题~第80题。
选择一个正确的答案,将相应的字母填入题内的括号中。
每题1分,满分80分。
)1.职业道德是一种()的约束机制。
[单选题] *A、强制性B、非强制性(正确答案)C、随意性D、自发性2.企业生产经营活动中,要求员工遵纪守法是()。
[单选题] *A、约束人的体现B、由经济活动决定的(正确答案)C、人为的规定D、追求利益的体现3.根据将电弧挤入窄缝,缩小电弧直径使其内部的离子浓度增大,就可以加强扩散和冷却作用原理,常用灭弧装置是()。
[单选题] *A、磁吹灭弧B、多断口灭弧C、窄缝灭弧D、电动力吹弧(正确答案)4.避雷器是保护电力系统及电气设备的绝缘,免受()的危害,限制续流的持续时间和幅值的一种装置。
[单选题] *B、瞬态过电流C、瞬态过电压(正确答案)D、过电流5.盘、柜内的配线电流回路应采用电压不低于500V的铜芯绝缘导线,其截面不得小于(),其他回路截面不应小于1.5mm2。
[单选题] *A、 1mm2B、 0.5mm2C、 2.5mm2(正确答案)D、 1.5mm26.按工作原理和用途分类,电真空器件通常分为电子管、离子管、()、电子束管和微波电子管五大类。
[单选题] *A、单结晶体管B、晶体管C、场效应管D、光电器件(正确答案)7.()是由两个背靠背PN结组成的三极管。
[单选题] *A、场效应管B、单结晶体管C、双极型晶体管(正确答案)D、半导体二极管8.晶闸管是一个由PNPN四层半导体构成的()器件,其内部形成三个PN结。
[单选题] *B、二端C、三端(正确答案)D、五端9.电气文字符号中,单字母()表示电容器类。
[单选题] *A、ZB、RC、C(正确答案)D、D10.造成气动工具耗气量增大的原因是()。
[单选题] *A、气压不足B、工具所带的滑片磨损过多(正确答案)C、零件不干净D、润滑油黏度太大11.已知某电器型号为RN1-10/100,其中10表示()。
职业技能鉴定国家题库统一试卷高级维修电工知识试卷(一)注意事项1.请首先按要求在试卷的标封处填写您的姓名、考号和所在单位的名称。
2.请仔细阅读各种题目的回答要求,在规定的位置填写您的答案。
3.不要在试卷上乱写乱画,不要在标封区填写无关内容。
第一部分第二部分总分总分人得分得分评分人一、选择题(第1~80题。
选择正确的答案,将相应的字母填入题内的括号中。
每题1.0分。
满分80分):1.一含源二端网路,测得开路电压为100V ,短路电流为10A ,当外接10Ω负载电阻时,负载电流为()A 。
(A )10(B )5(C )20(D )22.共发射级放大电路中,当负载电阻增大时,其电压放大倍数的值将()。
(A )不变(B )减小(C )增大(D )迅速下降3.如果一直线电流的方向由北向南,在它的上方放一个可以自由转动的小磁针,则小磁针的N 极偏向()。
(A )西方(B )东方(C )南方(D )北方4.磁阻的单位是()。
(A )亨/米(B )1/亨(C )米/亨(D )亨5.一直导体放在磁场中,并与磁力线垂直,当导体运动的方向与磁力线方向成()夹角时导体中产生的电动势最大。
(A )90°(B )30°(C )45°(D )0°6.与自感系数无关的是线圈的()。
(A )几何形状(B )匝数(C )磁介质(D )电阻7.电感为0.1H 的线圈,当其中电流在0.5秒内从10A 变化到6A 时,线圈上所产生电动势的绝对值为()。
(A )4V (B )0.4V (C )0.8V (D )8V 8.变压器的铁心采用绝缘硅钢片叠压而成,其主要目的是()。
(A )减小磁阻和杂散损耗(B )减小磁阻及铜耗(C )减小磁阻和电阻(D )减小磁阻和铁耗9.JSS-4A 型晶体管h 参数测试仪中的直流放大器采用了()放大器。
(A )交流(B )脉冲(C )差动(D )功率姓名:单位:准考证号:………………………………………………………装…………………………订……………………………线…………………………………………………………………10.JT-1型晶体管图示仪输出集电极电压的峰值是()伏。
( A )一般平台(B )精密平台(C )检验平台( D)特殊平台19 .拉线法、吊线法适合于对()工件进行划线。
(A)轴类(B)大型的(C)中小型的(D)薄板20 .在钻小孔时,应采取()。
(A )机动进给(B)给(C )机动或手动进给( D )较大的进给设21 .量数与被测尺寸的实际数值之差叫()误差。
(A)示值(B)疏忽(C)系统(D)随机2 2 .把量具量仪标尺上的旬一刻线间距所代表的被测量值叫()(A)示值误差(B)分度值(C )校正值(D)被测值23 .零件加工后进行的测里叫()( A )主动量法(B )被动量法(c )动态量法(D )间接&l ]量法24 .将水平仪放在标准平台上后得其读数为零.则说明该平台处于()位置.( A )水平(已)垂直(C)倾斜( D)水平或倾斜25 .齿厚游标卡尺的两个主尺位置是()。
{ A )平行的(B )垂直的(C)铰接的(D )成60 度角2 6 .用样板比较法测量表面粗糙度时,一般能可靠地测至出Ra 为()的表而粗糙.(A ) 0 . 8 一0 . 1 μm( B } 100 一25 μm ( C ) 12 . 5 一 1 . 6 μm 《 D ) 25 一0 . 4 μm 27 .凸轮机构中从动件的位移s ,速度v 和加速度a 的变化规律都是由()所决定( A )从动件的接触形式(B )固定机架( C )凸轮的轮廓(D )凸轮机构在机械中的不同应用28 .圆板牙两端的切削部分是()。
(A)圆锥面( B )经过铲磨而成的阿基米德螺旋面( C )一个正针L 面《D》一个过渡面29 ,对零邹件进行密封性试验是属于《)阶段。
(A)装配前的准备〔 B )装配(C )部件装配(D )调试30 .在安装链条时,若为水平位置传动,则其一F 垂度《)。
( A )不大于2 % L ( B )不大于12 % L( c )不大于20%L ( D )不大于22 % L三、判断题(第31~40 题。
职业技能鉴定国家题库汽车修理工高级理论知识复习卷C一、单项选择(第1题~第120题。
选择一个正确的答案,将相应的字母填入题内的括号中。
每题0.5分,满分60分。
)1. 职业道德是一种( )的约束机制。
A、强制性B、非强制性C、随意性D、自发性2. 职工对企业诚实守信应该做到的是( )。
A、忠诚所属企业,无论何种情况都始终把企业利益放在第一位B、维护企业信誉,树立质量意识和服务意识C、保守企业任何秘密,不对外谈论企业之事D、完成本职工作即可,谋划企业发展由有见识的人来做3. 1kWh电可供一只“220V、25W”的灯泡正常发光的时间是( )h。
A、20B、25C、40D、454. 在纯电感元件交流电路中,电压和电流的相位差Φ=Φu-Φi是( )。
A、0°B、45°C、90°D、180°5. “”符号代表()。
A、二极管B、三极管C、稳压管D、电阻6. 硅管的正向电压为( )V。
A、0.5B、0.2C、0.3D、0.47. 如发动机转速升高时,经常发生烧坏用电设备情况,可能原因是( )的故障。
A、转子总成B、定子总成C、整流器D、电压调节器8. ( )的功用是将蓄电池的电能转变为机械能,产生转矩,启动发动机。
A、启动系B、充电系C、点火系D、灯系9. 为了防止水分的凝结,需要对汽车风窗玻璃加热,采用( )。
A、电动刮水器B、风窗玻璃洗涤装置C、电动天线D、风窗除霜装置10. 在汽车空调装置中,冷凝器安装在( )。
A、发动机散热器前B、驾驶室内C、后行李箱内D、发动机散热器后11. 在汽车安全气囊装置中,( )由火药和电雷管组成。
A、点火器B、气囊C、传感器D、ECU12. 搬动( )时,不可歪斜,以免烧伤皮肤。
A、蓄电池B、发电机C、分电器D、点火线圈13. 进行钻孔操作时( )戴手套。
A、可以B、一定C、必须D、严禁14. 试验发动机时,( )在车下工作。
A、可以B、必须C、不得D、不必15. ( )是对质量形成的全部过程进行管理。
A、全员管理B、全过程管理C、全企业管理D、全部管理16. ( )决定了相关总成、部件和汽车的工作平衡程度。
A、振动B、噪声C、总成清洁度D、动、静平衡程度17. 汽车轮胎换位应在( )时进行。
A、日常维护B、一级维护C、二级维护D、季节性维护18. ( )能造成人的结膜、口腔黏膜等的肿胀及充血。
A、COB、HCC、NOXD、炭烟19. 在轻型车排放物中CO,含量不大于( )。
A、4.5%B、6%C、7%D、8%20. 空气滤清器的滤网堵塞,会加大汽车的( )排放量。
A、COB、HCC、NOXD、CO和HC21. 以下废物中,属于特种垃圾的是( )。
A、电线B、废钢铁C、离合器片D、废机油22. 关于汽车修理工艺规程,说法错误的是( )。
A、它是法定的技术文件B、一般保存在修理厂技术部门C、工艺规程就是指每一工序如何操作D、要写明总的要求23. 确定汽车修理工艺规程的原则,关于技术上的先进性,甲说:“要尽量用新技术新工艺,采用先进检测手段,要不断增强自动化程度”;乙说:“不论条件,优先使用新技术新工艺”。
说法不正确的是( )。
A、甲B、乙C、甲和乙D、甲和乙都不正确24. 汽车零件或总成的检、修、装、试的卡片属于( )形式。
A、装配工艺卡片B、技术检验卡片C、综合工艺卡片D、修复工艺卡片25. 发动机干式汽缸磨损严重超过最后一级修理尺寸时,应采取( )。
A、修理尺寸法B、镶套法C、珩磨法D、镀铬法26. 汽油发动机汽缸套筒外壁圆柱度误差的使用极限是( ) mm。
A、≤0.02B、≤0.05C、≤0.01D、≤0.1027. 汽车变速器齿轮不采用( )处理。
A、渗碳B、淬火C、低温回火D、退火28. 发动机曲轴材料要求较高的耐疲劳强度和耐磨性,轴颈表面要经过( )。
A、氮化和高频淬火B、正火C、回火D、退火29. 解放CA1092型汽车变速器壳体( )误差可用百分表测得。
A、端面跳动量B、直线度C、平面度D、位置度30. 生产规模小、车型复杂的汽车修理企业的修理作业方式应选择( )。
A、固定工位作业法B、流水作业法C、专业分工法D、就车修理法31. 由一个作业组承修一辆汽车大部分的修理工作,此劳动组织形式为( )。
A、综合作业法B、专业分工作业法C、就车修理法D、固定修理法32. 粘结法用于修理汽车零件的裂纹,主要缺点是( )。
A、设备复杂,操作困难B、易产生热应力C、易造成腐蚀D、抗冲击能力差,不耐高温33. 发动机飞轮与曲轴装配后,飞轮平面对曲轴轴线的全跳动量应不大于( ) mm。
A、0.10B、0.20C、0.30D、0.2534. 发动机汽缸的修复方法可用( )。
A、电镀法B、喷涂法C、修理尺寸法D、铰削法35. 检验发动机曲轴裂纹的最好方法是选用( )。
A、磁力探伤法或渗透法B、敲击法C、检视法D、荧光探伤法36. 发动机凸轮轴弯曲度要测量中间轴颈,其径向圆跳动误差超过( ) mm时,必须冷压校正或更换。
A、0.10B、0.08C、0.15D、0.0537. 汽车总成装配以( )为基础。
A、基础零件B、组合件C、通用件D、标准件38. 为便于加注润滑脂,汽车万向传动装置的十字轴上注油嘴的安装方向是( )。
A、朝向传动轴管B、朝向汽车前进方向C、必须朝向汽车后方D、任意方向均可39. 解放CA1092型车用主减速器圆锥从动齿轮连同中间轴一起往主减器壳内装复时,应使从动圆锥齿轮( )。
A、在加油孔一边B、在加油孔对面C、朝向任何一方均可D、朝向差速器40. 焊接时,一次施焊长度越长,焊接应力( )。
A、越大B、越小C、不变D、无变化41. 上海桑塔纳2000型轿车前轮制动器的轮缸内活塞安装前,活塞外表面应涂抹一层( )。
A、制动液B、机油C、润滑脂D、防冻液42. 奥迪汽车自动变速器装配时,输出轴端隙的检测用( )进行。
A、千分尺B、厚薄规C、百分表D、卡尺43. 检验气门密封性,常用且简单可行的方法是( )。
A、水压B、煤油或汽油渗透C、口吸D、仪器44. 挂车大修送修标志是( )。
A、挂车车架和货箱B、转盘和货箱C、车架D、货箱和转盘45. 下列选项中,( )不是汽车车架总成大修送修标志。
A、前桥变形严重B、断裂、锈蚀、变形超限C、车架大部分铆钉松动D、车架弯曲变形超限46. 对于变速器总成大修送修标志,( )说法不正确。
A、变速器轴承承孔磨损逾限B、变速器壳体破裂C、变速器轴及齿轮恶性磨损D、变速器操纵机构松动47. 客车车身总成大修送修的标志是( )。
A、车身有轻微锈蚀B、蒙皮破损C、车厢骨架变形严重D、驾驶室锈蚀48. 下列选项中,( )不是货车车身总成的大修送修的标志。
A、驾驶室变形严重B、货箱纵、横梁腐朽C、货箱底板,栏板破面积较大D、驾驶室轻微锈蚀49. 车辆送修时应具备( )功能,装备齐全,不得拆换。
A、行驶B、动力C、经济D、装合50. 发动机活塞环选配的间隙检验项目至少应有( )项。
A、五B、四C、三D、二51. 桑塔纳2000型轿车离合器踏板自由行程为( ) mm。
A、15~20B、15~25C、15~30D、20~3052. 货车车架检验不需进行的项目是( )。
A、变形B、油漆C、裂纹D、磨损53. 用百分表检查启动机启动轴是否弯曲,如摆差大于( ) mm应进行校正。
A、0.1B、0.2C、0.5D、0.1554. 车身划分若干区域,人站立看不到间接表面的是( )。
A、A区B、B区C、C区D、D区55. 汽油机凸轮轴凸轮基圆径向圆跳动使用极限为( ) mm。
A、0.05B、0.04C、0.02D、0.0656. 为确保客车产品主要方面的质量,特制定( )来评定指标。
A、关键项B、重要项C、关键项和重要项D、一般项57. 下述选项中,( )影响发动机的充气效率。
A、润滑油品质B、空燃比C、进气终了时压力D、汽缸容积58. 合理选择( )可以提高发动机的充气效率。
A、进气迟开角B、排气迟开角C、排气早闭角D、进气迟闭角59. 汽油发动机从电火花点火到火焰中心形成的这段时期为( )。
A、着火延迟期B、急燃期C、补燃期D、后燃期60. 过量空气系数越大,着火延迟期越( )。
A、长B、短C、不确定D、不变61. 柴油在( )时被喷入汽缸。
A、进气行程终了B、压缩行程中段C、压缩行程接近终了D、排气行程终了62. 关于耗油率g e说法正确的是( )。
A、g e越小发动机经济性越差B、发动机每小时耗油量G T与g e等价C、g e越小发动机经济性越好D、g e的量纲为g/km63. 由柴油机负荷特性可知,随功率的增加排气烟度( )。
A、增加B、减小C、与速度成正比D、与速度成反比64. 下列不属于车辆检测诊断内容的是( )。
A、底盘功率B、发动机功率C、异响D、曲轴磨损量65. ( )汽车检测站应具备汽车底盘测功仪。
A、A级B、B级C、C级D、D级66. 车辆技术管理原则依据( )。
A、交通部13号令B、交通部29号令C、交通部30号令D、国家标准有关规定67. 交通部颁布的《汽车运输业车辆技术管理规定》第十一、十二条规定( )在购置车辆时,要进行选型论证,择优选配,以提高车辆投资效益。
A、运输单位B、运输个人C、运输单位和运输个人D、大型企业68. GB7258-97《机动车运行安全技术条件》中规定:机动车转向盘最大自由转动量从中间位置向左向右转角,对于最大设计车速大于或等于100km/h的机动车均不得大于( )。
A、50oB、10oC、15oD、20o69. 车辆技术档案的格式由( )制定。
A、单位或个人B、交通部C、车辆管理部门D、各省、自治区、直辖市交通厅(局)70. 在评定车辆是否为完好车时对投入运行年限( )。
A、有要求B、无要求C、未规定D、要求在2年内71. 机动车制动完全释放时间规定不大于( )s。
A、1B、0.8C、2D、372. ( )是汽车动力性的总指标。
A、最高车速B、加速性能C、平均速度D、加速时间73. 汽车匀速行驶时有( )。
A、Ft=Ff+Fw+Fi+FjB、Ft=Ff+Fw+FiC、Ft=Ff+Fi+FjD、Ft=Ff+FW74. 关于附着力,下列说法中正确的是( )。
A、附着力与汽车驱动力的大小有关B、附着力与汽车重量有关C、附着力与地面情况无关D、附着力与轮胎的型式无关75. 在同条件下( ),汽车驱动力越大。
A、主减器传动比越大B、主减器传动比越小C、轮胎半径越大D、变速器传动比越小76. 在紧急制动时,( )情况最危险。
A、前轮先于后轮抱死B、后轮先于前轮抱死C、前后轮滑移率很小时D、车轮将要抱死时77. 汽车制动器制动力( )。